Руководство по эксплуатации «Теплосчетчик-регистратор ВЗЛЕТ ТСР-М исполнение ТСР-025» (В76.00-00.00-25 РЭ)


ВЗЛЕТ ТСР-М
ИСПОЛНЕНИЕ
ТСР-025
РУКОВОДСТВО ПО ЭКСПЛУАТАЦИИ
В76.00-00.00-25 РЭ

Россия, Санкт-Петербург
Система менеджмента качества ЗАО «ВЗЛЕТ» соответствует требованиям ГОСТ Р ИСО 9001-2008 (сертификат соответствия № РОСС RU^C09.K00816) и международному стандарту ISO 9001:2008 (сертификат соответствия № RU-00816)


❖ ❖ ❖
ЗАО «ВЗЛЕТ»
ул. Мастерская, 9, г. Санкт-Петербург, РОССИЯ, 190121 факс (812) 714-71-38 E-mail: mail@vzljot.ru www.vzljot.ru
Call-центр я 8-800-333-888-7
бесплатный звонок оператору
для соединения со специалистом по интересующему вопросу
СОДЕРЖАНИЕ
ПРИЛОЖЕНИЕ А. Вид составных частей теплосчетчика
ПРИЛОЖЕНИЕ Б. Разрядность индикации параметров на дисплее
ПРИЛОЖЕНИЕ В. Приложения к методике поверки
ПРИЛОЖЕНИЕ Г. Источник вторичного питания
Настоящий документ распространяется на теплосчетчик-регистратор «ВЗЛЕТ ТСР-М» исполнения ТСР-025 модификации ТСР-02 и предназначен для ознакомления пользователя с устройством теплосчетчика и порядком его эксплуатации.
В связи с постоянной работой по усовершенствованию прибора в теплосчетчике возможны отличия от настоящего руководства, не влияющие на метрологические характеристики и функциональные возможности прибора.
ПЕРЕЧЕНЬ ПРИНЯТЫХ СОКРАЩЕНИЙ
Dy - диаметр условного прохода;
ЖКИ - жидкокристаллический индикатор;
НС - нештатная ситуация;
НСХ - номинальная статическая характеристика преобразования;
ПД - преобразователь давления;
ПК - персональный компьютер;
ПР - преобразователь расхода;
ПТ - преобразователь температуры;
ТВ - тепловычислитель;
ТК - температурный калибратор;
ТПС - термопреобразователь сопротивления;
ТСч - теплосчетчик;
ЭД - эксплуатационная документация.
ПРИМЕЧАНИЕ. Вид наименования или обозначения, выполненного в тексте и таблицах жирным шрифтом Arial, например, Архивы, соответствует его отображению на дисплее прибора.
1. ОПИСАНИЕ И РАБОТА 1.1. Назначение-
1.1.1. Теплосчетчик-регистратор «ВЗЛЕТ ТСР-М» предназначен для измерения параметров теплоносителя и коммерческого учета тепло-и водоресурсов в водяных и паровых системах теплоснабжения.
Теплосчетчик соответствует ГОСТ Р 51649-2000, рекомендациям МИ 2412, МИ 2573, МОЗМ R75 и другой нормативной документации, регламентирующей требования к приборам учета.
-
1.1.2. Теплосчетчик «ВЗЛЕТ ТСР-М» исполнения ТСР-025 построен на базе тепловычислителя «ВЗЛЕТ ТСРВ» исполнения ТСРВ-025 и обеспечивает:
а) назначение:
- конфигурации схемы теплоучета с учетом вида и особенностей контролируемой теплосистемы и набора используемых первичных преобразователей расхода, температуры и давления;
- критериев фиксации и видов реакций на возможные отказы или нештатные ситуации;
- контрактного времени для процесса архивирования результатов измерений и вычислений;
б) измерение и определение:
- текущих значений параметров теплоносителя первичными преобразователями расхода, температуры и давления;
- значений тепловой мощности, количества теплоты и массы теплоносителя в теплосистеме;
в) индикацию и архивирование:
- результатов измерений и диагностики в каждом трубопроводе и те-плосистеме;
- времени наработки, простоя и действия нештатных ситуаций и отказов;
- базы установочных параметров по теплосистеме;
г) вывод измерительной, диагностической, установочной, архивной и другой информации через внешний интерфейс;
д) контроль и регистрацию:
- наличия отказов и неисправностей составных частей теплосчетчика и нештатных ситуаций (НС) в теплосистеме;
- смены режима управления, производимой с теплосчетчиком при подготовке и в процессе эксплуатации;
е) защиту архивных и установочных данных от несанкционированного доступа.
1.2. Технические характеристики-
1.2.1. Основные технические характеристики теплосчетчика (ТСч) приведены в табл.1.
Таблица 1
Наименование параметра |
Значение параметра |
Прим. |
1. Количество датчиков измерения первичных параметров:
|
до 6 до 6 до 6 | |
2. Количество контролируемых теплосистем |
1 | |
3. Количество контролируемых трубопроводов в теплосистеме |
до 6 | |
4. Диаметр условного прохода трубопровода, Dу, мм |
от 10 до 5 000 | |
5. Диапазон измерения среднего объемного расхода, м3/ч |
от 0,01 до 1 000 000 |
Прим.1 |
6. Диапазон измерения температуры, °С |
от 0 до 180 |
Прим.1, 2 |
7. Диапазон измерения разности температур в подающем и обратном трубопроводах, °С |
от 1 до 180 |
Прим.1 |
8. Диапазон измерения давления, МПа |
от 0,1 до 2,5 |
Прим.1 |
9. Напряжение питания постоянного тока, В |
24 |
см.п.1.2.3 |
10. Потребляемая мощность, ВА |
до 20,0 |
Прим.3 |
11.Средняя наработка на отказ, ч |
75 000 | |
12.Средний срок службы, лет |
12 |
ПРИМЕЧАНИЯ.
-
1. Значение параметра определяется техническими характеристиками первичных преобразователей, входящих в состав теплосчетчика.
-
2. Возможно измерение и архивирование температуры от минус 50 °С (например, температуры наружного воздуха) до 600 °С при укомплектовании теплосчетчика соответствующим термопреобразователем сопротивления.
-
3. С учетом мощности, потребляемой преобразователями расхода и давления, включенными в состав теплосчетчика.
-
1.2.2. Электропитание преобразователей расхода (ПР) и преобразователей давления (ПД) может осуществляться как от отдельного источника, так и от тепловычислителя (ТВ), обеспечивающего питание до шести ПР при мощности потребления до 2 Вт на датчик и шести ПД при токе до 20 мА на датчик.
-
1.2.3. Электропитание тепловычислителя должно осуществляться стабилизированным напряжением постоянного тока значением из диапазона (22-29) В с уровнем пульсаций не более ± 1,0 %.
Питание от сети 220 В 50 Гц может обеспечиваться с помощью источника вторичного питания (ИВП), поставляемого по заказу (Приложение Г).
-
1.2.4. Теплосчетчик обеспечивает вывод результатов измерения с помощью:
-
- универсальных выходов - от 4 до 8 (по заказу);
-
- токовых выходов - 4 (по заказу);
-
- интерфейса RS-232 (RS-485) - 1;
-
- интерфейса Ethernet - 1 (по заказу).
-
1.2.5. Результатов работы теплосчетчика сохраняются в архивах ТВ:
-
- часовом - 1488 записей (часов);
-
- суточном - 366 записей (суток);
-
- месячном - 96 записей (месяцев).
Нештатные ситуации, отказы и действия оператора фиксируются в журналах:
-
- журнале отказов датчиков- до 2048 записей;
-
- журнале НС ТС - до 2048 записей;
-
- журнале отказов ТВ - до 2048 записей;
-
- журнале режимов - до 512 записей;
-
- журнале КСБ - до 512 записей.
Время сохранности архивных, а также установочных данных при отключении питания - не менее 5 лет.
-
1.2.6. Устойчивость к внешним воздействующим факторам тепловычис-лителя в рабочем режиме:
-
- температура окружающего воздуха - от 5 до 50 °С (группа B4);
-
- относительная влажность - 80 % при температуре 35 °С и более низких температурах, без конденсации влаги;
-
- атмосферное давление - от 66,0 до 106,7 кПа (группа P2);
-
- вибрация - в диапазоне от 10 до 55 Гц с амплитудой до 0,35 мм (группа N2).
Степень защиты ТВ соответствует коду IP54 по ГОСТ 14254.
Устойчивость к внешним воздействующим факторам остальных составляющих ТСч указана в эксплуатационной документации (ЭД) на соответствующие изделия.
1.3. Метрологические характеристики-
1.3.1. Пределы допускаемой абсолютной погрешности теплосчетчика при измерении температуры теплоносителя At составляют:
At =±(0,60 + 0,004 • t),
где t - температура теплоносителя, °С.
-
1.3.2. Пределы допускаемой относительной погрешности теплосчетчика при измерении объема (массы), среднего объемного (массового) расхода теплоносителя в водяных системах теплоснабжения составляют ±2,0 %.
-
1.3.3. Пределы допускаемой относительной погрешности теплосчетчиков при измерении массы, (массового) расхода теплоносителя в паровых системах теплоснабжения составляют ±3,0 %.
-
1.3.4. Пределы допускаемой приведенной погрешности теплосчетчика при измерении давления составляют ±2,0 %.
Диапазоны давления, в которых обеспечивается указанная погрешность теплосчетчика при типовой комплектации преобразователями давления с классом точности 0,5:
-
- от 0,88 до 2,5 МПа - для преобразователей давления с верхним пределом измерения 2,5 МПа;
-
- от 0,56 до 1,6 МПа - для преобразователей давления с верхним пределом измерения 1,6 МПа;
-
- от 0,35 до 1,0 МПа - для преобразователей давления с верхним пределом измерения 1,0 МПа.
-
1.3.5. Пределы допускаемой относительной погрешности теплосчетчика при измерении тепловой энергии в водяных системах теплоснабжения соответствуют классу С по ГОСТ Р 51649-2000, в диапазоне разности температур составляют:
от 1 до 10 °С от 10 до 20 °С более 20 °С
не более ±6,0 %; не более ±5,0 %; не более ±4,0 %.
-
1.3.6. Пределы допускаемой относительной погрешности теплосчетчиков при измерении тепловой энергии в паровых системах теплоснабжения составляют:
-
- ±5,0 % в диапазоне расхода пара от 10 до 30 %;
-
- ±4,0 % в диапазоне расхода пара от 30 до 100 %.
-
1.3.7. Пределы допускаемой относительной погрешности теплосчетчика при измерении времени работы в различных режимах составляют ±0,01 %.
Состав ТСч при поставке - в соответствии с табл.2.
Таблица 2
Наименование и условные обозначения |
Кол-во |
Примечание |
1. Тепловычислитель «ВЗЛЕТ ТСРВ» исполнения ТСРВ-025 |
1 | |
2. Преобразователь расхода |
до 6 |
Прим. 1 |
3. Преобразователь температуры |
до 6 |
Прим. 2 |
4. Преобразователь давления |
до 6 |
Прим. 3 |
5. Комплект монтажный |
1 |
Прим. 4 |
6. Паспорт |
1 | |
7. Комплект эксплуатационной документации в составе:
|
1 |
Прим. 5 |
ПРИМЕЧАНИЯ.
-
1. Тип и количество преобразователей расхода - в соответствии с заказом. Типовая поставка - электромагнитные расходомеры «ВЗЛЕТ ЭР» исполнения ЭРСВ-420Л требуемого типоразмера.
-
2. Тип и количество преобразователей температуры - в соответствии с заказом.
-
3. Тип и количество преобразователей давления - в соответствии с заказом. Типовая поставка - преобразователи избыточного давления типа СДВ-И-А ЗАО НПК «ВИП» с токовым выходом 4-20 мА.
-
4. Состав - в соответствии с заказом. В комплект могут входить:
-
- кабели связи тепловычислителя с преобразователями расхода (ПР), преобразователями давления и/или преобразователями температуры (ПТ); длина кабелей по заказу из типоряда: 6, 12, 20, 30, 40, 70,100, 150, 200 м;
-
- присоединительная и установочная арматура для монтажа составных частей ТСч на объекте.
-
5. Эксплуатационная документация и карты заказа на данное изделие и другую продукцию, выпускаемую фирмой «ВЗЛЕТ», размещены на сайте по адресу www.vzljot.ru.
Там же размещены сервисные программы для работы с тепло-вычислителем по последовательным интерфейсам RS-232, RS-485 и интерфейсу Ethernet:
-
- «Универсальный просмотрщик», включающий в свой состав инструментальную программу «Монитор ТСРВ-025»;
-
- конфигуратор базы «КБ ТСРВ-025».
По заказу возможна поставка программного комплекса «Взлет СП», позволяющего объединять в единую сеть приборы (в том числе различного типа и разных производителей) с целью автоматизации сбора данных, создания и ведения баз данных, а также подготовки отчетов.
1.5. Устройство и работаТеплосчетчик «ВЗЛЕТ ТСР-М» исполнения ТСР-025, построенный на базе тепловычислителя «ВЗЛЕТ ТСРВ» исполнения ТСРВ-025, представляет собой единый многофункциональный многоканальный комплекс, который может выполнять учет и регистрацию параметров теплоносителя и количества теплоты в расчетных теплосистемах различной конфигурации.
Принцип действия теплосчетчика основан на измерении первичных параметров теплоносителя с помощью преобразователей расхода ПР, температуры ПТ, давления ПД и обработке результатов измерений в соответствии с алгоритмом выбранной схемы те-плоучета. Каналы измерения расхода, температуры и давления теплосчетчика состоят из первичного измерительного преобразователя, линии связи и канала измерения тепловычислителя соответствующего параметра.
Структурная схема теплосчетчика приведена на рис.1.

ПР, ПТ, ПД - преобразователи расхода, температуры, Давления; ДС - Датчик события (присутствия, заДымления и Др.); Dir - универсальный вход.
Рис. 1. Структурная схема теплосчетчика.
В качестве ПР в составе теплосчетчика могут использоваться электромагнитные, ультразвуковые, вихревые, тахометрические или основанные на иных физических принципах преобразователи расхода или расходомеры, имеющие частотно-импульсный выход.
В качестве ПТ могут использоваться термопреобразователи сопротивления с различными значениями номинальной статической характеристики (НСХ), подключаемые к тепловычислителю по 4-проводной схеме. Для каналов измерения температуры в подающем и обратном трубопроводах одной теплосистемы должен использоваться комплект преобразователей температуры, имеющий нормируемую погрешность измерения разности температур.
В качестве ПД могут использоваться преобразователи давления различного типа, обеспечивающие преобразование избыточного давления теплоносителя в контролируемом трубопроводе в унифицированный токовый выходной сигнал.
Возможно вместо измеряемого значения расхода, температуры или давления использовать индивидуальное договорное значение соответствующего параметра.
Управление теплосчетчиком осуществляются с помощью клавиатуры и жидкокристаллического индикатора (ЖКИ), расположенных на передней панели ТВ, либо с помощью персонального компьютера (ПК), подключаемого по интерфейсам RS-232 (RS-485), Ethernet.
1.6. Составные части изделияТепловычислитель «ВЗЛЕТ ТСРВ» исполнения ТСРВ-025 представляет собой микропроцессорный измерительно-вычислительный блок модульной конструкции с жидкокристаллическим графическим индикатором и кнопочной панелью управления. Технические характеристики и описание работы тепловычислителя, а также порядок управления им приведены в документах:
- «Тепловычислитель «ВЗЛЕТ ТСРВ». Исполнение ТСРВ-025. Руководство по эксплуатации. Часть I» В84.00-00.00-25 РЭ;
- «Тепловычислитель «ВЗЛЕТ ТСРВ». Исполнение ТСРВ-025. Руководство по эксплуатации. Часть II» В84.00-00.00-25 РЭ1.
В качестве ПР в составе ТСч могут использоваться следующие изделия фирмы «ВЗЛЕТ»:
- электромагнитные расходомеры-счетчики «ВЗЛЕТ ЭР»;
- ультразвуковые расходомеры-счетчики УРСВ «ВЗЛЕТ МР».
Описание принципа действия и технические характеристики перечисленных ПР приведены в соответствующей ЭД.
Кроме того в качестве ПР могут использоваться следующие расходомеры с учетом метрологических характеристик и параметров импульсного выхода: ВЭПС-СР, ВЭПС-ТИ, ВСТ, ВМГ, СВЭМ, ВРТК-2000, РМ-5, ПРЭМ, ТЭМ, SONO 1500 CT, UFM 3030, МТК, MNK, MTW, КАРАТ-520, ЭМИР-ПРАМЕР 550. Также возможно использование стандартных сужающих устройств в соответствии с ГОСТ 8.586.2-2005, сопел и сопел Вентури по ГОСТ 8.586.3-2005, труб Вентури по ГОСТ 8.586.4-2005.
В качестве ПР в одном теплосчетчике могут использоваться расходомеры различных видов и типов.
Максимальная длина связи ТВ с указанными ПР определяется техническими характеристиками используемого расходомера.
Питание ПР может осуществляться как от ТВ, так и от отдельного источника питания. Длина 2-х проводной линии связи с ТВ не более 300 м при омическом сопротивлении линии не более 100 Ом и суммарной емкости не более 0,01 мкФ.
В составе теплосчетчика в качестве ПТ могут использоваться подобранные в пару термопреобразователи сопротивления (ТПС) платиновые:
-
- обладающие одной из номинальных статических характеристик преобразования, указанных в табл.3;
-
- имеющие требуемые метрологические характеристики;
-
- обеспечивающие подключение по 4-проводной схеме;
- удовлетворяющие условиям применения.
Таблица 3
Номинальное значение сопротивления платинового термопреобразователя при 0 °С, Ro, Ом |
Условное обозначение НСХ | |||
по ГОСТ 6651-94 |
по ГОСТ 6651-2009 | |||
100 |
100П, Pt100 Pt'100 |
W100 = 1,3850 W100 = 1,3910 |
Pt100 100П |
a = 0,00385- °C 1 a = 0,00391- °C 1 |
СЛЛ |
500П, Pt500 |
W100 = 1,3850 |
Pt500 |
a = 0,00385- °C 1 |
5oo |
Pt'500 |
W100 = 1,3910 |
500П |
a = 0,00391- °C 1 |
и ллл |
1000П, Pt1000 |
W100 = 1,3850 |
Pt1000 |
a = 0,00385- °C 1 |
1ooo |
Pt'1000 |
W100 = 1,3910 |
1000П |
a = 0,00391- °C 1 |
Могут использоваться ПТ типа «ВЗЛЕТ ТПС», КТС-Б, КТСП-Н, КТПТР-01, КТПТР-05, ТМТ-7(-15), ТПТ-1(-25), Метран-2000, Мет-ран-280, ТСПУ-205, ТСП, ТС-Б-Р.
Длина 4-проводной линии связи с ТВ не более 400 м при омическом сопротивлении линии не более 200 Ом.
В составе теплосчетчика могут быть использованы ПД различного типа, измеряющие относительное (избыточное) давление, имеющие унифицированный токовый выход в диапазоне 0...5, 0...20 или 4.20 мА и отвечающие заданным требованиям по точности и условиям применения, в том числе: Метран-22, Метран-43, Метран-55, Метран-75, Сапфир-22МП-ВН, ПДИ-01, СДВ, 415, АИР-10, АИР-20/М2, ЭЛЕМЕР-АИР-30, ПДТВХ-1, DMP, MBS 1700, MBS 3000, MBS 33.
При типовой поставке используется ПД типа СДВ-И-А ЗАО НПК «ВИП» с наибольшим давлением 1,0 или 1,6 МПа. Вид СДВ-И-А приведен в Приложении А.
Максимальная длина связи ТВ-ПД определяется техническими характеристиками используемого ПД и вида кабеля связи.
Питание ПД может осуществляться как от ТВ, так и от отдельного источника питания. ТВ обеспечивает питание шести ПД при токе до 20 мА. Длина 2-проводной линии связи с ТВ не более 200 м при омическом сопротивлении линии не более 100 Ом.
1.7. Маркировка и пломбирование-
1.7.1. Маркировка на лицевой панели ТВ содержит его обозначение и наименование, товарный знак предприятия-изготовителя, знак утверждения типа средства измерения. Заводской номер указан на шильдике, закрепленном на корпусе ТВ.
-
1.7.2. Составные части теплосчетчика имеют маркировку наименования (обозначения) составной части, товарный знак предприятия-изготовителя, знак утверждения типа средства измерения и заводского номера. Возможна дополнительная маркировка порядкового номера - принадлежность преобразователя соответствующему каналу измерения данного параметра.
-
1.7.3. После поверки пломбируется колпачок, закрывающий контактную пару разрешения модификации калибровочных параметров ТВ.
Для защиты от несанкционированного доступа при транспортировке и хранении могут пломбироваться два соединительных винта со стороны лицевой панели тепловычислителя.
-
1.7.4. После монтажа и проверки функционирования ТВ на объекте могут быть опломбированы:
-
- колпачок, закрывающий контактную пару разрешения модификации функциональных параметров ТВ;
-
- преобразователи расхода и вентили байпасных линий, обходящих ПР;
-
- преобразователи температуры - корпус ПТ вместе с трубопроводом;
-
- преобразователи давления - вентиль, отсекающий ПД, а при необходимости крышка монтажной коробки и корпус датчика.
-
1.7.5. Для защиты от несанкционированного доступа при эксплуатации могут быть опломбированы два соединительных винта со стороны лицевой панели тепловычислителя.
-
2.1.1. Эксплуатация ТСч должна производиться в условиях воздействующих факторов, не превышающих допустимых значений, оговоренных в настоящей ЭД.
-
2.1.2. Качество теплоносителя (наличие и концентрация взвесей, посторонних жидкостей и т.п.), а также состояние трубопроводов тепло-системы не должны приводить к появлению отложений, влияющих на работоспособность и метрологические характеристики преобразователей расхода, температуры и/или давления.
ВНИМАНИЕ! Для обеспечения работоспособности ТСч с электромагнитными ПР в теплосистеме с угольным фильтром необходимо следить за исправностью угольного фильтра.
-
2.1.3. Необходимость защитного заземления прибора определяется в соответствии с требованиями главы 1.7 «Правил устройства электроустановок» в зависимости от напряжения питания и условий размещения прибора.
-
2.1.4. Молниезащита объекта размещения прибора, выполненная в соответствии с «Инструкцией по устройству молниезащиты зданий, сооружений и промышленных коммуникаций» СО153-34.21.122-2003 (утвержденной Приказом Минэнерго России №280 от 30.06.2003), предохраняет прибор от выхода из строя при наличии молниевых разрядов.
-
2.1.5. Точная и надежная работа ПР обеспечивается при выполнении в месте их установки следующих условий:
- на входе и выходе ПР должны быть прямолинейные участки трубопровода с Dy, равным Dy ПР, длиной в соответствии с требованиями ЭД на данный тип ПР;
-
- отсутствие скопления воздуха в трубопроводе;
-
- давление теплоносителя в трубопроводе должно исключать газообразование;
-
- трубопровод при работе ТСч всегда должен быть заполнен жидкостью (теплоносителем);
-
- напряженность внешнего магнитного поля не должна превышать 40 А/м.
-
2.1.6. Скорость потока теплоносителя в местах установки ПТ не должна превышать 4 м/с. Для использования ПТ на более высоких скоростях потока требуется применение защитных гильз с соответствующими характеристиками.
-
2.1.7. Давление в трубопроводе не должно превышать предельное допустимое значение для используемого ПД даже кратковременно.
-
2.1.8. Требования к условиям эксплуатации и выбору места монтажа, приведенные в настоящей ЭД, учитывают наиболее типичные факторы, влияющие на работу теплосчетчика.
На объекте эксплуатации могут существовать или возникнуть в процессе его эксплуатации факторы, не поддающиеся предварительному прогнозу, оценке или проверке, и которые производитель не мог учесть при разработке.
В случае проявления подобных факторов следует найти иное место эксплуатации, где данные факторы отсутствуют или не оказывают влияния на работу изделия.
2.2. Меры безопасности-
2.2.1. К работе с изделием допускается обслуживающий персонал, изучивший эксплуатационную документацию на изделие.
-
2.2.2. При подготовке изделия к использованию должны соблюдаться «Правила технической эксплуатации электроустановок потребителей» и «Межотраслевые правила по охране труда (Правила безопасности) при эксплуатации электроустановок».
-
2.2.3. При проведении работ с ТСч опасными факторами являются:
- переменное напряжение с действующим значением до 264 В частотой 50 Гц;
- давление в трубопроводе до 2,5 МПа;
- температура теплоносителя (трубопровода) до 180 °С.
-
2.2.4. Запрещается использовать электромагнитные ПР при давлении в трубопроводе более 2,5 МПа.
-
2.2.5. В процессе работ по монтажу, пусконаладке или ремонту теплосчетчика запрещается:
- производить подключения к прибору, переключения режимов или замену электрорадиоэлементов при включенном питании;
- производить замену составных частей теплосчетчика до полного снятия давления на участке трубопровода, где производятся работы;
- использовать неисправные электрорадиоприборы, электроинструменты либо без подключения их корпусов к магистрали защитного заземления (зануления).
2.3. Подготовка к использованию-
2.3.1. Монтаж ТСч должен проводиться в соответствии с документом «Теплосчетчик-регистратор «ВЗЛЕТ ТСР-М». Исполнение ТСР-025. Инструкция по монтажу» В76.00-00.00-25 ИМ, а также ЭД на входящие устройства. Монтаж должен проводиться специализированной организацией, имеющей право на выполнение данного вида работ, либо представителями предприятия-изготовителя.
-
2.3.2. При подготовке изделия к использованию должно быть проверено:
- правильность установки ПР, ПТ и ПД в соответствии с выбранным алгоритмом работы ТСч.;
- правильность подключения используемых ПР, ПТ и ПД к соответствующим клеммным колодкам на модуле коммутации ТВ. Схема подключения ТСч и размещение клеммных колодок на модуле коммутации ТВ приведены в соответствующих разделах инструкции по монтажу ТСч и руководства по эксплуатации ТВ;
- наличие при необходимости защитного заземления тепловычисли-теля;
- правильность положения вентилей, отсекающих ПР и ПД (они должны быть в положении «открыто»);
- правильность установки ПР в соответствии с направлением потока теплоносителя в трубопроводе;
- наличие и соответствие напряжения питания теплосчетчика и составных частей требуемым техническим характеристикам;
- подключение дополнительного оборудования (компьютера, модема и т.д.) в соответствии с выбранной схемой.
-
2.3.3. Теплосчетчик «ВЗЛЕТ ТСР-М» при первом включении или после длительного перерыва в работе готов к эксплуатации (при отсутствии отказов и нештатных ситуаций в системах) после:
- 30- минутного прогрева расходомеров;
- 30- минутной промывки электромагнитных ПР потоком жидкости;
- полного прекращения динамических гидравлических процессов в трубопроводе, связанных с регулированием потока теплоносителя (работы на трубопроводе со сливом теплоносителя, перекрытие потока теплоносителя и т.п.).
2.4. Порядок работы-
2.4.1. После включения ТВ на дисплее отображается основное меню. Введенный в эксплуатацию теплосчетчик работает непрерывно в автоматическом режиме.
-
2.4.2. Считывание текущих значений измеряемых параметров, а также содержимого архивов и журнала действий оператора может осуществляться с дисплея ТВ, а также по интерфейсам RS-232, RS-485 или Ethernet.
ВНИМАНИЕ ! На дисплее ЖКИ может наблюдаться неустойчивая индикация текущего значения расхода в случае изменений расхода, связанных с пуском, остановом или регулировкой потока теплоносителя, а также при значении расхода ниже наименьшего для используемого типа ПР. Неустойчивость индикации расхода при резких изменениях или малых значениях расхода связаны с периодом обработки информации, выводимой на дисплей, и не влияет на работу счетчиков объема тепловычислителя.
-
2.4.3. Для формирования отчетов возможно использование только тех архивных данных, которые записаны по истечению календарных суток с момента последнего переключения из режима СЕРВИС или КАЛИБРОВКА в режим РАБОТА.
-
2.5.1. В процессе функционирования теплосчетчика производится диагностика состояния ТВ, ПР, ПТ и ПД. Факт возникновения неисправности отображается на дисплее ТВ.
-
2.5.2. При возникновении сбоя либо отказа в работе ТСч необходимо для проверки произвести перезапуск прибора путем кратковременного отключения питания.
-
2.5.3. При отказе одного из датчиков согласованной пары ПТ должна производиться замена обоих преобразователей согласованной пары.
-
2.5.4. При отсутствии свечения индикатора на ТВ необходимо проверить наличие напряжения питания либо заменить предохранитель номиналом 1,0 А на задней стенке субблока обработки данных.
-
2.5.5. Если действия, предпринятые в соответствии с указанными выше рекомендациями, не привели к восстановлению нормальной работы изделия, следует обратиться в сервисный центр (региональное представительство) или к изготовителю изделия.
-
3.1. Введенный в эксплуатацию теплосчетчик рекомендуется подвергать периодическому осмотру с целью контроля:
- работоспособности ТСч;
- наличия напряжения питания;
- соблюдения условий эксплуатации ТСч и его составных частей (ТВ, ПР, ПТ, ПД);
- отсутствия повреждений составных частей ТСч;
- надежности электрических и механических соединений;
- правильности положения задвижек, отсекающих ПД, и вентилей байпасных линий ПР;
- нуля ПД в соответствии с его ЭД.
Периодичность осмотра зависит от условий эксплуатации, но не должна быть реже одного раза в две недели.
-
3.2. Несоблюдение условий эксплуатации ТСч в соответствии с требованиями настоящего руководства по эксплуатации может привести к отказу прибора или превышению допустимого уровня погрешности измерений.
Внешние повреждения также могут привести к превышению допустимого уровня погрешности измерений. При появлении внешних повреждений изделия или кабеля питания, связи необходимо обратиться в сервисный центр или региональное представительство для определения возможности его дальнейшей эксплуатации.
Наличие напряжения питания ТСч определяется по наличию свечения панели дисплея. Работоспособность прибора определяется по содержанию индикации на дисплее ТВ.
-
3.3. В процессе эксплуатации ТСч не реже одного раза в год необходимо проводить профилактический осмотр внутреннего канала преобразователя расхода на наличие загрязнений и/или отложений. Допускается наличие легкого рыжеватого налета, который при проведении профилактики должен сниматься с помощью чистой мягкой ветоши, смоченной в воде.
При наличии загрязнений и отложений другого вида или их существенной толщины необходимо произвести очистку поверхности ПР и отправить прибор на внеочередную поверку.
Наличие загрязнений на поверхности, контактирующей с теплоносителем, свидетельствует о неудовлетворительном состоянии системы теплоснабжения.
-
3.4. В процессе эксплуатации необходимо следить за тем, чтобы канал передачи давления от трубопровода к ПД не засорялся и в нем не было пробок газа. С этой целью элементы канала передачи давления рекомендуется периодически продувать, а также стравливать из них воздух. Периодичность таких работ устанавливается потребителем в зависимости от условий эксплуатации.
-
3.5. При монтаже и демонтаже элементов ТСч необходимо руководствоваться документом «Теплосчетчик-регистратор «ВЗЛЕТ ТСР-М». Исполнение ТСР-025. Инструкция по монтажу» В76.00-00.00-25 ИМ, а также ЭД на составные части.
-
3.6. Отправка прибора для проведения поверки либо ремонта должна производиться с паспортом прибора. В сопроводительных документах необходимо указывать почтовые реквизиты, телефон и факс отправителя, а также способ и адрес обратной доставки. При отправке изготовителю на ремонт составной части, входящей в комплект ТСч, необходимо указывать заводской номер теплосчетчика.
-
4.1. Теплосчетчик, укомплектованный в соответствии с табл.2, упаковывается в индивидуальную тару категории КУ-2 по ГОСТ 23170.
Присоединительная арматура поставляется в отдельной таре россыпью или в сборе на один или несколько комплектов ТСч.
-
4.2. ТСч должен храниться в сухом отапливаемом помещении в соответствии с условиями хранения 1 согласно ГОСТ 15150. В помещении для хранения не должно быть токопроводящей пыли, паров кислот, щелочей, а также газов, вызывающих коррозию и разрушающих изоляцию.
Теплосчетчик не требует специального технического обслуживания при хранении.
-
4.3. ТСч «ВЗЛЕТ ТСР-М» может транспортироваться автомобильным, речным, железнодорожным и авиационным транспортом (кроме негерметизированных отсеков) при соблюдении следующих условий:
- транспортировка осуществляется в заводской таре;
- отсутствует прямое воздействие влаги;
-
- температура не выходит за пределы от минус 30 до 50 °С;
-
- влажность не превышает 95 % при температуре до 35 °С;
-
- вибрация в диапазоне от 10 до 500 Гц с амплитудой до 0,35 мм или ускорением до 49 м/с2;
-
- удары со значением пикового ускорения до 98 м/с2;
-
- уложенные в транспорте изделия закреплены во избежание падения и соударений.
-
5.1. Настоящая методика устанавливает методы и средства первичной и периодической поверки теплосчетчиков «ВЗЛЕТ ТСР-М».
Межповерочный интервал - 4 года.
ТСч проходит первичную поверку при выпуске из производства и после ремонта, периодические - при эксплуатации.
Поверка ТСч должна осуществляться поэлементно.
Каждая составная часть ТСч является средством измерения утвержденного типа и подвергается поверке в соответствии с методиками и интервалами, указанными для каждой из них в соответствующей документации.
-
5.2. Операции поверки
При проведении поверки должны быть выполнены операции, указанные в табл.4.
Таблица 4
Наименование операций |
Пункт документа по поверке |
Операции, проводимые при данном виде поверки | |
первичная |
периодическая | ||
1. Внешний осмотр |
5.7.1 |
+ |
+ |
2. Опробование |
5.7.2 |
+ |
+ |
3. Подтверждение соответствия программного обеспечения |
5.7.3 |
+ |
+ |
4. Поверка составных частей |
5.7.4 |
+ |
+ |
-
5.3. Средства поверки
-
5.3.1. При проведении поверки составных частей ТСч применяется следующее поверочное оборудование:
-
1) средства измерения и контроля:
-
- установка поверочная для поверки методом измерения объема, расхода или массы с пределами относительной погрешности не более 1/3 предела допускаемой относительной погрешности измерения поверяемого преобразователя расхода;
-
- магазин сопротивлений Р 4831, ГОСТ 23737, пределы допускаемого отклонения сопротивления ±0,022 %;
-
- термометры, ГОСТ 13646, диапазон 0-100 °С, абсолютная погрешность не более ± 0,02°С, диапазон 100-200 °С, абсолютная погрешность не более ± 0,1 °С;
-
- компактный температурный калибратор TC-180, диапазон - минус 40-180°С, относительная погрешность воспроизведения температуры ± 0,06 %;
- вольтметр В7-43 Тг2.710.026 ТО, диапазон 10 мкВ-1000 В, относительная погрешность ± 0,2 %;
-
- комплекс поверочный «ВЗЛЕТ КПИ» (КПИ) В64.00-00.00 ТУ;
-
- частотомер Ч3-64 ДЛИ 2.721.066 ТУ, диапазон 0-150 МГц, относительная погрешность ± 0,01 %;
-
- источник питания постоянного тока Б5-49, диапазон 0,001-1 А, нестабильность ± 0,005 %.
-
- калибратор давления PM110PIC, диапазон 0-2,0 МПа, относительная погрешность воспроизведения давления ± 0,05 %.
2) вспомогательные устройства:
-
- термостаты по ГОСТ 6709, заполненные водой и полиметилсилоксановой жидкостью по ГОСТ 13032, нестабильность температуры в рабочей камере не более 3-10’3 К;
-
- резисторы прецизионные (имитирующие соответствующие преобразователи);
-
- генератор импульсов Г5-88 ГВ3.264.117 ТУ, частота 1 Гц - 1 МГц;
-
- осциллограф С1-96 2.044.011 ТУ;
-
- IBM совместимый персональный компьютер (ПК).
-
5.3.2. Допускается применение другого оборудования, приборов и устройств, характеристики которых не уступают характеристикам оборудования и приборов, приведенных в п.5.3.1. При отсутствии оборудования и приборов с характеристиками, не уступающими указанным, по согласованию с органом, выполняющего поверку, допускается применение оборудования и приборов с характеристиками, достаточными для получения достоверного результата поверки.
-
5.3.3. Все средства измерения и контроля должны быть поверены и иметь действующие свидетельства или отметки о поверке.
-
5.4. Требования к квалификации поверителей
К проведению измерений при поверке и обработке результатов измерений допускаются лица, аттестованные в качестве поверителей, изучившие эксплуатационную документацию на ТСч и средства поверки, имеющие опыт поверки средств измерений расхода, объема теплоносителя и приборов учета тепла, а также прошедшие инструктаж по технике безопасности в установленном порядке.
-
5.5. Требования безопасности
-
5.5.1. При проведении поверки должны быть соблюдены требования безопасности в соответствии с «Правилами технической эксплуатации электроустановок потребителей» и «Межотраслевыми правилами по охране труда (Правила безопасности) при эксплуатации электроустановок».
-
5.5.2. При работе с измерительными приборами и вспомогательным оборудованием должны быть соблюдены требования безопасности, оговоренные в соответствующих технических описаниях и руководствах по эксплуатации.
-
-
5.6. Условия проведения поверки
При проведении поверки должны быть соблюдены следующие условия:
- температура окружающего воздуха от 15 до 40 °С;
- температура поверочной жидкости от 15 до 90 °С;
- относительная влажность воздуха от 30 до 80 %;
- атмосферное давление от 84,0 до 106,7 кПа;
- внешние электрические и магнитные поля напряженностью не более 40 А/м;
- при питании ТСч от сети переменного тока:
- напряжение питания от 187 до 242 (31 - 40) В;
- частота питающей сети от 49 до 51 Гц.
Примечание. Допускается выполнение поверки в рабочих условиях эксплуатации теплосчетчика при соблюдении требований к условиям эксплуатации поверочного оборудования.
-
5.7. Проведение поверки
-
5.7.1. Внешний осмотр.
-
При внешнем осмотре устанавливают:
- соответствие комплектности ТСч требованиям эксплуатационной документации;
- наличие на составных частях ТСч знака утверждения типа и заводского номера;
- соответствие заводских номеров составных частей ТСч паспорту ТСч;
- наличие действующих свидетельств о поверке или отметок о поверке в паспортах составных частей ТСч;
- наличие пломб, несущих поверительные клейма, на составных частях ТСч;
- отсутствия грубых механических повреждения и повреждений покрытия на на составных частях ТСч.
-
5.7.2. Опробование.
Необходимо провести соединение составных частей ТСч в соответствии со схемами, указанными в документации на ТВ.
При подаче на измерительные каналы воздействий, соответствующих измеряемым параметрам, согласно документации на составные части ТСч должны изменяться соответствующие показания ТСч, необходимо проверить наличие сигналов на информационных выходах.
Необходимо проверить наличие индикации измеряемых и контролируемых параметров, наличие коммуникационной связи с персональным компьютером.
-
5.7.3. Подтверждение соответствия программного обеспечения.
Операция «Подтверждение соответствия программного обеспечения» включает:
- определение идентификационного наименования программного обеспечения;
- определение номера версии (идентификационного номера) программного обеспечения;
- определение цифрового идентификатора (контрольной суммы исполняемого кода) программного обеспечения.
Подтверждение соответствия программного обеспечения проводят в составе операций поверки ТСч:
Производится включение ТВ. После подачи питания встроенное программное обеспечение (ПО) ТВ выполняет ряд самодиаг-ностических проверок, в том числе проверку целостности конфигурационных данных и неизменности исполняемого кода, путем расчета и публикации контрольной суммы.
При этом на индикаторе ТВ (или на подключенном к интерфейсному выходу ТВ компьютере) будут отражаться следующие данные:
- идентификационное наименование ПО;
- номер версии (идентификационный номер) ПО;
- цифровой идентификатор (контрольная сумма) ПО.
Подтверждение соответствия программного обеспечения остальных составных частей ТСч выполняют в соответствии с документами на поверку каждой составной части ТСч.
Результат подтверждения соответствия программного обеспечения считается положительным, если полученные идентификационные данные ПО СИ (идентификационное наименование, номер версии (идентификационный номер) и цифровой идентификатор) соответствуют идентификационным данным, указанным в описании типа средства измерений.
По результатам подтверждения соответствия программного обеспечения делается отметка о соответствии в протоколе (Приложение В).
5.7.4 Поверку составных частей ТСч проводят согласно документам на поверку каждой составной части.
ТСч считается прошедшим поверку с положительным результатом, если все его составные части соответствуют критериям годности, установленным в их методиках поверки.
Допускается проводить оценку суммарной погрешности ТСч в соответствии с МИ 2553-99.
-
5.8. Оформление результатов поверки
-
5.8.1. При положительных результатах поверки в протоколе (Приложение В) делается отметка о годности к эксплуатации, оформляется свидетельство о поверке или делается отметка в паспорте ТСч, удостоверенные поверительным клеймом и подписью поверителя, а ТСч допускается к применению с нормированными значениями погрешности.
-
5.8.2. При отрицательных результатах поверки одного из функциональных блоков теплосчетчика производится его замена на аналогичный с последующей поверкой.
-
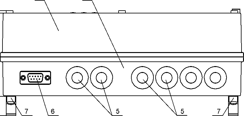
ПРИЛОЖЕНИЕ А. Вид составных частей теплосчетчика
108,5* 134,5*
12

а) вид спереди
34
*
Ю
LD
CO

б) вид снизу
* - справочный размер
-
1 - Дисплей индикатора; 2 - клавиатура; 3 - модуль обработки Данных; 4 - модуль коммутации; 5 - разъем RS-232; 6 - заглушка мембранная.
Рис. А.1. Вид тепловычислителя исполнения ТСРВ-025.

* - справочный размер
Длина монтажной части l*, мм |
50 |
70 |
98 |
133 |
223 |
L*, мм |
158 |
178 |
206 |
241 |
331 |
Рис. А.2. Термопреобразователь сопротивления «ВЗЛЕТ ТПС».

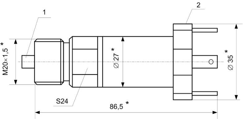
* - справочный размер
1 - штуцер подключения ПД к измеряемой среДе; 2 - разъем кабеля связи ПД.
Рис. А.3. Преобразователь давления типа СДВ-И-А.
Таблица А.1. Мощность, потребляемая ПР
Тип ПР |
Потребляемая мощность, Вт |
Расходомер-счетчик электромагнитный «ВЗЛЕТ ЭР» исполнения ЭРСВ-4х0Л/Ф |
2,0 2 |
Расходомер-счетчик электромагнитный «ВЗЛЕТ ЭР» исполнения ЭРСВ-5х0Л/Ф |
2,5 2 |
* - при температуре контролируемой жидкости 150 °С.
Таблица А.2. Мощность, потребляемая тепловычислителем при подключении ПД типа СДВ-И-А
Количество подключенных ПД |
Мощность, потребляемая ТВ, Вт |
0 |
2,5 |
1 |
3,0 |
2 |
3,5 |
3 |
4,0 |
4 |
4,5 |
5 |
5,0 |
6 |
5,5 |
ПРИЛОЖЕНИЕ Б. Разрядность индикации параметров на дисплее теплосчетчика
(справочное)
Таблица Б.1
Обозначение параметра при индикации |
Наименование параметра, единицы измерения |
Разрядность индикации |
Примечания | |
целая часть |
дробная часть | |||
G, g |
Расход массовый [т/ч, кг/ч] |
1 - 6 |
4 | |
Q, q |
Расход объемный [м3/ч, л/мин] |
1 - 6 |
4 | |
t |
Температура [°С] |
1 - 3 |
2 | |
Р |
Давление [МПа, кгс/см2, бар] |
1 - 2 |
3 | |
М, m |
Масса теплоносителя [т, кг] |
1 - 10 |
3 |
Прим.1 |
V |
Объем [м3,л] |
1 - 10 |
3 |
Прим.2 |
W |
Количество теплоты [МВт-ч, ГДж, Гкал] |
1 - 10 |
3 |
Прим.3 |
E |
Тепловая мощность [МВт, ГДж/ч, Гкал/ч] |
1 - 6 |
4 | |
Т |
Время |
1 - 7 |
2 | |
h |
Удельная энтальпия [Мкал/т] |
1 - 4 |
3 | |
р |
Плотность [кг/м3] |
1 - 4 |
3 | |
R |
Сопротивление электрическое [Ом] |
1 - 4 |
2 | |
I |
Сила тока [мА] |
1 - 4 |
2 | |
F |
Частота следования импульсов [Гц] |
1 - 4 |
2 |
ПРИМЕЧАНИЯ.
-
1. Переполнение счетчика наступает, если значение М > 2-109 т. После переполнения счетчика отсчет начинается с нулевого значения.
-
2. Переполнение счетчика наступает, если V > 2-109 м3 После переполнения счетчика отсчет начинается с нулевого значения.
-
3. Переполнение счетчика наступает, если W > 2-109 Гкал. После переполнения счетчика отсчет начинается с нулевого значения.
ПРИЛОЖЕНИЕ В. Приложения к методике поверки
(обязательное)
Схемы подключения ТСч при поверке

1 - трубопровод поверочной установки;
-
2 - регулирующий вентиль;
-
3 - контрольный манометр;
-
4 - контрольный термометр;
ТК - температурный калибратор;
ПД - преобразователь давления;
ПК - персональный компьютер;
ПР - преобразователь расхода (расходомер, расходомер-счетчик и т.д.);
ПТ - преобразователь температуры;
СчИ - счетчик импульсов.
Рис.В.1. Схема подключения ТСч при поверке методом непосредственного сличения.

R - магазин сопротивлений;
ГИ - генератор импульсов;
ПД - преобразователь давления;
ПК - персональный компьютер;
ПР - преобразователь расхода (расходомер, расходомер-счетчик и т.д.);
ПТ - преобразователь температуры;
СчИ - счетчик импульсов.
Рис. В.2. Схема подключения ТСч при имитационной поверке.


Протокол поверки теплосчетчика «ВЗЛЕТ ТСР-М»
(рекомендуемая форма)
Заводской номер ___________________________
Исполнение _______________
Год выпуска ________________
Вид поверки _________________
Наименование операций |
Пункт документа по поверке |
Отметка о соответствии |
Примечание |
1. Внешний осмотр 2. Опробование 3. Подтверждение соответствия программного обеспечения 4. Поверка составных частей |
|
Теплосчетчик _____________________ к эксплуатации
(годен, не годен)
Дата поверки "____" __________20____ г.
Поверитель ______________________/___________________/
(подпись) (Ф.И.О.)
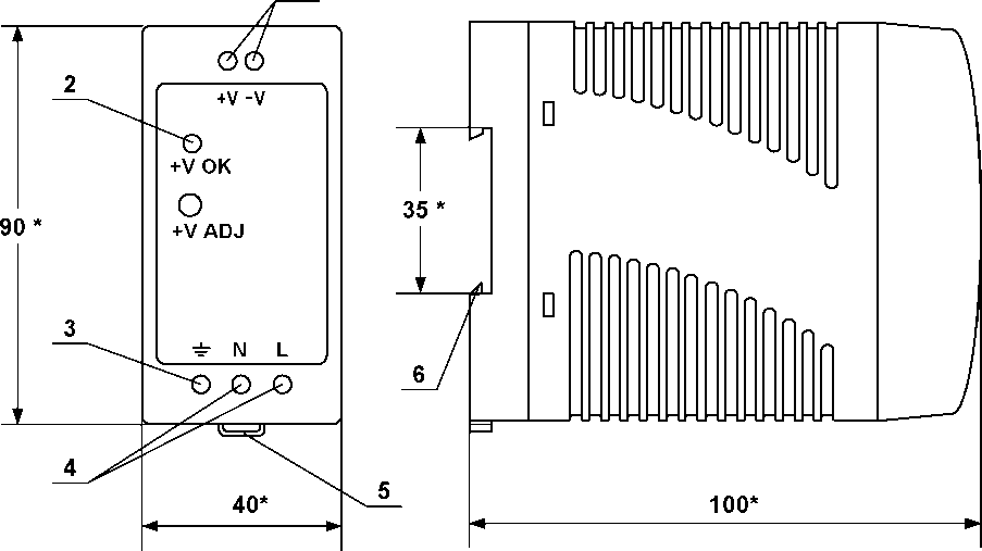
ПРИЛОЖЕНИЕ Г. Источник вторичного питания
1

a) вид спереди
б) вид сбоку
* - справочный размер
1 - винты контактной колоДки выходного напряжения =24 В; 2 -светодиодный индикатор включения источника вторичного питания; 3 - винт заземления; 4 - винты контактной колодки подключения напряжения питания ~220 В 50 Гц (L - линия, N - нейтраль); 5 - серьга для освобождения защелки; 6 - защелка для крепления на DIN-рейке.
Рис. Г.1. Источник вторичного питания серии ADN-3024 (=24 В 30 Вт).
re _tsrm.025_doc1.4
34
Теплосчетчик-регистратор «ВЗЛЕТ ТСР-М» зарегистрирован в Государственном реестре средств измерений РФ под № 2701113 (свидетельство об утверждении типа средств измерений Ри.0.32.006.А № 53068).
-
• Теплосчетчик-регистратор «ВЗЛЕТ ТСР-М» соответствует требованиям нормативных документов по электромагнитной совместимости и безопасности.
-
• Теплосчетчик-регистратор «ВЗЛЕТ ТСР-М» разрешен к применению на узлах учета тепловой энергии.
-
• Теплосчетчик-регистратор «ВЗЛЕТ ТСР-М» разрешен к применению на производственных объектах в соответствии с правилами промышленной безопасности.
-
• Теплосчетчик-регистратор «ВЗЛЕТ ТСР-М» сертифицирован в «Системе сертификации в электроэнергетике «ЭнСЕРТИКО».
-
• Теплосчетчик-регистратор «ВЗЛЕТ ТСР-М» соответствует требованиям системы добровольной сертификации «Газпром-серт».
Удостоверяющие документы размещены на сайте www.vzljot.ru
- справочный размер
Примечание. Используется термопреобразователь сопротивления платиновый Pt500.
Рис.А.4. Блок датчика температуры воздуха.