Методика поверки «Государственная система обеспечения единства измерений Анализаторы паров этанола в выдыхаемом воздухе Динго B-01» (MП-242-2149-2017)
Федеральное государственное унитарное предприятие «Всероссийский научно-исследовательский институт метрологии имени Д.И. Менделеева»
ФГУП «ВНИИМ им. Д.И. Менделеева»
УТВЕРЖДАЮ
«ВНИИМ

Государственная система обеспечения единства измерений Ана.пваторы паров этанола в выдыхаемом воздухе Динго В-01 МЕТОДИКА ПОВЕРКИ
МП-242-2149-2017
Заместитель руководителя научно-исследовательского отдела государственных эталонов в области ческих измерений м Д.И. Менделеева»

А.В. Колобова
Ведущий инженер

ФГУП «ВНИИ им Д.И. Менделеева»
О.В. Фатина
Санкт-Петербург
2017 '
Настоящая методика поверки распространяется на анализаторы паров этанола в выдыхаемом воздухе Динго В-01 (далее - анализаторы), предназначенные для экспрессного измерения массовой концентрации паров этанола в отобранной пробе выдыхаемого воздуха и сигнализации о превышении установленного порога срабатывания, и устанавливает методику их первичной поверки (до ввода в эксплуатацию и после ремонта) и периодической поверки в процессе эксплуатации.
Интервал между поверками - 6 месяцев.
При пользовании настоящей методикой поверки целесообразно проверить действие ссылочных документов по соответствующему указателю стандартов, составленному по состоянию на 1 января текущего года и по соответствующим информационным указателям, опубликованным в текущем году.
Если ссылочный документ заменен (изменен), то при пользовании настоящей методикой следует руководствоваться заменяющим (измененным) документом. Если ссылочный документ отменен без замены, то положение, в котором дана ссылка на него, применяется в части, не затрагивающей эту ссылку.
1 ОПЕРАЦИИ ПОВЕРКИ-
1.1 При проведении поверки выполняют операции, указанные в таблице 1.
Таблица 1 - Операции поверки
Наименование операции |
Номер пункта методики поверки |
Проведение операции при | |
первичной поверке до ввода в эксплуатацию |
первичной поверке после ремонта1) и периодической поверке | ||
1 Внешний осмотр |
6.1 |
да |
да |
2 Опробование |
6.2 | ||
- подтверждение соответствия программного обеспечения |
6.2.1 |
да |
да |
- проверка общего функционирования |
6.2.2 |
да |
да |
- проверка расхода газовой смеси |
6.2.3 |
да |
да |
- корректировка показаний |
6.2.4 |
да |
да |
3 Определение метрологических характери- |
6.3 | ||
стик | |||
- определение погрешности при температуре окружающего воздуха (20±5) °C |
6.3.1 |
нет |
да |
- определение погрешности при температуре окружающего воздуха, соответствующей условиям эксплуатации |
6.3.2 |
да |
нет |
-
1.2 Если при проведении той или иной операции поверки получен отрицательный результат, дальнейшую поверку прекращают.
-
2.1 При проведении поверки применяют средства, указанные в таблице 2.
Таблица 2 - Средства поверки
Номер пункта методики поверки |
Наименование и тип основного или вспомогательного средства поверки; обозначение нормативного документа, регламентирующего технические требования и (или) метрологические (MX) и основные технические характеристики средства поверки |
6 |
Средства измерений* температуры, относительной влажности воздуха и абсолютного давления, например, прибор комбинированный Testo 622, обеспечивающий MX:
|
а) Рабочие эталоны 1 или 2 разряда по ГОСТ 8.578-2014 - генераторы* газовых смесей паров этанола в воздухе в комплекте со стандартными образцами состава водных растворов этанола ВРЭ-2 ГСО 8789-2006 (MX приведены в таблице Б.1 приложения Б). Например, генератор газовых смесей паров этанола в воздухе ALCOSIM, регистрационный номер 54037-13. Пределы допускаемой относительной погрешности ±5 %. или б) Рабочие эталоны 1 разряда по ГОСТ 8.578-2014 - стандартные образцы состава газовых смесей этанол/азот в баллонах под давлением ГСО 10338-2013 (далее - ГС в баллонах под давлением). Границы относительной погрешности при Р=0,95 ±(2-4) %. | |
Вольтметр универсальный В7-40М, регистрационный номер 50971-12. Диапазон измерения напряжения постоянного тока от 0 до 50 В. | |
Вода дистиллированная по ГОСТ 6709-72. | |
Поверочный нулевой газ воздух1) марки Б по ТУ 6-21-5-82 или азот газообразный особой чистоты 1 или 2 сорта по ГОСТ 9293-74 в баллоне под давлением. | |
Ротаметр* РМ-0,63 ГУЗ (или РМ-1 ГУЗ) по ГОСТ 13045-81. Верхний предел измерений объемного расхода 0,63 м3/ч (1,0 м3/ч); пределы допускаемой относительной погрешности ±2,5 % от верхнего предела измерений. | |
Вентиль точной регулировки ВТР-1 или ВТР-1-М160. Диапазон рабочего давления от 0 до 150 кгс/см2, диаметр условного прохода 3 мм. | |
Трубка из поливинилхлорида, 6х 1,5 мм. | |
6.3.2 |
Камера климатическая2) любого типа, например ТХВ-150. Точность поддержания температуры ±2 °C. Диапазон поддержания температуры в камере должен обеспечивать воспроизведение значений температур от 0 °C до 40 °C, а габаритные объемы внутреннего объема камеры - размещение поверяемого анализатора. |
” При проведении поверки в помещении с приточно-вытяжной вентиляцией согласно 3.1 настоящей методики допускается вместо воздуха или азота в баллоне под давлением применять сжатый воздух по ГОСТ 17433-80. 2) Камеру климатическую применяют для поверки анализаторов, если при определении метрологических характеристик выполняется операция по 6.3.2 настоящей методики. |
-
2.2 Допускается применение средств поверки, не приведенных в перечне (таблица 2), но обеспечивающих определение (контроль) метрологических характеристик поверяемых средств измерений с требуемой точностью.
-
2.3 Все средства измерений, отмеченные знаком «*», должны иметь действующие свидетельства о поверке, ГС в баллонах под давлением и стандартные образцы состава водных растворов этанола - действующие паспорта, камера климатическая - действующий аттестат.
-
3.1 Помещение, в котором проводят поверку, должно быть оборудовано приточновытяжной вентиляцией, обеспечивающей кратность воздухообмена не менее 4 в 1 час.
-
3.2 Концентрации вредных компонентов в воздухе рабочей зоны (помимо этанола) должны соответствовать требованиям ГОСТ 12.1.005-88.
-
3.3 Если при проведении поверки применяют ГС в баллонах под давлением, должны быть соблюдены федеральные нормы и правила в области промышленной безопасности «Правила промышленной безопасности опасных производственных объектов, на которых используется оборудование, работающее под избыточным давлением» (утверждены приказом Ростехнадзора № 116 от 25.03.2014 г.).
-
3.4 К проведению поверки анализаторов допускают лиц, ознакомленных с ГОСТ 8.5782014 и руководством по эксплуатации (далее - РЭ) анализаторов, имеющих квалификацию поверителя и прошедших инструктаж по технике безопасности в установленном порядке.
-
4.1 При проведении поверки соблюдают следующие условия:
от 15 до 25; от 30 до 80; от 84 до 106
от 96 до 106); не более 0,010.
-
- температура окружающего воздуха, °C
-
- относительная влажность окружающего воздуха, %
-
- атмосферное давление, кПа
(при проведении поверки с помощью стандартных образцов состава газовых смесей этанол/азот в баллонах под давлением
-
- массовая концентрация этанола в окружающем воздухе^, мг/л
Примечание - Если в РЭ генераторов газовых смесей паров этанола в воздухе, применяемых при поверке, условия эксплуатации установлены в более узком диапазоне, при поверке должны выполняться требования к условиям эксплуатации, приведенным в РЭ генераторов.
-
4.2 При проведении поверки с помощью генераторов газовых смесей паров этанола в воздухе (далее - генераторов) соблюдают следующие условия применения стандартных образцов состава водных растворов этанола:
-
- бутыль с раствором вскрывают непосредственно перед использованием;
-
- раствор используют для однократной заливки в генератор;
-
- раствор подлежит замене при превышении максимального количества генерируемых проб газовой смеси (далее - ГС) без замены водного раствора этанола, указанного в РЭ генератора, или при превышении максимального времени нахождения раствора в генераторе, указанного в паспорте стандартного образца;
-
- после использования раствор хранению и повторному использованию не подлежит.
-
4.3 При выполнении операций поверки по 6.2.4 и 6.3 настоящей методики не допускается поочередно подавать на поверяемый анализатор ГС от генераторов газовых смесей паров этанола в воздухе и ГС из баллонов под давлением (таблица 2).
-
4.4 При проведении поверки регистрируют световую сигнализацию на лицевой панели анализатора, а также на дополнительном блоке индикации, если последний входит в комплект поставки анализатора.
Данное условие поверки считается выполненным при проведении поверки в помещении с приточновытяжной вентиляцией согласно 3.1 настоящей методики.
5 ПОДГОТОВКА К ПОВЕРКЕ-
5.1 Демонтируют анализатор с места установки, подготавливают анализатор к работе в соответствии с требованиями РЭ (раздел «Подготовка к работе»).
-
5.2 Откручивают крепежный винт на верхней панели анализатора, открывают заднюю крышку и вставляют штекер соединительного кабеля из комплекта поставки в разъем CON3 на плате анализатора.
Зеленый и черный провода соединительного кабеля подключают к вольтметру для измерения напряжения на аналоговом выходе анализатора.
-
5.3 Подготавливают к работе средства поверки в соответствии с требованиями их эксплуатационной документации.
-
5.4 Проверяют наличие паспортов и сроков годности ГС в баллонах под давлением и стандартных образцов состава водных растворов этанола. Проверяют наличие и целостность защитных этикеток на бутылях со стандартными образцами состава водных растворов этанола.
-
5.5 Баллоны с ГС выдерживают в помещении, в котором проводят поверку, не менее 24 ч, поверяемый анализатор - не менее 2 ч. Перед проведением поверки не допускается подавать на поверяемый анализатор пробы выдыхаемого воздуха или другие газовые смеси в течение не менее 1 ч.
-
6 ПРОВЕДЕНИЕ ПОВЕРКИ
При внешнем осмотре устанавливают соответствие анализатора следующим требованиям:
-
- анализатор представлен на поверку с РЭ, паспортом и свидетельством о предыдущей поверке;
-
- отсутствуют внешние повреждения, влияющие на работоспособность и безопасность;
-
- органы управления, разъемы, штуцера, соединительные провода и кабели исправны;
-
- надписи и маркировка на корпусе анализатора четкие, соответствующие РЭ;
-
- заводской номер, указанный на корпусе анализатора, совпадает с номером, указанным на плате анализатора (под внутренним цифровым дисплеем).
Примечание - Если при предыдущей поверке анализатора вместо оформления свидетельства о поверке был нанесен знак поверки (поверительное клеймо) в паспорт, то вместо наличия свидетельства о поверке проверяют наличие знака поверки в паспорте анализатора.
Результаты внешнего осмотра считают положительными, если анализатор соответствует перечисленным требованиям.
-
6.2 Опробование
Подтверждение соответствия программного обеспечения проводят визуально путем идентификации номера встроенного программного обеспечения, указанного на плате анализатора (над внутренним цифровым дисплеем).
Результаты проверки соответствия программного обеспечения считают положительными, если на плате анализатора указан номер программного обеспечения, соответствующий указанному в описании типа и РЭ анализаторов.
6.2.2 Проверка общего функционирования-
6.2.2.1 Проверку общего функционирования анализатора проводят путем включения согласно РЭ, при этом анализатор выполняет автоматическую диагностику работоспособности.
-
6.2.2.2 Результаты проверки общего функционирования анализатора считают положительными, если все тесты автоматической диагностики работоспособности анализатора завершены успешно согласно РЭ.
-
6.2.3.1 Проверку проводят путем последовательной подачи на анализатор воздуха (азота) из баллона под давлением с разным расходом. Подачу воздуха (азота) на вход анализаторов осуществляют через сменную воронку, входящую в комплект анализаторов.
-
6.2.3.2 Проверку выполняют в следующей последовательности:
а) Открывают баллон с воздухом (азотом) и с помощью вентиля точной регулировки, контролируя по ротаметру, устанавливают значение расхода 7 л/мин; отсоединяют ротаметр.
б) Включают анализатор согласно РЭ и после выхода анализатора на рабочий режим подают на него воздух (азот) из баллона под давлением, при этом анализатор не должен провести измерение, не должна сработать сигнализация, на внутреннем дисплее анализатора не должны появиться показания.
в) Открывают баллон с воздухом (азотом) и с помощью вентиля точной регулировки, контролируя по ротаметру, устанавливают расход воздуха 11 л/мин; отсоединяют ротаметр;
г) Включают анализатор согласно РЭ и после выхода анализатора на рабочий режим подают на него воздух (азот) из баллона под давлением, при этом анализатор должен провести измерение, должна сработать сигнализация (цвет индикатора уровня этанола - зеленый, напряжение на аналоговом выходе анализатора - от 0 до 0,5 В), на внутреннем дисплее анализатора должны появиться показания.
-
6.2.3.3 Результаты проверки расхода ГС считают положительными, если анализатор соответствует требованиям, указанным в 6.2.3.2 настоящей методики.
-
6.2.4.1 Перед выполнением корректировки показаний проводят три цикла измерений путем подачи на вход анализатора ГС № 3 (таблица Б.1 приложения Б) и регистрации показаний анализатора.
Измерения выполняют по 6.2.4.2 или 6.2.4.3 настоящей методики в зависимости от выбранного средства поверки.
-
6.2.4.2 Выполнение измерений с помощью генераторов газовых смесей паров этанола в воздухе:
а) Собирают газовую систему согласно рисунку 1. Генератор располагают так, чтобы на него не падали прямые солнечные лучи и вблизи отсутствовали источники охлаждения или нагрева. Длина трубки выхода газовой смеси генератора: не более 5 см. Перед заливкой раствора в генератор проверяют отсутствие влаги и конденсата на внутренних поверхностях генератора, соединительных трубок и мундштуков, при наличии влаги или конденсата необходимо просушить все элементы генератора, соединительные трубки и мундштуки. Подачу ГС на вход анализаторов осуществляют через сменную воронку, входящую в комплект анализаторов.
б) В соответствии с РЭ генератора приготавливают ГС, используя соответствующий водный раствор этанола согласно таблице Б.1 приложения Б.
в) Рассчитывают действительное значение массовой концентрации этанола в ГС на выходе генератора С", мг/л, по формуле
С" =0,38866 с^, (1)
где Ср - аттестованное значение массовой концентрации этанола в используемом стандартном образце состава водного раствора этанола, указанное в паспорте, мг/см3.

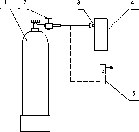
1 - баллон с воздухом (азотом); 2 - вентиль; 3 - ротаметр; 4 - генератор; 5 - мундштук квадратный;
6 - сменная воронка из комплекта анализатора; 7 - анализатор
Рисунок 1 - Схема газовой системы для подачи на анализатор ГС от генератора газовых смесей паров этанола в воздухе ALCOSIM.
г) Измерение проводят по схеме (для каждой i-ой ГС проводят по три цикла измерений):
-
- включают анализатор согласно РЭ;
-
- при отсоединенном анализаторе открывают баллон с воздухом (азотом) и с помощью вентиля точной регулировки, контролируя по ротаметру РМ-0,63 ГУЗ (или РМ-1 ГУЗ), устанавливают расход ГС на выходе генератора 10 л/мин;
-
- после выхода анализатора на рабочий режим подают ГС с выхода генератора на анализатор (для отбора пробы мундштук квадратный подносят к воронке анализатора вплотную);
-
- после отбора пробы отсоединяют анализатор и закрывают вентиль на баллоне;
-
- регистрируют показание на внутреннем дисплее анализатора С,, мг/л, и результат световой сигнализации, показание вольтметра (при подаче ГС №№ 1, 4);
-
- соблюдают интервал между циклами измерений: не менее 10 с.
д) При выполнении измерений с помощью генератора регистрируют количество генерируемых проб ГС без замены водного раствора этанола. При превышении максимального количества генерируемых проб ГС, указанного в РЭ генератора, выполняют замену стандартного образца состава водного раствора этанола.
-
6.2.4.3 Выполнение измерений с помощью газовых смесей в баллонах под давлением:
а) Собирают газовую систему согласно рисунку 2. Длина соединительной трубки - не более 10 см. Подачу ГС на вход анализаторов осуществляют через сменную воронку, входящую в комплект анализаторов.

1 - баллон с ГС; 2 - вентиль; 3 - сменная воронка из комплекта анализатора;
4 - анализатор; 5 - ротаметр
Рисунок 2 - Газовая система для подачи на анализатор ГС из баллона под давлением
б) Измерение проводят по схеме (для каждой i-ой ГС проводят по три цикла измерений):
-
- включают анализатор согласно РЭ;
-
- при отсоединенном анализаторе открывают баллон с ГС и с помощью вентиля точной регулировки, контролируя по ротаметру РМ-0,63 ГУЗ (или РМ-1 ГУЗ), устанавливают расход ГС 10 л/мин;
-
- отсоединяют ротаметр;
-
- после выхода анализатора на рабочий режим подают ГС из баллона под давлением на анализатор (для отбора пробы соединительную трубку подносят к воронке анализатора вплотную);
-
- после отбора пробы отсоединяют анализатор и закрывают вентиль на баллоне;
-
- регистрируют показание на внутреннем дисплее анализатора П,, мг/л, и результат световой сигнализации, показание вольтметра (при подаче ГС №№ 1, 4).
-
- рассчитывают измеренное значение массовой концентрации этанола в i-ой ГС С,, мг/л, (для всех ГС, кроме ГС № 1) по формуле
С,=П,А. (2)
где Ро - значение атмосферного давления, равное 101,3 кПа;
Р - измеренное значение атмосферного давления, кПа.
-
6.2.4.4 По результатам измерений, полученным при подаче ГС № 3 по каждому циклу измерений согласно 6.2.4.2 или 6.2.4.3 настоящей методики, проверяют выполнение условия
где С, - измеренное значение массовой концентрации этанола при подаче i-ой ГС, мг/л;
С" - действительное значение массовой концентрации этанола в i-ой ГС (при поверке с помощью генераторов рассчитывается по формуле (1), при поверке с помощью ГС в баллоне под давлением указано в паспорте), мг/л.
Если условие (3) выполнено, анализатор допускают к выполнению корректировки показаний согласно 6.2.4.5-6.2.4.7 настоящей методики и дальнейшей поверки.
Если условие (3) не выполнено, анализатор не допускают к выполнению корректировки показаний согласно 6.2.4.5 настоящей методики, дальнейшую поверку прекращают. В извещении о непригодности анализатора указывают причину непригодности: «Анализатор не соответствует требованиям 6.2 «Опробование» МП-242-2149-2017 «Анализаторы паров этанола в выдыхаемом воздухе Динго В-01. Методика поверки». Анализатор не допущен к выполнению корректировки показаний».
Операцию по корректировке показаний анализатора допускается не выполнять, если по результатам измерений, полученным при подаче ГС № 3 по каждому циклу измерений согласно
-
6.2.4.2 или 6.2.4.3 настоящей методики, выполнено условие
|С,-С?|<0,06 (4)
-
6.2.4.5 Корректировку показаний анализатора проводят по 6.2.4.6 или 6.2.4.7 в зависимости от выбранного средства поверки путем подачи на вход анализатора ГС№ 3 (таблица Б.1 приложения Б).
Примечание - При поверке анализаторов в рамках метрологической экспертизы, производимой по поручению органов суда, прокуратуры, арбитражного суда и федеральных органов исполнительной власти, операцию по корректировке показаний анализаторов выполнять запрещается.
-
6.2.4.6 Корректировка показаний анализатора с помощью генераторов газовых смесей паров этанола в воздухе:
а) Выполняют операции согласно 6.2.4.2 перечисление а) - в).
Примечание - Корректировку показаний анализатора допускается проводить только при выполнении условия: действительное значение массовой концентрации этанола в ГС на выходе генератора С", мг/л, находится в диапазоне от 0,452 до 0,498 мг/л.
б) Одновременно нажимают и удерживают нажатыми в течение трех секунд все три кнопки с маркировкой SW1, SW2 и SW3, расположенные на плате анализатора, затем отпускают их. На внутреннем дисплее анализатора появится индикация CAL, означающая, что анализатор готов к проведению корректировки показаний;
в) Последовательным нажатием кнопки SW2 выбирают режим корректировки показаний с помощью генератора (индикация Ct на внутреннем дисплее) и нажимают кнопку SW1 для входа в режим корректировки показаний анализатора;
г) Анализатор начинает процесс подготовки, при этом на внутреннем дисплее будет индикация в виде бегущей черточки, по достижении готовности загорится индикация «0», и прозвучит сигнал. Анализатор готов к проведению корректировки показаний;
д) Измерение проводят по схеме:
-
- при отсоединенном анализаторе открывают баллон с воздухом (азотом) и с помощью вентиля точной регулировки, контролируя по ротаметру РМ-0,63 ГУЗ (или РМ-1 ГУЗ), устанавливают расход ГС на выходе генератора 10 л/мин;
-
- после появления на внутреннем дисплее анализатора индикации «0» подают ГС на анализатор;
-
- после звукового сигнала (щелчок), отсоединяют анализатор и закрывают вентиль на баллоне;
-
- на дисплее анализатора появится значение поправочного коэффициента, затем анализатор выключится.
-
6.2.4.7 Корректировка показаний анализатора с помощью газовых смесей в баллонах под давлением:
а) Собирают газовую систему согласно рисунку 2. Длина соединительной трубки - не более 10 см. Подачу ГС на вход анализаторов осуществляют через сменную воронку, входящую в комплект анализаторов.
Примечание - Корректировку показаний анализатора допускается проводить только при выполнении условий: действительное значение массовой концентрации этанола в ГС в баллоне под давлением С", мг/л, находится в диапазоне от 0,452 до 0,498 мг/л, атмосферное давление в диапазоне от 96 до 106 кПа.
б) Одновременно нажимают и удерживают нажатыми в течение трех секунд все три кнопки с маркировкой SW1, SW2 и SW3, расположенные на плате анализатора, затем отпускают их. На внутреннем дисплее анализатора появится индикация CAL, означающая, что анализатор готов к проведению корректировки показаний;
в) Последовательным нажатием кнопки SW2 выбирают режим корректировки показаний с помощью газовых смесей в баллонах под давлением (индикация Cd на внутреннем дисплее) и нажимают кнопку SW1 для входа в режим корректировки показаний анализатора;
г) Анализатор начинает процесс подготовки, при этом на внутреннем дисплее будет индикация в виде бегущей черточки, по достижении готовности загорится индикация «0», и прозвучит звуковой сигнал. Анализатор готов к проведению корректировки показаний;
д) Измерение проводят по схеме:
-
- при отсоединенном анализаторе открывают баллон с ГС и с помощью вентиля точной регулировки, контролируя по ротаметру РМ-0,63 ГУЗ (или РМ-1 ГУЗ), устанавливают расход ГС 10 л/мин;
-
- отсоединяют ротаметр;
-
- после появления на внутреннем дисплее анализатора индикации «0» подают ГС на анализатор;
-
- после звукового сигнала (щелчок), отсоединяют анализатор и закрывают вентиль на баллоне;
-
- на дисплее анализатора появится значение поправочного коэффициента, затем анализатор выключится.
6.3 Определение метрологических характеристик
6.3.1 Определение погрешности при температуре окружающего воздуха (20±5) °C-
6.3.1.1 Определение погрешности проводят в четырех точках диапазона измерений (далее - точки поверки) путем поочередной подачи на вход анализаторов ГС и регистрации показаний на внутреннем дисплее анализаторов.
Основные метрологические характеристики анализаторов приведены в приложении А.
-
6.3.1.2 ГС подают на вход анализатора в последовательности №№ 1-2-3—4—1 (таблица Б.1 приложения Б). При подаче ГС №№ 1, 4 дополнительно регистрируют результаты сигнализации: световую сигнализацию на лицевой панели и напряжение на аналоговом выходе анализатора.
-
6.3.1.3 В каждой точке поверки проводят по три цикла измерений путем подачи на вход анализатора i-ой ГС и регистрации показаний анализатора согласно 6.2.4.2 или 6.2.4.3 в зависимости от выбранного средства поверки.
Если при подаче на вход анализатора ГС № 1 в первом цикле измерений зарегистрированы нулевые показания, допускается для ГС № 1 второй и третий цикл измерений не выполнять.
Примечание - Если при выполнении 6.2.4 настоящей методики корректировка показаний анализатора не проводилась, то допускается ГС № 3 повторно не подавать. В этом случае при обработке результатов измерений согласно разделу 7 настоящей методики используют результаты измерений, полученные по каждому циклу измерений при подаче ГС № 3 по 6.2.4 настоящей методики.
6.3.2 Определение погрешности при температуре окружающего воздуха, соответствующей условиям эксплуатации-
6.3.2.1 Определение погрешности выполняют в два этапа:
-
- на первом этапе определяют погрешность при температуре окружающего воздуха (20±5) °C;
-
- на втором этапе определяют погрешность при температуре окружающего воздуха, соответствующей нижнему и верхнему значению условий эксплуатации анализатора.
-
6.3.2.2 Определение погрешности при температуре окружающего воздуха (20±5) °C проводят согласно 6.3.1 настоящей методики.
-
6.3.2.3 Определение погрешности при температуре окружающего воздуха, соответствующей нижнему и верхнему значению условий эксплуатации анализатора, проводят путем выдерживания анализатора в климатической камере и подачи на вход анализатора ГС № 3 (таблица Б. 1 приложения Б).
Измерения выполняют в следующей последовательности:
а) помещают анализатор в климатическую камеру и устанавливают в камере температуру 38 °C; выдерживают анализатор в камере при заданной температуре не менее 2 ч;
б) проводят три цикла измерений путем подачи на вход анализатора ГС № 3 и регистрации показаний анализатора согласно 6.2.4.2 или 6.2.4.3 (в зависимости от выбранного средства поверки); анализатор достают из климатической камеры только на время подачи ГС - не более 15 с, между циклами измерений анализатор выдерживают в климатической камере не менее 5 минут;
в) помещают анализатор в климатическую камеру и устанавливают в камере температуру 2 °C; выдерживают анализатор в камере при заданной температуре не менее 2 ч;
г) Проводят три цикла измерений путем подачи на вход анализатора ГС № 3 и регистрации показаний анализатора согласно 6.2.4.2 или 6.2.4.3 (в зависимости от выбранного средства поверки); анализатор достают из климатической камеры только на время подачи ГС - не более 15 с, между циклами измерений анализатор выдерживают в климатической камере не менее 5 минут.
Примечание - При выходе климатической камеры на режим изменение температуры воздуха в рабочем объеме камеры должно быть не более 1 °C в минуту.
7 ОБРАБОТКА РЕЗУЛЬТАТОВ ИЗМЕРЕНИЙ-
7.1 По результатам измерений, полученным по 6.3.1 и 6.3.2 настоящей методики в каждой точке поверки по каждому циклу измерений, рассчитывают значение абсолютной или относительной погрешности анализаторов, в зависимости от того, какая погрешность нормирована для данной точки поверки.
Значение абсолютной погрешности анализатора мг/л, при подаче i-ой ГС рассчитывают по формуле
Д^-С*, (5)
где С, - измеренное значение массовой концентрации этанола при подаче i-ой ГС, мг/л;
С а - действительное значение массовой концентрации этанола в i-ой ГС (при поверке с помощью генераторов рассчитывается по формуле (1), при поверке с помощью ГС в баллоне под давлением указано в паспорте), мг/л.
Значение относительной погрешности анализатора %, при подаче i-ой ГС рассчитывают по формуле
Г _гд
6i= С^'100 (6)
-
7.2 Результаты определения погрешности анализатора считают положительными, если полученные значения погрешности анализатора в каждой точке поверки по каждому циклу измерений не превышают пределов допускаемой погрешности, указанных в описании типа и РЭ анализаторов (см. приложение А) и при выполнении п. 6.3.1 получены положительные результаты проверки срабатывания сигнализации (при подаче на вход анализатора ГС № 1 не происходит срабатывание сигнализации: цвет индикатора уровня этанола - зеленый, напряжение на аналоговом выходе анализатора - от 0 до 0,5 В; при подаче на вход анализатора ГС № 4 происходит срабатывание сигнализации: цвет индикатора уровня этанола - красный, напряжение на аналоговом выходе анализатора - от 11,5 до 12,5 В).
-
8.1 При проведении поверки составляют протокол поверки анализатора по форме, приведенной в приложении В.
-
8.2 При положительных результатах поверки анализатор признают пригодным к применению и выписывают на него свидетельство о поверке установленной формы согласно действующим нормативным правовым актам РФ. Форма оборотной стороны свидетельства о поверке анализаторов приведена в приложении Г.
Знак поверки наносится на свидетельство о поверке или в паспорт (при первичной поверке до ввода в эксплуатацию).
В протоколе поверки и на оборотной стороне свидетельства о поверке указывают номер датчика, установленного в анализаторе (нанесен на блок с датчиком).
-
8.3 При отрицательных результатах поверки анализатор признают непригодным к применению, свидетельство о поверке аннулируют, выдают извещение о непригодности установленной формы согласно действующим нормативным правовым актам РФ с указанием причин непригодности.
ПРИЛОЖЕНИЕ А (обязательное)
Основные метрологические характеристики анализаторов
Таблица А.1 - Метрологические характеристики
Диапазон измерений массовой концентрации этанола, мг/л |
Пределы допускаемой погрешности при температуре св. +15 до +25 °C включ. | |
абсолютной |
относительной | |
от 0 до 0,25 включ. |
±0,05 мг/л |
— |
св. 0,25 до 0,95 |
- |
±20 % |
Примечание - Порог срабатывания сигнализации анализаторов задается в диапазоне массовой концентрации этанола от 0,15 до 0,45 мг/л. |
Таблица А.2 - Метрологические характеристики
Температура окружающего воздуха |
Пределы допускаемой погрешности^ | |
абсолютной (в диапазоне измерений от 0,00 до 0,25 мг/л включ.) |
относительной (в диапазоне измерений св. 0,25 до 0,95 мг/л) | |
от 0,0 до +5,0 °C включ. |
±0,09 мг/л |
±36 % |
св. +5,0 до +10,0 °C включ. |
±0,07 мг/л |
±28 % |
св. +10,0 до +15,0 °C включ. |
±0,06 мг/л |
±24 % |
св. +15,0 до +25,0 °C включ. |
±0,05 мг/л2) |
±20 %2> |
св. +25,0 до +40,0 °C |
±0,06 мг/л |
±24 % |
Примечания: В таблице указаны пределы допускаемой погрешности анализаторов в условиях эксплуатации. 2) Согласно таблице А. 1. |
ПРИЛОЖЕНИЕ Б
(обязательное)
Метрологические характеристики газовых смесей, используемых при поверке анализаторовТаблица Б.1 - Метрологические характеристики газовых смесей, используемых при по-
верке анализаторов
Номер ГС |
Номинальное значение массовой концентрации этанола в ГС, подаваемых на анализатор, пределы допускаемого отклонения, мг/л |
Номинальное значение массовой концентрации этанола в водных растворах этанола1), пределы допускаемого отклонения, мг/см3 |
Номинальное значение массовой концентрации этанола в ГС в баллонах под давлением2), пределы допускаемого отклонения, мг/л |
ГС № 1 |
0 |
дистиллированная вода |
воздух |
ГС №2 |
0,150±0,015 |
0,386±0,039 |
0,150±0,015 |
ГС№3 |
0,475±0,024 |
1,22±0,06 |
0,475±0,024 |
ГС №4 |
0,850±0,085 |
2,19±0,22 |
0,850±0,085 |
п При проведении поверки анализаторов с помощью генераторов газовых смесей паров этанола в воздухе используют стандартные образцы состава водных растворов этанола ВРЭ-2 ГСО 8789-2006. Границы относительной погрешности при Р=0,95: ± 1 %. 2> При проведении поверки анализаторов с помощью стандартных образцов состава газовых смесей этанол/азот в баллонах под давлением ГСО 10338-2013. Границы относительной погрешности при Р=0,95 ±(2-4) %. |
ПРИЛОЖЕНИЕ В
(рекомендуемое)
Форма протокола поверки анализаторов
ПРОТОКОЛ ПОВЕРКИ
№____________от________________
-
1) Наименование анализатора, тип________________________________________________________
-
2) Регистрационный номер в Федеральном информационном фонде
по обеспечению единства измерений__________________________________________________
-
3) Заводской номер анализатора________________заводской номер датчика__________________
-
4) Заказчик_____________________________________________________________________________
-
5) Наименование изготовителя__________________________________________________________
-
6) Дата выпуска_______________________________________________________________________
-
7) Наименование нормативного документа по поверке_____________________________________
-
8) Средства поверки1
-
- генератор газовых смесей паров этанола в воздухе
(указывают тип, заводской номер генератора, номер и дату действия свидетельства о поверке)
-
- стандартные образцы состава водных растворов этанола
(указывают регистрационный номер2 и номера используемых экземпляров стандартных образцов)
-
- камера климатическая
(указывают тип, заводской номер, номер и дату действия свидетельства об аттестации)
-
9) Вид поверки: первичная/периодическая (нужное подчеркнуть)
-
10) Условия поверки:
-
- температура окружающего воздуха_________________________________________________
-
- относительная влажность окружающего воздуха_______________________________________
-
- атмосферное давление______________________________________________________________
-
11) Результаты, полученные при проведении поверки
Внешний осмотр________________________________________________________________
Опробование______________________________________________________________________
Подтверждение соответствия программного обеспечения__________________________________
Проверка общего функционирования__________________________________________________
Проверка расхода газовой смеси________________________________________________________
Определение метрологических характеристик
Температура окружающего воздуха, °C |
Диапазон измерений, мг/л |
Пределы допускаемой погрешности |
Действительное значение массовой концентрации этанола в ГС, мг/л |
Измеренное значение массовой концентрации этанола в ГС, мг/л |
Значение погрешности, полученное при поверке | ||
абсолютной |
относительной |
абсолютной, мг/л |
относительной, % | ||||
Заключение: на основании результатов первичной (периодической) поверки СИ признано соответствующим (не соответствующим) установленным в описании типа метрологическим требованиям (нужное подчеркнуть)
Выдано:свидетельство о поверке №_____________________от____________
извещение о непригодности №____________________от___________
Причины непригодности__________________________________________________________
Поверитель
(Подпись)
(Инициалы, фамилия)
ПРИЛОЖЕНИЕ Г
(обязательное)
Форма оборотной стороны свидетельства о поверкеВ анализаторе паров этанола в выдыхаемом воздухе Динго В-01 установлен датчик с заводским номером_________________
-
1 Результаты внешнего осмотра__________________________________________________
-
2 Результаты опробования_______________________________________________________
-
3 Результаты определения метрологических характеристик
3.1 Результаты определения погрешности
Поверитель
(Подпись)
(Инициалы, фамилия)
Диапазон измерений, мг/л |
Пределы допускаемой погрешности |
Максимальное значение погрешности, полученное при поверке | ||
абсолютной |
относительной |
абсолютной |
относительной | |
от 0,00 до 0,25 включ. |
±0,05 мг/л |
- |
- | |
св. 0,25 до 0,95 |
- |
±20 % |
- |
3.2 Результаты определения погрешности при температуре, соответствующей нижнему и
верхнему значению условий эксплуатации^
Температура окружающего воздуха |
Пределы допускаемой абсолютной/относительной погрешности |
Максимальное значение абсолютной/относительной погрешности, полученное при поверке |
2 °C | ||
38 °C |
11 Данный пункт приводят в свидетельстве о поверке, если при определении метрологических характеристик анализатора выполняется операция по 6.3.2 настоящей методики.
Указывают средства поверки, применяемые при поверке анализатора.
Указывают регистрационный номер в Федеральном информационном фонде по обеспечению единства измерений.