Методика поверки «ГСОЕИ. Газоанализаторы тип 04» (МП-3 00/06-2021)
СОГЛАСОВАНО:
Заместитель руководителя ЛОЕИ ООО/ПРОММАШ ТЕСТ»
Государственная система обеспечения единства измерений
Г азоанализаторы тип 04
МЕТОДИКА ПОВЕРКИМП-300/06-2021
г. Москва, 2021 г.
1. Общие положения
-
1.1 Настоящая методика распространяется на Газоанализаторы тип 04 (далее -газоанализаторы), изготавливаемые «Riken Keiki Со, Ltd», Япония и устанавливает методику их первичной поверки (до ввода в эксплуатацию и после ремонта) и периодической поверки (в процессе эксплуатации).
-
1.2 При проведении поверки должна обеспечиваться прослеживаемость газоанализаторов к ГЭТ 154-2016 «Государственному первичному эталону единиц молярной доли, массовой доли и массовой концентрации компонентов в газовых и газоконденсатных средах» согласно государственной поверочной схемы для средств измерений содержания компонентов в газовых средах и газоконденсатных средах, утвержденной приказом Федерального агентства по техническому регулированию и метрологии № 2315 от «31» декабря 2020 г.
2 Операции поверки
-
2.1 При проведении поверки должны выполняться операции, указанные в таб
лице 1.
Таблица 1 - Операция поверки
|
№№ |
Наименование этапа поверки |
№ пункта документа по поверке |
Обязательное проведение операции при поверке | |
|
первичной |
периодической | |||
|
1 |
Внешний осмотр средства измерений |
7 |
да |
да |
|
2 |
Подготовка к поверке и опробование средства измерений |
8 |
да |
да |
|
3 |
Проверка программного обеспечения средства измерений |
9 |
да |
да |
|
4 |
Определение метрологических характеристик средства измерений |
10 |
да |
да |
|
4.1 |
Определение основной погрешности |
10.1 |
да |
да |
|
4.2 |
Определение времени установления показаний |
10.2 |
да |
да |
2.2 Если при проведении той или иной операции получен отрицательный результат, дальнейшая поверка прекращается.
3. Требования к условиям проведения поверки
-
3.1 При проведении поверки соблюдают следующие нормальные условия:
температура окружающей среды, °C от +15 до +25
относительной влажности окружающей среды, % от 30 до 80
атмосферное давление, кПа от 84,0 до 106,7
мм рт. ст. от 630 до 800
4. Требования к специалистам, осуществляющим поверку
-
4.1 К проведению поверки допускается персонал, изучивший эксплуатационную документацию на поверяемый газоанализатор и средства измерений, участвующих при проведении поверки.
5. Метрологические и технические требования к средствам поверки
-
5.1 При проведении поверки применяют средства, указанные в таблице 2.
Таблица 2 - Сведения о средствах поверки
|
Номер пункта методики поверки |
Наименование эталонного средства измерений или вспомогательного средства поверки, номер документа, регламентирующего технические требования к средству, основные метрологические и технические характеристики |
|
7-10 |
Измеритель влажности и температуры ИВТМ-7 М 5-Д (per. № 71394-18), диапазон измерений температуры воздуха от -45 до +60 °C, влажности от 0 до 99 %, давления от 840 до 1060 гПа |
|
10 |
Секундомер электронный Интеграл С-01 (рег.№ 44154-16), Диапазоны измерений (от 0 до 59,99 с; от 0 до 9 ч. 59 мин. 59,99 с) ПГ ± (9.6x10’6хТх+0,01) с, Тх-значение измеренного интервала времени |
|
Ротаметр с местными показаниями стеклянный РМС, РМС-А-0,063 ГУЗ-2, (per. № 67050-17), верхняя граница диапазона измерений объемного расхода 0,063 мЗ/ч, кл. точности 4 | |
|
Рабочий эталон 1 разряда по Приказу Федерального агентства по техническому регулированию и метрологии от «14» декабря 2018 г. № 2664. Государственная поверочная схема для средств измерений содержания компонентов в газовых и газоконденсатных средах (Генераторы газовых смесей ГГС мод. ГГС-Р, ГГС-Т, ГГС-К, ГГС-03-03 per. № 62151-15) | |
|
Стандартные образцы состава газовые смеси кислород-азот (ГСО 10706-2015), сероводород-азот (ГСО 10546-2014), оксид углерода-азот (ГСО 10546-2014), диоксид серы-азот (ГСО 10546-2014), аммиак-азот (ГСО 10546-2014), диоксид азота-азот (ГСО 10546-2014), фосфин-азот (ГСО 10546-2014), хлор-азот (ГСО 10546-2014), синильная кислота-азот (ГСО 10546-2014), в баллонах под давлением (Приложение А) | |
|
Азот газообразный особой чистоты сорт 1 по ГОСТ 9293-74 в баллоне под давлением | |
|
Трубка фторопластовая по ТУ 6-05-2059-87. Диаметр условного прохода 5 мм. толщина стенки 1 мм* | |
|
Вентиль точной регулировки ВТР-1, АПИ4.463.008 или натекатель Н-12, диапазон рабочего давления (0-150) кгс/см2* | |
|
Калибровочный адаптер* | |
| |
6. Требования (условия) по обеспечению безопасности проведения поверки
-
6.1 Помещение, в котором проводят поверку, должно быть оборудовано приточно-вытяжной вентиляцией.
-
6.2 Должны выполняться требования техники безопасности для защиты персонала от поражения электрическим током согласно классу I ГОСТ 12.2.007.0-75.
-
6.3 Требования техники безопасности при эксплуатации ГС в баллонах под давлением должны соответствовать «Федеральным нормам и правилам в области промышленной безопасности "Правила промышленной безопасности опасных производственных объектов, на которых используется оборудование, работающее под избыточным давлением"», утвержденным Госгортехнадзором России от 25.03.2014 №116;
-
6.4 Не допускается сбрасывать ГС в атмосферу рабочих помещений.
-
6.5 К поверке допускаются лица, изучившие эксплуатационную документацию.
7. Внешний осмотр средства измерений
-
7.1 При внешнем осмотре устанавливают соответствие газоанализатора следующим требованиям:
-
- соответствие комплектности перечню, указанному в эксплуатационной документации;
-
- соответствие маркировки требованиям эксплуатационной документации;
-
- газоанализатор не должен иметь видимых механических повреждений, влияющих на работоспособность.
-
7.2 Газоанализатор считают выдержавшим внешний осмотр, если он соответствует указанным выше требованиям.
8. Подготовка к поверке и опробование средства измерений
-
8.1 Подготовка к поверке
-
8.1.1 Выполнить мероприятия по обеспечению условий безопасности.
-
8.1.2 Проверить наличие паспортов и сроки годности ГС в баллонах под давлением.
-
8.1.3 Баллоны с ГС выдержать при температуре поверки не менее 24 ч.
-
8.1.4 Выдержать поверяемые газоанализаторы и средства поверки при температуре поверки в течение не менее 2 ч.
-
8.1.5 Подготовить поверяемый газоанализатор и эталонные средства измерений к работе в соответствии с эксплуатационной документацией.
-
-
8.2 Опробование
-
8.2.1. При опробовании проверяют общее функционирование газоанализатора, для чего включают газоанализатор, после чего осуществляется процедура самодиагностики, а после этого газоанализатор переходит в режим измерений.
-
8.2.2. Результат опробования считается положительным, если после самодиагностики отсутствуют сообщения об ошибке и газоанализатор перешел в режим.
9. Проверка программного обеспечения средства измерений
-
9.1 Для проверки соответствия программного обеспечения (ПО) выполняют следующие операции:
-
- Находясь в выключенном состоянии зажать одновременно кнопку «AIR» и «POWER/MODE», дождаться звукового сигнала, в меню выбрать «[ROM/SUM]» в открывшейся окне высвечивается идентификационными данными ПО;
-
- сравнивают полученные данные с идентификационными данными указанными в таблице 3.
Таблица 3 - Идентификационные данные ПО
|
Идентификационные данные (признаки) |
Значение |
|
Идентификационное наименование ПО |
Встроенное ПО |
|
Номер версии (идентификационный номер) ПО, не ниже |
0001 |
|
Цифровой идентификатор ПО |
- |
9.2 Результат подтверждения соответствия ПО считают положительным, если идентификационные данные ПО соответствуют указанным в таблице 3.
10. Определение метрологических характеристик
-
10.1 Определение основной погрешности
-
10.1.1 Определение основной погрешности газоанализатора проводят в следующем порядке:
-
-
1) Собирают схему проведения поверки, приведенную на рисунке Б.1 Приложения Б настоящей МП-300/06-2021;
-
2) Подают на вход газоанализатора через калибровочный адаптер ГС (таблица А.1 Приложения А, в соответствии с определяемым компонентом) с расходом (200 - 300) см3/мин в последовательности:
-№№ 1-2-3-2-1-3 (для определяемых компонентов и диапазонов измерений, для которых в Приложении А указаны 3 точки поверки);
-№№ 1-2-3-4-3-2-1-4 (для определяемых компонентов и диапазонов измерений, для которых в Приложении А указаны 4 точки поверки);
Время подачи ГС не менее утроенного номинального времени установления показаний по уровню 0,9 (Точном, таблице В.1 Приложения В настоящей МП-300/06-2021)
-
3) Зафиксировать установившиеся показания газоанализатора;
-
10.1.2 Значение основной приведенной (у, %i) погрешности газоанализатора, рассчитывают по формуле (1):
Yi =^L.100%, (1)
где Ct - установившиеся показания на дисплее газоанализатора в Гой точке поверки, объемная доля, % (млн'1);
Cf - действительное значение содержания определяемого компонента в Гй ГС, объемная доля, % (млн'1);
Св - верхний предел диапазона измерений газоанализатора, для которого нормирована приведенная погрешность, объемная доля, % (млн'1).
-
10.1.3 Значение основной относительной погрешности (5i, %) газоанализатора рассчитывают по формуле (2):
(2)
-
10.1.4 Результат поверки считать положительным, если полученные значения погрешности во всех точках поверки не превышает пределов, указанных в таблицах В. 1 Приложения В настоящей МП-300/06-2021.
-
10.2 Определение времени установления показаний
10.2.1 Определение времени установления показаний допускается проводить
одновременно с определением основной погрешности по п. 10.1 при подаче ГС № 1 и ГС № 3 (для определяемых компонентов и диапазонов измерений, для которых в Приложении А указаны 3 точки поверки) или № 4 (для определяемых компонентов и диапазонов измерений, для которых в Приложении А указаны 4 точки поверки) для всех газоанализаторов, кроме предназначенных для измерений содержания объемной доли кислорода, в следующем порядке:
-
1) подать на газоанализатор ГС № 3 или ГС №4, зафиксировать установившееся значение показаний поверяемого газоанализатора;
-
2) рассчитать значение, равное 0,9 от показаний газоанализатора, полученных в предыдущем шаге;
-
3) подать на газоанализатор ГС № 1, дождаться установления показаний газоанализатора (отклонение показаний от нулевых не должно превышать 0,5 в долях от пределов допускаемой основной абсолютной погрешности), затем, не подавая ГС на газоанализатор продуть газовую линию ГС № 3 или ГС №4 в течение не менее 3 мин., подать ГС на газоанализатор и включить секундомер. Зафиксировать время достижения показаниями газоанализатора значения, рассчитанного на предыдущем шаге.
-
10.2.2 При поверке газоанализатора предназначенного для измерений содержания объемной доли кислорода определение времени установления показаний допускается проводить в следующем порядке:
-
1) продувать газоанализатор чистым атмосферным воздухом в течение не менее 5 мин, зафиксировать показания газоанализатора;
-
2) рассчитать значение, равное 0,9 от показаний газоанализатора, полученных в п. 1;
-
3) подать на газоанализатор ГС №1, дождаться установления показаний газоанализатора;
-
4) не подключая к газоанализатору, продуть газовую линию атмосферным воздухом в течение не менее 3 мин., подать воздух на газоанализатор и включить секундомер. Зафиксировать время достижения показаниями газоанализатора значения, рассчитанного в п. 2).
-
10.2.3 Результат поверки считать положительным, если время установления показаний не превышает значений, указанных в таблицах В.1 Приложения В настоящей МП-300/06-2021.
11. Оформление результатов поверки
-
11.1 При проведении поверки оформляют протокол результатов поверки в свободной форме.
-
11.2 При положительных результатах поверки газоанализатор признается пригодным к применению. Сведения о положительных результатах поверки передаются в Федеральный информационный фонд по обеспечению единства измерений. По заявлению владельца средства измерений или лица, представившего его на поверку, выдается свидетельство о поверке и знак поверки наносится на свидетельство о поверке.
-
11.3 При отрицательных результатах поверки газоанализатор признается непригодным к применению. Сведения об отрицательных результатах поверки передаются в Федеральный информационный фонд по обеспечению единства измерений. По заявлению владельца средства измерений или лица, представившего его на поверку, выдается извещение о непригодности с указанием основных причин.
Разработчик:

Г.С. Володарская
Инженер по метрологии
Приложение А(обязательное)
Технические характеристики ГС, используемых при проведении поверкиТаблица А.1 - Технические характеристики ГС, используемых при проведении поверки
|
Определяемый компонент |
Диапазон измерений |
Номинально П] |
е значение определяемого компонента в ГС, ределы допускаемого отклонения |
Пределы допуска-емой погрешности |
Номер ГС по реестру ГСО или Источник ГС | ||
|
ГС№1 |
ГС №2 |
ГС№3 |
ГС №4 | ||||
|
Кислород (О2) |
от 0 до 40 % об.д. |
азот |
- |
- |
* |
- |
о.ч. сорт 1-ый по ГОСТ 9293-74 |
|
- |
9,5 % об.д. ±5 % отн. |
20 % об.д. ±5 % отн. |
- |
±1,5 % отн. |
ГСО 10706-2015 (O2/N2) | ||
|
- |
- |
- |
38 % об.д. ±5 % об.д. |
±0,6 % отн. | |||
|
Сероводород (H2S) |
от 0 до 200 млн 1 |
азот |
- |
- |
- |
о.ч. сорт 1-ый по ГОСТ 9293-74 | |
|
- |
19 млн’1 ±5 % отн. |
100 млн’1 ±5 % отн. |
190 млн’1 ±5 % отн. |
±2,5 % отн. |
ГСО 10546-2014 (H2S/N2) | ||
|
Оксид углерода (СО) |
от 0 до 2000 млн’1 |
азот |
- |
- |
- |
* |
о.ч. сорт 1-ый по ГОСТ 9293-74 |
|
- |
475 млн’1 ±5 % отн. |
1000 млн’1 ±5 % отн. |
±2,5 % отн. |
ГСО 10546-2014 (CO/N2) | |||
|
- |
* |
* |
1900 млн’1 ±5 % отн. |
±1,5 % отн. | |||
|
Диоксид серы (SO2) |
от 0 до 100 млн’1 |
азот |
■- |
- |
- |
- |
о.ч. сорт 1-ый по ГОСТ 9293-74 |
|
- |
3,8 млн’1 ±5 % отн. |
- |
- |
±4 % отн. |
ГСО 10546-2014 (SO2/N2) | ||
|
- |
- |
50 млн’1 ±5 % отн. |
95 млн'1 ±5 % отн. |
±2,5 % отн. | |||
продолжение таблицы А. 1
|
Определяемый компонент |
Диапазон измерений |
Номинальное значение определяемого компонента в ГС, пределы допускаемого отклонения |
Пределы допускаемой погреш-ности |
Номер ГС по реестру ГСО или Источник ГС | |||
|
ГС №1 |
ГС №2 |
ГС №3 |
ГС №4 | ||||
|
Аммиак (NH3) |
от 0 до 400 мли'1 |
азот |
- |
- |
- |
- |
о.ч. сорт 1-ый по ГОСТ 9293-74 |
|
- |
9,5 млн'1 ±5 % отн. |
- |
- |
±4 % отн. |
ГСО 10546-2014 (NH3/N2) | ||
|
- |
- |
200 млн'1 ±5 % отн. |
380 млн'1 ±5 % отн. |
±2,5 % отн. | |||
|
Диоксид азота (NO2) |
от 0 до 20 млн'1 |
азот |
- |
- |
- |
- |
о.ч. сорт 1-ый по ГОСТ 9293-74 |
|
г |
1,9 млн'1 ±5 % отн. |
10 млн'1 ±5 % отн. |
- |
±4 % отн. |
ГСО 10546-2014 (NO2/N2) | ||
|
- |
- |
- |
19 млн'1 ±5 % отн. |
±2,5 % отн. | |||
|
Фосфин (РНз) |
от 0 до 10 млн 1 |
азот |
- |
- |
- |
- |
о.ч. сорт 1-ый по ГОСТ 9293-74 |
|
- |
5 млн'1 ±5 % отн. |
9,5 млн'1 ±5 % отн. |
- |
±4 % отн. |
ГСО 10546-2014 (PH3/N2) | ||
|
Хлор (С12) |
от 0 до 3 млн 1 |
азот |
- |
- |
- |
- |
о.ч. сорт 1-ый по ГОСТ 9293-74 |
|
- |
1,5 млн'1 ±5 % отн. |
2,85 млн'1 ±5 % отн. |
- |
±8 % отн. |
ГСО 10546-2014 (CI2/N2) | ||
|
Синильная кислота (HCN) |
от 0 до 30,0 млн'1 |
азот |
- |
- |
* |
- |
о.ч. сорт 1-ый по ГОСТ 9293-74 |
|
- |
4,75 млн'1 ±5 % отн. |
* |
- |
±8 % отн. |
ГСО 10546-2014 (FICN/N2) | ||
|
- |
-• |
15 млн'1 ±5 % отн. |
28,5 млн'1 ±5 % отн. |
±5 % отн. | |||
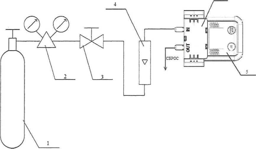
(рекомендуемое)
Схема подачи ГС, на вход газоанализатора при проведении поверки6

-
1 - источник ГС;
-
2 - редуктор баллонный;
-
3 - вентиль точной регулировки;
-
4 - ротаметр (индикатор расхода);
-
5 - газоанализатор;
-
6 - калибровочный адаптер.
Рисунок Б.1 - Рекомендуемая схема подачи ГС, на вход газоанализатора при проведении поверки
Приложение В(обязательное)
Метрологические характеристикиТаблица В. 1 - Метрологические характеристики
|
Модификация |
Определяемый компонент |
Диапазон измерений определяемого компонента |
Пределы допускаемой основной погрешности, % |
Время установления показаний Т90, с | ||
|
приведенной1) |
относительной | |||||
|
ОХ-04 |
Кислород (О2) |
от 0 до 40 % об.д. |
от 0 до 10 % об.д. включ. |
±5 |
- |
10 |
|
OX-04G |
св. 10 до 40 % об.д. |
- |
±5 | |||
|
HS-04 |
Сероводород (H2S) |
от 0 до 200 млн 1 |
от 0 до 20 млн'1 включ. |
±10 |
- |
20 |
|
св. 20 до 200 млн'1 |
* |
±10 | ||||
|
СО-04 |
Оксид углерода (СО) |
от 0 до 2000 млн 1 |
от 0 до 500 млн'1 включ. |
±10 |
- |
10 |
|
CO-04 (С-) |
св. 500 до 2000 млн'1 |
- |
±10 | |||
|
SC-04 |
Диоксид серы (SO2) |
от 0 до 100 млн 1 |
от 0 до 4 млн'1 включ. |
±15 |
- |
20 |
|
св. 4 до 100 млн'1 |
- |
±15 | ||||
|
Аммиак (NH3) |
от 0 до 400 млн 1 |
от 0 до 10 млн'1 включ. |
±15 |
- |
20 | |
|
св. 10 до 400 млн'1 |
- |
±15 | ||||
|
Диоксид азота (NO2) |
от 0 до 20 млн 1 |
от 0 до 2 млн’1 включ. |
±15 |
- |
20 | |
|
св. 2 до 20 млн'1 |
- |
±15 | ||||
|
Фосфин (РНз) |
от 0 до 10 млн'1 |
от 0 до 10 млн'1 |
±20 |
- |
20 | |
|
Хлор (Ch) |
от 0 до 3 млн'1 |
от 0 до 3 млн"1 |
±25 |
- |
20 | |
|
Синильная кислота (HCN) |
от 0 до 30,0 млн'1 |
от 0 до 5,0 млн'1 включ. |
±20 |
- |
20 | |
|
св. 5,0 до 30,0 млн'1 |
- |
±20 | ||||
|
СХ-042’ |
Кислород (О2) |
от 0 до 40 % об.д. |
от 0 до 10 % об.д. включ. |
±5 |
- |
10 |
|
св. 10 до 40 % об.д. |
- |
±5 | ||||
|
Оксид углерода (СО) |
от 0 до 2000 млн'1 |
от 0 до 100 млн'1 включ. |
±10 |
- |
10 | |
|
св. 100 до 2000 млн'1 |
- |
±10 | ||||
|
0 - приведенная погрешность нормирована к верхнему значению диапазона измерений; 2) - сдвоенный сенсор Ог/СО. | ||||||
