Руководство по эксплуатации «Альфа-бета радиометр для измерений малых активностей УМФ-2000» (ФВКМ.412121.001РЭ)
НАУЧНО-ПРОИЗВОДСТВЕННОЕ ПРЕДПРИЯТИЕ
«ДОЗА»
АЛЬФА-БЕТА РАДИОМЕТР
ДЛЯ ИЗМЕРЕНИЙ МАЛЫХ АКТИВНОСТЕЙ
УМФ-2000
Руководство по эксплуатации
ФВКМ.412121.001РЭ



Содержание
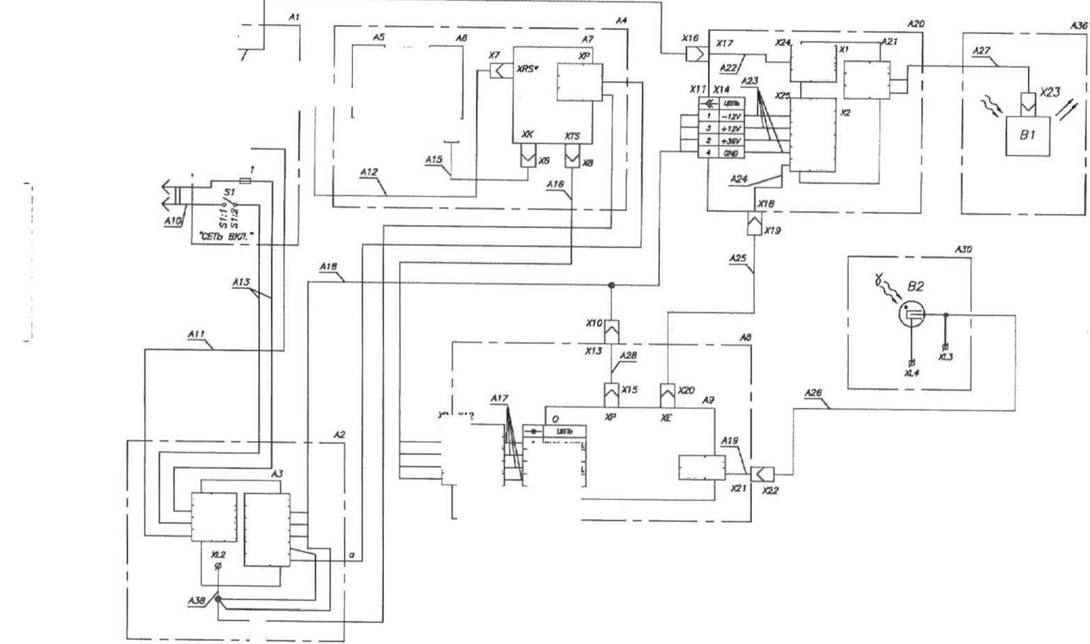
Приложение А Структурная схема радиометра
Приложение Б Схема электрическая соединений
Приложение В Схема электрическая подключений
Приложение Г Габаритные и присоединительные размеры........
Приложение Д Интерфейс У МФ - ЭВМ
Настоящее руководство по эксплуатации содержит сведения о конструкции, принципе действия, характеристиках изделия и указания, необходимые для правильной и безопасной эксплуатации изделия (использования по назначению, технического обслуживания, текущего ремонта, хранения и транспортирования), а также сведения по утилизации изделия.
-
1 ОПИСАНИЕ И РАБОТА ИЗДЕЛИЯ
1.1 Назначение изделия
Альфа-бета радиометра для измерений малых активностей УМФ-2000 ФВКМ.412121.001 (далее - радиометр) изготавливается в соответствии с требованиями ТУ 4362-003-31867313-2008.
Радиометр предназначен для измерений:
-
- суммарной активности бета-излучающих нуклидов в счетных образцах из проб пищевых продуктов, почвы, воды, на воздушных фильтрах и сорбентах, а также измерения активности нуклидов в пробах, полученных после селективной радиохимической экстракции;
суммарной активности альфа- излучающих нуклидов в «толстых» и «тонких» счетных образцах проб объектов окружающей среды.
Радиометр применяется в лабораториях контроля водных объектов.
1.2 Технические характеристики
-
1.2.1 Диапазон энергии регистрируемого альфа-излучения.............от 35(Ю до 8000 кэВ.
-
1.2.2 Диапазон энергии регистрируемого бета-излучения..................от 50 до 3500 кэВ.
-
1.2.3 Диапазон измеряемой активности:
-
- для альфа-излучения..............................................................от 0,01 до 10’ Бк;
-
- для бета-излучения...............................................................от 0,1 до 310 Бк.
-
1.2.4 Пределы допускаемой основной относительной погрешности измерения
активности ....................................................................................................±15%.
-
1.2.5 Радиометр сохранят работоспособность при воздействии внешнего фонового
гамма-излучения с энергией 662 кэВ с мощностью поглощенной дозы 0,50 мкГр/ч, при этом пределы дополнительной погрешности.................................................................±15%.
-
1.2.6 Скорость счета фоновых импульсов:
-
- для детекторов площадью 450 и 1000 мм2
в канале регистрации альфа- излучения............................не более 0.001 с*1;
-
- для детекторов площадью 450 мм2
в канале регистрации бета- излучения................................не более 0,03 с
-
- для детекторов площадью 1000 мм“
в канале регистрации бета- излучения.........................................не более 0,07 с'1.
-
1.2.7 Вклад в счет бета-канала от альфа-канала
для тонкого альфа-источника................................................................не более ±0,8 %.
-
1.2.8 Время установления рабочего режима
при постоянных внешних условиях не превышает..................................................30 мин.
-
1.2.9 Радиометр допускает непрерывную работу в течение.................................24 ч.
-
1.2.10 Нестабильность показаний за 8 ч непрерывной работы не превышает ±5% относительно среднего значения показаний за этот промежуток времени.
-
1.2.11 Электропитание радиометра осуществляется от однофазной сети переменного тока напряжением 220 В, частотой 50 Гц.
-
1.2.12 Радиометр устойчив к изменению напряжения электропитания от 187 до 242 В и частоты от 49 до 51 Гц.
Пределы допускаемой дополнительной погрешности измерений, вызванной отклонением напряжения или частоты электропитания от значений, установленных для нормальных условий эксплуатации..................................................................................................+5 %.
-
1.2.13 Потребляемая мощность..............................................не превышает 40 ВА.
-
1.2.14 Вид климатического исполнения радиометра УХЛ4.2*, ТВ4.1 по ГОСТ 15150-69.
-
1.2.15 Значения климатических факторов внешней среды при эксплуатации радиометра в рабочем состоянии:
-
- диапазон рабочих температур.................................................от +10 до + 35 °C;
-
- предельное значение относительной влажности...........................75% при +30 °C;
-
- атмосферное давление в диапазоне......................................от 84,0 до 106,7 кПа;
содержание в воздухе коррозионно-акгивных агентов соответствует типу атмосферы I.
Пределы допускаемой дополнительной погрешности при изменении температуры окружающего воздуха относительно нормальных условий..........................................+5 %.
-
1.2.16 Радиометр во время эксплуатации не должен подвергаться вибрационным, ударным и другим механическим воздействиям.
-
1.2.17 Степень защиты, обеспечиваемая оболочками радиометра от проникновения
твердых предметов и воды..................................................................................IP23.
-
1.2.18 По влиянию па безопасность радиометр относится к элементам нормальной эксплуатации класса безопасности 4Н в соответствии с ОПБ-88/97.
-
1.2.19 Радиометр устойчив к воздействию электромагнитных помех в соответствии с I ОС Г Р 50746-2000 группа исполнения П, критерий функционирования В.
-
1.2.20 По степени защиты от поражения электрическим током радиометр относится к классу 1 по ГОСТ 12.2.007.0-75.
-
1.2.21 По противопожарным свойствам радиометр соответствует ГОСТ 12.1.004-91 с вероятностью возникновения пожара нс более 1СГ6 1/год.
-
1.2.22 Радиометр стоек к воздействию дезактивирующего раствора - 5 % раствор лимонной кислоты в ректификованном этиловом спирте CjHsOH (плотности 96 %).
-
1.2.23 Габаритные размеры......................................................... 321x286x190 мм.
-
1.2.24 Масса............................................................................не более 21,6 кг.
1.3 Состав изделия
-
1.3.1 Радиометр собран в едином корпусе и состоит из:
устройства детектирования;
управляющей части;
активной защиты;
электронной части;
двухканальпого пересчетаого устройства с таймером.
Структурная схема радиометра приведена в приложении А.
-
1.3.2 На передней панели радиометра расположены кнопочные переключатели «ПУСК» и «СТОП» пересчетного устройства, индикаторы, переключатель режимов счета и два сигнальных светодиода, индицирующих включение радиометра в сеть и процесс счета. На задней панели радиометра расположены: предохранительная колодка, сетевой выключатель, разъёмы «ВЫХОД» и «RS-232».
Схема электрическая соединений, схема электрическая подключений, габаритные и присоединительные размеры приведены в приложениях Б, В. 1 .
1.4 Устройство и работа
-
1.4.1 Устройство детектирования содержит:
полупроводниковый детектор из высокоомного кремния, легированного алюминием, размерами 20x20 мм (или 32x32 мм), в оправке из хромированной латуни;
держатель счетных образцов с устройством для подачи их в фиксированное положение вблизи детектора. ,
-
1.4.1.1 Полупроводниковый детектор преобразует энергию попадающих в него альфа- и бета-частиц в электрические импульсы с помощью зарядочувствитсльного предусилителя. Детектор способен регистрировать бета-частицы в диапазоне энергий от 50 кэВ. При этом он работает как пролетный детектор, т. е. информации об энергии пролетевшей частицы нет. При регистрации альфа-излучения детектор способен давать спектрометрический сигнал. Соединение детектора с предусилителем осуществляется посредством встроенного в оправку детектора разъема тина «LEMO».
-
1.4.1.2 Держатель счетных образцов имеет четыре посадочных места для размещения кювет для счетных образцов (далее - подложек) с внешним диаметром 45 мм. Барабан имеет четыре фиксированных положения для измерения, которые можно определить по легкой блокировке барабана при его вращении. При этом для размещения счетного образца в фиксированном положении относительно детектора необходимо повернуть барабан до следующего положения.
Радиометр с детектором площадью 1000 мм2 поставляется с устройством подачи счетных образцов «ящичного» типа. Для измерения необходимо выдвинуть устройство подачи, установить в него счетный образец и затем вдвинуть на место до отказа.
ВНИМАНИЕ! В РАДИОМЕТРЕ ПРЕДУСМОТРЕНО МЕСТО ДЛЯ ИЗМЕРЕНИЯ ПРОБ НА ТОЛСТЫХ ПОДЛОЖКАХ. НА ЭТОМ ЖЕ МЕСТЕ ПРОВОДИТСЯ КАЛИБРОВКА РАДИОМЕТРА С ИСПОЛЬЗОВАНИЕМ ФИЛЬТРОВ. МЕСТО ДЛЯ ТОЛСТЫХ ПОДЛОЖЕК УГЛУБЛЕНО ПА 1 ММ ПО ОТНОШЕНИЮ К СТАНДАРТНЫМ МЕСТАМ ДЛЯ СЧЕТНЫХ ОБРАЗЦОВ И ПОМЕЧЕНО. В РАДИОМЕТРАХ С ДЕТЕКТОРОМ ПЛОЩАДЬЮ 1000 мм2 МЕСТО ДЛЯ КОН ТРОЛЬНОГО ИСТОЧНИКА НАХОДИТСЯ НА НИЖНЕЙ ПОВЕРХНОС ТИ ВКЛАДЫША ДЛЯ СЧЕТНЫХ ОБРАЗЦОВ. ДЛЯ УСТАНОВКИ КОНТРОЛЬНОГО ИС ТОЧНИКА НЕОБХОДИМО ПЕРЕВЕРНУТЬ ВКЛАДЫШ.
-
1.4.2 Управляющая часть состоит из блока питания и блока формирователей, который служит для разделения импульсов от альфа- и бета-частиц и имеет в составе схему антисовпадений, блок высокого напряжения для питания активной защиты и схему защиты от сетевых помех.
Блок питания служит для преобразования переменного напряжения 220 В сети в + 12 В, минус 12 В и 5 В постоянного напряжения для работы электронных устройств. Кроме того, блок питания вырабатывает напряжение смещения для детектора.
-
1.4.3 Активная защита состоит из газоразрядного счетчика, расположенного под устройством подачи счетных образцов. Активная защита служит главным образом для снижения вклада фона от высокоэнергетического космического излучения. При попадании заряженной частицы в рабочий объем детектора, сигнал в виде импульса напряжения с детектора задерживается и передается на счетную схему только в том случае, если за время ожидания не пришел импульс с активной защиты или с системы защиты по питанию. В противном случае импульс с детектора игнорируется.
-
1.4.4 Электронная часть выполнена в виде отдельных блоков: предусилителя, блока формирователей, блока питания, платы управления пересчетным устройством с таймером, двух плат индикаторов.
-
1.4.4.1 Предусилитель выполнен по «классической» резистивной схеме, которая благодаря малым обратным токам детектора позволяет иметь уровень собственных шумов па уровне 5-4-15 кэВ. Предварительно усиленный сигнал поступает на вход основного усилителя, выполненного на быстродействующем операционном усилителе. Основной усилитель обеспечивает амплитуду выходного сигнала для бета-частиц на уровне от 20 мВ до 1 В.
Усиленный сигнал поступает на вход схемы селекции в электронной части, выполненной на интегральных компараторах. Пороги компараторов устанавливаются таким образом, чтобы первый компаратор срабатывал при прохождении импульсов от альфа- и бета-частиц, а второй -только от альфа-частиц. Сигналы от компараторов поступают на схему антисовпадений, которая разрешает счет только бета-частиц (ио бста-каналу). При счете альфа-частиц учитывается только сигнал второго компаратора. В элекгронной части также размещена схема антисовпадсний для активной защиты и защиты от помех по питанию.
-
1.4.4.2 В электронной части также размещается импульспый блок питания, блок высокого напряжения.
-
1.4.5 Двухканальнос псресчстнос устройство с таймером представляет собой три счетных тракта с четырехразрядными индикаторами и электронным таймером. Время экспозиции определяется четырехразрядными барабанными переключателями. Кнопочные переключатели, расположенные на передней панели, позволяют запускать измерение с одновременным сбросом предыдущего результата и останавливать измерение в произвольный момент времени.
-
1.4.5.1 Счетная схема выполнена на микропроцессоре с выводом информации на семисегментные светодиодные индикаторы и имеет два капала.
-
1.4.5.2 По первому каналу идет счет импульсов от альфа-частиц, по второму - от бета-частиц. С помощью кнопок «а, 0», «0, ВРЕМЯ» можно менять режим индикации. В режиме «а, 0» на индикаторах отображается счет по альфа-каналу и бета-каналу, в режиме «0, ВРЕМЯ» -счет по бета-каналу и время. Режимы индикации никак не влияют па работу' радиометра.
1.4.5.3В случае переполнения по одному из каналов счет останавливается, и на индикаторе, соответствующем переполненному каналу, зажигаются центральные сегменты. При этом можно просмотреть содержимое остальных каналов.
Остановка счета сопровождается звуковым сигналом. Выключить сигнал можно с помощью кнопки «СГОН» или запустив новое измерение.
1.5 Маркировка и пломбирование
-
1.5.1 На радиометре нанесены следующие обозначения: товарный знак или обозначение предприятия - изготовителя; условное обозначение изделия;
порядковый номер изделия по системе нумерации предприятия изготовителя;
- год изготовления;
знак утверждения типа средств измерений;
степень защиты, обеспечиваемая оболочками от проникновения твердых предметов и воды;
напряжение, мощность или ток, частота электропитания.
-
1.5.2 Место и способ нанесения маркировки соответствует конструкторской документации.
-
1.5.3 Радиометр опломбирован в соответствии с конструкторской документацией.
1.6 Упаковка
-
1.6.1 Упаковка радиометра производится согласно требованиям категории КУ-3 по ГОСТ 23170-78 для группы III, вариант защиты ВЗ-О, вариант упаковки ВУ-5 в соответствии ГОСТ 9.014.
-
1.6.2 Упаковка производиться в закрытых вентилируемых помещениях с температурой окружающего воздуха от +15 до +40 "С и относительной влажностью воздуха до 80 % при +20 °C и содержанием в воздухе коррозионно-активных агентов, не превышающих установленного для атмосферы типа 1 ГОСТ 15150-69.
-
2 ИСПОЛЬЗОВАНИЕ ПО НАЗНАЧЕНИЮ
2.1 Эксплуатационные ограничения
-
2.1.1 Радиометр сохраняет свою работоспособность в условиях указанных в 1.2.
-
2.1.2 Запрещается использование мобильных телефонов вблизи работающего радиометра.
2.2 Подготовка изделия к использованию
-
2.2.1 Перед началом работы необходимо проверить, что сетевой кабель питания правильно подключен и не имеет повреждений; проверить наличие заземления. После этого включить радиометр в сеть и перевести переключатель сети, расположенный на задней панели, в положение «СЕТЬ ВКЛ». При этом должен загореться красный светодиод, расположенный рядом с надписью «СЕТЬ» на передней панели радиометра.
-
2.2.2 После включения радиометр находится в тестовом режиме, облегчающем проверку его работоспособности. При этом на верхнем индикаторе отображается внутренний серийный помер радиометра, который используется для управления через интерфейс RS-232, на нижнем индикаторе идет счет времени. При нажатии и удерживании кнопки переключателей режимов на верхнем индикаторе отображается значение, установленное на задатчике времени счета. Изменяя его значения, при нажатой кнопке режима, можно проверить соответствие значения задатчика времени и реально установленного времени счета. Для перехода в рабочий режим необходимо нажать кнопку «ПУСК».
-
2.2.3 В радиометре предусмотрена возможность работы под внешним управлением через порт RS-232, разъем которого расположен на задней панели. Для перехода в режим работы с внешним управлением необходимо перед включением радиометра задатчик времени установить в 0000. При этом радиометр перестает реагировать на управляющие кнопки на передней панели. Команды, управляющие радиометром, приведены в приложении Д.
-
2.2.4 Посредством переключателя режимов выбрать режим «а, |3» или «0, ВРЕМЯ».
-
2.2.5 Прогрегь радиометр в течение 30 мин.
-
2.2.6 Провести контрольное измерение фона с экспозицией не менее 1000 с, при этом пустая, предварительно протертая салфеткой, смоченной спиртом, подложка загружается в счетное положение. Убедиться, что значение фона находится в пределах, указанных в паспорте (Свидетельстве о поверке). При обнаружении увеличения фона, выявить и устранить причину.
-
2.2.7 Установить на устройство подачи счетных образцов контрольный источник из комплекта радиометра и провести контрольное измерение счета за 300 с. Полученное значение скорости должно находиться в пределах, указанных в паспорте (свидетельстве о поверке).
ВНИМАНИЕ! КОНТРОЛЬНЫЙ ИСТОЧНИК УСТАНАВЛИВАЕТСЯ В УГЛУБЛЕННОЕ МЕСТО, ОТМЕЧЕННОЕ КРАСНОЙ ИЛИ БЕЛОЙ ТОЧКОЙ ИЛИ В ПЕРЕВЕРНУТЫЙ ВКЛАДЫШ (ДЛЯ РАДИОМЕТРОВ С ДЕТЕКТОРОМ ПЛОЩАДЬЮ 1000 мм2).
-
2.2.7 Присгупить к рабочим измерениям.
2.3 Использование изделия
-
2.3.1 Проведение измерений для определения активности счегного образца включает операции измерения скорости счета с пустой подложкой (фон) и со счетным образцом на подложке в фиксированном счетном положении барабана устройства подачи образцов.
-
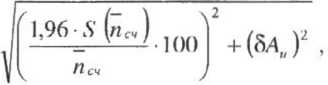
2.3.2 При измерениях следует использовать значение фона радиометра, полученное как среднее 8-10 измерений фона с таким расчетом, чтобы при каждом измерении было зафиксировано не менее десяти отсчетов. При этом в дальнейшем целью измерения фона должно быть подтверждение соответствия текущею значения фона его среднему значению с учетом статистического разброса. Статистическая погрешность измерения фона д' определяется по формуле

(2.1)
где - число импульсов фона,
1,96 - коэффициент С гьюдента при доверительной вероятности 95 %.
-
2.3.3 Провести несколько измерений счетного образца. Результатом измерений является количество импульсов, зарегистрированных радиометром по обоим каналам за время t.
Определить среднюю скорость счета от счетного образца п вместе с фоном по формуле
« = ----. (2.2)
1=1 где /V, число отсчетов, полученных в i-ом измерении;
г, - время i-ro измерения.
-
2.3.4 Определить среднюю скорость счета от счетного образца псч без фона
Псч -п - Пф, (2.3)
где Пф - средняя скорость счета фона.
Абсолютную погрешность скорости счета Ди«, имп/с, при этом рассчитать но формуле
ДЙ«=1,96 — + "ф , (2.4)
\ 1Ф
где /из„ - суммарное время измерений данного образца;
1ф - суммарное время измерений фона.
-
2.3.5 Вычисление до пунктам 2.3.3 и 2.3.4 провести для каждого капала.
-
2.3.6 Рассчитать активность А измеряемого счетного образца по формуле
А = —, (2.5)
Е
где Е - чувствительность радиометра для измеряемого излучения, приведенная в свидетельстве о первичной поверке радиометра.
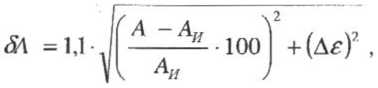
Рассчитать относительную погрешность определения активности 5Л в процентах по формуле где Де - относительная погрешность определения чувствительности, указанная в свидетельстве о первичной поверке, %.

(2.6)
ФВКМ.412121 .ОО1РЭ
8
-
2.3.7 Активность А, Бк, измеряемого счетного образца с учетом погрешности представить в виде
А±Л~ (2.7)
100
-
2.4 При работе с радиометром допускается использовать методики измерений, разработанные для моделей УМФ-1500, У МФ-3, УМФ-1500М (в зависимости от измерительной задачи).
ВНИМАНИЕ! ЗАПРЕЩАЕТСЯ ИЗМЕРЕНИЕ ПА РАДИОМЕТРЕ ОБРАЗЦОВ С ВЫСОКИМ СОДЕРЖАНИЕМ КИСЛОТ И ЩЕЛОЧЕЙ ВО ИЗБЕЖАНИЕ ПОВРЕЖДЕНИЯ РАБОЧЕЙ ПОВЕРХНОСТИ ДЕТЕКТОРА.
-
3 ТЕХНИЧЕСКОЕ ОБСЛУЖИВАНИЕ
3.1 Общие указания
Техническое обслуживание проводится с целью обеспечения правильной и длительной работы радиометра. Рекомендуются следующие основные виды и сроки проведения
профилактических работ:
визуальный осмотр.................................................................... 1 раз в месяц;
внешняя чистка......................................................................... 1 раз в месяц;
проверка основных параметров....................................................... 1 раз в год.
3.2 Меры безопасности
-
3.2.1 Перед началом работы с радиометром необходимо ознакомиться с настоящим руководством по эксплуатации.
-
3.2.2 При работе с радиометром необходимо выполнять требования:
- Норм радиационной безопасности (ПРБ-99) СП 2.6.1.758-99;
Основных санитарных правил обеспечения радиационной безопасности (ОСПОРБ-99) СП 2.6.1.799-99;
Межотраслевых правил по охране труда (Правила безопасности) при эксплуатации электроустановок ПОТ Р М-016-2001 (РД 153-34.0-03.150-00).
-
3.2.3 При работе радиометр должен быть надежно заземлен посредством клеммы заземления, расположенной на задней панели.
-
3.2.4 В блоке высокого напряжения для питания активной защиты вырабатывается высокое напряжение 400 В, поэтому запрещается вскрывать радиометр ранее, чем через 10 мин после его выключения.
В блоке питания имеется напряжение 220 В, поэтому запрещается подключение к электрической сети радиометра со снятым кожухом.
.3.2.5 К ремонту и настройке допускаются лица, прошедшие соответствующий инструктаж и имеющие квалификационную группу не ниже Ш.
3.3 Порядок технического обслуживания
Техническое обслуживание подраздслясгся на текущее техническое обслуживание и периодическое техническое обслуживание
-
3.3.1 Текущее техническое обслуживание
Текущее техническое обслуживание производится при регулярной эксплуатации радиометра.
Текущее техническое обслуживание состоит в осмотре радиометра для своевременного обнаружения и устранения факторов, которые могут повлиять на его работоспособность и безопасность.
При возникновении перекосов или повреждений необходимо немедленно провести их устранение во избежание выхода радиометра из строя.
-
3.3.2 11ериодическос техническое обслуживание
Периодическое техническое обслуживание заключается в периодической поверке и дезактивации радиометра.
-
3.3.3 Дезактивация радиометра проводится в соответствии с регламентом работ по дезактивации, действующим на предприятии, а также при повышении собственного фона радиометра выше допустимого уровня. Дезактивируется устройство пробоподачи и, при необходимости, наружные поверхности радиометра дезактивирующим раствором в соответствии с 1.2.22.
-
4 МЕТОДИКА ПОВЕРКИ
4.1 Общие требования
Поверку радиометра проводят органы Государственной метрологической службы или другие уполномоченные органы, организации, имеющие право поверки. Требования к орханизации, порядку проведения поверки и форма представления результатов поверки определяются ПР 50.2.006-94 «Государственная система обеспечения единства измерений. Порядок проведения поверки средств измерений».
Поверке подлежат все вновь выпускаемые, выходящие из ремонта и находящиеся в эксплуатации радиометры.
Первичная поверка производится при выпуске вновь произведенных радиометров и после их ремонта.
Периодическая поверка производится при эксплуатации радиометров.
Межповерочный интервал составляет один год.
4.2 Методика первичной поверки
Первичная поверка радиометра с определением значений метрологических характеристик осуществляется при вводе в эксплуатацию с учетом условий конкретной измерительной задачи Заказчика для каждого экземпляра радиометра.
Эффективность регистрации альфа- и бета- излучения в зависимости от массы счетных образцов, контрольные значения скорости счета импульсов от контрольных источников 90Sr и ■>9Ри для фиксированной геометрии измерений, значения фона для альфа- и бета- каналов определяют при первичной поверке каждого экземпляра радиометра и вносят в свидетельство о первичной поверке.
-
4.2.1 Операции и средства поверки
При проведении поверки должны выполняться операции и применяться средства, указанные в таблице 4.1.
-
4.2.2 Требования безопасности
При поверке выполняют требования безопасности, изложенные в 3.2 и в документации на применяемые средства поверки и оборудование.
-
4.2.3 Условия проведения поверки и подготовка к ней
Поверка должна быть проведена при соблюдении следующих условий:
температура окружающего воздуха.................................................+ (20 ±5) °C;
относительная влажность воздуха.................................................от 30 до 80 %;
атмосферное давление......................................................от 84,0 до 106,7 к! 1а;
радиационный фон...........................................................не более 0,2 мкЗв-ч'1.
В процессе проведения поверки должна быть исключена возможность увеличения фона внешнего излучения от посторонних радионуклидных источников.
Таблица 4.1 - Перечень операций поверки и средств, применяемых при ее проведении
|
Наименование операции |
Номер пункт а |
Средства поверки и их нормативно-технические характеристики |
|
1. Внешний осмотр |
4.2.4.1 |
Визуально |
|
2. Опробование |
4.2.4.2 | |
|
3. Определение чувствительности радиометра |
4.2.4.3 |
Рабочие эталоны на основе:
239тч
Рабочий эталон 2-го разряда на основе насыпного источника " °Ри, удельной активностью от 10 до 50 Бк/г, с погрешностью нс более ±10 %. Рабочий эталон 2-го разряда на основе насыпного источника 40К, удельной активностью от 10 до 50 Бк/г, с погрешностью нс более ±10%. Комбинированный контрольный источник ?,8U +234Th +234Ра +234U с активностью (238U +234U) от 20 до 2(H) Бк, входящий в комплект поставки радиометра. Секундомер, пинцет. |
|
4. Определение основной относительной погрешности |
4.2.4.4 |
Рабочие эталоны:
Комбинированный контрольный источник 238U +2j4Th +234Ра +234U с активностью (238U +234U) от 20 до 200 Бк, входящий в комплскг поставки радиометра. Секундомер, пинцет. |
|
5. Оформление результатов поверки |
4.2.5 |
Примечание - Допускается применять отдельные, вновь разработанные или находящиеся в применении средства поверки и оборудование, по своим характеристикам не уступающие указанным в настоящей методике поверки.
-
4.2.4 Проведение поверки
-
4.2.4.1 Внешний осмотр
-
При внешнем осмотре должно быть установлено:
- соответствие комплектности радиометра; отсутствие дефектов, влияющих на работу радиометра; наличие экецлуатациошюй документации.
-
4.2.4.2 Опробование
При опробовании радиометра производится включение и установление факта работы индикаторных светодиодов и цифровых индикаторов, проверку работы кнопок «ПУСК» и «СТОП», а также таймера. Для этого перевести радиометр в режим «р, ВРЕМЯ», установить экспозицию 1 с и нажать кнопку «ПУСК». Наблюдать на нижнем цифровом индикаторе счет секунд. Зафиксировать факт остановки счета через 1 с. Повторить последний пункт с установленными экспозициями 10, 100 и 1000 с.
-
4.2.4.3 Определение чувствительноети радиометра
I ) Приготовить из насыпных источников на основе 2WPu и “^К навески в подложках для измерения образцов в соответствии с табл. 4.2.
Таблица 4.2. Масса навесок для поверки
|
навески из 239Ри |
----------------------------------ТО77 _ навески из К |
|
20 мг |
100 мг |
|
50 мг |
300 мг |
|
100 мг |
- |
|
200 мг |
- |
|
установка с детектором 1000 мм2 | |
|
100 мг |
100 мг |
|
200 мг |
200 мг |
|
400 мг |
400 мг |
|
600 мг |
- |
-
2) 11осле прог рева и установления рабочего режима радиометра, провести измерение фона одновременно по альфа- и бета-каналу при экспозиции 3000 с не менее пяти раз. Измерение фона проводить с пустой подложкой, установленной в счетное положение устройства детектирования. Рассчитать среднюю скорость счета фона по каналам Пф по формуле
. ix
«ф=-4— - (4J)Полученные результаты зафиксировать в протоколе измерений произвольной формы.
-
5) рассчитать среднюю скорость счета пст без фона и ее статистическую погрешность в абсолютных единицах для каждого нуклида и значений массы источника соответственно но формулам
Псч - П - Пф (4.3) (4.4)

где - суммарное время измерения данного образца, с;
гф - суммарное время измерений фона, с.
-
6) рассчитать чувствительность радиометра Е для ^К, 2 >9Ри, 1 ’ Cs и y1Sr(90Y) по формуле (4.5) для каждого значения массы источника (навески). Массы источников 137Cs и l,"Sr(ytJY) приведены в свидетельствах о поверке.
_ Псч
-
(4.5)
-
(4.6)
где Аи - активность рабочего эталона, рассчитанная по формуле где Л„О1„ - значение активности рабочего эталона из свидетельства о поверке,

. -0,693//Г1/г
паси с
t - время, прошедшее со времени поверки источника, лет.
11/2 - период полураспада данного радионуклида, лет,
&4, - погрешность рабочего эталона, %;
-
7) рассчитать погрешность определения чувствительности Д£ в процентах по формуле
Де -


где 1,96 - коэффициент Стьюдента при доверительной вероятности 95 %;
8А„ - шлрешность рабочего эталона, %;
Значения Е, и Дг' заносятся в свидетельство о поверке;
-
4.2.4.4 Определение основной относительной погрешности.
-
1) Провести измерения активности любого источника 1 'Cs и тонкого источника 2’9Ри. Измерение активности провести в соответствии с методикой, приведенной в 2.3.
Погрешность определения активности радионуклидов &4 в процентах определяют по
формуле где А - значение активности, определенное в соответствии с методикой, приведенной в 2.3, Бк;

(4.9)
А1{ - значение активности рабочего эталона из свидетельства о поверке, Бк;
Де - по1решность определения чувствительности для конкретного радионуклида, %. Полученные результаты должны находиться в пределах, приведенных в 1.2 4.
-
2) Измерить значения скоростей счета от контрольного источника и занести его в свидетельство о поверке.
4.2.5 Оформление результатов поверки
-
4.2.5.1 Положительные результаты поверки радиометра оформляются в соответствии с ПР 50.2.006-94.
В свидетельство о поверке заносятся значения скорости счета от контрольного источника из комплекта поставки радиометра и значения чувствительности радиометра для каждою радионуклида.
-
4.2.5.2 При отрицательных результатах поверки радиометр отправляется в ремонт.
4.3 Методика периодической поверки
Настоящая методика распространяется на радиометры и устанавливает методы и средства их периодической поверки в процессе эксплуатации.
Межповерочиый интервал один год.
-
4.3.1 Операции и средства поверки
При проведении периодической поверки должны выполняться операции и применяться
средства, указанные в таблице 4.2.
Таблица 4.2 - 11еречень операций поверки и средства, применяемые при ее проведении
|
Наименование операции |
11омер пункта |
Средства поверки и их нормативно-технические характеристики |
|
1. Внешний осмотр |
4.3.4.1 |
Визуально |
|
2. Опробование |
4.3.4.2 | |
|
3. Определение основной относительной погрешности |
4.3.4.3 |
Рабочие эталоны:
Комбинированный контрольный источник 238U +2,4Th +234Ра +234и с активностью (23RU +234U) от 20 до 200 Бк, входящий в комплект поставки радиометра. Секундомер, пинцет. |
|
4. Обработка результатов измерений |
4.3.4.4 | |
|
5. Оформление результатов поверки |
4.3.5 | |
|
Примечание - Допускается применять отдельные, вновь разработанные или находящиеся в применении средства поверки и оборудование, по своим характеристикам не уступающие указанным в настоящей методике поверки. | ||
-
4.3.2 Требования безопасности
При поверке выполняют требования безопасности, изложенные в 3.2 и в документации на применяемые средства поверки и оборудование.
-
4.3.3 Условия проведения поверки и подготовка к ней
Поверка должна быть проведена при соблюдении следующих условий:
-
- температура окружающего воздуха.................................................+ (20 ±5) °C;
относительная влажность воздуха.................................................от 30 до 80 %;
-
- атмосферное давление......................................................от 84.0 до 106,7 кПа;
-
- радиационный фон............................................................не более 0,2 мкЗв-ч’1.
В процессе проведения поверки должна быть исключена возможность увеличения фона внешнего излучения от посторонних радионуклидных источников.
-
4.3.4 Проведение поверки
-
4.3.4.1 Внешний осмотр
-
При внешнем осмотре должно быть установлено:
соответствие комплектности радиометра;
наличие пломб;
отсутствие дефектов, влияющих на работу радиометра;
наличие эксплуатационной документации;
наличие повсрительного клейма предыдущей поверки.
-
4.3.4.2 Опробование
При опробовании радиометра производится включение и установление факта работы индикаторных светодиодов и цифровых индикаторов, проверку работы кнопок «ПУСК» и «СТОП», а также таймера. Дня этого перевести радиометр в режим «0, ВРЕМЯ», установить экспозицию 1 с и нажать кнопку «ПУСК». Наблюдать на нижнем цифровом индикаторе счет секунд. Зафиксировать факт остановки счета через 1 с. Повторить последний пункт с установленными экспозициями 10, 100 и 1000 с.
-
4.3.4.3 Определение основной относительной погрешности
-
1) после прогрева и установления рабочего режима радиометра, провести измерение фона одновременно по альфа- и бета-каналу при экспозиции 3000 с нс менее пяти раз. Измерение фона проводить с пустой подложкой, установленной в счетное положение устройства детектирования;
-
2) рассчитать среднюю скорость счета фона по каналам Пф по формуле
Пф=^к---- , (4.10)
1=1
где Nilfl - число отсчетов, полученных в i-ом измерении фона,
- время i-ro измерения фона,
к - число измерений фона;
-
3) провести измерения скорости счета п от источников ll7Cs и 2,9Ри для определения погрешности измерения активности радиометром.
-
4) определить среднюю скорость счета от счетного образца п вместе с фоном по формуле
к
n = , (4.11)
»=1
где /V, - число отсчетов, полученных в i-ом измерении,
I. - время i-ro измерения;
-
5) определить среднюю скорость счета от счетного образца и,;.< без фона по формуле
Псч —п — Пф (4.12)
-
6) провести измерения скорости счета для контрольного источника из комплекта радиометра;
-
4.3.4.4 Обработка результатов измерении
Рассчитать погрешность определения активности радионуклидов в счетных образцах.
Для этого определить измеренные значения активности Л рабочих эталонов 137Cs и ‘ Ри по формуле
A = ^L (4.13)
е
где £ - чувствительность радиометра для данного источника (радионуклида), указанная в свидетельстве о первичной поверке.
Погрешность измерений активности радионуклидов 5Л в процентах определяют по формуле где Ао - значение активности рабочего эталона из свидетельства о поверке, Бк;

(4-14)
Де - погрешность определения чувствительности для конкретного радионуклида, % Полученное значение не должно превышать указанного в 1.2.4.
4.3.5 Оформление результатов поверки
-
4.3.5.1 Положительные результаты поверки радиометра оформляются в соответствии с ПР 50.2.006-94.
В свидетельство о поверке заносятся значения скорости счета от контрольного источника из комплекта поставки радиометра.
-
4.3.5.2 При отрицательных результатах поверки выдается извещение о непригодности радиометра или делается соответствующая запись в технической документации и применение его не допускается.
5 ТЕКУЩИЙ РЕМОНТ
-
5.1 Узлы радиометра нс ремонтопригодны и в случае выхода из строя подлежат замене на предприятии- изготовителе.
6 ХРАПЕНИЕ
-
6.1 Радиометр до введения в эксплуатацию следует хранить в отапливаемом и вентилируемом складе:
в упаковке предприятия-изготовителя в условиях хранения 1(Л) по ГОСТ 15150-69 при температуре окружающего воздуха от +5 до +40 °C и относительной влажности воздуха до 80 % при +25 °C;
без упаковки - от +10 до +35 °C и относительной влажности 80 % при +25 °C в условиях атмосферы типа I по ГОСТ 15150-69.
-
6.3 В помещении для хранения нс должно быть пыли, паров кислот и щелочей, агрессивных газов и других вредных примесей, вызывающих коррозию.
Место хранения должно исключать попадание прямого солнечного света па радиометр.
7 ТРАНСПОРТИРОВАНИЕ
-
7.1 Радиометр в упаковке предприятия-изготовителя может транспортироваться всеми видами транспорта на любые расстояния:
перевозка по железной дороге должна производиться в крытых чистых вагонах;
при перевозке открытым автотранспортом ящики должны быть накрыты водонепроницаемым материалом;
при перевозке воздушным транспортом ящики должны быть размещены в герметичном отапливаемом отсеке;
при перевозке водным и морским транспортом ящики должны быть размещены в трюме.
-
7.2 Размещение и крепление ящиков на транспортных средствах должны обеспечивать устойчивое положение при следовании в пути, отсутствие смещения и ударов друг о друга.
-
7.3 При погрузке и выгрузке должны соблюдаться требования надписей, указанных на т ранспортной таре.
Во время погрузочно-разгрузочных работ радиометр нс должен подвергаться воздействию атмосферньгх осадков.
-
7.4 Условия транспортирования:
температура .................................................................от минус 30 до +50 °C
при условии плавной температурной стабилизации при выгрузке до температур от минус 10 до +35 °C и последующею пребывания в нормальных условиях в течение 24 ч; влажность.......................................................................до 95 % при +35 "С;
воздействие тряски с ускорением 30 м/с2 при частоте ударов от 10 до 120 ударов/мин.
8 УТИЛИЗАЦИЯ
-
8.1 По истечении полного срока службы радиометра (его составных частей), перед отправкой на ремонт или для проведения поверки необходимо провести обследование на наличие радиоактивного загрязнения поверхностей. Критерии для принятия решения о дезактивации и дальнейшем использовании изложены в разделе 3 OCIЮРБ-99.
-
8.2 Дезактивацию следует проводить растворами в соответствии с 1.2.2 в тех случаях, когда уровень радиоактивного загрязнения поверхностей радиометра (в том числе доступных для ремонта) может быть снижен до допустимых значений в соответствии с разделом 8 НРБ-99 и разделом 3 ОСПОРБ-99.
-
8.3 В соответствии с разделом 3 СПОРО-2002 допускается в качестве критерия о дальнейшем использовании радиометра, загрязненного неизвестными гамма-излучающими радионуклидами, использовать мощность поглощённой дозы у поверхностей (0,1 м).
-
8.4 В случае превышения мощности дозы в 0,001 мГ'р/ч (1 мкЗв/ч) над фоном после дезактивации или превьппения допустимых значений уровня радиоактивного загрязнения поверхностей к радиометру предъявляются требования как к радиоактивным отходам (РАО).
РАО подлежат классификации и обращению (утилизации) в соответствии с разделом 3 СПОРО-2002.
-
8.5 Радиометр, допущенный к применению после дезактивации, подлежит ремонту или замене в случае выхода из строя. Непригодный для дальнейшей эксплуатации радиометр, уровень радиоактивного загрязнения поверхностей которого не превышает допустимых значений, должен быть демонтирован, чтобы исключить возможность его дальнейшего использования, и направлен на специально выделенные участки в места захоронения промышленных отходов.
Радиометр с истекшим сроком службы, допущенный к использованию после дезактивации, подвергается обследованию технического состояния. При удовлетворительном техническом состоянии радиометр подлежит поверке и определению сроков дальнейшей эксплуатации.
Приложение А
(обязательное)
СТРУКТУРНАЯ СХЕМА РАДИОМЕТРА
где 1 - держатель счетных образцов;
-
2 - счетный образец;
-
3 - устройство детектирования;
-
4 - активная защита;
-
5 - предусилители;
-
6 - дискриминаторы;
-
7 - схема антисовпадений;
-
8 - таймер;
-
9 - блок питания;
-
10 - блок высокого напряжения;
-
11 - индикаторы.
’ВЫХОД'
Х4Х
А14.
ч^-гзг'
Х3^~
t
1* Четвертью контакт не используется
2. Условное обозначение проводников;
а - МГШВ ТУ16-505.437-82 0.2 К 36см.
’ ею./кж
J етыкАк
4 СКВ
I ’ОДА’ ЯЛ
|
XI -к: Х2 —ес |
ХА ХВ ко | |
|
цепь |
-о-| |
|
+BV | |
|
(МО |
|
т, | |
|
1 |
OUTS |
|
2 |
GND |
|
2 |
— J7V |
|
J | |
|
5 |
+МГ |
|
4 |
<мо |
|
1 |
(УЛ |
|
аяь | |
|
ХТ1 | |
|
сю |
ФВКМ.412121.001РЭ
|
•- |
цеп, |
|
-22W | |
|
-22VV | |
|
Корп |
|
иръ | |
|
+J6V | |
|
-12V | |
|
+ 12V | |
|
Общ. | |
|
+W |
Х9\Х12

|
цел | |
|
хт |

Приложение В
(обязательное)
СХЕМА ЭЛЕКТРИЧЕСКАЯ ПОДКЛЮЧЕНИЙ
А1

-
1. Кабель А Шнур сете бой с литой бил кой ШВВП-ВП 2x0,5 - 2,5м
Г0СТ28244-96
-
2. Кабель 2 нуль-модемный кабель DB-9F - OB-9F (длина до 10 м)

Х51



ГАБАРИТНЫЕ И ПРИСОЕДИНИТЕЛЬНЫЕ РАЗМЕРЫ
ФВКМ.412121.001 РЭ



Приложение Д (обязательное)
ИНТЕРФЕЙС УМФ-ЭВМ
Д. 1 При включении с установленным временем экспозиции, отличным от 0, радиометр переходит в ручной режим работы. При этом:
радиометр отрабатывает все команды, результатом действия которых является передача на ЭВМ тех или иных параметров. Команды, изменяющие текущее состояние радиометра блокированы (команда принимается, обрабатывается, но предписываемые действия не выполняются, в возвращаемом байте статуса содержится информация о состоянии радиометра на момент завершения операции);
- работают кнопки «ПУСК», «СТОП»;
в тестовом режиме, сразу после включения радиометра, на верхнем индикаторе высвечивается номер включения радиометра (формат «Н.ххх»). При нажатых и удерживаемых кнопках «а, 0» или «Р, ВРЕМЯ» вместо номера радиометра выдается число, считанное с задатчика времени. На нижнем индикаторе - секунды с момента включения радиометра. Кнопка «СТОП» в данном режиме включает звуковой сигнал. Кнопка «ПУСК» - запускает измерение.
Д.2 При штатном завершении набора, (отработанное время, равное заданному) радиометр останавливает счет, гаснет светодиод «СЧЕТ» и выдаст прерывистый звуковой си1нал, отключаемый кнопкой «СТОП». Если остановка произошла в результате нажатия кнопки «СТОП» или манипуляций с датчиком времени, в результате чего реальное набранное время превысило установленное, на нижний индикатор попеременно выдаются значения таймера и счетного канала. Запуск следующего измерительного цикла осуществляется нажатием кнопки «ПУСК», при этом набранные данные автоматически сбрасываются. При включении с выставленными на задатчике времени 0, радиометр переходит в режим управления от ЭВМ3.
В данном режиме блокированы кнопки «ПУСК» и «СТОП». Радиометр отрабатывает все команды от ЭВМ. В тестовом режиме нажатие на кнопку «ПУСК» приводит к сбросу показаний таймера, выводимых на нижний индикатор. При перезапуске радиометра на следующий измерительный цикл набранные данные не сбрасываются.
Д.З Данные по последовательному порту передаются со скоростью 192(H) бод по протоколу интерфейса RS-232. Посылка принимается только в том случае, если:
с момента последнего принятого байта (любого, переданного из центральной ЭВМ на какой-либо радиометр) прошло не менее 10 мс;
первый байт в посылке равен номеру радиометра (1-255) либо является байтом опроса (равен 0).
Радиометр считывает заданное число байт (определяется номером команды, передаваемой во втором байте посылки). Если обнаружена ошибка передачи (просрочен очередной байт4 или не совпадает контрольная сумма) радиометр выдается сообщение: <()BBh>. После приема и анализа посылки радиометр выполняет установленную команду (если она разрешена) и выдает подтверждающее сообщение.
Функции, выполняемые ранними моделями радиометров и не оговоренные в данном тексте, остались без изменений.
Таблица Д. 1 - Структура контрольного байта
|
11омер бита |
Бит равен 0 |
Бит равен 1 |
|
0 |
радиометр стоит |
радиометр работает |
|
1 |
радиометр в тестовом режиме |
радиометр в рабочем режиме |
|
2 |
канал 0 переполнен | |
|
3 |
канал 1 переполнен | |
|
4 |
данные канала 0 уже считаны | |
|
5 |
данные капала 1 уже считаны | |
|
6 |
радиометр под ручным управлением |
радиометр под управлением ЭВМ |
|
7 |
ошибка чтения "EEPROM5 |
алиометром команд
|
Посылка ЭВМ-УМФ |
Посылка УМФ-ЭВМ | |
|
?мстра |
<№><01hxKC> |
<№><01 h><BCxKC> |
|
<№x02hxKC> |
<№x02hxHItfXLOtf><bCxKC> | |
|
счета |
<№x03hxKC> |
<№><03hxHItXLOtxbCxKC> |
|
<№><04hxKC> |
<№x04hxIIIoXLOo><bCxKC> | |
|
<№><05hxKC> |
<№x05 hxHI i ><LO 1 хБСхКС> | |
|
<№><06hxKC> |
<№><06h><HItf><LOu><HItxLOt> <Hlo><LOoXlIIiXLO|><KC><KC> | |
|
<№><07hxPAGExADR> <KC> |
<№><07hxDATxBCxKC> | |
|
а |
<№x08hxHItfXLOtfxKC> |
<№><08hxECxKC> |
|
<№><07hxPAGExKC> |
<№><09hxDAToxDAT i> <DAT255XbCxKC> | |
|
>анк PAGE |
<№><OFhxPAGExADR> <DATxKC> |
<№><0FhxBC ><KC > |
|
и время) |
<№xOBhxKC> |
<№xOBhxBCxKC> |
|
<№xOChxKC> |
<№xOChxBCxKC> | |
|
<№xODhxKC> |
<№xODh><BCxKC> | |
|
<№><OEhxKC> |
<№xOEhxBCxKC> | |
ФВКМ.412121.001РЭ
25
1
где - число отсчетов, полученных в j-ом измерении фона;
1/ф - время i-ro измерения фона;
к - число измерений фона.
-
3) Провести измерения скорости счета для рабочих эталонов 40К, 239Pu, B7Cs и 90Sr(90Y). Измерения проводить с экспозицией, обеспечивающей накопление числа отсчетов не менее 1000 по двум каналам одновременно, не мснсс пяти раз.
Определить среднюю скорость счета п для каждого из образцов по формуле
*
»=^1---. (4.2)
S'.
(=1
где /V, - число отсчетов, полученных в i-ом измерении;
I, - время i-ro измерения;
к - число измерений данного образца.
Дальнейшее изменение состояния задатчика времени не приводит к переводу радиометра в ручной режим
Просроченным считается байт, задержанный относительно предыдущего на время более 10 ms
ВНИМАНИЕ!! Если при считывании очередного байта из EEPROM возникла ошибка, то суммарное время попыток (на каждый байт!!) составит приблизительно 100 мс, вследствие чего время между передачей байтов посылки можег быть непостоянным и находится в пределах от 0,1 мс до 100 мс. Общее время ответа может доез жать 2,5 с.
