Методика поверки «Преобразователи аналоговых сигналов измерительные универсальные ИДЦ1» (КУВФ. 421210.005МП)
ООО «Производственное Объединение ОВЕН»
СОГЛАСОВАНО
УТВЕРЖДАЮ Руководитель ГЦИ СИ ФГУП «ВНИИМС»
____________В. Н. Яншин
« » 2012 г.
Генеральный директор ООО «Производственное Объединение ОВЕН» ____________Д.В. Крашенинников « » 2012 г.
ИНСТРУКЦИЯ
ПРЕОБРАЗОВАТЕЛИ АНАЛОГОВЫХ СИГНАЛОВ ИЗМЕРИТЕЛЬНЫЕ УНИВЕРСАЛЬНЫЕ ИДЦ1
МЕТОДИКА ПОВЕРКИКУВФ. 421210.005МП
Москва 2012
СОДЕРЖАНИЕ-
5 Требования безопасности и требования к квалификации поверителей
-
-
8.5 Определение основной приведенной погрешности измерения входных
-
9 Оформление результатов поверки
КУВФ. 421210.005МП
Лист
2
Изм.
Лист
№ до кум.
Подпись
Дата
1 ОБЛАСТЬ ПРИМЕНЕНИЯ
Настоящая рекомендация распространяется на преобразователи аналоговых сигналов измерительные универсальные ИДЦ1 (далее - приборы) пр-ва ООО «Производственное Объединение ОВЕН», г. Москва и устанавливает методику их первичной и периодической поверок.
Межповерочный интервал - 2 года.
2 НОРМАТИВНЫЕ ССЫЛКИ
HP 50.2.006-94 Государственная система обеспечения единства измерений. Порядок проведения поверки средств измерений.
ПР 50.2.012-94 Государственная система обеспечения единства измерений. Порядок аттестации поверителей средств измерений.
ГОСТ 12.3.019-80 Система стандартов безопасности труда. Испытания и измерения электрические. Общие требования безопасности.
ГОСТ Р 52931-2008 Приборы контроля и регулирования технологических процессов. Общие технические условия.
ГОСТ 26.011-80 Средства измерений и автоматизации. Сигналы тока и напряжения электрические непрерывные входные и выходные.
При поверке должны производиться операции, указанные в таблице 1.
Таблица 1 - Операции поверки
Наименование операции |
Номер пункта методики поверки |
Проведение операции при | |
первичной поверке |
периодической поверке | ||
1. Внешний осмотр |
8.2 |
Да |
Да |
2. Проверка электрического сопротивления изоляции |
8.3 |
Да |
Нет |
3. Опробование и подтверждение соответствия программного обеспечения |
8.4 |
Да |
Да |
4. Определение основной приведенной погрешности |
8.5 |
Да |
Да |
-
4.1 Средства измерений, используемые в качестве мер входного сигнала поверяемого прибора, должны иметь технические характеристики, обеспечивающие поверку в диапазоне измерений поверяемого прибора.
-
4.2 Измерительная цепь (включая меры входного сигнала), при помощи которой
поверяют приборы, должна обеспечивать такую точность измерений, при которой верно неравенство: < ^Дя , гДе ^п~ предел допускаемого абсолютного значения основной
погрешности поверяемого прибора.
-
4.3 Для определения основных погрешностей прибора необходимо применять следующие средства поверки.
-
4.3.1 При измерении входных сигналов от датчиков с унифицированными сигналами постоянного тока:
-
- источник постоянного тока с диапазоном выходного сигнала от 0 до 20 мА, класс
КУВФ. 421210.005МП |
Лист | |||||
3 | ||||||
Изм. |
Лист |
№ до кум. |
Подпись |
Дата |
точности не хуже 0,01 (например, калибратор тока П 321, калибратор унифицированных сигналов ИКСУ 2000);
-
- сопротивление 100 Ом, класс точности не хуже 0,05 (например, магазин сопротивлений МСР-63 или катушка электрического сопротивления Р331)
или:
-
- вольтметр, класс точности не более 0,01/0,03 с диапазонами входных сигналов постоянного напряжения от 0 до 10 В (например, универсальные вольтметры В7-46, Щ31);
-
- сопротивление 100 Ом, класс точности не хуже 0,05 (например, магазин сопротивлений МСР-63 или катушка электрического сопротивления Р331);
-
- источник постоянного напряжения с максимальным выходным напряжением 10 В, обеспечивающим постоянство напряжения, при котором за время определения основной погрешности прибора на одной отметке изменение тока, выраженное в процентах не должна превышать х/ю уп , где где уп - предел допускаемого значения приведенной основной погрешности поверяемого прибора (например, источник питания постоянного тока Б5-44А, Б5-47, Б5-48, Б5-49).
-
4.3.2 При измерении входных сигналов от датчиков с унифицированными сигналами постоянного напряжения:
-
- источник регулируемого напряжения класс точности не хуже 0,01 (например, калибратор напряжения П 320; компаратор напряжений РЗООЗ; установки Bl-12, В1-13, В1-28);
-
4.4 Вспомогательные средства поверки:
-
- мегаомметр для измерения сопротивления изоляции с номинальным напряжением 100 В (например, М4100/1, ЭСО-202/1-Г).
-
- прибор для измерения относительной влажности и температуры воздуха: диапазон измерений влажности от 30 до 80 % с пределом абсолютной погрешности не хуже 6 %, диапазон измерений температуры от 15 до 25 °C с абсолютной погрешностью не более 0,2 °C (например, гигрометр психрометрический ВИТ-2).
-
- прибор для измерения атмосферного давления в диапазоне от 84 до 107 кПа (например, контрольный метеорологический барометр-анероид М-67).
-
4.5 Допускается применять другие средства поверки, в том числе автоматизированные, удовлетворяющие требованиям настоящей методики.
-
4.6 Средства поверки должны быть исправны и поверены в соответствии с ПР50.2.006.
-
5 ТРЕБОВАНИЯ БЕЗОПАСНОСТИ И ТРЕБОВАНИЯ К КВАЛИФИКАЦИИ ПОВЕРИТЕЛЕЙ
-
5.1 При проведении поверки необходимо соблюдать требования ГОСТ 12.3.019 - 92, «Правил технической эксплуатации электроустановок потребителей», «Правил техники безопасности при эксплуатации электроустановок потребителей».
-
5.2 Любые подключения приборов производить только при отключенном напряжении питания прибора.
-
5.3 К работе с приборами допускаются лица, изучившие Руководство по эксплуатации (РЭ) приборов, знающие принцип действия используемых средств измерений и прошедшие инструктаж по технике безопасности (первичный и на рабочем месте) в установленном в организации порядке.
-
5.4 К поверке допускаются лица, освоившие работу с приборами и используемыми эталонами, изучившими настоящую рекомендацию, аттестованных в соответствии с ПР 50.2.012 и имеющих достаточную квалификацию для выбора методики поверки и выбора соответствующих эталонов (пи. 4.3.1, 4.3.2 настоящей рекомендации).
КУВФ. 421210.005МП
Лист
4
Изм.
Лист
№ до кум.
Подпись
Дата
-
-
6.1 При проведении поверки соблюдают следующие условия:
-
- температура окружающего воздуха, °C 20 ± 5;
-
- относительная влажность окружающего воздуха, % 30 - 80;
-
- атмосферное давление, кПа 84,0 - 106,7;
-
- напряжение питания, В 220+}°;
-
- частота питающей сети, Гц 50 ± 1.
-
6.2 Средства поверки и поверяемые приборы должны быть защищены от вибраций и ударов.
-
7.1 Подготовить к работе поверяемый прибор в соответствии с указаниями, изложенными в РЭ прибора.
Приборы включают на предварительный прогрев не менее чем за 5 мин до начала поверки.
-
7.2 Подготовить к работе средства поверки в соответствии с распространяющимися на них эксплуатационными документами.
-
7.3 Управление работой прибора при поверке, задание его программируемых параметров должны производиться в соответствии с указаниями РЭ на прибор.
-
8 ПРОВЕДЕНИЕ ПОВЕРКИ
-
8.1 Метрологические характеристики, подлежащие определению
-
Диапазон измерений приборов при работе с соответствующими первичными преобразователями, пределы допускаемых основных приведенных погрешностей измерений и значение единицы младшего разряда приведены в таблице 2:
Таблица 2
Сигнал датчика |
Диапазон преобразования |
Значение единицы младшего разряда |
Пределы допускаемой основной приведенной погрешности, % |
Постоянное напряжение (0.1) В |
- 9999.9999 |
0,001; 0,01; 0,1;1,0 |
±0,25 |
Постоянное напряжение (0.10) В |
- 9999.9999 |
0,001; 0,01; 0,1; 1,0 | |
Постоянный ток (0.5) мА |
- 9999.9999 |
0,001; 0,01; 0,1; 1,0 | |
Постоянный ток (0.20) мА |
- 9999.9999 |
0,001; 0,01; 0,1; 1,0 | |
Постоянный ток (4.20) мА |
- 9999.9999 |
0,001; 0,01; 0,1; 1,0 | |
Примечание - При индицируемых значениях от минус 9,999 до 9,999 значение единицы младшего разряда равно 0,001, при значениях от минус 9,999 до минус 99,99 значение единицы младшего разряда равно 0,01, при значениях от минус 99,99 до минус 999,9 и от 99,99 до 999,9 значение единицы младшего разряда равно 0,1, при значениях ниже минус 999,9 и выше 999,9 значение единицы младшего разряда равно 1 |
КУВФ. 421210.005МП |
Лист | |||||
5 | ||||||
Изм. |
Лист |
№ до кум. |
Подпись |
Дата |
Таблица 3 - Характеристики программного обеспечения (ПО)
Наименование ПО |
Номер версии (идентификационный номер) ПО (не ниже) |
Встроенное |
1.05 |
Все действия с прибором (программирование и т.д.), а также подключение первичных преобразователей должны производиться в соответствии с Руководством по эксплуатации.
-
8.2 Внешний осмотр
-
8.2.1 При проведении внешнего осмотра должно быть проверено соответствие прибора следующим требованиям:
-
-
- прибор должен быть представлен на поверку с эксплуатационной документацией, входящей в комплект поставки прибора (паспорт и РЭ).
-
- прибор должен быть чистым и не иметь механических повреждений на корпусе и лицевой панели;
-
- прибор не должен иметь механических повреждений входных и выходных клеммных соединителей;
-
- на приборе должна быть маркировка, соответствующая РЭ.
При обнаружении механических дефектов, а также несоответствия маркировки эксплуатационной документации определяется возможность проведения поверки и дальнейшего использования прибора.
-
8.3 Проверка электрического сопротивления изоляции
-
8.3.1 Определение электрического сопротивления изоляции токоведущих цепей поверяемого прибора относительно его корпуса производить между контактами для подсоединения питающего напряжения и корпусом по методике, изложенной в ГОСТ Р 52931, в климатических условиях, приведенных в п. 6.1 настоящей МП.
-
Прибор перед испытанием покрывают сплошной, плотно прилегающей к поверхности металлической фольгой таким образом, чтобы расстояние ее от зажимов испытуемой цепи было не менее 20 мм.
-
8.3.2 Прибор считают выдержавшим испытание, если измеренное сопротивление изоляции не менее 20 МОм.
При невыполнении этих требований или неверном функционировании поверка прекращается, прибор бракуется и направляется в ремонт.
-
8.4 Опробование
-
8.4.1 Приборы устанавливают в нормальное рабочее положение.
-
8.4.2 Перед проведением поверки выполнить следующие действия:
-
-
- включить питание прибора;
ПРОГ.
-
- прибор перевести в режим «Программирование» удерживая кнопку
течение времени не менее 2 секунд. Признаком того, что прибор перешел в режим «ПРОГРАММИРОВАНИЕ», является появление на индикаторе прибора надписи «PArL».
После этого, воспользовавшись кнопками

и

, ввести пароль «11» для изменения
настроек прибора, и нажать кнопку

На индикаторе отобразится имя параметра «Тип
входного сигнала» - А1-0.
Изм. |
Лист |
№ до кум. |
Подпись |
Дата |
помощью кнопок


должен соответствовать данным в таблице 4.
поочередно установливать тип сигнала, который
Таблица 4
Индикация на приборе |
Тип входного сигнала |
0-10 |
от 0 до 10 В |
0-1 |
от 0 до 1 В |
0-5 |
от 0 до 5 мА |
0-20 |
от 0 до 20 мА |
4-20 |
от 4 до 20 мА |
ПРОГ
Выход из режима редактирования выбранного параметра осуществляется кнопкой В режиме редактирования параметра выбор необходимого значения осуществляется кнопками
. После установки требуемого значения параметра оно сохраняется в
памяти прибора нажатием кнопки
ПРОГ.
I, после чего происходит переход в меню
параметров.
-
8.4.3 Определение идентификационного наименования программного обеспечения.
-
8.4.3.1 Версия прошивки ПО прибора ИДЦ1 не оснащенного интерфейсом связи RS-485 указана на наклейке, которая приклеена на задней панели прибора.
-
8.4.3.2 Для того чтобы проверить версию прошивки ПО прибора ИДЦ1 с интерфейсом связи RS-485, необходимо подключить прибор к компьютеру и запустить конфигуратор.
-
Сведения об идентификационном наименовании встроенной части программного обеспечения представлены в окне конфигуратора (см. рис. 1).

' |Ци<фи1 оратор ИДЦ1 - Имя не задан'
Общие параметры прибора
Описание
- Juj Конфигурация ИДЦ1(Имя не задано)
S .j Параметры прибора fit)
: : ■> Имя прибора
-
■ Версия прошивки
: ! > Код последней ошибки
-
■ Код выхода
(+■ ' j Входы
: Q Сетевые параметры
Г+; .. i Опрос ВХОДОВ
Файл Прибор Дерево Режимы программы Справка
J Ш *т =й= £ Ф
* Параметр
Значение
Версия прошивки
dev
ver
п. Err
exit
ИДЦ1
аппаратн. сброс
Рисунок 1
Результат подтверждения соответствия программного обеспечения считается положительным, если полученные идентификационные данные программного обеспечения (идентификационное наименование программного обеспечения, номер версии (идентификационный номер) программного обеспечения) соответствуют идентификационным данным, указанным в разделе «Метрологические и технические характеристики» описания типа средства измерений.
Изм. |
Лист |
№ до кум. |
Подпись |
Дата |
При невыполнении этих требований или неверном функционировании поверка прекращается, прибор бракуется и направляется в ремонт.
-
8.5 Определение основной приведенной погрешности измерения входных сигналов
Номинальные статические характеристики преобразования (НСХ) источников унифицированных сигналов соответствуют ГОСТ 26.011.
При первичной поверке приборов значения основной приведенной погрешности определяют для следующих типов входных сигналов:
-
- любой унифицированный сигнал постоянного тока;
-
- унифицированный сигнал постоянного напряжения.
Поверка производится в точках 0, 50 и 100 % диапазона измерений.
При периодической поверке основную приведенную погрешность определяют в точках, соответствующих 0, 25, 50, 75, 100 % диапазона измерений.
В случае, когда прибор работает только с заданным пользователем типом первичного преобразователя, допускается определять погрешность прибора в указанных контрольных точках при работе только с заданным входным сигналом, при этом в свидетельстве о поверке указываются тип входного сигнала.
-
8.5.1 Определение основной приведенной погрешности прибора при работе с унифицированным сигналом постоянного тока.
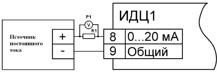
Собрать схему по рисунку 2.

Источник
тока

Источник
постоянного
9 Общий
ТОКИ
б)
Рисунок 2
а) при использовании в качестве эталона калибратора постоянного тока.
б) при использовании в качестве эталона источника питания и универсального
вольтметра.
R1 - сопротивление 100 Ом (магазин сопротивлений или катушка электрического сопротивления Р331);
Р1 - вольтметр универсальный цифровой.
КУВФ. 421210.005МП |
Лист | |||||
8 | ||||||
Изм. |
Лист |
№ до кум. |
Подпись |
Дата |
Подготовить прибор для работы с входными сигналами постоянного тока.
Задать нижний предел показаний равным нижней границе диапазона измеряемого сигнала (0 мА или 4 мА в зависимости от типа входного сигнала) и задать верхний предел показаний равным верхней границе диапазона измеряемого сигнала (5 мА или 20 мА в зависимости от типа входного сигнала).
При определении погрешности по схеме на рисунке 2 а) ко входу поверяемого прибора подключить калибратор тока.
Последовательно устанавливая на выходе калибратора значения постоянного тока, соответствующие значениям входного сигнала в контрольных точках, зафиксировать установившиеся значения для каждой из этих точек.
При определении погрешности по схеме на рисунке 2 б) на источнике постоянного напряжения увеличивают напряжение до достижения на поверяемом приборе значений входного сигнала равных значениям входного сигнала в контрольных точках.
Входной ток определяют измерением падения напряжения на сопротивлении R1 при помощи цифрового вольтметра и рассчитывают по формуле 1:
_ U
, (1)
где I - значение входного тока, мА;
U - напряжение по показаниям цифрового вольтметра, мВ;
R - сопротивление меры электрического сопротивления R1, Ом.
Рассчитать основную приведенную погрешность по формуле 2.

(2)
где ух - значение основной приведенной погрешности прибора, %;
АИзм - значение измеряемой прибором величины в заданной контрольной точке (мА, В);
Ансх - значение измеряемой прибором величины в заданной контрольной точке (мА, В);
АНОрм - нормирующее значение, равное разности между верхней и нижней границей диапазона измерения (контрольные точки 100 % и 0 %) (мА, В).
Прибор признается годным, если наибольшее из рассчитанных значений основной приведенной погрешности не превышает уп •
При невыполнении этих требований, прибор бракуется и направляется в ремонт.
-
8.5.2 Определение основной приведенной погрешности контроллера при работе с унифицированным сигналом постоянного напряжения.
Собрать схему по рисунку 3.
Изм. |
Лист |
№ до кум. |
Подпись |
Дата |
Источник напряжения постоянного тока |
+ |
- | |
ИДЦ1
7 |
0...10 В |
9 |
Общий |

Рисунок 3
Задать нижний предел показаний равным нижней границе диапазона измеряемого сигнала (0 В) и задать верхний предел показаний равным верхней границе диапазона измеряемого сигнала (1 В или 10 В в зависимости от типа входного сигнала).
Последовательно устанавливая на выходе источника постоянного напряжения напряжения, соответствующие значениям входного сигнала в контрольных точках, зафиксировать установившиеся значения для каждой из этих точек;
Рассчитать основную приведенную погрешность по формуле 2.
Прибор признается годным, если наибольшее из рассчитанных значений основной приведенной погрешности не превышает Yn .
При невыполнении этих требований, прибор бракуется и направляется в ремонт.
КУВФ. 421210.005МП |
Лист | |||||
10 | ||||||
Изм. |
Лист |
№ до кум. |
Подпись |
Дата |
-
9.1 Результаты поверки оформляются протоколом по форме, установленной метрологической службой, проводящей поверку.
-
9.2 Положительные результаты первичной поверки оформляются записью в паспорте с нанесением оттиска поверительного клейма.
-
9.3 При положительном результате периодической поверки выдается свидетельство о поверке в соответствии с ПР 50.2.006.
-
9.4 При отрицательных результатах поверки прибор к эксплуатации не допускается, свидетельство о предыдущей поверке аннулируется и выдается извещение о непригодности
КУВФ. 421210.005МП
Лист
11
Изм.
Лист
№ до кум.
Подпись
Дата