Методика поверки «КОНТРОЛЛЕР МИР КТ-51М» (M07.111.00.000 МП)
ОКП 42 3200

КОНТРОЛЛЕР МИР КТ-51М
Методика поверки
М07.111.00.000 МП
Содержание
Приложение А. Перечень условных обозначений и сокращений
Приложение В. Методика установки ПО
Методика поверки (в дальнейшем - методика) устанавливает порядок проведения поверки контроллера МИР КТ-51М М07.111.00.000 (в дальнейшем - изделие) и устанавливает объем, условия и методику первичной, периодической и внеочередной поверок.
Изделие представляет собой набор интеллектуальных модулей (в дальнейшем - модули), объединенных промышленной шиной интерфейса CAN.
При выпуске изделия на заводе-изготовителе и после ремонта проводят первичную поверку изделия.
Первичной поверке подлежит каждое изделие.
Изделие, находящееся в эксплуатации, подлежит периодической поверке по истечении межповерочного интервала (6 лет).
Внеочередную поверку при эксплуатации изделия проводят в случае:
-
- повреждения знака поверительного клейма (пломбы);
-
- утраты формуляра изделия;
-
- ввода изделия в эксплуатацию после длительного хранения (более половины межповерочного интервала);
-
- известного или предполагаемого ударного воздействия на изделие или неудовлетворительной работы изделия;
-
- продажи (отправки) потребителю изделия, не реализованного по истечении срока, равного половине межповерочного интервала.
К поверке изделия следует допускать лиц, аттестованных в качестве поверителей в соответствии с ПР 50.2.012-94.
Перечень условных обозначений и сокращений приведен в приложении А.
Схемы проверки измерительных каналов приведены в приложении Б.
Методика установки ПО приведена в приложении В.
-
1 Операции поверки
-
1.1 Операции, выполняемые при поверке изделия, и порядок их выполнения приведены в таблице 1.1.
-
Таблица 1.1
Наименование операции |
Номер пункта методики |
Обязательность выполнения операции | |
Первичная поверка |
Периодическая поверка | ||
1 Внешний осмотр |
6.1 |
+ |
+ |
2 Определение электрической прочности изоляции |
6.2 |
+ |
После ремонта изделия |
3 Определение электрического сопротивления изоляции |
6.3 |
+ |
+ |
4 Определение допускаемой основной абсолютной погрешности суточного хода часов изделия с модулем МП-02 |
6.4 |
+ |
+ |
5 Определение допускаемой основной абсолютной погрешности суточного хода часов изделия с модулем МП-04 |
6.5 |
+ |
+ |
6 Определение входного сопротивления и допускаемой основной приведенной погрешности каналов ТИТ |
6.6, 6.7 |
+ |
+ |
7 Определение допускаемой абсолютной погрешности счета импульсов каналов ТС/ТИИ |
6.8, 6.9 |
+ |
+ |
Примечания
1 Знак «+» означает обязательность выполнения поверки.
-
2 Определение допускаемой основной приведенной погрешности каналов ТИТ можно проводить по методике 6.5 или с помощью комплекса поверочного автоматизированного МИР АПК-01 М05.024.00.000 (в дальнейшем - АПК) по методике 6.6.
-
3 Определение допускаемой абсолютной погрешности счета импульсов каналов
ТС/ТИИ можно проводить по методике 6.7 или с помощью АПК по методике 6.8.
-
1.2 При получении отрицательного результата в процессе выполнения любой из операций поверки изделие бракуют и его поверку прекращают.
-
1.3 После устранения недостатков, вызвавших отрицательный результат, изделие вновь представляют на поверку.
2 Организация рабочего места поверки
-
2.1 При проведении поверки рекомендуется использовать персональный IBM PC-совместимый компьютер (в дальнейшем - компьютер), на котором должно быть установлено следующее ПО:
-
- операционная система Windows XP Professional;
-
- программа «Программный комплекс ЦЕНТР СИНХРОНИЗАЦИИ ВРЕМЕНИ» М06.00158-01 (в дальнейшем - программа ЦЕНТР СИНХРОНИЗАЦИИ ВРЕМЕНИ), поставляется на диске;
-
- программа «Программа СЕРВЕР ОМЬ. Сервер контроллеров телемеханики» М03.00051-03 (в дальнейшем - программа СЕРВЕР ОМЬ) и программа «Графический редактор МИР» М05.00118 (в дальнейшем - программа редактор МИР), которые входят в состав программы «ПРОГРАММНЫЙ КОМПЛЕКС АРМ ПРОВЕРКИ МИР КТ-51» М07.00182-01 (в дальнейшем - программа проверки), поставляется на диске и устанавливаются по методике, приведенной в приложении В;
-
- программа «Программа автоматизированной поверки контроллера»
М05.00092-02 (в дальнейшем - программа «АПК»).
2.2 Средства поверки, используемые при поверке изделия, приведены в таблице 2.1. Таблица 2.1
Средство поверки |
Основные технические характеристики средства поверки |
1 Установка для проверки электрической безопасности GPI-735A |
Выходная мощность - 200 В^А, испытательное напряжение переменного тока от 0 до 5 кВ, испытательное напряжение постоянного тока от 0 до 6 кВ, относительная погрешность установки напряжения ± 1 %; диапазон измеряемого сопротивления от 1 до 1990 МОм, пределы погрешности измерения сопротивления ± 5 % |
2 Мультиметр цифровой М830 |
Диапазон измерения напряжения постоянного тока -от 0 до 20 В, пределы основной погрешности измерения напряжения постоянного тока - ± (0,5-10-2-U + 2-10-2) В, где U- значение измеряемого напряжения. |
3 Калибратор тока MIC-10 |
Выходной ток от 0 до 22 мА, основная погрешность в режиме воспроизведения силы постоянного тока в диапазоне от минус 2 до плюс 22 мА составляет не более ± (0,015 % от показаний + 0,002 ) мА |
4 Комплекс поверочный автоматизированный МИР АПК-01 М05.024.00.000 |
Частота следования импульсов ТИИ 50 Гц. Скважность следования импульсов (2,00 ± 0,25). Максимальное задаваемое количество импульсов - 100000. Пределы основной абсолютной погрешности воспроизведения унифицированных сигналов постоянного тока составляют ± 4 мкА. Отклонение количества заданных импульсов от количества выходных импульсов равно нулю |
Продолжение таблицы 2.1
Средство поверки |
Основные технические характеристики средства поверки |
5 Частотомер электронносчетный CNT-66 |
Частотный диапазон от 0,1 Гц до 1,3 ГГц; три канала измерения; режим счета импульсов. Чувствительность - 10 мВ. Стабильность опорного генератора - 5 • 10-6 |
6 Частотомер электронносчетный CNT-90 |
Частотный диапазон от 0,001 Гц до 14 ГГц. Чувствительность - 10 мВ. Стабильность опорного генератора - 1,7-10-8 |
7 Генератор импульсов Г5-82 |
Амплитуда импульсов (U) от 6 мВ до 60 В, погрешность установки амплитуды импульсов -± (0,1 • ^ + 0,1) В; период повторения одинарных импульсов (Т) - (1 - 9)-10-7 мкс, погрешность установки периода - ± 0,003 -Т; длительность импульсов (t) от 0,1 -106 до 5-106 мкс, погрешность установки длительности импульсов - ± (0,03 • t + 0,04) мкс |
8 Источник питания постоянного тока Б5-71/1 м |
Выходное напряжение от 0 до 30 В. Выходной ток от 0 до 10 А |
9 ПК |
IBM РС-совместимый. Быстродействие процесс-сора - не менее 2 ГГц; объем ОЗУ - не менее 1 Гбайт; объем НЖМД - не менее 40 Гбайт; два СОМ-порта |
10 Тумблер МТД-1 ОЮ0.360.016 ТУ |
- |
11 Резистор С2-33Н-0,125-1 кОм ± 5 % ОЖ0.467.173 ТУ |
- |
12 Розетка B2L 3.5/8 |
- |
13 Розетка BL 3.5/5 |
- |
14 Розетка BL 3.5/4 |
- |
15 Розетка BL 3.5/3 |
- |
16 Кабель «СОМ-СОМ» М97.033.02.000 |
- |
17 Щуп осциллографический НР-2060 |
- |
18 Жгут программатора М07.069.00.000 |
- |
19 Оптрон PVT322 |
- |
Примечания
|
3 Требования безопасности
-
3.1 Помещение для проведения поверки должно соответствовать правилам техники безопасности и производственной санитарии.
-
3.2 При проведении поверки следует соблюдать правила техники безопасности при эксплуатации электроустановок потребителей и требования безопасности, определенные в эксплуатационных документах на установку для проверки электрической безопасности.
-
3.3 К работе на установке для проверки электрической безопасности следует допускать лиц, прошедших инструктаж по технике безопасности и имеющих удостоверение о проверке знаний, если иное не установлено в эксплуатационных документах на установку для проверки электрической безопасности.
-
4 Условия проведения поверки
-
4.1 При проведении поверки должны соблюдаться нормальные условия по ГОСТ 23222-88:
-
- температура окружающего воздуха плюс (23 ± 5) ° С;
- относительная влажность окружающего воздуха от 30 до 80 %;
- атмосферное давление от 86,0 до 106,0 кПа ( от 650 до 795 мм рт . ст.);
- напряжение питающей сети (220 ± 22) В ;
- частота переменного тока (50,0 ± 0,5) Гц.
-
4.2 До проведения поверки изделие должно быть выдержано в нормальных условиях не менее 4 ч.
-
4.3 Все средства поверки должны иметь действующие документы об их поверке или аттестации. Выходные параметры установок или другого оборудования, используемого в качестве источников сигналов, должны контролироваться средствами поверки.
-
4.4 Работы с поверяемым изделием и средствами поверки должны проводиться в соответствии с эксплутационной документацией.
-
5 Подготовка к поверке
-
5.1 Подготовка оборудования
-
5.1.1 До проведения поверки изучить следующие документы:
-
-
-
- «Программа СЕРВЕР ОМЬ. Сервер контроллеров телемеханики. Описание применения» М03.00051-03 31 01;
-
- «Программный комплекс ЦЕНТР СИНХРОНИЗАЦИИ ВРЕМЕНИ. Описание применения» М06.00158-01 31 01;
-
- «Графический редактор МИР. Описание применения» М05.00118-01 31 01;
-
- «Программа автоматизированной поверки контроллера. Описание применения» М05.00092-01 31 01.
-
5.2 Подготовка изделия к поверке
-
5.2.1 Перед проведением поверки необходимо создать конфигурационную базу поверяемого изделия и подготовить изделие следующим образом:
-
-
- нажать на экране ПК кнопку Пуск, в открывшемся меню выбрать: Програм-мы/Мир/Графическая среда МИР;
-
- в появившемся окне МИР 1.0 в меню Файл выбрать пункт Открыть проект, и в появившемся окне указать путь, где находится файл с конфигурацией изделия (по умолчанию C:\Program Files\Mir\KT_51_Tex\проект);
-
- в меню Проект выбрать пункт Запуск, в появившемся окне нажать на изображение глобуса;
-
- нажать на вкладке Главная схема на пиктограмму Регистрация и в открывшемся окне Авторизация ввести в поле Сервер авторизации - localhost, в поле Пользователь -Администратор, в поле Пароль - 123;
-
- нажать на вкладке Главная схема на пиктограмму МП-02, откроется вкладка КП 02 с изображением модулей в соответствии с составом изделия по умолчанию;
-
- запустить программу СЕРВЕР ОМЬ;
-
- в главном окне программы СЕРВЕР ОМЬ выбрать строку Остановка драйверов;
-
- создать конфигурационную базу, соответствующую составу поверяемого изделия, путем импорта подобъектов из объекта Канал_40 в объект Канал_2 (процесс импорта подобъектов приведен в документе М03.00051-03 31 01);
-
- нажать на вкладке КП 02 на пиктограмму Закрыть, затем нажать на вкладке Главная схема на пиктограмму МП-02, откроется вкладка КП 02 с изображением модулей в соответствии с составом поверяемого изделия;
-
- в дереве объектов программы СЕРВЕР ОМЬ выбрать объект Канал_2, в правой части главного окна программы СЕРВЕР ОМЬ установить:
Скорость_канала 9600 бит/с
Скорость_СОМ 9600 бит/с
RS485 Да
-
- в главном окне программы СЕРВЕР ОМЬ выбрать строку Запуск драйверов;
-
- в модулях изделия установить адреса, соответствующие адресам в конфигурационной базе программы СЕРВЕР ОМЬ.
-
5.2.2 До проведения поверки должна быть запущена программа редактор МИР следующим образом:
- нажать на экране ПК кнопку Пуск, в открывшемся меню выбрать: Програм-мы/Мир/Графическая среда МИР;
- в появившемся окне МИР 1.0 в меню Файл выбрать пункт Открыть проект, и в появившемся окне указать путь, где находится файл с конфигурацией изделия;
- в меню Проект выбрать пункт Запуск, в появившемся окне нажать на изображение глобуса;
- нажать на вкладке Главная схема на пиктограмму КТ-51 (МП-02), откроется вкладка КП 02 с изображением модулей в соответствии с составом изделия.
-
6 Проведение поверки
-
6.1 Внешний осмотр
-
6.1.1 При проведении внешнего осмотра изделия должно быть установлено соответствие следующим требованиям:
-
-
- наличие клейма и чёткой маркировки;
- отсутствие механических повреждений.
-
6.1.2 Изделие считается выдержавшим проверку, если при осмотре не обнаружено механических повреждений и имеется клеймо и четкая маркировка.
-
6.2 Определение электрической прочности изоляции
-
6.2.1 Определение электрической прочности изоляции проводить по методике ГОСТ Р 52319-2005.
-
6.2.2 Отключить изделие от источника питания постоянного тока.
-
6.2.3 Покрыть корпуса модулей изделия сплошной, прилегающей к поверхности корпуса металлической фольгой таким образом, чтобы расстояние от фольги до металлической панели модулей было не менее 1 см.
-
6.2.4 Определение электрической прочности изоляции проводить между цепями, приведенными в таблицах 6.1 - 6.7, с помощью комплексной установки для проверки параметров ЭБ GPI-735 А (в дальнейшем - установка GPI-735 А) мощностью не менее 200 В^А с погрешностью измерения испытательного напряжения не более ± 1 % (при испытаниях напряжением переменного тока установить на установке GPI-735 А ограничение по току 20 мА).
-
6.2.5 Повышать испытательное напряжение в течении (5 - 10) с от 0 или значения, не превышающего рабочее напряжение, до испытательного плавно или равномерно ступенями, не превышающими 10 % от значения испытательного напряжения. Значения испытательного напряжения промышленной частоты в соответствии с требованиями ГОСТ Р 52319-2005 для модуля МП-02 М06.091.00.000 приведены в таблице 6.1, для модуля УСО-01 М03.039.00.000 приведены в таблице 6.2, для модуля ТС-01 М04.028.00.000 приведены в таблице 6.3, для модуля ТИТ-01 М05.014.00.000 приведены в таблице 6.4, для модуля ТУ-01 М04.057.00.000 приведены в таблице 6.5, для блоков коммутации БК-02 М07.043.00.000 и БК-06 М09.044.00.000 приведены в таблице 6.6, для модуля МП-04 М09.004.00.000 приведены в таблице 6.7.
-
6.2.6 Выдержать изоляцию под действием испытательного напряжения в течение 1 мин. Затем напряжение снизить до 0 или значения, не превышающего номинальное, после чего установку GPI-735 А отключить.
-
6.2.7 Изделие считается выдержавшим проверку, если не произошло пробоя (ток утечки не превысил установленного значения 20 мА) или перекрытия изоляции.
-
Таблица 6.1
Точки приложения испытательного напряжения |
Значение испытательного напряжения, В | |
Точка 1 |
Точка 2 | |
Соединенные вместе контакты соединителей «PWR», «CAN1», «CAN2», «RS485-1», «RS485-2», «ТС», «ТУ» |
Земля * |
500 |
Соединенные вместе контакты соединителей «CAN1», «CAN2», «RS485-1», «RS485-2», «ТС», «ТУ» |
Соединенные вместе контакты соединителя «PWR» |
500 |
Соединенные вместе контакты соединителей «CAN2», «RS485-1», «RS485-2», «ТС», «ТУ» |
Соединенные вместе контакты соединителя «CAN1» |
500 |
Соединенные вместе контакты соединителей «RS485-1», «RS485-2», «ТС», «ТУ» |
Соединенные вместе контакты соединителя «CAN2» |
500 |
Соединенные вместе контакты соединителей «RS485-2», «ТС», «ТУ» |
Соединенные вместе контакты соединителя «RS485-1» |
500 |
Соединенные вместе контакты соединителей «ТС», «ТУ» |
Соединенные вместе контакты соединителя «RS485-2» |
500 |
Соединенные вместе контакты соединителя «ТУ» |
Соединенные вместе контакты соединителя «ТС» |
500 |
* Земля (контрольная земля при испытании) - это металлическая фольга, плотно прилегающая к корпусу модуля МП-02, расстояние от фольги до металлической панели модуля МП-02 должно быть не менее 1 см. |
Таблица 6.2
Точки приложения испытательного напряжения |
Значение испытательного напряжения, В | |
Точка 1 |
Точка 2 | |
Соединенные вместе контакты соединителей «PWR», «CAN-1», «RS485-1», «ТС», «ТУ», «ТИТ» |
Земля * |
500 |
Соединенные вместе контакты соединителей «CAN-1», «RS485-1», «ТС», «ТУ», «ТИТ» |
Соединенные вместе контакты соединителя «PWR» |
500 |
Продолжение таблицы 6.2
Точки приложения испытательного напряжения |
Значение испытательного напряжения, В | |
Точка 1 |
Точка 2 | |
Соединенные вместе контакты соединителей «RS485-1», «ТС», «ТУ», «ТИТ» |
Соединенные вместе контакты соединителя «CAN-1» |
500 |
Соединенные вместе контакты соединителей «ТС», «ТУ», «ТИТ» |
Соединенные вместе контакты соединителя «RS485-1» |
500 |
Соединенные вместе контакты соединителей «ТУ», «ТИТ» |
Соединенные вместе контакты соединителя «ТС» |
500 |
Соединенные вместе контакты соединителя «ТИТ» |
Соединенные вместе контакты соединителя «ТУ» |
500 |
* Земля (контрольная земля при испытании) - это металлическая фольга, плотно прилегающая к корпусу модуля УСО-01, расстояние от фольги до металлической панели модуля УСО-01 должно быть не менее 1 см. |
Таблица 6.3
Точки приложения испытательного напряжения |
Значение испытательного напряжения, В | |
Точка 1 |
Точка 2 | |
Соединенные вместе контакты соединителей «PWR», «CAN-1», «RS485-1», «ТС» |
Земля * |
500 |
Соединенные вместе контакты соединителей «CAN-1», «RS485-1, «ТС» |
Соединенные вместе контакты соединителя «PWR» |
500 |
Соединенные вместе контакты соединителей «RS485-1», «ТС» |
Соединенные вместе контакты соединителя «CAN-1» |
500 |
Соединенные вместе контакты соединителя «ТС» |
Соединенные вместе контакты соединителя «RS485-1» |
500 |
* Земля (контрольная земля при испытании) - это металлическая фольга, плотно прилегающая к корпусу модуля ТС-01, расстояние от фольги до металлической панели модуля ТС-01 должно быть не менее 1 см. |
Таблица 6.4
Точки приложения испытательного напряжения |
Значение испытательного напряжения, В | |
Точка 1 |
Точка 2 | |
Соединенные вместе контакты соединителей «PWR», «CAN-1», «RS485-1», «ТИТ» |
Земля * |
500 |
Соединенные вместе контакты соединителей «CAN-1», «RS485-1», «ТИТ» |
Соединенные вместе контакты соединителя «PWR» |
500 |
Соединенные вместе контакты соединителей «RS485-1», «ТИТ» |
Соединенные вместе контакты соединителя «CAN-1» |
500 |
Соединенные вместе контакты соединителя «ТИТ» |
Соединенные вместе контакты соединителя «RS485-1» |
500 |
* Земля (контрольная земля при испытании) - это металлическая фольга, плотно прилегающая к корпусу модуля ТИТ-01, расстояние от фольги до металлической панели модуля ТИТ-01 должно быть не менее 1 см. |
Таблица 6.5
Точки приложения испытательного напряжения |
Значение испытательного напряжения, В | |
Точка 1 |
Точка 2 | |
Соединенные вместе контакты соединителей «PWR», «CAN-1», «ТС», «ТУ» |
Земля * |
500 |
Соединенные вместе контакты соединителей «CAN-1», «ТС», «ТУ» |
Соединенные вместе контакты соединителя «PWR» |
500 |
Соединенные вместе контакты соединителей «ТС», «ТУ» |
Соединенные вместе контакты соединителя «CAN-1» |
500 |
Соединенные вместе контакты соединителя «ТУ» |
Соединенные вместе контакты соединителя «ТС» |
500 |
* Земля (контрольная земля при испытании) - это металлическая фольга, плотно прилегающая к корпусу модуля ТУ-01, расстояние от фольги до металлической панели модуля ТУ-01 должно быть не менее 1 см. |
Таблица 6.6
Блок коммутации |
Точки приложения испытательного напряжения |
Значение испытательного напряжения, В | |
Точка 1 |
Точка 2 | ||
БК-02 |
Соединенные вместе контакты соединителей "Питание", "ТУ 1-4", "TC 1-6" |
Соединенные вместе контакты соединителей "Канал 1", "Канал 2" |
2200 |
Соединенные вместе контакты соединителя "Канал 1" |
Соединенные вместе контакты соединителя "Канал 2" | ||
БК-06 |
Соединенные вместе контакты соединителей "Питание", "ТУ 1-4", "ТУ 5-8", "ТУ 9-12", "TC 1-6", "TC 712", "TC 13-18" |
Соединенные вместе контакты соединителей "Канал 1", "Канал 2", "Канал 3", "Канал 4", "Канал 5", "Канал 6" |
2200 |
Соединенные вместе контакты соединителя "Канал 1" |
Соединенные вместе контакты соединителей "Канал 2", "Канал 3", "Канал 4", "Канал 5", "Канал 6" | ||
Соединенные вместе контакты соединителя "Канал 2" |
Соединенные вместе контакты соединителей "Канал 3", "Канал 4", "Канал 5", "Канал 6" | ||
Соединенные вместе контакты соединителя "Канал 3" |
Соединенные вместе контакты соединителей "Канал 4", "Канал 5", "Канал 6" | ||
Соединенные вместе контакты соединителя "Канал 4" |
Соединенные вместе контакты соединителей "Канал 5", "Канал 6" | ||
Соединенные вместе контакты соединителя "Канал 5" |
Соединенные вместе контакты соединителя "Канал 6" |
Таблица 6.7
Точки приложения испытательного напряжения |
Значение испытательного напряжения, В | |
Точка 1 |
Точка 2 | |
Соединенные вместе контакты соединителей "CAN-1", "CAN-2", "RS485-1", "RS485-2", "RS485-3", "RS485-4", "RS485-5", "RS485-6", "ТС" |
Земля* |
500 |
Соединенные вместе контакты соединителей "CAN-2", "RS485-1", "RS485-2", "RS485-3", "RS485-4", "RS485-5", "RS485-6", "ТС" |
Соединенные вместе контакты соединителей "CAN-1" |
500 |
Соединенные вместе контакты соединителей "RS485-1", "RS485-2", "RS485-3", "RS485-4", "RS485-5", "RS485-6", "ТС" |
Соединенные вместе контакты соединителей "CAN-2" | |
Соединенные вместе контакты соединителей "RS485-2", "RS485-3", "RS485-4", "RS485-5", "RS485-6", "ТС" |
Соединенные вместе контакты соединителей "RS485-1" | |
Соединенные вместе контакты соединителей "RS485-3", "RS485-4", "RS485-5", "RS485-6", "ТС" |
Соединенные вместе контакты соединителей "RS485-2" | |
Соединенные вместе контакты соединителей "RS485-4", "RS485-5", "RS485-6", "ТС" |
Соединенные вместе контакты соединителей "RS485-3" | |
Соединенные вместе контакты соединителей "RS485-5", "RS485-6", "ТС" |
Соединенные вместе контакты соединителей "RS485-4" | |
Соединенные вместе контакты со единителей "RS485-6", "ТС" |
Соединенные вместе контакты соединителей "RS485-5" | |
Соединенные вместе контакты соединителей "ТС" |
Соединенные вместе контакты соединителей "RS485-6" | |
*Земля (контрольная земля при испытании) - клемма заземления XT1 на передней панели модуля МП-04. |
-
6.3 Определение электрического сопротивления изоляции
-
6.3.1 Определение электрического сопротивления изоляции проводить по ГОСТ Р 12997-84 с помощью установки GPI-735 А, погрешность измерения сопротивления которой составляет не более 5 %.
-
6.3.2 Отключить изделие от источника питания постоянного тока.
-
6.3.3 Приложить испытательное напряжение 100 В между цепями, приведенными в таблицах 6.1 - 6.7.
-
6.3.4 Определить сопротивление изоляции по показаниям установки GPI-735 А.
-
6.3.5 Изделие считается выдержавшим проверку, если измеренное значение сопротивления равно или превышает 20 МОм.
-
-
6.4 Определение допускаемой основной абсолютной погрешности суточного хода часов изделия с модулем МП-02
-
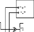
6.4.1 Определение допускаемой основной абсолютной погрешности суточного хода часов изделия проводить в нормальных условиях по схеме в соответствии с рисунком Б.1.
-
6.4.2 Включить источник питания G1 и установить напряжение на его выходе (12,0 ± 0,5) В. Напряжение контролировать по цифровому индикатору источника питания G1.
-
6.4.3 Дождаться загрузки операционной системы модуля МП-02 (периодическое мигание зеленым цветом индикатора «РАБОТА»).
-
6.4.4 Остановить на ПК службу времени Windows, нажав на экране ПК кнопку Пуск, в открывшемся меню выбрать: Панель управления/ Администрирование/ Службы/ Служба времени Windows.
-
6.4.5 Установить программу ЦЕНТР СИНХРОНИЗАЦИИ ВРЕМЕНИ по методике, приведенной в документе М06.00158-01 31 01.
-
6.4.6 Запустить на ПК мониторинг службы времени программы ЦЕНТР СИНХРОНИЗАЦИИ ВРЕМЕНИ, нажав на экране ПК кнопку Пуск, в открывшемся меню выбрать: Программы/Мир/Центр синхронизации времени/Мониторинг сервера времени.
-
6.4.7 Запустить на ПК прием данных от приемника GPS - в окне Мониторинг сервера времени в меню Файл выбрать: Настройка/Следить за состоянием службы и получать данные.
-
6.4.8 Нажать левой клавишей мыши в главном окне программы СЕРВЕР ОМЬ на поле Остановка драйверов, в дереве объектов программы СЕРВЕР ОМЬ выбрать объект Ка-нал_02, в правой части главного окна программы СЕРВЕР ОМЬ установить значение Пе-риод_установки_ времени, равное 100000, и нажать левой клавишей мыши на поле Запуск драйверов.
-
6.4.9 Выполнить синхронизацию времени ПК и изделя: в главном окне программы СЕРВЕР ОМЬ выбрать в дереве объектов объект КП_02, свойство Синхр_время, в правой части главного окна программы СЕРВЕР ОМЬ в поле Значение выбрать значение Да.
-
6.4.10 Отключить синхронизацию времени ПК и изделя: выбрать в дереве объектов главного окна программы СЕРВЕР ОМЬ объект КП_02, свойство Синхр_время, в правой части главного окна программы СЕРВЕР ОМЬ в поле Значение выбрать значение Нет.
-
6.4.11 Оставить во включенном состоянии радиочасы МИР РЧ-01 М01.063.00.000, ПК, изделие и через 72 ч выполнить 6.4.9.
-
6.4.12 Выбрать в дереве объектов главного окна программы СЕРВЕР ОМЬ объект Канал_02, контролировать значение свойства Величина_корректировки_времени, соответствующее основной абсолютной погрешности хода часов за трое суток.
-
Вычислить основную абсолютную погрешность суточного хода часов At1, с, по формуле
л kt3
(1)
где At3 - основная абсолютная погрешность хода часов за трое суток, с.
-
6.4.13 Остановить на ПК службу Сервер синхронизации времени GPS МИР, нажав на экране ПК кнопку Пуск, в открывшемся меню выбрать: Панель управле-ния/Администрирование/ Службы/Сервер синхронизации времени GPS МИР.
-
6.4.14 Запустить на ПК службу времени Windows, нажав на экране ПК кнопку Пуск, в открывшемся меню выбрать: Панель управления/Администрирование/ Службы/Служба времени Windows.
-
6.4.15 Изделие считается выдержавшим проверку, если основная абсолютная погрешность суточного хода часов изделий не превышает ± 1 с.
-
6.5 Определение допускаемой основной абсолютной погрешности суточного хода часов изделия с модулем МП-04
-
6.5.1 Определение допускаемой основной абсолютной погрешности суточного хода часов изделия проводить в нормальных условиях по схеме в соответствии с рисунком Б.1. Присоединить розетку жгута 5 к вилке «СОМ1» ПК.
-
6.5.2 Включить источник питания G1, установить напряжение на его выходе (12,0 ± 0,5) В (напряжение контролировать по цифровому индикатору источника питания G1).
-
6.5.3 Запустить на ПК программу HyperTerminal, в открывшемся окне выбрать: порт - COM1, скорость - 115200 бит/с, биты данных - 8, четность - нет, стоповые биты - 1, управление потоком - нет. Дождаться загрузки операционной системы модуля МП-04 (мигание индикатора «РАБОТА» зеленым цветом). В окне программы HyperTerminal будет выведено приглашение login:. Ввести с клавиатуры anonymous и нажать клавишу «Enter».
-
Запустить тестовую программу модуля МП-04, для этого вести с клавиатуры testmp и нажать клавишу «Enter». В окне программы Hyper Terminal должно отобразиться основное меню тестовой программы модуля МП-04. Выбрать в основном меню тестовой программы модуля МП-04 пункт Test RTC, нажав клавишу «5» на клавиатуре. Выбрать в появившемся меню пункт Test RTC DS3234, нажав клавишу «1» на клавиатуре.
-
6.5.4 Измерить частоту сигнала на выводах 1, 2 соединителя Х3 (частота 32768 Гц генератора часов изделия, аппаратно поделенная на 4096) частотомером PF1 с точностью ± 0,00001 Гц. Определить основную погрешность суточного хода часов Лсутсчная, с, по формуле
А суточная = (F0 - 8)-10800, (2)
где F0 - частота кварцевого генератора, измеренная частотомером, Гц.
-
6.5.5 Изделие считается выдержавшим проверку, если основная абсолютная погрешность суточного хода часов изделия не превышает ± 1 с.
-
6.6 Определение входного сопротивления и допускаемой основной приведенной погрешности каналов ТИТ
-
6.6.1 Определение входного сопротивления и допускаемой основной приведенной погрешности каналов ТИТ модуля ТИТ-01
-
6.6.1.1 Определение входного сопротивления и допускаемой основной приведенной погрешности каналов ТИТ модуля ТИТ-01 проводить по схеме в соответствии с рисунком Б.2.
-
6.6.1.2 Включить источник питания G1 и установить напряжение на его выходе (12,0 ± 0,5) В. Напряжение контролировать по цифровому индикатору источника питания G1.
-
6.6.1.3 Дождаться загрузки операционной системы модуля МП-02 или МП-04 (периодическое мигание зеленым цветом индикатора «РАБОТА»).
-
6.6.1.4 Подключить приборы PG1 и PV1, соблюдая положительную полярность входного тока. Вывод «+24V» прибора PG1 подключить к контакту «1» соединителя «ТИТ», а вывод «V+» прибора PG1 подключить к контакту «ОБЩ.» соединителя «ТИТ» на передней панели модуля ТИТ-01.
-
6.6.1.5 В окне Главная схема программы редактор МИР на вкладке Главная нажать на пиктограмму КТ-51(МП-02).
-
6.6.1.6 На вкладке КП 02 нажать правой клавишей мыши на изображение модуля ТИТ-01. Выбрать в появившемся контекстном меню пункт Схема модуля.
-
6.6.1.7 На вкладке Канал_02.КП_02.Мод_ТИТ_01 нажать левой клавишей мыши на номер выбранного для проверки канала ТИТ модуля ТИТ-01, после чего появится окно Настройка сигнала ТИТ. Установить следующие настройки:
-
-
Диапазон -20 - 20 мА
Критический верхний порог 0 мА
Верхний порог 0 мА
Нижний порог 0 мА
Критический нижний порог 0 мА
Отклонение 0 %
Постоянная времени фильтра 100 мс
-
6.6.1.8 Нажать в окне Настройка сигнала ТИТ кнопки Изменить и ОК. Нажать на вкладке модуля МП-02 или МП-04 кнопку Уставки.
-
6.6.1.9 Установить на выходе прибора PG1 ток, равный 20 мА. Значение тока контролировать по цифровому индикатору на передней панели калибратора тока PG1.
-
6.6.1.10 Измерить при помощи прибора PV1 входное напряжение канала ТИТ, и вычислить входное сопротивление канала ТИТ R, Ом, по формуле
(3)
где U- значение напряжения, измеренное прибором PV1, В;
I - значение тока на выходе прибора PG1, А.
-
6.6.1.11 Установить на выходе прибора РG1 поочередно значения тока, равные 0, 4, 8, 12, 16, 20 мА (значение тока контролировать по цифровому индикатору на передней панели калибратора тока PG1).
-
6.6.1.12 Нажать в правом верхнем углу вкладки Канал_02.КП_02.Мод_ТИТ_01 на кнопку Запрос и зафиксировать на вкладке схемы модуля ТИТ-01 измеренные значения тока канала ТИТ.
-
6.6.1.13 Определить основную приведенную погрешность Y, %, для каждого значения входного тока выбранного канала ТИТ по формуле
изм. вх.
(4)
ном. где 1изм. - измеренное значение тока для выбранного канала ТИТ, мА;
1вх. - эталонное значение тока, задаваемое прибором РG1, мА;
1ном. - нормирующее значение входного тока согласно таблицы 6.8, мА.
-
6.6.1.14 Установить на выходе прибора PG1 ток, равный 5 мА. Значение тока контролировать по цифровому индикатору на передней панели калибратора тока PG1.
-
6.6.1.15 Нажать левой клавишей мыши на номер выбранного для проверки канала ТИТ на вкладке Канал_02.КП_02Мод_ТИТ_01. Установить следующие настройки:
Диапазон
-5 - 5 мА
Критический верхний порог
0 мА
Верхний порог
0 мА
Нижний порог
0 мА
Критический нижний порог
0 мА
Отклонение
0 %
Постоянная времени фильтра
100 мс
6.6.1.16 Нажать в окне Настройка сигнала
ТИТ кнопки Изменить и ОК. Нажать на
вкладке схемы модуля МП-02 или МП-04 кнопку Уставки.
-
6.6.1.17 Измерить при помощи прибора PV1 входное напряжение канала ТИТ, и вычислить входное сопротивление канала ТИТ по формуле (3).
-
6.6.1.18 Установить на выходе прибора РG1 поочередно значения тока, равные 0, 1, 2, 3, 4, 5 мА. Значение тока контролировать по цифровому индикатору на передней панели калибратора тока PG1.
-
6.6.1.19 Нажать в правом верхнем углу вкладки Канал_02.КП_02.Мод_ТИТ_01 на кнопку Запрос и зафиксировать на вкладке схемы модуля ТИТ-01 измеренные значения тока канала ТИТ.
-
6.6.1.20 Определить основную приведенную погрешность Y, %, для каждого значения входного тока выбранного канала ТИТ по формуле (4).
-
6.6.1.21 Выполнить действия, приведенные в 6.6.1.1 - 6.6.1.20, соблюдая отрицательную полярность входного тока. Вывод «V+» прибора PG1 подключить к контакту «1» соединителя «ТИТ», а вывод «+24V» прибора PG1 подключить к контакту «ОБЩ.» соединителя «ТИТ» модуля ТИТ-01.
-
6.6.1.22 Выполнить действия, приведенные в 6.6.1.1 - 6.6.1.21, для всех каналов ТИТ.
-
6.6.1.23 Изделие считается выдержавшим проверку, если измеренные значения входного сопротивления каналов ТИТ соответствуют значениям, приведенным в таблице 6.8, и основная приведенная погрешность каналов ТИТ составляет не более ± 0,25 %.
Таблица 6.8
Модуль |
Входной ток канала ТИТ, мА |
Нормирующее значение входного тока канала ТИТ, мА |
Входное сопротивление канала ТИТ, Ом |
ТИТ-01 |
От минус 5 до плюс 5 |
10 |
900±100 |
От минус 20 до плюс 20 |
40 |
225 ± 25 | |
УСО-01.00 |
От 0 до плюс 20 |
20 |
225 ± 25 |
УСО-01.01 |
От 0 до плюс 5 |
5 |
900±100 |
-
6.6.2 Определение входного сопротивления и допускаемой основной приведенной погрешности каналов ТИТ модуля УСО-01
-
6.6.2.1 Определение входного сопротивления и допускаемой основной приведенной погрешности каналов ТИТ модуля УСО-01 проводить по схеме в соответствии с рисунком Б.2.
-
6.6.2.2 Включить источник питания G1 и установить напряжение на его выходе равным (12,0 ± 0,5) В. Напряжение контролировать по цифровому индикатору источника питания G1.
-
6.6.2.3 Дождаться загрузки операционной системы модуля МП-02 или МП-04 (периодическое мигание зеленым цветом индикатора «РАБОТА»).
-
6.6.2.4 Подключить приборы PG1 и PV1, соблюдая положительную полярность входного тока. Вывод «+24V» прибора PG1 подключить к контакту «1» соединителя «ТИТ», а вывод «V+» прибора PG1 подключить к контакту «ОБЩ.» соединителя «ТИТ» на передней панели модуля УСО-01.
-
6.6.2.5 В окне Главная схема программы редактор МИР на вкладке Главная нажать на пиктограмму КТ-51 (МП-02).
-
6.6.2.6 На вкладке КП 02 нажать правой клавишей мыши на изображение модуля УСО-01. Выбрать в появившемся контекстном меню пункт Схема модуля.
-
6.6.2.7 На вкладке Канал_02.КП_02.Мод_УСО_01 нажать левой клавишей мыши на номер выбранного для проверки канала ТИТ модуля УСО-01, после чего появится окно Настройка сигнала ТИТ. Установить для модуля УСО-01.00 следующие настройки:
Диапазон
0 - 20 мА
Критический верхний
0 мА
Верхний порог
0 мА
Нижний порог
0 мА
Критический нижний порог
0 мА
Отклонение
0 %
Постоянная времени фильтра
100 мс
Установить для модуля УСО-01.01
следующие настройки:
Диапазон
0 - 5 мА
Критический верхний
0 мА
Верхний порог
0 мА
Нижний порог
0 мА
Критический нижний порог
0 мА
Отклонение
0 %
Постоянная времени фильтра
100 мс
-
6.6.2.8 Нажать на вкладке Настройка сигнала ТИТ кнопки Изменить и ОК. Нажать на вкладке схемы модуля МП-02 или МП-04 кнопку Уставки.
-
6.6.2.9 Установить на выходе прибора PG1 ток:
-
-
- 20 мА - для модуля УСО-01.00;
-
- 5 мА - для модуля УСО-01.01.
Значение тока контролировать по цифровому индикатору на передней панели калибратора тока PG1.
-
6.6.2.10 Измерить при помощи прибора PV1 входное напряжение канала ТИТ и вычислить входное сопротивление канала ТИТ по формуле (3).
-
6.6.2.11 Установить на выходе прибора PG1 поочередно значения тока:
-
- 0, 4, 8, 12, 16, 20 мА - для модуля УСО-01.00;
-
- 0, 1, 2, 3, 4, 5 мА - для модуля УСО-01.01.
Значение тока контролировать по цифровому индикатору на передней панели калибратора тока PG1.
-
6.6.2.12 Нажать в правом верхнем углу вкладки Канал_02.КП_02.Мод_УСО_01 на кнопку Запрос. Зафиксировать на вкладке схемы модуля УСО-01 измеренное значение тока канала ТИТ.
-
6.6.2.13 Определить основную приведенную погрешность Y, %, для каждого значения входного тока канала ТИТ по формуле (4).
-
6.6.2.14 Выполнить действия, приведенные в 6.6.2.1 - 6.6.2.13, для всех каналов ТИТ.
-
6.6.2.15 Изделие считается выдержавшим проверку, если измеренные значения входного сопротивления каналов ТИТ соответствуют значениям, приведенным в таблице 6.8, и основная приведенная погрешность каналов ТИТ составляет не более ± 0,25 %.
6.7 Определение входного сопротивления и допускаемой основной приведенной погрешности каналов ТИТ с помощью АПК
-
6.7.1 Определение входного сопротивления и допускаемой основной приведенной погрешности каналов ТИТ модуля ТИТ-01 с помощью АПК
-
6.7.1.1 Определение входного сопротивления каналов ТИТ модуля ТИТ-01 проводить по 6.6.1.1 - 6.6.1.10.
-
6.7.1.2 Определение допускаемой основной приведенной погрешности каналов ТИТ модуля ТИТ-01 с помощью АПК проводить по схеме в соответствии с рисунком Б.3.
-
6.7.1.3 Подключить соединитель Х1 жгута 2 к соединителю «ТИТ» пульта ППК М05.040.00.000 (в дальнейшем - ППК) из состава АПК.
-
6.7.1.4 Включить источники питания G1 и G2. Установить напряжение на их выходах (12,0 ± 0,5) В. Напряжение контролировать по цифровым индикаторам источников питания.
-
6.7.1.5 Установить в окне программы СЕРВЕР ОМЬ для проверяемых каналов ТИТ модуля ТИТ-01 параметры:
Активность Да
ВыхоДной Диапазон -5 - 0 - 5 мА
Отклонение 1 %
Постоянная времени фильтра 100 мс
Передать уставки для модуля ТИТ-01.
-
6.7.1.6 Запустить программу «АПК» в режиме проверки контроллеров. В основном меню главного окна программы «АПК» выбрать пункт Поверка/Каналы ТИТ/Контроль погрешности.
-
6.7.1.7 Определить привязку выводов колодки ППК (соединитель «ТИТ» ППК) к тегам соответствующих каналов ТИТ модуля ТИТ-01 в соответствии с документом М05.00092-01 31 01.
6.7.1.8 В окне Параметры поверки каналов ТИТ выбрать:
Нормировочный интервал Полярность Тип калибратора тока Интервал опроса, мс |
10 мА Прямая ИКСУ-2000 10000 c |
В поле Ток, мА последовательно устанавливать значения входного тока каналов ТИТ и значения тока калибратора равными 0, 1, 2, 3, 4, 5 мА, при этом выполняется проверка всех каналов ТИТ.
-
6.7.1.9 Установить в окне Параметры поверки каналов ТИТ в поле Полярность значение Обратная.
-
6.7.1.10 Устанавливать последовательно в поле Ток, мА, значения входного тока каналов ТИТ и значения тока калибратора равными 1, 2, 3, 4, 5 мА, при этом выполняется проверка всех каналов ТИТ.
-
6.7.1.11 Установить в окне программы СЕРВЕР ОМЬ для проверяемых каналов ТИТ модуля ТИТ-01 следующие свойства:
Активность Да
ВыхоДной Диапазон -20 - 0 - 20 мА
Отклонение
1 %
Постоянная времени фильтра |
100 мс |
Передать уставки для модуля ТИТ-01.
6.7.1.12 В программе «АПК» определить привязку выводов колодки ППК (соединитель «ТИТ» ППК) к тегам соответствующих каналов ТИТ проверяемого модуля ТИТ-01 в соответствии с документом М05.00092-01 31 01.
Задать параметры:
Нормировочный интервал Полярность Тип калибратора тока Интервал опроса, мс |
40 мА Прямая ИКСУ-2000 10000 |
В поле Ток, мА последовательно устанавливать значения входного тока каналов ТИТ и значения тока калибратора равными 0, 4, 8, 12, 16, 20 мА, при этом выполняется проверка всех каналов ТИТ.
-
6.7.1.13 Установить в окне Параметры поверки каналов ТИТ в поле Полярность значение Обратная.
-
6.7.1.14 Устанавливать последовательно в поле Ток, мА значения входного тока каналов ТИТ и значения тока калибратора равными 4, 8, 12, 16, 20 мА, при этом выполняется проверка всех каналов ТИТ.
-
6.7.1.15 Выбрать в основном меню программы «АПК» Поверка/Отчеты. Выбрать из списка сеансов проверки соответствующий сеанс проверки и нажать кнопку СозДать отчет.
-
6.7.1.16 Изделие считается выдержавшим проверку, если в отчетах для всех проверенных каналов ТИТ отображено значение гоДен.
-
6.7.2 Определение входного сопротивления и допускаемой основной приведенной погрешности каналов ТИТ модуля УСО-01 с помощью АПК
-
6.7.2.1 Определение входного сопротивления каналов ТИТ модуля УСО-01 проводить по 6.6.2.1 - 6.6.2.10.
-
6.7.2.2 Определение допускаемой основной приведенной погрешности каналов ТИТ модуля УСО-01 с помощью АПК проводить по схеме в соответствии с рисунком Б.3.
-
6.7.2.3 Подключить соединитель Х1 жгута 3 к соединителю «ТИТ» ППК.
-
6.7.2.4 Включить источники питания G1 и G2. Установить напряжение на их выходах (12,0 ± 0,5) В. Напряжение контролировать по цифровым индикаторам источников питания.
-
6.7.2.5 Установить в окне программы СЕРВЕР ОМЬ для проверяемых каналов ТИТ модуля УСО-01.00 (УСО-01.01) следующие параметры:
Активность да
ВыхоДной Диапазон 0 - 20 мА (0 - 5 мА)
Отклонение 1 %
Постоянная времени фильтра 100 мс
Передать уставки для модуля УСО-01.
-
6.7.2.6 Запустить программу «АПК» в режиме проверки контроллеров. Определить привязку выводов колодки ППК (соединитель «ТИТ» ППК) к тегам соответствующих каналов ТИТ проверяемого модуля в соответствии с документом М05.00092-01 31 01.
Задать параметры:
5 (20) мА
Прямая ИКСУ-2000 10000
Нормировочный интервал
Полярность
Тип калибратора тока
Интервал опроса, мс
В поле Ток, мА, последовательно устанавливать значения входного тока каналов ТИТ и значения тока калибратора равными 0, 1, 2, 3, 4, 5 мА (для модуля УСО-01.01); 0, 4, 8, 12, 16, 20 мА (для модуля УСО-01.00), при этом выполняется проверка всех каналов ТИТ.
-
6.7.2.7 Выбрать в основном меню программы «АПК» Поверка/ Отчеты. Выбрать из списка сеансов проверки соответствующий сеанс проверки и нажать кнопку СозДать отчет.
-
6.7.2.8 Изделие считается выдержавшим проверку, если в отчетах для всех проверенных каналов ТИТ отображено значение гоДен.
-
6.8 Определение допускаемой абсолютной погрешности счета импульсов каналов ТС/ТИИ модулей ТС-01, УСО-01 и ТУ-01
-
6.8.1 Определение допускаемой абсолютной погрешности счета импульсов каналов ТС/ТИИ проводить по схеме в соответствии с рисунком Б.4.
-
6.8.2 Включить источник питания G1, и установить напряжение на его выходе равным (12,0 ± 0,5) В. Напряжение контролировать по цифровому индикатору источника питания G1.
-
6.8.3 Дождаться загрузки операционной системы модуля МП-02 или МП-04 (периодическое мигание зеленым цветом индикатора «РАБОТА»).
-
6.8.4 В окне Главная схема программы редактор МИР на вкладке Главная нажать на пиктограмму КТ-51 (МП-02).
-
6.8.5 На вкладке КП 02 нажать правой клавишей мыши на изображение модуля ТС-01 (УСО-01, ТУ-01). Выбрать в появившемся контекстном меню пункт Схема модуля.
-
6.8.6 На вкладке Канал_02.КП_02.Мод_ТС_01 (Канал_02.КП_02.Мод_УСО_01, Ка-нал_02.КП_02.Мод_ТУ_01) нажать левой клавишей мыши на номер выбранного для про
верки канала ТС/ТИИ модуля ТС-01 (УСО-01, ТУ-01), после чего появится окно Настройка сигнала ТС. Установить для модуля ТС-01 следующие настройки:
Время удержания Время коммутации Инверсия Активность Вход ТИИ Контроль КЗ шлейфа Контроль обрыва шлейфа |
10 мс 10 мс Нет Да ТИИ Нет Нет |
Установить для модулей УСО-01 и ТУ-01 следующие настройки:
Время удержания Время коммутации Инверсия Активность Вход ТИИ |
10 мс 10 мс Нет Да ТИИ |
-
6.8.7 Нажать на вкладке Настройка сигнала ТС кнопки Изменить и ОК.
-
6.8.8 Установить на генераторе импульсов PG1: период - 20 мс, вид выходного сигнала - меандр, уровень сигнала - 10 В, режим непрерывной генерации.
-
6.8.9 Установить частотомер PF1 в режим счета импульсов, сбросить показания частотомера PF1.
-
6.8.10 Включить тумблер S1 схемы проверки (рисунок Б.4) и контролировать количество импульсов N4acTOTOMepa, сформированных генератором PG1 с помощью частотомера PF1.
-
6.8.11 Выключить тумблер S1 схемы проверки (рисунок Б.4), когда количество импульсов, сформированных генератором, будет от 10000 до 10100 импульсов.
-
6.8.12 Зафиксировать на вкладке Канал_02.КП_02.Мод_ТС_01
(Канал_02.КП_02.Мод_УСО_01, Канал_02.КП_02.Мод_ТУ_01) количество импульсов, зарегистрированных изделием.
-
6.8.13 Вычислить допускаемую абсолютную погрешность счета импульсов Лсчета каналов ТС/ТИИ по формуле где N4acTOTOMepa - количество импульсов, подсчитанных частотомером;
счета
частотомера
изделие
(5)
бдение - количество импульсов, зарегистрированных изделием.
-
6.8.14 Изделие считается выдержавшим проверку, если абсолютная погрешность счета импульсов каналов ТС/ТИИ в режиме ТИИ составляет не более ± 2 импульса на каждые 10000 входных импульсов в пределах диапазона рабочих температур.
6.9 Определение допускаемой абсолютной погрешности счета импульсов каналов ТС/ТИИ модулей ТС-01, УСО-01 и ТУ-01 с помощью АПК
-
6.9.1 Определение допускаемой абсолютной погрешности счета импульсов каналов ТС/ТИИ модулей ТС-01, УСО-01 и ТУ-01 проводить по схеме в соответствии с рисунком Б.5.
-
6.9.2 Подключить соединитель Х1 жгута 3 к соединителю «ТС/ТИИ» ППК при проверке каналов ТС/ТИИ модуля ТС-01.
Подключить соединитель Х1 жгута 4 к соединителю «ТС/ТИИ» ППК при проверке каналов ТС/ТИИ модуля УСО-01.
Подключить соединитель Х1 жгута 5 к соединителю «ТС/ТИИ» ППК при проверке каналов ТС/ТИИ модуля ТУ-01.
-
6.9.3 Включить источники питания G1 и G2. Установить напряжение на их выходах (12,0 ± 0,5) В. Напряжение контролировать по цифровым индикаторам источников питания.
-
6.9.4 Установить в окне программы СЕРВЕР ОМЬ для проверяемых каналов ТИИ проверяемого модуля параметры:
Активность Да
Время удержания 10 мс
Время коммутации 10 мс
Вход ТИИ ТИИ
Передать уставки для проверяемого модуля.
-
6.9.5 Запустить программу «АПК» в режиме проверки контроллеров. В основном меню главного окна программы «АПК» выбрать Поверка/Каналы ТИИ. Определить привязку выводов колодки ППК (соединитель «ТС/ТИИ» ППК) к тегам проверяемых каналов ТИИ в соответствии с документом М05.00092-01 31 01.
-
6.9.6 В окне Параметры поверки каналов ТИИ задать параметры:
Количество подаваемых импульсов
Тип генератора импульсов Внутренний
Нажать кнопку Ok.
-
6.9.7 В главном окне программы «АПК» нажать кнопку ПУСК . Дождаться окончания теста.
-
6.9.8 В основном меню программы «АПК» выбрать Поверка/Отчеты. Выбрать из списка сеансов проверки соответствующий сеанс проверки и нажать кнопку Создать отчет.
-
6.9.9 Изделие считается выдержавшим проверку, если в отчете для всех проверенных каналов ТИИ отображено значение годен.
7 Оформление результатов поверки
-
7.1 Изделие, прошедшее проверку с положительными результатами, признают годным и ставят клеймо поверителя.
-
7.2 Положительные результаты поверки оформляются записью в соответствующем разделе формуляра, заверенной подписью и оттиском клейма поверителя.
Результаты поверки вносят в протокол, оформленный в соответствии с ГОСТ 8.584-2004.
-
7.3 Изделие, прошедшее поверку с отрицательными результатами, бракуют. Клеймо предыдущей поверки гасят, а неисправные модули отправляются в ремонт и заменяются на исправные. В формуляр вносят запись о непригодности с указанием причин. Поверка повторяется по пунктам несоответствия.
Приложение А
(обязательное)
Перечень условных обозначений и сокращений
ОС - операционная система.
ММС - (Microsoft Management Concole) консоль управления Microsoft. ПК - персональный компьютер.
ТИИ - телеизмерения интегральные.
ТИТ - телеизмерения текущие.
ТС - телесигнализация.
ТУ - телеуправление.
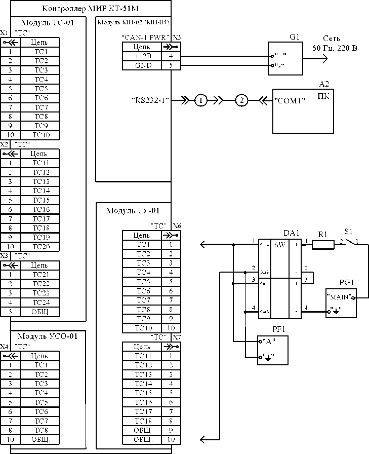
A1
Контроллер МИР КТ-51М
"CAN-1 PWR"
"RS232-1"
Модуль
МП-02
Цепь |
-»ч> |
+12В |
4 |
GND |
5 |
А4
Контроллер МИР КТ-51М
Приложение Б
(обязательное)
Схемы проверки

"RS232"
X2
"CAN-1 PWR"
Модуль
МП-04
Цепь | ||
+12В |
4 | |
GND |
5 | |
" ТС" |
X3 | |
Цепь |
-»ч> | |
GND TS |
1 | |
TS 1 |
2 | |
" ТУ" |
X4 | |
Цепь |
-»-> | |
TU1 1 |
1 | |
TU1 2 |
2 | |
A3
Радиочасы
МИР РЧ-01

G1
lllll
■о +
■о "-"
A2

Сеть ~50Гц, 220В —>
PF1

ПК
"COM2"
"COM1"
“СЕРВИС”
А1 - контроллер МИР КТ-51М М07.111.00.000 (изделие с модулем МП-02);
А2 - IBM PC-совместимый компьютер;
А3 - радиочасы МИР РЧ-01 М01.063.00.000 (для проверки изделия с модулем МП-02);
А4 - контроллер МИР КТ-51М М07.111.00.000 (изделие с модулем МП-04);
G1 - источник питания постоянного тока Б5-71/1м;
PF1 - частотомер электронно-счетный CNT-90 (для проверки изделия с модулем МП-04);
Х1, Х2 - розетка BL 3.5/5;
Х3 - розетка BL 3.5/3 (для проверки изделия с модулем МП-04);
Х4 - розетка BL 3.5/4 (для проверки изделия с модулем МП-04);
-
1 - кабель RS232 М07.119.00.000 (для проверки изделия с модулем МП-02);
-
2 - кабель «COM-COM» М97.033.02.000 (для проверки изделия с модулем МП-02);
-
3 - жгут РС-КП М95.022.00.000 (для проверки изделия с модулем МП-02);
-
4 - щуп осциллографический НР-2060 (для проверки изделия с модулем МП-04);
-
5 - жгут программатора М07.069.00.000 (для проверки изделия с модулем МП-04).
Примечание - При проведении проверки изделия с модулем МП-02 элементы схемы, предназначенные для проверки изделия с модулем МП-04, не устанавливать. При проведении проверки изделия с модулем МП-04 элементы схемы, предназначенные для проверки изделия с модулем МП-02, не устанавливать.
Рисунок Б.1 - Схема проверки абсолютной погрешности суточного хода часов
A1
Контроллер МИР КТ-51М
G1
Модуль ТИТ-01
X1 "ТИТ"
°«г |
Цепь |
1 |
ТИТ1 |
2 |
ТИТ2 |
3 |
ТИТ3 |
4 |
ТИТ4 |
6 |
ТИТ5 |
7 |
ТИТ6 |
8 |
ТИТ7 |
9 |
ТИТ8 |
11 |
ТИТ9 |
12 |
ТИТ10 |
13 |
ТИТ11 |
14 |
ТИТ12 |
16 |
ТИТ13 |
17 |
ТИТ14 |
18 |
ТИТ15 |
19 |
ТИТ16 |
21 |
ТИТ17 |
22 |
ТИТ18 |
23 |
ТИТ19 |
24 |
ТИТ20 |
26 |
ТИТ21 |
27 |
ТИТ22 |
28 |
ТИТ23 |
29 |
ТИТ24 |
30 |
ОБЩ. |
Модуль МП-02 (МП-04)
"CAN-1 PWR" X2
Цепь |
-»о |
+12В |
4 |
GND |
5 |
"RS232-1"

Модуль УСО-01
"ТИТ" X3
Цепь | |
ТИТ1 |
1 |
ТИТ2 |
2 |
ТИТ3 |
3 |
ТИТ4 |
4 |
ТИТ5 |
5 |
ТИТ6 |
6 |
ТИТ7 |
7 |
ТИТ8 |
8 |
ОБЩ. |
10 |
PV1
<>"+"
■0"-"
"COM1"
Сеть ~ 50 Гц, 220 В —>
A2
ПК
PG1
■о"+24В"
■О "V+"
А1 - контроллер МИР КТ-51М М07.111.00.000;
А2 - IBM PC-совместимый компьютер;
G1 - источник питания постоянного тока Б5-71/1м;
PG1 - калибратор тока MIC-10;
PV1 - мультиметр цифровой М830;
X1 - розетка B2L 3.5/30;
X2 - розетка BL 3.5/5;
X3 - розетка BL 3.5/10;
-
1 - кабель RS232 М07.119.00.000;
-
2 - кабель «COM-COM» М97.033.02.000.
Рисунок Б.2 - Схема проверки входного сопротивления каналов ТИТ и проверки основной приведенной погрешности каналов ТИТ
A1
Контроллер МИР КТ -51М
Х1
Модуль МП-02 (МП-04)
"CAN-1 PWR"
Цепь |
-»-» |
+12В |
4 |
GND |
5 |
G1

Сеть
50 Гц, 220 Гц
A2
Модуль ТИТ-01
ТИТ
Модуль УСО-01
"RS232-1"

ПК
"COM1" "COM2"
"COM3"
A3
АПК
Х2(Х3)
Х1
ППК
"ТИТ
Х2
ТИТ" ( Х3-Х7)
Х9 "Питание
Цепь | |
+PWR |
1 |
-PWR |
3 |
Х 8 "RS485" | |
Цепь |
-»-» |
LINE A |
1 |
LINE B |
3 |
X4 "КАЛИБ." | |
Цепь | |
Калиб. |
1 |
Общий |
2 |


Блок
питания
"OUT"
"I-OUT+"
"СОМ"
"POWER"
"RS-232
ИКСУ-2000
"+24 В"
"-24 В"

G2
12В

RS232"
Сеть
50 Гц, 220В
A4
i-7520R

"RS485"
Цепь | |
9 |
+Vs |
10 |
GND |
1 |
DATA+ |
2 |
DATA- |
А1 - контроллер МИР КТ-51М М07.111.00.000;
А2 - IBM PC-совместимый компьютер;
А3 - комплекс поверочный автоматизированный МИР АПК-01 М05.024.00.000; А4 - преобразователь RS-232/RS-485 ICP CON i-7520R;
G1, G2 - источник питания постоянного тока Б5-71/1м;
X1 - розетка B2L 3.5/5;
-
1 - кабель "COM-COM" М97.033.02.000;
-
2 - жгут ППК-ТИТ М08.008.00.000;
-
3 - жгут ППК-УСО М08.009.00.000;
4, 5 - жгут РС-КП М95.022.00.000.
Рисунок Б.3 - Схема контроля основной приведенной погрешности каналов ТИТ с помощью АПК
A1


А1 - контроллер МИР КТ-51М М07.111.00.000;
А2 - IBM PC-совместимый компьютер;
DA1 - оптрон PVT322;
G1 - источник питания постоянного тока Б5-71/1м;
PF1 - частотомер электронно-счетный CNT-66;
PG1 - генератор импульсов Г5-82;
R1 - резистор С2-33Н-0,125-1 кОм ± 5 % ОЖ0.467.173 ТУ;
S1 - тумблер МТД-1 ОЮ0.360.016 ТУ;
Х1, X2, X4, X6, X7 - розетка BL 3.5/10;
Х3, X5 - розетка BL 3.5/5;
-
1 - кабель RS232 М07.119.00.000;
-
2 - кабель «COM-COM» М97.033.02.000.
Рисунок Б.4 - Схема проверки допускаемой абсолютной погрешности счета импульсов каналов ТС/ТИИ
A1
Контроллер МИР КТ-51М
Х1
Модуль МП-02 (МП-04)
" CAN-1 PWR"
Цепь | |
+12В |
4 |
GND |
5 |
"RS232-1"
G1

^-"COM1"
Сеть
50 Гц, 220 Гц
Н>
A2
ПК
"COM2"
Х10 (Х11, 2
, ТС" \^Х12, Х13)/
A3
АПК
Модуль ТС-01
Х7 "
Х8
3
Х1<
ТС"^, Х3 (Х6)
ТС" Х2 (Х5)

"ТС/ТИИ
ППК
Х9
’ТС" Х4 (Х7)
Модуль УСО-01
"ТС"
Х2 (Х3-Х7)
4 -^Ч
Модуль ТУ-01
Х1.1 " ТС" Х2 (Х4)
Х9 "Питание
Цепь | |
+PWR |
1 |
-PWR |
3 |
Х 8 "RS485" | |
Цепь |
-»-» |
LINE A |
1 |
LINE B |
3 |
X4 "КАЛИБ." | |
Цепь |
-»> |
Калиб. |
1 |
Общий |
2 |

Х1.2 "ТС" > Х3 (Х5)
Блок
питания
"I-OUT+"
"СОМ"
ИКСУ-2000
"+24 В"
"-24 В"

"OUT"
"POWER"
"RS-232
G2
12В

RS232"

Сеть
50 Гц, 220В
A4
i-7520R
"RS485"
Цепь | |
9 |
+Vs |
10 |
GND |
1 |
DATA+ |
2 |
DATA- |
А1 - контроллер МИР КТ-51М М07.111.00.000;
А2 - IBM PC-совместимый компьютер;
А3 - комплекс поверочный автоматизированный МИР АПК-01 М05.024.00.000;
А4 - преобразователь RS-232/RS-485 ICP CON i-7520R;
G1, G2 - источник питания постоянного тока Б5-71/1м;
X1 - розетка B2L 3.5/5;
-
1 - кабель "COM-COM" М97.033.02.000;
-
2 - жгут ППК-МП М08.012.00.000;
-
3 - жгут ППК-ТС М08.010.00.000;
-
4 - жгут ППК-УСО М08.009.00.000;
-
5 - жгут ППК-ТУ М08.011.00.000;
-
6 - жгут РС-КП М95.022.00.000.
Рисунок Б.5 - Схема проверки допускаемой абсолютной погрешности счета импульсов каналов ТС/ТИИ с помощью АПК
Приложение В (обязательное)
Методика установки ПО
В.1 Программу сервер ОМЬ и редактор МИР устанавливать с диска, на котором записана программа проверки.
В.2 Открыть содержимое диска и запустить файл setup.exe.
В.3 Дождаться окончания работы мастера по установке ПО.
В.4 Настроить права пользователей с помощью окна оснастки консоли MMC Службы компонентов из состава ОС Windows, вызываемого запуском файла dcomcnfg (внешний вид окна оснастки консоли MMC Службы компонентов приведет на рисунке В.1).

Рисунок В.1
В.5 Выбрать в дереве объектов окна оснастки консоли MMC Службы компонентов объект Мой компьютер, вызвать контекстное меню нажатием правой клавиши мыши, и выбрать пункт Свойства (окно Свойства: Мой компьютер представлено на рисунке В.1).
В.6 На вкладке Безопасность СОМ нажать последовательно кнопки Изменить настройки по умолчанию на панелях Права доступа и Разрешения на запуск и активацию. Списки пользователей и групп пользователей, которым разрешен доступ к использованию программы проверки и запуск программы проверки, отображаются в окнах Разрешение на доступ (рисунок В.2) и Разрешение на запуск (рисунок В.3).

Рисунок В.2

Рисунок В.3
В.7 В полях Группы или пользователи окон Разрешение на доступ и Разрешение на запуск обязательно должны присутствовать записи:
SYSTEM Администраторы ИНТЕРАКТИВНЫЕ
В.8 Добавление записей производить нажатием кнопки Добавить....
В.9 Для всех записей в поле Разрешения для ИНТЕРАКТИВНЫЕ в строке Локальный Запуск установить флажок в графе Разрешить.
Лист регистрации изменений
Изм. |
Номера листов (страниц) |
Всего листов (страниц) в докум. |
№ до-кум. |
Входящий № сопроводительного документа и дата |
Подпись |
Дата | |||
измененных |
замененных |
новых |
аннулирован-ных | ||||||
5 |
- |
3-37 |
38 |
- |
38 |
М.290-09 |
- |
Кудряшова |
20.08.09 |
6 |
- |
1-4,15-26 |
- |
- |
38 |
М.515-09 |
- |
Кудряшова |
24.12.09 |
7 |
- |
5-8,19-22, |
- |
- |
38 |
М.222-11 |
- |
Кудряшова |
24.08.11 |
29,30 | |||||||||
38