Руководство по эксплуатации «ТЕРМОПРЕОБРАЗОВАТЕЛИ МЕТРАН-270МП» (МП 271.01.00.000 РЭ)

ТЕРМОПРЕОБРАЗОВАТЕЛИ
С УНИФИЦИРОВАННЫМ ВЫХОДНЫМ СИГНАЛОМ МЕТРАН-270МП МЕТРАН-270МП-Ех
Руководство по эксплуатации
МП 271.01.00.000 РЭ
Челябинск
2007
Содержание
Приложение А Ссылочные нормативные документы
Приложение Б Габаритные размеры, масса, исполнения ТП
Приложение В Схемы внешних соединений термопреобразователей Метран-270МП
Приложение Г Схемы внешних соединений термопреобразователей Метран-270МП-Ехiа
Приложение Д Монтажные комплекты кабельного ввода
Приложение Е Чертеж средств взрывозащиты термопреобразователей ТХАУ Метран-271МП-Ехd
Приложение Ж Чертеж средств взрывозащиты термопреобразователей
Приложение И Чертеж средств взрывозащиты термопреобразователей ТСПУ Метран-276МП-Ехd
Приложение К Схемы внутренних соединений ТП
Приложение Л Схемы подключения ПНП при определении основной погрешности
Приложение М Схемы соединения термопреобразователей при определении основной погрешности
Приложение Н Программа конфигурирования M-Master...............
Самостоятель
ный документ
47
Приложение П Чертеж средств взрывозащиты термопреобразователей с унифицированным выходным сигналом ТХАУ Метран-271Mn-12-Exd, Метран-271МП-13-Ехd, Метран-271МП-14-Ехd, Метран-271МП-15-Ехd........................................................
454138 г. Челябинск, Комсомольский проспект, 29 Промышленная группа «Метран»:
тел.(351) 798-85-10, 741-46-33 (операторы), факс 741-68-11, 741-45-E-mail: metran@metran.ru;
группа организации сервиса:
(работа с жалобами, претензиями и предложениями): тел/факс (351) 741-68-21, E-mail: byro.service@metran.ru;
сервисный центр (ремонт и сервисное обслуживание): тел.(351) 741-46-42, E-mail: oos@metran.ru
Настоящее руководство по эксплуатации (далее-РЭ) содержит технические характеристики, описание принципа действия, устройство и другие сведения, необходимые для правильной эксплуатации термопреобразователей с унифицированным выходным сигналом Метран-270МП, Метран-270МП-Ех (далее-термопреобразователи или ТП) предназначенных для измерения температуры различных сред.
Пример записи обозначения ТП при его заказе и в другой документации:
Термопреобразователь с унифицированным выходным сигналом
ТСПУ Метран-276МП- 05- Ех£- 500 - 0,25% - Н13 - (-50+500)°С - 4-20 мА
-
1 2 3 4 5 6 7 8
- БК - Т6 - У1.1 - ГП - ТУ
9 10 11 12 13
где 1-Модель термопреобразователя:
ТХАУ Метран-271МП, ТСМУ Метран-274МП, ТСПУ Метран-276МП-с программируемым нормирующим преобразователем (ПНП);
-
2- Номер исполнения защитной арматуры в соответствии с рисунками Б.1-Б.15.
-
3- Обозначение взрывозащиты (при ее наличии):
Ехiа-взрывозаш,ита вида «искробезопасная электрическая цепь iа»;
Ех d-взрывозащита вида «взрывонепроницаемая оболочка d».
-
4- Длина монтажной части L, мм, по таблицам Б.1, Б.4.
-
5- Предел допускаемой основной приведенной погрешности по таблице 1.
-
6- Код материала защитной арматуры по таблице 1.
-
7- Диапазон измерения температуры, °С, по заказу согласно таблице 1.
-
8- Диапазон изменения выходного сигнала, мА, по таблице 1.
-
9- Тип монтажного комплекта (указывается только для Метран-270МП-Exd): БК-бронированный кабель;
ТБ-трубный монтаж.
-
10- Температурный класс (указывается только для Метран-270МП-Ех) по ГОСТ Р 51330.0: Т5 или Т6.
-
11- Климатическое исполнение по ГОСТ 15150:
У1.1;
ТЗ.
-
12- Обозначение метрологической поверки:
ГП-поверка органами Госстандарта;
П-поверка метрологической службой предприятия-изготовителя.
-
13- Обозначение технических условий ТУ 4211-003-12580824-2001.
Примечание - При оформлении заказа ТП обозначение ТУ 4211-00312580824-2001 не указывать.
-
1. ОПИСАНИЕ И РАБОТА
1.1 Назначение
Термопреобразователи с унифицированным выходным сигналом Метран-270МП, Метран-270МП-Ех (далее-термопреобразователи или ТП) предназначены для измерения температуры различных сред. Использование ТП допускается в нейтральных, а также агрессивных средах, по отношению к которым материал защитной арматуры является коррозионностойким.
Термопреобразователи с унифицированным выходным сигналом состоят из первичного преобразователя температуры (термопреобразователя сопротивления или термоэлектрического преобразователя) и программируемого нормирующего преобразователя.
Изменение температуры осуществляется путем преобразования сигнала первичного преобразователя температуры в унифицированный выходной сигнал постоянного тока программируемым нормирующим преобразователем (далее ПНП), который вмонтирован непосредственно в корпусе соединительной головки первичного преобразователя.
Термопреобразователи с унифицированным выходным сигналом изготавливаются следующих моделей: термоэлектрические хромель-алюмелевые ТХАУ Метран-271МП, Метран-271МП-Ех, сопротивления медные ТСМУ Метран-274МП, Метран-274МП-Ех, сопротивления платиновые ТСПУ Метран-276МП, Метран-276МП-Ех.
Модели термопреобразователей с обозначением «МП» являются микропроцессорными.
Модели термопреобразователей с обозначением «Ех» могут применятся во взрывоопасных зонах согласно требованиям главы 7.3 ПУЭ, в которых возможно образование взрывоопасных смесей газов, паров, горючих жидкостей с воздухом категории 11А, 11В, ПС группа Т1-Т6.
ТП соответствуют ТУ 4211-003-12580824-2001 «Термопреобразователи с унифицированным выходным сигналом Метран-270, Метран-270-Ех, Метран-270МП, Метран-270МП-Ех».
ТП имеют особовзрывобезопасный уровень, обеспечиваемый видом взрывозащиты по ГОСТ Р 51330.10 «искробезопасная электрическая цепь ia», с маркировкой ExiaIICT5 X или ExiaIICT6 X и взрывобезопасный уровень, обеспечиваемый видом взрывозащиты по ГОСТ Р 51330.1 «взрывонепроницаемая оболочка d», с маркировкой 1ExdIICT5 X или 1ExdIICT6 X.
Настоящее РЭ устанавливает требование к ТП, изготавливаемым для применения на предприятиях внутри страны и для поставки на экспорт в страны с умеренным и тропическим климатом.
ТП классифицированы в соответствии с ГОСТ 12997 следующим образом:
-по наличию информационной связи предназначены для информационной связи с другими изделиями;
-по виду энергии носителя сигналов в канале связи ТП являются электрическими;
-в зависимости от эксплуатационной законченности относятся к изделиям третьего порядка;
-по метрологическим свойствам являются средствами измерения;
-по устойчивости к механическим воздействиям являются виброустойчивы-ми.
По зависимости выходного сигнала от измеряемой температуры ТП относятся к термопреобразователям с линейной зависимостью по ГОСТ 30232.
ТП изготавливаются следующих климатических исполненияй:
-исполнение У1.1 по ГОСТ 15150, но для работы при значении температуры окружающего воздуха от минус 45 до плюс 70 °С; ТП исполнения Ех температурного класса Т6 по ГОСТ Р 51330.0-от минус 20 до плюс 40 °С, температурного класса Т5 по ГОСТ Р 51330.0-от минус 45 до плюс 70 °С; по спецзаказу от минус 50 до плюс 85°С;
-тропическое исполнение ТЗ по ГОСТ 15150, но для работы при значении температуры окружающего воздуха-от минус 10 до плюс 70 °С; ТП исполнения Ех температурного класса Т6 по ГОСТ Р 51330.0-от минус 10 до плюс 40 °С, температурного класса Т5 по ГОСТ Р 51330.0-от минус 10 до плюс 70 °С.
По ГОСТ 30232 ТП подразделяются:
-по типу применяемых первичных преобразователей-на ТП с преобразователями термоэлектрическими ТХА по ГОСТ 6616 и с термопреобразователями сопротивления ТСМ и ТСП по ГОСТ 6651;
-по связи между входными и выходными цепями-на ТП с гальванической связью.
ТП согласно ГОСТ 27.003 относятся к изделиям конкретного назначения, вида 1, непрерывного применения, невосстанавливаемым.
По защищенности от воздействия окружающей среды ТП являются пыле-, водозащищенными, соответствуют коду IP 65 по ГОСТ 14254.
ПНП Метран-642 или Метран-643, размещенный в корпусе соединительной головки, осуществляет следующие функции:
-перестройку диапазона измерения;
-производит детектирование обрыва или короткого замыкания первичного преобразователя температуры (далее-ППТ);
-выполняет самодиагностику;
-производит линеаризацию номинальной статической характеристики ППТ;
-производит автоматическую компенсацию изменения температуры холодных спаев термоэлектрического преобразователя;
-производит перенастройку номинальной статической характеристики в случае замены чувствительного элемента на другой тип, при этом преобразователь Метран - 643 может быть перенастроен на любую НСХ термосопротивлений из ряда ( 50М, 100М, 500М, 1000М, 50П, 100П, 500П, 1000П ), а преобразователь Метран-642 наряду с этими же градуировками термосопротивлений, поддерживает и градуировки термопар из ряда R, S, B, N, K, L;
-позволяет производить калибровку датчика под индивидуальную статическую характеристику чувствительного элемента по 2-8 температурным точкам для повышения его точности;
-изменения постоянной времени усреднения показаний;
-позволяет осуществлять выбор вида выходного сигнала (прямой 4-20 мА или инверсный 20-4 мА).
Функции перенастройки и калибровки ТП осуществляются с помощью конфигуратора Метран-671, состоящего из специализированного модема, подключаемого к персональному компьютеру, и программного обеспечения МMaster.
1.2 Технические характеристики
-
1.2.1 Условное обозначение термопреобразователя, НСХ чувствительного элемента, диапазоны изменения унифицированных выходных сигналов, зависимость выходного сигнала от температуры, диапазоны измерения, величина основной приведенной погрешности, материал защитной арматуры ТП соответствуют указанным в таблице 1.
Здесь и далее НСХ-номинальная статическая характеристика по ГОСТ 6651, ГОСТ Р 8.585.
-
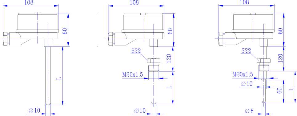
1.2.2 Габаритные размеры, масса и конструктивные исполнения ТП приведены в приложении Б.
-
1.2.3 Материал оболочки ТП-сплав АК-12 (ГОСТ 1583).
-
1.2.4 Подключение ТП к питающей (информационной) линии:
-через штуцер кабельного ввода (ТП Метран-270МП, Метран-270МП-Ехiа)
-через монтажные комплекты (ТП Метран-270МП, MeTpaH-270Mn-Exd).
-
1.2.5 Способ крепления ТП-неподвижный штуцер М20х1,5 или К1/2", подвижный штуцер или свободная установка в патрубке, фланцевое соединение.
-
1.2.6 Схема соединений чувствительного элемента термометра сопротивления: двухпроводная, или четырехпроводная по ГОСТ 6651.
-
1.2.7 Электрическое питание ТП осуществляется от источника постоянного тока с напряжением от 18 до 42 В.
Электрическое питание ТП Mетран-270MП-Ехiа осуществляется от искробезопасных цепей блоков питания (барьеров), имеющих вид взрывозащиты «искробезопасная электрическая цепь» по ГОСТ Р 51330.10 с уровнем искробезопасности электрической цепи <йа» для электрооборудования подгруппы ПС по ГОСТ Р 51330.0 с электрическими параметрами ио < 24 В, 1о < 120 мА.
Схемы внешних электрических соединений ТП приведены в приложениях В, Г.
-
1.2.8 Сопротивление нагрузки ТП находится в пределах:
-для выходного сигнала 4-20 мА или 20-4 мА-от 0,1 до 1,0 кОм; RнOм=500 Ом;
-для ТП исполнения «Еxia» Rh < 200 Ом.
-
1.2.9 Пульсация выходного сигнала ТП при сопротивлении нагрузки, равном Кном (п.1.2.8) не превышает 0,1 % от диапазона изменения выходного сигнала.
-
1.2.10 Потребляемая мощность ТП при максимальном значении выходного токового сигнала не превышает 0,9 Вт, а для исполнения Exia-0,5 Вт.
-
1.2.11 ТП исполнения У1.1 по ГОСТ 15150 устойчивы к воздействию температуры окружающего воздуха от минус 45 до плюс 70°С, ТП исполнения Ех температурного класса Т6 по ГОСТ Р 51330.0-от минус 20 до плюс 40°С, температурного класса Т5 по ГОСТ Р 51330.0-от минус 45 до плюс 70°С. ТП исполнения Т3 по ГОСТ 15150 устойчивы к воздействию температуры окружающего воздуха от минус 10 до плюс 70°С; для ТП исполнения Ех температурного класса Т6 - от минус 10 до плюс 40°С, температурного класса Т5-от минус 10 до плюс 70°С.
-
1.2.12 Температура наружной поверхности оболочки ТП взрывозащищенного исполнения в наиболее нагретых местах при верхнем значении измеряемой температуры (п.1.2.1) не превышает 85°С для температурного класса Т5 и 70°С для температурного класса Т6.
-
1.2.13 Электрическая изоляция ТП между чувствительным элементом (ЧЭ) и металлической частью защитной арматуры при температуре окружающего воздуха (25±10)°С и относительной влажности от 30 до 80% выдерживает в течение 1 мин испытательное напряжение 250 В синусоидального переменного тока частотой 50 Гц, ТП исполнений Ехiа выдерживают испытательное напряжение 500 В.
Таблица 1
Обозначение ТП |
Выход-ной сигнал, мА |
НСХ |
Диапазон измерения, °С |
ВПИ, °С |
МИИ, °С |
Предел допускаемой основной приведенной погрешности, % |
Материал защитной арматуры (код исполнения) |
ТХАУ Метран-271МП ТХАУ Метран-271 МП-Ех1а ТХАУ Метран-271МП-Ехd |
4-20 20-4 |
К |
От минус 40 до плюс 1000 |
300 |
50 |
±0,25 ±0,50 |
12Х18Н10Т (Н10) 10Х17Н13М2Т (Н13) |
Свыше 300 до 500 |
100 | ||||||
50 |
±0,50 | ||||||
Свыше 500 до 1000 |
150 |
±0,50 |
12Х18Н10Т (Н10) 10Х17Н13М2Т (Н13) ХН78Т (Н78) | ||||
300 |
±0,25 ±0,50 | ||||||
ТСМУ Метран-274МП ТСМУ Метран-274МП- Ехiа ТСМУ Метран-274МП-Ехd |
100М, 50М |
От минус 50 до плюс 180 |
180 |
25 |
±0,25 ±0,50 |
12Х18Н10Т (Н10) 10Х17Н13М2Т (Н13) | |
50 |
±0,15 ±0,25 ±0,50 | ||||||
ТСПУ Метран-276МП ТСПУ Метран-276МП-Ехiа ТСПУ Метран-276МП-Ехd |
100П Pt100 |
От минус 50 до плюс 850 |
300 |
25 |
±0,25 ±0,50 |
12Х18Н10Т (Н10) 10Х17Н13М2Т (Н13) | |
50 |
±0,15 ±0,25 ±0,50 | ||||||
Свыше 300 до 500 |
50 |
±0,50 | |||||
100 |
±0,25 ±0,50 | ||||||
Свыше 500 до 850 |
300 |
±0,15 ±0,25 ±0,50 |
10Х17Н13М2Т (Н13) | ||||
Примечание
|
-
1.2.14 Электрическое сопротивление изоляции цепи ЧЭ относительно защитной арматуры-не менее 100МОм при нормальных климатических условиях.
-
1.2.15 Показатель тепловой инерции ТП, определенный при коэффициенте теплоотдачи, практически равном бесконечности, не превышает значений, приведенных в таблице 2.
Таблица 2
Исполнение ТП в соответствии с рисунком |
Показатель тепловой инерции, е^, с |
Б.1, Б.2 |
40 |
Б.3, Б.4, Б.5 |
20 |
Б.6, Б.8, Б.9, Б.10, Б.11, Б.12, Б.13, Б.14, Б.15 |
8 |
Б.7 |
30 |
-
1.2.16 Монтажная часть защитной арматуры ТП рассчитана на условное давление Ру и выдерживает испытания на прочность пробным давлением Рпр, указанным в таблице 3, а на герметичность - внутренним пневматическим избыточным давлением 0,4 МПа.
Таблица 3
Исполнение ТП в соответствии с рисунком |
Давление, МПа | |
Ру |
Рпр | |
Б.1, Б.4, Б.8, Б.9, Б.10, Б.11, Б.12, Б.13, Б.14, Б.15 |
0,4 |
0,6 |
Б.2, Б.3, Б.5, Б.6, Б.7, Б.8 |
6,3 |
10 |
-
1.2.17 ТП соответствуют исполнению V1 по ГОСТ 12997-устойчивы к воздействию синусоидальной вибрации с частотой от 10 до 150 Гц с амплитудой смещения для частоты ниже частоты перехода 0,075 мм и амплитудой ускорения для частоты выше частоты перехода 9,8 м/с2.
Дополнительная погрешность ТП, вызванная воздействием вибрации в процентах от диапазона изменения выходного сигнала, не превышает ±0,15%.
-
1.2.18 Дополнительная погрешность ТП, вызванная изменением температуры окружающего воздуха в рабочем диапазоне температур (п.1.2.11), выраженная в процентах от диапазона изменения выходного сигнала, не превышает 0,1% во всем диапазоне температур.
-
1.2.19 ТП устойчивы к воздействию внешнего переменного магнитного поля с частотой (50±1)Гц и напряженностью до 400А/м. Дополнительная погрешность при самых неблагоприятных фазе и направлении поля не превышает ±0,1% от диапазона изменения выходного сигнала.
-
1.2.20 Дополнительная погрешность, вызванная изменением сопротивления нагрузки от минимального до максимального значения, не превышает ±0,05% от диапазона изменения выходного сигнала.
-
1.2.21 Дополнительная погрешность ТП, вызванная изменением напряжения питания в пределах от его минимального значения до максимального при значениях номинального нагрузочного сопротивления, оговоренного в п.1.2.8, не превышает ±0,05% от диапазона выходного сигнала.
-
1.2.22 В соответствии с ГОСТ Р 51330.10 внутренняя емкость и индуктивность ПНП исполнения Ех, равны Ci=4,7 нФ, Li < 6 мкГн.
-
1.2.23 Изменение выходного сигнала ТП, вызванное заземлением любого конца цепи нагрузки при заземленном корпусе, не превышает ±0,1% от диапазона изменения выходного сигнала.
-
1.2.24 Вероятность безотказной работы ТП за 2000 ч-не менее 0,8.
-
1.2.25 Средний срок службы ТСМУ, ТСПУ-не менее 5 лет, ТХАУ-не менее 2 лет.
1.3 Состав изделия
Термопреобразователи с унифицированным выходным сигналом состоят из первичного преобразователя температуры (термопреобразователя сопротивления или термоэлектрического преобразователя) и программируемого нормирующего преобразователя.
Исполнения ТП указаны в приложении Б.
Монтажные комплекты кабельного ввода предприятия-изготовителя -в приложении Д.
Основные детали и узлы приведены на чертежах приложений Е, Ж, И, П.
1.4 Устройство и работа
-
1.4.1 ТП состоят из термозондов и измерительных преобразователей с выходным сигналом 4-20 мА. Термозонды снабжены либо чувствительными элементами (медным ЭЧМ, платиновым ЭЧП), либо термоэлектрическим чувствительным элементом (ТХА). Измерительный преобразователь Метран-642 может применяться с любыми термозондами, а преобразователь Метран-643 только с ЭЧМ, ЭЧП.
-
1.4.2 Измеряемый параметр для ТСМУ Метран-274МП, ТСПУ Метран-276МП, ТСМУ Метран-274МП-Ех, ТСПУ Метран-276МП-Ех-температура, преобразуемая в изменение омического сопротивления терморезистора, размещенного в термозонде. Программируемый нормирующий преобразователь (ПНП) преобразует сигнал от первичного преобразователя температуры (ППТ) с помощью аналогово-цифрового преобразователя (АЦП) в дискретный сигнал. Дискретный сигнал обрабатывается микропроцессором с целью:
-линеаризации НСХ ЧЭ ППТ;
-перестройки пределов измерения в пределах рабочего диапазона температур;
-перенастройки номинальной статической характеристики в случае замены чувствительного элемента на другой тип, при этом преобразователь Метран-643 может быть перенастроен на любую НСХ термосопротивлений из ряда (50М, 100М, 500М, 1000М, 50П, 100П, 500П, 1000П), а преобразователь Метран-642 наряду с этими же градуировками термосопротивлений, поддерживает и градуировки термопар из ряда (R, S, B, N, K, L);
-калибровки датчика под индивидуальную статическую характеристику чувствительного элемента по 2 - 8 температурным точкам для повышения его точности;
-изменения постоянной времени усреднения показаний;
-самодиагностики составляющих узлов ПНП;
-детектирования обрыва или короткого замыкания ППТ.
С выхода микропроцессора дискретный сигнал поступает на цифроаналоговый преобразователь (ЦАП), осуществляющий преобразование дискретного сигнала в унифицированный токовый сигнал 4-20 мА или 20-4 мА.
ПНП преобразует напряжение, возникшее на термочувствительном элементе, в токовый выходной сигнал.
Измерение температуры ТХАУ Метран-271МП и ТХАУ Метран-271МП-Ех основано на явлении возникновения в цепи термопреобразователя термоэлектродвижущей силы при разности температур между его рабочими и свободными концами. Характер нелинейности выходного сигнала соответствует номинальной статической характеристике преобразования К по ГОСТ Р 8.585.
-
1.4.3 В состав ПНП входит компенсатор температуры «холодных» концов термоэлектрического преобразователя для ТХАУ Метран-271МП и ТХАУ Метран-271МП-Ех.
-
1.4.4 ПНП производит диагностику состояния ТП. Если устройство диагностики обнаружит неисправность ППТ или электронного модуля, то выходной сигнал переводится в состояние, соответствующее нижнему (1вых.<3,75 мА) пределу измерения.
-
1.4.5 Конфигурационные параметры ТП: -первичный преобразователь температуры
ТХА, ТСП или ТСМ
Двух- или четырехпроводная
4-20мА или 20-4 мА
°С или F
-схема подключения
-вид выходного сигнала
-единица измерения
-диапазон измерения
согласно заказу, может быть изменен пользователем
-температурная компенсация холодного спая ТХА
внутренняя
есть
есть
есть
-компенсация сопротивления линии связи при двух проводной схеме подключения ТС
-диагностика состояния:
ППТ
электронного модуля
-
1.4.6 Искробезопасность электрических цепей ТП ТСМУ-Ех, ТСПУ-Ех и ТХАУ-Ех достигается за счет ограничения тока (1кз<120мА) и напряжения (ихх<24В) в электрических цепях до их искробезопасных значений, а также за счет выполнения конструкции и схемы ТП в соответствии с требованиями ГОСТ Р 51330.10.
Ограничение тока и напряжения в электрических цепях ТП до искробезопасных значений достигается за счет их обязательного функционирования в комплекте с блоками питания либо барьерами искрозащиты:
-блок питания БПД-40-2к-Ех;
-блок питания БП3С-Ех;
-барьер искрозащиты РИФ-2А.
-
1.4.7 ПНП встроен в корпусе соединительной головки и соединен с первичным преобразователем температуры (термозондом). Подача питающего напряжения и передача информационного сигнала производится через кабельный ввод и разъемы ПНП.
1.5 Средства измерения, инструмент и принадлежности
Перечень средств измерения, инструмента и оборудования, необходимых для проверки ТП приведен в таблице 4.
Таблица 4
Наименование |
Основные характеристики |
Тип |
Примечание |
Мегаомметр |
Диапазон измерения 0-2000 МОм. Основная погрешность измерения ±2,5 % |
Ф4101 | |
Барометр |
Диапазон измерения 600-800 мм рт.ст., погрешность отсчета ±0,8 мм рт. ст. |
М67 | |
Вольтметр цифровой |
Диапазон измерения 0-1 В, 0-10 В, 0-100 В, 200Ом, класс точности 0,002 |
В7-54/3 |
В7-65/5 |
Блок питания |
Напряжение постоянного тока от 0 до плюс 50В, класс стабилизации 0,2 |
Б5-48 |
БПД-40-2к-Ех БП3С-Ех, РИФ-2А |
Магазин сопротивлений |
Сопротивление от 0 до 105 Ом, класс точности 0,02 |
МСР-60М |
Р4831 |
Мультиметр |
Диапазон измерения от 0 до 20мА. Предел допускаемой основной погрешности ±0,5% |
Ц4342М1 | |
Мера сопротивления |
Сопротивление 25, 50, 100 Ом; класс точности 0,002 |
Р3007 | |
Криостат |
Диапазон температур от минус 50 до плюс 80°С |
К-80 |
Продолжение таблицы 4
Наименование |
Основные характеристики |
Тип |
Примечание |
Термостат паровой |
Погрешность воспроизведения температуры кипения воды ±0,03°С |
ТП-1М | |
Термостат нулевой |
Погрешность воспроизведения тройной точки воды ±0,02°С |
ТН-1М | |
Калибратор температур |
Диапазон температур от плюс 50 до плюс 500°С |
КТ-500 | |
Термостат сухоблочный |
Диапазон температур от плюс 50 до плюс 500°С |
ТС-500 | |
Термостат сухоблочный |
Диапазон температур от плюс 50 до плюс 500°С |
ТС-500Е | |
Термостат сухоблочный |
Диапазон температур от плюс 300 до плюс 1000°С |
ТС-1000 | |
Эталонный ртутный термометр |
Третий разряд: диапазон измеряемых температур от минус 20 до плюс 30°С Цена деления 0,2°С |
ТЛ-21Б-2 | |
Эталонный термометр сопротивления |
Первый разряд; диапазон измеряемых температур от 0 до плюс 630°С |
ПТС-10М | |
Эталонный термоэлектрический преобразователь |
Второй разряд; диапазон измеряемых температур от плюс 300 до плюс 1200°С |
ППО | |
Термометр сопротивления платиновый эталонный высокотемпературный |
Первый разряд; диапазон измеряемых температур от плюс 419,527 до плюс 1084,620°С |
ВТС | |
Термометр сопротивления эталонный |
Третий разряд; диапазон измеряемых температур от минус 196 до плюс 660,323°С |
ЭТС-100 | |
Прецизионный преобразователь сигналов ТС и ТП |
Погрешность преобразования ТС ±0,01°С Погрешность преобразования ТС ±0,2°С |
Теркон | |
Горизонтальная трубчатая печь |
Диапазон температур от плюс 200 до плюс 1200°С |
МТП-2М | |
Компаратор напряжений |
Класс точности 0,0015, выходное напряжение 0; 0,1 В |
Р3003 | |
Персональный компьютер |
IBM совместимый, операционная система Windows |
Celeron 800/128/16/ AGP/20Gb | |
Программное обеспечение |
Тестирование, измерение параметров, конфигурирование и настройка ТП |
Программа МMaster | |
Модем |
Сопряжение IBM РС через СОМ-порт с устройствами М-270МП (RS232/4-20 мА) |
Метран- 671 | |
Примечания
|
1.6 Маркировка и пломбирование
-
1.6.1 На крышке оболочки ТП взрывозащищенного исполнения выполнена рельефная (высота рельефа 0,2-0,5 мм) предупредительная надпись «Открывать, отключив от сети» и маркировка взрывозащиты по ГОСТ Р 51330.0-в зависимости от исполнения ЕхiаIIСТ5 Х (ЕхiаIIСТ6 Х) или 1ЕхdПСТ5 Х (1ЕхdIIСТ6 Х), где: 1-уровень взрывозащиты;
Ех-знак, указывающий, что ТП соответствует ГОСТ Р 51330.0;
iа или d-вид взрывозащиты «искробезопасная цепь» или «взрывонепроницаемая оболочка» соответственно;
ПС-подгруппа электрооборудования по ГОСТ Р 51330.0;
Т5, Т6-температурный класс электрооборудования по ГОСТ Р 51330.0;
Х-знак «Х» в маркировке взрывозащиты означает:
-ТП исполнения Exia должен применяться в комплекте с источником питания и регистрирующей аппаратурой, имеющими искробезопасную электрическую цепь, свидетельство или заключение о взрывозащищенности;
-при эксплуатации необходимо принимать меры защиты от превышения температуры наружной части ТП вследствие теплопередачи от измеряемой среды выше допустимого значения для категории ПС окружающей взрывоопасной смеси газов и паров с воздухом по ГОСТ Р 51330.11 температурного класса Т5.
-
1.6.2 На паспортной табличке, расположенной на крышке головки ТП, должны быть нанесены следующие знаки и надписи:
-товарный знак предприятия-изготовителя;
-знак утверждения типа;
-модель термопреобразователя с номером исполнения защитной арматуры и видом взрывозащиты, например, ТХАУ Метран-271МП-05, 1ЕхdIICT6 Х;
-длина монтажной части L;
-предел допускаемой основной приведенной погрешности;
-рабочий диапазон температур;
-диапазон изменения выходного сигнала;
-климатическое исполнение;
-диапазон значений температуры окружающей среды ta (для исполнений Ех при применении ТП в диапазоне температур окружающей среды отличном от диапазона минус 20-плюс 40°С, например, -40°С < ta < +70°С);
-порядковый номер по системе нумерации предприятия-изготовителя;
-дата выпуска (год и месяц).
-
1.6.3 На корпусах ТП взрывозащищенного исполнения рядом с болтом заземления имеется знак заземления по ГОСТ 21130.
-
1.6.4 Для исключения несанкционированного доступа внутрь оболочки ТП взрывозащищенного исполнения предусмотрено пломбирование термостойкой пломбировочной мастикой.
Места расположения пломб указаны на чертежах средств взрывозащиты (приложения Е, Ж, И, П).
Пломбирование производит потребитель на месте монтажа ТП.
1.7 Упаковка
-
1.7.1 Упаковка ТП состоит из потребительской и транспортной тары, изготавливаемой по чертежам предприятия-изготовителя.
ТП упаковывают в полиэтиленовые пакеты и укладывают в транспортные ящики вместе с эксплуатационной документацией.
-
1.7.2 Упаковка соответствует категории КУ-0 или КУ-3 (при поставке на экспорт) по ГОСТ 23170. Упаковочный лист укладывается в каждое грузовое место.
1.8 Обеспечение взрывозащиты
-
1.8.1 Взрывозащищенность ТП исполнения Ехd достигается заключением его электрических цепей во взрывонепроницаемую оболочку, выполненную в соответствии с ГОСТ Р 51330.1.
Оболочка выдерживает давление взрыва внутри и исключает его передачу в окружающую взрывоопасную среду.
-
1.8.2 Прочность оболочки ТП проверяется при ее изготовлении путем гидравлических испытаний избыточным давлением 1 МПа в течение 1 мин.
-
1.8.3 Взрывонепроницаемость оболочки ТП обеспечивается применением щелевой взрывозащиты.
На чертежах средств взрывозащиты словом «взрыв» обозначены сопряжения деталей ТП и параметры, обеспечивающие его взрывозащиту: шаг резьбы, число полных непрерывных, неповрежденных ниток в зацеплении.
-
1.8.4 Врывозащищенность ввода кабеля при использовании кабельного ввода предприятия-изготовителя обеспечивается путем его уплотнения эластичным резиновым кольцом. Минимальная высота кольца (в сжатом состоянии) 9 мм, что регламентируется ГОСТ Р 51330.1.
-
1.8.5 Крышка оболочки ТП предохранена от самоотвинчивания с помощью специального упора; корпус монтажного комплекта кабельного ввода предприятия-изготовителя и защитная арматура-с помощью клея К-300.
-
1.8.6 Заземляющие зажимы предохранены от самоотвинчивания применением пружинных шайб.
-
1.8.7 Искробезопасность электрических цепей ТП исполнения Ехiа достигается за счет ограничения тока (1к.з.<120мА) и напряжения питания (ихх<24В) в электрических цепях до их искробезопасных значений за счет конструктивного исполнения измерительного токового преобразователя в соответствии с требованиями ГОСТ Р 51330.10.
Ограничение тока и напряжения в электрических цепях ТП до искробезопасных значений достигается за счет их обязательного функционирования в комплекте с блоками питания и барьерами искрозащиты, указанных в п.1.4.6.
-
2 ИСПОЛЬЗОВАНИЕ ПО НАЗНАЧЕНИЮ
2.1 Эксплуатационные ограничения
-
2.1.1 Диапазон температур окружающего воздуха для ТП исполнения У1.1 от минус 40 до плюс 70°С, для ТП исполнения Ех температурного класса Т6-от минус 20 до плюс 40°С и температурного класса Т5 от минус 40 до плюс 70°С; для ТП тропического исполнения Т3-от минус 10 до плюс 70°С; для ТП исполнения Ех температурного класса Т6-от минус 10 до плюс 40°С, температурного класса Т5-от минус 10 до плюс 70°С.
-
2.1.2 Относительная влажность воздуха (95±3)% при температуре 35°С.
-
2.1.3 Частота вибрации от 10 до 150Гц, амплитуда смещения 0,075мм, амплитуда ускорения 9,8м/с2.
-
2.1.4 ТП монтируются в любом положении, удобном для обслуживания.
При монтаже ТП рекомендуется учитывать габаритные и присоединительные размеры, указанные в приложении Б.
При выборе места установки необходимо учитывать следующее:
-ТП Метран-270МП нельзя устанавливать во взрывоопасных помещениях;
-во взрывоопасных помещениях (1.1) следует устанавливать ТП Метран-270МП-Ех.
-
2.1.5 После окончания монтажа ТП проверьте места соединений на герметичность при максимальном условном давлении путем контроля за спадом давления. Спад давления за 15 мин не должен превышать5 % от максимального.
-
2.1.6 Произвести заделку кабеля в кабельный ввод подсоединением жилы кабеля к клеммам корпуса ТП в соответствии с маркировкой.
При монтаже кабеля снять крышку, отвернуть гайку уплотнения кабельного ввода. После подсоединения жил кабеля к клеммам корпуса и его заделки завернуть гайку уплотнения кабельного ввода и поставить крышку на место.
2.2 Подготовка ТП к использованию
-
2.2.1 При получении ящиков с ТП установить сохранность тары. В случае ее повреждения следует составить акт и обратиться с рекламацией к транспортной организации.
-
2.2.2 В зимнее время ящики с ТП распаковывать в отапливаемом помещении не менее чем через 12 ч после внесения их в помещение.
-
2.2.3 При получении ТП рекомендуется сделать соответствующие записи в паспорте, касающиеся эксплуатации ТП. Например, дата установки ТП, наименование организации, установившей ТП, место установки ТП, записи по обслуживанию с указанием имевших место неисправностей и их причин, восстановительных работ и времени, когда эти работы были проведены.
Предприятие-изготовитель заинтересовано в получении технической информации о работе ТП и возникших неполадках с целью устранения их в дальнейшем.
Все предложения по усовершенствованию конструкции ТП следует направлять в адрес предприятия-изготовителя.
-
2.2.4 ТП ТХАУ Метран-271МП-Ех, ТСМУ Метран-274МП-Ех, ТСПУ Метран-276МП-Ех могут устанавливаться во взрывоопасных зонах помещений и наружных установок согласно главе 7.3 ПУЭ, главе 3.4 ПЭЭП и другим нормативным документам, регламентирующим применение оборудования во взрывоопасных условиях.
-
2.2.5 Прежде чем приступить к монтажу ТП необходимо осмотреть их. При этом необходимо проверить маркировку по взрывозащите и крепящие элементы, а также убедиться в целостности корпусов ТП.
-
2.2.6 Монтаж ТП производить в соответствии со схемами внешних соединений, в качестве примера приведенных в Приложениях В, Г.
-
2.2.7 Линия связи может быть выполнена любым типом кабеля с медными проводами сечением не менее 0,35мм2 согласно главе 7.3 ПУЭ. Параметры линии связи между датчиками ТХАУ Метран-271МП-Ех, ТСМУ Метран-274МП-Ех, ТСПУ Метран-276МП-Ех и вторичными устройствами, имеющими вид взрывозащиты «искробезопасная электрическая цепь», не должны превышать С0<0,01мкФ, L0 < 1,0 мГн.
-
2.2.8 При заделке кабеля снять пломбу, стопорную планку и крышку (Приложения Е, Ж, И, П). Распломбирование ТП не снимает обязательств предприятия-изготовителя.
Кабель протянуть через кабельный ввод и подсоединить к клеммной колодке XS3 электронного модуля в соответствии со схемами Приложений В, Г, К.
После подключения кабеля к ТП поставить крышку на место, провести пломбирование.
-
2.2.9 При наличии в момент установки ТП взрывоопасной смеси не допускается подвергать ТП трению или ударам, способным вызвать искрообразование.
2.3 Обеспечение взрывозащищенности ТП при монтаже и эксплуатации
-
2.3.1 Произвести монтаж ТП на объекте. При монтаже необходимо руководствоваться:
-Правилами устройства электроустановок-ПУЭ;
-Инструкцией по проектированию электроустановок;
-Инструкцией по проектированию электроустановок систем автоматизации технологических процессов;
-нормативными документами, действующими в данной отрасли;
-настоящим РЭ.
-
2.3.2 ТП могут устанавливаться в зонах согласно п. 1.1 в соответствии с маркировкой.
-
2.3.3 Заземлить ТП с помощью внутреннего и наружного заземляющих зажимов.
-
2.3.4 Электрическое сопротивление линии заземления не более 4 Ом.
-
2.3.5 Протянуть кабель внутрь оболочки ТП (приложения Е, Ж, И, П), уплотнить в кабельном вводе и подсоединить согласно схем приложения Г.
Для ТП с видом взрывозащиты «взрывонепроницаемая оболочка» присоединение электрических цепей необходимо осуществлять через кабельные вводы предприятия-изготовителя или другие кабельные вводы, сертифицированные в установленном порядке на соответствие требованиям ГОСТ Р 51330.1.
-
2.3.6 После подсоединения проверить, чтобы кабель не выдергивался и не проворачивался в узле уплотнения.
ВНИМАНИЕ: ПРИМЕНЯТЬ УПЛОТНИТЕЛЬНЫЕ КОЛЬЦА ТОЛЬКО ПРЕДПРИЯТИЯ-ИЗГОТОВИТЕЛЯ!
-
2.3.7 Завинтить крышку на корпус до упора.
-
2.3.8 Установить стопорную планку и опломбировать ТП в соответствии с чертежом средств взрывозащиты ( приложения Е, Ж, И, П).
-
2.3.9 Если в месте установки ТП температура наружных частей объекта более 70°С, то необходимо теплоизолировать ТП, исключив передачу тепла к оболочке.
-
2.3.10 При эксплуатации ТП необходимо руководствоваться главой 3.4 ПЭЭП, настоящим руководством по эксплуатации, местными инструкциями на оборудование, в комплекте с которым работают ТП.
К эксплуатации ТП должны допускаться лица, изучившие настоящее руководство по эксплуатации и прошедшие необходимый инструктаж.
-
2.3.11 Во время эксплуатации изделие должно подвергаться периодическому внешнему, а также профилактическим осмотрам.
При внешнем осмотре необходимо проверить:
-целостность оболочки ТП и кабеля, отсутствие на них повреждений, наличие пломбировки стопорного устройства крышки;
-наличие маркировки взрывозащиты.
ЗАПРЕЩАЕТСЯ ЭКСПЛУАТАЦИЯ ТП С ПОВРЕЖДЕНИЯМИ.
-
2.3.12 Перед включением ТП необходимо убедиться в соответствии их установки и монтажа указаниям, изложенным в подразделах 2.2 настоящего РЭ. Подключить питание к ТП.
После включения электропитания, необходимо убедиться в наличии выходного сигнала с помощью милиамперметра постоянного тока, подключенного в разрыв цепи внешней нагрузки.
2.4 Использование ТП
-
2.4.1 Перестройку диапазонов измерения температуры в процессе эксплуатации ТП производят с помощью ПК с программным обеспечением предприятия-изготовителя MMaster с использованием последовательного интерфейса RS232. Программа поставляется по отдельному заказу.
-
2.4.2 Полное описание программы перестройки диапазонов измерения приведено в приложении Н.
-
2.4.3 Возможные неисправности ТП и способы их устранения приведены в таблице 5.
Таблица 5
Неисправность |
Причина |
Способ устранения |
1 Выходной сигнал отсутствует |
Обрыв линии нагрузки или в линии связи с источником питания |
Найти и устранить обрыв в цепи питания |
2 Выходной сигнал нестабилен. Погрешность ТП превышает допускаемую и не регулируется |
Неисправность измерительного преобразователя или термозонда |
Заменить измерительный преобразователь или термозонд |
-
2.4.4 Устранение неисправностей ТП
После поиска неисправностей согласно таблицы 5 приступают к демонтажу отказавшего узла (блока).
Устранение неисправностей ТП при отказе измерительного преобразователя заключается в замене отказавшего ПНП на новый.
Устранение других неисправностей ТП следует производить только на предприятии, оснащенном всеми необходимыми контрольно-измерительными приборами и оборудованием по таблице 4.
Для замены ПНП необходимо снять крышку с корпуса, отвернуть винты крепления электронного модуля, отсоединить от него первичный преобразователь температуры. Вытащить ПНП из корпуса, установить на его место новый ПНП и закрепить. Установить необходимый тип НСХ первичного преобразователя температуры в соответствии с указаниями в разделах 3.3, 3.4.
Произвести настройку нуля и диапазона измерения в соответствии с указаниями в разделах 3.3, 3.4. Произвести проверку основной погрешности по методике раздела 3.4. При положительных результатах проверки установить крышку корпуса. Подсоединить первичный преобразователь температуры согласно схем приложения К.
-
3 ТЕХНИЧЕСКОЕ ОБСЛУЖИВАНИЕ
3.1 Общие указания
-
3.1.1 К техническому обслуживанию (ТО) допускаются лица, изучившие настоящее руководство по эксплуатации и прошедшие инструктаж на рабочем месте.
-
3.1.2 При эксплуатации ТП необходимо руководствоваться гл.3.4 ПЭЭП, настоящим руководством по эксплуатации, местными инструкциями на оборудование, в комплекте с которым работают ТП.
-
3.1.3 Во время эксплуатации ТП в специальном техническом обслуживании не нуждаются, за исключением периодического внешнего осмотра с целью контроля:
-целостности оболочки ТП и кабеля;
-наличия заземления оболочки ТП;
-наличия пломб.
Периодически проводится контроль работоспособности ТП, соблюдение условий эксплуатации.
-
3.1.4 Периодичность осмотров зависит от условий эксплуатации, но не должна быть реже одного раза в месяц.
ЗАПРЕЩАЕТСЯ ЭКСПЛУАТАЦИЯ ТП С ПОВРЕЖДЕНИЯМИ.
-
3.1.5 Одновременно с внешним осмотром может производиться уход за ТП, не требующий его отключения от сети, например, подтягивание болтов и гаек.
-
3.1.6 При периодическом осмотре должны быть выполнены следующие работы:
-чистка полости корпуса, поверхности ПНП от пыли и грязи;
-проверка сопротивления изоляции электрических цепей ТП относительно корпуса в соответствии с п.3.4.6.
-
3.1.7 При профилактическом осмотре должны быть выполнены все вышеуказанные работы внешнего осмотра. При этом дополнительно должны быть выполнены следующие работы:
-чистка полости измерительного преобразователя от пыли и грязи;
-проверка сопротивления изоляции электрических цепей ТП относительно корпуса согласно п.3.4.7.
3.2 Меры безопасности
-
3.2.1 При монтаже, техническом обслуживании и демонтаже ТП необходимо соблюдать меры предосторожности от ожогов и других видов поражения в соответствии с правилами техники безопасности, установленными на объекте.
-
3.2.2 Замену, отсоединение, присоединение ТП к трубопроводу объекта производить при полном отсутствии избыточного давления.
3.3 Методика настройки, регулирования и проверки ПНП
-
3.3.1 Регулирование и проверка ПНП производится после их замены, при периодических поверках ТП и при необходимости перенастройки ТП. Регулирование и перенастройка ПНП производится с помощью конфигуратора Метран-671, состоящего из специализированного модема, подключаемого к персональному компьютеру, и программного обеспечения MMaster. Схема подключения конфигуратора приведена в приложении М. Руководство пользователя ПО MMaster приведено в отдельном документе (приложение Н).
-
3.3.2 Измерение выходного токового сигнала производить в следующей последовательности:
-отсоединить (при периодической поверке) ПНП от термозонда;
-собрать схемы поверки в соответствии с приложением Л;
-включить питание ПНП и выдержать не менее 30 мин;
-определить значение выходного сигнала ПНП, соответствующее нижнему предельному значению измеряемого параметра;
-при отличии выходного сигнала от требуемого (расчетного) значения необходимо произвести корректировку при помощи ПК и программного обеспечения;
-установку нижнего значения выходного сигнала необходимо производить с точностью не хуже ±0,003мА (без учета погрешности контрольных средств измерения);
-задать с помощью магазина сопротивлений или компаратора напряжений входной сигнал ПНП, соответствующий верхнему предельному значению измеряемой температуры.
Расчетное значение выходного токового сигнала 4 или 20 мА.
При отличии выходного сигнала от расчетного значения необходимо произвести корректировку при помощи ПК и программного обеспечения. Установку верхнего значения выходного сигнала необходимо произвести с точностью ±0,008мА.
При необходимости перечисленные операции повторять пока предельные значения выходного сигнала не будут установлены с требуемой точностью.
Установить ПНП в корпус и соединить его с первичным преобразователем температуры.
3.4 Методика поверки
Настоящая методика поверки распространяется на термопреобразователи с унифицированным выходным сигналом Метран-270МП, Метран-270МП-Ех и устанавливает методику их первичной и периодической поверок.
Настоящая методика может быть применена при настройке этих термопреобразователей.
Межповерочный интервал-не более 1 года.
-
3.4.1 Операции поверки.
При проведении поверки выполняют операции, указанные в таблице 6.
Таблица 6
Наименование операции |
Номер пункта рекомендации по поверке |
Проведение операции при | |
первичной поверке |
периодической поверке | ||
1 Внешний осмотр |
3.4.5.1 |
+ |
+ |
2 Опробование |
3.4.5.2 |
+ |
+ |
3 Проверка сопротивления изоляции ТП |
3.4.5.3 |
+ |
+ |
4 Проверка основной приведенной погрешности ТП |
3.4.5.4 |
+ |
+ |
Примечание-При получении отрицательных результатов поверки хотя бы по одному пункту таблицы 6 ТП бракуется. |
-
3.4.2 Средства поверки
Средства измерения, инструмент и принадлежность, необходимые при поверке, приведены в таблице 4 подраздела 1.5.
-
3.4.3 Требования безопасности и требования к квалификации поверителей.
-
3.4.3.1 К поверке допускаются лица, имеющие необходимую квалификацию, изучившие эксплуатационную документацию на поверочные установки, средства поверки.
-
3.4.3.2 При проведении поверки термопреобразователей соблюдают «Правила технической эксплуатации электроустановок потребителей» и «Правила техники безопасности при эксплуатации электроустановок потребителей», утвержденные Госэнергонадзором, и требования, установленные ГОСТ 12.2.007.0.
-
3.4.3.3 Электроизмерительные приборы и оборудование должны быть заземлены. Переходное сопротивление между зажимами заземления и контурами заземления (силовым, приборным) должно быть не более 0,1 Ом.
-
-
3.4.4 Условия поверки и подготовка к ней
-
3.4.4.1 При проведении поверки должны соблюдаться следующие условия:
-температура окружающего воздуха, °С
(20±5);
-относительная влажность окружающего воздуха, %
30-80;
-атмосферное давление, кПа
-напряжение питания согласно п.1.2.7;
84,0-106,7;
-
-сопротивление нагрузки по п.1.2.8.
-
3.4.4.2 Поверяемые термопреобразователи и используемые средства поверки должны быть защищены от вибраций и ударов, а также от внешних электрических полей.
-
3.4.4.3 Перед поверкой необходимо выдержать термопреобразователи при температуре окружающего воздуха (20±5)°С не менее 2ч.
-
3.4.4.4 Средства поверки подготавливают к работе в соответствии с эксплуатационной документацией.
-
3.4.5 Проведение поверки.
-
3.4.5.1 Внешний осмотр
-
При проведении внешнего осмотра термопреобразователя проверяют отсутствие механических повреждений, препятствующих его применению, правильность маркировки, крепление ПНП внутри корпуса соединительной головки термопреобразователя.
При наличии дефектов, несоответствия комплектности, маркировки, определяют возможность дальнейшего применения термопреобразователя.
-
3.4.5.2 Опробование
Для проверки работоспособности поверяемого ТП его помещают в термостат (печь) с температурой, соответствующей любой точке диапазона измерения ТП, и убеждаются в наличии выходного токового сигнала, который должен быть в диапазоне изменения выходного сигнала. Затем ТП извлекают из термостата (печи). Выходной сигнал ТП при этом должен измениться вслед за изменением измеряемой температуры.
-
3.4.5.3 Проверка сопротивления изоляции ТП
Проверка проводится при условиях, установленных в 3.4.4.1.
Для проверки используют мегаомметр с номинальным рабочим напряжением 100 В (таблица 4 подраздела 1.5). Подключают один из зажимов мегаомметра к закороченным между собой выходным контактам термопреобразователя, а другой-к металлической защитной арматуре. По истечении 1 мин или через меньшее время, за которое показания средств измерения практически установятся, производят отсчет показаний, определяющих электрическое сопротивление изоляции. Электрическое сопротивление изоляции должно быть не менее 100МОм.
-
3.4.5.4 Определение основной приведенной погрешности термопреобразователя.
Определение основной приведенной погрешности термопреобразователя проводят при трех значениях диапазона измерения температуры: начальном, среднем и конечном с отклонениями: ±5°С (до 300°С); ±10°С (до 600°С); ±25°С (до 1000°). Количество отсчетов при каждом значении температуры-не менее двух. Измерение проводят в следующей последовательности:
-
1) Помещают поверяемый термопреобразователь и эталонное средство измерения на одинаковую глубину в криостат, калибратор, термостат, печь согласно таблице 7.
Таблица 7-Перечень криостата и нагревательного оборудования, применяемого в зависимости от типа, исполнения, длины термопреобразователя, а также температуры поверки.
Тип ТП |
Исполнение ТП |
Длина погружаемой части ТП, мм |
Измеряемая температура, °С |
Криостаты, нагревательное оборудование |
Эталонное средство измерения |
ТСМУ ТСПУ |
Общепромышленное; Взрывозащищенное «Exia», «Exd» |
>250 |
от минус 50 до 0 |
К-80 |
ЭТС-100 |
0 |
ТН-1М |
ПТС-10М | |||
от 0 до плюс 500 |
КТ-500; ТС-500 | ||||
от плюс 500 до плюс 850 |
ТС-1000 |
ВТС | |||
Общепромышленное; Взрывозащищенное «Exia» |
<250 |
от минус 50 до 0 |
К-80 |
ЭТС-100 | |
0 |
ТН-1М |
ПТС-10М | |||
от 0 до плюс 500 |
ТС-500 | ||||
от плюс 500 до плюс 850 |
ТС-1000 |
ВТС | |||
Взрывозащищенное «Exd» |
<250 |
от минус 50 до 0 |
К-80 |
ЭТС-100 | |
0 |
ТН-1М |
ПТС-10М | |||
от 0 до плюс 500 |
ТС-500Е | ||||
от плюс 500 до плюс 850 |
ТС-1000 |
ВТС | |||
ТХАУ |
Общепромышленное; Взрывозащищенное «Exia», «Exd» |
>320 |
0 |
ТН-1М |
ПТС-10М |
от 0 до плюс 500 |
КТ-500; ТС-500 | ||||
от плюс 500 до плюс 1000 |
МТП-2М |
ППО; ВТС | |||
Общепромышленное; Взрывозащищенное «Exia» |
<320 |
0 |
ТН-1М |
ПТС 10М | |
от 0 до плюс 500 |
ТС-500 | ||||
от плюс 500 до плюс 1000 |
ТС-1000 |
ППО; ВТС | |||
Взрывозащищенное «Exd» |
<320 |
0 |
ТН-1М |
ПТС-10М | |
от 0 до плюс 500 |
ТС-500Е | ||||
от плюс 500 до плюс 800 |
ТС-1000 |
ППО; ВТС |
-
2) Подключают поверяемый термопреобразователь к источнику питания постоянного тока сопротивлению нагрузки согласно схемы, приведенной в приложении М;
-
3) Время выдержки эталонного СИ и поверяемых ТП должно быть достаточным для установления теплового равновесия, но не менее 30 мин;
-
4) Полученные данные заносят в таблицу 8;
Таблица 8
Номер ТП |
Проверяемая. точка,.°С |
Показания эталонного СИ, Ом/мВ |
Действительная температура, td,°C |
Показания поверяемого ТП 1вых, мА |
Значение температуры, измеряемой ТП, ti, °С |
Основная п Т |
огрешность П |
Предел допускаемой основной погрешности, Yо % |
Абсолют. |
Относит. | |||||||
(Мд)°С |
Y, % | |||||||
Для заполнения таблицы проводят следующие расчеты:
а) Значение действительной температуры td рассчитывается при использовании эталонного платинового термометра сопротивления по ГОСТ 8.157, а при использовании образцового термоэлектрического преобразователя-по ГОСТ Р 8.585;
б) Значение температуры измеренное ТП, рассчитывается, исходя из величин 1выхл по следующей формуле:
t. = x(t -1 . )+1 . (1)
i I - I max min min
max min
где tmax, tmin - верхний и нижний пределы измерения поверяемого ТП, °С;
1выхЛ -значение выходного тока, соответствующее поверочной точке, мА;
Imin -нижнее значение выходного тока, равное 4 мА;
Imax -верхнее значение выходного тока равное 20 мА.
в) Основная приведенная погрешность ТП вычисляется по формуле:
Y = - td x 100 %, (2)
tmax - tmin
где ti, tmax, tmin -то же, что и в формуле (1);
td-действительное значение температуры, измеряемое эталонным СИ, °С.
-
5) Основная погрешность ТП не должна превышать значений, указанных в таблице 1.
-
6) При превышении основной приведенной погрешности необходимо произвести настройку термопреобразователя с помощью конфигуратора Метран-671, состоящего из специализированного модема, подключаемого к персональному компьютеру и программного обеспечения MMaster. Руководство пользователя программой конфигурирования MMaster приведено в приложении Н
МП 271.01.00.000 РЭ.
Сначала необходимо произвести калибровку ЦАП, калибровку сенсора, калибровку верхнего и нижнего пределов измерения, затем найти основную погрешность термопреобразователя в контрольной точке внутри диапазона (3.4.5.4). Если эта погрешность не превышает значений, приведенных в таблице 1, то термопреобразователь считается выдержавшим поверку, если превышает, то необходимо произвести дополнительную компенсацию термопреобразователя согласно приложения Н. После включения дополнительной компенсации необходимо вернуться к началу 3.4.5.4.
-
3.4.6 Оформление результатов поверки.
При положительных результатах поверки на термопреобразователь выдают свидетельство о поверке в соответствии с ПР 50.2.006, поверительные клейма наносят в соответствии с ПР 50.2.007.
При отрицательных результатах поверки термопреобразователь к применению не допускают, свидетельство о поверке аннулируют и выдают извещение о непригодности с указанием причин в соответствии с ПР 50.2.006.
4 ТРАНСПОРТИРОВАНИЕ И ХРАНЕНИЕ
-
4.1 ТП могут храниться как в транспортной таре, так и без упаковки.
ТП в транспортной таре следует хранить в штабелях по 5 ящиков в соответствии с условиями хранения 3 по ГОСТ 15150, а без упаковки хранить на стеллажах, условия хранения-1 по ГОСТ 15150.
До проведения входного контроля не рекомендуется вскрывать чехол из полиэтиленовой пленки, в котором упакован ящик.
-
4.2 Транспортирование ТП должно производиться всеми видами транспорта в крытых транспортных средствах в соответствии с правилами перевозки грузов, действующих на данном виде транспорта.
-
4.3 Срок пребывания ТП в соответствующих условиях транспортирования-не более 3 месяцев.
-
4.4 Во время погрузочно-разгрузочных работ и транспортирования ящики не должны подвергаться резким ударам и воздействию атмосферных осадков.
5 УТИЛИЗАЦИЯ
-
5.1 Утилизация драгоценных металлов ТСПУ Метран-276-МП, Метран-276МП-Ех производится в соответствии с инструкцией № 67 Министерства финансов РФ «О порядке получения, расходования, учета и хранения драгоценных металлов и драгоценных камней на предприятиях, в учреждениях и организациях», утвержденной 04.08.92.
ПРИЛОЖЕНИЕ А (справочное) Ссылочные нормативные документы
Таблица А.1
Обозначение документа, на который дана ссылка |
Номер раздела, подраздела, приложения разрабатываемого документа, в котором дана ссылка |
ГОСТ 8.157-75 |
3.4.5.4 |
ГОСТ 12.2.007.0-75 |
3.4.3.2 |
ГОСТ 27.003-90 |
1.1 |
ГОСТ 1583-93 |
1.2.3 |
ГОСТ 6111-52 |
Приложение Б, П |
ГОСТ 6616-94 |
1.1 |
ГОСТ 6651-94 |
1.1, 1.2.1, 1.2.6 |
ГОСТ 12997-84 |
1.1, 1.2.17 |
ГОСТ 14254-96 |
1.1 |
ГОСТ 15150-69 |
Введение, 1.1, 1.2.11, 4.1 |
ГОСТ 21130-75 |
1.6.3 |
ГОСТ 23170-78 |
1.7.2 |
ГОСТ 30232-94 |
1.1 |
ГОСТ Р 8.585-2001 (ГОСТ 3044-94) |
1.2.1, 1.4.2, 3.4.5.4 |
ГОСТ Р 51330.0-99 (ГОСТ 22782.0-81) |
Введение, 1.1, 1.2.7, 1.2.11, 1.6.1 |
ГОСТ Р 51330.1-99 (ГОСТ 22782.6-81) |
1.1, 1.8.1, 1.8.4, 2.3.5 |
ГОСТ Р 51330.11-99 |
1.6.1 |
ГОСТ Р 51330.10-99 (ГОСТ 22782.5-78) |
1.1, 1.2.7, 1.2.22, 1.4.6, 1.8.7 |
ПР 50.2.006-94 Порядок проверки образцовых СИ (ДСТУ 2708-99) |
1.5, 3.4.6 |
ПР 50.2.007-94 Поверительные клейма (ДСТУ 3968-2000) |
3.4.6 |
Правила устройства электроустановок (ПУЭ) изд.7,2002 |
1.1, 2.2.4, 2.2.7, 2.3.1 |
ПЭЭП Правила эксплуатации электроустановки потребителей |
2.2.4, 2.3.10, 3.1.2, 3.4.3 |
Примечание - В скобках указаны нормативные документы, действующие на территории Украины.
ПРИЛОЖЕНИЕ Б
(обязательное)
Габаритные размеры, масса, исполнения ТП

Рисунок БД-Исполнения
Метран-271МП-01
Метран-274МП-01
Метран-276МП-01
Метран-271 МП-01-Exia
MeTpaH-274Mn-01-Exia
MeTpaH-276Mn-01-Exia
Метран-276МП-17
MeTpaH-276Mn-17-Exia
Рисунок Б .2-Исполнения
Метран-271 МП-02 Метран-274МП-02 Метран-276МП-02 MeTpaH-271Mn-02-Exia MeTpaH-274Mn-02-Exia MeTpaH-276Mn-02-Exia
Метран-276МП-18 MeTpaH-276Mn-18-Exia
Рисунок Б .3- Исполнения Метран-271 МП-03 Метран-274МП-03 Метран-276МП-03 MeTpaH-271Mn-03-Exia MeTpaH-274Mn-03-Exia MeTpaH-276Mn-03-Exia Метран-276МП-19 MeTpaH-276Mn-19-Exia
Таблица Б.1-Длина монтажной части и масса ТП
Рисунок |
Масса, кг | |||||||||||||||||
Длина монтажной части, L, мм | ||||||||||||||||||
о |
О 00 |
о о |
о <м |
о |
о о <м |
о <м |
о <м с<-> |
о о ■'Г |
о о |
о с<-> |
о о 00 |
о о о |
1250 |
1600 |
2000 |
2500 |
3150 | |
Б.1 |
- |
- |
- |
0,50 |
0,65 |
0,75 |
1,00 |
1,20 |
- |
- | ||||||||
Б.2 |
0,52 |
0,65 |
0,83 |
1,25 |
1,60 | |||||||||||||
Б.3 |
- |
- |
0,55 |
0,65 |
0,85 |
1,10 |
1,23 |
1,60 |
Примечание-Максимальная длина монтажной части ТП Метран-274МП-03, Метран-274Mn-03-Exia, Метран-276МП-03, MeTpaH-276Mn-03-Exia, Метран-276МП-19, Метран-276Mn-19-Exia-1000 мм..

Рисунок Б.4 - Исполнения
MempaH-271Mn-04-Exd
MempaH-274Mn-04-Exd
MempaH-276Mn-04-Exd
MempaH-276Mn-20-Exd
Рисунок Б.5 - Исполнения
MeTpaH-271Mn-05-Exd
MeTpaH-274Mn-05-Exd
MempaH-276Mn-05-Exd
MempaH-276Mn-21-Exd

Рисунок Б.6 - Исполнения
MempaH-274Mn-06-Exd
MempaH-276Mn-06-Exd
MempaH-276Mn-22-Exd
Рисунок Б.7 - Исполнения
MeTpaH-271Mn-07-Exd
Примечания
-
1 1=120 мм - для MempaH-271Mn-Exd по рисункам Б.4, Б.5;
1=80 мм - для MempaH-274Mn-Exd, MeTpaH-276Mn-Exd, MempaH-276Mn-20-Exd,
MeTpaH-276Mn-21-Exd по рисункам Б.4, Б.5.
-
2 Кабельные вводы не показаны, приведены в приложении Д.
Таблица Б.2-Длина монтажной части и масса ТП
Рисунок |
Масса, кг | |||||||||||||||
Длина монтажной части, L, мм | ||||||||||||||||
о |
О 00 |
о о |
о |
о |
о о |
о |
о С<-) |
о о ■'Г |
о о |
о С<-) |
о о 00 |
о о о |
1250 |
1600 |
2000 | |
Б.4 |
- |
- |
- |
0,85 |
0,92 |
1,20 |
1,35 | |||||||||
Б.5 |
0,93 |
1,00 |
1,10 |
1,25 |
1,40 | |||||||||||
Б.6 |
- |
- |
0,95 |
1,05 | ||||||||||||
Б.7 |
- |
- |
- |
0,95 |
1,00 |
Таблица Б.3 Длина монтажной части и масса ТП
Рисунок |
Масса, кг, не более | ||||||||||
Длина монтажной части L, мм, не более | |||||||||||
200 |
250 |
320 |
400 |
500 |
630 |
800 |
1000 |
1250 |
1600 |
2000 | |
Б.8, Б.9, Б.10, Б.11 |
1,10 |
1,15 |
1,25 |
1,36 |
Таблица Б.4 Длина монтажной части и масса ТП
Рисунок |
Масса, кг, не более | ||||||||||
Длина монтажной части L, мм, не более | |||||||||||
200 |
250 |
320 |
400 |
500 |
630 |
800 |
1000 |
1250 |
1600 |
2000 | |
Б.12, Б.13, Б.14,Б.15 |
1,10 |
1,15 |
1,25 |
1,36 |
ПРИЛОЖЕНИЕ В
(справочное)
Схемы внешних соединений термопреобразователей Метран-270МП

Rh=R0+R1
R0=100 Ом
100<Rh<1000 Ом
G-источник питания
Рисунок В.1
95

95

Рисунок Б.8 - Исполнение
Метран-271 МП-12-Exd
Рисунок Б.9 - Исполнение
Метран-271 МП-13-Exd


Рисунок Б.10 - Исполнение
Метран-271 МП-14-Exd

Рисунок Б.11 - Исполнение
Метран-271 МП-15-Exd


Рисунок Б.12 - Исполнения
Метран-271 МП-16
Метран-271 МП-16-Exia
Рисунок Б.13 - Исполнения Метран-271МП-17 Метран-271 МП-17-Exia


Рисунок Б.14 - Исполнения Метран-271МП-18 Метран-271 МП-18-Exia
Рисунок Б.15 - Исполнения Метран-271МП-19 Метран-271 МП-19-Exia
ПРИЛОЖЕНИЕ Г
(справочное)
Схемы внешних соединений термопреобразователей Метран-270МП Exia
Взрывоопасная зон а
Х S3

Х S3
+
ТП2
Взрывобезопасная зон а
XP2 XS1
________________ R н 1
1 |
1 | |
2 |
2 | |
БПД-40-2 XP3 |
к-Ех XS2 | |
1 |
1 | |
2 |
2 | |
1 |
XP1 | |
12 |
R н 2
~220
50Гц
Параметры линии связи, не более:
Rh 200 Ом
C кабеля 0,1 мкФ
L кабеля 1,0 мГн
Длина линии связи 1000 м
Рисунок Г.1-Соединение термопреобразователей с блоком питания
БПД-40-2к-Ех

Рисунок Г.2-Соединение термопреобразователей с барьером РИФ-А2
Взрывоопасная зона Взрывобезопасная зона

Рисунок Г.3-Соединение термопреобразователей с блоком питания БП3С-Ех
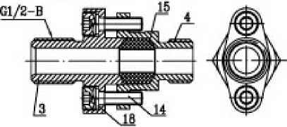
ПРИЛОЖЕНИЕ Д
(справочное)
Монтажные комплекты кабельного ввода

Рисунок Д.1-Ввод кабельный 251.01.08.000 (для трубного монтажа)

Рисунок Д.2-Ввод кабельный 251.01.09.000 (для монтажа бронированного кабеля)


Ei-тпг фгптЯ ооа ао та тег! D.O1 mst-ши «o wto ts?
гт-чу _____ишагсзд цитат owwio'Tsa
sjirfuj LtKi'UJU BJUUniflOd _____-Mdi 2Т-ЭТ OWWIO WB «йитап
4^
Ю

1-корпус, Й-тсрытпип 3—му грим, 4_ штуцер,
5 прок *лgun В Р1ППГТ1ПЯГ яридтурл 7 ядгишш пубсшЬшиыъаыа, в-ддгшп ройный жздулъ, Э гглЙличха гвегшртнвт, JD-бадТ- аваемлвнит, И-Винт Вытспрсннгао щх-жлипи, 1Й--отсмюрыЕЕ гт*апна, JEkU-flminwi. 1б-кщмв рглт^гаялъпйе, IB Платт, 17-днгади|и, 1 В-Епаййа пружинная
1. Свободный объем ВврыВсЕИпроЕпгцпелгЗй обс-лсчки 13Й С*1. ИшЫШЙИШЖг gnLu'mur-lMTb.
-
5. Щтяривлц:
корпус, крышка спааЬ ЛК IS
■ куфгт.1 (гаи.З), штудер (пи.<)-твб£шщ Ж.Й; -ищшпии йрмйшурщ-сшгиь 13Х1ЯР0Т иди 1UK17H1 ЯЫ2Т & ЛиггчштшШ от испинснш;
-вмътю уилтпип1емлюе-ши5л1]ав Ж1;
-
3. На ккАсрХшхгши, обшиачвшсъис ”ВарЛ", № до-щекакшл забхшы, рымбшга, трещины и друзие дефекты
!t. КСЛЩС РТтиуптттйАЬППР ПИ. 15 гтррдначмп rjwn для itsяггиша кабеля с наружным диаметром от В до ID л>.
-
6. В рсзъбЛшс тадишшиы, обганичтанш Ърый'. дияп быть Ь мцгашении нс juiHcc & ныта, ■-гкФр'лдншцх. E[enpspufijjbu: ЬиткоВ
6 ГаьбсВые соедипепш И20к1,5, обсяигчеппые “Rspwfi", стлогтрипь клдам K-JW-Bt.
-
7. ПлггмВиробкк цлпмбирсВочной мястштй.
В, Длина ря1йы ргзЛЛш мдишМиЩ обяшвчшИых “ВфиВ'.“3₽ лннёё Вдо.
Ти" кябелъншо ВВодв |
Катеринл к аг, s иг. ушйШНИ-тшвж |
к» |
251 .01 .DB.DDO |
Ргаинв |
16,5 |
251 01 09 000 |
wn-isua |
Тип хабельзяю Bfioga |
Материал гуетнлеп | |
111ш¥тир ПИ.4 | ||
S51.ai.QB.DDQ |
СплаЬ АК-13 арди-рсбаппыи етшыо IffltEHltrr |
ГилаД ЛК-12 |
S51 01.0&.000 |
Сгщб JkK-12 |


ПРИЛОЖЕНИЕ И
(сбиашедшое)
Чертеж средств Ь?рыЬ™щшпи терлапреобрвжватедей ТТШ Мыпраи-ЕТбМН-Ехй
И7а1,5-7Н/Вд

ЕЬриантп ндбелисоэй Uoga
2S1.D1.DB.O00

Hjpufi
й.О<

КшЫ10 ytlKXIUIUtllBlUiW UW.15
>ш □z /3/ | |||
■ifhulUit Л.1
3 | ||||
a tain |
Тиа шбшънта ВВодн |
Uhrni'ril 1Н!Л НШЩ ТПЛПГПРП1 — тгльнсво |
и*А |
E51.O1.DB.WD |
Во инн ИРП-133Я |
16.5 |
251..01.-09.00D |
Таблица и.2
Тип кабйьык® ВВпдв |
Империал деталей | |
пжЭ |
П1тпупт ГНИ.4 | |
261.01.06.000 |
Сшей AK-1Z армц-роЬвятга сталча ISXlOHlCn |
Опаяй АК 12 |
S5t.oi.os.oao |
ГпллЛ АК-12 |
1-корпус,. Е-крытале. Я-муфте, 4-штуцер,
5 прокладка, 6 защитная арматура, 7-<млли'шт1 uyflrrmfii imr^hi-mfl В—ЯАЕКтраЕШий мпдулъ.
Э тай,липка пваюртяаа, 10 6а.ш1 илеиления, I11 —Винт ЬИ/ПрСННа® -ИЖJLAEHU, Ей—ггпгттрмпн
планка, 13.14 Htaraw, 1&“кплвдр тплшгяшпелмгае [ В—гтм1%~м71 17—жвсшцжн., ЕВ-спайоа пэужинши.
1 СЬибодный сбъел ВарыЬозгеи^пиииел^<1 оболочки
130 ея2. Иппытпалшллиж (рйлыше - 1МПа.
£. Мнгпгрин аы
-корпус. мрышка-ошэЪ AK-1S
--мусрта (ли.З), mrayqqi (тта.4)-таблица И.Е; -ищитнпя й^лЛшурв-сешль ЕИ£1-Ы]ИП или 1UX17UL3M.EJ' В мЙ1-1чи1пгтп11 от исшлнпгиа;
-кол™ удмтяителыюе-тнблица ИД;
-
8. На пАертназпя, йбсапапицгит Tbpvfi", rre до-русмятм забоины, рямлВцны, трещины и дгруние дкрекгг.ы.
-
4. Ko.lLUC уПзйПИГШМлМЮе DM 15 пэдвиюткню для каптажа кабеля с наружнык дцадвтро» от В W Ю АД.
-
5. Е: рСПб'ЗЙЬП OZCJUHCHUn. обмвпл1СННЫ1 ^ЬрыЙ11, должно бшпъ Ь лиспдснци ИВ лснк- 5 цолных, нс-nufcpeigatiiux. пещириМмк bunmeft
ft. EWjnflue тлртнтя МЕСИЛ, абсйпачетпгие "ВгръЛГ, оптюршпъ клее* Г-ЭОО-вЬ
7. Плрцбчрсвпса цлрий/дрсЬндац адсщщши.
В. Л.лтнь реяъбы реяйсйш соединении, обозначении! “ВтраВТ, на иеиве В лм.
Вариант xp.5c.-j.нкк bfioca
E51.01.EJB.ODE1

ПРИЛОЖЕНИЕ К
(справочное)
Схемы внутренних соединений ТП


Рисунок К.2-Схема внутренних соединений ТСМУ Метран-274МП, ТСПУ

Рисунок К.3-Схема внутренних соединений ТСМУ Метран-274МП, ТСПУ Метран-276МП (при трехпроводной схеме соединения ТС)

Метран-276МП (при четырехпроводной схеме соединения ТС)

Рисунок К.5-Размещение клемм ПНП при установке в корпусе термопреобразователей Метран-270МП
ПРИЛОЖЕНИЕ Л
(справочное)
Схемы подключения ПНП при определении основной погрешности

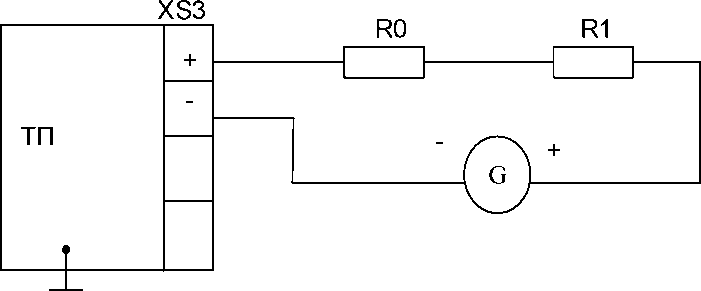
Rh=R0+R1
PV1, PV2-вольтметр цифровой
G-источник питания
ПНП-измерительный преобразователь
МС-мера сопротивления
Рисунок Л.1-ПНП Метран-642, Метран-643 для работы с ТСМУ, ТСПУ

КН-компаратор напряжений КП-компенсационные провода Тн-термостат нулевой
Рисунок Л.2-ПНП Метран-642 для работы с ТХАУ
ПРИЛОЖЕНИЕ М
(справочное)
Схемы соединения термопреобразователей при определении основной погрешности
XS3
1 | |
ТП | |
! |
2 |
PV ■
R0
ПК
R1

PV1, РУ2-вольтметр цифровой
RO-образцовая катушка сопротивлений
Rl-магазин сопротивлений
К-конфигуратор Метран-671
ПК-персональный компьютер
Рисунок М.1-Метран-270МП(ПНП Метран-642, Метран-643) (подключение конфигуратора Метран-671 и компьютера только при необходимости регулировки и настройки ТП)
ПРИЛОЖЕНИЕ П (обязательное)Чертеж средсшВ ЬзрыЬозаЩшпЫ [пермчцреобразсЬашед1еа с унифицированным Ьыходным сияналом ТХАУ Метрйн-Й71М]1-13-Ехд, ManpstH-271MIl-13-Exd, Метров - 2 71 МП-14-Ex d. Метран-2?1М1Ы5-ЕхЦ.
-U--J


Рисунок пр
1 -корпус, 2-крышка, 3-му срта, 4-штуцер, 5-прокладка,
6-арматура, 7-термопарный кабель, 8-нормирующий преобразователь Мстран-842, 9-табличка паспортная,
10-болт заземления, 11-Винт Внутреннего заземления, 13-стопорнм планка, 13. 14-бинты, 15-кальцй уплотнительное, 1В-планка, 17-мастика, 18-шайба пружинная.
19-заика, 20-прокладка.
-
1. Свободный объем БзрыВонспронииаемой оболочки 130 см?. Испытательное давление-1 МПа.
-
2. Материалы:
-корпус, крышка сплав АК-1Й;
-муфта (поа.З), штуцер (nos.4) - таблица ПЛ;
-защитная арматура - сталь 12Х18Н10Т;
-кольцо уплотнительное - резина ИРН-1338;
-зайка (поз. 19) - сталь 12Х1ВН10ГГ;
-
3. На поверхностях, обовначенных "Взрывнс допускаются лабоины. раковины, трещины и друкие дефекты.
-
4. Кольцо уплотнительное поз Л 5 предназначено для монтажа кабеля с наружным диаметром от 8 до 10мм.
-
5. В релъбоВых соединениях, обозначенных "НарыВ", должно быть В зацеплении не менее пяти полных, неповрежденных, непрерывных Витков.
-
6. Резьбовые соединения М 30x1,5, обозначенные “ВзрыВ", стопорить клеем К-300-61.
-
7. Пломбировка пломбироВочпоп масти кой.
-
8. Длина реъбы резьбсВых соединений, обозначенных "ВзрыВ".
- не менее 0мм.
Продолжение приложения И

Рисунок Л.г
(кошта» шшпри иктрих П.1)
Рисунок IL3
(ccnw^vfW c*PRipu pucjTKjH IT,t)
Рисунгж ПЛ
(«чилта» tuwmpu pwywx П.1)
Кольцо уплкпнительное поа.15

4^
00
В-В

Б
Итт


Тдйлищ Е1.1
Тип кайеликйо Bfioqc |
Мчтарийл детялеп | |
ИуфЩЙ пыЗ |
Штуцер пи. 4 | |
asi.oi.DB.ooo |
Cmafi АК—12 apmi-рпЛятпп.гл сталью laXlflHlflT |
Й1ЛН& АК-1В |
ЕЙ .0] .D9.0Q0 |
СилаЬ AK-1S |
Вариант кабеаьноэо ЬЬода
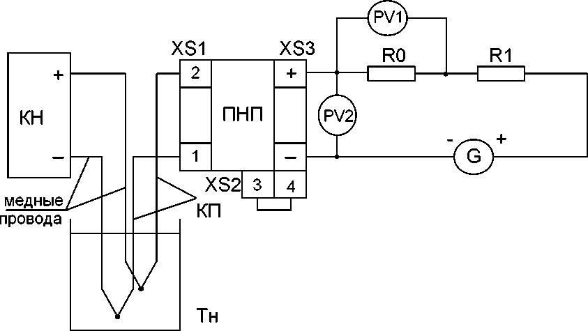
251.oi.oa.oot


