Методика поверки «Датчики-сигнализаторы ДАТ-М» (ИБЯЛ.413216.044 МП)
УТВЕРЖДАЮ
Заместитель директора ФГУП «ВНИИМС»
________________________ В.Н. Яншин
м . п .
«____» ___________ 2015 г.
ДАТЧИКИ-СИГНАЛИЗАТОРЫ
ДАТ-М
Методика поверки
ИБЯЛ.413216.044 МП
2015 г.
Настоящая методика поверки распространяется на датчики-сигнализаторы ДАТ-М (в дальнейшем - сигнализатор) и устанавливает методику первичной (при выпуске из производства, после ремонта) и периодической поверки в процессе эксплуатации.
Интервал между поверками - 1 год.
1 ОПЕРАЦИИ ПОВЕРКИ-
1.1 При проведении поверки должны быть выполнены операции в соответствии с таблицей 1.1.
Таблица 1.1
Наименование операции |
Номер пункта методики поверки |
Проведение операции при поверке | |
первичной |
периодической | ||
1 Внешний осмотр |
6.1 |
Да |
Да |
2 Опробование: |
6.2 | ||
- проверка работоспособности |
6.2.1 |
Да |
Да |
3 Определение метрологических |
6.3 | ||
характеристик: | |||
- определение основной абсолютной |
6.3.1 |
Да |
Да |
погрешности по поверочному | |||
компоненту; | |||
- определение вариации выходного |
6.3.2 |
Да |
Да |
сигнала; | |||
- определение основной абсолютной погрешности срабатывания порогового устройства |
6.3.3 |
Да |
Да |
4 Проверка соответствия программного |
6.4 | ||
обеспечения: | |||
- проверка идентификационных данных программного обеспечения (ПО) 1) |
6.4.1 |
Да |
Да |
Примечание -
1) Проверку проводить для сигнализаторов ДАТ-М-01, ДАТ-М-05/-05Х/-05ХН/-05Г/
-05ГХ/-05ГХН, ДАТ-М-06/-06Г/-06ГТР/-06ГТРХ/-06ГТРХН/-06ТР/-06ТРХ/-06ТРХН.
-
1.2 При получении отрицательных результатов при проведении той или иной операции поверка сигнализатора прекращается.
-
2.1 При проведении поверки должны быть применены средства, указанные в таблице 2.1.
Таблица 2.1
Номер пункта методики поверки |
Наименование и тип основного или вспомогательного средства поверки; обозначение нормативного документа, регламентирующего технические требования и (или) метрологические (МХ) и основные технические характеристики средства поверки |
4.1; 6 |
Барометр-анероид контрольный М-67, диапазон измерения от 81,3 до 105 кПа (от 610 до 790 мм рт. ст.), предел допускаемой погрешности ± 0,1 кПа (± 0,8 мм рт. ст.); ТУ 25-04-1797-75 |
4.1; 6 |
Гигрометр психрометрический ВИТ-2, диапазон измерения относительной влажности от 20 до 90 %, предел абсолютной погрешности от 5 до 7 %; диапазон измерения температуры от 15 до 40 °С, предел абсолютной погрешности ± 0,2 °С; ТУ 25-11.1645-84 |
6.2; 6.3 |
Секундомер механический СОСпр-2б-2-000, емкость шкалы 60 с/60 мин, КТ 2; ТУ 25-1894.003-90 |
6.2; 6.3 |
Ротаметр с местными показаниями РМ-А-0,063 ГУЗ, верхний предел 0,063 м3/ч, КТ 4; ГОСТ 13045-81 |
6.2; 6.3 |
Мультиметр В7-80; МЕРА.411189.001 ТУ |
6.2; 6.3 |
Источник питания Б5-71/1м, диапазон выходного напряжения от 0,1 до 30 В |
6.2; 6.3 |
Вентиль точной регулировки ВТР, РУ-150 атм. ИБЯЛ.306249.011 * |
6.2; 6.3 |
Зажим кровоостанавливающий 1х2-зубый, зубчатый прямой; ТУ64-1-3220-79 * |
6.2; 6.3 |
Трубка ПВХ 4х1,5; ТУ2247-465-00208947-2006 * |
6.2; 6.3 |
Колпачок поверочный ИБЯЛ.753773.008-01 * |
6.2; 6.3 |
Поверочные газовые смеси (ГСО-ПГС) ТУ 2114-001-00226247-2010, согласно таблице 2.2 |
Таблица 2.2
№ ГСО- ПГС |
Компонентный состав |
Единица физической величины |
Характеристики ГСО-ПГС |
Номер ГСО-ПГС по Госреестру | ||
Содержание поверочного компонента |
Пределы допускаемого относительного отклонения, % |
Пределы допускаемой относительной погрешности, % | ||||
1 |
Воздух кл.1 по ГОСТ 17433-80 | |||||
2 |
СН4 -воздух |
объемная доля, % (%, НКПР) |
0,94 (21,4) |
± 5 |
± (-1,33-X+2,13) |
10463-2014 |
3 |
СН4 -воздух |
1,82 (41,4) |
± 0,06 абс. (± 1,4 абс.) |
± 0,04 абс. (± 0,9 абс.) |
10095-2012 | |
4 |
СбН14 -воздух |
0,250 (25) |
± 5 |
± (-1,25-X+2,125) |
10463-2014 | |
5 |
СбН14 -воздух |
0,475 (47,5) |
± 5 |
± (-1,25-X+2,125) |
10463-2014 | |
Примечания
|
-
2.2 Все средства поверки, кроме отмеченных *, должны иметь действующие свидетельства о поверке, ГСО-ПГС в баллонах под давлением - действующие паспорта.
-
2.3 Допускается применение других средств поверки, метрологические характеристики которых не хуже указанных.
-
3.1 Требования охраны труда и производственной санитарии выполнять согласно «Правилам по охране труда на предприятиях и в организациях машиностроения» ПОТ РО-14000-001-98, утвержденным Департаментом экономики машиностроения Министерства экономики РФ 12.03.98.
-
3.2 Требования охраны труда при эксплуатации баллонов с газовыми смесями под давлением должны соответствовать «Правилам промышленной безопасности опасных производственных объектов, на которых используется оборудование, работающее под избыточным давлением», утвержденным приказом Федеральной службы по экологическому, технологическому и атомному надзору от 25 марта 2014 г. № 116.
-
3.3 Сброс газа при поверке сигнализатора по ГСО-ПГС должен осуществляться за пределы помещения.
-
3.4 Помещение должно быть оборудовано вытяжной вентиляцией.
-
3.5 В помещении запрещается пользоваться открытым огнем и курить.
-
3.6 К поверке допускаются лица, изучившие настоящую методику поверки, руководство по эксплуатации ИБЯЛ.413216.044 РЭ (в дальнейшем - РЭ) и прошедшие необходимый инструктаж.
4.1 При проведении поверки должны быть соблюдены следующие условия, если они не оговариваются особо:
- температура окружающего воздуха, |
ОС |
20 ± 5; |
- относительная влажность окружающего воздуха, |
% |
от 30 до 80; |
- атмосферное давление, |
кПа |
101,3 ± 4,0 |
(мм рт. ст.) |
(760 ± 30); | |
- напряжение питания, |
В |
15 ± 1; |
- расход ГСО- ПГС, |
дм3/мин |
0,5 ± 0,1; |
- механические воздействия, наличие пыли, агрессивные вещества , каталитические яды, внешние электрические и магнитные поля, кроме земного, должны быть исключены;
- отсчет показаний проводить через 3 мин после подачи ГСО- ПГС.
Допускается изменение в установившемся значении показаний, не превышающее 0,2 в долях от пределов допускаемой основной абсолютной погрешности. Установившимся значением следует считать среднее значение показаний в течение 15 с после начала отсчета.
5 ПОДГОТОВКА К ПОВЕРКЕ5.1 Перед проведением поверки необходимо выполнить следующие подготовительные работы:
- ознакомиться с настоящей методикой поверки и РЭ;
- выполнить мероприятия по обеспечению условий безопасности;
- проверить наличие паспортов и сроки годности ГСО- ПГС;
- выдержать сигнализатор и баллоны с ГСО-ПГС при температуре поверки в течение 24 ч;
- подготовить к работе средства поверки в соответствии с требованиями их эксплуатационной документации;
- подготовить сигнализатор к работе и проведению поверки согласно разделу 2 РЭ.
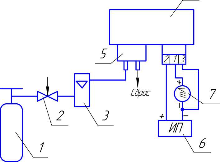
Поверку сигнализатора по ГСО-ПГС проводить по схемам, приведенным на рисунках 5.1 - 5.5.



-
1 - баллон с ГСО-ПГС;
-
2 - вентиль точной регулировки;
-
3 - ротаметр с местными показаниями;
-
4 - сигнализатор;
-
5 - колпачок поверочный;
-
6 - источник питания;
-
7 - миллиамперметр
Газовые соединения выполнить трубкой ПВХ 4х1,5
Рисунок 5.1 - Схема проверки сигнализаторов
ДАТ-М-01, ДАТ-М-02, ДАТ-М-03 по ГСО-ПГС


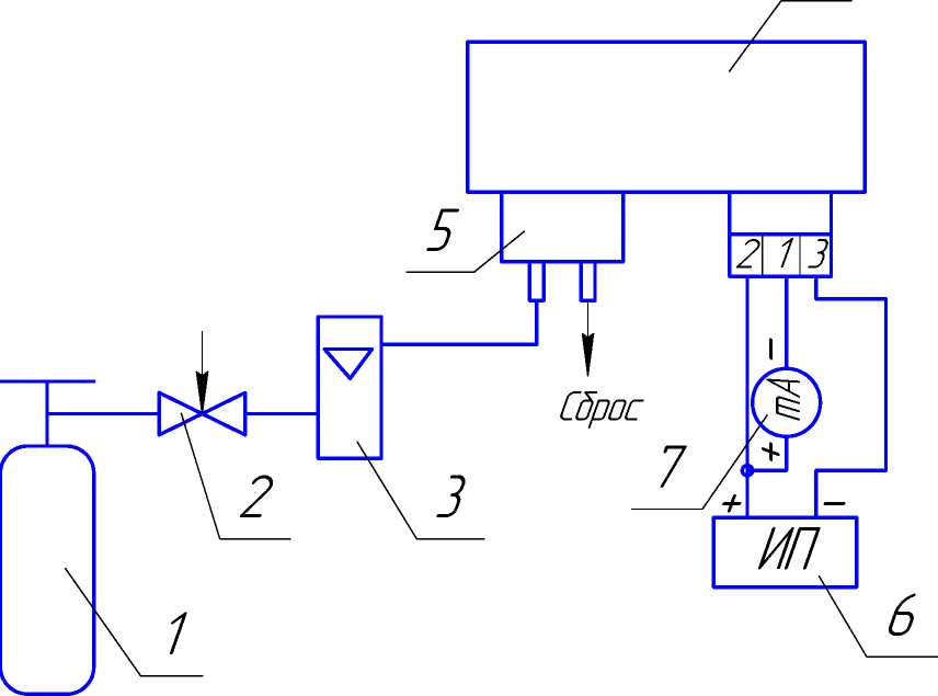
-
1 - баллон с ГСО-ПГС;
-
2 - вентиль точной регулировки;
-
3 - ротаметр с местными показаниями;
-
4 - сигнализатор;
-
5 - колпачок поверочный;
-
6 - источник питания;
-
7 - миллиамперметр
Газовые соединения выполнить трубкой ПВХ 4х1,5
Рисунок 5.2 - Схема проверки сигнализатора ДАТ-М-04 по ГСО-ПГС
/


-
1 - баллон с ГСО-ПГС;
-
2 - вентиль точной регулировки;
-
3 - ротаметр с местными показаниями;
-
4 - сигнализатор;
-
5 - колпачок поверочный;
-
6 - источник питания;
-
7 - миллиамперметр
Газовые соединения выполнить трубкой ПВХ 4х1,5
Рисунок 5.3 - Схема проверки сигнализаторов ДАТ-М-05, ДАТ-М-05Г, ДАТ-М-05Х,
ДАТ-М-05ХН, ДАТ-М-05ГХ, ДАТ-М-05ГХН по ГСО-ПГС

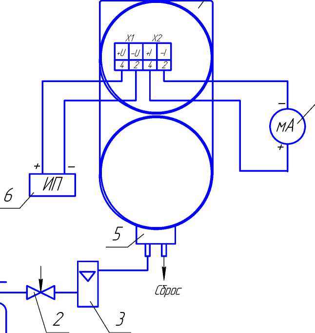
-
1 - баллон с ГСО-ПГС;
-
2 - вентиль точной регулировки;
-
3 - ротаметр с местными показаниями;
-
4 - сигнализатор;
-
5 - колпачок поверочный;
-
6 - источник питания
Газовые соединения выполнить трубкой ПВХ 4х1,5
Рисунок 5.4 - Схема проверки сигнализаторов ДАТ-М-06, ДАТ-М-06Г по ГСО-ПГС

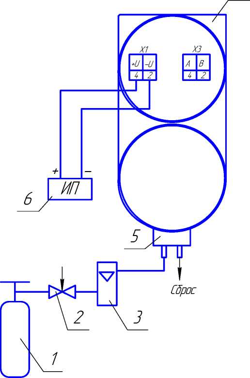
-
1 - баллон с ГСО-ПГС;
-
2 - вентиль точной регулировки;
-
3 - ротаметр с местными показаниями;
-
4 - сигнализатор;
-
5 - колпачок поверочный;
-
6 - источник питания постоянного тока;
-
7 - миллиамперметр
Газовые соединения выполнить трубкой ПВХ 4х1,5
Рисунок 5.5 - Схема проверки сигнализаторов ДАТ-М-06ТР, ДАТ-М-06ГТР,
ДАТ-М-06ТРХ, ДАТ-М-06ГТРХ, ДАТ-М-06ТРХН, ДАТ-М-06ГТРХН
по ГСО-ПГС
6 ПРОВЕДЕНИЕ ПОВЕРКИ-
6.1 Внешний осмотр
-
6.1.1 При внешнем осмотре сигнализатора должно быть установлено:
-
-
1) отсутствие внешних механических повреждений (царапин, вмятин и др.), влияющих на метрологические характеристики сигнализатора;
-
2) наличие пломб;
-
3) наличие маркировки сигнализатора согласно разделу 1 РЭ;
-
4) комплектность сигнализатора согласно разделу 1 РЭ;
-
5) исправность органов управления, настройки и коррекции.
Примечание - Проверку комплектности сигнализатора проводят только при первичной поверке при выпуске из производства.
-
6.1.2 Сигнализатор считается выдержавшим внешний осмотр, если он соответствует указанным выше требованиям.
-
6.2 Опробование
-
6.2.1 Проверка работоспособности
-
6.2.1.1 Проверку работоспособности проводить согласно разделу 2 РЭ.
-
6.2.1.2 Сигнализатор считается работоспособным, если выполняются требования п.2.2.8 РЭ.
-
-
6.3 Определение метрологических характеристик
-
6.3.1 Определение основной абсолютной погрешности по поверочному компоненту
-
6.3.1.1 Для определения основной абсолютной погрешности по поверочному компоненту пропустить ГСО-ПГС в последовательности, указанной в таблице 6.1.
Таблица 6.1
Наименование сигнализатора |
Поверочный компонент |
Последовательность подачи ГСО-ПГС при первичной поверке |
Последовательность подачи ГСО-ПГС при периодической поверке |
ДАТ-М-01 |
метан |
№№ 1-2-3-2-1-3 |
№№ 1-2-3-2 |
ДАТ-М-02 | |||
ДАТ-М-03 | |||
ДАТ-М-04 | |||
ДАТ-М-05 | |||
ДАТ-М-05Х | |||
ДАТ-М-05ХН | |||
ДАТ-М-05Г |
гексан |
№№ 1-4-5-4-1-5 |
№№ 1-4-5-4 |
Продолжение таблицы 6.1
Наименование сигнализатора |
Поверочный компонент |
Последовательность подачи ГСО-ПГС при первичной поверке |
Последовательность подачи ГСО-ПГС при периодической поверке |
ДАТ-М-05ГХ |
гексан |
№№ 1-4-5-4-1-5 |
№№ 1-4-5-4 |
ДАТ-М-05ГХН | |||
ДАТ-М-06 |
метан |
№№ 1-2-3-2-1-3 |
№№ 1-2-3-2 |
ДАТ-М-06ТР | |||
ДАТ-М-06ТРХ | |||
ДАТ-М-06ТРХН | |||
ДАТ-М-06Г |
гексан |
№№ 1-4-5-4-1-5 |
№№ 1-4-5-4 |
ДАТ-М-06ГТР | |||
ДАТ-М-06ГТРХ | |||
ДАТ-М-06ГТРХН |
-
6.3.1.2 В каждой точке проверки регистрировать показания сигнализатора по цифровому отсчетному устройству (кроме сигнализаторов ДАТ-М-02, ДАТ-М-03, ДАТ-М-04) и по миллиамперметру (7), подключенному к токовому выходу (см. рисунки 5.1 - 5.3, 5.5).
Пересчет значений выходного сигнала постоянного тока (мА) в показания сигнализатора Cj, % НКПР (кроме сигнализаторов ДАТ-М-06/-06Г), проводить по формуле
Cj = (I - 1о)/ Kn, (6.1)
где I - значение выходного сигнала постоянного тока, мА;
Io - начальный уровень выходного сигнала постоянного тока, равный 4 мА;
Kn - номинальный коэффициент преобразования по поверочному компоненту, значение которого составляет 0,320 мА/% НКПР.
-
6.3.1.3 В каждой точке проверки рассчитать значение основной абсолютной погрешности сигнализатора (Aj), % НКПР, по формуле
Aj = С - Сд, (6.2)
где Cj - показания сигнализатора, % НКПР;
Сд - действительное значение содержания поверочного компонента в точке проверки, указанное в паспорте на ГСО-ПГС, % НКПР.
-
6.3.1.4 Результаты операции поверки положительные, если полученные значения основной абсолютной погрешности в каждой точке проверки не превышают ± 5,0 % НКПР.
-
6.3.2 Определение вариации выходного сигнала
-
6.3.2.1 Определение вариации выходного сигнала проводить одновременно с определением основной абсолютной погрешности при подаче ГСО-ПГС № 2 (№ 4 - для сигнализатора с поверочным компонентом гексан).
-
6.3.2.2 В каждой точке проверки рассчитать значение вариации выходного сигнала (В), % НКПР, по формуле
В = Сб - См, (6.3)
где Сб (См) - показания сигнализатора при подходе к точке проверки со стороны больших (меньших) значений содержания поверочного компонента, % НКПР.
-
6.3.2.3 Результаты операции поверки положительные, если полученные значения вариации выходного сигнала в каждой точке проверки не превышают ± 2,5 % НКПР.
-
6.3.3 Определение основной абсолютной погрешности срабатывания порогового устройства
-
6.3.3.1 Определение основной абсолютной погрешности срабатывания порогового устройства сигнализаторов ДАТ-М-01, ДАТ-М-05/-05Х/-05ХН/-05Г/-05ГХ/-05ГХН, ДАТ-М-06/ -06Г/-06ГТР/-06ГТРХ/-06ГТРХН/-06ТР/-06ТРХ/-06ТРХН проводить следующим образом:
-
1) установить, в соответствии с разделом 2 РЭ, значения порогов срабатывания равными: ПОРОГ1 - 25 % НКПР, ПОРОГ2 - 30 % НКПР;
-
2) подать на сигнализатор ГСО-ПГС № 2 (№ 4 - для сигнализатора с поверочным компонентом гексан), выдержать 3 мин, убедиться в установлении показаний;
-
3) не прекращая подачи ГСО-ПГС, установить значение ПОРОГ1 на 1 % НКПР выше установившегося значения показаний, убедиться в отсутствии сигнализации ПОРОГ1;
-
4) не прекращая подачи ГСО-ПГС, установить значение ПОРОГ1 на 1 % НКПР ниже установившегося значения показаний, убедиться в срабатывании сигнализации ПОРОГ1;
-
5) установить значение ПОРОГ1 равным 7 % НКПР (10 % НКПР - для сигнализатора с поверочным компонентом гексан);
-
6) не прекращая подачи ГСО-ПГС, установить значение ПОРОГ2 на 1 % НКПР выше установившегося значения показаний, убедиться в отсутствии сигнализации ПОРОГ2;
-
7) не прекращая подачи ГСО-ПГС, установить значение ПОРОГ2 на 1 % НКПР ниже установившегося значения показаний, убедиться в срабатывании сигнализации ПОРОГ2;
-
8) установить значение ПОРОГ2 равным 11 % НКПР (15 % НКПР - для сигнализатора с поверочным компонентом гексан).
-
6.3.3.2 Определение абсолютной погрешности срабатывания порогового устройства сигнализаторов ДАТ-М-02, ДАТ-М-03, ДАТ-М-04 проводить следующим образом:
-
1) й й |>0<1
1) увеличивая плавной регулировкой переменного резистора «I----1» показания
сигнализатора, добиться срабатывания сигнализации ПОРОГ2, зарегистрировать показания миллиамперметра (7) при срабатывании сигнализации;
-
2) рассчитать показания сигнализатора, при которых произошло срабатывание порогового устройства, по формуле (6.1);
-
3) рассчитать значение основной абсолютной погрешности срабатывания порогового устройства по формуле
Дпор = П - 11, (6.4)
где П - показания сигнализатора, при которых произошло срабатывание порогового устройства, % НКПР.
-
6.3.3.3 Результаты операции поверки положительные, если
-
- последовательность срабатывания сигнализации сигнализаторов ДАТ-М-01, ДАТ-М-05/-05Х/-05ХН/-05Г/-05ГХ/-05ГХН, ДАТ-М-06/-06Г/-06ГТР/-06ГТРХ/-06ГТРХН/-06ТР/ -06ТРХ/-06ТРХН соответствует описанной в п.6.3.3.1, что означает, что значение абсолютной погрешности срабатывания порогового устройства не превышает ± 1,0 % НКПР;
-
- полученное значение абсолютной погрешности срабатывания порогового устройства сигнализаторов ДАТ-М-02, ДАТ-М-03, ДАТ-М-04 не превышает ± 1,0 % НКПР.
-
6.4 Проверка соответствия программного обеспечения
-
6.4.1 Проверка идентификационных данных программного обеспечения (ПО)
-
6.4.1.1 Проверку идентификационных данных ПО проводить для сигнализаторов ДАТ-М-01, ДАТ-М-05/ -05Х/ -05ХН/ -05Г/ -05ГХ/ -05ГХН, ДАТ-М-06/ -06Г/ -06ГТР/- 06ГТРХ/ -06ГТРХН/ -06ТР/ -06ТРХ/ -06ТРХН следующим образом: пользуясь приложением РЭ «Режимы работы сигнализаторов», выбрать соответствующее меню, проконтролировать последовательное появление идентификационных данных: версии и контрольной суммы ПО сигнализатора.
-
6.4.1.2 Результаты операции поверки положительные, если зарегистрированные идентификационные данные соответствуют данным, приведенным в РЭ.
-
7.1 Результаты поверки оформляют протоколом произвольной формы.
-
7.2 Сигнализатор, удовлетворяющий требованиям настоящей методики поверки, признают годным к применению, клеймят путем нанесения оттиска поверительного клейма на корпус сигнализатора, или делают соответствующую отметку в технической документации, или выдают свидетельство о поверке согласно ПР 50.2.006-94.
-
7.3 При отрицательных результатах поверки сигнализатор к применению не допускают, оттиск поверительного клейма гасят, свидетельство о поверке аннулируют, выдают извещение о непригодности установленной формы в соответствии с ПР 50.2.006-94 или делают соответствующую запись в технической документации.
Лист регистрации изменений
Изм. |
Номера листов (страниц) |
Всего листов (страниц) в докум. |
Номер документа |
Подпись |
Дата | |||
измененных |
замененных |
новых |
анну-лированных | |||||
19