Методика поверки «анализаторы мощности umg801» (МП 186 20)
УТВЕРЖДАЮ
Государственная система обеспечения единства измерений
Анализаторы мощности UMG801
Методика поверки
ИЦРМ-МП-186-20
г. Москва
2020
Содержание-
1.1 Настоящая методика поверки устанавливает методы и средства первичной и периодической поверок анализаторов мощности UMG801 (далее - анализаторы).
-
1.2 Анализаторы подлежат поверке с периодичностью, устанавливаемой потребителем с учётом режимов и интенсивности эксплуатации, но не реже одного раза в год.
-
1.3 На первичную поверку следует предъявлять анализаторы до ввода в эксплуатацию, а также после ремонта.
-
2.1 При проведении поверки выполняют операции, указанные в таблице 1.
Таблица 1
|
Наименование операции поверки |
Номер пункта методики поверки |
Необходимость выполнения | |
|
при первичной поверке |
при периодической поверке | ||
|
Внешний осмотр |
8.1 |
Да |
Да |
|
Проверка электрического сопротивления изоляции |
8.2 |
Да |
Да |
|
Проверка электрической прочности изоляции |
8.3 |
Да |
Нет |
|
Опробование |
8.4 |
Да |
Да |
|
Подтверждение соответствия программного обеспечения |
8.5 |
Да |
Да |
|
Определение метрологических характеристик |
8.6 |
Да |
Да |
-
2.2 Последовательность проведения операций поверки обязательна.
-
2.3 При получении отрицательного результата в процессе выполнения любой из операций поверки анализатор бракуют и его поверку прекращают.
-
2.4 Допускается проведение первичной поверки отдельных измерительных каналов из состава анализаторов, а также проведение периодической поверки меньшего числа поддиапазонов измерений, в соответствии с заявлением владельца анализаторов, с обязательным указанием в свидетельстве о поверке информации об объеме проведенной поверки.
-
3.1 При проведении поверки рекомендуется применять средства поверки, приведённые в таблице 2.
-
3.2 Применяемые средства поверки должны быть исправны, средства измерений поверены и иметь действующие документы о поверке. Испытательное оборудование должно быть аттестовано.
-
3.3 Допускается применение аналогичных средств поверки, обеспечивающих определение метрологических характеристик поверяемых анализаторов с требуемой точностью.
Таблица 2
|
№ |
Наименование средства поверки |
Номер пункта Методики |
Рекомендуемый тип средства поверки и его регистрационный номер в Федеральном информационном фонде или метрологические характеристики |
|
Основное средство поверки | |||
|
1 |
Установка поверочная универсальная |
8.6 |
Прибор электроизмерительный эталонный многофункциональный «Энергомонитор-3.1.КМ», per. №52854-13 и источник переменного тока и напряжения трехфазный программируемый «Энергоформа-3.3-100» (далее поверочная установка); |
|
2 |
Калибратор универсальный |
8.6 |
Калибратор универсальный 9100, per. № 25958-09; |
|
Вспомогательные средства поверки (оборудование) | |||
|
3 |
Установка для проверки параметров электрической безопасности |
8.2-8.3 |
Установка для проверки параметров электрической безопасности GPT-79803, per. № 50682-12 |
|
4 |
Источник постоянного напряжения |
8.4 - 8.6 |
Источник постоянного напряжения с возможностью воспроизведения напряжения постоянного тока от 0 до 50 В |
|
5 |
Трансформаторы напряжения переменного тока |
8.6 |
Трансформаторы напряжения (первичное напряжение переменного тока: 1000 В, вторичное напряжение переменного тока: 100 В) или аналогичные трансформаторы напряжения способные обеспечивать напряжение переменного тока до 1000 В |
|
6 |
Т ермогигрометр электронный |
8.2-8.6 |
Термогигрометр электронный «CENTER» модель 313, per. № 22129-09 |
|
Компьютер | |||
|
7 |
Персональный компьютер |
8.4-8.6 |
Персональный компьютер (интерфейс Ethernet; объем оперативной памяти не менее 1 Гб; объем жесткого диска не менее 10 Гб; дисковод для чтения CD-ROM; операционная система Windows) с установленным программным обеспечением |
-
4.1 К проведению поверки допускают лица, изучившие настоящую методику, эксплуатационные документы на анализаторы и средства поверки.
-
4.2 К проведению поверки допускают лица, являющиеся специалистами органа метрологической службы, юридического лица или индивидуального предпринимателя, аккредитованного на право поверки, имеющие образование и опыт работы в соответствии с действующим законодательством и непосредственно осуществляющие поверку средств измерений.
-
5.1 При проведении поверки должны быть соблюдены требования безопасности в соответствии с ГОСТ 12.3.019-80.
-
5.2 Во избежание несчастного случая и для предупреждения повреждения поверяемого анализатора необходимо обеспечить выполнение следующих требований:
-
- подсоединение оборудования к сети должно производиться с помощью кабеля или адаптера и сетевых кабелей, предназначенных для данного оборудования;
-
- заземление должно производиться посредством заземляющего провода или сетевого адаптера, предназначенного для данного оборудования;
-
- присоединения поверяемого анализатора и оборудования следует выполнять при отключенных входах и выходах (отсутствии напряжения на разъемах);
-
- запрещается работать с оборудованием при снятых крышках или панелях;
-
- запрещается работать с поверяемым анализатором в условиях температуры и влажности, выходящих за допустимые значения;
-
- запрещается работать с поверяемым анализатором в случае обнаружения его повреждения.
-
6.1 При проведении поверки должны соблюдаться следующие условия:
-
- температура окружающего воздуха от +21 до +25 °C;
-
- относительная влажность воздуха от 30 до 80 %.
-
6.2 Для контроля температуры окружающей среды и относительной влажности воздуха используется термогигрометр электронный «CENTER» модель 313.
-
7.1 Перед проведением поверки необходимо выполнить следующие подготовительные работы:
-
- изучить эксплуатационные документы на поверяемые анализаторы, а также эксплуатационные документы на применяемые средства поверки;
-
- выдержать анализаторы в условиях окружающей среды, указанных в п. 6.1, не менее 2 ч, если они находились в климатических условиях, отличающихся от указанных в п. 6.1;
-
- подготовить к работе средства поверки и выдержать во включенном состоянии в соответствии с указаниями эксплуатационных документов.
-
7.2 Для питания анализаторов используется источник постоянного напряжения с возможностью воспроизведения напряжения постоянного тока от 0 до 50 В.
-
8.1 Внешний осмотр
При проведении внешнего осмотра анализатора должно быть установлено соответствие поверяемого анализатора следующим требованиям:
-
- комплектность анализатора должна соответствовать паспорту;
-
- не должно быть механических повреждений и внешних дефектов корпуса, переключателей, разъемов, светодиодной индикации, дисплея;
-
- наличие и соответствие надписей на элементах корпуса функциональному назначению.
Результат проверки считать положительным, если выполняются все вышеуказанные требования.
-
8.2 Проверка электрического сопротивления изоляции
Проверку электрического сопротивления изоляции проводить при помощи установки для проверки параметров электрической безопасности GPT-79803 (далее -установка) в следующей последовательности:
-
1) Подключить установку к анализатору согласно их эксплуатационным документам.
-
2) Покрыть корпус анализатора сплошной, прилегающей к поверхности корпуса металлической фольгой («Земля»).
-
3) Подготовить и включить установку в соответствии с их эксплуатационными документами.
-
4) Подать испытательное напряжение со значением 500 В между соединенными вместе контактами каналов измерения напряжения переменного тока и корпусом (фольгой) в соответствии с эксплуатационными документами.
-
5) Измерить значение электрического сопротивления изоляции.
Результаты считают положительными, если электрическое сопротивление изоляции не менее 20 МОм.
-
8.3 Проверка электрической прочности изоляции
Проверку электрической прочности изоляции проводить при помощи установки в следующей последовательности:
-
1) Подключить установку к анализатору согласно их эксплуатационным документам.
-
2) Покрыть корпус анализатора сплошной, прилегающей к поверхности корпуса металлической фольгой («Земля»).
-
3) Подготовить и включить установку в соответствии с эксплуатационными документами.
-
4) Подать испытательное напряжение со значением 3000 В (время выдержки выходного напряжения 60 секунд, скорость увеличения выходного напряжения не более 500 В за 1 с) между соединенными вместе контактами каналов измерения напряжения переменного тока и корпусом (фольгой) в соответствии с эксплуатационными документами.
-
5) Провести испытание электрической прочности изоляции.
Результаты считают положительными, если при проведении проверки не произошло пробоя электрической изоляции.
-
8.4 Опробование
Опробование проводят в следующей последовательности:
-
1) Подготовить и включить анализатор в соответствии с эксплуатационной документацией.
-
2) Подключить анализатор к источнику постоянного напряжения.
-
3) Зафиксировать включение светодиодных индикаторов и дисплея, и проверить работоспособность клавиш управления согласно их функциональному назначению.
Результат проверки считать положительным, если при подключении анализатора к источнику постоянного напряжения происходит загорание светодиодных индикаторов и дисплея, а также работоспособность клавиш управления соответствует их функциональному назначению.
-
8.5 Подтверждение соответствия программного обеспечения (далее - ПО)
-
1) Подготовить и включить анализатор в соответствии с эксплуатационными документами.
-
2) Подключить анализатор к персональному компьютеру (далее - ПК).
-
3) Запустить программное обеспечение на ПК.
-
4) В открывшемся экране на ПК зафиксировать версию встроенного ПО, а также его идентификационное наименование.
Результат проверки считать положительным, если номер версии и идентификационное наименование встроенного ПО совпадает с данными, представленными в описании типа.
-
8.6 Определение метрологических характеристик
-
8.6.1 Основные формулы, используемые при расчетах:
-
8.6.1.1 Абсолютная погрешность измерений Д определяется по формуле (1):
-
-
Д = (1)
где Ах - измеренное значение параметра;
Ао - эталонное значение параметра (измеренное с помощью прибора электроизмерительного эталонного многофункционального «Энергомонитор-3.1.КМ» из состава поверочной установки).
-
8.6.1.2 Относительная погрешность измерений 6, %, определяется по формуле (2):
Ад
где Ак - измеренное значение параметра;
Ао - эталонное значение параметра (измеренное с помощью прибора электроизмерительного эталонного многофункционального «Энергомонитор-3.1.КМ» из состава поверочной установки).
-
8.6.2 Определение основной относительной погрешности измерений среднеквадратического значения фазного/линейного напряжения переменного тока проводить в следующей последовательности:
-
1) Подготовить и включить анализатор и основные средства поверки в соответствии с эксплуатационными документами.
-
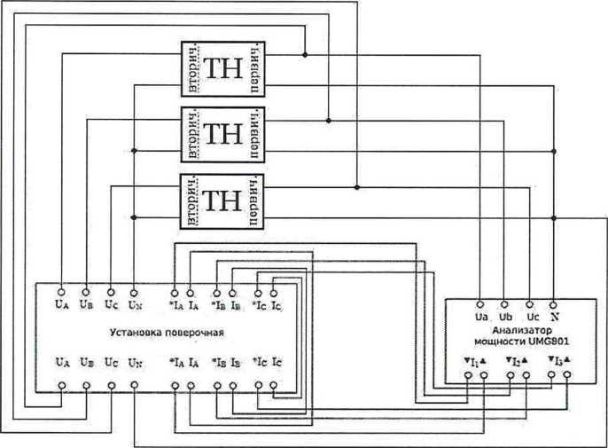
2) Подключить анализатор к поверочной установке или к калибратору универсальному 9100 (далее по тексту - калибратор) в соответствии с рисунком 1 и их эксплуатационными документами.
-
3) Воспроизвести с помощью источника испытательных сигналов (поверочной установки и калибратора) пять испытательных сигналов среднеквадратического значения фазного/линейного напряжения переменного тока при частоте переменного тока 45, 50 и 65 Гц, равномерно распределенных внутри диапазона измерений (например, 0-10 %, 20-30 %, 50-60 %, 70-80 %, 90-100 % от диапазона измерений).
-
4) Зафиксировать в ПО на ПК значения фазного/линейного напряжения переменного тока, измеренные анализатором.
-
5) Вычислить значения основной относительной погрешности измерений фазного/линейного напряжения переменного тока для каждого испытательного сигнала по формуле (2).
Результаты считать удовлетворительными, если полученные значения погрешностей не превышают допускаемых пределов, указанных в описании типа.
Рисунок 1 - Схема подключения при измерении фазного/линейного напряжения переменного тока
Примечание: для определения относительной погрешности измерений
фазного/линейного напряжения переменного тока, необходимо подключить калибратор 9100 поочередно между контактами Ua-N, Ur-N, Uc-N (для фазного напряжения), между контактами Ua-Ub, Ub-Uc, Uc-Ua (для линейного напряжения).
-
8.6.3 Определение основной относительной погрешности измерений силы переменного тока проводить в следующей последовательности:
-
1) Подготовить и включить анализатор и основные средства поверки в соответствии с эксплуатационными документами.
-
2) Подключить анализатор к поверочной установке в соответствии с рисунком 2 и их эксплуатационными документами.
-
3) Воспроизвести с помощью поверочной установки пять испытательных сигналов силы переменного тока при частоте переменного тока 45, 50 и 65 Гц, равномерно распределенных внутри диапазона измерений (например, 0-10 %, 20-30 %, 50-60 %, 70-80 %, 90-100 % от диапазона измерений).
-
4) Зафиксировать на дисплее анализатора или в ПО на ПК среднеквадратические значения силы переменного тока, измеренные анализатором.
-
5) Вычислить значения основной относительной погрешности измерений среднеквадратического значения силы переменного тока для каждого испытательного сигнала по формуле (2).
Результаты считать удовлетворительными, если полученные значения погрешностей не превышают допускаемых пределов, указанных в описании типа.
Рисунок 2 - Схема структурная определения метрологических характеристик
* - из состава поверочной установки
-
8.6.4 Определение основной относительной погрешности измерений частоты переменного тока проводить в следующей последовательности:
-
1) Подготовить и включить анализатор и основные средства поверки в соответствии с эксплуатационными документами.
-
2) Подключить анализатор к поверочной установке в соответствии с рисунком 2 и с их эксплуатационными документами.
-
3) Воспроизвести с помощью поверочной установке пять испытательных сигналов частоты переменного тока, равномерно распределенных внутри диапазона измерений (например, 0-10 %, 20-30 %, 50-60 %, 70-80 %, 90-100 % от диапазона измерений) при значении силы тока 5 А и значении напряжения переменного тока 220 В.
-
4) Зафиксировать на дисплее анализатора или в ПО на ПК значения частоты переменного тока, измеренные анализатором.
-
5) Вычислить значения основной относительной погрешности измерений частоты переменного тока для каждого испытательного сигнала по формуле (2).
Результаты считать удовлетворительными, если полученные значения погрешностей не превышают допускаемых пределов, указанных в описании типа.
-
8.6.5 Определение относительной (абсолютной) погрешности измерений среднеквадратического значения n-й гармонической составляющей напряжения переменного тока (для п = от 1 до 50) проводится при помощи поверочной установки в следующей последовательности:
-
1) собрать схему, представленную на рисунке 2;
-
2) поочередно задавать при помощи поверочной установки испытательные сигналы согласно таблице 3 при значении напряжения переменного тока 220 В с частотой 50 Гц для каждой фазы анализатора;
-
3) зафиксировать полученные значения на дисплее поверочной установки и анализатора;
-
4) по полученным значениям показаний в каждой точке вычислить значения относительной или абсолютной погрешности измерений среднеквадратического значения n-й гармонической составляющей напряжения переменного тока (для п = от 1 до 50) по формулам (1) или (2) в зависимости от величины испытательного сигнала.
Результаты испытаний считается удовлетворительным, если полученные значения погрешностей не превышают допускаемых пределов, указанных в описании типа.
Таблица 3
|
Порядок гармоники п |
Исп. сигнал № 1 |
Исп. сигнал № 2 |
Исп. сигнал № 3 |
Исп. сигнал № 4 |
Исп. сигнал № 5 |
|
В |
U (п), в |
U (п), в |
U (п), в |
U м, в | |
|
2 |
0 |
0 |
0,01-Ином |
0,02UHOM |
0,03-Uhom |
|
3 |
0 |
0,1 -Ином |
0,01-Ином |
0,05'Uhom |
0,075-Uhom |
|
4 |
0 |
0 |
0,01 -Ином |
0,01-Uhom |
0,015‘Uhom |
|
5 |
0 |
0 |
0,01 -Ином |
0,06’Uhom |
0,09-Uhom |
|
6 |
0 |
0 |
0,01-Ином |
0,005-Ином |
0,075-UHOm |
|
7 |
0 |
0 |
0,01-Uhom |
0,05'Uhom |
0,075-Uhom |
|
8 |
0 |
0 |
0,01 Ином |
0,005-Uhom |
0,075-Uhom |
|
9 |
0 |
0 |
0,01-Ином |
0,015’Uhom |
0,0225 Uhom |
|
10 |
0 |
0,1 Ином |
0,01 Ином |
0,005-Uhom |
0,075-Uhom |
|
И |
0 |
0 |
0,01 Ином |
0,035-Uhom |
0,0525-Uhom |
|
12 |
0 |
0 |
0,01-Ином |
0,002'Uhom |
0,003 'Uhom |
|
13 |
0 |
0 |
0,01-Uhom |
0,03-Uhom |
0,045'Uhom |
|
14 |
0 |
0 |
0,01 'Uhom |
0,002 Uhom |
0,003-Uhom |
|
15 |
0 |
0 |
0,01 ’Uhom |
0,003 'Uhom |
0,0045-Uhom |
|
16 |
0 |
0 |
0,01-Uhom |
0,002-Uhom |
0,003-Uhom |
|
Порядок гармоники п |
Исп. сигнал № 1 |
Исп. сигнал № 2 |
Исп. сигнал № 3 |
Исп. сигнал № 4 |
Исп. сигнал № 5 |
|
и^, В |
U (п), в |
и м, в |
U fa), в |
U fa), В | |
|
17 |
0 |
0 |
0,01-Uhom |
0,02-Uhom |
0,03 'Uhom |
|
18 |
0 |
0 |
0,01 и„ом |
0,002-UHom |
0,003-Uhom |
|
19 |
0 |
0 |
0,01 -Ином |
0,015-Uhom |
0,0225-U„o„ |
|
20 |
0 |
0,05-Ином |
0,01 -ино„ |
0,002-UhOm |
0,003-Uhom |
|
21 |
0 |
0 |
0,01 Uhom |
0,002 UHom |
0,003-Uhom |
|
22 |
0 |
0 |
0,01 Uhom |
0,002-Uhom |
0,003-Uhom |
|
23 |
0 |
0 |
0,01 Uhom |
0,015-Uhom |
0,0225-Uhom |
|
24 |
0 |
0 |
0,01'Uhom |
0,002-Uhom |
0,003 ’Uhom |
|
25 |
0 |
0 |
0,01 U„os1 |
0,015-Uhom |
0,0225-Uhom |
|
26 |
0 |
0 |
0,01 U„o„ |
0,002-Uhom |
0,003-Uhom |
|
27 |
0 |
0 |
0,01-Uhom |
0,002-Uhom |
0,003-Uhom |
|
28 |
0 |
0 |
0,01-Uhom |
0,002 U„Om |
0,003'Uhom |
|
29 |
0 |
0 |
0,0rUHoM |
0,0132-Uhom |
0,0192Uhom |
|
30 |
0 |
0,03-Ином |
0,01’Uhom |
0,002-Uhom |
0,003 -UHom |
|
31 |
0 |
0 |
0,01Uhom |
0,0125-Uhom |
0,0186’Uhom |
|
32 |
0 |
0 |
0,01-Uhom |
0,002 U„o„ |
0,003-Uhom |
|
33 |
0 |
0 |
0,01U„oM |
0,002-Uhom |
0,003-Uhom |
|
34 |
0 |
0 |
0,01U„oM |
0,002 Uh„„ |
0,003-Uhom |
|
35 |
0 |
0 |
0,01-Uhom |
0,01 13-Uhom |
0,017'Uhom |
|
36 |
0 |
0 |
0,01 -Uhom |
0,002-Uhom |
0,003-Uhom |
|
37 |
0 |
0 |
0,01Uhom |
0,0108-Uhom |
0,0162-Uhom |
|
38 |
0 |
0 |
0,01Uhom |
0,002 U„om |
0,013-U„om |
|
39 |
0 |
0 |
0,01-Uhom |
0,002-Uhom |
0,003-Uhom |
|
40 |
0 |
0,01 и„ом |
0,01-Uhom |
0,002-UHOm |
0,003-Uhom |
|
41 |
0 |
0 |
0,01 ’Uhom |
0,002 UHO„ |
0,003-Uhom |
|
42 |
0 |
0 |
0,01Uhom |
0,002-Uhom |
0,003-Uhom |
|
43 |
0 |
0 |
0,01-Uhom |
0,002-Uhom |
0,003-Uhom |
|
44 |
0 |
0 |
0,01Uhom |
0,002-Uhom |
0,003 'Uhom |
|
45 |
0 |
0 |
0,01 ’Uhom |
0,002-Uhom |
0,003-Uhom |
|
46 |
0 |
0 |
0,01-Uhom |
0,002-Uhom |
0,003 'Uhom |
|
47 |
0 |
0 |
0,01 'Uhom |
0,002-Uhom |
0,003'Uhom |
|
48 |
0 |
0 |
0,01Uhom |
0,002-UHo„ |
0,003-Uhom |
|
49 |
0 |
0 |
0,01 'Uhom |
0,20-Uhom |
0,003-Uhom |
|
50 |
0 |
0 |
0,01U„om |
0,20-Uhom |
0,003-Uhom |
-
8.6.6 Определение относительной (абсолютной) погрешности измерений среднеквадратического значения n-й гармонической составляющей силы переменного тока (для n = 1 до 50) осуществляется при помощи поверочной установки в следующей последовательности:
-
1) собрать схему, представленную на рисунке 2;
-
2) поочередно задавать при помощи поверочной установки испытательные сигналы согласно таблице 4 при значении силы переменного тока 5 А при частоте 50 Гц для каждой фазы анализатора;
-
3) зафиксировать полученные значения на дисплее или в ПО поверочной установки и анализатора;
-
4) по полученным значениям показаний в каждой точке вычислить значения относительной или абсолютной погрешности измерений среднеквадратического значения n-й гармонической составляющей силы переменного тока (для n = 1 до 50) по формуле (1) или (2) в зависимости от величины испытательного сигнала.
Результаты испытаний считается удовлетворительным, если полученные значения погрешностей не превышают допускаемых пределов, указанных в описании типа. Таблица 4
|
Порядок гармоники п |
Исп. сигнал № 1 |
Исп. сигнал № 2 |
Исп. сигнал № 3 |
Исп. сигнал № 4 |
Исп. сигнал № 5 |
|
W в |
В |
I м, В |
I м, В |
I (п), В | |
|
2 |
0 |
0 |
0,01 1„о„ |
0,021„„м |
0,03 Тном |
|
3 |
0 |
ОД Дном |
0,01 Дном |
0,05 Тном |
0,075 Тном |
|
4 |
0 |
0 |
0,01 -1н„м |
0,01 Ц» |
0,015 Тном |
|
5 |
0 |
0 |
0,01 Um |
0,06 Тном |
0,09 1„ом |
|
6 |
0 |
0 |
0,01 Um |
0,005 Тном |
0,075 Тном |
|
7 |
0 |
0 |
0,01 Um |
0,05 Тном |
0,075 Тном |
|
8 |
0 |
0 |
0,01 1„„„ |
0,005 U« |
0,075 Тном |
|
9 |
0 |
0 |
0,01 Тном |
0,015 Тном |
0,0225 1ном |
|
10 |
0 |
ОД Дном |
0,01 -Ikom |
0,005 Тном |
0,075 1ном |
|
11 |
0 |
0 |
0,01 1„„„ |
0,035 Тном |
0,0525 Тном |
|
12 |
0 |
0 |
0,01 Um |
0,002 1ном |
0,003 1„„м |
|
13 |
0 |
0 |
0,01 Um |
0,03 Тном |
0,045 Тном |
|
14 |
0 |
0 |
0,01 Um |
0,002 1ио„ |
0,003 Um |
|
15 |
0 |
0 |
0,01 Um |
0,003 1ном |
0,0045 Тном |
|
16 |
0 |
0 |
0,01 Um |
0,002 Um |
0,003 Um |
|
17 |
0 |
0 |
0,01 Um |
0,021„о„ |
0,03 Um |
|
18 |
0 |
0 |
0,01 Тном |
0,002 Um |
0,003 Тном |
|
19 |
0 |
0 |
0,01 1„ом |
0,015 Тном |
0,0225 U« |
|
20 |
0 |
0,05 ДНОм |
0,01 Um |
0,002 Um |
0,003 Тном |
|
21 |
0 |
0 |
0,01 Тном |
0,002 1„ом |
0,003 Тном |
|
22 |
0 |
0 |
0,01 Um |
0,002 ТНОм |
0,003 1„„м |
|
23 |
0 |
0 |
0,01 Um |
0,015 Тном |
0,0225 Um |
|
24 |
0 |
0 |
0,01 Um |
0,002-1„ом |
0,003 1ном |
|
25 |
0 |
0 |
0,01 Тном |
0,015ТНОМ |
0,0225 1ном |
|
26 |
0 |
0 |
0,01 Um |
0,002-1„о„ |
0,003 Um |
|
27 |
0 |
0 |
0,01 Тном |
0,002 1„о„ |
0,003 Um |
|
28 |
0 |
0 |
0,01 Um |
0,002 1ном |
0,003 Тном |
|
29 |
0 |
0 |
0,01 -1„ом |
0,0132Тном |
0,01921„о„ |
|
30 |
0 |
0,03 Тном |
0,01 Um |
0,002-1„ом |
0,003 Тном |
|
31 |
0 |
0 |
0,01 Um |
0,0125 Um |
0,0186 Тном |
|
32 |
0 |
0 |
0,01 Тном |
0,002-1но„ |
0,003 Um |
|
33 |
0 |
0 |
0,01 Um |
0,0021„„м |
0,003 1„„„ |
|
34 |
0 |
0 |
0,01 Um |
0,002 1нои |
0,003 Um |
|
35 |
0 |
0 |
0,01 1„„„ |
0,0113 Um |
0,0171ном |
|
36 |
0 |
0 |
0,01 Тном |
0,002 1н0„ |
0,003 Um |
|
37 |
0 |
0 |
0,01 Тном |
0,0108 Тном |
0,0162 Тном |
|
38 |
0 |
0 |
0,01 Тном |
0,002 1„„м |
0,013 Тном |
|
39 |
0 |
0 |
0,01 1яом |
0,002 Um |
0,003 Тном |
|
40 |
0 |
0,01-IHOM |
0,01 1„ом |
0,002 1ном |
0,003 Тном |
|
41 |
0 |
0 |
0,01 Тном |
0,0021„ом |
0,003 1„„м |
|
42 |
0 |
0 |
0,01 Um |
0,002 Тном |
0,003 Тном |
|
43 |
0 |
0 |
0,0 1 Тном |
0,002 ТНОм |
0,003 ТНом |
|
44 |
0 |
0 |
0,01 Тном |
0,002 Um |
0,003 1но„ |
|
45 |
0 |
0 |
0,01 Тном |
0,002 Um |
0,003 ТНОм |
|
46 |
0 |
0 |
0,01 1ном |
0,002 Um |
0,003 Um |
|
Порядок гармоники П |
Исп. сигнал № 1 |
Исп. сигнал № 2 |
Исп. сигнал № 3 |
Исп. сигнал № 4 |
Исп. сигнал № 5 |
|
W в |
в |
I (п), В |
I м, В |
I W, В | |
|
47 |
0 |
0 |
0,01 1ном |
0,002 Лном |
0,003 1ном |
|
48 |
0 |
0 |
0,01 1„ом |
0,002 1ном |
0,003-Ihom |
|
49 |
0 |
0 |
0,01 1„ом |
0,20 1ном |
0,003-Ihom |
|
50 |
0 |
0 |
0,01 ’1ном |
0,20-1НОм |
0,003 IH0M |
-
8.6.7 Определение основной абсолютной погрешности измерений коэффициента мощности проводить в следующей последовательности:
-
1) Подготовить и включить анализатор и основные средства поверки в соответствии с эксплуатационными документами.
-
2) Подключить анализатор к поверочной установке в соответствии с рисунком 2 и их эксплуатационными документами.
-
3) На выходе поверочной установки поочередно установить пять испытательных сигналов коэффициента мощности, равномерно распределенных внутри диапазона измерений (например, 0-10 %, 20-30 %, 50-60 %, 70-80 %, 90-100 % от диапазона измерений).
-
4) Зафиксировать в ПО на ПК значения коэффициента мощности, измеренные анализатором.
-
5) Вычислить значения основной абсолютной погрешности измерений коэффициента мощности для каждого испытательного сигнала по формуле (1).
Результаты считать удовлетворительными, если полученные значения погрешностей не превышают допускаемых пределов, указанных в описании типа.
-
8.6.8 Определение основной абсолютной погрешности измерений суммарного коэффициента гармонических искажений по напряжению относительно основной гармоники проводить в следующей последовательности:
-
1) Подготовить и включить анализатор и основные средства поверки в соответствии с эксплуатационными документами.
-
2) Подключить анализатор к поверочной установке в соответствии с рисунком 2 и их эксплуатационными документами.
-
3) На выходе поверочной установки поочередно установить пять испытательных сигналов суммарного коэффициента гармонических искажений по напряжению, равномерно распределенных внутри диапазона измерений (например, 0-10 %, 20-30 %, 50-60 %, 70-80 %, 90-100 % от диапазона измерений).
-
4) Зафиксировать на дисплее анализатора в ПО на ПК значения суммарного коэффициента гармонических искажений по напряжению, измеренные анализатором.
-
5) Вычислить значения основной абсолютной погрешности измерений суммарного коэффициента гармонических искажений по напряжению для каждого испытательного сигнала по формуле (1).
Результаты считать удовлетворительными, если полученные значения погрешностей не превышают допускаемых пределов, указанных в описании типа.
-
8.6.9 Определение основной абсолютной погрешности измерений суммарного коэффициента гармонических искажений по току относительно основной гармоники проводить в следующей последовательности:
-
1) Подготовить и включить анализатор и основные средства поверки в соответствии с эксплуатационными документами.
-
2) Подключить анализатор к поверочной установке в соответствии с рисунком 2 и их эксплуатационными документами.
-
3) На выходе поверочной установки поочередно установить пять испытательных сигналов суммарного коэффициента гармонических искажений по току, равномерно распределенных внутри диапазона измерений (например, 0-10 %, 20-30 %, 50-60 %,
70-80 %, 90-100 % от диапазона измерений).
-
4) Зафиксировать на дисплее анализатора в ПО на ПК значения суммарного коэффициента гармонических искажений по току, измеренные анализатором.
-
5) Вычислить значения основной абсолютной погрешности измерений суммарного коэффициента гармонических искажений по току для каждого испытательного сигнала по формуле (1).
Результаты считать удовлетворительными, если полученные значения погрешностей не превышают допускаемых пределов, указанных в описании типа.
-
8.6.10 Определение основной относительной погрешности измерений активной мощности и энергии проводить в следующей последовательности:
-
1) Подготовить и включить анализатор и основные средства поверки в соответствии с эксплуатационными документами.
-
2) Подключить анализатор к поверочной установке в соответствии с рисунком 2 или 3 и их эксплуатационными документами.
-
3) Воспроизвести с помощью поверочной установки испытательные сигналы в соответствии с таблицей 5 при значении напряжения переменного тока 100 В с частотой переменного тока 50 Гц и номинальном значении силы переменного тока 1 А в течение времени достаточного для определения погрешности измерений.

Рисунок 3 - Схема подключений при измерении активной, реактивной и полной электрической мощностей, активной и реактивной электрической энергии
Таблица 5
|
№ |
Сила переменного тока в каждой фазе |
Коэффициент мощности cos<p |
|
1 |
0,017„„„ |
1 |
|
2 |
0,05 7Н0м | |
|
3 |
Тцом | |
|
4 |
Ллакс | |
|
6 |
0,02/ном |
0,5 (при индуктивной нагрузке) 0,8 (при емкостной нагрузке) |
|
7 |
0,1 Люм | |
|
8 |
7ном | |
|
9 |
Тмакс |
-
4) Зафиксировать в ПО на ПК значения активной электрической мощности и энергии, измеренные анализатором.
-
5) Вычислить значения основной относительной погрешности измерений активной электрической мощности и энергии для каждого испытательного сигнала по формуле (2).
-
6) Повторить операции 3)-5) при значении напряжения переменного тока 400 В с частотой переменного тока 50 Гц и номинальном значении силы переменного тока 5 А
Результаты считать удовлетворительными, если полученные значения погрешностей не превышают допускаемых пределов, указанных в описании типа.
-
8.6.11 Определение основной относительной погрешности измерений реактивной электрической мощности и энергии проводить в следующей последовательности:
-
1) Подготовить и включить анализатор и основные средства поверки в соответствии с эксплуатационными документами.
-
2) Подключить анализатор к поверочной установке в соответствии с рисунком 2 или 3 и их эксплуатационными документами.
-
3) Воспроизвести с помощью поверочной установки испытательные сигналы в соответствии с таблицей 6 при значении напряжения переменного тока 100 В с частотой переменного тока 50 Гц и номинальном значении силы переменного тока 1 А в течение времени достаточного для определения погрешности измерений.
Таблица 6
|
№ |
Сила переменного тока в каждой фазе |
Коэффициент мощности sin^ (при индуктивной или емкостной нагрузке) |
|
1 |
0,02 7„0М |
1 |
|
2 |
0,05 7Н0м | |
|
3 |
/цОМ | |
|
4 |
/макс | |
|
6 |
0,05/ном |
0,5 |
|
7 |
0,1’/ном | |
|
8 |
AiOM | |
|
9 |
/макс | |
|
10 |
0, Г /ном |
0,25 |
|
11 |
/ном | |
|
12 |
/макс |
4) Зафиксировать на дисплее анализатора или в ПО на ПК значения реактивной электрической мощности и энергии, измеренные анализатором.
-
5) Вычислить значения основной относительной погрешности измерений реактивной электрической мощности и энергии для каждого испытательного сигнала по формуле (2).
-
6) Повторить операции 3)-5) при значении напряжения переменного тока 400 В с частотой переменного тока 50 Гц и номинальном значении силы переменного тока 5 А
Результаты считать удовлетворительными, если полученные значения погрешностей не превышают допускаемых пределов, указанных в описании типа.
-
8.6.12 Определение основной относительной погрешности измерений полной электрической мощности и энергии проводить в следующей последовательности:
-
1) Подготовить и включить анализатор и основные средства поверки в соответствии с эксплуатационными документами.
-
2) Подключить анализаторы к поверочной установке в соответствии с рисунком 2 или 3 и их эксплуатационными документами.
-
3) Воспроизвести с помощью поверочной установки испытательные сигналы в
соответствии с таблицей 7 при значении напряжения переменного тока 100 В с частотой переменного тока 50 Гц и номинальном значении силы переменного тока 1 А в течение времени достаточного для определения погрешности измерений.
Таблица 7
|
№ |
Сила переменного тока в каждой фазе |
Коэффициент мощности cos^ |
|
1 |
0,027НОМ |
1 |
|
2 |
0,05/„ом | |
|
3 |
/ном | |
|
4 |
/макс | |
|
6 |
0,05 7НОм |
0,5 (при индуктивной нагрузке) 0,8 (при емкостной нагрузке) |
|
7 |
0,1 7ном | |
|
8 |
/ном | |
|
9 |
/макс |
4) Зафиксировать на дисплее анализатора или в ПО на ПК значения полной электрической мощности и энергии, измеренные анализатором.
-
5) Вычислить значения основной относительной погрешности измерений полной электрической мощности и энергии для каждого испытательного сигнала по формуле (2).
-
6) Повторить операции 3)-5) при значении напряжения переменного тока 400 В с частотой переменного тока 50 Гц и номинальном значении силы переменного тока 5 А
Результаты считать удовлетворительными, если полученные значения погрешностей не превышают допускаемых пределов, указанных в описании типа.
9 ОФОРМЛЕНИЕ РЕЗУЛЬТАТОВ ПОВЕРКИ-
9.1 Результаты поверки анализатора подтверждаются сведениями, включенными в Федеральный информационный фонд по обеспечению единства измерений в соответствии с порядком, установленным действующим законодательством.
-
9.2 По заявлению владельца анализатора или лица, представившего его на поверку, положительные результаты поверки (когда анализатор подтверждает соответствие метрологическим требованиям) оформляют свидетельством о поверке по форме, установленной в соответствии с действующим законодательством, и (или) нанесением на анализатор знака поверки, и (или) внесением в паспорт анализатора записи о проведенной поверке, заверяемой подписью поверителя и знаком поверки, с указанием даты поверки.
-
9.3 По заявлению владельца анализатора или лица, представившего его на поверку, отрицательные результаты поверки (когда анализатор не подтверждает соответствие метрологическим требованиям) оформляют извещением о непригодности к применению средства измерений по форме, установленной в соответствии с действующим законодательством, и (или) внесением в паспорт анализатора соответствующей записи.
Ю. А. Винокурова
Заместитель начальника отдела испытаний ООО «ИЦРМ»
Страница 16 из 16
