Паспорт «СЕКУНДОМЕР ЭЛЕКТРОННЫЙ ЦИФРОВОЙ СЭЦ-10000» (Код не указан!)
ложение "100". Кнопка ПУСК испытуемого секундомера должна быть отжата.
Испытания проводятся при установках переключателей СК-3 ”009990", "099900", "999000", что соответствует при данной частоте входного сигнала интервалам времени'99,90 с; 999,0 с и 9990 с.
Погрешность секундомера не должна превышать указанной в п.3.2 величины для каждого предела измерения.
•II.7. Оформление результатов поверки
Сведения о результатах поверки записываются в раздел 12 паспорта и удостоверяются клеймом.
При отрицательных результатах поверки секундомер к применению не допускается и должен быть подвергнут ремонту. После ремонта следует вновь провести поверку секундомера.
12. СВЕДЕНИЯ О РЕЗУЛЬТАТАХ ПОВЕРКИ
Дата поверки |
Наименование организации, проводящей поверку |
Заключение результата поверки (годен, не годен) |
Фамилия поверителя |
Подпись / |
сЕКУН,ДйОпИФРоВОЙ
ЭЛЕетсХ'»»00Паспорт
,4f- - лхД!-? jK.® :*f£. • ■>?■ ■
1\
I
!/
36Ш8 Г8^/^Д8КАЗ PCO-A у л. bp Газмановых64 Ц АО «Владикавказский Ц ПРИБОРОСТРОИТЕЛЬНЫЙ ЗАВОД» Г

ГЛОСКВА
-
I. ВВЕДЕНИЕ
-
1.1. Настоящий паспорт предназначен для изучения технических характеристик, устройства и принципа действия секундомера электронного цифрового СЭЦ-ЮООО или СЭЦ-IOOOO Щ (в дальнейшем - секундомер) и содержит сведения о порядке работы, мерах безопасности при работе с секундомером, способах устранения неисправностей и поверке секундомера.
-
1.2. В настоящем паспорте приняты следующие сокращения и условные обозначения:
БИ - блок индикации;
ГИ - генератор импульсов;
ДЧ - датчик частоты;
м/с - микросхема;
ОС - схема совпадения;
УИ - устройство индикации;
УН - устройство питания;
УУ - устройстве управления;
УУИ - устройство управления индикацией;
ФИ - формирователь импульсов;
уровень "О" (импульс "О”) - уровень (импульс)напряжением не более +2 В по отношению к потенциалу цепи "-9 В";
уровень "I” (импульс "I") - уровень (импульс) напряжением не менее'+7 В по отношению к потенциалу цепи "-9 В"

Рис.1. Секундомер электронный цифровой СЭЦ-IOOOO
-
2. НАЗНАЧЕНИЕ
-
2.1. Секундомер предназначен для измерения интервалов времени и индикации результатов измерения в цифровой форме.
-
2.2. Секундомер может быть использован для измерения времени срабатывания электромагнитных реле постоянного и переменного тока, длительности однократных электрических импульсов, суммарной длительности пакета электрических импульсов и т.п.
-
2.3. Условия эксплуатации секундомера:
-
температура окружающего воздуха от минус 10 до 50 °C при скорости изменения температуры до 40 °С‘за 8 ч;
влажность окружающего воздуха до 95 % при 35 °C и ниже;
атмосферное давление от 84 кПа (630 мм рт.ст.) до 106,7 кПа (800 мм рт.ст.).
-
3. ТЕХНИЧЕСКИЕ ХАРАКТЕРИСТИКИ
-
3.1. Наибольший предел шкалы секундомера 9999 с.
-
Количество диапазонов измерения 3:
-
I диапазон до 99,99 с, цена деления шкалы (дискретность отсчета) С,01 с;
-
II диапазон - до 999,9 с, цена деления шкалы (дискретность отсчета) 0,1 с;
Ш диапазон - до 9999 с, цена деления шкалы (дискретность отсчета) I с.
Переход с диапазона на диапазон автоматический.
-
3.2. Допускаемая относительная погрешность секундомера
А
5 - --— + В ,
где: А - максимальная систематическая погрешность секундомера;
t - измеряемый интервал времени;
В - относительная погрешность задающего генератора.
Величина А не превышает значений:
в I диапазоне +0,02 с;
во II диапазоне +0,1 с;
в Ш диапазоне +1 с.
Величина В не превышает значений:
при температуре (23+5) °C - 5-10~®;
при температуре от минус 10 до 50 °C - 5 >10”'’.
-
3.3. Индикация - цифровая десятичная четырехразрядная.
-
3.4. Работа секундомера может осуществляться в одном из трех
в режиме ручного управления - при помощи кнопок, расположенных на секундомере;
в режиме дистанционного управления - при помощи коммутационных устройств, подключаемых к внешнему разъему секундомера;
в режиме автоматического управления - при помощи электрических сигналов, подаваемых на измерительные входы секундомера.
-
3.5. Нормальная работа секундомера обеспечивается при подаче на измерительные входы сигналов, соответствующих значениям, приведенным в нижеследующей таблице.
Л входа
Эффективное напряже
ние переменного входного сигнала, В
Частота переменного входного сигнала, Гц
Напряжение пос тоянного входного сигнала,
-
1 31,2...39,6 50...1000 +12...40
-
2 93.5...I2I 50...1000 +36...120
-
3 187...242 50...1000 +72...240
-
-
3.6. Входное сопротивление секундомера по измерительным входам, не менее:
по входу 1-0,3 кОм;
по входу 2 - 4,4 кОм;
по входу 3-9,7 кОм.
-
3.7. Основное электрическое питание секундомера осуществляется от однофазной сети переменного тока напряжением (220*^) Б, ча-•тотой (50+1) Гц с коэффициентом гармоник не более 5 %.
-
3.8. Мощность, потребляемая ст сети,-не более 4 В'А.
3.S. Резервное питание секундомера - от батареи типа "Крена ВЦ” н пряжением (9_j) В.

Рис.2. Габаритный чертеж секундомера и разметка щита под установку секундомера СЭЦ-10000Щ
При питании от резервного источника обеспечивается измерение интервалов времени и запоминание результатов измерения. Индикация результата измерения осуществляется при включении основного питания.
■ 3.10. Мощность, потребляемая секундомером от резервного исто
чника, не более 100 мВт.
З.П. Габаритные размеры и установочные размеры секундомера см. на рис.2.
-
3.12. Исполнения секундомера:
СЗЦ-10000 - настольное;
СЭЦ-IOOOO Щ - щитовое;
-
3.13. Масса секундомера — не более 1,2 кг.
-
3.14. Установленная безотказная наработка - 4500 ч.
-
4. КОМПЛЕКТ ПОСТАЗКИ
Секундомер электронный цифровой типа JUU-IGCCb или секундомер электронный цифровой типа C^u-IU.CU L,
Паспорт Комплект ЗИП: вилка РШ2Н-1-17; предохранитель 3111-3-^,z5
-
5. УСТРОЙСТВО И ЛРкЕ1_ИП РАВОТС
-
5.1. Конструкция
-
Корпус приборе! состоит из двух частей и выполнен из ударопрочного полистирола. На нижней части крепится трансформатор питания и держатель предохранителя. В гнездах и пазах нижней части размещены: справа - плата УП с кнопками управления секундомером СЕТЬ, ПУСК и "0", выведенными на переднюю панель, выполненную в виде светофильтра; впереди, непосредственно за светофильтром, - четыре УУИ с люминесцентными вакуумными индикаторами; слева - плата УУ секундомером; сзади в специальном пазу - разъем входного делителя, под которым имеется отсек для батареи резервного источника питания.
Устройства, устанавливаемые в нижней части корпуса, фиксируются в коппусе верхней частью, соединяющейся с нижней при помощи двух винтов.
В щитовом исполнении в пазах боковых стенок устанавливаются угольники для крепления секундомера к приборному щиту.
-
5.2. Принцип работы
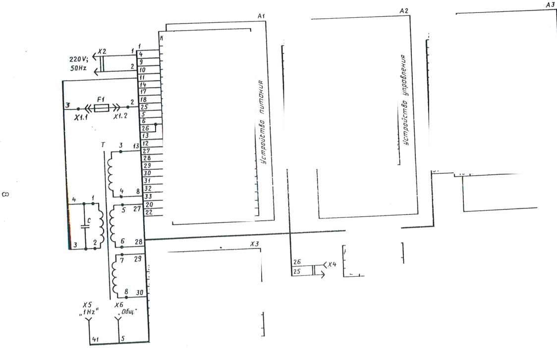
Структурная схема.секундомера приведена на рис.З, электрические принципиальные схемы на рис.4...8.
В состав секундомера входят следующие устройства: УУ; БИ, включающий в себя УУИ с индикаторами; УП с делителем измерительного входа и органами управления.
Секундомер может работать в одном из трех режимов: ручного, дистанционного и автоматического управления.
220V;50Hz^][y---
А2
П1.1;Т)1.2
Л2,Л1.3;Л3.1;РУ
Кварцевый ГЦ ~\Г
F= 32 800Hz
Л/2
Делитель
1:8
{Скважность в)
А1
Схема
гальВанич.
развязки
-■>
X/
1:328
У Б, У 7
—X временного
. „окна"
„окна
IQOHz
10Hz
IOOHl
тг
1И0
\/
/\
х Ключ IQOHzav +2SV
Д/А..Д/б;Д5.2
Формира
ватель
импульс-
\/
ЛЮ
Коммутатор
X Канал «
Л9
СТ 2
XI
Управление
канал и
<■
У/
\х
Отправлен. J;
запятыми)
S3
D3.2-, D8
Схема, управления
записью
числа /
D11
Схема
совпадения

II
II
Пуск
сеть
II
-9V
Устройство питания А1
„-27 У‘
1.5V
ЗБУ ~110У ~22ОУ
измерительный вход
Рис.З. Структурно-функциональная

схема секундомера СЭЦ-1ОООО

■»

Конт |
Цепь |
0 |
CemblZOV'.SOHz- 1 |
1 |
Сеть 220 V; 50Hz-2 |
2 3 |
выход..Пуск’ |
|
выход „Уст 0" |
6 7 |
-9V |
Я |
- Батареи |
|
Общий |
И - 12 - /3 |
- 27 V |
- /4 |
~гчч -1 .... |
15 |
-29V-2 |
- 16 |
~ 13V -1 |
- 17 |
"-13V-2 |
- ffl |
Вход 220V |
- 19 |
Вход 110V |
- 20 |
вход 56 V |
— 21 |
К |
- 22 |
--~Ж |
31 |
Конт |
Цепь |
32 |
1 2 |
---вход 1104 |
11 |
|
уст. 0 |
20 2/1 |
5 |
К |
9 |
я |
Пуск |
22 , |
Ж | |
23 1 |
7 | |
17 |
~iT |
-9V |
г | ||
(онт |
Цепь | |
24 |
1 |
Питание сеток |
23 |
? |
Ж |
21____ |
3 |
к |
7 |
4 |
об щи и |
19 |
5 |
-9 И . |
10 |
6 |
Пуск |
34 |
7 |
Выход 100Hz |
15 |
R |
Вход розреих.зописи.1 SUP |
35 |
9 |
Выход записи.? в чр. |
35 |
10 |
Выход счетных инлульт |
37 |
н |
Выход ур- запятой гр _ |
38 |
1? |
Выход ур.запятой Зр |
3S |
н |
Вход переполнения Чр |
40 |
/4 |
Контроль (Hi |
42 |
15 |
ныхоО инсрормзописи.Шр |
16 |
16 |
Вход. Уст 0' .1 |
п | ||
I —----- | ||
24 |
Чант ~Т~ |
Цепь |
питание сеток | ||
8 |
2 |
~f.5V |
/2 |
3 |
-27 У |
6 |
4а 46 |
ОВщий |
7 | ||
ЗБ |
5 |
ЛхпЙ счетных импульиА |
18 |
6а hb |
-ЭИ |
/9 | ||
42 |
7 |
в ин/рзрм- записи.?!up |
39 ~П 35 |
8 9~' |
выход переполнении ... |
вход залиси.1 <w. . | ||
16 |
1(1 |
команда• Уст.О |
<4 |
На lib |
в к од. У ст.0‘ |
15 | ||
40 |
1? |
вход 1Hz |
м |
/3 |
ВЫХОв! Hz |
34 |
/V |
’ Вход 100Hz |
38 |
15 |
Вход У пр. запятой зр |
37 |
16 |
Ихоо чпр запетой гр . |
Блок индикации
Конт |
Цепь |
' 1 |
4- Батареи |
2 |
- батареи |
Рис.4. Секундомер электронный цифровой СЗЦ-10000.
Схема электрическая принципиальная
Перечень элементов к схеме электрической принципиальной секундомера электронного цифрового (рис.4)
Обозначение |
Наименование |
Количество |
Примечание |
AI |
Устройство питания |
I- | |
А2 |
Устройство управления |
I | |
АЗ |
Блок индикации |
I | |
С |
Конденсатор |
I | |
К73П-2-400В-0,01 мкФ+10 |
б/ /0 | ||
И |
Предохранитель ВП-1-1-0,25 А |
Т | |
Т |
Трансформатор питания |
I | |
Х2 |
Вилка 36,3-002 |
I |
Допускается за- |
мена на вилку ——; т Т | |||
ХЗ |
Розетка РПН-1-3 |
1 | |
Х4 |
Колодка питания |
I | |
Х5.Х6 |
Гнездо ГИ-1,2 |
о |
В режиме ручного управления интервал времени измеряется нажатием и отпусканием выносной кнопки ПУСК, подключаемой к внешнему разъему секундомера (схемы подключения приведены на рис.S,10).
В режиме автоматического управления .интервал времени измеряется подачей и снятием электрического сигнала в соответствии с п.3.5 на один из входов.
Кварцевый генератор ГИ вырабатывает импульсы стабильной частоты 32800 Гц, которые в ДЧ делятся до частоты 100 Гц, 10 Гц и I Гц. Интервал времени измеряется путем счета числа импульсов стабильной частоты, проходящих за измеряемый интервал времени. В течении первых I0Q-секунд производится счет импульсов частотой 100 Гц. По истечении 100 секунд счетчик сбрасывается на ноль, в старший разряд записывается число I и запятая переносится на один разряд вправо. В течение последующих 900 секунд производится счет импульсов частотой 10 Гц. По истечении 1000 секунд счетчик снова обнуляется, в старший разряд записывается число I и запятая переносится на один разряд вправо. В последующем производится счет импульсов частотой I Гц.

Рис.5. Устройство управления. Схема электрическая принципиальная
Цепь |
Je микросхемы | |||||||||||
Di; |
D2 |
D4 |
D5 |
D6 |
D7 |
D8 |
D9 |
D10 |
D11 |
D12 | ||
№ вывода | ||||||||||||
"Общ" |
14 |
16 |
14 |
14 |
14 |
16 |
16 |
14 |
16 |
16 |
14 |
16 |
"-9V, " |
7 |
8 |
7 |
7 |
7 |
8 |
8 |
7 |
8 |
8,7 |
7 |
8 |
перетяги) ouiDmcnivp n. vaqiviu олсп л juju iconun принципиальной устройства управления (рис.5) | |||
Обозначение |
Наименование |
Количество |
Примечание |
Л1 |
Оптрон ЛОТ II0A |
I |
А’ОТ РЮБ |
Конденсаторы | |||
CI |
КТ4-23-8/ЗО-В |
т 1 | |
С2 |
KI0-7B-M75-22 пФ+5 % |
I |
IC пФ; 33 пФ; |
47 пФ | |||
СЗ |
KIG-7B-H9C-0,01 мкФ |
I |
0,022 мкФ; |
0,03.3 мкФ; | |||
0/47 мкФ | |||
С4 |
KI0-7B-H90-220G пФ |
I | |
05 |
KI0-7B-H90-0.047 мкФ |
-Г | |
Микросхемы | |||
D1. |
K56IJ1H2 |
1 | |
D2 |
К561ИШ6 |
г | |
D3.D4 |
К561ЛА8 |
2 | |
D5 |
К561Л06 |
L | |
1)6, D7 |
К561ИШ- |
2 | |
D6 |
K5SIPI® |
1 | |
D9 |
К561ИЕ14 |
I | |
D10 |
K56IK11I |
1 | |
D11 |
К561Л26 |
1 | |
012 |
K56IIES |
I | |
G1 |
Резонатор кварцевый |
1 | |
РК 206-32К | |||
Резисторы | |||
RI |
03-14-22 мОмнЮ Д |
I | |
S3 |
EUiT-0,25-150 к0м+10 % |
I | |
КЗ |
МЛТ-О, 25-10(1 к0м+10 % |
I | |
54 |
МЛТ-О, 25-Ю кОм+Ю % |
1 | |
55 |
МЛТ-О,25-300 кОм+Ю % |
I | |
№ |
МЛТ-О,25-100 кОм+Ю % |
I | |
5? |
МЛТ-О,25-510 к0м+10 % |
I | |
58 |
МЛТ-О,25-100 кОм+Ю % |
I | |
59 |
МЛТ-О,25-22 кОм+Ю % |
I | |
510...512. |
МЛТ-О,25-100 к0м+10 % |
3 |
МЛТ-О,125 |
RI3 |
МЛТ-О,25-3,3 к0м+10 % |
I | |
RI4 |
МЛТ-О,25-10 к0м+10 % |
I | |
RI5 |
МЛТ-О, 25-820 кОм+Ю % |
I |
ШТ-0,125 |
V1 , V2 |
Диод полупроводниковый КД ЮЗА 2 | ||
V3.V4 |
Стабилитрон KJ 1311 | ||
V5 |
Диод полупроводниковый КД 52213 I | ||
V6 |
Транзистор КТ 503Д |
I | |
V7. |
Транзистор КТ 502Д |
I |
Обозначение | |
Наименование |
Количестве |
Примечание |
AI |
Устройство управления индикацией |
I | |
HI.. .114 |
Индикатор ИВ-П •я |
4 |
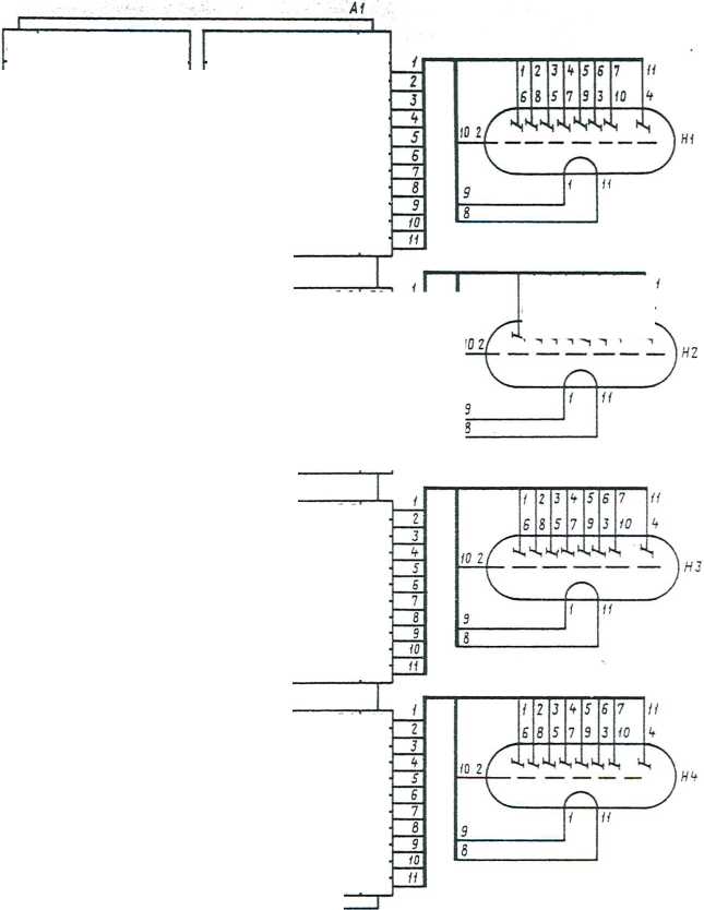
Рис. 7, 8 - на вкладке

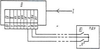
Рис.9. Схема подключения секундомера для дистанционного управления: ПДУ - пульт дистанционного управления
I - сеть 22С В, 50 Гц; П - секундомер СЗЦ-ГСПГ (Ш); •.! - конт.;
1У - цепь; У - вход 220 В; Ух - вход ИС В; УН - вход Сб 3;
УШ - вход К; IX - вход 1.; - уст.О; XI - пуск,-

Рис. К.-. Схема подключения секундомера для испытания роле с нормально-разомкнутыми контактами:
I - к источнику питания; И - сеть 220 х>, 50 Гц; Ш - секундомер C3U-I0GCG (iil); 1У - конт.; У- цепь; УТ- вход 220 3;УП- вход НО В; ,Уд - вход Зб 3; IX - вход X; X - вход I.; XI - уст.О; XII - пуск
Состояние счетчика преобразуется в семисегментннй код четырех индикаторов.
При аварийном выключении питания от сети снимается напряжение с индикаторов, а счетчик и схема управления питаются от резервного источника.
-
6. УКАЗАНИЯ МЕР БЕЗОПАСНОСТИ
-
6.1. При работе с секундомером необходимо соблюдать правила мер безопасности, предусмотренные для лиц, обслуживающих установки с напряжением до 1000 В.
-
6.2. Секундомер тлеет световую индикацию включения сети. При включенной сети светятся цифровые индикаторы.
-
6.3. Подключение секундомера к внешним цепям следует осуществлять только с помощью кабельной части разъема, входящей в комплект секундомера.
-
6.4. Запрещается производить пайку и замену элементов секундомера при подключенных электросети и внешнем разъеме.
-
-
7. ПОДГОТОВКА К РАБОТЕ И ПОРЯДОК РАБОТЫ
-
7.1. После нахождения секундомера в условиях повышенной влажности или пониженной температуры необходимо выдержать его в рабочих условиях не менее 4ч.
-
7.2. Установите все кнопки в отжатое состояние.
-
7.3. При необходимости произведите распайку кабельной части разъема секундомера в соответствии со схемой подключения и подключите к разъему секундомера.
-
7.4. Подключите секундомер к сети переменного тока по п.3.7. Нажмите кнопку СЕТЬ. При этом должны засветиться цифровые индикаторы.
-
7.5. Нажмите и отпустите кнопку "О". На индикаторах должно установиться показание "иС,иС".
-
Секундомер готов к работе.
-
7.6. Порядок работы секундомера в режиме ручного и дистанционного управления.
-
7.6.1. Нажмите кнопку ПУСК в начальный момент измеряемого интервала времени (например, в момент старта бегуна). При этом секундомер должен начать отсчет времени.
-
7.6.2. Отожмите кнопку ПУСК в конечный момент измеряемого интервала времени (например, в момент финиша бегуна). При этом отсчет времени секундомером должен прекратиться, на индикаторах высвечивается величина измеренного интервала времени- в секундах.
-
7.6.3. для суммирования нескольких интервалов времени повторите операции п.п. 7.6.1, 7.6.2.
-
7.6.4. Для подготовки секундомера к новому измерению нажмите и отпустите кнопку "0". При этом на индикаторах должно установиться показание "00,00".
-
7.6.5. Аналогично можно управлять работой секундомера с помощью выносных кнопок ПУСК и "О", подключаемых к внешнему разъему секундомера.
-
-
7.7. Порядок работы с секундомером в режиме автоматического управления.
-
7.7.1. При появлении на одном из измерительных входов электри
-
-
7.7.2. При пропадании электрического сигнала на измерительном входе секундомер прекращает отсчет времени. На индикаторах высвечивается величина измеренного интервала времени в секундах.
-
7.7.3. Для подготовки секундомера к новому измерению повторите операции п. 7.6.4.
-
7.8. Отожмите кнопку СЕТЬ, при этом питание секундомера выключается.
Внимание! С целью предотвращения попадания активных веществ на элементы секундомера следует периодически, не реже одного раза в два месяца, проверять состояние батареи резервного источника питания!
Не допускается использование источника питания с истекшим сроком годности.
-
8. ВОЗМОЖНЫЕ НЕИСПРАВНОСТИ И МЕТОДЫ ИХ
' УСТРАНЕНИЯ
Неисправность, внешнее проявление и дополнительные признаки |
Вероятная причина |
Метод устранения |
Примечание |
I. Секундомер не |
Вышел из строя |
Заменить | |
работает |
предохранитель | ||
2. Не светятся |
Вышла из строя |
Заменить | |
индикаторы |
м/с О 12, транзисторы V6.V7 |
УУ | |
транзистор vi, |
УП | ||
м/с 03 |
УУИ | ||
3. Не работает |
Неисправен внеш- |
Заменить | |
дистанционное |
ний разъем | ||
управление | |||
4. При выключении |
Разрядилась |
Заменить | |
напряжения сети |
батарея резерв- | ||
нарушается работа |
ного питания | ||
счетчика | |||
5. Погрешность |
Сбита настройка |
Подстроечным |
УУ |
измерения |
кварцевого |
конденсатором | |
превышает |
генератора |
И при помощи | |
допустимую |
частотомера ус- |
тановить период следования сигнала "I Гц" при температуре
(25_j) °C равный I с+1 мкс
-
9. СВИДЕТЕЛЬСТВО О ПРИЕМКЕ
Секундомер электронный цифровой СЭЦ-IOOOO заводской №

-
10.1. Хранение секундомера в упаковке допускается в закрытых неотапливаемых помещениях с естественной вентиляцией при температуре окружающего воздуха от минус 50 °C до 4G °C при относительной влажности не более 98 % при 25 °C (среднемесячная влажность
не более 8С % при 20 °C) в течение не более 12 месяцев, включая время транспортирования.
-
10.2. Не допускается хранение секундомера в одном помещении с веществами, вызывающими коррозию.
-
10.3. Секундомер должен храниться на стеллаже (подставке) высотой не менее 20С мм от уровня пела.
-
10.4. Транспортирование секундомера в упаковке допускается транспортом любого вида в крытых транспортных средствах.
-
10.5. При транспортировании секундомера в упаковке допускается температура окружающего вездуха от минус 60 °C до 50 °C при относительной влажности не более ICC £ при 25 °C.
Время нахождения секундомера в условиях транспортирования не более I месяца.
II. ПОВЕРКА
-
II.I. настоящем разделе изложены методы и средства поверки, распространяющиеся на секундомеры электронные цифровые СЭц-ЮССС и СОЦ— ICOGO II.
Периодичность поверки секундомеров - один раз в 2 года. II.2. Операции и средства поверки
Наименование операции |
Номер пункта |
Средства поверки и их основные технические характеристики |
I. Внешний |
II.6.1 | |
осмотр | ||
2. Опробование |
И.6.2 | |
3. Определение |
II.6.3 |
Частотомер электронно-счетный 43-54 |
погрешнос- |
Погрешность измерения частоты | |
ти частоты |
не более 5*1С- | |
задающего | ||
генератора |
3
8

2
8
Рис.6. Блок индикации. Схема электрическая принципиальная Перечень элементов к схеме электрической принципиальной блока индикации' (рис.О)
Конт. |
Цепь |
1 |
Питание сеток |
2 |
~I,5V |
3 |
-27V |
4 |
Одщий |
5 |
вход счетных импульсоб |
Б |
-3V |
7 |
Вход инщорн. записи .ГВ Ур. |
8 |
Выход переполнения |
3 |
Вход записи. Iя 6 У разряд |
10 |
команда, „чет. 0" |
н |
Вход . дет. О" |
12 |
Вход 1 Hz |
13 |
Выход 1Hz |
1>т |
Вход 100 Hz |
15 |
Вход упр. запятой Зр |
IS |
Вход упр. запятой 2р |
Цепь |
Конт |
Выход к сегм. „ая-1 |
17 |
.Г-1 |
23 |
/8 | |
24 | |
.3"-/ |
?1 |
..e'-t |
14 |
,.ж=< |
20 |
-1,5V |
26 |
-27V |
?т |
Питание сеток |
27 |
Выход к децим, точке ■ 1 |
27 |


1 Б |
2 8 |
3 5 |
4 7 |
5 9 |
5 3 |
7 10 |
И 4 |
1 *• |

Выход к сезм. „О-'-З |
41 |
..<Г'-3 |
39 |
.Б"-3 |
42 |
.г'-з |
40 |
45 | |
„еи-3 |
43 |
„Ж-З |
44 |
— 1,5V |
48 |
-27V |
47 |
Питание сеток |
43 |
Выход к децим, точке - 3 |
4Б |

Выход к се?м. 11а.,,-4 |
52 |
„<Г"-4 |
50 |
53 | |
»га-4 |
51 |
„д"-^ |
58 |
„е-4 |
54 |
„ж"-4 |
55 |
-K5V |
57 |
-27V |
56 |
Питание сеток |
80 |
Выход к децим.точке-Ц |
59 |
Продолжение
Наименование операции |
Номер пункта |
Средства поверки и их основные технические характеристики |
4. Определение |
II.6.4 |
Генератор импульсов Г-5-60 |
погрешности |
Погрешность установки частоты | |
измерения |
0,0001 % | |
интервалов |
Амплитуда импульсов до 10 В Период следования от 0,1 до I07 мкс Секундомер-калибратор СК-3 Наличие контактного выхода Емкость счетчика 10 импульсов Погрешность задания интервала вре- | |
времени | ||
мени - не более 3 мс Блок питания Б5-50 Напряжение до 299 В Ток нагрузки до 299 мА Коэффициент пульсаций не более 0,5 |
Примечание. допускается применение аналогичных приборов других
типов, имеющих точность не хуже указанной в данной таблице.
-
11.3. При проведении поверки должны быть соблюдены меры безопасности, указанные в разделе 6 настоящего паспорта.
-
11.4. Условия поверки
При проведении поверки должны быть соблюдены следующие условия: температура окружающего воздуха (23+5) °C;
относительная влажность от 30 до 80 %; атмосферное давление от 86 до 106,7 кПа;
напряжение сети (220+4,4) В;
частота переменного тока электросети (50+0,5) Гц; коэффициент высших гармоник не более 5 %.
-
11.5. Подготовка к поверке
Перед проведением поверки должны быть выполнены работы по п.п. 7.1...7.5.
-
11.6. Проведение поверки
-
11.6.1. При проведении внешнего осмотра должно быть установлено отсутствие механических повреждений корпуса, наличие пломб
и соответствие комплекта секундомера разделу 4.
-
11.6.2. Опробование секундомера следует проводить в соответствии с п.7.6.
-
11.6.3. Определение погрешности частоты задающего генератора проводится путем измерения периода импульсов'частоты I Гц.
Частотомер 43-54 следует подключить к секундомеру в соответствии со схемой рис.II.
Переключатель ВРЕМЯ СЧЕТА - МНОЖИТЕЛЬ частотомера устанавливается в положение "I", переключатель МЕТКА ВРЕМЕНИ - в положение "O.IjuS ".
Период импульсов должен быть равен I с с относительной погрешностью не более указанной в п. 3.2 величины В.
-
II.6.4. Определение погрешности измерения интервалов времени.
К секундомеру следует подключить приборы, перечисленные в п.11.2 в соответствии со схемой рис.12.
С выхода генератора Г5-60 импульсный сигнал частотой 10 кГц подается на ВНКДНИи ГЕНЕРАТОР секундомера - калибратора СК-3. Секундомер-калибратор, работает в режиме воспроизведения интервалов времени. Переключатель СК-3 МНОЖИТЕЛЬ устанавливается в по-
III

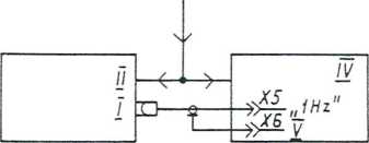
Рис.II. Схема подключения секундомера при проверке погрешности частоты задающего генератора:
I - вход 13; II - частотомер 43-54; L - сеть 220 В, 50 Гц; 1У - секундомер СЭЦ-1СС0С (1ц); У - общ.
и

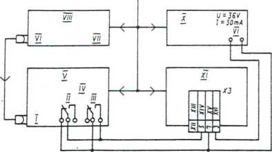
Рис.12. Схема подключения приборов при проверке погрешности секундомеров при работе от сети;
I - внешний генератор; II - пуск; Ш - стоп; 1У - контактный выход; У - секундомер-калибратор СК-3;, У1 - выход; УН - fвых.=10 кГц;
УШ - генератор импульсов Г5-60; IX - сеть 220 В, 50 Гц; X - блок питания Б5-50; XI - секундомер СЭЦ-IOOOO (Щ); XII - контакт;
ХШ - цепь; Х1У - вход К; ХУ - вход Е; ХУ1 - вход 36 В
18