Методика поверки «Счетчик электрической энергии многофункциональный ТЕ1000. Часть 2» (ФРДС.411152.006РЭ1)
ОБЩЕСТВО С ОГРАНИЧЕННОЙ ОТВЕТСТВЕННОСТЬЮ «ТЕХНОЭНЕРГО»
603152, г. Нижний Новгород, ул. Кемеровская, д. 3, офис 9
СОГЛАСОВАНО

СЧЕТЧИК ЭЛЕКТРИЧЕСКОЙ ЭНЕРГИИ МНОГОФУНКЦИОНАЛЬНЫЙ ТЕ1000
Инв,№ подл, I Поди, и дата 1Взам. инв.№ [Инв.№ дубл, I Поди, и лага
Руководство по эксплуатации Часть 2 Методика поверки ФРДС.411152.006РЭ1
|
о | |
|
о о сч | |
|
а | |
|
о |
,—4 |
|
S |
’в’ |
|
а |
о |
|
Q | |
|
а | |
|
а с |
е |
|
- |
Содержание
Общие положения
Перечень операций поверки счетчика
Требования к условиям проведения поверки
Требования к специалистам, осуществляющим поверку
Метрологические и технические требования к средствам поверки
Требования (условия) по обеспечению безопасности проведения поверки
Внешний осмотр
Подготовка к поверке и опробование счетчика
Проверка программного обеспечения (ПО) счетчика
21
£
и св Q
К
U
10
Определение метрологических характеристик счетчика
Подтверждение соответствия счетчика метрологическим требованиям
21
31
12
Оформление результатов поверки
31
Приложение А Схемы подключения счётчика к поверочной установке
32
Приложение Б Схемы подключения счётчиков к компьютеру
34
ю
§
£
и а
=
CQ
а
а
со
CQ
св
й
ц
S
В
В О С
§ о к £
CQ а S



|
№м |
Лист |
№ докум. |
Подп. |
Дата |
|
Разраб. |
Лмакова | |||
|
Провер. |
Демидович | |||
|
М.экс. |
Санников С | |||
|
Н.контр. |
5абион \ | |||
|
Утвер. |
Ожук t | |||
Счетчик электрической энергии многофункциональный ТЕ 1000
Руководство по эксплуатации. Часть 2. Методика поверки
|
Лит. |
Лист |
Листов |
|
2 |
35 | |
Инв.№ подл. I Подп. и дата [Взам. инв.№ |Инв.№ дубл. I Подп. и дата
1 Общие положения
-
1.1 Настоящая методика составлена с учетом требований Приказов Минпромторга России № 2510 от 31.07.2020, № 2907 от 28.08.20, РМГ 51-2002 в соответствии с требованиями ГОСТ 31818.11-2012, ГОСТ 31819.21-2012, ГОСТ 31819.23-2012, ГОСТ 8.584-2004 и устанавливает методику первичной, периодической и внеочередной поверки счётчиков, а также объем, условия поверки и подготовку к ней.
Настоящая методика устанавливает требования к эталонам и средствам измерений для проведения поверки счетчиков, позволяющие оценить метрологические характеристики с требуемой точностью и обеспечивающие прослеживаемость поверяемого счетчика к государственным первичным эталонам в соответствии с ГОСТ 8.551-2013 «ГСП. Государственная поверочная схема для средств измерений электрической мощности и электрической энергии в диапазоне частот от 1 до 2500 Гц».
-
1.2 Настоящая методика распространяется на счётчики электрической энергии многофункциональные ТЕ 1000 (далее счётчики), предназначенные для измерения и многотарифного коммерческого или технического учета активной и реактивной энергии прямого и обратного направления в однофазных двухпроводных сетях переменного тока с номинальным напряжением 230 В, базовым (максимальным) током 5 (100) А или 5(80) А, частотой (50 ± 2,5) Гц при непосредственном подключении к сети. При определении метрологических характеристик по п.п. 10.2-10.6 применяется метод прямых измерений.
В модельный ряд счётчиков серии ТЕ 1000 входят счётчики, отличающиеся наличием реле управления нагрузкой, типами интерфейсов связи и способом установки (внутри или снаружи помещений или на DIN-рейку). Счётчики всех вариантов исполнения имеют второй датчик тока в нулевом проводе и идентичные метрологические характеристики, единое конструктивное исполнение частей, определяющих эти характеристики, единое программное обеспечение. Варианты исполнения счётчиков и встраиваемых модемов приведены в таблицах 1 - 3.
-
1.3 До ввода в эксплуатацию и после ремонта проводят первичную поверку.
Первичной поверке подлежит каждый счётчик.
Интервал между поверками 16 лет.
-
1.4 Периодической поверке подлежат счётчики, находящиеся в эксплуатации или на хранении по истечении интервала между поверками.
-
1.5 Внеочередную поверку проводят при эксплуатации счётчиков в случае:
-
- отсутствия подтверждения результатов поверки счётчика в соответствии с действующим на дату ее проведения нормативным правовым актом, принятым в соответствии с законодательством Российской Федерации об обеспечении единства измерений;
-
- повреждения или отсутствия пломб, обеспечивающих защиту от несанкционированного доступа к узлам настройки (регулировки) счётчика, с вскрытием пломб, предотвращающих доступ к узлам настройки (регулировки) и (или) элементам конструкции счётчика;
-
- в случае утраты формуляра счётчика;
-
- ввода в эксплуатацию счётчика после длительного хранения (более одного интервала между поверками);
-
- при известном или предполагаемом ударном воздействии на счётчик или неудовлетворительной его работе;
-
- продажи (отправки) потребителю счётчика, не реализованного по истечении срока, равного одному интервалу между поверками.
Изм
Лист
№ докум.
Подп.
Дата
ФРДС.411152.006РЭ1
Лист
3
Таблица 1 - Варианты исполнения счётчиков серии ТЕ 1000
|
Условное обозначение счетчика |
Номинальный (максимальный) ток, А |
Номинальное напряжение, В |
Класс точности измерения активной/ реактивной энергии |
Реле |
Радиомодем |
|
Счетчики вн |
утренней установки | ||||
|
ТЕ1000.00 |
5(100) |
230 |
1/1 |
+ |
+ |
|
ТЕ 1000.01 |
5(100) |
1/1 |
- |
+ | |
|
ТЕ1000.02 |
5(100) |
1/1 |
+ |
- | |
|
ТЕ 1000.03 |
5(100) |
1/1 |
- |
- | |
|
Счетчики наружной установки | |||||
|
ТЕ 1000.40 |
5(100) |
230 |
1/1 |
+ |
+ |
|
ТЕ1000.41 |
5(100) |
1/1 |
- |
+ | |
|
ТЕ1000.42 |
5(100) |
1/1 |
+ |
- | |
|
ТЕ 1000.43 |
5(100) |
1/1 |
- |
- | |
|
Счетчики для j |
установки на DIN-рейку | ||||
|
ТЕ 1000.60 |
5(80) |
230 |
1/1 |
+ |
+ |
|
ТЕ1000.61 |
5(80) |
1/1 |
- |
+ | |
|
ТЕ 1000.62 |
5(80) |
1/1 |
+ |
- | |
|
ТЕ1000.63 |
5(80) |
1/1 |
- |
- | |
Инв.№ подл. I Подп. и дата [Взам. инв.№ |Инв.№ дубл. I Подп. и дата
Таблица 2- Типы встраиваемых интерфейсных модулей
|
Условное обозначение модуля |
Наименование |
|
00 |
Отсутствие интерфейсных модулей |
|
01 |
Коммуникатор GSM ТЕ 101.02.01 А, (сеть 2G) |
|
02 |
Модем PLC |
|
04 |
Коммуникатор 3G ТЕ 101.03.01 А, (сеть 2G+3G) |
|
05 |
Модем Ethernet* |
|
08 |
Модем ISM М-4.03Т.0.102А (ZigBee 2400 МГц) |
|
10 |
Коммуникатор Wi-Fi ТЕ102.01.01А |
|
11 |
Коммуникатор 4G ТЕ101.04.01А, (сеть 2G+3G+4G) |
|
13 |
Коммуникатор NBIoT ТЕ 101.01.01 А (сеть 2G+4G NBIoT) |
|
14 |
Коммуникатор NBIoT ТЕ101.01.01 А/1 (сеть 4G только NBIoT) |
|
15 |
Модем LoRaWAN M-6T.ZZ.ZZ |
|
16 |
Модем Bluetooth M-7T.ZZ.ZZ |
|
17 |
Модем PLC/ISM ТЕ 103.01.01 А |
|
Примечания
| |
|
Изм |
Лист |
№ докум. |
Подп. |
Дата |
Лист
Инв.№ подл. I Подп. и дата [Взам. инв.№ |Инв.№ дубя. I Подп. и дата
Таблица 3 - Типы устанавливаемых дополнительных интерфейсных модулей для счётчиков внутренней установки ТЕ 1000.00- ТЕ 1000.03
|
Условное обозначение модуля |
Наименование |
|
00 |
Отсутствие интерфейсного модуля |
|
01 |
Коммуникатор GSM ТЕЮ 1.02.01 (сеть 2G) |
|
02 |
Модем PLC М-2.01(Т).01 (однофазный) |
|
04 |
Коммуникатор 3G ТЕ101.03.01 (сеть 2G+3G) |
|
05 |
Модем Ethernet М-3.0 IT.01 |
|
06 |
Модем ISM М-4.01 (T).ZZ (430 МГц) |
|
07 |
Модем ISM M-4.02(T).ZZ (860 МГц) |
|
08 |
Модем ISM М-4.03Т.0.112 (2400 МГц) |
|
09 |
Модем оптический М-5.01T.ZZ |
|
10 |
Коммуникатор Wi-Fi ТЕ 102.01.01 |
|
11 |
Коммуникатор 4G ТЕ101.04.01 (сеть 2G+3G+4G)* |
|
12 |
Коммуникатор 4G ТЕ101.04.01/1 (сеть 2G+3G +4G)** |
|
13 |
Коммуникатор NB-IoT ТЕ 101.01.01 (сеть 2G+4G (NB-IoT)) |
|
14 |
Коммуникатор NB-IoT ТЕ 101.01.01/1 (сеть 4G (только NB-IoT)) |
|
15 |
Модем LoRaWAN M-6T.ZZ.ZZ |
|
16 |
Модем Bluetooth M-7T.ZZ.ZZ |
|
17 |
Модем PLC/ISM ТЕ103.01.01 (однофазный) |
|
Примечания 1 ZZ - вариант исполнения интерфейсного модуля | |
|
2 В счётчики могут устанавливаться дополнительные интерфейсные модули, не приве- | |
|
денные в данной таблице со следующими характеристиками: | |
|
- при питании от внутреннего источника счетчика с напряжением 12 В потреб- | |
|
ляемый ток не должен превышать 200 мА; | |
|
- при питании от внешнего источника величина напряжения изоляции цепей | |
|
интерфейса R.S-485 модуля от цепей электропитания должна быть 4000 В (сред- | |
|
неквадратическое значение в течение 1 минуты). | |
|
3 * Максимальная скорость в сети 4G 150 Мбит/с. | |
|
4 ** Максимальная скорость в сети 4G 10 Мбит/с. | |
|
Лист | ||||||
|
ФРДС.411152.006РЭ1 | ||||||
|
Изм |
Лист |
№ докум. |
Подп. |
Дата |
э |
Инв.№ подл. I Поди, и дата [Взам. инв.№ |Инв.№ дубл. I Подп. и дата
Таблица 4- Операции поверки
|
Наименование операции |
Номер пункта настоящей методики |
Обязательность проведения операции при поверке | |
|
первичной |
периодической | ||
|
Внешний осмотр |
7 |
да |
да |
|
Опробование:
|
8.2.2, 8.2.3
|
да |
да |
|
Проверка программного обеспечения |
9 |
да |
да |
|
Проверка электрической прочности изоляции |
10.1 |
да |
да |
|
Проверка стартового тока (чувствительности) |
10.2 |
да |
да |
|
Проверка отсутствия самохода |
10.3 |
да |
да |
|
Определение основной относительной погрешности измерения энергии, мощности |
10.4 |
да |
да |
|
Определение основной относительной погрешности измерения коэффициентов мощности |
10.5 |
да |
да |
|
Определение основной относительной погрешности измерения параметров сети |
10.6 |
да |
да |
|
Определение точности хода встроенных часов |
10.8 |
да |
да |
-
2.1 При первичной и периодической поверке все операции, указанные в таблице 4 обязательны.
Проведение поверки для меньшего числа измеряемых величин или на меньшем числе поддиапазонов измерений невозможно.
-
2.2 При получении отрицательного результата в процессе выполнения любой из операций поверки счётчик бракуют и его поверку прекращают.
3 Требования к условиям проведения поверки
3.1 Порядок организации и проведения поверки должен соответствовать установленному в «Порядке проведения поверки средств измерений», утверждённому приказом Минпромторга России от 31 июля 2020 г. № 2510.
|
Изм |
Лист |
№ докум. |
Подп. |
Дата |
Лист
6
Иш<№ поля. I Полп. и дата |Взам. инв.№ |Инв.№ дубл. I Подп. и дата
-
3.2 При проведении поверки должны соблюдаться условия, установленные в ГОСТ 31818.11-2012, ГОСТ 31819.21-2012, ГОСТ 31819.23-2012. ГОСТ 8.584-2004:
-
- температура окружающего воздуха (23±2)°С ;
-
- относительная влажность воздуха (30 - 80) %;
-
- атмосферное давление (630 - 795) мм. рт. ст;
-
- внешнее магнитное поле не превышает естественного фона;
-
- частота измерительной сети (50±0,3)Гц;
-
- форма кривой напряжения и тока измерительной сети синусоидальная с Кг не более 2 %;
-
- отклонение напряжения от среднего значения не более ±1 %;
-
- отклонение тока от среднего значения не более ±1 %.
-
3.3 Перед проведением поверки необходимо изучить документы: ФРДС.411152.006РЭ «Руководство по эксплуатации. Часть 1», ФРДС.411152.006РЭ2 «Руководство по эксплуатации. Часть 3. Дистанционный режим», ФРДС.468369.009РЭ «Терминалы серии Т-1. Руководство по эксплуатации».
-
3.4 Поверка должна проводиться на аттестованном оборудовании и с применением средств поверки, имеющих действующий знак поверки или свидетельство о поверке.
4 Требования к специалистам, осуществляющим поверку
-
4.1 К проведению поверки допускают поверителей из числа сотрудников организаций, аккредитованных на право проведения поверки в соответствии с действующим законодательством РФ, изучивших настоящую методику поверки, руководство по эксплуатации на счетчик, эксплуатационную документацию на средства поверки и имеющих стаж работы по данному виду измерений не менее 1 года.
5 Метрологические и технические требования к средствам поверки
-
5.1 Для проведения поверки должно быть организовано рабочее место, оснащенное средствами поверки в соответствии с таблицей 5.
Таблица 5- Средства поверки
Средства поверки
Номер пункта методики поверки
Основные технические характеристики средства поверки
Прибор для испытания электрической прочности
УПУ-10
10.1
Испытательное напряжение до 10 кВ, погрешность установки напряжения ± 5 %;
Установка поверочная универсальная УППУ-МЭ 3.1КМ
8.2, 10.2-
10.8
Диапазон напряжений (160-276) В; диапазон токов (0,02-100) А; погрешность измерения активной/реактивной энергии ± (0,015/0,03) %; погрешность измерения тока и напряжения ± 0,03 %.
Частотомер электронно
счетный 43-63
10.8
Погрешность измерения 510'7
Секундомер механический
СОСпр-2б-2
10.2-10.3
цена деления 0,2 с, класс точности 2
Источник питания Б5-70
10.2-10.3,
10.8
Напряжение (0-30) В, ток до 50 мА; погрешность индикации ±200 мВ, ±30мА
Лист
ФРДС.411152.006РЭ1
7
Изм
Лист
№ докум.
Подп.
Дата
Продолжение таблицы 5
|
Средства поверки |
Номер пункта методики поверки |
Основные технические характеристики средства поверки |
|
Персональный компьютер |
8.2,10.1-10.8 |
С операционной системой «Windows ХР» -«Windows 10» |
|
Преобразователь интерфейса USB в RS-485 ПИ-2Т или ТЕО 10 |
8.2, 10.1-10.8 | |
|
Устройство сопряжение оптическое УСО-2Т или ТЕ001 |
8.2, 10.1-10.8 | |
|
Программное обеспечение «Конфигуратор СЭТ-4ТМ» |
8.2, 10.1-10.8 |
Версия не ниже VI 8.05.21 |
Инв.№ подл. I Подп. и дата [Взам. инв.№ |Инв.№ дубл. I Подп, и дата
-
5.2 Допускается проведение поверки счётчиков с применением средств поверки, не указанных в таблице 5, но обеспечивающих определение и контроль метрологических характеристик поверяемых счётчиков с требуемой точностью.
Допускается проведение поверки на установке с максимальным током 50 А.
6 Требования (условия) по обеспечению безопасности проведения поверки
-
6.1 Помещение для проведения поверки должно соответствовать правилам техники безопасности и производственной санитарии.
-
6.2 При проведении поверки должны быть соблюдены требования «Правил технической эксплуатации электроустановок потребителей» и «Правил техники безопасности при эксплуатации электроустановок потребителей», а так же требования раздела 1 руководства по эксплуатации ФРДС.411152.006РЭ и соответствующих разделов из документации на применяемые средства измерений и испытательное оборудование.
-
6.3 К работе на поверочной установке следует допускать лиц. прошедших инструктаж по технике безопасности и имеющих удостоверение о проверке знаний, если иное не установлено в эксплуатационных документах на поверочную установку.
7 Внешний осмотр
-
7.1 При внешнем осмотре должно быть установлено соответствие счётчика следующим требованиям:
-
- лицевая панель счётчика должна быть чистой и иметь четкую маркировку в соответствии с требованиями ГОСТ 31818.11 -2012;
-
- во все резьбовые отверстия токоотводов должны быть ввернуты до упора винты с исправной резьбой;
-
- на крышке зажимов счётчика должна быть нанесена схема подключения счётчика к электрической сети;
-
- на табло индикатора счётчика отсутствуют сообщения об ошибках;
-
- в комплект счётчика должен входить формуляр.
Лист
ФРДС.411152.006РЭ1
8
Изм
Лист
№ докум.
Подп.
Дата
Инв.№ подл. I Подп. и дата [Взам. инв.№ [Инв.№ дубл. I Поди, и дата
-
8 Подготовка к поверке и опробование счетчика
8.1 Подготовка к поверке
-
8.1.1 Средства поверки, которые подлежат заземлению, должны быть надежно заземлены. Подсоединение зажимов защитного заземления к контуру заземления должно производиться ранее других соединений, а отсоединение - после всех отключений.
-
8.1.2 Подключить средства поверки к сети переменного тока, включить и дать им прогреться в течение времени, указанного в эксплуатационной документации на них.
-
8.1.3 Если в счетчик установлен дополнительный интерфейсный модуль, то его следует отключить от цепей счетчика и подключить обратно по окончанию поверки.
-
8.1.4 Для определения погрешностей измерения активной и реактивной энергии и мощности прямого и обратного направления, частоты, напряжения и тока:
счётчики должны подключаться к поверочной установке по схеме, приведенной на рисунке А.1 приложения А;
испытательный выход счётчика должен подключаться к поверочной установке по схеме, приведенной на рисунке А.2 приложения А;
назначение и расположение контактов соединителей интерфейсных цепей приведены на рисунке А.З приложения А;
-
8.1.5 Поверка должна проводиться с применением компьютера и программного обеспечения «Конфигуратор СЭТ-4ТМ».
Подключение счётчика к компьютеру для работы через интерфейс RS-485 должно производиться по схеме, приведенной на рисунке Б.1 приложения Б.
Подключение счётчика к компьютеру для работы через оптопорт должно производиться по схеме, приведенной на рисунке Б.2 приложения Б.
-
8.1.6 Подготовка к работе компьютера, программы «Конфигуратор СЭТ-4ТМ» и установка связи со счётчиком
-
8.1.6.1 Включить питание компьютера и дождаться загрузки операционной системы.
-
8.1.6.2 Установить на компьютере программное обеспечение «Конфигуратор СЭТ-4ТМ», если оно не было установлено ранее, из дистрибутивного пакета, поставляемого заводом-изготовителем счётчиков. Порядок установки программы «Конфигуратора СЭТ-4ТМ» на компьютере пользователя описан в файле, входящем в состав поставляемого программного обеспечения конфигуратора. После установки программы следует пользоваться загрузочным модулем программы «Конфигуратор СЭТ-4ТМ» той версии, которая указана в таблице 5 или более поздней.
-
8.1.6.3 Вызвать программу «Конфигуратор СЭТ-4ТМ». При этом на экране должна появиться генеральная форма программы, приведенная на рисунке 1, содержащая панель инструментов, меню режимов и рабочий стол для вызова подчиненных форм из меню режимов.
Изм
Лист
№ докум.
Подп.
Дата
ФРДС.411152.006РЭ1
Лист
о о пи
«nAIUfi
О X
® 5 « |
■'ЬпЯН.ч
Автооп
ределение
типа
счётчика
со счётчиком
) • у
Стсп-ёиг г~3.
г- П».етнзй г-- Протокол протокол Y-NET
Множитель
; Прсйидгь | Запноап» 1
Г Строг© соблюдать TIME OUT
Г;<4»! 4 М&в^ТП£С^*4ЛСТйС--.. Помечать мавсстзвесмэв среза Запретить ь»<гсг арм>*« ре*»*< работы тарификатор*
10 56 32 ЭВО
10-5Б-.ЗЛ 125
Перештры ссчдм>ниня СОМ U
Саоросгъ
-
«|
Ч«ТИС«ТЬ
J
М «синыъкм» днина п»
________Piriwnrar-ппйнппп'» ]
Тест связи
Мкаловгэ.
Паев*
1!
I
Г* Рмрвидеъ в«ом<ювм »*»<*«
Прочитать |
Залисапв J
Г"
г
ДоСТуп!
Доступ 2 ] С Доступ 3
Изменить
Прочитать /
Сбросить
’«n^LffiUT^a . Протокол
Инв.№ подл. 111одп. и дата [Взам. инв,№ |Инв.№ дубл. I Подп. и дата
-
Рисунок 1 - Генеральная форма программы «Конфигуратор СЭТ-4ТМ» с открытыми подчиненными формами «Параметры соединения», «Параметры и установки», «Протокол обмена»
-
8.1.6.4 Посредством формы «Параметры соединения» настроить коммуникационные параметры конфигуратора для работы через оптопорт, для чего:
-
- нажать кнопку «Оптопорт»;
в окне «Порт» установить номер COM-порта компьютера (СОМ1-СОМ255) к которому подключено устройство сопряжение оптическое УС0-2Т (ТЕ001);
-
- снять все флаги;
-
- установить флаг «CRC»;
-
- в окне «Время ожидания ответа счётчика» ввести 1000 мс и нажать Enter;
-
- в окне «Системный TimeOut» ввести 50 мс и нажать Enter;
-
- в окне «Перезапросов при отсутствии ответа» установить 1.
-
8.1.6.5 Проверить связь со счётчиком через оптопорт. Для чего:
подключить головку устройства сопряжения оптического к оптопорту проверяемого счётчика;
снять флаг «Расширенный сетевой адрес» на генеральной форме программы, если он установлен;
в окне «Сетевой адрес» генеральной формы программы установить адрес «0» (общий адрес);
нажать кнопку «Автоопределение типа счётчика» на панели инструментов генеральной формы программы;
убедиться, что появилась форма «Параметры и установки», заполненная данными, прочитанными из счётчика, а в информационном окне генеральной формы (левый нижний угол экрана) появилось сообщение «Обмен успешно завершен» (рисунок 1);
прочитать короткий индивидуальный адрес счётчика из окна «Сетевой адрес прибора: Короткий» формы «Параметры и установки» и вписать его в окно «Сетевой адрес» генеральной формы программы;
|
Изм |
Лист |
№ до кум. |
Подп. |
Дата |
ФРДС.411152.006РЭ1
Лист
10
-
- убедиться, что в окнах генеральной формы «Тип счётчика», «1ном», «ином» установились правильные значения для проверяемого счётчика.
-
8.1.6.6 Проверить настройки интерфейса RS-485 счётчика чтением параметров настройки через оптопорт (кроме счетчиков наружной установки). Для чего:
-
- открыть вкладку «Изменение параметров соединения» формы «Параметры соединения» (рисунок 2);
-
- нажать кнопку «Прочитать» в группе элементов «Канал 1»;
убедиться, что в информационном окне генеральной формы программы (левый нижний угол экрана) появилось сообщение «Обмен успешно завершен», а в окнах вкладки «Скорость», «Четность» отображаются прочитанные значения «9600» и «Нечет» соответственно;
если это не так. то запомнить настройки RS-485, установленные потребителем на стадии эксплуатации, чтобы их вернуть по окончанию поверки счётчика. В окне «Скорость» установить значение «9600» из списка окна, в окне «Четность» установить значение «Нечет» и нажать кнопку «Изменить»;
убедиться, что в информационном окне генеральной формы (левый нижний угол экрана) появилось сообщение «Обмен успешно завершен», свидетельствующее о том, что интерфейс RS-485 счётчика настроен на скорость обмена 9600 бит/с с битом контроля нечетности.
Инв.№ подл. I Поди, и дата [Взам. инв.№ |Ипв,№ дубл. I Подп. и дата

Рисунок 2 - Форма «Параметры соединения», вкладка «Изменение параметров соединения»
-
8.1.6.7 Проверить связь со счётчиком через интерфейс RS-485 (кроме счетчиков наружной установки). Для чего:
-
- подключить счётчик к компьютеру по схеме, приведенной на рисунке Б.1 приложения Б;
-
- нажать одну из кнопок «RS485» на форме «Параметры соединения»;
в окне «Порт» установить номер COM-порта компьютера (СОМ1-СОМ255), к которому подключен преобразователь интерфейса ПИ-2Т (ТЕО 10);
-
- в окне «Скорость» установить «9600»;
-
- в окне «Четность» установить «Нечет»;
-
- в окне «Стоп-бит» установить «1»;
-
- в окне «Время ожидания ответа счётчика» установить 250 мс;
-
- в окне «Системный TimeOut» установить 50 мс;
-
- нажать кнопку «Автоопределение типа счётчика» на панели инструментов генеральной формы программы;
Изм
Лист
№ докум.
Подп.
Дата
ФРДС.411152.006РЭ1
Лист
11
-
- убедиться, что появилась форма «Параметры и установки», заполненная данными, прочитанными из счётчика по интерфейсу R.S-485, а в информационном окне генеральной формы (левый нижний угол экрана) появилось сообщение «Чтение параметров закончено» (рисунок 1).
-
8.1.6.8 Для счётчиков всех вариантов исполнения снять флаг «Однонаправленный режим учета по модулю» на форме «Параметры и установки», если он установлен. Восстановить флаг по окончанию поверки, если он был установлен на эксплуатации.
8.1.7 Конфигурирование испытательного выхода
-
8.1.7.1 Перед началом внеочередной и периодической поверки с помощью программы «Конфигуратор СЭТ-4ТМ», формы «Конфигурирование испытательных выходов и цифровых входов» прочитать и запомнить конфигурацию выхода, установленную потребителем на стадии эксплуатации, чтобы вернуть по окончанию поверки счётчика.
-
8.1.7.2 Произвести конфигурирование испытательного выхода с помощью программы «Конфигуратор СЭТ-4ТМ», формы «Конфигурирование испытательных выходов»:
как показано на рисунке 3 для определения погрешности измерения активной энергии прямого направления;
как показано на рисунке 4 для определения погрешности измерения активной энергии обратного направления;
-
- как показано на рисунке 5 для определения погрешности измерения реактивной энергии прямого направления;
как показано на рисунке 6 для определения погрешности измерения реактивной энергии обратного направления.
Инв.№ подл. I Подл, и дата [Взам. инв.№ |Инв.№ дубл. I Подп. и дата
Рисунок 3 - Конфигурирование испытательных выходов для определения погрешности измерения активной энергии прямого направления
73 Конфигурирование испытательных выходов и цифровых входов______________________________ . . ■ _■ . ■
Конфигурирование ■ Iелеуправление и телесигнализация I
Рисунок 4 - Конфигурирование испытательных выходов для определения погрешности измерения активной энергии обратного направления
|
Лист | ||||||
|
ФРДС.411152.006РЭ1 |
12 | |||||
|
Изм |
Лист |
№ докум. |
Подп. |
Дата | ||

Рисунок 5 - Конфигурирование испытательных выходов для определения погрешности измерения реактивной энергии прямого направления

73 Конфигурирование испытательных выходов и цифровых входов
|
Сетевой адрес |
Режим испытательных выходов |
Канал 0 Выход |
Канал 4 Выход Индикатор |
Канал 5 Вход | |||
|
4 |
Определяется входом |
Импульсы R- |
Импульсы R- |
Управление режимом А/В | |||
Рисунок 6 - Конфигурирование испытательных выходов для определения погрешности измерения реактивной энергии обратного направления
8.1.7.3 Основной (А) и поверочный (В) режимы телеметрии у счетчиков наружной установки должны переключаться интерфейсной командой посредством формы «Конфигурирование испытательных выходов» путем выбора режима «А» или «В» из меню «Режим испытательных выходов», как показано на рисунке 7.

Инв,№ подл. I Подп. и дата [Взам. инв.№ |Инв.№ дубл. | Подп. и дата
73 Конфигурирование испытательных выходов и циф
Режим испытательных выходов
Канал О п
Выход
Определяется
пиалпн
Определяется входом Отмена

Рисунок 7 - Конфигурирование основного (А) и поверочного (В) режима телеметрии
8.1.8 Перед началом поверки установить внутреннее время счётчика, посредством программы «Конфигуратор СЭТ-4ТМ», формы «Время»\«Установка и коррекция». При этом время компьютера должно быть установлено по шестому сигналу точного времени или любому другому источнику точного времени. Например, по серверу точного времени ВНИИФТРИ ntp2.vniiftri.ru.
|
Изм |
Лист |
№ докум. |
Подп. |
Дата |
Лист
13
Инв.№ подл. I Поди, и дата [Взам. инв.№ |Инв.№ дубя. I Поди, и дата
8.2 Опробование счетчика
-
8.2.1 Перед началом поверки, посредством формы конфигуратора «Управление режимами индикации», вкладки «Маски» прочитать и запомнить установленные маски режимов индикации, чтобы их восстановить по окончанию поверки. Размаскировать все режимы индикации, сняв все маски по кнопке «Выбрать все» и записать в счётчик по кнопке «Передать в прибор».
При проверке функционирования кнопок управления режимами индикации следует иметь в виду, что если подсветка индикатора счётчика или терминала погашена, то любое нажатие кнопки управления приводит к включению подсветки индикатора без изменения текущего режима.
8.2.2 Проверка функционирования устройства индикации и кнопки управления счётчика внутренней установки и установки на DIN-рейку
-
8.2.2.1 Подать на параллельную цепь счётчика номинальное напряжение и отключить ток. Убедиться, что в течение 1,5 с, включились все элементы индикации ЖКИ. Если времени анализа оказалось недостаточным, то включить все элементы индикации можно через интерфейсы связи посредством формы конфигуратора «Управление режимами индикации». вкладки «Управление», нажатием кнопки «Тест У И». При этом включаются все элементы индикации ЖКИ на время 5 с, после чего индикатор возвращается в прерванный режим индикации.
-
8.2.2.2 Убедиться, что через 2-3 секунды счётчик перешел в режим индикации основных параметров, в подрежим индикации текущих измерений, с отображением на индикаторе:
-
- пиктограмм текущего тарифа «Т1», «Т2», «ТЗ», «Т4», «Т5», «Тб», «Т7», «Т8»;
-
- курсора текущего вида активной энергии (А+ или А-);
-
- значения активной энергии нарастающего итога по текущему тарифу текущего направления с размерностью «кВт ч».
-
8.2.2.3 Посредством программы «Конфигуратор СЭТ-4ТМ» формы «Расширенные массивы энергии» прочитать энергию нарастающего итога, нажатием кнопки «Всего» на поле формы.
-
8.2.2.4 Убедиться, что округленное до второго знака после запятой прочитанное конфигуратором значение активной энергии по текущему тарифу, равно значению энергии, индицируемой счётчиком.
-
8.2.2.5 Убедиться, что если счётчик находится в режиме индикации текущей активной энергии, то короткое нажатие кнопки РЕЖИМ ИНД переводит счётчик в режим индикации текущей реактивной энергии с индикацией пиктограммы текущего тарифа, курсора текущего направления реактивной энергии и значения реактивной энергии нарастающего итога по текущему тарифу с размерностью «кВАр ч». И так по кругу
-
8.2.2.6 Убедиться, что округленное до второго знака после запятой прочитанное конфигуратором значение реактивной энергии по текущему направлению и тарифу, равно значению реактивной энергии, индицируемой счётчиком.
-
8.2.2.7 Перевести счётчик в режим индикации основных параметров, подрежим индикации энергии нарастающего итога (от сброса) по длинному нажатию (более 1 секунды, но менее 5) кнопки управления РЕЖИМ ИНД. Убедиться, что счётчик перешел в подрежим индикации активной энергии нарастающего итога по сумме тарифов с включением пиктограммы режима «ВСЕГО», пиктограммы суммы тарифов «Т1», «Т2», «ТЗ», «Т4»,
ФРДС.411152.006РЭ1
Лист
14
Изм
Лист
№ докум.
Подп.
Дата
Инв.№ подл. I Подп. и лата |Взам. инв.№ |Инв.№ дубл. I Поди, и дата
«Т5», «Тб», «Т7», «Т8», размерности «кВт ч» и курсора вида энергии А+. Остальные курсоры должны быть погашены.
-
8.2.2.8 Убедиться, что индицируемое счётчиком значение активной энергии равно округленному до второго знака после запятой значению активной энергии по сумме тарифов, ранее прочитанной конфигуратором (п. -).
-
8.2.2.9 Убедиться, что по каждому короткому нажатию кнопки управления РЕЖИМ ИНД производится перебор параметров подрежима индикации энергии нарастающего итога в следующей последовательности:
-
- активная прямого направления по сумме тарифов, по тарифу 1, 2, 3, 4, 5, 6, 7, 8 с включением пиктограмм. «Т» номера тарифа (по сумме тарифов отсутствует), и курсора А+;
-
- активная обратного направления по сумме тарифов, по тарифу 1, 2, 3, 4, 5, 6, 7, 8 с включением пиктограмм. «Т» номера тарифа (по сумме тарифов отсутствует), и курсора А-;
-
- реактивная прямого направления по сумме тарифов, по тарифу 1, 2, 3, 4. 5, 6, 7, 8 с включением пиктограмм, «Т» номера тарифа (по сумме тарифов отсутствует), и курсора R+;
-
- реактивная обратного направления по сумме тарифов, по тарифу 1,2, 3, 4, 5, 6, 7, 8 с включением пиктограмм, «Т» номера тарифа (по сумме тарифов отсутствует), и курсора R-;
-
- число импульсов от внешнего датчика с включением на поле номера тарифа буквы «С» при погашенной «Т»;
-
- и так, по кругу.
Примечание - При индикации активной энергии должна включаться пиктограмма размерности «кВт ч», при индикации реактивной энергии должна включаться пиктограмма размерности «квар ч», а при индикации числа импульсов от внешнего датчика пиктограмма размерности должна отсутствовать.
-
8.2.2.10 Убедиться, что по каждому короткому нажатию кнопки управления счётчика ВОЗВРАТ перебор параметров подрежима индикации энергии нарастающего итога производится в обратной последовательности относительно описанного в п. 8.2.2.9.
-
8.2.2.11 Убедиться, что каждое значение энергии, индицируемое при индикации энергии нарастающего итога, равно соответствующему значению энергии, прочитанному по интерфейсу связи (п. -).
-
8.2.2.12 Перейти в следующий подрежим индикации основных параметров (энергия за год) по длинному нажатию кнопки РЕЖИМ ИНД (более 1 секунды, но менее 5) и убедиться, что по каждому длинному нажатию кнопки производится смена подрежимов индикации в следующей последовательности:
-
- всего;
-
- за год;
-
- за месяц;
-
- за сутки;
-
- за предыдущий год;
-
- за предыдущий месяц;
-
- за предыдущие сутки;
-
- на начало года;
-
- на начало месяца;
-
- на начало суток;
-
- на начало предыдущего месяца;
-
- на начало предыдущих суток.
Лист
ФРДС.411152.006РЭ1
15
Изм
Лист
№ докум.
Подп.
Дата
Инв.№ подл. I Подп. и дата [Взам. инв.№ |Инв.№ дубл. I Подп. и дата
-
8.2.2.13 Убедиться, что в каждом подрежиме индикации энергии коротким нажатием кнопки управления счётчика РЕЖИМ ИНД производится перебор по кольцу параметров индикации, как описано в п. 8.2.2.9. а по кнопке ВОЗВРАТ перебор производится в обратной последовательности.
-
8.2.2.14 Убедиться, что длинное нажатие кнопки РЕЖИМ ИНД в режиме индикации энергии на начало предыдущих суток, переводит счётчик в подрежим индикации текущих измерений, как описано в п. 8.2.2.2.
-
8.2.2.15 Перейти в режим индикации вспомогательных параметров по сверхдлинному нажатию (более 5 секунд) кнопки РЕЖИМ ИНД и убедиться, что по каждому короткому нажатию кнопки производится смена индикации в следующей последовательности (по кольцу):
-
- активная мощность «Р» с размерностью «Вт»;
-
- реактивная мощность «Q» с размерностью «Вар»;
-
- полная мощность «S» с размерностью (не индицируется) В А;
-
- напряжение сети «U» с размерностью (не индицируется) В;
-
- напряжение батареи «Ub» с размерностью (не индицируется) В;
-
- ток «П» с размерностью (не индицируется) А;
-
- коэффициент активной мощности «CoS» без размерности;
-
- коэффициент реактивной мощности «Sin» без размерности;
-
- коэффициент реактивной мощности «tAn» без размерности;
-
- частота сети «F» с размерностью (не индицируется) Гц;
-
- время без размерности;
-
- дата без размерности;
температура с размерностью «°C».
-
8.2.2.16 Переход из режима индикации вспомогательных параметров в режим индикации технологических параметров должен производиться по длинному нажатию кнопки управления (более 1 секунды, но менее 5). В режиме индикации технологических параметров перебор индицируемых параметров должен производиться коротким нажатием кнопки в следующей последовательности (по кольцу):
-
- версия внутреннего программного обеспечения (ПО) с индикацией в двух старших разрядах табло символов «ПО» 22.00.ХХ;
контрольная сумма метрологически значимой части ПО с индикацией в трех старших разрядах табло символов «сгс» 6818.
-
- загруженность процессора «EFF» с размерностью (не индицируется) %;
-
- свободная память «FhP» размерностью (не индицируется) %;
-
- сетевой адрес «СА» короткий без размерности.
8.2.3 Проверка функционирования устройства индикации и кнопки управления счётчика наружной установки
-
8.2.3.1 Счётчик наружной установки не имеет собственного ЖК индикатора, и визуализация данных измерений счётчика производится через удаленный терминал Т-1.01 МТ, Т-1.01МТ/1, подключаемый к счётчику по радиоканалу через встроенный радиомодем. Терминал входит в комплект поставки счётчика наружной установки, имеет индикатор и одну кнопку управления режимами индикации.
-
8.2.3.2 Проверку функционирования проводить по методике, изложенной в п. 8.2.2 также, как и для счётчика внутренней установки. При этом считывание информации должно производиться с индикатора терминала, а управление режимами индикации производиться кнопкой управления терминала.
Результат поверки считается положительным, если функционируют кнопки управ-
|
Лист | ||||||
|
ФРДС.411152.006РЭ1 |
16 | |||||
|
Изм |
Лист |
№ докум. |
Подп. |
Дата |
Инв.№ подл. I Подп. и дата [Взам. инв.№ |Инв.№ дубл. I Поди, и дата
ления, на табло ЖКИ отображается информация без искажения символов и отсутствуют сообщения об ошибках.
8.2.4 Проверка функционирования электронных пломб
-
8.2.4.1 Для проверки функционирования электронных пломб открыть форму конфигуратора «Журналы событий» из меню «Параметры»\«Время».
-
8.2.4.2 Проверить функционирование электронной пломбы крышки зажимов, для чего:
-
- закрыть крышку зажимов;
-
- включить счётчик;
-
- прочитать и запомнить содержимое верхней строки журнала «Откры-тие/закрытие защитной крышки зажимов», которая должна содержать штамп времени открытия и штамп времени закрытия крышки;
-
- выключить счётчик;
-
- открыть и, через (4-5) секунд, закрыть крышку зажимов в выключенном состоянии счётчика;
-
- включить счётчик и прочитать верхнюю строку журнала «Открытие/закрытие защитной крышки зажимов»;
-
- убедиться, что в верхней строке журнала зафиксировалось время откры-тия/закрытия крышки зажимов в выключенном состоянии счётчика.
-
8.2.4.3 Проверить функционирование электронной пломбы крышки счётчика, аналогично описанному в п. 8.2.4.2, с той лишь разницей, что открывать/закрывать следует крышку счётчика после снятия крепежных винтов, а читать записи журнала «Вскрытия счётчика».
-
8.2.4.4 У счетчика для установки на DIN-рейку проверить функционирование электронной пломбы крышки батарейного отсека счётчика, аналогично описанному в п. 8.2.4.2, с той лишь разницей, что открывать/закрывать следует крышку батарейного отсека после снятия крепежных винтов, а читать записи журнала «Открытие/закрытие защитной крышки батарейного отсека».
Результаты поверки считают положительными, если формируются записи в журналах «Открытие/закрытие защитной крышки зажимов», «Вскрытия счётчика» «Открытие/закрытие защитной крышки батарейного отсека» при открытии/закрытии соответствующих крышек.
8.2.5 Проверка внутренних логических структур и массивов
-
8.2.5.1 Проверку внутренних логических структур и массивов счётчика проводить с применением компьютера и программного обеспечения «Конфигуратор СЭТ-4ТМ». При этом счётчик должен быть подключен к компьютеру через интерфейс RS-485 по схеме, приведенной на рисунке Б.1 приложения Б, или через оптопорт по схеме, приведенной на рисунке Б.2 приложения Б.
-
8.2.5.2 Подготовить к работе компьютеры и «Конфигуратор СЭТ-4ТМ» в соответствии с требованиями п.п. 8.1.5, 8.1.6 настоящей методики.
-
8.2.5.3 Подключить счётчик к поверочной установке, установить номинальное напряжение и отключить ток.
-
8.2.5.4 Открыть форму «Проверка функционирования по п. 1.2.20 ТУ» из меню «Поверка». При внеочередной и периодической поверке снять флаг «Проверять версию ПО». При первичной поверке установить флаг «Проверять версию ПО».
-
8.2.5.5 Нажать кнопку «Прочитать из прибора» на панели инструментов генеральной формы программы «Конфигуратор СЭТ-4ТМ».
Лист
ФРДС.411152.006РЭ1
1 7
Изм
Лист
№ докум.
Подп.
Дата
1 /
|Инв.№ полл. 11 loan, и дача 1Взам. инв.№ |Инв.№ дуби. 11 кип, и дата


-
8.2.5.6 Программа производит последовательную проверку операций считывания параметров и данных и проверку внутренних логических структур и массивов. Последовательность операций проверки и ее результаты отображаются в строках информационного окна формы. По окончанию проверки выдается результат в строке «Соответствие требованиям п. 1.2.20 ТУ» в виде сообщений «ДА» или «НЕТ» с предложением сохранения протокола проверки в базе данных конфигуратора
-
8.2.5.7 Если при внеочередной или периодической поверке общий результат проверки отрицательный, то необходимо просмотреть все строки таблицы проверки параметров, имеющие заключение «НЕТ». Контекстная подсказка по несоответствию параметра может быть получена путем наведения указателя манипулятора «мышь» на сообщение «НЕТ». Если несоответствие связано с параметром, измененным пользователем на стадии эксплуатации. то параметр необходимо запомнить, установить в соответствии с требованиями контекстной подсказки (параметры по умолчанию завода-изготовителя) и повторить проверку по п. 8.2.5. По окончанию проверки параметр должен быть восстановлен.
-
8.2.5.8 Для сохранения протокола поверки в базе данных конфигуратора необходимо создать базу данных, если она не создана, и присвоить ей имя. Для создания базы данных нажать кнопку «Создать чистую базу данных» на форме «База данных» из меню «Параметры». Внешний вид формы базы данных приведен на рисунке. 8.
-
8.2.5.9 При утвердительном ответе на предложение сохранения протокола в базе данных конфигуратор запрашивает путь к базе с выдачей формы обзора файлов компьютера. После выбора файла требуемой базы данных в форме обзора, конфигуратор записывает протокол в указанную базу.
-
8.2.5.10 Для просмотра, сохраненного в базе протокола, нужно в окне счётчиков выделить требуемый счётчик (нажатием левой кнопки манипулятора «мышь») и нажать кнопку «Проверка по ТУ» на поле формы. При этом в окне параметров будет выведен список сохраненных протоколов по выбранному счётчику с указанием даты проверки. Выделить требуемый протокол в окне параметров (нажатием левой кнопки манипулятора «мышь») и нажать кнопку «Открыть измерение» на поле формы. При этом формируется файл протокола в формате Word с возможностью просмотра, сохранения в файле под ука-


копии на бумаге.
занным именем или


Рисунок 8 - Форма «База данных»
|
ФРДС.411152.006РЭ1 | |||||
|
Изм |
Лист |
№ докум. |
Подп. |
Дата |
Лист
Результаты поверки считают положительными, если по окончанию проверки в строке «Соответствие требованиям п. 1.2.20 ТУ» выдается сообщение «Да» и отсутствуют ошибки обмена в окне «Состояние обмена».
8.2.6 Проверка функционирования встроенного радиомодема
-
8.2.6.1 Этот пункт не выполняется, если проверяемый счётчик не имеет встроенного радиомодема (таблица 1).
-
8.2.6.2 Проверку функционирования встроенного радиомодема следует проводить с применением терминала Т-1.01 МТ или Т-1.01МТ/1, входящего в состав комплекта счётчиков наружной установки.
-
8.2.6.3 Подготовить терминал к работе, для чего записать в его параметры конфигурации адрес радиомодема счётчика, равный серийному номеру счётчика, указанному на шкале счётчика.
-
8.2.6.4 Подключить терминал к компьютеру через оптопорт и настроить конфигуратор для работы через оптопорт, как описано в п. 8.1.6.4.
-
8.2.6.5 Открыть форму «Радиомодем» из меню «Параметры», вид которой приведен на рисунке 9.
- Радиомодем счетчика
Адрес радиомодема счетчика
[2203210012
Инв.№ подл. I Подп. и дата [Взам. инв.№ |Инв.№ дубл. I Подп. и лага
Т ест связи
Сетевые параметры
Параметры конфигурации
RS485
Слово состояния
|
Адрес радиомодема терминала |
-- т • |
|
[3003190003 3 |
Поиск доступных счетчиков |
|
Прочитать адрес удаленного модема в текущей сессии обмена |
Записать адрес удаленного модема в текущей сессии обмена |
Т ест связи
Сетевые параметры
Параметры конфигурации
Слово состояния
Рисунок 9 - Форма «Радиомодем»
-
8.2.6.6 В окно формы «Адрес радиомодема терминала» ввести серийный номер терминала, указанный на его шкале, или адрес 0000000000 (10 нулей). Ввод серийного номера завершить нажатием кнопки «Enter».
-
8.2.6.7 Проверить связь с терминалом через оптопорт, для чего нажать кнопку «Тест связи» в группе элементов «Радиомодем терминала» и убедиться, что в окне сообщений конфигуратора (левый нижний угол экрана) появилось сообщение «Обмен успешно завершен».
-
8.2.6.8 Вызвать форму «Параметры конфигурации радиомодема терминала», нажатием кнопки «Параметры конфигурации» в группе «Радиомодем терминала», вид формы приведен на рисунке 10. Прочитать конфигурационные параметры радиомодема терминала по кнопке «Прочитать все».
-
8.2.6.9 В окно «Адрес модема счётчика» ввести серийный номер проверяемого счётчика и записать его в терминал, по кнопке, расположенной справа от окна. На рисунке 10 это 2203210012. Убедиться, что в окне сообщений конфигуратора (левый нижний угол экрана) появилось сообщение «Обмен успешно завершен». После успешной записи нажать кнопку «Записать адрес удаленного модема в текущей сессии обмена».
|
Изм |
Лист |
№ докум. |
Подп. |
Дата |
Лист
19
8.2.6.10 Убедиться, что на табло терминала индицируется один из режимов индикации проверяемого счётчика и отсутствуют сообщения об ошибках в виде сообщений: «Егг 00», «Егг 01».

Рисунок 10 - Форма «Параметры конфигурации радиомодема терминала»
Инв.№ подл. I Подп. и дата [Взам. инв.№ |Инв.№ дубл. I Подп. и дата
-
8.2.6.11 Вызвать форму «Параметры конфигурации радиомодема счётчика», нажатием кнопки «Параметры конфигурации» в группе «Радиомодем счётчика», вид формы приведен на рисунке 11. Прочитать конфигурационные параметры радиомодема счётчика по кнопке «Прочитать все».В окно «Адрес модема терминала» ввести серийный номер терминала и записать его в счётчик, по кнопке, расположенной справа от окна. На рисунке 11 это 3003190003. Убедиться, что в окне сообщений конфигуратора (левый нижний угол экрана) появилось сообщение «Обмен успешно завершен».
-
8.2.6.12 Нажать кнопку управления режимами индикации терминала и убедиться, что режим индикации счётчика изменяется и отображается на табло терминала.
Рисунок 11 - Форма «Параметры конфигурации радиомодема счётчика»
|
Изм |
Лист |
№ докум. |
Подп. |
Дата |

Результаты поверки считают положительными, если радиомодем устанавливает соединение с терминалом, на табло терминала отображаются индицируемые параметры счётчика и производится изменение режимов индикации счётчика по нажатию кнопки терминала.
9 Проверка программного обеспечения (ПО) счетчика
-
9.1 Проверку идентификационных характеристик программного обеспечения (ПО) счётчика проводят в процессе проверки функционирования устройства индикации, описанной в п. 8.2.2.16. При этом на экране ЖКИ должно отсутствовать сообщение об ошибке Е-15 «Ошибка контрольной суммы метрологически значимой части ПО».
Результаты поверки считаются положительными, если версия ПО счетчиков 22.00.XX и контрольная сумма метрологически значимой части ПО 6818, а на ЖКИ отсутствует сообщение об ошибке Е-15.
-
10 Определение метрологических характеристик счетчика
10.1 Проверка электрической прочности изоляции
-
10.1.1 Проверку электрической прочности изоляции напряжением переменного тока частотой 50 Гц проводить по ГОСТ 31819.21-2012, прикладывая испытательное напряжение между контактами счётчика, указанными в таблице 6.
Инв.№? подл. I Подп. и дата [Взам. инв.№ |Инв,№> дубл. I Подп, и дата
Таблица 6 - Номера контактов счётчика для проверки электрической прочности изоляции
Номера контактов, между которыми прикладывается испытательное напряжение
Величина испытательного
напряжения
Для счётчиков внутренней установки
1 -4
«Земля», 5-13
4 кВ
5,6
«Земля», 1 - 4, 7 - 13
2 кВ
7,8
«Земля», 1 - 6, 9-13
2 кВ
9-13
«Земля», 1 - 8
2 кВ
Для счётчиков наружной установки
1 -4
«Земля», 5, 6
4 кВ
Для счётчиков установки на DIN-рейку
1 -4
«Земля», 5-10
4 кВ
5,6
«Земля», 1 - 4, 7 - 10
2 кВ
7,8
«Земля», 1 - 6, 9, 10,
2 кВ
9, 10
«Земля», 1 - 8
2 кВ
Примечание - «Землей» является проводящая пленка из фольги, охватывающая счётчик и присоединенная к плоской проводящей поверхности, на которой установлен цоколь счётчика.
-
10.1.2 Мощность источника испытательного напряжения 50 Гц должна быть не менее 500 В-А. Увеличивать напряжение в ходе испытания следует плавно, начиная со 100 В и далее равномерно или ступенями, не превышающими 10 % установленного напряжения, в течение от 5 до 10 секунд до 2 кВ или 4 кВ. При достижении испытательного напряжения, счётчик выдерживают под его воздействием в течение 1 мин, контролируя отсутствие искрения, пробивного разряда или пробоя. Затем испытательное напряжение плавно уменьшают.
Результаты поверки считают положительными, если не произошло пробоя изоляции и ни один импульс не вызвал образования дуги. Появление коронного разряда или шума не является признаком неудовлетворительных результатов испытаний.
|
Лист | ||||||
|
ФРДС.411152.006РЭ1 |
21 | |||||
|
Изм |
Лист |
№ докум. |
Подп. |
Дата | ||
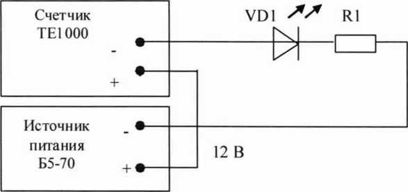
10.2 Проверка стартового тока (чувствительности)
-
10.2.1 Проверку стартового тока проводить для прямого и обратного направления активной и реактивной энергии при номинальном напряжении, токе 0.0041ном (20 мА) и коэффициенте мощности, равном единице, и для каждого датчика тока.
-
10.2.2 В качестве индикатора использовать светодиодный индикатор, подключенный к испытательному выходу по схеме, приведенной на рисунке 12.
-
10.2.3 Произвести конфигурирование испытательного выхода счётчика для каждого вида энергии, как описано в п. 8.1.7.2 и перевести в режим поверки (В), как описано в п. 8.1.7.3. Конфигурирование датчиков тока производится усгановкой/снятием флагов соответствующих датчику в фазном проводе и нулевом проводе на форме «Параметры и установки».
-
10.2.4 Снять напряжение с параллельной цепи счётчика и через 10 секунд подать напряжение, включить секундомер и измерить период включения светодиодного индикатора.

VD1 - Индикатор единичный АЛ307БМ
R1 - Резистор С2-ЗЗН-0.25-1 кОм±5 %
Номера контактов испытательного выхода счетчика:
7 (+), 8 (-) счетчиков ТЕ 1000.00-ТЕ 1000.03, ТЕ1000.60-ТЕ1000.63;
5 (+). 6 (-) счетчиков ТЕ 1000.40-ТЕ 1000.43
Инв.№ подл. I Подп. и дата [Взам. инв.№ |Инв.№ дубя. 111одп, и дата
Рисунок 12 - Схема подключения счётчика для проверки стартового тока и самохода
Результаты поверки считают положительными, если счётчик регистрирует ток и мощности, а период следования импульсов на испытательном выходе менее 60 с для прямого и обратного направления активной и реактивной энергии.
10.3 Проверка отсутствия самохода
-
10.3.1 Проверку отсутствия самохода следует проводить при максимальном рабочем напряжении (276 В) и отсутствии тока в последовательной цепи.
-
10.3.2 Проверку проводить по каждому виду энергии обоих направлений для каждого датчика тока. В качестве индикатора использовать светодиодный индикатор, подключенный к испытательному выходу по схеме, приведенной на рисунке 12. Конфигурирование датчиков тока производится установкой/снятием флагов соответствующих датчику в фазном проводе и нулевом проводе на форме «Параметры и установки».
-
10.3.3 Произвести конфигурирование испытательного выхода счётчика для каждого вида энергии, как описано в п. 8.1.7.2 в режиме поверки (В).
-
10.3.4 Снять напряжение с параллельной цепи счётчика и через 10 секунд подать напряжение и включить секундомер. Дождаться включения светодиодного индикатора испытательного выхода и остановить секундомер.
Результаты поверки считают положительными, если светодиод не включился за время, рассчитанное по формуле (1) для счётчиков активной энергии класса точности 1, по
|
Лист | ||||||
|
ФРДС.411152.006РЭ1 |
22 | |||||
|
Изм |
Лист |
№ докум. |
Подп. |
Дата |
формуле (2) для счётчиков реактивной энергии класса точности 1 и приведенное в таблице 7.
600x106
At >-------------------,
к ■ m ■ U ном -I макс480x106
At >-------------------,
к • m • U ном • I макс
-
- время анализа самохода, мин;
-
- число измерительных элементов;
-
- число импульсов выходного устройства на 1 кВтч, имп./(кВтч)
(1)
(2)
где At
m
k
(имп./(кварч));
Uhom - номинальное напряжение; 1макс - максимальный ток, А.
Таблица 7- Время, анализа самохода
|
Максимальный ток, А |
Время анализа самохода, с, для счетчиков | |
|
активной энергии кл. точности 1 |
реактивной энергии кл. точности 1 | |
|
100 |
98 |
78 |
|
80 |
122 |
98 |
Инв.№ подл. 1 Поди, и дата [Взам. инв.№ |Инв.№ дуби. I Поди, и лага
Проверку самохода можно прекратить, и считать результаты поверки положительными, если светодиод не включился за указанное время.
-
10.4 Определение основной относительной погрешности измерения активной и реактивной энергии и мощности, вызываемой изменением тока, проверка класса точности
-
10.4.1 Определение основной относительной погрешности измерения активной энергии проводить методом непосредственного сличения с эталонным счётчиком поверочной установки по импульсам телеметрии при значениях информативных параметров входного сигнала, приведенных в таблице 8 для прямого направления активной энергии, и испытание № 4 для обратного направления активной энергии.
-
10.4.2 Определение основной относительной погрешности измерения активной мощности прямого и обратного направления проводить методом сравнения со значением активной мощности, измеренной эталонным счётчиком поверочной установки при значениях информативных параметров входного сигнала соответствующих испытанию № 4 таблицы 8. Относительную погрешность измерения активной мощности 5Р, %, рассчитывать по формуле (3)
-
Ризм - Ро
Ро
(3)
где 8Р - относительная погрешность измерения активной мощности, %;
Ризм - значение активной мощности, измеренное поверяемым счётчиком, Вт;
Ро - значение активной мощности, измеренное эталонным счётчиком, Вт.
-
10.4.3 Допускается проверку по предыдущему пункту (п. 10.4.1) проводить для прямого направления активной мощности при значениях информативных параметров входного сигнала, приведенных в таблице 8. и испытание № 4 для обратного направления активной мощности. При этом для прямого и обратного направления активной энергии проводить испытание № 4 с целью проверки функционирования испытательных выходов. Остальные испытания не проводятся, а погрешности гарантируются схемно-техническими решениями.
ФРДС.411152.006РЭ1
Изм
Лист
№ докум.
Подп.
Дата
Лист

Результаты поверки считают положительными, если счётчик соответствует классу точности, а относительные погрешности измерений активной энергии и мощности прямого и обратного направления находятся в пределах, приведенных в таблице 8.
-
10.4.4 Определение основной относительной погрешности измерения реактивной энергии проводить методом непосредственного сличения с эталонным счётчиком поверочной установки по импульсам телеметрии при значениях информативных параметров входного сигнала, соответствующих испытаниям № 4, 5 таблицы 8 для прямого направления реактивной энергии, и испытание № 4 для обратного направления реактивной энергии.
Таблица 8 - Значения информативных параметров входного сигнала
Инв.№ подл. I Поди, и дата |Взам. инв.№ |Инв.№ дубл. I Подп, и дата
|
Номер испытания |
Информативные параметры вход ного сигнала |
Пределы допускаемой основной погрешности, % |
Режим испытательного выхода | ||||
|
Напряжение, В |
Ток, А |
Коэффициент мощности |
Активной энергии (мощности) |
Реактивной энергии (мощности) |
А |
В | |
|
1 |
230 |
1макс |
1.0 |
±1,0 |
±1,0 |
± |
- |
|
2 |
0,5 (инд.) |
±1,0 |
±1,0 |
± |
- | ||
|
3 |
0,5 (емк.) |
±1,0 |
±1,0 |
+ |
- | ||
|
4 |
1б |
1,0 |
±1,0 |
±1,0 |
+ | ||
|
5 |
0,5 (инд.) |
±1,0 |
±1,0 |
± | |||
|
6 |
0,5 (емк.) |
±1,0 |
±1,0 |
± | |||
|
7 |
0,21б |
1,0 |
±1,0 |
±1,0 |
+ | ||
|
8 |
0,5 (инд.) |
±1,0 |
±1,0 |
+ | |||
|
9 |
0,5 (емк.) |
±1,0 |
±1,0 |
± | |||
|
10 |
0,11б |
1,0 |
±1,0 |
±1,0 |
+ | ||
|
И |
0.5 (инд.) |
±1,5 |
±1,5 |
+ | |||
|
12 |
0,5 (емк.) |
±1,5 |
±1,5 |
+ | |||
|
13 |
0,051б |
1,0 |
±1,5 |
±1,5 |
- |
± | |
|
Примечания:
| |||||||
-
10.4.5 Определение основной относительной погрешности измерения реактивной мощности прямого и обратного направления проводить методом сравнения со значением реактивной мощности, измеренной эталонным счётчиком поверочной установки при значениях информативных параметров входного сигнала соответствующих испытанию № 4 таблицы 8. Относительную погрешность измерения реактивной мощности 6Q, %, рассчитывать по формуле (4)

(4)
|
Лист | ||||||
|
ФРДС.411152.006РЭ1 |
24 | |||||
|
Изм |
Лист |
№ докум. |
Подп. |
Дата |
где 8Q - относительная погрешность измерения реактивной мощности, %;
Qh3m - значение реактивной мощности, измеренное поверяемым счётчиком, вар; Qo - значение реактивной мощности, измеренное эталонным счётчиком, вар.
Результаты поверки считаются положительными, если счётчик соответствует классу точности, а относительные погрешности измерений реактивной энергии и мощности прямого и обратного направления находятся в пределах, приведенных в таблице 8.
10.5 Определение основной относительной погрешности измерения коэффициентов мощности
-
10.5.1 Определение погрешности измерения коэффициентов мощности проводить при базовом токе, номинальном напряжении (230 В) и четырех значений углов сдвига фаз между током и напряжением (60 ° - первый квадрант; 120 °-второй квадрант; 240 ° - третий квадрант; 300 °-четвертый квадрант) с целью проверки алгоритма вычисления.
Вычисление счётчиком коэффициента активной мощности Кр производится по формуле (5), коэффициента реактивной мощности Kq по формуле (6) и коэффициента реактивной мощности Klg по формуле (7)
|
Кр = cos(p = —, |
(5) |
|
„ • Q KQ =sincp = —, |
(6) |
|
iz Q Ktg = tg<P=-» |
(7) |
Инв.№ подл. I Подп. и дата 1Взам. инв.№ 1Инв.№ дубл. I Подп. и дата
где Р - активная мощность, измеряемая счётчиком;
Q - реактивная мощность, измеряемая счётчиком;
S - полная мощность, измеряемая счётчиком.
-
10.5.2 Установить угол сдвига фаз между током и напряжением равным 60 ° (первый квадрант). Установить время усреднения эталонного счётчика 10 с и режим ИЗМЕРЕНИЯ\МОЩНОСТЬ. Произвести измерения эталонным счётчиком значений активной, реактивной и полной мощности и посчитать эталонные значения коэффициентов мощности по формулам (5), (6), (7).
-
10.5.3 Считать с проверяемого счётчика значение измеренных коэффициентов мощности К-изм (costp, sin(p, tgcp) и вычислить относительную погрешность измерения коэффициента мощности по формуле (8)
8к= К|,зм ~Кэ -100,% (8)
К,
-
10.5.4 Повторить проверку для второго, третьего и четвертого квадрантов, как описано в п.п. 10.5.2, 10.5.3.
-
10.5.5 Измерения проводить для каждого датчика тока. Конфигурирование датчиков тока производится установкой флага соответствующего датчика в фазном или нулевом проводе на форме «Параметры и установки».
Результаты испытаний считают положительными, если вычисленные погрешности измерения коэффициентов мощности не превышают значений, вычисленных по формулам (9), (10), (11) и приведенных в таблице 9.
где 6р - предел основной относительной погрешности измерения активной мощности;
|
Лист | ||||||
|
ФРДС.411152.006РЭ1 |
25 | |||||
|
Изм |
Лист |
№ докум. |
Подп. |
Дата | ||
5q - предел основной относительной погрешности измерения реактивной мощности;
6s - предел основной относительной погрешности измерения полной мощности, численно равный пределу основной относительной погрешности измерения реактивной мощности.
Таблица 9 - Пределы погрешности измерения коэффициента мощности
|
Коэффициент мощности |
Пределы погрешности измерения коэффициента мощности, % |
|
COS(p |
±2,0 |
|
sing) |
±2.0 |
|
tgip |
±2,0 |
10.6 Определение погрешности измерения параметров сети и показателей качества электрической энергии
-
10.6.1 Определение диапазона и погрешности измерения параметров сети (частоты, напряжения, тока, угла сдвига между вектором напряжения и тока) проводить методом сравнения со значениями параметров, измеренными эталонным счетчиком.
Поверку проводить для испытательных сигналов, приведенных в таблице 10.
Таблица 10 - Характеристики испытательных сигналов для проверки диапазонов измерения
|
Номер сигнала |
Частота f. Гц |
Напряжение U |
Ток I |
Угол (pui° |
|
1 |
42,5 |
и НОМ |
1б |
-90 |
|
2 |
57,5 |
Ином |
1б |
60 |
|
3 |
50 |
0,7U„OM |
1б |
0 |
|
4 |
53 |
Ином |
0,051б |
-60 |
|
5 |
50 |
1 ,2UH0M |
1б |
0 |
|
6 |
50 |
Ином |
Какс |
180 |
Погрешность измерения частоты рассчитывать по формуле (12)
Инв.№ подл. I Подп. и дата [Взам. инв.№ |Инв.№ дубя. I Подп. и дата
Af = F1OM-F0,rU (12)
где Af - абсолютная погрешность измерения частоты, Гц;
FH3M - значение частоты, измеренное поверяемым счетчиком, Гц;
Fo - эталонное значение частоты, Гц.
Погрешность измерения напряжения рассчитывать по формуле (13)
|
8и- и°.100.% |
(13) | |
|
и. | ||
|
где би |
- относительная погрешность измерения напряжения, %; | |
|
иизм |
- значение напряжения, измеренное поверяемым счетчиком, В; | |
|
и0 |
- эталонное значение напряжения, В. | |
|
Погрешность измерения силы тока рассчитывать по формуле (14) | ||
|
81 = *“" Io-100.% к |
(14) | |
где 8i - погрешность измерения тока, %;
1ИЗм ~ значение тока, измеренное поверяемым счетчиком, А;
10 - эталонное значение тока, А.
|
Him |
Лист |
№ докум. |
Подп. |
Дата |
Лист
26
Погрешность измерения угла сдвига между вектором напряжения и тока рассчитывается по формуле (15)
дФ = фшюм-<Рш,,,0 (15)
где А(р - абсолютная погрешность измерения угла сдвига, °;
Фишзм - значение угла сдвига, измеренное поверяемым счетчиком, °;
cpuio - эталонное значение угла сдвига, °.
Результаты поверки считаются положительными, если вычисленные погрешности находятся в пределах, приведенных в таблице 11.
Таблица 11 - Пределы допускаемой погрешности счетчиков при измерении параметров сети, показателей качества электрической энергии
|
Измеряемый параметр |
Диапазон измерений |
Пределы допускаемой погрешности (абсолютная А, относительная 5, %) |
Примечание |
|
Частота (f), Гц |
от 42,5 до 57,5 |
±0,05 (А) | |
|
Среднеквадратическое значение напряжения, В |
от 0,7UHOM до 1,2UH0M |
±0,5 (5) | |
|
Среднеквадратическое значение фазных токов I, А |
ОТ 0.051(5 ДО Какс |
±0,9 (5) |
0,11б <1<1макс |
|
±(0,9+0,05|0,1 Wlx-1|)(S) |
0,051б<1<0,Пб | ||
|
Угол фазового сдвига между напряжением и током основной частоты (<pui), 0 |
от -180 до +180 |
±2 (Д) |
0,1 К <1 S Какс |
|
±5 (Д) |
0,051б<1<0,11б |
ИнО^юлл. I Подп. и дата [Взам. инв.№ |Инв.№ дубл. I Подп. и дата
-
10.7 Определение основной относительной погрешности измерения активной и реактивной мощности, напряжения и тока целесообразно проводить в автоматизированном режиме с применением программы «Конфигуратор СЭТ-4ТМ» и формы «Измеритель погрешности», внешний вид которой приведен на рисунке 13. Такую проверку можно проводить только для счётчиков с интерфейсом R.S-485 (т.е. кроме счетчиков наружной установки).
Лист
ФРДС.411152.006РЭ1
27
Изм
Лист
№ докум.
Подп.
Дата
Рисунок 13 - Форма «Измеритель погрешности»
Инв.№ подл. I Поди, и дата [Взам. инв.№ |Инв.№ дубя. I Подп. и дата
-
10.7.1 Установить флажки в форме «Измеритель погрешности», как показано на рисунке 13.
-
10.7.2 В строке «Эталон» над каждым интересующим параметром ввести эталонное значение, измеренное внешним эталонным средством, относительно которого нужно вычислить погрешность измерения счётчика.
-
10.7.3 Нажать кнопку «Прочитать из прибора», расположенную на панели инструментов генеральной формы. При этом «Конфигуратор СЭТ-4ТМ» производит чтение приведенных в окнах формы параметров, их отображение в соответствующих окнах, усреднение и вычисление погрешности измерения относительно введенных эталонных значений. Рассчитанные относительные погрешности индицируется в соответствующих окнах с размерностью «%».
-
10.7.4 Для определения погрешностей группы счётчиков (до 6 штук) их сетевые адреса нужно указать в форме «Список адресов», установить флажок «Групповая операция» и повторить п. 10.7.3. При этом вычисленные погрешности каждого поверяемого счётчика будут отображаться на отдельной строке формы «Измеритель погрешности».
10.8 Определение точности хода встроенных часов
-
10.8.1 Определение точности хода часов во включенном состоянии счётчика проводить измерением периода сигнала времязадающего генератора на испытательном выходе счётчика согласно раздела 5 ГОСТ IEC 61038-2012.
-
10.8.2 Для проведения проверки собрать схему, приведенную на рисунке 14. При этом счётчик должен быть подключен к компьютеру через оптопорт по схеме, приведенной на рисунке Б.2 приложения Б. Проверку проводить при номинальном напряжении и номинальной частоте сети.
|
Изм |
Лист |
№ докум. |
Подп. |
Дата |
Лист
28
R1 - Резистор С2-ЗЗН-0Д5-1.0 кОм ± 5 %
R2- Резистор С2-33Н-0,25-4,3 кОм ± 5 %
Номера контактов испытательного выхода счетчика:
7 (+), 8 (-) счетчиков ТЕ1000.00-ТЕ1000.03, ТЕ1 ООО.60-ТЕ 1000.63;
5 (+), 6 (-) счетчиков ТЕ1000.40-ТЕ1000.43
Инв.№ подл. I Поди, и дата |Взам. инв.№ |Инв.№ дуби. I Подп. и дата
Рисунок 14 - Схема подключения оборудования для проверки точности хода часов
-
10.8.3 Подготовить компьютер к работе в соответствии с требованиями п.п. 8.1.5, 8.1.6. настоящей методики.
-
10.8.4 Перед началом испытаний, с помощью программы «Конфигуратор СЭТ-4ТМ», формы «Конфигурирование испытательных выходов и входов» настроить испытательный выход на формирование сигнала контроля точности хода часов.
-
10.8.5 Посредством формы «Проверка точности хода часов» из меню «Поверка», вкладки «Расчет точности хода» прочитать и запомнить заводскую константу коррекции точности хода часов (Кктх), введенную в счётчик на этапе регулировки. Вид формы приведен на рисунке 15.
Рисунок 15 - Форма «Расчет точности хода»
Лист
ФРДС.411152.006РЭ1
29
Изм
Лист
№ докум.
Подп.
Дата
-
10.8.6 Установить органы управления частотомера 43-63 в следующие состояния:
-
- переключатель РОД РАБОТЫ в состояние «Т» (измерение периода по каналу Б);
-
- ручку ВРЕМЯ ИНД. установить в крайнее состояние, вращая против часовой стрелки;
-
- переключатель МЕТКИ ВРЕМЕНИ в состояние «10’7»;
-
- переключатель ВРЕМЯ СЧЕТА ms/МНОЖ в состояние «103»;
-
- ручку УРОВЕНЬ (КАНАЛ Б) установить в середину сегмента между меткой «+» и крайним (по часовой стрелке) состоянием ручки.
-
10.8.7 Произвести измерение периода времязадающего генератора Ти при помощи частотомера 43-63 и запомнить результат измерения до четвертого знака после запятой.
10.8.8
Точность хода часов (AtH) рассчитать по формуле (16)
AtH =
-1
х 86400, с/сут
(16)
Инв.№ подл. I Подп. и дата [Взам. инв.№ |Инв.№ дубл. I Подп. и дата
где AtH
Тэ
рое при частоте 512 Гц составляет 1953,125 мкс;
Ти - значение измеренного частотомером периода сигнала времязадающего генератора (без учета коррекции точности хода), мкс;
Кктх - константа коррекции точности хода, введенная в счётчик на стадии регулировки и прочитанная в п. 10.8.5;
86400 - число секунд в сутках с размерностью с/сут.
10.8.9 Точность хода часов можно рассчитать посредством конфигуратора формы «Расчет точности хода». Для этого в окно «Измеренное значение Ти, мкс» нужно вписать значение периода сигнала времязадающего генератора, измеренное частотомером до четвертого знака после запятой, и нажать кнопку «Рассчитать». При этом конфигуратор производит:
-
- чтение заводской константы коррекции точности хода Кктх с отображением в окне «Кктх, ррш»;
-
- чтение варианта исполнения счётчика и установку значения эталонного периода сигнала времязадающего генератора в зависимости от типа счётчика с отображением в окне «Тэ, мкс» (1953,125 мкс для ТЕ 1000);
-
- расчет точности хода часов по формуле (16) с отображением результата расчета в окне формы «Точность хода At, с/сут».
Результаты поверки считают положительными, если точность хода часов в нормальных условиях, посчитанная по формуле (16) или рассчитанная конфигуратором, находится в пределах ±0,5 с/сут.
-
- точность хода часов, с/сут;
-
- значение эталонного периода сигнала времязадаюгцего генератора, кото-
ВНИМАНИЕ! После внеочередной и периодической поверки восстановить запомненные пользовательские параметры, если они были изменены в ходе поверки: скорость обмена по RS-485, п. 8.1.6.6;
-
- флаг «Однонаправленный режим учета по модулю» п. 8.1.6.8;
-
- конфигурацию испытательного выхода п. 8.1.7.1;
-
- маски режимов индикации п. 8.2.1.
|
Изм |
Лист |
№ докум. |
Подп. |
Дата |
Лист

11 Подтверждение соответствия счетчика метрологическим требованиям
-
11.1 Соответствие счетчика метрологическим требованиям подтверждается положительными результатами поверки при определении метрологических характеристик по каждому пункту раздела 10 «Определение метрологических характеристик счетчика» данной методики поверки.
12 Оформление результатов поверки
-
12.1 Результаты поверки оформляются в соответствии с Приказом Минпромторга России № 2510 от 31.07.20, РМГ-51-2002, ГОСТ 8.584-2004.
-
12.2 Сведения о результатах поверки передаются в Федеральный информационный фонд по обеспечению единства измерений.
-
12.3 При удовлетворительных результатах поверки, по заявлению владельца средства измерений или лица, предъявившего его на поверку, на средство измерений наносится знак поверки, и (или) выдается свидетельство о поверке, и (или) в формуляр средства измерений вносится запись о проведенной поверке, заверяемая подписью поверителя и знаком поверки, с указанием даты поверки.
Знак поверки наносится на счётчик давлением на навесную пломбу, расположенную в месте крепления верхней части корпуса к основанию.
Результаты поверки заносят в раздел 5 формуляра ФРДС.411152.006ФО.
-
12.4 При неудовлетворительных результатах поверки, средство измерений признают непригодным к применению, и, по заявлению владельца средства измерений или лица, предъявившего его на поверку, выписывается извещение о непригодности к применению средства измерений.
Инв.№ подл. I Подп. и дата [Взам. инв.№ |Инв.№ дубл. I Поди, и дата
Изм
Лист
№ докум.
Подп.
Дата
Лист
31
Приложение А
(обязательное)
Схемы подключения счётчика к поверочной установке
А.1 Схема подключения счётчиков к поверочной установке приведена на рисунке А. 1. Схема подключения испытательного выхода счётчика к прибору Энергомонитор 3.1 КМ приведена на рисунке А.2. Назначение контактов соединителей интерфейсных цепей приведены на рисунке А.З.

Инв.№ подл. I Подп. и дата [Взам. инв.№ |Инв.№ дубл. I Подп. и дата
Примечание - В скобках указан номер контакта входа напряжения счетчика наружной установки.
Рисунок А.1 - Схема подключения счётчиков к установке УППУ-МЭ
2 Номера контактов испытательных выходов
5(4-), 6(-)- для счетчика наружной установки;
7(+), 8 (-) - для счетчиков внутренней установки и на DlN-рсйку.
Рисунок А.2 - Схема подключения испытательного выхода счётчика к прибору Энергомонитор 3.1 КМ
|
Изм |
Лист |
№ докум. |
Подп. |
Дата |
Лист
32
Инв.№ подл. I Подп. и дата |Взам. инв.№ |Инв.№ дубл. I Поди, и дата
|
Кон такт |
Цепь |
Полярность |
Примечание |
|
Счётчики внутренней установки 1а За 36 5 6 7 8 9 10 11 12 13 | |||
|
[00|00] |0 |
0|0 0 |
|00|00 0] | |
|
1а |
Фаза генератора |
Соединены с контактом 1 | |
|
За |
Ноль генератора |
Перемычка между цепями тока и напряжения | |
|
36 |
Вход напряжениясчетчика | ||
|
Цифровой вход (канал 5) |
+ |
имакс=30 В |
|
- | |||
|
Испытательный выход (канал 0) |
+ |
имакс=30 В, 1макс=50 мА |
|
- | |||
|
Питание дополнительных интерфейсных модулей |
+ |
Постоянное напряжение 12 В, 1макс=200 мА |
|
- | |||
|
И 12 |
GWG |
Минимум +0,3 В при отсутст-вии обмена | |
|
RS-485 линия А |
+ | ||
|
13 |
RS-485 линия В |
- | |
|
Счётчики на |
ружной установки | ||
|
3 |
Ноль генератора |
Перемычка между цепями то-ка и напряжения | |
|
3* |
Вход напряжения счетчика | ||
|
Испытательный выход (канал 0) |
+ |
имакс=30 В. 1макс=50 мА |
|
- | |||
|
Счётчики установки на DIN-рейку За 36 5 6 7 8 9 10 | |||
|
0-0 Q |
2)0 О |
ООО] | |
|
За |
Ноль генератора |
Перемычка между цепями то-ка и напряжения | |
|
36 |
Вход напряжения счетчика | ||
|
Цифровой вход (канал 5) |
+ |
Имакс=30 В |
|
- | |||
|
Испытательный выход |
+ |
имакс=30 В. 1макс=50 мА |
|
- | |||
|
9 |
RS-485 линия В |
+ |
Минимум +0,3 В при отсутст-вии обмена |
|
10 |
RS-485 линия А |
- | |
Рисунок А.З - Назначение контактов соединителей интерфейсных цепей
|
Лист | ||||||
|
ФРДС.411152.006РЭ1 |
33 | |||||
|
Изм |
Лист |
№ докум. |
Подп. |
Дата |
Приложение Б
(рекомендуемое)
Схемы подключения счётчиков к компьютеру
Б.1 Схема подключения счётчиков к компьютеру через интерфейс RS-485 приведена на рисунке Б.1. Схема подключения счётчика к компьютеру через оптопорт приведена на
Пр имечания
Инв.№ подл. I Поди, и дата [Взам. инв.№ |Инв.№ дубл. I Подп, и дата
-
1 Rc - согласующий резистор 120 Ом.
-
2 Монтаж вести экранированной витой парой с волновым сопротивлением р= 120 Ом.
-
3 Экран витой пары заземляется в одной точке со стороны преобразователя интерфейса ПИ-2Т.
-
4 Постоянное напряжение между контактами «12(9)» и «13(10)» при подключенном преобразователе интерфейса, включенном счетчике и при отсутствии обмена по каналу связи должно быть не менее 0,3 В. Полярность напряжения должна соответствовать указанной на схеме.
-
5 В скобках номера контактов счетчиков для установки на DIN-рейку.
Рисунок Б.1 - Схема подключения счётчиков к компьютеру через интерфейс RS-485
|
Компьютер |
Счетчик | ||
|
USB |
---------Q УСО-2Т ( |
) Опггопорт | |
Рисунок Б.2- Схема подключения счётчика к компьютеру через оптопорт
|
ФРДС.411152.006РЭ1 |
Лист | |||||
|
34 | ||||||
|
Изм |
Лист |
№ докум. |
Подп. |
Дата |
Инв.№ поля. I Поди, и дата [Взам. инв.№ |Инв.№ дубл. I Г1одп. и дата
|
Лист регистрации изменений | ||||||||||||||
|
Изм. |
Номера листов (страниц) |
N докум. |
Входящий N сопроводительного докум. и дата |
Подпись |
Дата | |||||||||
|
измененных |
заме ненных |
новых |
анули-рован-ных |
всего листов (страниц) в докум. | ||||||||||
|
ФРДС.411152.006РЭ1 |
Лист | |||||||||||||
|
35 | ||||||||||||||
|
Изм |
Лист |
№ докум. |
Подл. |
Дата | ||||||||||
Ф2.106-5а
Формат А4
