Стандарт «ГСИ.ПРЕОБРАЗОВАТЕЛИ ИЗМЕРИТЕЛЬНЫЕ РАЗНОСТИ ДАВЛЕНИЙ ГСП С УНИФИЦИРОВАННЫМИ ТОКОВЫМИ выходными СИГНАЛАМИ» (ГОСТ 8.240-77)

АРСТВЕННЫЙ СТАНДАРТ
СОЮЗА ССР

ГОСУДАРСТВЕННАЯ СИСТЕМА ОБЕСПЕЧЕНИЯ ЕДИНСТВА
ИЗМЕРЕНИЙ
ПРЕОБРАЗОВАТЕЛИ ИЗМЕРИТЕЛЬНЫЕ РАЗНОСТИ ДАВЛЕНИЙ ГСП С УНИФИЦИРОВАННЫМИ ТОКОВЫМИ выходными СИГНАЛАМИ
МЕТОДЫ И СРЕДСТВА ПОВЕРКИ
ГОСТ 8.240-77
1ена 3 коп.
Издание официальное
ГОСУДАРСТВЕННЫЙ КОМИТЕТ СТАНДАРТОВ
СОВЕТА МИНИСТРОВ СССР
Москва
Г О С У

АРСТВЕННЫЙ
СТАН

APT
СОЮЗА ССР
ГОСУДАРСТВЕННАЯ СИСТЕМА ОБЕСПЕЧЕНИЯ ЕДИНСТВА
ИЗМЕРЕНИЙ
ПРЕОБРАЗОВАТЕЛИ ИЗМЕРИТЕЛЬНЫЕ
РАЗНОСТИ ДАВЛЕНИЙ ГСП С УНИФИЦИРОВАННЫМИ ТОКОВЫМИ выходными СИГНАЛАМИ
МЕТОДЫ И СРЕДСТВА ПОВЕРКИ
ГОСТ 8.240-77
Издание официальное
МОСКВА
1977
РАЗРАБОТАН

всесоюзным научно-исследовательским институтом
метрологической службы (ВНИИМС)
Директор В.
, Сычев
Руководитель темы Л. А, Шипьдкрет
Исполнитель Н. В. Архипкина
ВНЕСЕН
Управлением приборостроения,
средств автоматизации и
систем управления Госстандарта СССР
Начальник И. А. Алмазов
ПОДГОТОВЛЕН К УТВЕРЖДЕНИЮ Всесоюзным научно-исследовательским институтом метрологической службы (ВНИИМС)
Директор В. В. Сычев
УТВЕРЖДЕН И ВВЕДЕН В ДЕЙСТВИЕ Постановлением Государственного комитета стандартов Совета Министров СССР от 28 марта 1977 г. № 759
© Издательство стандартов, 1977
УДК 531.787.9.087.92.089.6:006.354
Группа Т88.1
ГОСУДАРСТВЕННЫЙ СТАНДАРТ
СОЮЗА ССР

Государственная система обеспечения единства измерений
ПРЕОБРАЗОВАТЕЛИ ИЗМЕРИТЕЛЬНЫЕ РАЗНОСТИ ДАВЛЕНИЙ ГСП С УНИФИЦИРОВАННЫМИ ТОКОВЫМИ

ВЫХОДНЫМИ СИГНАЛАМИ
Взамен
МУ 192 в части поверки дифманометров с токовыми выходными сигналами
Методы и средства поверки
State system for ensuring the uniformity of measurements Measuring transducers for press urc differences with unified current output signals of the ssi. Wethods and means of verification
Постановлением Государственного комитета стандартов Совета Министров СССР от 28 марта 1977 г. Н9 759 срок введения установлен
с 01.01 1978 Г-
Настоящий стандарт распространяется на измерительные преобразователи разности давлений ГСП (далее — преобразователи) по ГОСТ 14795—69 и ГОСТ 18140—77 с унифицированными токовыми выходными сигналами 0—5; 0—20; 4—20 мА по ГОСТ 9895—69 и устанавливает методы и средства их первичной и периодической поверок.
-
1. ОПЕРАЦИИ ПОВЕРКИ
-
1.1. При проведении поверки должны выполняться следующие операции:
-
внешний осмотр — п. 5.1;
установка начального значения выходного сигнала преобразователя — п. 5.2;
проверка герметичности между «плюсовой» и «минусовой» камерами измерительного блока (при выпуске из производства не проводят) — п. 5.3;
определение основной погрешности и вариации выходного сигнала — п. 5.4.
Издание официальное
Перепечатка воспрещена

-
2. СРЕДСТВА ПОВЕРКИ
-
2.1. При проведении поверки должны применяться средства поверки, перечисленные ниже.
-
2.1.1. Грузопоршневые манометры типа МП по ГОСТ 8291—69.
-
2.1.2. Образцовые пружинные манометры типа МО ио I ОСТ 6321—72.
-
-
Примечание Образцовые пружинные манометры типа ЛЮ, предназначенные ыя установки заданных помина 1ьных перепадов давлений или выходных сш налов, должны бьиь предвари 1ельпо поверены при заданных номинальных шачснпях да1 кии
-
2.1.3. Грузопоршневые мановакуумметры типа МВП-2,5 класса точности 0,05 с пределами измерений —1,0—0—2,5 мс'ем2 (—0,1—0—0,25 МПа).
-
2.1.4. Автоматические задатчики давления типа ЛЗД-2,5 класса точности 0,05 с пределами измерений 0,1 —1,0; 0,1 —1,6, 0,2 -2,5 кгс/см2 (0,01—0,1; 0,01 -0,16; 0,02—0,25 МПа/.
-
2.1.5. Жидкостные микроманометры компенсационные с концевыми мерами длины по ГОСТ 11161—71.
-
2.1.6. Жидкостные микроманометры с вертикальной трубкой типа МТБ по ГОСТ 11161—71.
-
2.1.7. Компенсационные жидкостные микроманометры с (микрометрическим витом типа МКВ по ГОСТ 11161—71.
-
2.1.8. Весовые колокольные микроманометры шна МВК но ГОСТ 11161—71
-
2.1.9. Многопредельные жидкостные микроманоме1ры с наклонной трубкой типа ММН по ГОСТ 11161—71 пеласга точности 0,6.
-
2.1.10. Миллиамперметры постоянного тока магнитоэлектрической системы по ГОСТ 8711—60 классов точности 0,1; 0,2’.
-
2.1.11. Вольтметр переменного тока по ГОСТ 8711—60 класса точности 1,0 с верхним пределом измерений 250 В.
-
2.1.12. Ртутные стеклянные лабораторные термометры по ГОСТ 215--73 с пределами измерений 0—55°С, аттестованные как образцовые с абсолютом погрешностью показаний не более 0,1 С.
2 1.13. Разделительный сосуд для дифференциальных манометров по ГОСТ 14320—73.
-
2.1.14. Стальной баллон малой и средней емкости по ГОСТ 449—73 с газообразным техническим азотом по ГОСТ 9293—74.
-
2.1.15. Газовый баллонный редуктор по ГОСТ 6268—68.
-
2.1.16. Запорные игольчатые вентили по ГОСТ 3149—70 Примечания
-
1 Классы точное. ги н пределы измерений приборов по пп 2.1.1, 2.1.2, 2 1 5 —
1 10 должны удовлетворять требованиям п 54 2
-
2 Допускается применять вновь разрабатываемые или находящиеся в применении образцовые средства поверки (см справочное приложение 3), прошедшие метрологическую аттестацию в органах Государственной метрологической службы и удовлетворяющие по точности требованиям настоящего стандарта.
-
3. УСЛОВИЯ ПОВЕРКИ
-
3.1. При проведении поверки должны соблюдаться условия, указанные в ГОСТ 18140—77 и ГОСТ 14795-69.
-
3.2. Изменение давления должно быть плавным> без перехода за поверяемое значение.
-
3.3. Среда, передающая измеряемое дарение, — воздух или газ.
-
Примечание При использовании гр}зопоршневого манометра типа МП-6 или МП-6Ю между ним и поверяемым преобразователе^ должен быть установлен разделительный сосуд, предохраняющий поверяемый преобразователь от попадания в него масла. Уровень жидкости в разделительном сосуде должен находиться в плоскости торца поршня
4. ПОДГОТОВКА К ПО
еркЕ
-
4.1. Перед проведением поверки необходймо выполнить следующие подготовительные работы:
преобразователь устанавливают в рабочёе положение с соблюдением требований^ предъявляемых к монт'ажУ и эксплуатации преобразователя;
проверяют герметичность системы, состоящей из соединительных линий и образцового прибора, давлением» равным предельному номинальному перепаду давлений поверяемого преобразователя. При определении герметичности систему отключают от устройства, создающего давление. Систему счйтают герметичной, если после трехминутной выдержки под давлением, равным предельному номинальному перепаду давлений, в течение двух минут в ней не наблюдается падения давления.
5. ПРОВЕДЕНИЕ ПОВЕРКИ
-
5.1. Внешний осмотр
-
5.1.1. При внешнем осмотре должно бь!ть установлено соответствие поверяемого преобразователя слеДУЮ1Дим требованиям:
при первичной поверке преобразователь должен иметь паспорт приборостроительного или прибороремонтноГ0 предприятия;
при периодической поверке преобразователь должен иметь паспорт или документ, его заменяющий;
маркировка должна соответствовать требованиям ГОСТ 18140—77 и ГОСТ 14795—67;
преобразователь не должен иметь повреждений и дефектов, ухудшающих внешний вид и препятствующих его применению.
5.2. У с т а н о в к а начального значения выходного сигнала преобразователя
-
5.2.1. При отсутствии перепада давлений корректором нуля преобразователя по миллиамперметру постоянного тока устанавливают значение выходного сигнала 1о, принятое за начальное для данного типа преобразователя. Это значение должно:
быть равно нулю или 4 мА, в зависимости от диапазона выходного сигнала, указанного в табл. 2, для 'преобразователей с линейной зависимостью между выходным сигналом и измеряемым перепадом давлений;
не превышать 15% диапазона выходного сигнала для преобразователей с квадратичной зависимостью между выходным сигналом и измеряемым перепадом давлений.
-
5.2.2. Погрешность установки начального значения выходного сигнала не должна превышать предела допускаемой абсолютной погрешности образцового прибора на выходе преобразователя.
-
5.3. Проверка герметичности между «плюсовой» и «(минусовой» камерами измерительного блока
-
5.3.1. При проверке герметичности в «плюсовую» камеру преобразователя подают давление, равное предельному номинальному перепаду давлений.
Допускается проводить проверку герметичности в процессе поверки и при определении основной по решности, выдерживая преобразователь под предельным номинальным перепадом давлений в течение 5 мин.
-
5.3.2. Преобразователь должен быть отключен от устройства, создающего давление.
-
5.3.3. Преобразователь считают герметичным, если после трехминутной выдержки под давлением, равным предельному номинальному перепаду давлений, в течение последующих 2 мин не наблюдается изменение выходного сигнала.
В случае изменения выходного сигнала при изменении температуры окружающего воздуха на A t°C, преобразователь считают герметичным, если в течение 15 мин изменение выходного сигнала не превышает значений, определяемых по табл. 1.
Таблица 1
Предельный номинальный перепад, давлений |
Допускаемое измене!ие температуры, °C |
Допускаемое изменение выходного сигнала, % | |
кгс/м9 (Па) |
кгс/см* (МПа) | ||
4(40) | |||
6,3(63) |
— | ||
10(100) |
150(|Д И-НМ) | ||
16(160) |
— |
0,3 | |
25(250) | |||
40(400) |
1 |
83( |Д /Ц-0,1) | |
63(630) |
—■ |
1 |
Продолжение табл. 1
Предельный номинальный перепад давлений |
Допусьаемое изменение температуры, °C |
Допускаемое изменение выходного сигнала, % | |
кгс/м* (Па) |
| кгс/см3 (МПа) | ||
100(1000) 160(1600) |
— |
30( |Д /14-0,1) | |
250(2500) 400(4000) |
— |
14( |А /|+0,1) | |
630 (6300) 1000(10000) |
— |
0,5 |
6(|Д /Ц-0,1) |
1600(16000) |
— |
3( |Д /| 1-0,1) | |
2500(25000) 4000(40000) |
0 25(0 025) 0,4(0,04) |
2(|Д/|4-0,1) | |
— 1 —> |
0,63(0,063) 1,0(0,1) 1,6(0 16) 25(0 25) 4,0 (0,4) |
1< |Д /14-0,1) | |
6,3(0,63) 10,0(1,0) |
1,0 |
0,3(|Д/1+0,1) |
Примечание Изменения температуры и выходною сигнала должны иметь одинаковый знак.
-
5.4. О п р е д е л е н и е основной погрешности и вариации выходного сигнала
-
5.4.1. Основную погрешность определяют следующими способами:
а) то образцовому прибору на входе преобразователя устанавливают перепад давлений, равный номинальному, а по другому образцовому (прибору измеряют выходной сигнал преобразователя.
Примечание. При использовании грузапоршневого манометра типа МП-6 или МП-60 номинальный перепад давлений устанавливают следующим образом: на грузоприемное устройство манометра накладывают грузы, масса которых соответствует номинальному перепаду давлений, а от баллона со сжатым азотом через редуктор и вентили в преобразователь и разделительный сосуд подают давление до тех пор, пока поршень грузопоршневого манометра не установится в рабочее положение по ГОСТ 8291—69. Схема подключения вышеуказанных приборов и устройств приведена в обязательном приложении 1
б) по образцовому прибору на выходе преобразователя устанавливают расчетное значение выходного сигнала, соответствующее номинальному значению измеряемого перепада давлений, а по другому образцовому прибору измеряют действительное значение измеряемого перепада давлений.
-
5.4.2. При выборе образцовых приборов для определения погрешности поверяемого преобразователя должно быть соблюдено следующее условие
где /щах — верхнее предельное значение выходного сигнала;
Уп — предел допускаемой основной погрешности поверяемого преобразователя, выраженный в процентах от нормируемого значения;
Д1— предел допускаемой абсолютной погрешности образцового прибора на входе преобразователя при давлении, равном предельному номинальному перепаду давлений поверяемого преобразователя;
Д2 — предел допускаемой абсолютной погрешности образцового прибора на выходе преобразователя при выходном сигнале, равном /тах;
Л1пах — предельный номинальный перепад давлений поверяемого преобразователя;
С — коэффициент запаса точности, равный V4.
Примечание A i и /imax должны быть выражены в одних и тех же единицах давления;
А2, /max и /0 должны быть выражены в одних и тех же единицах тока
Допускается с разрешения Госстандарта СССР принимать С, равным Уз.
-
5.4.3. Основную погрешность определяют сравнением действительных значений выходного сигнала с расчетными (п. 5.4.1 а) и сравнением действительных значений перепада давлений с номинальными (п. 5.4.1 б).
-
5.4.4. Расчетные значения выходных сигналов /р в миллиамперах для заданного номинального перепада давлений определяют*.
для преобразователей с линейной зависимостью между выходным сигналом и измеряемым перепадом давлений по формуле

v max
/--р
“max
где h — заданный номинальный перепад давлений;
для преобразователей с квадратичной зависимостью между выходным сигналом и измеряемым перепадом давлений по формуле
/ / V
'р--'тах Лтах •
Примечание, h и hтахдолжны быть выражены в одних тех же единицах давления.
Расчетные значения выходного сигнала для преобразователей с линейной зависимостью между выходным сигналом и измеряемым перепадом давлений приведены в табл. 2.
■е
Номинальный перепад давлений, %
Таблица 2
*
I
Расчетные значения выходного сигнала при диапазоне выходного сигнала, мА
0-5 |
0-20 |
4-20 | |
0 |
0 |
0 |
4 |
20 |
1,0 |
4 |
7,2 |
25 |
1,25 |
5 |
8 |
50 |
2,5 |
10 |
12 |
75 |
3,75 |
15 |
16 |
80 |
4,0 |
16 |
16,8 |
100 |
5,0 |
20 |
20 |
Расчетные значения выходного сигнала для преобразователей с квадратичной зависимостью между выходным сигналом и измеряемым перепадом давлений приведены в табл. 3.
Таблица 3
Номинальный перепад давлений, %
Расчетные значения выходного сигнала при вершей предельном значении выходного сигнала, мА
20
9
16
25
36
64
100
-
1.5
2,0
-
2.5
3,0
4,0
5,0
6,0
8,0
10,0
12,0
16,0
20,0
-
5.4.5. Основную погрешность преобразователя определяют не менее чем при пяти значениях перепада давлений, в том числе при предельном номинальном перепаде.
Поверку преобразователей при этих значениях перепада давлений проводят в начале при плавно возрастающем перепаде, а затем после выдержки под предельным номинальным перепадом давлений не менее 5 мин при плавно убывающем перепаде давлений.
-
5.4.6. Предел допускаемой основной погрешности преобразователя должен соответствовать значению, указанному в ГОСТ 18140—77 и ГОСТ 14795—69.
-
5.4.7. Основная погрешность преобразователя не должна превышать при первичной поверке — 0,8 Л, при периодической поверке — Д', где Л — класс точности преобразователя.
-
5.4.8. Вариация выходного сигнала, определяемая при каждом значении перепада давлений, кроме нулевого и предельного номинального, не должна превышать значения, указанного в ГОСТ 18140—77 и ГОСТ 14795—69.
-
5.4.9. Вариацию выходного сигнала определяют как разность между значениями выходного сигнала, соответствующими одному и тому же значению перепада давлений, полученными при приближении к нему от меньших значений к большим и от больших к меньшим.
-
5.4.10. При снижении перепада давлений до нуля отклонение выходного сигнала от начального значения (п. 5.2.1) не должно превышать значения, указанного в ГОСТ 18140—77 и ГОСТ 14795—69-
-
5.4.11. Основная погрешность преобразователя в процентах вычисляется:
для преобразователей с линейной зависимостью между выходным сигналом и измеряемым перепадом давлений по способу, приведенному в п. 5.4.1а по формуле
У = - тгЧ' 10°-
V max 1 о «max /
где I л—показания образцового прибора;
по способу, приведенному в п. 5.4.16 по формуле
У = (/Р~Л - -Г4-) • 10°-
• max * о «тах ’
где Лд — показания образцового прибора;
для преобразователей с квадратичной зависимостью между выходным сигналом и измеряемым перепадом давлений по способу, приведенному в п. 5.4.1а по формуле
]/_*_). 100,
_ (
7 ” \ /так
по способу, приведенному в п. 5.4.16 по формуле
У-Jn-).|OO. ' l*max z
7 “ \ /шах
Вычисления ле запятой.
Результаты зательное приложение 2).
у проводят с погрешностью до второго знака пос-измерений заносят в протокол поверки (см. обя-
6. ОФОРМЛЕНИЕ РЕЗУЛЬТАТОВ ПОВЕРКИ
-
6.1. Преобразователи, удовлетворяющие требованиям настоящего стандарта, допускаются к применению.
-
6.2. При положительных результатах первичной поверки в паспорте приборостроительного или прибороремонтного предприятия производят запись о годности преобразователя к применению с vxa-
занием даты поверки и удостоверяют запись в установленном порядке.
-
6.2.1. Запись в паспорте результатов государственной поверки удостоверяют подписью поверителя и оттиском поверительного клейма.
-
6.2.2. Запись в паспорте результатов поверки, проведенной приборостроительным или прибороремонтным предприятием, удостоверяют в порядке, установленном предприятием.
-
6.3. При положительных результатах 1периодической поверки в паспорте (или документе, его заменяющем) производят запись о годности преобразователя к применению с указанием даты поверки и удостоверяют запись в установленном порядке.
-
6.3.1. Запись в паспорте (или документе, его заменяющем) результатов государственной поверки удостоверяют подписью поверителя и оттиском поверительного клейма.
-
6.3.2. Запись в паспорте (или документе, его заменяющем) результатов ведомственной поверки удостоверяют в порядке, установленном в ведомственной метрологической службе.
-
6.4. По результатам поверки составляют протокол по форме, указанной в приложении 2.
-
6.5. Преобразователи, не удовлетворяющие требованиям стандарта, бракуют и не допускают к выпуску из производства, ремонта, а находящиеся в эксплуатации — к применению.
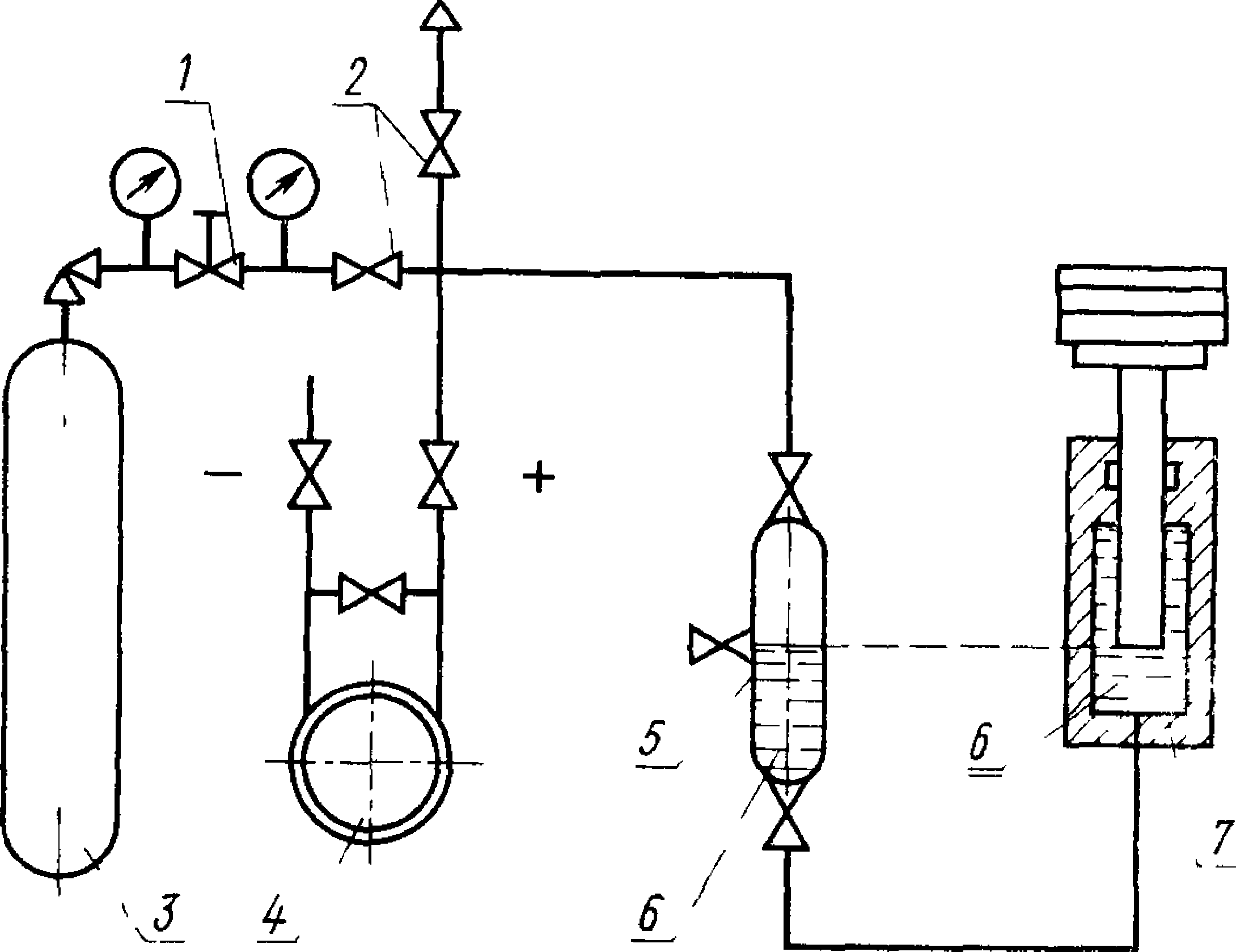
ПРИЛОЖЕНИЕ I Обязательное
Схема подключения грузопоршневого манометра и разделительного сосуда к поверяемому преобразователю

1—редуктор; 2—запорный вентиль; 3—баллон со сжатым азотом, 4—по веряемый преобразователь; 5—разделительный сосуд; 6—рабочая жидкость; 7—грузопоршневой манометр
ПРИЛОЖЕНИЕ 2
Обязательное
П РОТО КО Л №________
“________________'9________г.
поверки _______________________
(наименование преобразователя)
Тип ______________________ №
Пределы измерения ____________________________Класс точности__________ принадлежащего
(наименование предприятия, организации, учреждения)
Образцовые приборы:
на входе тип_________________________№______________верхний предел
измерений______________________________класс точности ,
на выходе: тип__№______________верхний предел
измерений_____________________________класс точности_____________________
Предел допускаемой
основной погрешности ________% .
Допускаемая вариация________мА.
Наибольшая погрешность
выходного сигнала ________% •
Наибольшая вариация ________мА .
Номинальное значение перепада давлений h, кгс/см« (кгс/м1) |
Расчетное значение выходного сигнала /. |
Действительное значение выходного сигнала мА, или измеряемого перепада давлений Лд, кгс/см> (кгс/м*) |
Погрешность поверяемого преобразователя, % |
Вариация, мА | |||
мА |
Р’ | ||||||
Прямой ход |
Обратный ход |
Прямой ход |
Обратный ход | ||||
Преобразователь годен, забракован.
Подпись лица, выполнявшего поверку
ПРИЛОЖЕНИЕ 3
Обязательное
ОБРАЗЦОВЫЕ СРЕДСТВА ПОВЕРКИ,
ДОПУСКАЕМЫЕ К ПРИМЕНЕНИЮ
Жидкостный манометр с оптическим о i счет ом и рт}1пым заполнением типа ОМО-1 класса точности 0 15 0 30 с пре клами измерении 0—810 мм рт ст (0—0 107 МПа),
переносные приборы типов ППР-1 и ППР 2И класса точности 0,3 с пределами измерении и юы точною 1ав 1еппя G 10)0 мм чо i ci (0 0 01 МПа),
О—1000 мм рт ci (0—0 135 МПа)
контрольный ш\1ныи vaiiOMeip с шетппнп шым отсчеюм типа МКД класса точности ОН 0 2 с npeiciaMM нлкчпш 0 10 0—16 кгс/см (0 0 1, 0—0 16 МПа),
автоматический копгрон>нын за а н пша \КЗ 16 к lacca точности 0 1 с пределами изм почин — 6 ки ч (Oui ( V » i
контролъньи цисроовои манометр типа 1\\1Ц о t ласса точности 0 1 с иреде лами измерении ( 1 6 кгс/см2 (0—0 16 МПа)
грузосичьфот лт тиффереш ымо i киют а ’оппыи манометп контроль ный типа ЧЬЬ клала точности 0 1 0 16 0 2 > с пре ч iawi измерении от О 0,25
до 0—6,3 кгс/см2 (от 0—0 025 до 0-0 63 МПа) по ря i\ R5 I ОСТ 8032—56
Редактор Е 3.
Усоскина
Я. Митрофанова
Черноусов
Технический редактор Л.
Корректор 4 С
Сдано в набор 05 04 77 Подп в печ 15 08 77 1,0 п л 0,37 уч изд л Тир 12000 Цена 3 коп
Ордена «Знак Почета» Издательство стандартов Москва Д 557 Новопресненский пер , 3 Калужская типография стандартов ул Московская, 25Ь Зак 954