Методика поверки «Государственная система обеспечения единства измерений АНАЛИЗАТОРЫ ЭЛЕКТРОБЕЗОПАСНОСТИ vPad» (PT-MП-7766-421-2020)
ФЕДЕРАЛЬНОЕ АГЕНТСТВО ПО ТЕХНИЧЕСКОМУ РЕГУЛИРОВАНИЮ И МЕТРОЛОГИИ
ФЕДЕРАЛЬНОЕ БЮДЖЕТНОЕ УЧРЕЖДЕНИЕ «ГОСУДАРСТВЕННЫЙ РЕГИОНАЛЬНЫЙ ЦЕНТР СТАНДАРТИЗАЦИИ, МЕТРОЛОГИИ И ИСПЫТАНИЙ В Г. МОСКВЕ И МОСКОВСКОЙ ОБЛАСТИ» (ФБУ «РОСТЕСТ-МОСКВА»)
СОГЛАСОВАНО
Заместитель генерального директора

А.Д. Меньшиков
«09» февраля 2021 г.
Государственная система обеспечения единства измерений
АНАЛИЗАТОРЫ ЭЛЕКТРОБЕЗОПАСНОСТИ vPad
Методика поверки
РТ-МП-7766-421-2020 г. Москва
2021 г.
1 Общие положенияНастоящая методика поверки распространяется на анализаторы электробезопасности vPad модификаций vPad-Mini, vPad-Rugged 2 (далее по тексту - анализаторы), изготовленные «Datrend Systems Inc.» 130 - 4020 Viking Way Richmond, BC Canada V6V 2L4, Канада и устанавливает порядок проведения их первичной и периодической поверок.
Прослеживаемость поверяемых анализаторов обеспечивается к государственным первичным эталонам единицы электрического напряжения (ГЭТ13-01), единицы электрического напряжения (вольта) в диапазоне частот 10-3107 Гц (ГЭТ89-2008), единицы силы постоянного электрического тока (ГЭТ4-91), единицы силы электрического тока в диапазоне частот 20 - Г106 Гц (ГЭТ88-2014), единицы электрической мощности в диапазоне частот от 1 до 2500 Гц (ГЭТ 153-2019), единицы электрического сопротивления (ГЭТ 14-2014).
Поверка анализаторов по всем измеряемым величинам осуществляется методом прямых измерений.
2 Перечень операций поверки-
2.1 При проведении поверки выполняют операции, указанные в таблице 1.
Таблица 1 - Операции поверки
|
Наименование операции |
Номер пункта настоящей методики поверки |
Обязательность проведения операции при | |
|
первичной поверке |
периодической поверке | ||
|
1 Внешний осмотр |
7.1 |
Да |
Да |
|
2 Подготовка к поверке и опробование |
7.2 |
Да |
Да |
|
3 Подтверждение соответствия программного обеспечения (ПО) |
7.3 |
Да |
Да |
|
4 Определение метрологических характеристик |
7.4 | ||
|
4.1 Определение абсолютной погрешности измерений напряжения питающей сети |
7.4.1 |
Да |
Да |
|
4.2 Определение абсолютной погрешности измерений напряжения |
7.4.2 |
Да |
Да |
|
4.3 Определение абсолютной погрешности измерений электрического сопротивления заземлений |
7.4.3 |
Да |
Да |
|
4.4 Определение абсолютной погрешности измерений электрического сопротивления изоляции1) |
7.4.4 |
Дд |
Да |
|
4.5 Определение абсолютной погрешности измерений силы тока нагрузки и электрической мощности1) |
7.4.5 |
Да |
Да |
|
4.6 Определение абсолютной погрешности измерений силы тока утечки |
7.4.6 |
Да |
Да |
|
5 Подтверждение соответствия средства измерений метрологическим требованиям |
8 |
Да |
Да |
|
Примечание: 1) Операция выполняется в случае наличия у поверяемой модификации анализатора данного режима измерений | |||
2.2 В соответствии с заявлением владельца средства измерений допускается выполнять поверку отдельных измерительных каналов из состава анализатора для меньшего числа измеряемых величин.
3 Требования к условиям проведения поверкиПри проведении поверки должны соблюдаться следующие условия:
-
- температура окружающей среды, °C от +15 до +25;
-
- относительная влажность воздуха, % от 30 до 80;
-
- атмосферное давление, кПа от 96 до 104;
-
- напряжение сети питания переменного тока, В от 198 до 242;
-
- частота сети питания, Гц от 49,5 до 50,5.
К проведению поверки допускаются лица, имеющие опыт поверки средств измерений электрически и магнитных величин, изучившие техническую документацию на средство поверки и поверяемые анализаторы, настоящую методику поверки, прошедшие инструктаж по технике безопасности и имеющие удостоверение на право работы на электроустановках с напряжением до 1000 В с квалификационной группой допуска не ниже III.
5 Метрологические и технические требования к средствам поверки-
5.1 При проведении поверки применяют основные средства поверки, а также вспомогательное оборудование, указанные в таблице 2.
Таблица 2 - Средства поверки
|
Номер пункта НД по поверке |
Наименование и тип эталонов, средств измерений и вспомогательных технических средств, их метрологические и технические характеристики |
|
7.4.1 |
Мультиметр цифровой 34470А (Госреестр № 63371-16) Пределы допускаемой погрешности измерений переменного напряжения частотой 50 Гц на пределе 100 В ±(710 -U+0,03) В, на пределе 300 В ±(1510'4и+0,05)В; Пределы допускаемой основной абсолютной погрешности измерений частоты в диапазоне измерений от 10 до 100 Гц ± 3-lO^ F Гц Лабораторный автотрансформатор (ЛАТР) Suntek (0 - 300) В |
|
7.4.2 |
Калибратор универсальный FLUKE 5520А (Госреестр № 51160-12) Диапазон воспроизведения напряжения постоянного тока от 0 до 329,9999 В ди = ± ((U-20-10’6 +1 мкВ)-(U18-10"6 + 150 мкВ)) диапазон воспроизведения напряжения переменного тока от 1,0 мВ до 329,999 В (10 Гц - 500 кГц) ди = + «и■ 600• 1 О’6 + 6 мкВ) - (и'2■ 10'3 + 70 мкВ)) |
|
7.4.3 |
Мера электрического сопротивления Р3026 (Госреестр № 8478-81) Диапазон воспроизведения значений электрического сопротивления от 0,01 до 111111,1 Ом, Класс точности 0,002, число декад 7, мощность рассеивания на ступень 0,005 Вт |
|
7.4.4 |
Магазин сопротивления Р40108 (Госреестр № 9381-83) Номинальное сопротивление одной ступени 10', 106, 107, 108 Ом, Класс точности 0,02, число декад 4, мощность, рассеиваемая на одной ступени 0,05 Вт |
|
7.4.5 |
Система поверочная переносная PTS З.ЗС № 39434 (Госреестр № 60751-15) Пределы допускаемой приведенной погрешности измерений силы переменного тока частотой 50 Гц в диапазоне значений от 1 до 40 мА AI = ± 0,05 % Диапазон измерений мощности от 0,12 до 57600 Вт ДР = ± 0,05 % |
|
7.4.6 |
Калибратор процессов документирующий Fluke 753 (Госреестр № 49876-12) Диапазон воспроизведения силы постоянного тока от -0,1 мА до 22 мА Д1 = ± (0,0001 1 + 3 мкА); Калибратор универсальный FLUKE 5520А (Госреестр № 51160-12) Диапазон воспроизведения силы переменного тока: от 29 мкА до 20,5 А (10 Гц - 30 кГц) Д1 = ± (0,0004 - 0,003) 1; Мультиметр цифровой 34470А (Госреестр № 63371-16) Диапазон измерений силы переменного тока в диапазоне частот от 3 Гц до 5 кГц от 0,1 мкА до 1 А ДГ = ±(1-10*3-1изм + 4-10"ЧПр); Магазин электрического сопротивления МС-6-01/1 (Госреестр № 51622-12) Диапазон воспроизведения значений электрического сопротивления от 0,1 Ом до 111,111 кОм, Класс точности 0,05, число декад 6, максимальная мощность 5 Вт; Магазин сопротивления Р40108 (Госреестр № 9381-83) Номинальное сопротивление одной ступени 105, 101, 102, 103 Ом, Класс точности 0,02, число декад 4, мощность, рассеиваемая на одной ступени 0,05 Вт Источник напряжения постоянного и переменного тока APS-71102 Диапазон воспроизведения силы переменного тока частотой 50 Гц, 150 Гц от 1 до 20 мА |
|
7.4.1 -7.4.6 |
Прибор комбинированный Testo 610 (Госреестр № 53505-13) Диапазон измерений температуры от 0 до +50 °C, Д = ± 0,5 °C; Диапазон измерений относительной влажности от 15 до 85 %, Д = ± 2,5 %; Барометр-анероид метеорологический БАММ-1 (Госреестр № 5738-76) Диапазон измерений давления от 80 до 106 кПа, Д = ± 0,2 кПа; Мультиметр цифровой 34470А (Госреестр № 63371-16) Пределы допускаемой погрешности измерений переменного напряжения частотой 50 Гц на пределе 100 В ±(710 U+0,03) В, на пределе 300 В ±(1510’4и+0,05)В; Пределы допускаемой основной абсолютной погрешности измерений частоты в диапазоне измерений от 10 до 100 Гц ± 3 • 10'4 • F Гц |
-
5.2 Допускается применение аналогичных средств поверки, обеспечивающих определение метрологических характеристик поверяемого СИ с требуемой точностью.
-
5.3 Применяемые средства поверки должны быть исправны и поверены, применяемые средства поверки утверждённого типа СИ в качестве эталонов единиц величин должны быть исправны и поверены с присвоением соответствующего разряда, по требованию государственных поверочных схем.
-
5.4 Применяемые эталоны единиц величин не утверждённого типа СИ должны быть аттестованы и утверждены приказом Федерального агентства по техническому регулированию и метрологии, в соответствии с действующими нормативно-правовыми документами с присвоением соответствующего разряда по требованию государственных поверочных схем.
проведения поверки необходимо обеспечить отсутствие источников тепла или холода, прямое действие солнечных лучей или иных источников света или энергии, а также воздействие пыли, песка или иных химических веществ.
-
7 Проведение поверки
-
7.1.1 При проведении внешнего осмотра должно быть установлено соответствие поверяемых анализаторов следующим требованиям:
-
- комплектность анализаторов должна соответствовать указанной в технической документации фирмы производителя;
-
- внешний вид анализаторов должен соответствовать фотографиям, приведенным в их руководстве по эксплуатации и описании типа средств измерений;
-
- на одном из винтов, скрепляющих корпус анализаторов, должна быть гарантийная пломба в виде наклейки фирмы производителя с надписью «WARRANTY VOID IF REMOVED» (гарантия аннулируется в случае ее удаления) для контроля несанкционированного вмешательства;
-
- корпус, дисплей, разъемы, тестовая розетка, измерительные кабели и кабель питания не должны иметь механических повреждений, а также видимых дефектов, способных оказать влияние на безопасность проведения поверки или результат поверки;
-
- разъемы должны быть чистыми.
-
7.1.2 Маркировка поверяемых анализаторов должна быть различимой и содержать как минимум следующую информацию:
-
- модификация анализатора;
-
- заводской (серийный) номер анализатора;
-
- номинальное напряжение питания и потребляемый ток;
-
- символы безопасности и другие символы, которые приведены в разделе 3 «Информация о безопасности» руководства по эксплуатации.
-
7.1.3 Результаты выполнения операции считать положительными, если выполняются вышеуказанные требования.
Установленный факт отсутствия гарантийной пломбы от несанкционированного вмешательства при периодической поверке не является критерием неисправности средства измерений и носит информативный характер для производителя средства измерений и сервисных центров, осуществляющих ремонт.
7.2 Подготовка к поверке и опробование средства измеренийОпробование проводят после ознакомления с руководством по эксплуатации. При опробовании производят подготовку анализаторов к работе в соответствии с руководством по эксплуатации.
Проверяют работоспособность анализаторов при выполнении всех измерительных функций и при всех режимах работы, указанных в руководстве по эксплуатации, проверяют работоспособность сенсорного экрана смартфона или планшета - режимы, отображаемые на экране, при переключении режимов измерений, должны соответствовать руководству по эксплуатации, в противном случае дальнейшая поверка не проводится.
7.3 Проверка программного обеспечения (ПО) средства измерений-
7.3.1 Проверяют визуально идентификационные данные ПО на экране смартфона или планшета во время загрузки при включении.
Убеждаются, что номер версии программного обеспечения анализаторов соответствует данным, приведенным в Таблице 2.
Таблица 2 - Идентификационные данные ПО
|
Идентификационные данные (признаки) |
Значение |
|
vPad-Mini | |
|
Идентификационное наименование ПО |
vPad-Mini |
|
Номер версии (идентификационный номер) ПО |
не ниже 2.12.9 |
|
vPad-Rugged 2 | |
|
Идентификационное наименование ПО |
vPad-EQT |
|
Номер версии (идентификационный номер) ПО |
не ниже 1.02.0 |
7.3.2 Проверяют обеспечение защиты ПО от несанкционированного доступа во избежание искажений результатов измерений. Убеждаются, что доступ к ПО имеют только сервисные инженеры фирмы производителя (посредством пароля) и несанкционированное изменение ПО любыми непреднамеренными и преднамеренными действиями пользователя невозможно.
7.4 Определение метрологических характеристик средства измерений-
7.4.1 Определение абсолютной погрешности измерений напряжения питающей сети.
Подключить кабель питания поверяемого анализатора к сети через автотрансформатор лабораторный (ЛАТР) и параллельно подключить эталонный вольтметр в режиме измерения переменного напряжения (мультиметр цифровой). Устанавливая с помощью автотрансформатора напряжение питающей сети от нижнего предела измерений до верхнего, снять показания с поверяемого анализатора и мультиметра цифрового в трех точках (Umin), (U50%), (Umax), В.
Абсолютную погрешность измерений напряжения питающей сети определить по формуле:
Д = Х-Х, (1)
где X - значение по показаниям поверяемого анализатора;
Хэ - значение по показаниям эталона.
-
7.4.2 Определение абсолютной погрешности измерений напряжения.
Определение абсолютной погрешности измерений напряжения проводят при помощи калибратора универсального FLUKE 5520А методом прямых измерений в следующей последовательности.
-
7.4.2.1 Входные разъемы «ЕХТ+» и «ЕХТ-» поверяемого анализатора соединить при помощи измерительных проводов с разъемами «NORMAL» калибратора FLUKE 5520А.
-
7.4.2.2 На поверяемом анализаторе модификации vPad-Mini установить режим измерения напряжения «Point-to-Point Voltage», на модификации vPad-Rugged 2 установить режим измерения напряжения «External Voltage» (для проверки режима измерения микропотенциалов - «External Micropotential»).
-
7.4.2.3 На калибраторе универсальном FLUKE 5520А установить значения напряжения 15 В, 150 В, 285 В, частоту 0 Гц (постоянное напряжение), 50 Гц, 100 Гц.
Примечание - при измерении 15 В в модификации vPad-Rugged 2 использовать режим «External Micropotential».
-
7.4.2.4 Произвести измерения напряжения в заданных точках и зафиксировать измеренные значения по показаниям поверяемого анализатора.
-
7.4.2.5 Абсолютную погрешность измерений напряжения определить по формуле 1.
-
7.4.3 Определение абсолютной погрешности измерений электрического сопротивления заземления.
Определение абсолютной погрешности измерений электрического сопротивления заземления проводят при помощи меры электрического сопротивления постоянного тока многозначной Р3026-1 методом прямых измерений в следующей последовательности.
-
7.4.3.1 Входные разъемы SRC(+), ЕХТ(+) и ЕХТ(-) и SRC(-) поверяемого анализатора соединить при помощи 2-х кабелей «Кельвина» (четырехпроводная схема) с клеммами меры.
-
7.4.3.2 На поверяемом анализаторе установить режим измерения электрического сопротивления между двумя точками (Point-to-Point Resistance / External Resistance).
-
7.4.3.3 На мере сопротивления установить значения электрического сопротивления R3 = 0,1 Ом, 1,0 Ом, 1,9 Ом.
Примечание - при данных измерениях необходимо учитывать начальное сопротивление эталонной меры.
-
7.4.3.4 Произвести измерения электрического сопротивления в заданных точках и зафиксировать измеренные значения по показаниям поверяемого анализатора R„3M = Ra - Rlt, где Ra- показания поверяемого анализатора, RH - начальное сопротивление эталонной меры.
-
7.4.3.5 Абсолютную погрешность измерений электрического сопротивления заземления определить по формуле (1).
-
7.4.4 Определение абсолютной погрешности измерений электрического сопротивления изоляции4
Определение абсолютной погрешности измерений электрического сопротивления изоляции проводят при помощи магазина сопротивления Р40108 методом прямых измерений в следующей последовательности.
-
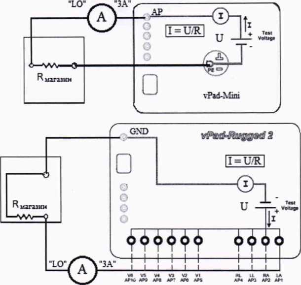
7.4.4.1 Разъем поверяемого анализатора, предназначенный для питания тестируемого оборудования (тестовая розетка), соединить при помощи испытательного кабеля с клеммами магазина сопротивления в соответствии с рисунком 1.

Рисунок 1 - Схема соединения при поверке режима измерений сопротивления изоляции между сетевой частью и защитным проводником оборудования (L1+L2 to РЕ).
-
7.4.4.2 На магазине сопротивления установить значение электрического сопротивления 0,1 МОм.
-
7.4.4.3 На поверяемом анализаторе установить режим измерения электрического сопротивления изоляции (Insulation Resistance Test), тип теста сопротивления изоляции между сетевой частью и защитным проводником оборудования (L1+L2 to РЕ), в настройках (Settings) выбрать класс медицинского изделия I (Class I), тип соединения с пациентом (тип рабочей части оборудования) BF (Type BF), тестовое напряжение постоянного тока 50 В.
-
7.4.4.4 Нажать кнопку запуска тестового напряжения (Run Insulation Test) и произвести измерение электрического сопротивления изоляции, зафиксировав показания поверяемого анализатора.
-
7.4.4.5 Повторить п.п. 7.4.4.1 - 7.4.4.4 для установленных на магазине сопротивления значений 0,5 МОм, 1,0 МОм, 9,9 МОм, 10 МОм, 50 МОм, 99,9 МОм при первичной поверки и для значений 1,0 МОм, 10 МОм, 99,9 МОм при периодической поверки.
-
7.4.4.6 Повторить п. 7.4.4.5 для тестового напряжения постоянного тока 100 В.
-
7.4.4.7 На магазине сопротивления установить значения электрического сопротивления 0,5 МОм, а на поверяемом анализаторе установить тестовое напряжение постоянного тока 250 В и, нажав кнопку запуска тестового напряжения (Run Insulation Test), произвести измерение электрического сопротивления изоляции.
-
7.4.4.8 Повторить п. 7.4.4.7 для установленных на магазине значений сопротивления 2 МОм, 4,9 МОм, 25 МОм, 49 МОм, 250 МОм, 475 МОм, 999 МОм при первичной поверки и для значений 25 МОм, 250 МОм, 999 МОм при периодической поверки.
-
7.4.4.9 Повторить п. 7.4.4.8 для тестового напряжения постоянного тока 500 В.
-
7.4.4.10 Провести аналогичные измерения электрического сопротивления изоляции при подключении магазина сопротивления в соответствии со схемами, приведенными на рисунках 2, 3 для типов теста сопротивления изоляции между:
-
- сетевой частью и корпусом (L1+L2 to Enclosure);
-
- рабочими частями и защитным проводником (АР to РЕ);

Рисунок 2 - Схема соединения при поверке режима измерений сопротивления изоляции между сетевой частью и корпусом (L1+L2 to Enclosure).
Рисунок 3 - Схема соединения при поверке режима измерений сопротивления изоляции между рабочими частями и защитным проводником (АР to РЕ).
-
7.4.4.11 Абсолютную погрешность измерений электрического сопротивления изоляции определить по формуле (1).
7.4.5 Определение абсолютной погрешности измерений силы тока нагрузки и электрической мощности
Определение абсолютной погрешности измерений силы тока проводят при помощи системы поверочной переносной PTS З.ЗС методом прямых измерений в следующей последовательности.
-
7.4.5.1 Сетевой кабель питания поверяемого анализатора, соединить при помощи измерительных проводов с выходами Hi и Lo системы PTS З.ЗС как показано на рисунке 4. Установить на PTS З.ЗС выходное напряжение 220 В, 50 Гц и подать питание на поверяемый анализатор.

Рисунок 4 - Схема соединения при измерении силы тока нагрузки (Load Current).
-
7.4.5.2 На поверяемом анализаторе установить режим измерения силы тока, потребляемого тестируемым прибором (Load Corrent - ток нагрузки) и убедиться в наличии напряжения (220 В) между контактом L2 и защитным проводником РЕ. Соединить контакт L2 тестовой розетки поверяемого анализатора с разъемом In, а контакт N (нейтраль) сетевого кабеля с разъемом Out токовых выходов системы PTS З.ЗС.
-
7.4.5.3 На системе PTS З.ЗС задать значение силы тока нагрузки 0,2 А.
-
7.4.5.4 Произвести измерения силы тока нагрузки (Load Corrent), а в модификации vPad-Rugged 2 еще и потребляемой мощности (Equipment Power), и зафиксировать измеренные значения по показаниям поверяемого анализатора.
-
7.4.5.5 Повторить п.п. 7.4.5.3, 7.4.5.4 для заданных значений силы тока нагрузки 1 А и 10 А
-
7.4.5.6 Абсолютную погрешность измерений силы тока и мощности определить по формуле (1). Задаваемую мощность потребления определить по показаниям системы PTS З.ЗС.
-
7.4.6 Определение абсолютной погрешности измерений силы тока утечки
Определение абсолютной погрешности измерений силы тока утечки проводят методом прямых измерений в разных режимах работы поверяемых анализаторов, используя соответствующее средства поверки (калибратор процессов документирующий Fluke 753, калибратор универсальный FLUKE 5520А, мультиметр цифровой 34470А, источник постоянного и переменного напряжения APS-71102, магазин электрического сопротивления МС-6-01/1 и магазин Р40108).
-
7.4.6.1 Поверку модификации vPad-Mini в режиме измерения постоянного тока утечки между двумя точками (Point-to-Point Leakage) проводят в следующей последовательности:
-
- входные разъемы «ЕХТ+» и «ЕХТ-» соединить соответственно при помощи измерительных проводов с разъемами «тА» и «—» калибратора Fluke 753;
-
- на калибраторе Fluke 753 выбрать режим «SOURCE» и установить значение силы постоянного тока 10 мкА;
-
- произвести измерения силы тока утечки и зафиксировать измеренные значения по показаниям поверяемого анализатора;
-
- повторить измерения для установленных на калибраторе значений постоянного тока 190 мкА, 1900 мкА, 10000 мкА, 19000 мкА;
-
- абсолютную погрешность измерений силы тока утечки определить по формуле (1).
-
7.4.6.2 Поверку модификации vPad-Mini в режиме измерения переменного тока утечки между двумя точками (Point-to-Point Leakage) проводят в следующей последовательности:
-
- входные разъемы «ЕХТ+» и «ЕХТ-» соединить соответственно при помощи измерительных проводов с разъемами «AUX (HI и LO)» калибратора FLUKE 5520А;
-
- на калибраторе FLUKE 5520А установить значение силы тока 30 мкА с частотой 50 Гц и подать его на поверяемый анализатор;
-
- произвести измерения силы тока утечки и зафиксировать измеренные значения по показаниям поверяемого анализатора;
-
- повторить измерения для установленных на калибраторе значений переменного тока 100 мкА, 1000 мкА с частотой 50 Гц, а также для значений тока 50 мкА, 1900 мкА, 5000 мкА с частотой 150 Гц;
-
- устанавливая на калибраторе последовательно частоту тока 1 кГц, 10 кГц, 30 кГц, подать ток на поверяемый анализатор и убедиться в наличии показаний на его экране;
-
- входные разъемы «ЕХТ+» и «ЕХТ-» последовательно соединить с источником переменного напряжения APS-71102 и мультиметром цифровым 34470А (в режиме измерения переменного тока);
-
- установить на источнике APS-71102 напряжение переменного тока 50 Гц соответствующее току 10000 мкА, контролируя его по показаниям эталоного амперметра;
-
- произвести измерения силы тока утечки и зафиксировать измеренные значения по показаниям поверяемого анализатора;
-
- повторить измерения для установленного значения переменного тока 19000 мкА 50 Гц;
-
- абсолютную погрешность измерений силы тока утечки определить по формуле (1).
-
7.4.6.3 Аналогично п.п. 7.4.6.1, 7.4.6.2 провести поверку модификации vPad-Mini в режимах измерения тока утечки:
-
- «на корпус (Touch Current)» - соответствующие средства поверки подключить к разъемам К1 (с помощью кабеля Кельвина) и контакту защитного заземления (РЕ) тестовой розетки;
-
- «на землю (Earth Leakage)» - соответствующие средства поверки подключить к контакту защитного заземления (РЕ) тестовой розетки и соединенным между собой контактам N (нейтраль) и РЕ сетевого кабеля анализатора vPad-Mini, подключенного к источнику питания 220 В, 50 Гц, как показано на рисунке 5;

Рисунок 5 - Схема соединения при поверке режима измерений силы тока утечки
«на землю (Earth Leakage)».
- «на пациента (Patient Leakage)» - соответствующие средства поверки подключить к разъему рабочей части (АР) и контактом защитного заземления (РЕ) тестовой розетки;
-
7.4.6.4 Поверку модификации vPad-Rugged 2 в режиме измерения постоянного тока утечки «на оборудование (Equipment Leakage)» проводят в следующей последовательности:
-
- входные разъемы К1 (с помощью кабеля Кельвина) и «GND» соединить соответственно при помощи измерительных проводов с разъемами «тА» и «—» калибратора Fluke 753;
-
- на калибраторе Fluke 753 выбрать режим «SOURCE» и установить значение силы постоянного тока 10 мкА;
-
- произвести измерения силы тока утечки и зафиксировать измеренные значения по показаниям поверяемого анализатора;
-
- повторить измерения для установленных на калибраторе значений постоянного тока 190 мкА, 1900 мкА, 10000 мкА, 19000 мкА;
-
- абсолютную погрешность измерений силы тока утечки определить по формуле (1).
-
7.4.6.5 Проверку модификации vPad-Rugged 2 в режиме измерения переменного тока утечки «на оборудование (Equipment Leakage)» проводят в следующей последовательности:
-
- входные разъемы «ЕХТ+» и «GND» соединить при помощи измерительных проводов с разъемами «AUX (HI и LO)» калибратора FLUKE 5520А;
-
- на калибраторе FLUKE 5520А установить значение силы тока 30 мкА с частотой 50 Гц и подать его на поверяемый анализатор;
-
- произвести измерения силы тока утечки и зафиксировать измеренные значения по показаниям поверяемого анализатора;
-
- повторить измерения для установленных на калибраторе значений переменного тока 100 мкА, 1000 мкА с частотой 50 Гц, а также для значений тока 50 мкА, 1900 мкА, 5000 мкА с частотой 150 Гц;
-
- устанавливая на калибраторе последовательно частоту тока 1 кГц, 10 кГц, 30 кГц, подать ток на поверяемый анализатор и убедиться в наличии показаний на экране;
-
- входные разъемы «ЕХТ+» и «GND» последовательно соединить с источником переменного напряжения APS-71102 и мультиметром цифровым 34470А (в режиме измерения переменного тока);
-
- установить на источнике APS-71102 напряжение переменного тока 50 Гц соответствующее току 10000 мкА, контролируя его по показаниям эталоного амперметра;
-
- произвести измерения силы тока утечки и зафиксировать измеренные значения по показаниям поверяемого анализатора;
-
- повторить измерения для установленного значения переменного тока 19000 мкА 50 Гц;
-
- абсолютную погрешность измерений силы тока утечки определить по формуле (1).
-
7.4.6.6 Повторить п. 7.4.6.4 и 7.4.6.5, подключив соответствующие средства поверки к разъемам рабочих частей (API - АР 10) и «GND».
-
7.4.6.7 Провести поверку режима Applied Part Leakage - MAP Test (Voltage) - теста «Испытание изоляции» в следующей последовательности:
-
- разъем(ы) «АР» и контакт защитного заземления «РЕ» (в модификации vPad-Mini) или «GND» (в модификации vPad-Rugged 2,) соединить последовательно с магазином сопротивления и эталонным амперметром (мультиметро!и цифровым 34470А в режиме измерения силы переменного тока) как показано на рисунке 6;

Рисунок 6 - Схема соединения при поверке режима Applied Part Leakage - MAP Test (Voltage).
-
- регулируя на магазине сопротивления значения сопротивления, добиться значений тока утечки 10 мкА (22 МОм на Р40108) и 13 мА (примерно 2,2 кОм на МС-6-01/1), контроль осуществлять по показаниям эталоного амперметра, при подаче в цепь тестового напряжения;
-
- для подачи тестового напряжения в цепь на поверяемом анализаторе нажать кнопку MAP Test (или MAP Voltage);
-
- зафиксировать по показаниям поверяемого анализатора значение силы тока утечки в заданных точках;
-
- абсолютную погрешность измерений силы тока утечки определить по формуле (1).
Примечание - при измерениях на модификации vPad-Rugged 2 в меню выбирать отведение «АР», к которому соответственно подключен измерительный провод.
8 Подтверждение соответствия средства измерений метрологическим требованиям-
8.1 Результаты поверки считают положительными, если полученные значения погрешности измерений напряжения питающей сети не превышают значений ±(0,02UH3M+0,2 В) В.
-
8.2 Результаты поверки считают положительными, если полученные значения абсолютной погрешности измерений напряжения:
-
- для модификации vPad-Rugged 2 в режиме измерения микропотенциала между двумя точками (External Point-to-Point micro potential) не превышает значений ± (0,01 иИзм. + 1 мВ), а в режиме измерения напряжения между двумя точками (External Point-to-Point Voltage) не превышают значений ± 3,2 В;
-
- для модификации vPad-Mini в режиме измерения напряжения между двумя точками (External Point-to-Point Voltage) не превышают значений ± 3,6 В.
-
8.3 Результаты поверки считают положительными, если полученные значения погрешности измерений электрического сопротивления заземления не превышают значений:
-
- для модификации vPad-Mini ± (0,01 RlBM + 0,01 Ом);
-
- для модификации vPad-Rugged 2 ± (0,01 R„3M. + 0,02 Ом).
-
8.4 Результаты поверки модификации vPad-Rugged 2 считают положительными, если полученные значения погрешности измерений электрического сопротивления изоляции не превышают значений ± (0,01 RH3M. + 0,1 МОм) в диапазоне значений от 0,1 до 0,9 МОм, ± (0,02 RH3M + 0,2 МОм) в диапазоне значений от 1 до 9,9 МОм, ± (0,05 RH3M + 0,2 МОм) в диапазоне значений от 10 до 99,9 МОм при рабочем напряжении 50 В и 100 В, ± (0,01 RH3M + 0,1 МОм) в диапазоне значений от 0,5 до 4,9 МОм, ± (0,02 RH3M. + 0,2 МОм) в диапазоне значений от 5 до 49 МОм, ± (0,05 RH3M. + 0,2 МОм) в диапазоне значений от 50 до 999,9 МОм при рабочем напряжении 250 В и 500 В.
-
8.5 Результаты поверки считают положительными, если полученные значения погрешности измерений силы переменного тока нагрузки не превышают значений ± (0,02 1изм. + 0,2 А) и для модификации vPad-Rugged 2 ещё и полученные значения погрешности измерений электрической мощности не превышают значений ± (0,05 Ризм. + 5 Вт).
-
8.6 Результаты поверки считают положительными, если полученные значения погрешности измерений силы тока утечки на постоянном токе и в диапазоне частот до 150 Гц не превышают значения ± (0,01 IH3M. + 1 мкА).
В диапазоне частот свыше 150 Гц до 1 МГц поверяемые анализаторы индицируют силу тока утечки ослабленную в соответствии с амплитудно-частотной характеристикой, приведенной в руководстве по эксплуатации на анализаторы.
9 Оформление результатов поверки-
9.1 Сведения о результатах поверки средств измерений передаются в Федеральный информационный фонд по обеспечению единства измерений.
-
9.2 При положительных результатах поверки по заявлению владельца средства измерений или лица, представившего его на поверку, выдается свидетельство о поверке средства измерений, оформленное в соответствии с действующими нормативно-правовыми документами.
-
9.3 При отрицательных результатах поверки по заявлению владельца средства измерений или лица, представившего его на поверку, выдается извещение о непригодности к применению средства измерений, оформленное в соответствии с действующими нормативно-правовыми документами.
-
9.4 Требования к оформлению протокола поверки не предъявляются.
Главный специалист по метрологии лаборатории № 421 ФБУ «Ростест-Москва»
А.А. Афанасьев
А.В. Казак
Начальник лаборатории № 421 ФБУ «Ростест-Москва»
13
Требования (условия) по обеспечению безопасности проведения поверки
-
6.1 При проведении поверки должны соблюдаться правила техники безопасности при эксплуатации электроустановок потребителей, меры безопасности, приведенные в эксплуатационной документации на используемые средства поверки.
-
6.2 На рабочем месте сетевые цепи, для исключения электромагнитных помех, должны быть разнесены от входных цепей анализаторов на достаточное расстояние. Вблизи рабочего места не должно быть источников электромагнитных помех. Кроме того, во время
Операция выполняется только для модификации vPad-Rugged 2.
