Методика поверки «Система обеспечения единства измерений Республики Беларусь. Мультиметр портативный МП-1» (МРБ МП.2733-2017)


Ди
унффйого предп
производственного
«

«Завод СВТ» Z/A. Миклашевич 2017 г.
УТВЕРЖДАЮ ектор Б ел ТИМ

rfvO У
о
В.Л. Гуревич
2017г.
МУЛЬТИМЕТР ПОРТАТИВНЫЙ МП-1
Методика поверки
У1НЯИ.411182.012 МП
МРБ МП.ДЩ -2017

РАЗРАБОТАНО

Зам. главного конструктора
Унитарного предпр ия «Завод СВТ»
С.А. Качаев
2017г.
Минск 2017
Методика поверки
УШЯИ.411182.012 МП (НРБ Р1П.2733-2017}
Содержание
Приложение А Форма протокола поверки мультиметра портативного
Настоящая методика поверки (далее - МП) распространяется на мультиметр портативный МП-1 УШЯИ.411182.012 ТУ (далее - мультиметр) и устанавливает методы и средства первичной и периодической поверок.
Мультиметр предназначен для измерения напряжения постоянного тока, среднего квадратического значения напряжения переменного тока синусоидальной формы, постоянного и переменного токов, электрического сопротивления постоянному току.
Мультиметр подлежит поверке в органах государственной метрологической службы и аккредитованных поверочных лабораториях. Межповерочный интервал - 12 мес.
МП разработана в соответствии с ТКП 8.003.
1 Нормативные ссылки
В настоящей МП использованы ссылки на следующие стандарты:
ТКП 8.003-2011 Система обеспечения единства измерений Республики Беларусь. Поверка средств измерений. Правила проведения работ.
ГОСТ 8.395-80 Государственная система обеспечения единства измерений. Нормальные условия измерений при поверке. Общие требования.
2 Операции и средства поверки
-
2.1 При проведении поверки должны быть выполнены операции и применены средства поверки, указанные в таблице 2.1.
Таблица 2.1
Наименование операции |
Номер пункта МП |
Наименование и тип эталонов, основные технические характеристики |
Проведение операции ПРИ- | |
первичной поверке |
периодической поверке | |||
1 |
2 |
3 |
4 |
5 |
1 Внешний осмотр |
4.1 |
- |
Да |
Да |
2 Определение электрической прочности изоляции |
4.2 |
Универсальная пробойная установка У ПУ-10 (или УПУ-1М):
|
Да |
Нет |
3 Опробование |
4.3 |
Да |
Да |
Продолжение таблицы 2.1
1 |
2 |
з |
4 |
5 |
4 Определение метрологических характеристик | ||||
4.1 Определение основной погрешности измерения напряжения постоянного тока |
4.4.1 |
Прибор для поверки вольтметров программируемый В1-13:
Источник питания постоянного тока Б5-43:
“ 1нагр“ 0,5 А. |
Да |
Да |
4.2 Определение основной погрешности измерения среднего квадратического значения напряжения синусоидальной формы |
4.4.2 |
Прибор для поверки вольтметров переменного тока В1-9:
Блок усиления напряжения Я1В-22:
Источник питания постоянного тока Б5-43 |
Да |
Да |
4.3 Определение основной погрешности измерения силы постоянного тока |
4.4.3 |
Калибратор тока программируемый П321: -1== 200 мкА - 2 А; - погрешность ±0,05 %. Источник питания постоянного тока Б5-43 |
Да |
Да |
4.4 Определение основной погрешности измерения силы переменного тока |
4.4.4 |
Калибратор универсальный Н4-7
Прибор для поверки вольтметров переменного тока В4-9. Блок усиления напряжения Я1 В-22. Источник питания постоянного тока Б5-43. Резистор С2-29В-0,5-10 кОм ± 0,1 %-1,0
Резистор С2-29В-2-4,7 кОм ±0,1 %-1,0 -А ОЖО.467.099 ТУ (2 шт.) |
Да |
Да ; |
Продолжение таблицы 2.1
1 |
2 |
3 |
4 |
5 |
4.5 Определение основной погрешности измерения электрического сопротивления постоянному току |
4.4.5 |
Магазин сопротивлений Р327: -диапазон электрических сопротивлений от 1 Ом до 10 кОм;
Магазин сопротивлений Р4002: -диапазон электрических сопротивлений от 10 кОм до 20 МОм;
Источник питания постоянного тока Б5-43. |
Да |
Да |
5. Контроль условий проведения поверки |
3.1 |
Гигрометр психрометрический ВИТ-1:
Барометр-анероид метеорологический БАММ-1:
|
Да |
Да |
Примечания:
3. Если при проведении той или иной операции поверки получают отрицательный результат, дальнейшую поверку прекращают. |
3 Условия поверки и подготовка к ней
-
3.1 При проведении поверки должны соблюдаться нормальные условия по ГОСТ 8.395:
-
- температура окружающего воздуха, °C (20±5);
-
- относительная влажность воздуха, % от 30 до 80;
-
- атмосферное давление, кПа от 84 до 106;
-
3.2 Мультиметры должны поверяться в помещении, свободном от пыли, паров кислот и щелочей, при отсутствии вибрации и тряски.
-
3.3 Мультиметры перед включением необходимо выдержать в нормальных условиях не менее 2 ч.
-
3.4 Перед проведением поверки выполнить подготовительные работы согласно разделу 7 [1]-
-
4 Проведение поверки
4.1 Внешний осмотр
-
4.1.1 Внешний осмотр мультиметра проводят в следующей последовательности:
-
- проверяют наличие комплекта принадлежностей и эксплуатационной документации согласно разделу «Комплектность» [1];
-
- проверяют отсутствие механических повреждений на корпусе;
-
- проверяют чистоту входных клемм и отсутствие механических повреждений;
-
- проверяют наличие и прочность крепления органов коммутации, четкость фиксации их положения;
-
- проверяют отсутствие отсоединившихся или слабо закрепленных элементов внутри мультиметра (определяют на слух при наклонах мультиметра).
Поверку мультиметра, имеющего дефекты, не проводить.
По результатам осмотра делают отметку в протоколе (приложение А).
4.2 Определение электрической прочности изоляции
-
4.2.1 Определение электрической прочности изоляции цепи питания мультиметра проводят в нормальных условиях применения с помощью универсальной пробойной установки УПУ-1М по следующей методике:
-
- подают от установки УПУ-1М испытательное напряжение между соединенными вместе входными гнездами и корпусом;
-
- испытательное напряжение подают, начиная с 500 В, плавно или равномерно ступенями, не превышающими 10 % от значения испытательного напряжения, в течение 5 - 10 с, пока испытательное напряжение не достигнет максимального значения 2500 В;
-
- изоляция должна находиться под полным испытательным напряжением в течение 1 мин;
-
- результаты поверки считают удовлетворительными, если во время поверки не произошло пробоя или поверхностного перекрытия изоляции.
Появление «коронного» разряда или шума не является признаком дефекта изоляции.
По результатам поверки делают отметку в протоколе (приложение А).
4.3 Опробование
-
4.3.1 Опробование мультиметра проводят в следующей последовательности:
-
- отжимают кнопки переключателей рода тока и физической величины;
-
- включают питание мультиметра;
-
- подсоединяют ко входным клеммам «-1-» и «U,R» измерительные кабели;
-
- нажимают кнопку предела измерений 2 кОм;
-
- соединяют концы кабелей накоротко. На индикаторе должно установиться показание «0,000±0,003». При разомкнутых концах кабеля индикатор должен индицировать режим «Перегрузки» цифрой 1 в старшем разряде и отсутствием индикации в остальных.
В противном случае мультиметр бракуют и направляют в ремонт.
По результатам опробования делают отметку в протоколе (приложение А).
4.4 Определение метрологических характеристик
-
4.4.1 Определение основной погрешности измерения напряжения постоянного тока проводят в точках, указанных в таблице 4.1, в следующей последовательности:
-
1) подготавливают поверяемый мультиметр к измерениям напряжения постоянного тока;
-
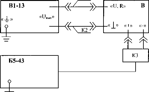
2) соединяют приборы по схеме, приведенной на рисунке 4.1;
-
3) для одной из поверяемых точек No, приведенных в таблице 4.1, устанавливают напряжение прибора В1-13, равное номинальному значению в поверяемой точке No;
-
4) проводят отсчет показаний UB поверяемого мультиметра.
Результаты поверки считают удовлетворительными, если во всех поверяемых точках показания UB поверяемого мультиметра удовлетворяют неравенству |N0-Ag|<|UB|< |N0 + Ag|, (4.1)
где No ± Ag - пределы допускаемых показаний поверяемого мультиметра, указанные в таблице 4.1 для данной поверяемой точки No. Результаты измерений заносят в протокол поверки (приложение А).
К1

В1-13 - прибор для поверки вольтметров программируемый;
Б5-43 - источник питания постоянного тока;
KI, К2 - кабели «К1», «К2» из комплекта поверяемого мультиметра;
КЗ - технологический кабель;
В - поверяемый мультиметр.
Рисунок 4.1 - Схема электрическая соединения приборов для опреде
ления погрешности при измерении напряжения постоянного тока
Таблица 4.1
Предел измерений |
Поверяемая точка No |
Пределы допускаемых значений основной погрешности ±Ag, единиц младшего разряда |
Пределы допускаемых показаний поверяемого мультиметра | |
No-Ag |
No+Ag | |||
200 мВ |
+000,5 мВ |
3 |
+000,2 мВ |
+000,8 мВ |
-000,5 мВ |
3 |
-000,2 мВ |
-000,8 мВ | |
+020,0 мВ |
3,2 |
+019,7 мВ |
+020,3 мВ | |
+100,0 мВ |
4 |
+099,6 мВ |
+100,4 мВ | |
-100,0 мВ |
4 |
-099,6 мВ |
-100,4 мВ | |
+ 190,0 мВ |
5 |
+189,5 мВ |
+190,5 мВ | |
-190,0 мВ |
5 |
-189,5 мВ |
-190,5 мВ | |
2 В |
+0,200 В |
3 |
+0,197 В |
+0,203 В |
+1,000 В |
4 |
+0,996 В |
+1,004 В | |
+ 1,900 В |
5 |
+1,895 В |
+1,905 В | |
-1,900 В |
5 |
-1,895 В |
-1,905 В | |
20 В |
+02,00 В |
3 |
+01,97 В |
+02,03 В |
+10,00 В |
4 |
+09,96 В |
+10,04 В | |
+19,00 В |
5 |
+18,95 В |
+ 19,05 В | |
-19,00В |
5 |
-18,95 В |
-19,05В | |
200 В |
+020,0 В |
3 |
+019,7 В |
+020,3 В |
+100,0 В |
4 |
+099,6 В |
+100,4 В | |
+190,0 В |
5 |
+189,5 В |
+190,5 В | |
-190,0 В |
5 |
-189,5 В |
-190,5 В | |
1000 В |
+0100 В |
3 |
+0097 В |
+0103 В |
+0500 В |
4 |
+0496 В |
+0504 В | |
+0950 В |
4 |
+0946 В |
+0954 В | |
-0950 В |
4 |
-0946 В |
-0954 В |
-
4.4.2 Определение основной погрешности измерения среднего квадратического значения напряжения синусоидальной формы проводят в следующей последовательности:
-
1) подготавливают поверяемый мультиметр к измерениям напряжения переменного тока в соответствии с [1].
Питание мультиметра осуществляется от блока питания Б5-43 при помощи технологического кабеля или элементов питания напряжением 3 В;
-
2) соединяют выходы прибора В1-9 (В 1-9 с блоком Я1 В-22) со входом поверяемого мультиметра «U,R» и «-*-» кабелями «К 1», «К2» из его комплекта;
-
3) на вход поверяемого мультиметра с выхода Bl-9 (В1-9 с блоком Я1В-22) подают напряжение, равное номинальному значению в поверяемой точке No, указанной в таблице 4.2;
-
4) после установления параметров выходного сигнала прибора В1-9 (В 1-9 с блоком Я1В-22) проводят отсчет показания UB поверяемого мультиметра.
Результаты поверки считают удовлетворительными, если во всех поверяемых точках, указанных в таблице 4.2, показания UB поверяемого мультиметра удовлетворяют неравенству
No - Ag < UB < No +-Ag, (4.2)
где No ± Ag - пределы допускаемых показаний поверяемого мультиметра, указанные в таблице 4.2 для данной поверяемой точки No. Результаты измерений заносят в протокол поверки (приложение А).
Таблица 4.2
Предел измерений |
Поверяемая точка No |
Частота выходного сигнала прибора В1-9 (с блоком Я1В-22) |
Пределы допускаемых значений основной погрешности ±Ag, единиц младшего разряда |
Пределы допускаемых показаний поверяемого мультиметра | |
No-Ag |
No+’Ag | ||||
200 мВ |
001,0 мВ |
20 Гц |
40 |
■ 000,0 мВ |
005,0 мВ |
40 Гц |
10 |
000,0 мВ |
002,0 мВ | ||
1 кГц |
10 |
000,0 мВ |
002,0 мВ | ||
5 кГц |
50 |
000,0 мВ |
006,0 мВ | ||
10 кГц |
60 |
000,0 мВ |
007,0 мВ | ||
20 кГц |
141 |
000,0 мВ |
015,1 мВ | ||
020,0 мВ |
20 Гц |
44 |
015,6 мВ |
024,4 мВ | |
40 Гц |
И |
018,9 мВ |
021,1 мВ | ||
1 кГц |
И |
018,9 мВ |
021,1 мВ | ||
5 кГц |
55 |
014,5 мВ |
025,5 мВ | ||
10 кГц |
74 |
012,6 мВ |
027,4 мВ | ||
20 кГц |
156 |
004,4 мВ |
035,6 мВ | ||
100,0 мВ |
20 Гц |
60 |
094,0 мВ |
106,0 мВ | |
40 Гц |
15 |
098,5 мВ |
101,5 мВ | ||
1 кГц |
15 |
098,5 мВ |
101,5 мВ | ||
5 кГц |
75 |
092,5 мВ |
107,5 мВ | ||
10 кГц |
130 |
087,0 мВ |
113,0 мВ | ||
20 кГц |
220 |
078,0 мВ |
122,0 мВ | ||
190,0 мВ |
20 Гц |
78 |
182,2 мВ |
197,8 мВ | |
40 Гц |
19,5 |
188,0 мВ |
192,0 мВ | ||
1 кГц |
19,5 |
188,0 мВ |
192,0 мВ | ||
5 кГц |
97 |
180,3 мВ |
199,7 мВ | ||
170,0 мВ |
10 кГц |
179 |
152,1 мВ |
187,9 мВ | |
20 кГц |
276 |
142,4 мВ |
197,6 мВ | ||
2В |
0,200 В |
20 Гц |
44 |
0,156 В |
0,244 В |
40 Гц |
И |
0,189 В |
0,211 В | ||
1 кГц |
11 |
0,189 В |
0,211 В | ||
5 кГц |
55 |
0,145 В |
0,255 В | ||
10 кГц |
74 |
0,126 В |
0,274 В | ||
20 кГц |
156 |
0,044 В |
0,356 В | ||
1,000 В |
20 Гц |
60 |
0, 940 В |
1,060 В | |
40 Гц |
15 |
0,985 В |
1,015 В | ||
1 кГц |
15 |
0,985 В |
1,015В | ||
5 кГц |
75 |
0,925 В |
1,075 В | ||
10 кГц |
130 |
0,870 В |
1,130В | ||
20 кГц |
220 |
0,780 В |
1,220 В | ||
1,900 В |
20 Гц |
78 |
1,822 В |
1,978 В | |
40 Гц |
19,5 |
1,880 В |
1,920 В | ||
1 кГц |
19,5 |
1,880 В |
1,920 В | ||
5 кГц |
97 |
1,803 В |
1,997 В | ||
1,700 В |
10 кГц |
179 |
1,521 В |
1,879 В | |
20 кГц |
276 |
1,424 В |
1,976 В |
Продолжение таблицы 4.2
Предел измерений |
Поверяемая точка No |
Частота выходного сигнала прибора В1-9 (с блоком Я1 В-22) |
Пределы допускаемых значений основной погрешности ±Ag, единиц младшего разряда |
Пределы допускаемых показаний поверяемого мультиметра | |
No- Ag |
No+ Ag | ||||
20 В |
02,00 В |
20 Гц |
44 |
01,56 В |
02,44 В |
40 Гц |
12 |
01,88 В |
02,12 В | ||
1 кГц |
12 |
01,88В |
02,12 В | ||
10,00 В |
20 Гц |
60 |
09,40 В |
10,60 В | |
40 Гц |
20 |
09,80 В |
10,20 В | ||
1 кГц |
20 |
09,80 В |
10,20 В | ||
19,00 В |
20 Гц |
78 |
18,22 В |
19,78 В | |
40 Гц |
29 |
18,71 В |
19,29 В | ||
1 кГц |
29 |
18,71 В |
19,29 В | ||
200 В |
020,0 В |
20 Гц |
44 |
015,6 В |
024,4 В |
40 Гц |
13 |
018,7 В |
021,3 В | ||
60 Гц |
13 |
018,7 В |
021,3 В | ||
1 кГц |
28 |
017,2 В |
022,8 В | ||
100,0 В |
20 Гц |
60 |
094,0 В |
106,0 В | |
40 Гц |
25 |
097,5 В |
102,5 В | ||
60 Гц |
25 |
097,5 В |
102,5 В | ||
1 кГц |
60 |
094,0 В |
106,0 В | ||
190,0 В |
20 Гц |
44 |
185,6 В |
194,4 В | |
40 Гц |
38,5 |
186,1 В |
193,9 В | ||
60 Гц |
38,5 |
186,1 В |
193,9 В | ||
1 кГц |
96 |
180,4 В |
199,6 В | ||
750 В |
0100 В |
20 Гц |
34 |
0066 В |
0134 В |
40 Гц |
10 |
0090 В |
0110В | ||
60 Гц |
10 |
0090 В |
ОНО В | ||
1 кГц |
22 |
0078 В |
0122 В | ||
0350 В |
20 Гц |
44 |
0306 В |
0394 В | |
40 Гц |
16 |
0334 В |
0366 В | ||
60 Гц |
16 |
0334 В |
0366 В | ||
1 кГц |
57 |
0293 В |
0407 В | ||
0700 В |
20 Гц |
58 |
0642 В |
0758 В | |
40 Гц |
25 |
0675 В |
0725 В | ||
60 Гц |
25 |
0675 В |
0725 В | ||
1 кГц |
106 |
0594 В |
0806 В |
-
4.4.3 Определение основной погрешности измерения силы постоянного тока проводят в следующей последовательности:
-
1) подготавливают поверяемый мультиметр к измерению силы постоянного тока;
-
2) подготавливают прибор П321 к работе в режиме воспроизведения силы постоянного тока согласно [2] и соединяют приборы по схеме рисунка 4.2;
-
3) устанавливают для одной из поверяемых точек Hi поверяемого диапазона выходной ток прибора П321 в соответствии с таблицей 4.3;
-
4) проводят поверку на поверяемых диапазонах во всех поверяемых точках, указанных в таблицах 4.3.
Результаты поверки считают удовлетворительными, если во всех поверяемых точках показания 1в поверяемого мультиметра удовлетворяют неравенству |N0 - Ag| < |IB|< |N0 + Ag|, (4.3)
где No ± Ag - пределы допускаемых показаний поверяемого мультиметра, указанные в таблицах 4.3 для данной поверяемой точки No. Результаты измерений заносят в протокол поверки (приложение А).
К1

П321 - калибратор тока программируемый;
Б5-43 - источник питания;
KI, К2 - кабели из комплекта поверяемого мультиметра;
КЗ - технологический кабель;
В - поверяемый мультиметр.
Рисунок 4.2 - Схема электрическая соединения приборов для определения погрешности при измерении силы постоянного тока на пределах измерений 2; 20; 200; 2000 мА
Таблица 4.3
Предел измерений, мА |
Поверяемая точка No, мА |
Пределы допускаемых значений основной погрешности ±Ag, единиц младшего разряда |
Пределы допускаемых показаний поверяемого мультиметра, мА | |
No-Ag |
No+Ag | |||
2 |
+0,200 |
2,6 |
+0,197 |
+0,203 |
+0,500 |
3,5 |
+0,496 |
+0,504 | |
+1,000 |
5 |
+0,995 |
+1,005 | |
+1,500 |
6,5 |
+1,493 |
+ 1,507 | |
+ 1,900 |
7,7 |
+1,892 |
+ 1,908 | |
-1,900 |
7,7 |
-1,892 |
-1,908 | |
20 |
+02,00 |
2,6 |
+01,97 |
+02,03 |
+ 19,00 |
7,7 |
+ 18,92 |
+19,08 | |
-19,00 |
7,7 |
-18,92 |
-19,08 | |
200 |
+020,0 |
2,6 |
+019,7 |
+020,3 |
+ 190,0 |
7,7 |
+ 189,2 |
+190,8 | |
-190,0 |
7,7 |
-189,2 |
-190,8 | |
2000 |
+0200 |
2,6 |
+0197 |
+0203 |
+1900 |
7,7 |
+ 1892 |
+1908 | |
-1900 |
7,7 |
-1892 |
-1908 |
-
4.4.4 Определение основной погрешности измерения силы переменного тока проводят в следующей последовательности:
-
1) устанавливают согласно [1] режим измерения силы переменного тока;
-
2) соединяют приборы по одной из схем, приведенных на рисунках 4.3, 4.4,
4.5 в зависимости от поверяемой точки.
-
3) рассчитывают выходное напряжение прибора В1-9 по формуле:
UBb,x. = I • (Ядоб. + Яви ), (4.4)
где I - значение силы тока в поверяемой точке;
Ядоб. ~ сопротивление добавочного резистора;
Явн ~ внутреннее сопротивление прибора В1-9, равное 100 Ом - на пределе измерений 2 мА и 10 Ом - на пределе 20 мА.
-
4) на пределах измерения 2 и 20 мА для поверяемой точки No ус. напряжение и частоту выходного сигнала прибора В1-9 (В 1-9 с блоком х соответствии с таблицей 4.4.
После установления параметров выходного сигнала прибора В1-9 проводят отсчет показаний 1в поверяемого мультиметра.
На пределах измерения 200 и 2000 мА для поверяемой точки No устанавливают значение воспроизводимой силы переменного тока и частоту калибратора, равное номинальному значению силы тока в данной поверяемой точке. Проводят отсчет показаний 1в поверяемого мультиметра;
-
5) проводят поверку мультиметра во всех поверяемых точках и на частотах, указанных в таблице 4.4.
Результаты поверки считают удовлетворительными, если во всех поверяемых точках и на частотах, указанных в таблице 4.4, показания поверяемого мультиметра удовлетворяют неравенству
|N0 - Ag| < |IB|< |N0 +Ag|, (4.5)
где No ± Ag - пределы допускаемых показаний поверяемого мультиметра, указанные в таблице 4.4 для данной поверяемой точки No. Результаты измерений заносят в протокол поверки (приложение А).

R - резистор С2-29В-0,5-10 кОм ± 0,1 %-1,0 - А ОЖО.467.099 ТУ;
В1-9 - прибор для поверки вольтметров переменного тока;
Б5-43 - источник питания;
В - поверяемый мультиметр
Рисунок 4.3 - Схема электрическая соединения приборов для определения основной погрешности при измерении силы переменного тока на пределе 2 мА

R - два соединенных последовательно резистора С2-29В-2-4,7 кОм ±0,1 %-1,0 - А ОЖО.467.099 ТУ;
В1-9 с блоком Я1В-2 - прибор для поверки вольтметров переменного тока;
Б5-43 - источник питания;
В - поверяемый мультиметр
Рисунок 4.4 - Схема электрическая соединения приборов для определе
ния основной погрешности при измерении силы переменного тока на пределе 20 мА

Н4-7 - калибратор универсальный;
«К1», «К2» -измерительные кабели (красный, черный) из комплекта поверяемого мультиметра;
В - поверяемый мультиметр.
Рисунок 4.5 - Схема электрическая соединения приборов для определения основной погрешности при измерении силы переменного тока на пределах 200; 2000 мА
Таблица 4.4
Пре дел измерений, мА |
Поверяемая точка No, мА |
Выходное напряжение прибора В1-9 (В 1-9 с блоком Я1 В-22), В |
Частота выходного напряжения |
Пределы допускаемых значений основной погрешности ±Ag, единиц младшего разряда |
Пределы допускаемых показаний поверяемого мультиметра, мА | |
No-Ag |
No+Ag | |||||
2 |
0,200 |
2,02 |
40 Гц |
22 |
0,178 |
0,222 |
0,200 |
2,02 |
60 Гц |
22 |
0,178 |
0,222 | |
0,500 |
5,05 |
40 Гц |
25 |
0,475 |
0,525 | |
0,500 |
5,05 |
60 Гц |
25 |
0,475 |
0,525 | |
1,000 |
10,10 |
40 Гц |
30 |
0,970 |
1,030 | |
1,000 |
10,10 |
60 Гц |
30 |
0,970 |
1,030 | |
1,500 |
15,15 |
40 Гц |
35 |
1,465 |
1,535 | |
1,500 |
15,15 |
60 Гц |
35 |
1,435 |
1,535 | |
1,900 |
19,19 |
40 Гц |
39 |
1,861 |
1,939 | |
1,900 |
19,19 |
60 Гц |
39 |
1,861 |
1,939 | |
20 |
02,00 |
18,82 |
40 Гц |
11 |
01,89 |
02,11 |
02,00 |
18,82 |
450 Гц |
11 |
01,89 |
02,11 | |
10,00 |
94,10 |
40 Гц |
15 |
09,85 |
10,15 | |
10,00 |
94,10 |
450 Гц |
15 |
09,85 |
10,15 | |
19,00 |
178,79 |
40 Гц |
19,5 |
18,80 |
19,20 | |
19,00 |
178,79 |
450 Гц |
19,5 |
18,80 |
19,20 | |
200 |
020,0 |
40 Гц |
12 |
018,8 |
021,2 | |
020,0 |
1 кГц |
12 |
018,8 |
021,2 | ||
100,0 |
40 Гц |
20 |
098,0 |
102,0 | ||
100,0 |
1 кГц |
20 |
098,0 |
102,0 | ||
190,0 |
40 Гц |
29 |
187,1 |
192,9 | ||
190,0 |
1 кГц |
29 |
187,1 |
192,9 | ||
2000 |
0200 |
40 Гц |
12 |
0188 |
0212 | |
0200 |
1 кГц |
12 |
0188 |
0212 | ||
1000 |
40 Гц |
20 |
0980 |
1020 | ||
1000 |
1 кГц |
20 |
0980 |
1020 | ||
1900 |
40 Гц |
29 |
1871 |
1929 | ||
1900 |
1 кГц |
29 |
1871 |
1929 |
-
4.4.5 Определение основной погрешности измерения электрического сопротивления постоянному току проводят в точках No, приведенных в таблице 4.6, в следующей последовательности:
-
1) подготавливают поверяемый мультиметр к измерению сопротивления постоянному току. Питание мультиметра осуществляют от источника питания Б5-43;
-
2) подсоединяют ко входу «U,R» и «-*-» поверяемого мультиметра кабелями «К1», «К2» эталонную меру, указанную в таблице 4.5 для данной поверяемой точки No;
-
3) устанавливают сопротивление эталонной меры равным номинальному значению в поверяемой точке No, указанной в таблице 4.5.
При определении основной погрешности при измерении сопротивления менее 200 Ом учитывают сопротивление измерительных кабелей мультиметра, для чего перед измерениями соединяют концы измерительных кабелей накоротко и запоминают показание RK. Проводят вычитание значений RK из показаний RB в поверяемых точках до 200 Ом;
-
4) проводят отсчет показания RB поверяемого мультиметра.
Результаты поверки считают удовлетворительными, если во всех поверяемых точках, указанных в таблице 4.5, показания RB или RB - RK поверяемого мультиметра удовлетворяют неравенству
No - Ag<RB<N0 + Ag, (4.6)
где No ± Ag - пределы допускаемых показаний поверяемого мультиметра, указанные в таблице 4.5 для данной поверяемой точки No.
Результаты измерений заносят в протокол поверки (приложение А).
Таблица 4.5
Предел измерений |
Поверяемая точка No |
Эталонная мера |
Пределы допускае мых значений основной погрешности ±Ag, единиц младшего разряда |
Пределы допускаемых показаний поверяемого мультиметра | |
No -Ag |
No +-Ag | ||||
200 Ом |
001,0 Ом |
Р327 |
10 |
000,0 Ом |
002,0 Ом |
020,0 Ом |
Р327 |
11 |
018,9 Ом |
021,1 Ом | |
100,0 Ом |
Р327 |
15 |
098,5 Ом |
101,5 Ом | |
190,0 Ом |
Р327 |
19,5 |
188,0 Ом |
192,0 Ом | |
2 кОм |
0,200 кОм |
Р327 |
2,2 |
0,198 кОм |
0,202 кОм |
1,000 кОм |
Р327 |
3 |
0,997 кОм |
1,003 кОм | |
1,900 кОм |
Р327 |
4 |
1,896 кОм |
1,904 кОм | |
20 кОм |
02,00 кОм |
Р327 |
2,2 |
01,98 кОм |
02,02 кОм |
10,00 кОм |
Р327 |
3 |
09,97 кОм |
10,03 кОм | |
19,00 кОм |
Р327 |
4 |
18,96 кОм |
19,04 кОм | |
200 кОм |
020,0 кОм |
Р4002 |
2,2 |
019,8 кОм |
020,2 кОм |
100,0 кОм |
Р4002 |
3 |
099,7 кОм |
100,3 кОм | |
190,0 кОм |
Р4002 |
4 |
189,6 кОм |
190,4 кОм | |
2000 кОм |
0200 кОм |
Р4002 |
6 |
0194 кОм |
0206 кОм |
1000 кОм |
Р4002 |
7 |
0993 кОм |
1007 кОм | |
1900 кОм |
Р4002 |
8 |
1892 кОм |
1908 кОм | |
20 МОм |
02,00 МОм |
Р4002 |
11,6 |
01,88 МОм |
02,12 МОм |
10,00 МОм |
Р4002 |
18 |
09,82 МОм |
10,18 МОм | |
19,00 МОм |
Р4002 |
25 |
18,75 МОм |
19,25 МОм |
5 Оформление результатов поверки
-
5.1 Результаты поверки заносят в протокол поверки, рекомендуемая форма которого приведена в приложении А.
-
5.2 Положительные результаты поверки мультиметра удостоверяются нанесением оттиска поверительного клейма и выдачей свидетельства о поверке по форме приложения Г ТКП 8.003.
-
5.3 При отрицательных результатах поверки мультиметр признают непригодным к применению, поверительное клеймо гасится, свидетельство о поверке аннулируется, выписывается заключение о непригодности по форме приложения Г ТКП 8.003 или делается соответствующая запись в технической документации.
Приложение А
(рекомендуемое)
Форма протокола поверки мультиметра
Протокол №____
поверки мультиметра портативного МП-1
Заводской номер мультиметра____________________________________
Наименование организации, проводившей поверку_________________
Наименование предприятия-владельца мультиметра_________________
Методика поверки______________________________________________
А.1 Условия поверки:
(Ъ-,.
-
- температура окружающего воздуха __________ С;
-
- относительная влажность воздуха __________%;
атмосферное давление
___________кПа;
А.2 Средства поверки
Таблица А.1
Наименование СИ |
Тип СИ |
Заводской номер |
Свидетельство о поверке |
А.З Проведение поверки
Таблица А.2
Наименование операций |
Номер пункта МП |
Заключение о соответствии требованиям МП |
Внешний осмотр |
3.1 | |
Определение электрической прочности изоляции |
3.2 | |
Опробование мультиметра |
3.3 |
А.4 Определение метрологических характеристик
А.4.1 Определение основной погрешности измерения напряжения постоянного тока (п. 3.4.1).
Результаты поверки приведены в таблице А.З.
Таблица А.З
Предел измерений |
Поверяемая точка No |
Показания поверяемого мультиметра, В |
Пределы допускаемых показаний поверяемого мультиметра | |
No-Ag |
N0+Ag | |||
200 мВ |
+000,5 мВ |
+000,2 мВ |
+000,8 мВ | |
-000,5 мВ |
-000,2 мВ |
-000,8 мВ | ||
+020,0 мВ |
+019,7 мВ |
+020,3 мВ | ||
+100,0 мВ |
+099,6 мВ |
+100,4 мВ | ||
-100,0 мВ |
-099,6 мВ |
-100,4 мВ | ||
+190,0 мВ |
+189,5 мВ |
+190,5 мВ | ||
-190,0 мВ |
-189,5 мВ |
-190,5 мВ | ||
2В |
+0,200 В |
+0,197 В |
+0,203 В | |
+1,000 В |
+0,996 В |
+1,004 В | ||
+1,900 В |
+1,895 В |
+1,905 В | ||
-1,900 В |
-1,895 В |
-1,905 В | ||
20 В |
+02,00 В |
+01,97 В |
+02,03 В | |
+10,00 В |
+09,96 В |
+10,04 В | ||
+19,00 В |
+18,95 В |
+19,05 В | ||
-19,00 В |
-18,95 В |
-19,05 В | ||
200 В |
+020,0 В |
+019,7 В |
+020,3 В | |
+ 100,0 В |
+099,6 В |
+100,4 В | ||
+190,0 В |
+189,5 В |
+190,5 В | ||
-190,0 В |
-189,5 В |
-190,5 В | ||
1000 В |
+0100 В |
+0097 В |
+0103 В | |
+0500 В |
+0496 В |
+0504 В | ||
+0950 В |
+0946 В |
+0954 В | ||
-0950 В |
-0946 В |
-0954 В |
А.4.2 Определение основной погрешности измерения среднего квадратического значения напряжения синусоидальной формы (п. 3.4.2)
Результаты поверки приведены в таблице А.4.
Таблица А.4
Предел измерений |
Поверяемая точка No |
Частота выходного сигнала прибора В1-9 (с блоком Я1 В-22) |
Показания поверяемого мультиметра |
Пределы допускаемых показаний поверяемого мультиметра | |
No-Ag |
No+-Ag | ||||
200 мВ |
001,0 мВ |
20 Гц |
000,0 мВ |
005,0 мВ | |
40 Гц |
000,0 мВ |
002,0 мВ | |||
1 кГц |
000,0 мВ |
002,0 мВ | |||
5 кГц |
000,0 мВ |
006,0 мВ | |||
10 кГц |
000,0 мВ |
007,0 мВ | |||
20 кГц |
000,0 мВ |
015,1 мВ | |||
020,0 мВ |
20 Гц |
015,6 мВ |
024,4 мВ | ||
40 Гц |
018,9 мВ |
021,1 мВ | |||
1 кГц |
018,9 мВ |
021,1 мВ | |||
5 кГц |
014,5 мВ |
025,5 мВ | |||
10 кГц |
012,6 мВ |
027,4 мВ | |||
20 кГц |
004,4 мВ |
035,6 мВ | |||
100,0 мВ |
20 Гц |
094,0 мВ |
106,0 мВ | ||
40 Гц |
098,5 мВ |
101,5 мВ | |||
1кГц |
098,5 мВ |
101,5 мВ | |||
5 кГц |
092,5 мВ |
107,5 мВ | |||
10 кГц |
087,0 мВ |
113,0 мВ | |||
20 кГц |
078,0 мВ |
122,0 мВ | |||
190,0 мВ |
20 Гц |
182,2 мВ |
197,8 мВ | ||
40 Гц |
188,0 мВ |
192,0 мВ | |||
1 кГц |
188,0 мВ |
192,0 мВ | |||
5 кГц |
180,3 мВ |
199,7 мВ | |||
170,0 мВ |
10 кГц |
152,1 мВ |
187,9 мВ | ||
20 кГц |
142,4 мВ |
197,6 мВ | |||
2В |
0,200 В |
20 Гц |
0,156 В |
0,244 В | |
40 Гц |
0,189 В |
0,211 В | |||
1 кГц |
0,189 В |
0,211 В | |||
5 кГц |
0,145 В |
0,255 В | |||
10 кГц |
0,126 В |
0,274 В | |||
20 кГц |
0,044 В |
0,356 В | |||
1,000 В |
20 Гц |
0, 940 В |
1,060 В | ||
40 Гц |
0,985 В |
1,015 В | |||
1 кГц |
0,985 В |
1,015 В | |||
5 кГц |
0,925 В |
1,075 В | |||
10 кГц |
0,870 В |
1,130В | |||
20 кГц |
0,780 В |
1,220 В | |||
1,900 В |
20 Гц |
1,822 В |
1,978 В | ||
40 Гц |
1,880 В |
1,920 В | |||
1 кГц |
1,880 В |
1,920 В | |||
5 кГц |
1,803 В |
1,997 В | |||
1,700 В |
10 кГц |
1,521 В |
1,879 В | ||
20 кГц |
1,424 В |
1,976 В |
Продолжение таблицы А.4
Предел измерений |
Поверяемая точка No |
Частота выходного сигнала прибора В1-9 (с блоком Я1В-22) |
Показания поверяемого мультиметра |
Пределы допускаемых показаний поверяемого мультиметра | |
No-Ag |
No + Ag | ||||
20 В |
02,00 В |
20 Гц |
01,56 В |
02,44 В | |
40 Гц |
01,88 В |
02,12 В | |||
1 кГц |
01,88 В |
02,12 В | |||
10,00 В |
20 Гц |
09,40 В |
10,60 В | ||
40 Гц |
09,80 В |
10,20 В | |||
1 кГц |
09,80 В |
10,20 В | |||
19,00 В |
20 Гц |
18,22 В |
19,78 В | ||
40 Гц |
18,71 В |
19,29 В | |||
1 кГц |
18,71 В |
19,29 В | |||
200 В |
020,0 В |
20 Гц |
015,6 В |
024,4 В | |
40 Гц |
018,7 В |
021,3 В | |||
60 Гц |
018,7В |
021,3 В | |||
1 кГц |
017,2 В |
022,8 В | |||
100,0 В |
20 Гц |
094,0 В |
106,0 В | ||
40 Гц |
097,5 В |
102,5 В | |||
60 Гц |
097,5 В |
102,5 В | |||
1 кГц |
094,0 В |
106,0 В | |||
190,0 В |
20 Гц |
185,6 В |
194,4 В | ||
40 Гц |
186,1 В |
193,9 В | |||
60 Гц |
186,1 В |
193,9 В | |||
1 кГц |
180,4 В |
199,6 В | |||
750 В |
0100 В |
20 Гц |
0066 В |
0134В | |
40 Гц |
0090 В |
0110В | |||
60 Гц |
0090 В |
0110В | |||
1 кГц |
0078 В |
0122 В | |||
0350 В |
20 Гц |
0306 В |
0394 В | ||
40 Гц |
0334 В |
0366 В | |||
60 Гц |
0334 В |
0366 В | |||
1 кГц |
0293 В |
0407 В | |||
0700 В |
20 Гц |
0642 В |
0758 В | ||
40 Гц |
0675 В |
0725 В | |||
60 Гц |
0675 В |
0725 В | |||
1 кГц |
0594 В |
0806 В |
А.4.3 Определение основной погрешности измерения силы постоянного тока (3.4.3)
Результаты поверки приведены в таблицах А.5.
Таблица А.5
Предел измерений, мА |
Поверяемая точка No, мА |
Показания поверяемого мультиметра, мА |
Пределы допускаемых показаний поверяемого мультиметра, мА | |
No-Ag |
No+Ag | |||
2 |
+0,200 |
+0,197 |
+0,203 | |
+0,500 |
+0,496 |
+0,504 | ||
+1,000 |
+0,995 |
+1,005 | ||
+1,500 |
+1,493 |
+1,507 | ||
+1,900 |
+1,892 |
+1,908 | ||
-1,900 |
-1,892 |
-1,908 | ||
20 |
+02,00 |
+01,97 |
+02,03 | |
+19,00 |
+18,92 |
+19,08 | ||
-19,00 |
-18,92 |
-19,08 | ||
200 |
+020,0 |
+019,7 |
+020,3 | |
+190,0 |
+189,2 |
+190,8 | ||
-190,0 |
-189,2 |
-190,8 | ||
2000 |
+0200 |
+0197 |
+0203 | |
+1900 |
+1892 |
+1908 | ||
-1900 |
-1892 |
-1908 |
А.4.4 Определение основной погрешности измерения силы переменного тока (п. 3.4.4)
Результаты поверки приведены в таблице А.6.
Таблица А.6
Пре дел измерений, мА |
Поверяемая точка No, мА |
Выходное напряжение прибора В1-9 (В 1-9 с блоком Я1 В-22), В |
Частота выходного напряжения |
Показания поверяемого мультиметра, мА |
Пределы допускаемых показаний поверяемого мультиметра, мА | |
No-Ag |
No+Ag | |||||
2 |
0,200 |
2,02 |
40 Гц |
0,178 |
0,222 | |
0,200 |
2,02 |
60 Гц |
0,178 |
0,222 | ||
0,500 |
5,05 |
40 Гц |
0,475 |
0,525 | ||
0,500 |
5,05 |
60 Гц |
0,475 |
0,525 | ||
1,000 |
10,10 |
40 Гц |
0,970 |
1,030 | ||
1,000 |
10,10 |
60 Гц |
0,970 |
1,030 | ||
1,500 |
15,15 |
40 Гц |
1,465 |
1,535 | ||
1,500 |
15,15 |
60 Гц |
1,435 |
1,535 | ||
1,900 |
19,19 |
40 Гц |
1,861 |
1,939 | ||
1,900 |
19,19 |
60 Гц |
1,861 |
1,939 | ||
20 |
02,00 |
18,82 |
40 Гц |
01,89 |
02,11 | |
02,00 |
18,82 |
450 Гц |
01,89 |
02,11 | ||
10,00 |
94,10 |
40 Гц |
09,85 |
10,15 | ||
10,00 |
94,10 |
450 Гц |
09,85 |
10,15 | ||
19,00 |
178,79 |
40 Гц |
18,80 |
19,20 | ||
19,00 |
178,79 |
450 Гц |
18,80 |
19,20 | ||
200 |
020,0 |
40 Гц |
018,8 |
021,2 | ||
020,0 |
1 кГц |
018,8 |
021,2 | |||
100,0 |
40 Гц |
098,0 |
102,0 | |||
100,0 |
1 кГц |
098,0 |
102,0 | |||
190,0 |
40 Гц |
187,1 |
192,9 | |||
190,0 |
1 кГц |
187,1 |
192,9 | |||
2000 |
0200 |
40 Гц |
0188 |
0212 | ||
0200 |
1 кГц |
0188 |
0212 | |||
1000 |
40 Гц |
0980 |
1020 | |||
1000 |
1 кГц |
0980 |
1020 | |||
1900 |
40 Гц |
1871 |
1929 | |||
1900 |
1 кГц |
1871 |
1929 |
А.4.5 Определение основной погрешности измерения электрического сопротивления постоянному току (п. 3.4.5).
Результаты поверки приведены в таблице А.7.
Таблица А.7
Предел измерений |
Поверяемая точка No |
Эталонная мера |
Показания поверяемого мультиметра |
Пределы допускаемых показаний поверяемого мультиметра | |
No-Ag |
No +-Ag | ||||
200 Ом |
001,0 Ом |
Р327 |
000,0 Ом |
002,0 Ом | |
020,0 Ом |
Р327 |
018,9 Ом |
021,1 Ом | ||
100,0 Ом |
Р327 |
098,5 Ом |
101,5 Ом | ||
190,0 Ом |
Р327 |
188,0 Ом |
192,0 0м | ||
2 кОм |
0,200 кОм |
Р327 |
0,198 кОм |
0,202 кОм | |
1,000 кОм |
Р327 |
0,997 кОм |
1,003 кОм | ||
1,900 кОм |
Р327 |
1,896 кОм |
1,904 кОм | ||
20 кОм |
02,00 кОм |
Р327 |
01,98 кОм |
02,02 кОм | |
10,00 кОм |
Р327 |
09,97 кОм |
10,03 кОм | ||
19,00 кОм |
Р327 |
18,96 кОм |
19,04 кОм | ||
200 кОм |
020,0 кОм |
Р4002 |
019,8 кОм |
020,2 кОм | |
100,0 кОм |
Р4002 |
099,7 кОм |
100,3 кОм | ||
190,0 кОм |
Р4002 |
189,6 кОм |
190,4 кОм | ||
2000 кОм |
0200 кОм |
Р4002 |
0194 кОм |
0206 кОм | |
1000 кОм |
Р4002 |
0993 кОм |
1007 кОм | ||
1900 кОм |
Р4002 |
1892 кОм |
1908 кОм | ||
20 МОм |
02,00 МОм |
Р4002 |
01,88 МОм |
02,12 МОм | |
10,00 МОм |
Р4002 |
09,82 МОм |
10,18 МОм | ||
19,00 МОм |
Р4002 |
18,75 МОм |
19,25 МОм |
Заключение по результатам поверки__________________________________
Поверитель__________ ________________
подпись (расшифровка подписи)
Дата поверки «_____»______________20 г.
Библиография
-
[1] Руководство по эксплуатации мультиметра портативного МП-1 УШЯИ.411182.012 РЭ
-
[2] Руководство по эксплуатации прибора измерительного П-321 2г2.135.042 РЭ