Методика поверки «КАЛИБРАТОРЫ ДАВЛЕНИЯ DPI фирмы “GE Sensing”, Великобритания» (МП 25511-0007-2009)
УТВЕРЖДАЮ gjj^SO^renb ГЦИ СИ ФГУП .Д.$.Менделеева”
Н.И. Ханов
ЙЙЯ^ЙЙ^Декабря 2009 г.
КАЛИБРАТОРЫ ДАВЛЕНИЯ DPI фирмы “GE Sensing”, Великобритания Методика поверки 25511-0007-2009
Руководитель сектора ГЦИ СИ ФГУП
«ВНИИМ им.Д.И.Менделеева»
В.А.Цвелик
Санкт-Петербург 2009г.
Настоящая методика распространяется на калибраторы давления DPI (модификаций DPI 320, DPI 325, DPI 330, DPI 335, DPI 515, DPI 605, DPI 610, DPI 615, DPI 620) co встроенными внутренними и внешними измерительными преобразователями давления (далее - калибраторы), предназначенные для измерения и воспроизведения отрицательного и положительного избыточного, атмосферного, абсолютного давления и разности давлений; измерения и воспроизведения параметров постоянного электрического тока (напряжение, ток, сопротивление) при проведении поверки и калибровки измерительных преобразователей давления и манометров и устанавливает методы и средства их первичной и периодической поверки.
Межповерочный интервал - 1 год.
-
1. ОПЕРАЦИИ И СРЕДСТВА ПОВЕРКИ
При проведении поверки должны выполняться операции и применяться эта
лонные средства измерений, указанные в табл.1 и 2. Таблица 1.
|
Наименование и последовательность операций |
Номер пункта методики поверки |
Обязательность проведения операции | |
|
Первичной поверки |
Периодической поверки | ||
|
1 Внешний осмотр |
6.1 |
+ |
+ |
|
2 Опробование |
6.2 |
+ |
+ |
|
3 Определение абсолютной погрешности измерения и воспроизведения напряжения, силы постоянного тока, сопротивления постоянному току, частоты. |
6.3 |
+ |
+ |
|
4 Определение абсолютной погрешности измерения и воспроизведения выходных сигналов термопар и термометров сопротивления |
6.4 |
+ | |
|
5 Определение приведенной погрешности измерения давления |
6.5 |
+ |
+ |
Таблица 2.
|
№ п/п |
Наименование операций |
Номер пункта |
Эталонные средства измерений и их технические характеристики |
|
1 |
2 |
3 |
4 |
|
1 |
Внешний осмотр, проверка комплектности. |
6.1 |
Визуально. |
|
2 |
Опробование. |
6.2 |
Калибратор-вольтметр В1-12 4-го разряда; режим источника калиброванных напряжений 0...600 мВ; 0...60 В. |
|
1 |
2 |
3 |
4 |
|
3 |
Определение абсолютной погрешности измерения и воспроизведения напряжения, силы постоянного тока, сопротивления постоянному току, частоты. |
6.3 |
Калибратор-вольтметр В1 -12; Частотомер электронно-счетный 43-63, ПГ 5x10'7 %; Калибратор тока программируемый П-321 1-го разряда; режим источника калиброванных токов О...52мА; Калибратор напряжений РЗООЗ, КТ 0,0005; Катушка Р331, 100 Ом, 3-го разряда; Мера электрического сопротивления Р3026-1; 0...390 Ом; КТ 0,002/1, 5х10'6; Омметр цифровой Щ-306-1, 20.. .100 Ом ПГ 0,04/0,0025 %, 100...2000 Ом ПГ 0,05/0,005 %; Генератор сигналов низкочастотный прецизионный ГЗ-110; 10... 10000 Гц, ПГ ЗхЮ'7 %. |
|
4 |
Определение основной погрешности измерения и воспроизведения выходных сигналов термопар и термометров сопротивления |
6.4 |
Калибратор-вольтметр В1-12; Калибратор напряжений Р-3003; Омметр цифровой Щ-306-1; Мера электрического сопротивления Р-3026-1. |
|
5 |
Определение приведенной погрешности измерения давления |
6.5 |
Рабочие эталоны избыточного давления нулевого разряда с диапазонами измерений (0,04 - 0,6) МПа, (0,1 - 6) МПа, (1,25 - 60) МПа, СКО результата измерений 2x10’5, манометры грузопоршневые МП-2,5; МП-6; МП-60; МП-600; МП-2500 класса точности 0,01; рабочий эталон абсолютного давления нулевого разряда, диапазон измерений (0,3-250) кПа, СКО результата измерений (1,3-2,5)Па; манометр абсолютного давления МАД-ЗМ 1-го разряда, диапазон измерений (0,27 - 290) кПа, погрешность ±6,7 Па в диапазоне (0,27 - 130) кПа; ±13 Па в диапазоне (130 - 290) кПа; манометр абсолютного давления МПА-15 1 разряда, диапазон измерений (0 - 400) кПа, погрешность ±6,7 Па в диапазоне (0 - 20) кПа; ±13,3 Па в диапазоне (20 - 133) кПа; ±0,01% от действительного значения измеряемого давления в диапазоне (133 - 400) кПа; |
|
1 |
2 |
3 |
4 |
|
манометр абсолютного и избыточного давления МАД - 720, диапазон измерений абсолютного и избыточного давления (0,3 - 720) кПа; абсолютная погрешность ±5 Па в диапазоне (0,3 -100) кПа; относительная погрешность ±0,005% в диапазоне (100 - 720) кПа; манометр абсолютного и избыточного давления МАД - 40, диапазон измерений (0,001 - 4) МПа; погрешность +20 Па в диапазоне (0,001 - 0,4) МПа; ±0,005% в диапазоне (0,4 - 4) МПа; задатчик давления "Воздух-2,5", диапазон измерений (0,75 - 250) кПа; относительная погрешность ±0,01%; микроманометр ПМКМ-4, диапазон измерений (0 - 4) кПа; относительная погрешность ±0,01%; барометр М-67, диапазон измерений (610 - 800) мм рт. ст.; погрешность измерения ±0,8 мм рт. ст.; термометр ртутный стеклянный лабораторный по ГОСТ 215-73, диапазон измерений 0 - 55 °C; пределы допускаемой погрешности ±0,2 °C; психрометр аспирационный М-34, диапазон измерений (10 - 100) %; погрешность ±4% в диапазоне (30 - 80) %; ±2% в диапазоне (80 - 100) %. |
Примечание. Допускается применение других эталонных средств измерений, с техническими характеристиками не хуже указанных выше.
-
2. ТРЕБОВАНИЯ К КВАЛИФИКАЦИИ ПОВЕРИТЕЛЕЙ
-
2.1 Поверка калибратора проводится квалифицированным персоналом лабораторий, аккредитованных в установленном порядке.
-
2.2 Поверку калибратора должен выполнять поверитель, прошедший инструктаж по технике безопасности, освоивший работу с калибратором и используемыми эталонами, изучивший настоящую методику. Поверитель должен быть аттестован в соответствии с ПР 50.2.012-94 «ГСИ. Порядок аттестации поверителей средств измерений».
-
-
3. ТРЕБОВАНИЯ БЕЗОПАСНОСТИ
-
3.1 При проведении поверки следует соблюдать требования безопасности, предусмотренные “Правилами технической эксплуатации электроустановок потребителей и правилами техники безопасности при эксплуатации электроустановок потребителей"; указаниями по технике безопасности, приведенными в эксплуатационной документации на поверяемый калибратор, эталонные средства измерений.
-
3.2 Помещение, предназначенное для поверки калибраторов, должно быть оборудовано установками пожарной сигнализации и пожаротушения по ГОСТ 12.4.009-83 и оснащено общеобменной приточной и вытяжной вентиляцией, вытяжными и несгораемыми шкафами для хранения небольшого количества бензина и керосина.
-
3.3 При поверке необходимо соблюдать санитарные правила и инструкции для обращения с легковоспламеняющимися и горючими веществами.
-
3.4 В помещении запрещается применять открытый огонь.
-
3.5 Запрещается создавать давление, превышающее верхний предел измере-• ний поверяемого калибратора.
-
3.6 Запрещается отсоединять калибратор от источника давления при значении давления более 5 % от его верхнего предела измерения.
-
-
4. УСЛОВИЯ ПОВЕРКИ
-
4.1 При проведении поверки должны быть соблюдены следующие условия.
-
4.1.1 Температура окружающего воздуха должна быть 20 °C с допускаемым отклонением ± 5 °C.
-
-
В процессе выдержки в лабораторных условиях и измерений температура окружающего воздуха должна оставаться постоянной или изменяться не более 1 °C в час.
-
4.1.2 Относительная влажность окружающего воздуха должна быть от 30 до 80%.
-
4.1.3 Скорость изменения измеряемого давления не должна превышать 5% от верхнего предела измерений калибратора в секунду, изменение давления должно быть монотонным.
-
4.1.4 Напряжение сети, В 220
-
4.1.5 Частота, Гц 50 ± 1
-
4.1.6 Атмосферное давление, кПа 84-106
-
4.2 Диапазон измерений эталона давления должен обеспечивать выполнение следующих условий:
Рэн < 0,06 Рв
Рэв > Рв
где Рэв и Рэк - нижний и верхний пределы измерений эталона Рв - верхний предел измерений поверяемого калибратора
5.3. При выборе эталона давления должно быть соблюдено следующее условие:
Д0/рв • 100 < сср у
где До - предел допускаемой абсолютной погрешности эталона;
сср - отношение предела допускаемой абсолютной погрешности эталона к пределу допускаемой абсолютной погрешности поверяемого калибратора (сср < 0,4);
у - пределы допускаемой приведенной погрешности поверяемого калибратора.
-
5. ПОДГОТОВКА К ПОВЕРКЕ
-
5.1 Перед проведением поверки должны быть выполнены следующие подготовительные работы.
-
5.1.1 Поверяемый калибратор выдерживают при температуре окружающего воздуха в помещении для поверки не менее:
-
-
12 ч- при разнице температур воздуха в помещении для поверки и местом, откуда вносится калибратор, более 10 °C;
1 ч - при разнице температур воздуха в помещении для поверки и местом, откуда вносится калибратор, от 1 до 10 °C.
При разнице указанных температур менее 1 °C выдержка не требуется.
-
5.2 Перед поверкой необходимо выдержать калибратор под давлением, равным верхнему пределу измерений, в течение 5 мин., затем, снизив давление до нуля, откорректировать, при необходимости, нулевое показание калибратора.
-
5.3 Проверку герметичности калибраторов абсолютного давления с верхним пределом измерения менее 200 кПа проводят при давлении 5 кПа, у остальных калибраторов абсолютного давления - при давлении, равном верхнему пределу измерений- Герметичность калибраторов положительного и отрицательного избыточного давления проверяют на верхнем пределе измерений положительного избыточного давления.
При данном давлении калибратор выдерживают три минуты. В течение последующих двух минут не должно наблюдаться изменение давления, при этом изменение температуры не должно превышать 0,1 °C.
6 ПРОВЕДЕНИЕ ПОВЕРКИ
-
6.1 Внешний осмотр
При проведении внешнего осмотра должно быть установлено соответствие калибратора следующим требованиям:
-
• наличие эксплуатационной документации и НТД на методику поверки калибратора;
-
• маркировка и комплектность должны соответствовать эксплуатационной документации;
-
• на калибровке не должно быть механических повреждений и дефектов, ухудшающих внешний вид и влияющих на работоспособность.
-
6.2 Опробование
-
6.2.1 Калибратор готов к работе после включения питания, завершения процедуры самодиагностики и «цвухминутного прогрева.
-
6.2.2 На вход калибратора подать плавно изменяющийся сигнал напряжения постоянного тока и убедиться, что в каждом из индикаторов экрана включается каждый из предусмотренных в нем символов.
-
6.3 Определение абсолютной погрешности измерения и воспроизведения напряжения, силы постоянного тока, сопротивления постоянному току, частоты производится в точках, приведенных в приложении А.
Для каждой поверяемой точки выполняются операции, указанные ниже.
-
6.3.1 Устанавливают значение физической величины, подаваемой на соответствующий измерительный вход или снимаемой с соответствующего выхода калибратора, равное значению очередной поверяемой точки.
-
6.3.2 Регистрируют показания прибора, измеряющего задаваемую физическую величину.
-
6.3.3 Результат считается положительным, если показания прибора находятся в пределах допускаемых значений, указанных в соответствующих таблицах приложения А.
-
6.3.4 Если это условие не выполняется хотя бы в одной поверяемой точке, то калибратор бракуют.
-
6.4 Определение абсолютной погрешности измерения и воспроизведения выходных сигналов термопар и термометров сопротивления
-
6.4.1 В режимах работы “Измерение44 и “Воспроизведение44 выходных сигналов термопар поверка производится при ручном (manual) методе компенсации холодного спая термопары и температуре холодного спая равной О °C.
Определение погрешности производят по номинальным статическим характеристикам (НСХ), перечисленным в спецификации (меню) калибратора и удовлетворяющим требованиям ГОСТ Р 8.585-2001 для НСХ термопар и требованиям ГОСТ 6651-94 для НСХ термопреобразователей (термометров) сопротивления в соответствии с температурной шкалой МТШ-90.
Паразитные т.э.д.с. измерительных проводов и контактов эталонных приборов не должны превышать 0,3 мкВ.
Определение погрешности производится не менее, чем в шести точках, равномерно распределенных во всем поверяемом диапазоне измерения или воспроизведения.
Для каждой поверяемой точки режимов «Измерение» и «Воспроизведение» выполняются операции, указанные ниже.
-
6.4.2 В режиме работы “Измерение44 на эталонных средствах измерений устанавливают значение напряжения (для термопар) или значение сопротивления (для термометров сопротивления), соответствующее поверяемой точке. Показания поверяемого калибратора должны находиться в пределах допускаемых значений, указанных в приложении А.
Если это условие не выполняется хотя бы в одной точке, то калибратор бракуется.
-
6.4.3 В режиме работы “Воспроизведение44 на калибраторе задают значение температуры (в целых градусах), соответствующее поверяемой точке для выбранной НСХ термопары или термометра сопротивления. Эталонным прибором измеряют значение напряжения постоянного тока для термопар или значение сопротивления постоянному току для термометров сопротивления.
Измеренные значения должны находиться в пределах допускаемых значений, указанных в приложении А.
-
6.4.4 Если это условие не выполняется хотя бы в одной точке, то калибратор бракуют.
-
6.5 Определение приведенной погрешности измерения давления.
-
6.5.1 Для определения погрешности канала измерений давления его подключают к эталонному средству измерений и к источнику давления. В качестве рабочей среды используется до 2 МПа - воздух; от 2 до 6 МПа - трансформаторное масло; от 6 до 40 МПа - веретенное или индустриальное масло; свыше 40 МПа -масла МС-10 или МС-20. В случае, когда эталон и поверяемое средство работают в разных средах, необходимо использовать разделители. Допускается использовать в качестве рабочей среды деминерализованную воду.
-
6.5.2 Перед определением погрешности каналов положительного и отрицательного избыточного давления следует подать и сбросить давление, равное 80-100% от верхнего предела измерений давления. После этого, при необходимости, произвести обнуление. Приборы абсолютного давления выдерживают в пределах от 0 до 10 % верхнего предела измерений.
-
6.5.3 Погрешность канала абсолютного давления и каналов, измеряющих только положительное избыточное давление, определяют при пяти значениях давления, равномерно распределенных в диапазоне измерений, включая значение, соответствующее верхнему пределу измерений.
Погрешность каналов положительного и отрицательного избыточного давления определяют отдельно для положительного и отрицательного давления. Значение 100 кПа отрицательного избыточного давления разрешается заменять значением 95 кПа.
Допускается периодическую поверку каналов положительного и отрицательного избыточного давления проводить только при измерении положительного избыточного давления.
-
6.5.4 Погрешность определяют при значении измеряемой величины, полученной при приближении к нему как от меньших значений к большим, так и от больших к меньшим (прямой и обратный ход).
Перед поверкой при обратном ходе канал выдерживают в течении 2 минут под воздействием верхнего предельного значения давления.
Если поверка канала абсолютного давления будет производиться на эталоне избыточного давления, то необходимо измерить атмосферное давление с помощью манометра абсолютного давления 1 разряда и рассчитать значения избыточного давления, необходимые для поверки. Измерение атмосферного давления необходимо произвести также до и после определения основной погрешности. Поверка канала абсолютного давления не должна иметь значительных перерывов между проверяемыми значениями. При вычислении погрешности для каждого измерения необходимо внести поправку на разность между атмосферным давлением, с учетом которого были определены расчетные значения избыточного давления, и действительным значением атмосферного давления. Для этого интерполяцией необходимо определить значение атмосферного давления при каждом измерении и вычесть его из значения, использованного для расчета значений избыточного давления. Поправка положительна, если атмосферное давление при поверке больше, чем расчетное.
Перед тем, как установить значение отрицательного избыточного давления необходимо освободить канал от масла, если оно там содержалось (например, после поверки на масле канала положительного избыточного давления) путем промывания чистым бензином? а затем проточной водой.
-
6.5.5 Абсолютную погрешность (Д), в паскалях, вычисляют по формуле [1]:
Д = Р - Рэ, [1]
где Р - измеренное калибратором значение давления, МПа; Рэ - действительное значение давления, измеренное эталоном, МПа.
-
6.5.6 Приведенную погрешность (у), в %, вычисляют по формуле [2]:
Р-Рэ
у =
•Х1ОО%,
R]
г max *min
ГДе Pmax И Pmin верхний и нижний пределы измерений калибратора, МПа.
За нормирующее значение (Ртах - Pmin) принимают: при измерении положительного избыточного или абсолютного давления - верхний предел измерений, при измерении отрицательного давления - сумму верхних пределов измерений по положительному и отрицательному давлению.
-
6.5.7 Относительную погрешность (8), в %, определяют по формуле [3]:
Р-Рэ
5- -------------х100%, [3]
Рэ
Результат считается положительным, если значения погрешности не превышают предела допускаемой погрешности, указанного в технической документации.
Если при поверке канала измерения давления, погрешность превысила допустимое значение, следует провести перекалибровку согласно инструкции о калибровке и повторить процедуру поверки.
Если после перекалибровки основная погрешность превысит допустимое значение, то канал измерений давления бракуют.
7 ОФОРМЛЕНИЕ РЕЗУЛЬТАТОВ ПОВЕРКИ
-
7.1 Если калибратор по результатам поверки признан пригодным к применению, то на него выдают «Свидетельство о поверке», форма которого приведена в ПР 50.2.006.
-
7.2 Если калибратор по результатам поверки признан непригодным к применению, то на него выдают «Извещение о непригодности к применению» в соответствии с требованиями ПР 50.2.006.
Таблица 1
|
№ п/п |
Наименование характеристики |
Значение характеристики для модификации DPI 515 |
|
1 |
2 |
3 |
|
. Давление | ||
|
1 |
Верхние пределы измерений: - абсолютного давления, МПа |
от 0,0025 до 21 |
|
- избыточного давления, МПа |
от 0,0025 до 21 | |
|
- атмосферного давления, кПа |
115 | |
|
2 |
Пределы допускаемой основной погрешности, % -приведенной в диапазонах от 0 - 0,07 до 0 - 21 МПа |
0,01 |
|
в диапазонах от 0 - 2,5 до 0 - 35 кПа |
0,03 | |
|
-абсолютной, Па |
20* | |
|
3 |
Предельно допустимое давление, % от ВПП |
ПО |
|
4 |
Пределы допускаемой дополнительной температурной погрешности, %/°C от ИВ - в диапазонах (10-18)°С и (28-45)°С |
±0,004 |
|
5 |
Рабочая среда |
воздух, азот |
|
Напряжение | ||
|
6 |
Диапазон измерений, В |
±0,135; 0-11; |
|
7 |
Пределы допускаемой погрешности -в диапазоне (18-28) °C |
(±0,02% ИВ)±(±0,002% ВПП)*’ |
|
- в диапазонах (10-18)°С и (28-45)°С |
(±0,01% ИВ)+(±0,002% ВПП)*** (±0,035% ИВ)±(±0,002% ВПИ)*‘ (±0,015% ИВ)+(±0,002% ВПИ)*** | |
|
Постоянный ток | ||
|
8 |
Диапазон измерений, мА |
0-25 |
|
9 |
Пределы допускаемой погрешности -в диапазоне (18-28) °C |
(±0,03% ИВ)±(±0,005% ВПИ) |
|
- в диапазонах (10-18)°С и (28-45)°С |
(±0,05% ИВ)+(±0,005% ВПИ) | |
|
10 |
Выходное напряжение, В |
10; 24 |
|
11 |
Масса, кг |
9 |
|
12 |
Габаритные размеры, мм | |
|
длина |
390 | |
|
ширина |
300 | |
|
высота |
132 | |
|
Условия эксплуатации | ||
|
13 |
Диапазон температуры окружающего воздуха, °C |
10-45 |
|
14 |
Относительная влажность воздуха, %, не более |
95 |
*для встроенного измерительного преобразователя атмосферного давления **при использование внешнего источника питания преобразователя давления
*** при использовании встроенного в DPI 515 источника питания преобразователя давления
|
№ п/п |
Наименование характеристики |
Значение характеристики для модификации DPI 605 |
|
2 |
5 | |
|
Давление | ||
|
'1 |
Верхние пределы измерений: - абсолютного давления, МПа |
2,1 |
|
- избыточного давления, МПа |
2 | |
|
- атмосферного давления, кПа |
115 | |
|
2 |
Пределы допускаемой основной относительной погрешности, % |
±0,025; ±0,05 |
|
3 |
Предельно допустимое давление, % от ВПИ |
125 |
|
4 |
Пределы допускаемой дополнительной температурной погрешности, % / °C | |
|
- в диапазоне (минус 10-40)°С |
±0,002; ±0,003* | |
|
5 |
Рабочая среда |
воздух, азот |
|
Напряжение постоянного тока | ||
|
6 |
Диапазон измерений, В |
±50 |
|
7 |
Пределы допускаемой погрешности измере- |
(±0,04 % от ИВ)+ 1 ед. м. р. |
|
ний | ||
|
8 |
Диапазон воспроизведения, В |
0-24 |
|
9 |
Пределы допускаемой погрешности воспроизведения, В |
(±0,025 % от ИВ) + (±0,01 % от ВПИ) + + 1ед. м. р. |
|
Постоянный ток | ||
|
10 |
Диапазон измерения, мА |
±55 |
|
И |
Пределы допускаемой погрешности измерений |
(±0,03 % от ИВ) + 1 ед. м. р. |
|
12 |
Диапазон воспроизведения, мА |
±55 |
|
13 |
Пределы допускаемой погрешности воспро- |
(±0,035 % от ИВ) + |
|
14 |
изведения, мА Выходное напряжение, В |
(±0,01 % от ВПИ) + +1 ед. м. р. 0-24 |
|
15 |
Масса, кг |
л |
|
16 |
Габаритные размеры, мм | |
|
длина |
370 | |
|
ширина |
280 | |
|
высота |
140 | |
|
Условия эксплуатации | ||
|
17 |
Диапазон температуры окружающего возду- | |
|
18 |
ха, °C Относительная влажность воздуха, %, не бо- |
минус 10-40 90 |
|
лее |
* для калибратора без встроенной помпы
|
№ п/п |
Наименование характеристики |
Значение характеристики для модификации | |
|
DPI610LP, DPI615LP |
DPI 610, DPI 615 | ||
|
1 |
2 |
3 |
4 |
|
Давление | |||
|
■1 |
Верхние пределы измерений: -абсолютного давления, МПа | ||
|
-избыточного давления, МПа |
- |
от 0,035 до 70 | |
|
минус 0,1; | |||
|
-разности давлений, кПа* |
от 0,25 до 15 |
от 0,007 до 70 | |
|
2 |
Пределы допускаемой основной приведенной погрешности, % |
±0,05 |
- |
|
3 |
Предельно допустимое давление, % от ВПИ |
от 4000 до 7000 |
±0,025 |
|
4 |
Пределы допускаемой дополнительной температурной погрешности, % / °C от ИВ в диапазоне (минус 10 - 40)°С |
±0,008 |
200 |
|
5 |
Рабочая среда |
воздух, азот |
±0,004 |
|
Напряжение |
газы, жидкости | ||
|
6 |
Диапазон измерений, В |
±50 |
±50 |
|
7 |
Пределы допускаемой погрешности |
(±0,05% от ИВ) + |
(±0,05 % от ИВ) + |
|
8 |
Выходное напряжение, В |
(±0,004 % от ВПИ) |
(±0,004 % от ВПИ) |
|
10, 24 |
10, 24 | ||
|
Постоянный ток | |||
|
9 |
Диапазон измерений, мА |
±55 |
±55 |
|
10 |
Пределы допускаемой погрешности |
(±0,05 % от ИВ) + |
(±0,05 % от ИВ) + |
|
11 |
Диапазон воспроизведения, мА |
(±0,004 % от ВПИ) |
(±0,004 % от ВПИ) |
|
0-24 |
0-24 | ||
|
12 |
Пределы допускаемой погрешности |
(±0,05 % от ИВ) ± |
(±0,05 % от ИВ) + |
|
воспроизведения, % |
(±0,001 % от ВПИ) |
+(±0,001 % от ВПИ) | |
|
13 |
Время работы в автономном режиме (от батареи), ч |
65 о |
65 3 |
|
14 |
Масса, кг | ||
|
Габаритные размеры, гим |
300 |
300 | |
|
длина |
170 |
170 | |
|
ширина высота Условия эксплуатации |
140 |
140 | |
|
15 |
Диапазон температуры окружающего воздуха, °C |
минус 10-40 |
минус 10-40 |
|
16 |
Относительная влажность воздуха, %, не более |
90 |
90 |
*при максимальном статическом давлении от 0,5 до 2 МПа
|
№ п/п |
Наименование характеристики |
Значение характеристики для модификации | |
|
DPI 330, DPI 335 |
DPI 320, DPI 325 | ||
|
1 |
2 |
5 |
5 |
|
Г |
Давление Верхние пределы измерений: -абсолютного давления, МПа |
от 7 до 70 |
от 3,5 до 20 |
|
-избыточного давления, МПа |
от 7 до 70 |
от 3,5 до 20 | |
|
-разности давлений, кПа* |
- |
- | |
|
2 |
Пределы допускаемой основной приведенной погрешности, % |
±0,025 |
±0,025 |
|
3 |
Предельно допустимое давление, % от В ПИ |
от 200 до 110 |
от 200 до 110 |
|
4 |
Пределы допускаемой дополнительной температурной погрешности, % / °C от ИВ |
±0,004 |
±0,004 |
|
5 |
Рабочая среда |
жидкость |
воздух, азот |
|
6 |
Напряжение Диапазон измерений, В |
±50 |
±50 |
|
7 |
Пределы допускаемой абсолютной |
(±0,05% от ИВ) + |
(±0,05% от ИВ) + |
|
погрешности |
(±0,004 % от ВПП) |
(±0,004 % от ВПИ) | |
|
8 |
Выходное напряжение, В |
10, 24 |
10, 24 |
|
Постоянный ток Диапазон измерений, мА |
±55 |
±55 | |
|
9 |
Пределы допускаемой абсолютной |
(±0,05 % от ИВ) + |
(±0,05 % от ИВ) + |
|
10 |
погрешности |
(±0,004 % от ВПИ) |
(±0,004 % от ВПИ) |
|
П |
Диапазон воспроизведения, мА |
0-24 |
0-24 |
|
12 |
Пределы допускаемой абсолютной по- |
(±0,05 % от ИВ) + |
(±0,05 % от ИВ) + |
|
грешности воспроизведения, % |
(±0,01 % от ВПИ) |
(±0,01 % от ВПИ) | |
|
Время работы в автономном режиме (от батареи), ч Масса, кг Габаритные размеры, мм |
20 10,4 |
20 12,8 |
|
длина |
429 |
429 | |
|
ширина |
254 |
254 | |
|
16 17 |
высота Условия эксплуатации Диапазон температуры окружающего воздуха,°C |
165 минус 10-40 |
165 минус 10-40 |
|
Относительная влажность воздуха, %, не более |
90 |
90 | |
Основные метрологические и технические характеристики калибраторов давления DPI
|
№ |
Наименование характеристики |
Значение характеристики для модификации DPI 620 |
|
1 |
Верхние пределы измерения: -абсолютного давления, МПа |
0,035 - 100 |
|
-избыточного давления, МПа |
0,0025 - 100 | |
|
-разности давлений, МПа |
- | |
|
2 |
Пределы допускаемой погрешности: -приведенной,% в диапазоне температуры (0 - 50)°С |
от ±0,025 до ±0,1 |
|
3 |
Предельно допустимое давление, % ВПП |
200 |
|
4 |
Рабочая среда |
не коррозионные жидкости и газы |
|
5 |
Выходной сигнал |
цифровой RS232 |
|
6 |
Напряжение питания, В |
3,7 |
|
7 |
Масса, г |
575 |
|
8 |
Габаритные размеры, мм | |
|
длина |
183 | |
|
ширина |
114 | |
|
высота |
42 | |
|
9 |
Потребляемая мощность, мВт |
37 |
|
Условия эксплуатации | ||
|
10 |
Диапазон температуры окружающего воздуха, °C |
минус 10-50 |
|
11 |
Относительная влажность воздуха, %, не более |
90 |
Таблица 2
|
№ п/п |
Наименование характеристики |
DPI 620 | |
|
Диапазон измерений или воспроизведения |
Пределы допускаемой погрешности | ||
|
1 |
Напряжение постоянного тока Измерение и воспроизведение постоянного тока |
(минус 10-100) мВ (0-200) мВ (0-2) В |
(±0,014% ИВ)+(±0,01 % ВПИ) (±0,007% ИВ)±(±0,005% ВПИ) (±0,007% ИВ)±(±0,005% ВПИ) |
|
Измерение |
(0-20) В (0-30) в |
(±0,01% ИВ)±(±0,002% ВПИ) (±0,01% ИВ)±(±0,004% ВПИ) | |
|
Воспроизведение |
(0-12) В |
(±0,01% ИВ)±(±0,0035% ВПИ) | |
|
2 |
Напряжение переменного тока Измерение |
(0-2) В (0-20) В (0-300) В |
(±0,2% ИВ)±(±0,15% ВПИ) (±0,2% ИВ)±(±0,15% ВПИ) (±1,5% ИВ)±(±0,1% ВПИ) |
|
4 |
Сила постоянного тока Измерение |
(0-20) мА (0-55) мА |
(±0,012% ИВ)±(±0,006% ВПИ) (±0,016% ИВ)±(±0,005% ВПИ) |
|
Воспроизведение |
(0-24) мА |
(±0,015% ИВ)±(±0,005% ВПИ) | |
|
5 |
Сопротивление Измерение |
(0-400) Ом (0-4000) Ом |
(±0,015% ИВ)±(±0,006% ВПИ) (±0,015% ИВ)±(±0,006% ВПИ) |
|
Воспроизведение |
(0-400) Ом (0,1 мА) (0-400) Ом (0,5 мА) (0,4-2) кОм (0,05 мА) (2-4) кОм (0,05 мА) |
(±0,03% ИВ)±(±0,0075% ВПИ) (±0,008% ИВ)±(±0,003% ВПИ) (±0,06% ИВ)±(±0,006% ВПИ) (±0,06% ИВ)±(±0,0045% ВПИ) | |
|
6 |
Частота Измерение частоты сигналов с диапазоном амплитуд от 0,01 до 12 В |
от 0 до 1000 Гц от 1 до 50 кГц |
(±0,003 % ИВ) ± (±0,0002 % ВПИ) (±0,003 % ИВ) ± (±0,0004 % ВПИ) |
|
Генерация частоты (форма сигнала прямоугольная) с диапазоном амплитуд от 0 до 12В |
от 0 до 1000 Гц от 1 до 50 кГц |
(±0,003 % ИВ)± (±0,00023 % ВПИ) (±0,003 % ИВ)±(±0,000074 % ВПИ) | |
Таблица 3
|
Тип термопары ГОСТ Р 8.585-2001 |
Диапазон измерений или воспроизведения, °C |
Пределы допускаемой основной абсолютной погрешности измерения или воспроизведения, °C |
|
1 |
2 |
3 |
|
В |
от 0 до 250 |
±2,5 |
|
от 250 до 500 |
±1,8 | |
|
от 500 до 1200 |
±0,9 | |
|
от 1200 до 1820 |
±0,5 | |
|
S |
от минус 50 до 100 |
±1,2 |
|
от 100 до 400 |
±1,0 | |
|
от 400 до 1768 |
±0,6 | |
|
К |
от минус 270 до минус 200 |
±0,5 |
|
от минус 200»до 1370 |
±0,2 | |
|
Е |
от минус 270 до минус 150 |
±0,4 |
|
от минус 150 до 1000 |
±0,2 | |
|
Т |
от минус 270 до минус 180 |
±0,6 |
|
от минус 180до минус 75 |
±0,3 | |
|
от минус 75 до 400 |
±0,2 | |
|
J |
от минус 210 до 1200 |
±0,2 |
|
N |
от минус 270 до минус 200 |
±1,2 |
|
от минус 200 до минус 20 |
±0,5 | |
|
от минус 20 до 1300 |
±0,2 | |
|
R |
от минус 50 до 300 |
±1,2 |
|
от 300 до 1760 |
±0,6 | |
|
от минус 100 до 600 |
±0,2 | |
|
от 1500 до 2000 |
±0,4 | |
|
от 2000 до 2320 |
±0,8 | |
|
от 1700 до 2200 |
±0,5 | |
|
от 2200 до 2495 |
±1,3 |
Примечание: В диапазоне температур от минус 10 до 10 °C и от 30 до 50 °C следует учитывать поправку ±0,0005 % ВПИ/ °C окружающей среды.
Таблица 4
|
Тип термометра ГОСТ Р 8.625-2006 |
Диапазон измерений или воспроизведения, °C |
Пределы допускаемой основной абсолютной погрешности измерения или воспроизведения, °C |
|
1 |
2 |
3 |
|
Pt-50 (W-1,385) |
от минус 200 до 850 |
±0,5 |
|
Pt-100 (W=l,385) |
от минус 200 до 850 |
±0,3 |
|
Pt-200 (W=l,385) |
от минус 200 до 850 |
±0,6 |
|
Pt-500 (W=l,385) |
от минус 200 до 850 |
±0,4 |
|
Pt-1000 (W=l,385) |
от минус 200 до 400 |
±0,2 |
|
Pt-100* (W-1,391) |
от минус 200 до 850 |
±0,3 |
|
Cu-10 |
от минус*200 до 260 |
±2,0 |
*Примечание: Погрешность измерения или воспроизведения для градуировки Pt 100 (W=l,391) в диапазоне температур от 600 до 850 °C равна ±2 °C.
Основные метрологические характеристики измерительных преобразователей давления, входящих в состав калибраторов давления DPI 605
Таблица 5
|
№ п/п |
Наименование характеристики |
Значение характеристики |
|
Верхние пределы измерения: -абсолютного давления, МПа -избыточного давления, МПа |
о 0,035 до 70 от 0,007 до 70 | |
|
2 |
Пределы допускаемой погрешности для диапазонов измерений давления от 0...7 кПа до О...7МПа: -относительной,% -приведенной,% для диапазонов измерений давления от 0..10 МПа до 0...35 МПа: -относительной, % -приведенной, % |
±0,05* ±о,оГ ±0,08* ±0,016** |
|
3 |
Предельно допустимое давление, % ВПИ |
125 |
*- в диапазоне свыше 20 до 100% ВПИ **- в диапазоне от 0 до 20 % ВПИ
Основные метрологические характеристики измерительных преобразователей давления, входящих в состав калибраторов давления DPI 620
Таблица 6
|
Вид давления |
Диапазон измерений |
Пределы допускаемой приведенной погрешности, % | |
|
кПа |
МПа | ||
|
избыточное |
минус 2,5...2,5 |
- |
±0,1 |
|
минус 7...7 минус 20...20 минус 35...35 минус 70...70 минус 100...100 |
±0,05 | ||
|
минус 100...200 минус 100...350 минус 100...700 |
минус 0,1-1 минус 0,1-2 от 0-3,5 до 0-100 |
± 0,025 | |
|
абсолютное |
0...35 |
±0,08 | |
|
0...70 |
±0,07 | ||
|
от 0...200 до 0...700 |
от 0-1 до 0-100 |
±0,05 | |
-
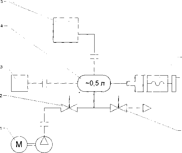
1. Компрессор Tiger 200; Ризб max = 0,8 МПа
-
2. Краны-натекатели
-
1. Поверяемый прибор .
-
2. Ресивер
-
3. Манометр абсолютного давления МПА-15; МАД-ЗМ; МАД-720
-
4. Вакуумметр ВТ-3
-
5. Кран
-
6. Насос вакуумный 2НВР-5Д
-
7. Регулируемый объём
-
8. Насос вакуумный ЗНВР-1Д

-
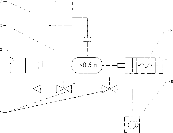
1. Компрессор Tiger 200; РИЗб.тах= 0,8 МПа
-
2. Краны-натекатели
-
3. Поверяемый прибор
-
4. Ресивер
-
5. Манометр абсолютного давления МАД-ЗМ; МАД-720
-
6. Регулируемый объём

-
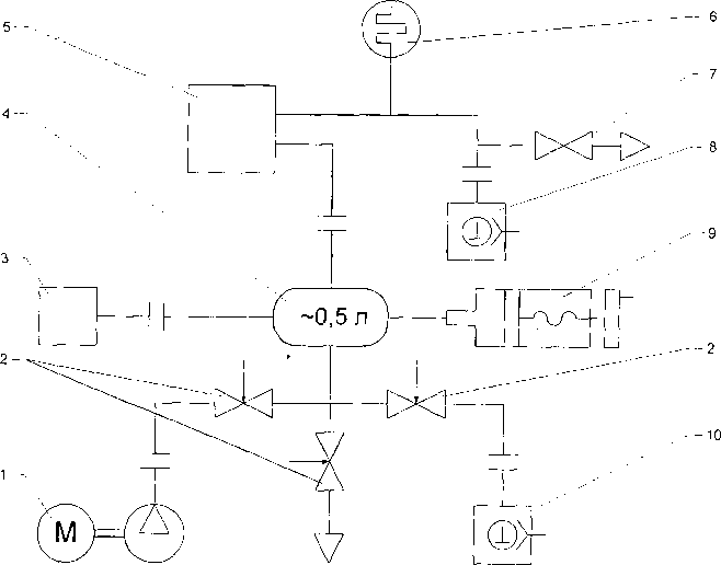
1. Краны-натекатели
-
2. Поверяемый прибор
-
3. Ресивер
-
4. Манометр абсолютного-давления МАД-ЗМ; МАД-720
-
5. Регулируемый объём
. 6. Насос вакуумный ЗНВР-1Д
-
1. Грузопоршневой манометр избыточного давления (МП-2,5; МП-6; МП-60; МП-600; МП-2500); задатчик давления «ВОЗДУХ - 2,5» или микроманометр ПМКМ.
-
2. Поверяемый прибор.
Рис. 4
