Методика поверки «ВОЛЬТМЕТР УНИВЕРСАЛЬНЫЙ ЦИФРОВОЙ В7-28» (МП 2.710.003)
ВОЛЬТМЕТР УНИВЕРСАЛЬНЫЙ ЦИФРОВОЙ В7-28
МЕТОДИКА ПОВЕРКИ
2.710.003
12. ПОВЕРКА ВОЛЬТМЕТРА
Настоящий раздел составлен в соответствии с требованиями МИ 118-77 «Методики поверки цифровых вольтметров, аналого-цифровых преобразователей напряжений и. комбинированных универсальных цифровых приборов постоянного и переменного тока» и устанавливает,методы и средства поверки вольтметра универсального цифрового В7-28.
-
12.1. Операции и средства поверки
-
12.1.1. При проведении поверки должны производиться операции и применяться средства поверки, указанные в табл. 24.
100
о ОО


родолжение табл. 24
Номер пункта раздела поверки
12.3.8г
12.3.8Д
Наименование операций, производимых при поверке
Определение основной погрешности и проверка пределов измерений отношения переменного напряжения к постоянному напряжению
Определение основной погрешности и поверка пределов измерений сопротивления постоянному току
Поверяемые отметки
Допускаемые значения погрешностей или предельные значения определяемых параметров.
Средства поверки
образцовые
вспомога
тельные
f=20; 60 Hz; 1, 5, 20, 80,
100 kHz на Un~=100 V
f = 20; 60 Hz; 1, 5, 20, 50,
100 kHz на Un~ =300 V
0,1; 0,2; 0,5;
0,8; 1,0 Sn
(Uy=const)
0,125; 0,2; 0,5;
1,0; 1,2 Sn
(Ux=const) на Sn=l
(Un-= 10 V) f=l kHz
1,0 Sn на Sn=0,l; 1; 10;
100 (Un~=l;
10; 100; 300 V)
при f=20; 40; 60 Hz;
1, 5, 10, 20, 60,
80, 100 kHz
0,00 f; 0,5; 1,0; 1,2 Rn на = 0,1 kQ; 0,0001; 0,5; 1,2 Rn на Rn=l, 10 kQ; 0,0001; 0,5; 1,0 Rn на = 100 kQ;
0,1; 0,5; 1,0 на Rn = 1000; 10000 kQ

Допускаемые значения погрешностей для поверяемых отметок указаны в табл. 30, 31
Допускаемые значения погрешностей для поверяемых отметок указаны в табл. 32
В1-9
НЭ-65
(10 шт.)
Р327
Р4011 (2 шт.) Р4021 (2 шт.)
Продолжение табл. 24
Номер пункта раздела поверки |
Наименование операций, производимых при поверке |
Поверяемые отметки |
Допускаемые значения погрешностей или предельные значения определяемых параметров |
Средства поверки | |
образцовые |
вспомога тельные | ||||
12.3.9 |
Проверка выхода на внешнее цифропечатающее устройство |
Логический 0 Логическая 1 Кодирование согласно табл. 2—5 |
не более 0,4V не менее 2,4 V |
В7-22 С1-65А |
В1-7 |
12.3.10 |
Проверка дистанционного управления |
Г5-63 |
Примечания: 1. Вместо указанных в табл. 24 образцовых и вспомогательных средств поверки разрешается применять другие аналогичные меры и измерительные приборы, обеспечивающие измерения соответствующих параметров с требуемой точностью.
-
2. Все средства поверки должны быть исправны, поверены и иметь свидетельства (отметки в формулярах или паспортах) о государственной или ведомственной поверке.
-
3. Операции по пп. 12.3.3, 12.3.4—12.3.6 должны производиться только после ремонта вольтметра, причем по п. 12.3.6— только в случае, если производился ремонт источников питания.
а) Определение основной погрешности и проверку пределов измерений постоянного напряжения проводите методом сравнения в следующей последовательности:
подготовьте вольтметр к работе согласно указаниям раздела 9 и пункта 10.1;
соберите схему в соответствии с рис. 20а для пределов измерений 0,1; 1 V и в соответствии с рис. 206 для пределов измерений ’10; 100; 1000V. Прибор В1-7 должен быть откалиброван по внешней мере ЭДС—батареи из 10 нормальных элементов, соединенных последовательно; произведите поверку вольтметра в точках, указанных в табл. 25, для положительной полярности входного напряжения, предварительно установив нулевое показание вольтметра, не отключая его от схемы при входном напряжении прибора В1-7, равном нулю;
погрешность измерений определяйте по формуле:

(14)
где AU — абсолютное значение основной погрешности измерения постоянного напряжения вольтметра В7-28, выраженное в единицах младшего разряда;
Ux — показание вольтметра В7-28, V;
Uo — действительное значение измеряемого напряжения, указанное в табл.26, V;
у — цена единицы младшего разряда, V;
произведите проверку вольтаметра при отрицательной полярности входного напряжения в точкам 0,1 Un, 0,5 Un, 1,0 Un для пределов измерений 0,1; 1; 10 V и в точках 1,0 Un для пределов измерений 100; 1000 V. Смену полярности производите на выходе прибора В1-7, меняя положение концов кабеля, подключенного к его выходу, при этом зажимы Lxy и Ge должны быть всегда соединены между собой. После смены полярности перед поверкой установите нулевое показание вольтметра, не отключая его от схемы при выходном напряжении прибора В1-7, равном нулю.
Результаты поверки считайте удовлетворительными, если основная погрешность вольтметра не превышает значений, указанных в табл. 26.
Определение основной погрешности за 16 h после калибровки проводите методом сравнения в следующей последовательности:
после двухчасового прогрева произведите, установку пуля по методике п. 10.1.2;
установите предел измерения постоянного напряжения 10 V; подсоедините штекер Нх и соединенные вместе зажимы Lx у, Gk входного кабеля К1 к внешней мере, например, батарее из десяти нормальных элементов НЭ-65;
установите резистором V показание вольтметра, равное. су&ь мирному значению э.д.с. нормальных элементов батареи;
через 16h определите показания вольтметра при использовании батареи из десяти, из пяти и одного элемента.

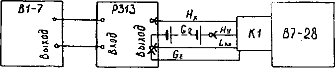
Рис. 20. Схема электрическая структурная определения основной погрешности измерения постоянного напряжения
НЭ-65 — батарея из 10 нормальных элементов НЭ-65, соединенных последовательно;
В1-7 — прибор для поверки вольтметров, дифференциальный вольтметр посто
янного тока;
Р313 — делитель напряжения;
К1 — кабель входной Тг4.8518.871, входящий в комплект вольтметра В7-2сГ В7-28 — поверяемый вольтметр.
Предел измерений, V |
Поверяемая точка, Uo, V |
Выходное напряжение прибора Bl-7, V |
Коэффи циент деления делителя Р313 |
.000007 |
0,0007 |
1:100 | |
.010000 |
1,0000 |
1:100 | |
• |
.030000 |
3,0000 |
1:100 |
0,1 |
.050000 |
5,0000 |
1:100 |
.070000 |
7,0000 |
1:100 | |
.100000 |
10,0000 |
1:100 | |
.119950 |
11,9950 |
1:100 | |
0.10000 |
1,0000 |
1:10 | |
1 |
0.50000 |
5,0000 |
1:10 |
1.00000 |
10,0000 |
1:10 | |
1.19950 |
11,9950 |
1:10 ! |
Показание вольтметра В7-28 Ux, V |
Основная погрешность, ± единица младшего' разряда | |||
при полож. вх. сиги. |
при отриц. вх. сигн. |
измеренная A U | ||
при полож. вх. сигн. |
при отриц. вх. сигн. |
допустимая лЦ/ | ||
* |
5,0 7,5 1 О л | |||
12,0
30,0 35,0 | ||||
30,0 35,0 1 |
Предел измере ний, V |
Поверяемая точка, Uo, V |
Выходное напряжение прибора В1-7, V |
Коэффициент деления делителя Р313 |
01.0000 |
1,0000 |
— | |
03.0000 |
3,0000 |
— | |
05.0000 |
5,0000 |
— | |
10 | |||
07.0000 |
7,0000 |
— | |
10.0000 |
10,0000 |
— | |
11.9950 |
11,9950 |
— | |
010.000 |
. 10,0000 |
— | |
100 |
100.000 |
100,0000 |
— |
119,950 |
119,9500 |
— | |
1000 |
0100.00 |
100,0000 |
— |
1000.00 |
1000,0000 | ||
Показание вольтметра В7-28 Ux, V |
Основная погрешность, ± единица младшего разряда | |||
при полож. вх. сигн. |
при отриц. вх. сигн. |
измеренная A U |
допустимая | |
при полож. вх. сигн. |
при отриц. вх. сигн. | |||
09 5 30,0 35,0 | ||||
8,0 35,0 • 41,0 | ||||
8,0 35,0 |
Результат испытаний считайте удовлетворительным, если через 16 h показания вольтметра не отличаются более чем на ±15; ±10; ±6 единиц младшего разряда от суммарного значения эдс десяти, пяти и одного элемента соответственно.
б) Определение основной погрешности и проверку пределов измерений отношения двух постоянных напряжений проводите методом сравнения в следующей последовательности:
если вольтметр не был подготовлен к работе, подготовьте его согласно указаниям раздела 9 и п. 10.1;

64 Нл Аал 9 __ |
К1 |
67-28 |
Gf |
н |

5)
Рис. 21. Схема электрическая структурная определения основной погрешности измерения отношения двух пЪстоянных напряжений
Gj — батарея из 10 нормальных элементов НЭ-65, соединенных последовательно;'
К1 — кабель входной Тг4.853.871, входящий в комплект вольтметра В7-28;
В1-7 — прибор для поверки вольтметров, дифференциальный вольтметр постоянного тока;
Р313 — делитель напряжения;
G2 — батарея из 9 нормальных, элементов НЭ-65, соединенных последовательно;
В7-28 — поверяемый вольтметр.
соберите схему измерений в соответствии с рис. 2Га и произведите проверку вольтметра в точках, указанных в табл. 27.
Измерения производите для значений Ux и LJy одинаковой полярности — положительной и отрицательной.
Действительное значение отношения So определите по формуле:
So- (15)
1де Ux, Uy — суммарные значения ЭДС нормальных элементов, подключенных ко входам Нх и Ну соответственно;
погрешность измерения определите по формуле: где AS — абсолютное значение основной погрешности измерения отношения двух постоянных напряжений, выраженное в единицах младшего разряда;

S—So
V
(16)
S — показание вольтметра В7-28;
So— действительное значение измеряемого отношения;
у — цена единицы младшего разряда.
Соберите схему измерений в соответствии с рис. 216;
Произведите проверку вольтметра в точках, соответствующих номинальным значениям пределов измерений согласно табл. 28. Прибор В1-7 должен быть предварительно откалиброван по той же самой батарее нормальных элементов G, которая используется для поверки вольтметра по схеме рис. 216. Выходное напряжение прибора В1-7 устанавливать равным
Ux = n • Uy, где п — коэффициент, указанный в табл. 27 для каждого предела измерений;
Uy — суммарное значение эдс нормальных элементов, подключенных ко входу Ну, V.
Делитель Р313 используйте при измерении на пределах измерений 0,01; 0,1. На пределах измерений 10, 100 подавайте напряжение Ux непосредственно с выхода прибора В1-7 на вход Нх вольтметра В7-28.
Измерения производите для значений Ux и Uy одинаковой полярности — положительной и отрицательной.
После смены полярности перед поверкой установите нулевое показание вольтметра на пределе 0,1 V в режиме измерения постоянного напряжения, не отключая вольтметр от схемы, при выходном напряжении прибора В1-7, равном нулю.
Действительное значение отношения So определите по формуле (т5), где Ux — выходное напряжение прибора В1-7, V;
Uy — суммарное значение ЭДС нормальных элементов, подключенных ко входу Ну, V.
Погрешность измерения определите по формуле (16).
Результат поверки считайте удовлетворительным, если основная погрешность вольтметра не превышает значений, указанных в табл. 27, 28.
в) Определение основной погрешности и проверку пределов измерений переменного напряжения проводите методом сравнения в следующей последовательности:
подготовьте вольтметр к работе согласно указаниям раздела 9 и п. 10.1;
соберите схему измерений в соответствии с рис. 22а;
Ы-9 Л L. CQ |
НЛ |

Рис. 22.. Схема структурная электрическая определения основной погрешности измерения переменного напряжения
В1-9 — прибор для поверки вольтметров переменного тока;
К1 — кабель входной Тг4.853.871, входящий в комплект вольтметра В7-28;
В7-28 — поверяемый вольтметр;
Я1В 22 — блок усиления напряжения до 300 V.
ю to
Предел измерений отношения |
Выводы батареи G для получения напряжений |
Действительное значение отношения, So | |
Ux |
Uy | ||
1 (Un = 10V) |
0-10 |
0-10 | |
0-8 |
0-10 | ||
. 0-5 |
0-10 | ||
0-2 |
0-10 | ||
0-1 |
0-10 | ||
0-1 |
0-8 | ||
0-1 |
0-5 | ||
0-1 |
0-2 | ||
0-1 |
0-1 | ||
0-10 |
0-9 |
Показание вольтметра S |
Основная погрешность, ± единица младшего разряда | |||
при по-лож. вх. сигн. |
при от-риц. вх. сигн. |
измеренная AS | ||
* при по-лож. вх. сигн. |
при от-риц. вх. сигн. |
допустимая | ||
19,5 | ||||
17,5 | ||||
15,0 | ||||
12,0 | ||||
11,0 | ||||
13,5 | ||||
59,0 | ||||
147,5 | ||||
196,5 | ||||
23,0 |
Предел измерений отношения |
Коэффициент n для определения значения напряжения Ux |
Коэффициент деления делителя Р313 |
0,01 (Un = 0,1 V) |
1 |
1 : 100 |
0,1 (Un-1 V) |
1 |
Н : 10 |
10 (Un=100 V) |
10 |
_ |
' 100 (Un = 1000 V) |
100 |
— |
Действительное значение отношения, So |
Показание вольтметра, S |
Основная погрешность, dz единица младшего разряда | |
измеренная Д S |
допустимая | ||
22,0 | |||
22,0 | |||
■ |
27.5 | ||
! |
27,5 |
Предел из мерения, V |
Поверяемая точка и0> V |
Частота выходного напряжения прибора В1-9, f, kHz |
Показание вольтметра B7-28 Ux, V |
Основная погрешность, ± единица младшего разряда | |
измеренная ди |
допустимая | ||||
0.0007 |
1 |
5 | |||
0.1000 |
1 |
6,5 | |||
0.5000 |
1 |
12,5 | |||
20 Hz |
40 | ||||
40 Hz |
40 | ||||
60 Hz |
20 | ||||
1 |
20 | ||||
1 |
1.0000 |
5 |
20 | ||
10 |
40 | ||||
20 |
40 | ||||
60 |
60 | ||||
80 |
60 | ||||
100 |
60 | ||||
01.000 |
1 |
6,5 | |||
03.000 |
1 |
9,5 | |||
05.000 |
, 1 |
12,5 | |||
07.000 |
1 |
12,5 | |||
20 Hz |
4G | ||||
40 Hz |
40 | ||||
60 Hz |
20 | ||||
10 |
10.000 |
1 |
20 | ||
5 |
20 | ||||
10 |
40 | ||||
20 |
40 | ||||
60 |
60 | ||||
, 80 |
60 | ||||
* 100 |
60 1 Л | ||||
010.00 |
1 |
7 | |||
050.00 |
1 |
15 | |||
20 Hz |
40 | ||||
60 Hz |
25 • | ||||
100 |
100.00 |
1 |
25 | ||
5 |
25 | ||||
20 |
55 | ||||
80 |
100 | ||||
100 |
100 | ||||
0100.0 |
1 |
7 | |||
0150.0 |
100 |
18,5 | |||
20 Hz |
22,5 | ||||
60 Hz |
11 | ||||
300 |
0300.0 |
1 |
11 | ||
5 |
11 | ||||
20 |
20 | ||||
50 |
37 |
произведите проверку вольтметра в точках, указанных в табл.
-
29, при этом устанавливайте выходные напряжения прибора В1-9 на пределах, обеспечивающих наибольшую точность. Проверку .вольтметра в точке Uo=O3OO.O V проводите по схеме рис. 226;
погрешность измерения определяйте по формуле:
ди = L!.*~Vn t .(18)
-
V
Sic AU—абсолютное значение основной погрешности измерения переменного напряжения вольтметра В7-28, выраженное в единицах младшего разряда;
Ux—показание вольтметра В7-28, V;
Uo—действительное значение измеряемого напряжения, указанное в табл. 29, V;
у — цена единицы младшего разряда, V.
Результат поверки считайте удовлетворительным, если основная погрешность вольтметра не превышает значений, указанных в табл. 29.
г) Определение основной погрешности и проверку пределов измерений отношения переменного напряжения к постоянному напряжению проводите методом сравнения в следующей последовательности:
если вольтметр не был подготовлен к работе, подготовьте его согласно указаниям раздела 9 и п. 10.1;
соберите схему измерений в соответствии с рис. 23; произведите поверку вольтметра в точках, указанных в табл.
-
30, при частоте напряжения Ux, равной 1 kHz.
Действительное значение отношения So определите по фор-гчхле:
(IS)
где Ux—выходное напряжение прибора В1-9, V;
Uy—суммарное значение ЭДС нормальных элементов, подключенных ко входу Ну, V;
— погрешность измерения определите по формуле:
= (20)
-
Y
где AS—абсолютное значение основной погрешности измерения отношения переменного напряжения к постоянному, выраженное в единицах младшего разряда;
S—показание вольтметра В7-28;
So—действительное значение измеряемого отношения, вычисленное по формуле (19);
у — цена единицы младшего разряда;
произведите поверку вольтметра в точках, указанных в табл. 31, при подаче, на вход Ну напряжения от девяти нормальных элементов (выводы 0—9 батареи G). Выходное напряжение прибора В1-9 устанавливайте согласно формуле (17), значения коэффициента п указаны в табл. 31. Погрешность измерения определяйте по формуле (20).
Результаты поверки считайте удовлетворительными, если основная погрешность вольтметра не превышает значений, указанных в табл. 30, 31.
д) Определение основной погрешности и проверки пределов мерений сопротивления постоянному току проводите методом сравнения в следующей последовательности:
подготовьте вольтметр к работе согласно указаниям раздела 9 и п. 10.1;
соберите схему измерений в соответствии с рис. 24, тип образцовой, меры в зависимости от поверяемой точки указан в табл. 32, зажим Ge кабеля R1 должен быть подсоединен к экрану образцовой меры, если мера экранирована;
произведите поверку вольтметра в точках, указанных в табл. 32;
погрешность измерения определяйте по формуле:
= (21) V
где AR — абсолютное значение основной погрешности измерения сопротивления постоянному току вольтметра В7-28, выраженное в единицах младшего разряда;
R — показание вольтметра В7-28, kQ;
Ro — действительное значение измеряемого сопротивления, указанное в табл. 32, kQ;
у — цена единицы младшего разряда, kQ.

Рис. 23. Схема электрическая структурная определения основной погрешности измерения отношения переменного напряжения к постоянному напряжению В1-9 — прибор для поверки вольтметров переменного тока;
G — батарея из 10 нормальных элементов НЭ-65, соединенных последовательно;
К1 — кабель входной Тг4.853.871, входящий в комплект вольтметра В7-28; В7-28 — поверяемый вольтметр.

Результат поверки считайте удовлетворительным, если основная погрешность вольтметра не превышает значений, указанных в табл. 32.
12,3.9. Проверка выхода на внешнее цифропечатающее устрой* ство
Проверку выхода на внешнее цифропечатающее устройство проводите методом непосредственной оценки в следующей последовательности:
если вольтметр не был подготовлен к .работе, подготовьте его согласно указаниям .раздела 9 и прогрейте в течение 5 min;
соедините выход прибора В1-7 с зажимом Нх и соединенными ^месте зажимами Lxy, Ge кабеля KL установите переключатель рода работы вольтметра в положение V—. Изменяя выходное напряжение прибора В1-7 и измеряя вольтметром В7-22А напряжение на контактах разъема ЦПУ, проверьте соответствие выходных кодовых сигналов требованиям табл. 2—5;
устанавливая переключатель рода работы вольтметра в поло-женияУ~,R, проверьте соответствие выходных кодовых сигналов требованиям табл. 2—4; •
проверьте наличие команд НАЧАЛО ИЗМЕРЕНИЯ, ПУСК ЦПУ, СОПРОВОЖДЕНИЕ на контактах Р, 6, Д разъема ЦПУ при помощи осциллографа С1-65А, при этом: установите переключатель рода работы вольтметра в положение V переключатель пределов измерения — в положение 1, нажмите кнопку ФИЛЬТР, замкните накоротко зажимы Нх, Lxy, Ge t входного кабеля К1, подайте на вход внешней синхронизации осциллографа сигнал с контакта Р разъема ЦПУ. Сигнал на контакте Р (команда НАЧАЛО ИЗМЕРЕНИЯ) должен соответствовать рис. 25а, на контакте 6 (команда ПУСК ЦПУ) — рис. 256, на контакте Д (команда СОПРОВОЖДЕНИЕ) рис. 25в.
Предел измерений отношения |
Выходное напряжение прибора В1-9, Ux, V |
Выводы батареи G для получения напряжения Uy |
Действительное значение отношения, So |
Показание вольтметра-, S |
Основная погрешность, ± единица младшего разряда | |
измеренная, Д S |
допустимая | |||||
10,0000 |
0-10 |
20,0 | ||||
8,0000 |
0-10 |
17,0 | ||||
5,0000 |
0,10 |
12,5 | ||||
2,0000 |
0-10 |
8,0 | ||||
1 |
1,0000 |
0-10 |
6,5 | |||
(Un ~ = 10 V) |
1,0000 |
0-8 |
8,0 | |||
1,0000 |
0-5 |
12,0 | ||||
1,0000 |
0-2 |
25,5 | ||||
1,0000 |
0-1 |
• |
42,0 | |||
10,0000 |
0-9 |
22,0 |

Предел измерений отношения
Коэффициент и для определения значения напряжения Ux
Частота
напряжения прибора В1-9, f, kHz
0,1 |
0,1 |
20 Hz 40 Hz 60 Hz 1 5 |
(Un ~ = 1 V) |
10 20 60. 80* 100 | |
1 (Un~ = 10 V) |
1 |
20 Hz 40 Hz 60 Hz 1 5 10 20 60 80 100 |
Действительное значение отношения, So |
Показание вольтметра, S |
Основная погрешность, ± единица младшего разряда | |
измеренная, AS |
допустимая | ||
41,0 41,0 20,5 20,5
40,5 61,0 61,0 61,0 | |||
41,0 41,0 20,5 20,5
40,5 61,0 61,0 • 61,0 |
Предел измерений отношения |
Коэффициент n для определения значения напряжения Ux |
Частота выходного напряжения прибора В1-9, f, kHz |
Действительное значение отношения, So |
Показание вольтметра,S |
Основная погрешность, ± единица младшего разряда | |
измеренная, A S |
допустимая | |||||
20 Hz |
41,0 | |||||
40 Hz |
41,0 | |||||
60 Hz |
25,0 | |||||
1 |
25,5 | |||||
10 |
10 |
5 |
25,5 | |||
(Un~=100 V) |
10 |
55,5 | ||||
20 |
55,5 | |||||
60 |
101,0 | |||||
80 |
ч |
101,0 | ||||
- |
100 |
101,0 | ||||
100 |
20 Hz |
19,0 | ||||
(Un~ = 1000 V) |
40 Hz |
19,0 | ||||
100 |
10 |
60 Hz |
7,5 | |||
(Un~=300V) |
1 |
7,5 | ||||
5 |
7,5 | |||||
10 |
10,5 | |||||
20 |
10,5 | |||||
60 |
20,0 | |||||
80 |
20,0 | |||||
100 |
20,0 |
Предел измерений, Ш |
Поверяемая точка Ro. kQ |
Образцовая мера |
0,1 |
.000100 .050000 .100000 .119900 |
Р327 |
1 |
0.00010 0.50000 1.00000 1.19900 |
Р327 |
10 |
00.0010 05.0000 10.0000 11.9900 у |
Р327 |
100 |
000.010 050.000 100.000 |
Р327 |
1000 |
0100.00 0500.00 1000.00 |
Р327 Р4011 (2 шт.*) Р4011 |
10000 ' |
01000.0 05000.0 10000.0 |
Р4011 Р4021 (2 шт.*) Р4021 |
— катушки соединены параллельно
Показание вольтметра,
Основная погрешность, единица младшего разряда
R, kQ |
измеренная. A R |
допустимая |
10 30 50 58 | ||
10 30 50 58 | ||
10 30 50 58 | ||
10 30 50 | ||
- |
14 30 50 | |
15 35 60 |
Рис,

24, Схема электрическая структурная определения основной погрешности
измерения сопротивления постоянному току
R — образцовая мера сопротивления (магазин сопротивлений Р327; катушки электрического сопротивления измерительные Р4011, Р4021);'
К2 — кабель входной Тг4;853.872, входящий в комплект вольтметра В7-28; К1 — кабель входной Tr4.853.87I, входящий в комплект вольтметра В7-28; В7-28 — поверяемый вольтметр-. 1

Рис. 25. Форма сигналов НАЧАЛО ИЗМЕРЕНИЯ (а), ПУСК ЦПУ (б), СОПРОВОЖДЕНИЕ (в) на контактах Р, 6, Д разъема ЦПУ Длительность импульсов на рис. 25 дана ориентировочно, качественной оценки. *
12.3.10. Проверка дистанционного управления
Проверку дистанционного управления проводите в следующей последовательности:
если вольтметр не был подготовлен к работе, подготовьте его согласно указаниям раздела 9, к зажимам Нх, Ну кабеля К1 присоедините кабель К2, прогрейте вольтметр в течение 5 min;
соберите схему измерений в соответствии с рис. 26, установите выходной импульс генератора Г5-63 положительной полярности, длительностью 5—10 ps, амплитудой 3—5 V в режиме однократного запуска;
проведите поверку вольтметра согласно табл. 33 для каждого рода работы и всех пределов измерений, устанавливая выключатели S1—S13 в соответствующие положения (в положении 0 выключатель замкнут на ОБЩИЙ, в положении 1 на УРОВЕНЬ «1»). На индикаторном табло вольтметра должны индицироваться символы, указанные в табл. 33;
при проверке автоматического выбора пределов измерений пос-
53
< и



X
<*— -
»•
s/
КОнТ. |
Цепь |
1 |
OtftUL'U |
л |
дус(в) |
2 |
дус(№) |
5 |
дусМ |
3 |
ДУС(1) |
В |
ДУС(2) |
5 |
ДУВ(1) |
д |
дуаМ |
6 |
ДУВ(2) |
Е |
ДУВ(У) |
4 |
Вкл.ДУ |
Г |
ДУ А ВТ |
7 |
Mnepuofa |
Ж |
Запрет |
8 |
ДУ пуск |
и |
44 ^УробенА |
Рис. 26. Схема электрическая структурная проверки дистанционного управления Г5-63 — генератор импульсов;
S1—S13 — любые двухполюсные выключатели;
X — разъем ДУ, находящийся на задней стенке поверяемого вольтметра ле установки выключателей S1—S13 в соответствующие положения замыкайте накоротко и размыкайте зажимы Нху и Lxy кабелей К2 и К1, при этом должно осуществляться переключение пределов из->*’£рений вольтметра: при замкнутых зажимах запятая на индика-*»ном табло должна переместиться справа налево, должен установиться предел измерений 0,1 kQ и показание вольтметра около нуля; при разомкнутых зажимах ^запятая должна переместиться слева направо, должен установиться предел измерений 1000 kQ и показание вольтметра^ 120001 kQ; .
при проверке разового запуска после установки выключателей S1—Sil, S13 в соответствующие положения установите выключатель S12 сначала в положение 1, при изменении напряжения на входе вольтметра показания должны изменяться. Затем установите выключатель S12 в положение 0, изменение показаний должно прекратиться. Осуществите 2—3 раза однократный запуск генератора Г5-63, при этом должно быть каждый раз однократное изменение показаний вольтметра;
при проверке команды ЗАПРЕТ после установки выключателей в соответствующие положения осуществите несколько раз однократный запуск генератора, при этом не должно быть изменений показания вольтметра.
Результат поверки считайте удовлетворительным, если вольтметр обеспечивает дистанционное управление.
Проверяемые режимы работы |
Положение выключателей |
Символ на индикаторном табло | ||||||||||||||
Род работы |
Предел измерений |
S1 |
S2 |
S3 |
S4 |
S5 |
S6 |
S7 |
S8 |
S9 |
S10 |
S11 |
S12 |
S13 | ||
Измерение постоянного напряжения |
.100000 |
1 |
1 |
0 |
0 | |||||||||||
1.00000 |
0 |
0 |
0 |
0 |
+ или | |||||||||||
10.0000 |
0 |
I |
1 |
1 |
0 |
1 |
0 |
0 |
0 |
0 |
0 |
* |
1 |
V | ||
100.000 |
0 |
0 |
1 |
0 |
1 | |||||||||||
1000.00 |
1 |
0 |
1 |
0 | ||||||||||||
Измерение переменно- |
1.0000 |
0 |
0 |
0 |
0 | |||||||||||
10.000 |
0 |
0 |
1 |
1 |
0 |
1 |
0 |
0 |
0 |
0 |
0 |
* |
1 |
V | ||
го напряжения |
100.00 |
0 |
0 |
1 |
0 | |||||||||||
1000.0 |
1 |
0 |
1 |
0 | ||||||||||||
.100000 |
1 |
1 |
0 |
0 | ||||||||||||
Измерение |
1.00000 |
0 |
0 |
0 |
0 | |||||||||||
отношения U х |
10.0000 |
1 |
1 |
1 |
1 |
1 |
1 |
0 |
0 |
0 |
0 |
0 |
* |
1 |
ход | |
и—у |
100.000 |
0 |
0 |
1 |
0 | |||||||||||
1000.00 |
• |
1 |
0 |
1 |
0 |
Проверяемые режимы работы
Положение выключателей
Символ на индикаторном табло
Род работы |
Предел из мере- |
S1 |
S2 |
S3 |
S4 |
S5 |
S6 |
S7 |
S8 |
S9 |
S10 |
S11 |
S12 |
S13 |
НИЙ |
Измерения отношения U~x и.-=У |
1.0000 |
1 |
0 |
1 |
1 |
1 |
0 |
0 |
0 |
0 |
0 |
0 |
* |
1 |
X0J | |
10.000 |
1 |
0 |
0 |
0 | ||||||||||||
100.00 |
0 |
0 |
1 |
0 | ||||||||||||
1000.0 |
1 |
0 |
1 |
0 | ||||||||||||
.100000 |
«>■ |
1 |
1 |
0 |
0 | |||||||||||
Измерение |
1.00000 |
0 |
0 |
0 |
0 | |||||||||||
сопротив- |
10.0000 |
0 |
1 |
0 |
0 |
1 |
1 |
0 |
0 |
0 |
0 |
0 |
■* |
1 |
kQ | |
ления постоянному току |
100.000 |
0 |
0 |
1 |
0 | |||||||||||
1000.00 |
1 |
0 |
1 |
•о | ||||||||||||
10000.0 |
0 |
0 |
0 |
1 |
Автоматический выбор пределов |
АВТ |
* |
* |
* |
* |
ф |
* |
ф |
* |
ф |
0 |
1 |
* |
1 |
kQ | ||
Режим разового запуска |
* |
* |
* |
* |
ф |
* |
* |
ф |
0 |
* |
0 |
1 |
+ или |
V | |||
со ел |
Запрет |
* |
* |
* |
* |
* |
* |
* |
* |
* |
0 |
* |
♦ |
0 |