Методика поверки «ГСОЕИ. Комплексы измерительные контроля дымовых и выхлопных газов «АСКВГ/ПЭК-3000»» (МП-242-2365-2020)
Федеральное государственное унитарное предприятие
«Всероссийский научно-исследовательский институт метрологии им. Д.И. Менделеева» ФГУП «ВНИИМ им. Д.И. Менделеева»
УТВЕРЖДАЮ директора Менделеева»

А.Н.Пронин
2020 г.
Государственная система обеспечения единства измерений
Комплексы измерительные контроля дымовых и выхлопных газов «АСКВГ/ПЭК-3000»
Методика поверки
МП-242-2365-2020
.о.руководителя научно-исследовательского отдела Государственных эталонов в области физико-химических измерений
А.В.Колобова
Научный сотрудник

________Н.Б. Шор
Санкт-Петербург 2020 г.
Настоящая методика поверки распространяется на комплексы измерительные контроля дымовых и выхлопных газов «АСКВГ/ПЭК-3000» (далее - комплекс), и устанавливает методы и средства его первичной поверки до ввода в эксплуатацию и после ремонта и периодической поверки в процессе эксплуатации.
Последовательность проведения поверки согласно таблице А.1 Приложения А:
-
1 Определение метрологических характеристик (MX) газоаналитических каналов и канала измерений паров воды в целом на объекте (по ГСО и реальной среде).
-
2 Определение MX измерительного канала (ИК) твердых (взвешенных) частиц комплекса в лабораторных условиях и на объекте.
При проведении поверки ИК на объекте в соответствии с Приложением Д устанавливается поправочный коэффициент, соответствующий параметрам реальной газодисперсной среды.
-
3 Определение MX каналов параметров газового потока комплекса:
-
- датчики температуры, давления, скорости - в лабораторных условиях, канал передачи информации - на объекте
или
-
- каждый канал в целом - на объекте.
Первичная поверка комплекса проводится после его опытной эксплуатации на объекте в течение не менее месяца.
При замене отдельных автономных измерительных блоков на аналогичные, входящих в состав комплекса, проводится его первичная поверка для тех измерительных каналов, в которых проведена замена блоков.
1 Операции поверки
1.1 При проведении поверки выполняют операции, указанные в таблице 1. Таблица 1
Наименование операции |
Номер пункта методики поверки |
Обязательность проведения операции | |
при первичной поверке |
1ри периодической поверке | ||
1 Внешний осмотр |
6.1 |
Да |
Да |
2 Опробование |
6.2 | ||
2.1 Проверка общего функционирования |
6.2.1 |
Да |
Да |
2.2 Подтверждение соответствия программного обеспечения |
6.2.2 |
Да |
Да |
2.3 Проверка герметичности пробоотборного зонда с обогреваемой линией |
6.2.3 |
Да |
Да |
3 Определение метрологических характеристик |
6.3 | ||
3.1 Определение погрешности газоаналитических каналов (с использованием ГСО) |
6.3.1 |
Да |
Да |
3.2 Определение погрешности газоаналитических каналов и канала паров воды на объекте (на реальной среде) |
6.3.2 |
Да |
Да |
3.3 Определение погрешности канала твердых (взвешенных) частиц с использованием:
|
6.3.3
|
Да Да |
Нет Да |
3.4 Определение погрешности каналов температуры, давления и скорости |
6.3.4 |
Да |
Да |
-
1.2 Допускается проведение периодической поверки на меньшем числе диапазонов измерений в соответствии с заявлением владельца комплекса с обязательным указанием в свидетельстве о поверке информации об объеме проведенной поверки.
-
1.3 Если при проведении той или иной операции поверки комплекса получен отрицательный результат, дальнейшая поверка прекращается.
-
1.4 Место и условия проведения поверки приведены в таблице А.1 (приложение А).
-
2.1 При проведении поверки применяют средства, указанные в таблице 2.
Таблица 2
Номер пункта методики поверки |
Наименование основного или вспомогательного средства поверки. Требования к средству поверки. Основные метрологические или технические характеристики. |
4,6 |
Прибор комбинированный для измерения температуры, относительной влажности воздуха и абсолютного давления Testo 622 (регистрационный номер в Федеральном информационном фонде по обеспечению единства измерений 53505-13): диапазон измерений температуры от 10°С до 30°С, пределы допускаемой абсолютной погрешности ±0,5 °C; диапазон измерений относительной влажности от 30% до 80%, пределы допускаемой абсолютной погрешности ±3 %; диапазон измерений абсолютного давления от 80 до 110 кПа, пределы допускаемой абсолютной погрешности ±0,5 кПа. |
6.3.1 |
Стандартные образцы состава - газовые смеси (ГС) в баллонах под давлением, приведенные в таблице Б.1 Приложения Б |
Поверочный нулевой газ (ПНГ) - азот газообразный особой чистоты 1-го или 2-го сорта в баллоне под давлением по ГОСТ 9293-74 | |
6.3.2 |
Комплекс переносной измерительный КПП для определения MX газоаналитических ИК автоматических информационно-измерительных систем (АИС) на объекте на реальных средах (регистрационный номер в Федеральном информационном фонде по обеспечению единства измерений 69364-17) |
Генератор влажного газа эталонный «Родник-4М» (регистрационный номер в Федеральном информационном фонде по обеспечению единства измерений 48286-11) или средства измерений и вспомогательные устройства, указанные в прошедших аттестацию в соответствии с ГОСТ Р 8.563 МИ по измерению содержания в промышленных выбросах паров воды Диапазон измерений массовой концентрации паров воды от 50-до 500 г/м3, относительная расширенная неопределенность измерений 5 % (при коэффициенте охвата к =2) | |
Средства измерений и вспомогательные устройства, указанные в прошедших аттестацию в соответствии с ГОСТ Р 8.563 МИ по измерению содержания в промышленных выбросах газовых компонентов Диапазон измерений массовой концентрации диоксида серы от 25,0-до 5,0-103 мг/м3, оксидов азота (в пересчете на диоксид азота) от 20 до 1,0-103 мг/м3 Относительная расширенная неопределенность измерений для: диоксида серы от 12 до 10 %, для оксидов азота (в пересчете на диоксид азота) 12 % (при коэффициенте охвата к =2) |
Номер пункта методики поверки |
Наименование основного или вспомогательного средства поверки. Требования к средству поверки. Основные метрологические или технические характеристики. |
6.3.3 |
Рабочий эталон единицы массовой концентрации частиц в аэродисперсных средах с относительной погрешностью не более ±10 % в соответствии с ГОСТ 8.606-2012 «ГСИ. Государственная поверочная схема для средств измерений дисперсных параметров аэрозолей, взвесей и порошкообразных материалов». Система генерации аэрозольных частиц в составе генератора аэрозоля и камеры аэрозольной. Натрий хлористый по ГОСТ 4233-77. Вода дистиллированная по ГОСТ 6709-72. |
Комплект светофильтров SICK (регистрационный номер 54699-13). | |
6.3.3 |
Средства измерений в соответствии с ГОСТ Р ИСО 9096 Выбросы стационарных источников. Определение массовой концентрации твердых частиц ручным гравиметрическим методом |
Рабочие эталоны единицы скорости воздушного потока в соответствии с Государственной поверочной схемой, утвержденной Приказом Госстандарта от 25.11.2019 г. №2815 | |
6.3.4 |
Калибратор давления портативный Метран 501-ПКД-Р (регистрационный номер в Федеральном информационном фонде по обеспечению единства измерений 22307-09) Манометр грузопоршневой МПА-2,5 (регистрационный номер в Федеральном информационном фонде по обеспечению единства измерений 47376-11); Манометр грузопоршневой 1 разряда (регистрационный номер в Федеральном информационном фонде по обеспечению единства измерений 52189-16) |
Термостат жидкостный серии «ТЕРМОТЕСТ» (регистрационный номер в Федеральном информационном фонде по обеспечению единства измерений 39300-08) Термометр сопротивления эталонный ЭТС-100 (регистрационный номер в Федеральном информационном фонде по обеспечению единства измерений 19916-10) Термометр цифровой малогабаритный ТЦМ 9410 Ех/М1 в комплекте с термопреобразователями сопротивления ТГЦ 01-350-1 и ТТЦ 06-1300-1 (регистрационный номер в Федеральном информационном фонде по обеспечению единства измерений 32156-06) | |
Калибратор электрических сигналов СА71 (регистрационный номер в Федеральном информационном фонде по обеспечению единства измерений 53468-13) | |
Вентиль точной регулировки ВТР-1 (или ВТР-1-М160), диапазон рабочего давления (0-150) кгс/см2, диаметр условного прохода 3 мм | |
6.3.1 |
Ротаметр РМ-А-0,063 ГУЗ, ГОСТ 13045-81, верхняя граница диапазона измерений объемного расхода 0,063 м3/ч, кл. точности 4 |
Трубка фторопластовая по ТУ 6-05-2059-87, диаметр условного прохода 5 мм, толщина стенки 1 мм |
-
2.2 Допускается применение аналогичных средств измерений, обеспечивающих определение метрологических характеристик поверяемого комплекса с требуемой точностью.
-
2.3 Все средства измерений должны иметь действующие свидетельства о поверке, газовые смеси и ПНГ в баллонах под давлением - действующие паспорта, эталоны - действующие свидетельства об аттестации.
-
3.1 Помещение, в котором проводят поверку, должно быть оборудовано приточно-вытяжной вентиляцией.
-
3.2 Концентрации вредных компонентов в воздухе рабочей зоны не должны превышать значений, приведенных в ГОСТ 12.1.005-88.
-
3.3 При работе с комплексом необходимо соблюдать «Правила технической эксплуатации электроустановок потребителей», утверждённые приказом Минэнерго РФ № 6 от13.01.2003 и «Правила по охране труда при эксплуатации электроустановок», утверждённые приказом Минтруда России № 328н от 24.07.2013, введённые в действие с 04.08.2014.
-
3.4 Требования техники безопасности при эксплуатации ГС в баллонах под давлением должны соответствовать Федеральным нормам и правилам в области промышленной безопасности "Правила промышленной безопасности опасных производственных объектов, на которых используется оборудование, работающее под избыточным давлением", утвержденным приказом Федеральной службы по экологическому, технологическому и атомному надзору от 25.03.2014 г. №116.
-
3.5 Не допускается сбрасывать ГС в атмосферу рабочих помещений.
-
3.6 К поверке допускаются лица, изучившие эксплуатационную документацию на комплекс и прошедшие необходимый инструктаж.
При проведении поверки следует соблюдать следующие условия:
-
- температура окружающей среды, °C в соответствии с таблицей А.1 (приложение А);
-
- атмосферное давление, кПа от 90,6 до 104,6;
-относительная влажность воздуха, %, не более 80.
5 Подготовка к поверке-
5.1 Перед проведением поверки должны быть выполнены следующие подготовительные работы:
-
5.1.1 Подготавливают комплекс к работе в соответствии с требованиями его эксплуатационной документации.
-
5.1.2 Подготавливают к работе средства поверки, указанные в таблице 2, в соответствии с требованиями их эксплуатационной документации.
-
5.1.3 Проверяют наличие паспортов и сроки годности ГС.
-
5.1.4 Баллоны с ГС выдерживают в помещении, в котором проводят поверку, в течение не менее 24 ч.
-
5.1.5 Включают приточно-вытяжную вентиляцию.
-
5.1.6 При проведении поверки с использованием ГСО - газовых смесей (п.6.3.1.1) подсоединяют фторопластовую трубку с выхода вентиля точной регулировки, установленного на баллоне с ГС, через тройник на вход подачи газа пробоотборного зонда в соответствии с рисунком 1 Приложения В).
-
Расход ГС должен быть на 10-20 % выше расхода, потребляемого газоанализатором. Контроль расхода на сбросе осуществляют при помощи ротаметра, подключенного к тройнику.
-
5.1.7 При проведении поверки на реальной среде с использованием пробы газовых выбросов выполняют одну из следующих операций:
а) проводят отбор пробы в сосуд с поглотительным раствором в соответствии с МИ, прошедшей аттестацию в соответствии с ГОСТ Р 8.563 по измерению содержания в промышленных выбросах газовых компонентов и в аккредитованной лаборатории измеряют в ней содержание компонентов: NOX (в пересчете на NO2) и SO2 по вышеуказанной МИ.
б) устанавливают поверочный комплекс КПИ (далее - КПИ) в условиях размещения поверяемого комплекса, в состав которого входит газоанализатор; зонд КПИ вставляют в технологическое отверстие дымовой трубы рядом с зондом поверяемого комплекса, подключают к зонду трубопровод и проводят их нагрев до требуемой температуры (температуры зонда поверяемого комплекса) в соответствии с РЭ на КПИ.
Примечание: Допускается подключение зонда КПИ к тройнику, установленном}7 на обогреваемом трубопроводе поверяемого комплекса (перед подачей анализируемого газа на вход газоанализатора).
Продувают зонд и трубопровод КПИ после их нагрева 10-ти кратным объемом анализируемого газа, после чего проводят измерение содержания оксидов азота (по шкале NOX).
-
6 Проведение поверки
-
6.1.1 При внешнем осмотре комплекса, в т.ч. проботборного зонда и обогреваемой линией, должно быть установлено отсутствие внешних повреждений и загрязнений, влияющих на работоспособность.
-
6.1.2 Комплектность и маркировка должны соответствовать указанным в Руководстве по эксплуатации.
-
6.1.3 Для средств измерений (СИ) должны быть установлены:
-
- исправность органов управления, настройки и коррекции;
-
- четкость всех надписей на лицевых панелях СИ;
-
- четкость и контрастность цифровых дисплеев СИ.
-
6.1.4 Для пробоотборного зонда с обогреваемой линией должно быть установлено соответствие температуры, указанной в паспорте, температуре точки росы для конкретного объекта с учетом запаса 15 °C.
-
6.1.5 Комплекс считается выдержавшим внешний осмотр удовлетворительно, если она соответствует всем перечисленным выше требованиям.
-
6.2.1 Проверка общего функционирования
Проверку общего функционирования средств измерений и устройств в составе комплекса проводят в процессе тестирования при их запуске в соответствии с РЭ на приборы.
Результаты проверки считают положительными, если:
-отсутствует информация об отказах элементов, входящих в состав комплекса;
-на дисплее датчиков ИК индицируется текущая информация об измеряемых параметрах;
-на мониторе персонального компьютера (ПК) комплекса для всех ИК поверяемого комплекса индицируется текущая информация об измеряемых параметрах.
-
6.2.2 Подтверждение соответствия программного обеспечения
Операция «Подтверждение соответствия программного обеспечения» состоит из следующих этапов:
-
- определение идентификационного наименования и номера версии (идентификационного номера) ПО производственного уровня (ASKVG_SCADA) и ПО контроллера TREI-5B-05 серии ECO (ASKVG_PLC);
-
- определение идентификационного наименования, номера версии (идентификационного номера) и контрольной суммы ПО ASKVG_PLC;
-
- определение идентификационного наименования, номера версии (идентификационного номера) и контрольной суммы ПО ASKVG_SCADA.
При поверке проводят визуализацию идентификационных данных ПО метрологически значимой части ПО производственного уровня (ASKVG_SCADA) с помощью сверки хеш-суммы в соответствии с разделом 4 Руководства по эксплуатации по запросу пользователя. Идентификация ПО ASKVG_SCADA осуществляется по номеру версии ПО и цифровому идентификатору, рассчитанному по алгоритму MD5. Цифровой идентификатор файла SCADA.vav, расположенный в корневой папке проекта, рассчитывается стандартным ПО. После нажатия на надпись: «Версии ПО» в верхнем левом углу на дисплее выводится версия ПО ASKVG_SCADA.
Идентификация ПО ASKVGJPLC осуществляется по номеру версии ПО. Версии ПО ASKVG_PLC определяется в специализированном ПО Epsilon LD, поставляемом комплектно с контроллером Regul R200. Для определения версии ПО ASKVG_PLC в ПО Epsilon LD необходимо открыть вкладку «Сервис ПЛК», где отобразятся версии ПО ASKVG_PLC, последняя из которых будет являться текущей версией ПО ASKVG_PLC.
Результат подтверждения соответствия программного обеспечения считается положительным, если полученные идентификационные данные соответствуют идентификационным данным, указанным в разделе «Программное обеспечение» описания типа средства измерений.
-
6.2.3 Проверка герметичности пробоотборного зонда с обогреваемой линией
Проверка осуществляется подачей ПГС № 1 - ПНГ (азот газообразный в баллоне под давлением по ГОСТ 9293-74) и ПГС №2 (O2/N2) (таблица Б.1 приложения Б) на вход комплекса, имеющего канал измерений кислорода, через устройство отбора и подготовки пробы, в порт калибровки зонда (перед фильтром).
Предварительно подают указанные выше ПГС непосредственно на вход газоанализатора.
Подачу ГС проводят в соответствии с п.5.1.6.
Результаты считаются положительными, если изменение показаний по каналу измерений кислорода не превышает:
0,2 % об. (при подаче ГС № 1 и № 2 в диапазоне измерений от 0 до 5 % об.) и
-
4 % отн. (при подаче ГС № 2 в диапазоне измерений св.5 до 25 % об.).
-
6.3.1 Определение погрешности газоаналитических каналов (с использованием ГСО)
Определение погрешности проводят при поочередной подаче ПГС на вход пробоотборного зонда в последовательности: №№ 1-2-3-2-1-3 для каждого поверяемого канала и считывании показаний с дисплея газоанализатора и монитора ПК комплекса.
Подачу ПГС проводят в соответствии с пунктом 5.1.6. Номинальные значения содержания измеряемых компонентов в ПГС приведены в таблице Б.1 приложения Б.
Значения приведенной погрешности (у в %) для диапазонов, приведенных в таблице, Г.1 Приложения Г), рассчитывают для каждой ГС по формуле:

(6.1)
где:
Ci - показания монитора ПК комплекса при подаче i-ой ПГС, мг/м1 ( % об.);
Са - действительное значение массовой концентрации (объемной доли) определяемого компонента в ПГС, мг/м3(% об.);
Ск - верхний предел диапазона измерений, мг/м3 (% об.).
Значения относительной погрешности (8 в %) для диапазонов, приведенных в таблице Г.1 приложения Г, рассчитывают для каждой ГС по формуле:

(6.2)
где:
Ci - показания монитора ПК комплекса при подаче i-ой ПГС, мг/м (% об.);
Сд - действительное значение массовой концентрации (объемной доли) определяемого компонента в ПГС, мг/м3, ((% об.);
Результаты определения считают положительными, если полученные значения погрешности) не превышают пределов допускаемой основной погрешности каналов, приведенных в таблице Г. 1. Приложения Г.
-
6.3.2 Определение погрешности газоаналитических каналов и канала паров воды на объекте (на реальной среде)
-
6.3.2.1 Определение погрешности газоаналитических каналов (в комплекте с пробоотборным зондом с обогреваемой линией на объекте с использованием реальной среды (пробы газовых выбросов), в которой измерение содержания компонентов проводится с отбором пробы в поглотительный сосуд в соответствии с методики измерений, прошедшей аттестацию в соответствии с ГОСТ Р 8.563 по измерению содержания в промышленных выбросах газовых компонентов
-
Примечание - Допускается применение других СИ или стандартизованных методов или аттестованных МИ, зарегистрированных в Федеральном информационном фонде по обеспечению единства измерений, и обеспечивающих измерение с требуемой точностью.
Число измерений - в соответствии с МИ или в течение 20 мин каждые 5 мин для КПИ.
Одновременно проводят отсчет показаний по дисплею газоанализатора и монитора ПК комплекса.
Значения приведенной (относительной) погрешности для диапазонов измерений, в которых нормированы пределы допускаемой приведенной (относительной) погрешности (таблица Г.2 Приложения Г), рассчитывают по формулам 6.1 и 6.2, где Сд - результат измерения, полученный по МИ в аккредитованной лаборатории или показания дисплея КПИ, мг/м3, (% об.).
-
6.3.2.2 Определение погрешности канала паров воды проводится на объекте с использованием реальной среды (проба газовых выбросов), в которой объемную долю паров воды измеряют в соответствии с МИ, прошедшей метрологическую аттестацию в соответствии с ГОСТ Р 8.563 по измерению содержания в промышленных выбросах паров воды
Значения приведенной (относительной) погрешности для диапазонов измерений паров воды , в которых нормированы пределы допускаемой приведенной (относительной) погрешности (Таблица Г.4 Приложения Г), рассчитывают по формулам 6.1 и 6.2, где Q - результат измерения объемной доли, %, полученный по МИ в аккредитованной лаборатории.
Результаты определения считают положительными, если полученные значения погрешности не превышают значений, приведенных таблице Г.4 приложения Г.
-
6.3.3 Определение погрешности канала твердых (взвешенных) частиц
-
6.3.3.1 Определение погрешности канала твердых (взвешенных) частиц с использованием тестового аэрозоля
-
Подключить измерительный блок анализатора пыли из состава поверяемого комплекса к камере аэрозольной согласно рекомендациям по монтажу, приведённым в его ЭД.
Подключить анализатор пыли (пробоотборное устройство) из состава рабочего эталона к камере аэрозольной.
Перевести систему генерации аэрозольных частиц в режим создания тестового аэрозоля.
Установить на генераторе скорость подачи тестового аэрозоля, обеспечивающую значение (50±10) % диапазона измерений массовой концентрации пыли анализатора из состава поверяемого комплекса. Контроль массовой концентрации осуществлять с помощью рабочего эталона. В соответствии с ЭД на анализатор из состава поверяемого комплекса выполнить установку градуировочного коэффициента. Продуть камеру аэрозольную чистым воздухом после окончания измерений.
Произвести анализатором из состава поверяемого комплекса и рабочим эталоном измерение массовой концентрации пыли в камере аэрозольной, последовательно устанавливая на генераторе скорость подачи тестового аэрозоля, обеспечивающую следующие значения диапазона измерений массовой концентрации пыли анализатора из состава поверяемого комплекса: (10±5), (50±5), (90±5) %.
Записать в протокол поверки полученные по результатам измерений значения.
Приведённую и относительную погрешности измерений массовой концентрации пыли ус, %, и дс, %, для всех полученных значений вычислить соответственно по формулам:
ус = С“~С" 100 (6.4)
<5с = ^-^-100, (6.5)
где:
-
- Си, мг/м', - измеренное значение массовой концентрации пыли, полученное анализатором из состава поверяемого комплекса;
-
- Сд, мг/м3 - действительное значение массовой концентрации пыли, полученное на рабочем эталоне;
-
- Сн, мг/м3 - номинальное значение, равное 10 в диапазоне измерений от 0 до 10 мг/м3.Приведённая и относительная погрешности не должны превышать ±25 %.
-
6.3.3.2 Определение погрешности канала твердых (взвешенных) частиц с использованием комплекта светофильтров.
Согласно ЭД подготовить анализатор из состава поверяемого комплекса для проведения измерений спектрального коэффициента направленного пропускания.
Произвести анализатором измерение спектрального коэффициента направленного пропускания для всех светофильтров из комплекта.
Записать в протокол поверки полученные по результатам измерений значения, где: т~
-
- «, % - измеренное значение спектрального коэффициента направленного
пропускания, полученное поверяемым анализатором;
-
- Тд, % - действительное значение спектрального коэффициента направленного пропускания, приведённое в паспорте (свидетельстве о поверке, сертификате калибровки) на комплект светофильтров.
Относительную погрешность измерений спектрального коэффициента направленного пропускания %, для всех полученных значений вычислить по формуле:
Зт - .100, (6.6)
Относительная погрешность не должна превышать ±5 %.
-
6.3.4 Определение погрешности каналов температуры, давления и скорости
Определение погрешности каналов температуры, давления и скорости проводят поэлементным или комплектным методом с использованием эталонной системы для определения параметров газопылевого потока на объекте (без демонтажа) или в лабораторных условиях (демонтаж всего ИК).
Поэлементная поверка проводится при наличии на первичные измерительные преобразователи, входящих в состав указанных каналов, действующих свидетельств о поверке (с демонтажом преобразователя).
При их отсутствии проводится поверка каждого канала в целом (комплектная поверка) на объекте (без демонтажа) или в лабораторных условиях (демонтаж всего ИК).
-
6.3.4.1 Поэлементный метод заключается в определении погрешности каналов параметров газового потока - температуры, давления, скорости (объемного расхода), имеющим в своем составе первичный измерительный преобразователь (ПИП) с аналоговым выходным сигналом в следующем порядке:
-
- определение погрешности ПИП;
-
- определение погрешности канала передачи информации.
-
1) Определение погрешности первичных преобразователей (датчиков).
Определение погрешности первичных преобразователей (датчиков) выполняется в лабораторных условиях после их демонтажа в соответствии с утвержденными методиками поверки.
Определяют основную погрешность ПИП на основании результатов поверки ПИП (по свидетельству о поверке и, при наличии, протоколу поверки).
Результаты определения считаются удовлетворительными, если полученные значения погрешности (основной или в условиях эксплуатации) датчиков не превышают значений, приведенных в описании типа на соответствующие датчики (см. таблицу Г.4).
-
2) Определение погрешности канала передачи информации для каналов давления и скорости
Определение погрешности канала передачи информации (далее - канала) проводят на месте их установки.
Входными сигналами указанных каналов являются унифицированные токовые сигналы стандартных преобразователей объемного расхода, давления , температуры в диапазоне от 4 до 20 мА.
На вход канала подают унифицированный токовый сигнал в диапазоне от 4 до 20 мА от источника постоянного тока (калибратор электрических сигналов). При поверке выполняют по одному измерению в каждой выбранной точке поверки.
Значения выходных величин выводят на экран монитора ПК комплекса.
Определение погрешности канала передачи информации проводят в следующей последовательности:
Отключают первичные преобразователи и подключают средства поверки к соответствующим каналам, включая линии связи.
С помощью калибратора устанавливают на входе канала ввода аналогового сигнала электрические сигналы (от 4 до 20 мА), соответствующие значениям измеряемого параметра. Задают не менее пяти значений измеряемого параметра, равномерно распределенных в пределах диапазона измерений (например, 0; 25; 50; 75 и 100 %) и через 10 секунд считывают значение параметра с экрана ПК комплекса с ПО.
Значение измеряемой величины (Ад), соответствующее заданному значению силы постоянного тока /3 , мА, рассчитывают по формуле:
Ад = К (Л -4) -|Л0| (6.7)
где 13 - показания калибратора в каждой точке проверки, мА;
Ао- нижнее значение диапазона измерений (в единицах измеряемой величины);
К - коэффициент преобразования, рассчитываемый по формуле, единица измеряемой величины, мА.
К = Л~Л ■ (6.8)
1.-1.
где Ав Ан - верхнее и нижнее значение диапазона измерений, соответственно, в единицах измеряемой величины.
1в, I„ - верхнее и нижнее значение диапазона измерений аналогового выхода, соответственно, мА.
Расчет погрешности канала передачи информации
Значение приведенной погрешности канала передачи информации в уп в % рассчитывают для каждой точки проверки по формуле:
у„ = 4—Т-’ОО (6.9)
А-Агде Д-измеренное комплексом значение определяемого параметра (по монитору компьютера с ПО), в единицах измеряемой величины;
Ав, Ан- верхнее и нижнее значение диапазона измерений, соответственно, в единицах измеряемой величины.
Значение относительной погрешности канала передачи информации в (в %) рассчитывают для каждой точки проверки по формуле
А = Л'~Л° too (6.Ю)
Лгде Д-измеренное комплексом значение определяемого параметра (по монитору компьютера с ПО), в единицах измеряемой величины;
Д> - действительное значение определяемого параметра, рассчитанное по формуле 6.7, в единицах измеряемой величины.
-
3) Определение погрешности канала передачи информации для канала температуры Определение погрешности канала передачи информации проводят на месте их установки. Входным сигналом для канала измерения температуры является вольтовый сигнал от термопары.
На вход канала подают напряжение с помощью калибратора электрических сигналов СА-71, включенного в режиме имитации термопары (режим ТХА (К)). Задают не менее пяти значений температуры, равномерно распределенных в пределах диапазона измерений (например, минус 40 °C, О °C; 200 °C; 400 °C и 800 °C) и через 10 секунд считывают значение параметра с экрана ПК комплекса с ПО.
Значение абсолютной погрешности канала передачи информации (Ав °C) рассчитывают для каждой точки проверки по формуле:
А = 7;-Гд
(6.11)
где
Г, - измеренное комплексом значение температуры (по монитору компьютера с ПО), °C;
Т() - действительное значение температуры, воспроизводимое с помощью калибратора, °C.
Результаты определения считают положительными, если полученные значения погрешности канала передачи информации не превышают 0,2 долей от пределов допускаемой погрешности канала измерений каждого параметра.
7 Оформление результатов поверки-
7.1 При проведении поверки составляется протокол результатов измерений, в котором указывается соответствие комплекса предъявляемым к ней требованиям. Форма протокола поверки приведена в Приложении Е.
-
7.2 Комплекс, удовлетворяющий требованиям методики поверки, признаются годной к применению.
-
7.3 Положительные результаты поверки оформляются свидетельством о поверке по установленной форме.
-
7.4 При отрицательных результатах поверки применение комплекса запрещается и выдается извещение о непригодности.
-
7.5 Знак поверки наносится на свидетельство о поверке.
(обязательное)
Таблица А. 1- Условия определения MX измерительных газоаналитических каналов и паров воды в комплекте с пробоотборным зондом и обогреваемой линией
Наименование измерительного канала |
Условия |
Место проведения поверки |
Температура окружающей среды, °C |
Газовые каналы |
Поверка с использованием ГСО11 |
В лабораторных условиях |
от +15 до +25 |
Периодическая поверка с использованием реальной среды, без демонтажа |
На объекте |
от 0 до +40 | |
Канал измерений паров воды |
Поверка в составе АИС с использованием реальной среды, без демонтажа |
На объекте |
от 0 до +40 |
Канал твердых (взвешенных) частиц |
Первичная поверка с использованием тестового аэрозоля и комплекта светофильтров Периодическая поверка с использованием комплекта светофильтров |
В лабораторных условиях На объекте |
от +15 до +25 от +5 до +40 |
Канал измерений параметров (температура, давление, скорость газового потока |
Поверка первичных преобразователей (датчиков) (с демонтажом) |
В лабораторных условиях |
от +15 до +25 |
Проверка каналов передачи информации, без демонтажа |
На объекте |
от 0 до 40 |
1 ’Допускается проведение поверки на объекте при условии выполнения требований раздела 4 МП.
Приложение Б(обязательное)
Таблица Б.1 Перечень и метрологические характеристики ГС, используемых при поверке
Определяемый компонент |
Диапазоны измерений объемной доли, млн’1 (ppm), % |
Номинальное значение объемной доли определяемого компонента в ГС, пределы допускаемого отклонения, млн'1 |
Источник получения ГС (Номер ГСО) | ||
ПГС №1 |
ПГС №2 |
ПГС №3 | |||
о2 |
от 0 до 5 включ. св.5 до 25 |
ПНГ* |
5±1 % (об.) |
23±2 % (об.) |
ГСО 10531-2014 (O2/N2), |
СО |
от 0 до 20 вкл. св. 20 до 75 |
ПНГ |
20±2 |
65±6 |
ГСО 10546-2014 (CO/N2) |
от 0 до 100 вкл. св. 100 до 500 |
ПНГ |
100±10 |
450±50 | ||
от 0 до 200 вкл. св. 200 до 750 |
ПНГ |
200±20 |
650±65 | ||
NO |
от 0 до 25 включ. |
ПНГ |
12±1 |
22±3 |
ГСО 10546-2014 (NO/N2) |
от 0 до 100 включ. св. 100 до 300 |
ПНГ |
100±10 |
270±30 | ||
от 0 до 300 включ. св.ЗООдо 1000 |
ПНГ |
ЗОО±ЗО |
900±100 | ||
no2 |
от 0 до 50 включ. |
ПНГ |
25±2,5 |
45±5 |
ГСО 10546-2014 (NO2/N2) |
от 0 до 100 включ. св. 100 до 500 |
ПНГ |
100±10 |
450±50 | ||
от 0 до 200 включ. св.200 до 750 |
ПНГ |
200±20 |
650±65 | ||
SO2 |
от 0 до 75 включ. |
ПНГ |
35±5 |
65±6 |
ГСО 10546-2014 (SO2//N2) |
от 0 до 100 включ. св. 100 до 500 |
ПНГ |
100±10 |
450±50 | ||
от 0 до 500 включ. св.500 до 1000 |
ПНГ |
500±50 |
900±100 | ||
от 0 до 1000 включ. св. 1000 до 5000 |
ПНГ |
1000±100 |
4700±250 | ||
п ПНГ - поверочный нулевой газ - азот газообразный по ГОС' т.ч. и для кислорода). 2) Допускается использование стандартных образцов сост< многокомпонентных, не указанных в настоящей методике пов условий:
Информация о стандартных образцах состава газовых смесей сайте Федерального информационного фонда по обе (http://fundmetrology.ru). |
' 9293-74 (для всех компонентов, в ава газовых смесей (ГС), в т.ч. ерки, при выполнении следующих ения содержания определяемого ветствующей ГС в таблице; веденных в таблице ГСО. утвержденного типа доступна на спечению единства измерений |
(рекомендуемое)
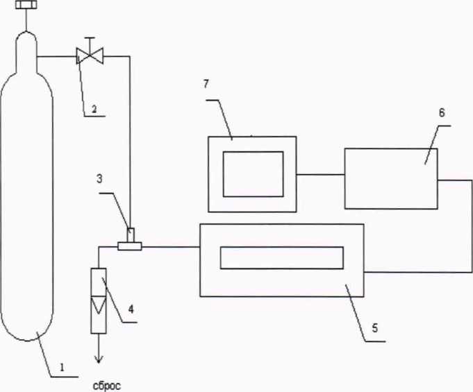
Структурная схема поверки газоаналитических ИК

1 - баллон с ГС; 2 - вентиль точной регулировки; 3 - тройник; 4 - индикатор расхода (ротаметр);
-
5 - газоанализатор с устройством отбора и подготовки пробы; 6 - контроллер; 7 - ПК автоматизированного рабочего места.
Рисунок В.1 - схема подачи ПГС из баллонов под давлением на вход комплекса
Приложение Г(рекомендуемое)
Таблица Г.1 - Метрологические характеристики газоаналитических каналов системы с
(газоанализатор с устройством отбора и подготовки пробы) и канала измерений твердых (взвешенных) частиц
Измерительный канал (определяемый компонент) |
Диапазон показаний |
Диапазон измерений” |
Пределы допускаемой основной погрешности, % | |||
массовой концентрации, мг/м3 |
объемно й доли, % |
массовой концентрации2*, мг/м3 |
объемно й доли, % |
приведен- -3) нои 1 |
относитель ной | |
SO24’ |
от 0 до 75 |
- |
от 0 до 75 включ. |
- |
±8 |
- |
от 0 до 500 |
- |
от 0 до 100 включ. св. 100 до 500 |
- |
±8 |
±8 | |
so24) |
от 0 до 1000 |
- |
от 0 до 500 включ. св.500 до 1000 |
- |
±8 |
±8 |
от 0 до 5000 |
- |
от 0 до 1000 включ. св. 1000 до 5000 |
- |
±6 |
±6 | |
NO |
от 0 до 25 |
- |
от 0 до 25 включ. |
- |
± 10 | |
от 0 до 300 |
- |
от 0 до 100 включ. св. 100 до 300 |
- |
±8 |
±8 | |
от 0 до 1000 |
- |
от 0 до 300 включ. св.300 до 1000 |
- |
±8 |
±8 | |
no2 |
от 0 до 50 |
от 0 до 50 включ. |
- |
±10 | ||
от 0 до 500 |
от 0 до 100 включ. св. 100 до 500 |
- |
±8 |
±8 | ||
от 0 до 750 |
от 0 до 200 включ. св.200 до 750 |
- |
±8 |
±8 | ||
CO |
от 0 до 75 |
- |
от 0 до 20 вкл. св. 20 до 75 вкл. |
- |
±8 |
±6 |
от 0 до 500 |
- |
от 0 до 100 вкл. св. 100 до 500 включ. |
- |
±6 |
±6 | |
от 0 до 750 |
- |
от 0 до 200 вкл. св. 200 до 750 включ. |
- |
±6 |
±6 |
Продолжение таблицы Г.1
Измерительны й канал (определяемый компонент или параметр) |
Диапазон показаний |
Диапазон измерений” |
Пределы допускаемой основной погрешности, % | |||
массовой концентрац ии, мг/м3 |
объемно й доли, % |
массовой концентрации 2), мг/м3 |
объемной доли, % |
приведен--3) нои |
относитель ной | |
о2 |
- |
от 0 до 25 |
- |
от 0 до 5 включ. св.5 до 25 |
±4 |
±4 |
” Конкретные компоненты и диапазоны измерений определяются при заказе и указываются в паспорте на комплекс. При отличии верхнего значения 2-го диапазона измерений от указанных в таблице, выбирают тот диапазон, который включает это верхнее значение. Номинальная цена единицы наименьшего разряда измерительных каналов: 0,1 мг/м' - для всех компонентов (кроме О2 и Н2О) в диапазоне от 0 до 25 мг/м3; 1 мг/м'" для остальных диапазонов; твердые (взвешенные) частицы 0,1 мг/м3,0,01 % об.- для О2.
41 Газоанализатор GMS800 различных модификаций. |
Таблица Г.2 - Метрологические характеристики измерительного канала твердых (взвешенных) частиц
Измерительный канал (определяемый компонент или параметр) |
Диапазон показаний |
Диапазон измерений |
Пределы допускаемой основной погрешности, % | |
приведенной” |
относит ельной | |||
Массовая концентрация, мг/м ' |
от 0 до 200 |
от 0 до 10 включ. св. 10 до 200 |
±25 |
±25 |
Коэффициент светопропускания, % |
от 0 до 100 |
от 5 до 95 |
- |
±5 |
‘Приведенная к верхнему пределу диапазона измерений. |
Таблица Г.З - Диапазоны измерений и пределы допускаемой погрешности газоаналитических каналов и канала измерений твердых (взвешенных) частиц комплекса в условиях эксплуатации
Определяемый компонент |
Диапазон измерений1’ массовой концентрации, мг/м |
Пределы допускаемой погрешности, % | |
приведенной21 |
относительной | ||
SO2 |
от 0 до 35 включ. св.35 до 75 |
±25 |
±(36,4-0,325-С) '* |
от 0 до 50 включ. св.50 до 500 |
±25 |
±(26,5-0,029 С)1* | |
от 0 до 120 включ. св. 120 до 1000 |
±25 |
±(26,8-0,0148 С)1’ | |
от 0 до 450 включ. св.450 до 5000 |
±25 |
±(26,3-0,003 С)” |
N0 |
от 0 до 15 включ. св. 15 до 25 |
±25 |
±(40-С)° |
от 0 до 50 включ. св.5О до 300 |
±25 |
±(27,6-0,052С)° | |
от 0 до 250 включ. св. 250 до 1000 |
±25 |
±(29,3-0,017С)” | |
no? |
от 0 до 30 включ. св.ЗО- до 50 |
±25 |
±(40-0,5С)' |
от 0 до 50 включ. св.50 до 500 |
±25 |
±(26,5-0,0290° | |
от 0 до 100 включ. св. 100 до 750 |
±25 |
±(27,0-0,02С)° | |
Определяемый компонент |
Диапазон измерений” массовой концентрации, мг/м3 |
Пределы допускаемой погрешности, % | |
приведенной2’ |
относительной | ||
NOX (в пересчете на NO?)3) |
от 0 до 50 включ. св. 50- до 90 |
±25 |
±(41,2-0,325С)' |
от 0 до 125 включ. св. 125 до 1000 |
±25 |
±(26,8-0,015 С)° | |
от 0 до 500 включ. св.500 до 2200 |
±25 |
±(28,8-0,008 С)° | |
СО |
от 0 до 35 вкл. св. 35 до 75 вкл. |
±25 |
±(36,4-О,325 С)° |
от 0 до 35 вкл. св. 35 до 500 вкл. |
±25 |
±(26,2-0,0340° | |
от 0 до 75 вкл. св. 75 до 750 вкл |
±25 |
±(26,8-0,0240° | |
Твердые (взвешенные) частицы |
от 0 до 10 включ. св. 10 до 200 |
±25 |
±25 |
С- измеренное значение массовой концентрации, мг/м3.
2) Приведенная к верхнему пределу диапазона измерений.
3’Сумма оксидов азота NOX (в пересчете на NO2) является расчетной величиной.
Массовая концентрация оксидов азота (Смох) в пересчете на NO? рассчитывается по формуле: Cnox=C N02+1,53 • С no
где Cno2 и Cno — измеренные значения массовой концентрации диоксида азота и оксида азота, мг/м3, соответственно.
Таблица Г.4 - Метрологические характеристики для измерительных каналов параметров газового потока в условиях эксплуатации
Тип прибора (регистрацонны й номер) |
Измерительный канал (определяемый параметр) |
Метод измерений |
Диапазон измерений” |
Пределы допускаемой основной погреш-7) ности |
Пределы допускаемой погрешности в условиях эксплуатации |
Deltaflow модели DF-44 (60848-15) |
Объемный расход2’ |
По перепаду давления |
от 7,2-102 до 2,2-105м3/ч |
±3 % (отн.) |
±7 % (отн.) |
FlowsiclOO (43980-10) |
Скорость газового потока |
Ультразву ковой |
от 0,3 до 120 м/с |
- |
±3 % (отн.) |
Объемный расход3' |
Расчет |
от 1,1105 до 43 106м’/ч |
- |
± >)2+(^s)2 % (отн.)4' | |
Метран-150 моделей Метран-150ТА, Метран-150TAR (32854-13) |
Абсолютное давление |
Тензорез истивный |
от 0 до 102 кПа |
±0,5% (привед.) |
±2 % (привел.)6' |
АИР-20 (63044-16) |
Абсолютное давление |
Тензорез истивный |
от 0 до 1000 кПа |
±1,0 % (привел.) 6) | |
ТП-0198 Исполнение ТХА (К) КД1 (61084-15) |
Температура |
Термоэле ктрическ ИЙ |
от -40 до +1250 °C |
- |
±5 °C (абс.)8) |
НМТ 360 исполнение НМТ 368 |
Объемная доля паров воды5’ (Н2О) |
- |
от 3 до 10 в ключ. св. 10 до 30 |
±25 % (привел.)6' ±25 % (отн.) | |
1 ' Диапазоны измерений и перечень измеряемых компонентов определяются при заказе.
41 Объемный расход дымовых газов (влажных) в устье источника загрязнения рассчитывается как произведение скорости дымовых газов и площади сечения газохода. Пределы допускаемой относительной погрешности расчета объемного расхода в рабочих условиях определяются по приведенной в таблице формуле, где 8V - относительная погрешность измерения скорости газового потока 8S - относительная погрешность допускаемая расходомером при вычислении площади сечения газохода. 51 Расчетное значение Номинальная цена единицы наименьшего разряда измерительных каналов: температуры 0,1 °C, давления 0,1 кПа, скорости 0,01 м/с, расхода 1 м3/ч, паров Н2О 0,1 % об. 6'Приведенные к верхнему пределу диапазона измерений. 7'Нормальные условия измерений:
8) Пределы допускаемого отклонения ТС от НСХ ,°С |
Определение поправочного коэффициента на объекте (на реальной среде) для канала твердых
(взвешенных) частиц
После определения MX ИК взвешенных частиц по тестовым аэрозолям и/или светофильтрам в лабораторных условиях, и установки на объекте (на стационарном источнике загрязнения окружающей среды), проводится определение поправочного коэффициента (Кп) с учетом значений массовой концентрации, полученных с применением оборудования и согласно процедурам, рекомендованным в ГОСТ Р ИСО 9096 «Выбросы стационарных источников. Определение массовой концентрации твердых частиц ручным гравиметрическим методом» (далее - МИ).
Примечание: Допускается применение других стандартизованных методов, оформленных в виде ГОСТ или аттестованных МИ, или средств поверки, внесенных в Федеральный информационный фонд по обеспечению единства измерений, имеющих запас по точности и действующее свидетельство о поверке.
Работы по определению поправочного коэффициента осуществляются в соответствии с требованиями эксплуатационной документации (ЭД) на комплекс при проведении поверки. Рекомендуемые настройки поверяемого анализатора при определении поправочного коэффициента приведены в ЭД.
Указанный коэффициент определяют при стабильных условиях технологического процесса по показаниям анализатора пыли с одновременным отбором проб и измерением массовой концентрации пыли гравиметрическим методом и вводят в программное обеспечение (ПО) ИК взвешенных частиц при поверке и при изменении режимов работы объекта (замена топлива и т.д.).
Количество измерений и место отбора проб выбирают согласно рекомендациям МИ. Место отбора проб выбирают таким образом, чтобы свести к минимуму влияние отбора пробы на показания поверяемого анализатора.
Время отбора пробы на фильтр - в соответствии с МИ. Отсчет показаний анализатора -каждые 5 мин в течение времени отбора пробы.
Значение Knj для рассчитывают по формуле

(1)
где С - значение массовой концентрации пыли, определенной гравиметрическим методом, мг/м ,
А - среднее арифметическое значение показаний анализатора пыли за время отбора пробы на фильтр, мг/м3;
Полученное значение Кп вводится в программное обеспечение (ПО) анализатора или ИК пыли в соответствии с ЭД. Значение Кп указывается в свидетельстве о поверке на комплекс.
Приложение Е(рекомендуемое)
Протокол поверки
Наименование СИ:_______________________________________________________
Зав. №____________________
Дата выпуска_______________
Регистрационный номер:____________.
Заказчик:_________________________________________________________________________
Серия и номер клейма предыдущей поверки:___________________________________
Дата предыдущей поверки:___________________________________________________
Методика поверки:__________________________________________________________
Основные средства поверки:__________________________________________________
Условия поверки:
температура окружающей среды °C
относительная влажность воздуха %
атмосферное давление кПа
РЕЗУЛЬТАТЫ ПОВЕРКИ
-
1 Результаты внешнего осмотра___________________________________________________
-
2 Результаты опробования
-
2.1 Проверка общего функционирования__________________________________________
-
2.2. Подтверждение соответствия программного обеспечения_________________________
-
2.3 Проверка герметичности пробоотборного зонда с обогреваемой линией__________________
-
3 Результаты определение метрологических характеристик
-
3.1 Результаты определения основной погрешности (по ГСО)_____
-
3.2 Результаты определения погрешности газоаналитических каналов и канала измерений паров
-
воды (по реальной среде)________________________________________
-
3.3 Результаты определение погрешности канала
твердых (взвешенных) частиц_________________________________________________________
-
3.4 Результаты определение погрешности каналов
температуры, давления, скорости________________________________________________________
Заключение: на основании результатов первичной (или периодической) поверки система признана соответствующим установленным в описании типа метрологическим требованиям и пригодна к применению.
Поверитель:_________________
Дата поверки:________________
21