Методика поверки «ГСОЕИ. Аппаратура контрольно-проверочная КПА 48В6 » (ЛМАЕ.411729.004 МП)
СОГЛАСОВАНО
Начальник ФГБУ

Государственная система обеспечения единства измерений
Аппаратура контрольно-проверочная КПА 48В6 Методика поверки
ЛМАЕ.411729.004 МП
2021 г.
СОДЕРЖАНИЕ
Требования к условиям проведения поверки
Требования к специалистам, осуществляющим поверку
Метрологические и технические требования к средствам поверки
Требования (условия) по обеспечению безопасности проведения
повепки
Подготовка к поверке и опробование средства измерений
Проверка программного обеспечения
Определение метрологических характеристик средства измерений
Подтверждение соответствия средства измерений метрологическим
требованиям
Оформление результатов поверки
1 ОБЩИЕ ПОЛОЖЕНИЯ-
1.1 Настоящая методика поверки распространяется на аппаратуру контрольнопроверочную КПА 48В6 и устанавливает методы и средства их первичной и периодической поверок.
При проведении поверки обеспечена прослеживаемость результатов измерений к Государственным первичным эталонам: единицы силы постоянного электрического тока (ГЭТ 4-91) в диапазоне 110’16 до 100 А, специального эталона единицы переменного электрического напряжения до 1000 В в диапазоне частот от Г101 до 2 -109 Гц (ГЭТ 89-2008, ГЭТ 27-2009), единицы напряжения и электродвижущей силы по ГОСТ 8.027-2001, и Государственному специальному эталону для средств измерений силы тока от 0,04 до 300 А в диапазоне частот от 0,1 до 300 МГц по ГОСТ 8.132-74.
-
1.2 Первичной поверке подлежит аппаратура контрольно-проверочная КПА 48В6 до ввода в эксплуатацию и после ремонта. Периодической поверке подлежит аппаратура, находящиеся в эксплуатации и на хранении.
-
1.3 Интервал между поверками —1 год.
-
1.4 Сокращенная поверка КПА 48В6 невозможна.
-
2.1 При проведении поверки выполнять операции, указанные в таблице 1.
Таблица 1
Наименование операции |
№ пункта методики |
Проведение операции при | |
первичной поверке |
периодической поверке | ||
1 Внешний осмотр |
7 |
да |
да |
2 Подготовка к поверке и опробование средства измерений |
8 |
да |
да |
3 Проверка идентификационных признаков программного обеспечения (ПО) |
9 |
да |
да |
4 Определение метрологических характеристик (MX) |
10 | ||
4.1 Подготовка аппаратуры к работе |
10.1 |
да |
да |
4.2 Определение погрешности каналов воспроизведения и измерения напряжений и силы постоянного тока при +12,6 В |
10.2 |
да |
да |
4.3 Определение погрешности каналов воспроизведения и измерения напряжений и силы постоянного тока при -12,6 В |
10.3 |
да |
да |
4.4 Определение погрешности каналов воспроизведения и измерения среднеквадратических значений линейных напряжений трехфазного переменного тока 40 и 65 В частотой 1000 Гц, определение погрешности канала измерения среднеквадратических значений силы переменного тока частотой 1000 Гц |
10.4 |
да |
да |
4.5 Определение погрешности каналов воспроизведения дискретных значений напряжения постоянного тока «Сигн. на РТ1», «Сигн. на РТ2» |
10.5 |
да |
да |
4.6 Определение погрешности канала воспроизведения дискретных значений напряжения постоянного тока «Контр.инт. 2к» |
10.6 |
да |
да |
4.7 Определение погрешности канала воспроизведения дискретных значений силы постоянного тока «1дпу» |
10.7 |
да |
да |
4.8 Определение погрешности каналов воспроизведения дискретных значений силы постоянного тока «1длу». |
10.8 |
да |
да |
4.9 Определение погрешности каналов воспроизведения дискретных значений силы постоянного тока «1длу» |
10.9 |
да |
да |
4.10 Определение погрешности канала измерения напряжения постоянного тока «Контр, интегратора» |
10.10 |
да |
да |
4.11 Определение погрешности канала измерений напряжения постоянного тока «Сигн. ДНУ» |
10.11 |
да |
да |
4.12 Определение погрешностей каналов измерения напряжений постоянного тока «-■osin(y+450)», «-hcos(y+450)» |
10.12 |
да |
да |
4.13 Определение погрешности канала измерения напряжения постоянного тока «Контр.и» |
10.13 |
да |
да |
4.14 Определение погрешности канала измерения напряжений постоянного тока ГУ «sinAy» |
10.14 |
да |
да |
4.15 Определение диапазона и погрешности канала измерения напряжений постоянного тока «Контр.перекл.по у0» |
10.15 |
да |
да |
4.16 Определение диапазона и погрешности каналов измерения напряжений постоянного тока «Сигн.1к на РТ», «Сигн.2к на РТ» |
10.16 |
да |
да |
4.17 Определение диапазона и погрешности каналов измерений напряжений постоянного тока «Контр.81», «Контр.82», «Контр.83», «Контр.84» |
10.17 |
да |
да |
4.18 Определение погрешности каналов измерения напряжения постоянного тока «Kgrulk», «Kgru2k» |
10.18 |
да |
да |
4.19 Определение диапазона и погрешности канала измерений напряжений постоянного тока «Контр.КВ» |
10.19 |
да |
да |
4.20 Определение погрешности канала измерения напряжения постоянного тока «Сигн.Зк на РТ» |
10.20 |
да |
да |
4.21 Определение погрешности каналов измерения дискретных значений напряжений постоянного тока «Контр.инт 1к», «Контр, инт 2к» |
10.21 |
да |
да |
4.22 Определение погрешности канала измерения напряжений постоянного тока сигнала с ГУ «sin Ду АП» |
10.22 |
да |
да |
4.23 Определение погрешности каналов измерения напряжений постоянного тока «со1АП», ««ПАП» |
10.23 |
да |
да |
4.24 Определение погрешности каналов измерения напряжений постоянного тока сигналов ТМ «51ОС», «32ОС», «83ОС», «54ОС» |
10.24 |
да |
да |
4.25 Определение погрешности канала измерения напряжений постоянного тока ТМ «п1АП», «пПАП», «пхАП» |
10.25 |
да |
да |
4.26 Определение погрешности каналов измерения напряжения постоянного тока «Управление», «Пассив». |
10.26 |
да |
да |
4.27 Определение погрешности каналов измерения напряжения постоянного тока «-vcos(y+450)», «-nsin(y+450)» |
10.27 |
да |
да |
4.28 Определение погрешности канала измерения напряжения постоянного тока сигнала «Переключение по иО» |
10.28 |
да |
да |
4.29 Определение погрешности канала измерения напряжения постоянного тока «К7 авт.» |
10.29 |
да |
да |
4.30 Определение погрешности канала измерения напряжения постоянного тока «Контр. 1)0» |
10.30 |
да |
да |
4.31 Определение погрешности канала измерения напряжения постоянного тока «Блокировка по сходу» |
10.31 |
да |
да |
4.32 Определение погрешности канала измерения напряжения постоянного тока «cos Ду АП» |
10.32 |
да |
да |
4.33 Определение погрешности каналов измерений напряжения постоянного тока «о1Ь>, «КВт», «пхпр», «о2т», «оЗт», ТМ «+5В», ТМ «1к на РТф», ТМ «2к на РТф», «ВыхДРТ», «Вых.2РТ», «Вых.ЗРТ», «Вых.4РТ» |
10.33 |
да |
да |
5 Подтверждение соответствия средства измерений метрологическим требованиям |
И |
да |
да |
3 ТРЕБОВАНИЯ К УСЛОВИЯМ ПРОВЕДЕНИЯ ПОВЕРКИ
-
3.1 При проведении поверки должны соблюдаться следующие условия: температура окружающего воздуха, °C..................................................от 15 до 25;
относительная влажность воздуха при температуре 25 °C, %......................от 30 до 80;
атмосферное давление, мм рт. ст. (кПа)......................от 730 до 785 (от 97,3 до 104,6).
Параметры электропитания:
напряжение переменного тока, В...........................................................220 ± 22;
частота переменного тока, Гц...................................................................50 ± 1.
4 ТРЕБОВАНИЯ К СПЕЦИАЛИСТАМ, ОСУЩЕСТВЛЯЮЩИМ ПОВЕРКУ-
4.1 К проведению поверки допускаются лица с высшим или средним техническим образованием, имеющие квалификацию поверителя, изучившие руководство по эксплуатации (РЭ) на контрольно-проверочную аппаратуру КПА 48В6, знающие принцип действия используемых средств поверки и прошедшие инструктаж по технике безопасности (первичный и на рабочем месте) в установленном в организации порядке.
-
4.2 К поверке допускаются лица, освоившие работу с используемыми средствами поверки, изучившие настоящую методику и имеющие достаточную квалификацию.
-
4.3 Лица, участвующие в поверке КПА 48В6, должны проходить обучение и аттестацию по технике безопасности и производственной санитарии при работе в условиях её размещения.
-
5 МЕТРОЛОГИЧЕСКИЕ И ТЕХНИЧЕСКИЕ ТРЕБОВАНИЯ
5.1 Средства поверки приведены в таблице 2. Таблица 2
Номер пункта методики поверки |
Наименование и тип основных или вспомогательных средств поверки, номер документа, регламентирующего технические требования к рабочим эталонам или вспомогательным средствам. Разряд по государственной поверочной схеме и (или) метрологические и основные технические характеристики |
10.10-10.21, 10.23-10.33 |
Калибратор универсальный с расширительным модулем для поверки осциллографов типа SC-600 Fluke 5500А (per. № 20211-00): диапазон воспроизведения напряжения постоянного тока от 0 до ± 1020 В, пределы допускаемой основной абсолютной погрешности воспроизведения напряжения постоянного тока ± 3,2-10’5 В, диапазон воспроизведения напряжений переменного тока от 0,001 до 1020 В, пределы допускаемой абсолютной погрешности воспроизведения напряжения переменного тока на частотах от 45 Гц до 10 кГц ± 1,4-104 В |
10.2-10.9 |
Мультиметр цифровой Fluke 8846A (per. № 57943-14): диапазон измерений напряжений постоянного тока от 0,1 до 1000 В, пределы допускаемой абсолютной погрешности измерений напряжений постоянного тока ± (0,024%- иизм.+ 0,0005%- ипр.) , где Ujbm- измеренное значение, Unp. -значение предела измерений; диапазон измерений напряжений переменного тока от 0,1 до 750 В, пределы допускаемой абсолютной погрешности измерений напряжения переменного тока ± (0,06%- иЮм.+ 0,05% Unp ), диапазон измеряемых частот от 3 до 3 -105 Гц |
10.2,10.3 |
Прибор электроизмерительный лабораторный переносный аналоговый М2044 (per. № 10077-85): кл.т. 0,2 |
10.4 |
Амперметр ЦА8500 (per. № 37459-17): рабочая область частот от 55 до 1000 Гц, диапазон измерения тока от 0 до 2,5 А, пределы допускаемой приведенной погрешности измерений ± 0,1 % |
Вспомогательные средства поверки | |
10.2-10.33 |
Термогигрометр ИВА-6А (per. № 46434-11), диапазон измерений |
относительной влажности от 0 до 98 %, пределы допускаемой основной абсолютной погрешности измерений относительной влажности (при температуре 23 °C) ±2 %; диапазон измерений температуры от минус 20 до 60 °C, пределы допускаемой абсолютной погрешности измерения температуры ±0,3 °C | |
10.2-10.33 |
Барометр-анероид метеорологический БАММ-1 (per. 5738-76), диапазон измерений атмосферного давления от 80 до 106 кПа; пределы допускаемой абсолютной погрешности измерений атмосферного давления ± 0,2 кПа |
-
5.2 При проведении поверки использовать средства измерений и вспомогательные средства поверки, представленные в таблице 2.
-
5.3 Допускается применение аналогичных средств поверки, обеспечивающих определение метрологических характеристик, поверяемых СИ с требуемой точностью.
-
5.4 Все средства поверки должны быть утверждённого типа, исправны и иметь действующие свидетельства о поверке.
-
5.5 Средства поверки должны быть внесены в рабочее помещение не менее чем за 12 часов до начала поверки.
-
6.1 При проведении поверки необходимо соблюдать требования техники безопасности, предусмотренные «Правилами технической эксплуатации электроустановок потребителей» и «ПОТ Р М-016-2001. РД 153-34.0-03.150-00. Межотраслевыми Правилами по охране труда (Правила безопасности) при эксплуатации электроустановок». ГОСТ 12.2.007.0-75, ГОСТ Р 12.1.019-2009, ГОСТ 12.2.091-2002 и требования безопасности, указанные в технической документации на применяемые эталоны и вспомогательное оборудование.
-
6.2 Любые подключения приборов проводить только при отключенном напряжении питания КПА 48В6.
-
7.1 Внешний осмотр
При внешнем осмотре проверить:
-
- отсутствие механических повреждений;
-
- исправность органов управления (четкость фиксации положения переключателей и кнопок, возможность установки переключателей в любое положение);
-
- отсутствие нарушений экранировки линий связи;
-
- отсутствие обугливания и следов разрушения и старения изоляции внешних токоведущих частей системы;
-
- отсутствие неудовлетворительного крепления разъемов;
-
- заземление электронных блоков КПА 48В6;
-
- наличие товарного знака фирмы-изготовителя, заводского номера КПА 48В6 и состояние лакокрасочного покрытия;
-
7.2 Результаты внешнего осмотра считать положительными, если выполняются вышеперечисленные требования.
-
8 ПОДГОТОВКА К ПОВЕРКЕ И ОПРОБОВАНИЕ СРЕДСТВА ИЗМЕРЕНИЙ
-
8.1.1 При подготовке к поверке:
-
- проверить наличие свидетельств (знаков поверки) о поверке рабочих эталонов;
-
- проверить целостность электрических цепей каналов;
-
- включить питание аппаратуры КПА 48 В6;
-
- перед началом поверки измерить и занести в протокол поверки условия окружающей среды (температура, влажность воздуха и атмосферное давление).
-
8.2.1 При опробовании включить КПА 48В6 в следующей последовательности:
-
- на модуле управления и сбора данных, на верхней панели справа, нажать зеленую кнопку «Вкл.»;
-
- на источнике бесперебойного питания «IPPON» из состава модуля управления и сбора данных нажать и удерживать в течение 5 с кнопку, обозначенную символом расположенную на лицевой панели источника;
-
- тумблер «INPUT POWER» блока питания из состава модуля управления и сбора данных установить в верхнее положение;
-
- на источниках питания из состава модуля управления и сбора данных тумблеры включения питания «POWER О-I» установить в положение «I»;
-
- включить монитор кнопкой включения;
-
- включить установку модульную из состава модуля управления и сбора данных кнопкой и дождаться загрузки операционной системы, о чем свидетельствует появление на экране монитора начальных пиктограмм программ проверок как показано на рисунке 1.
Рисунок 1 - Начальные пиктограммы программы проверок
- выключатель питания «0-1» на лицевой панели слева модуля сопряжения из состава модуля управления и сбора данных установить в положение «I».
-
8.2.2 Установить курсор на ярлык «Программа контроля параметров» и нажать левую кнопку мыши. В программном окне «Регистрация» в программные строки «Должность, фамилия, имя. отчество» внести данные оператора. В программные строки «Температура» и «Атм. Влажность» внести текущие значения влажности и температуры окружающей среды, в программную строку «Серийный номер» внести цифровое значение, выбрать тип проверки «Полная» и напряжение питания рулей «28В» и нажать программную кнопку «Проверка устройств» на программной панели. Запустится процесс последовательной проверки устройств КПА 48В6. Процесс проверки устройств отображается на экране монитора. После проверки всех устройств из списка и положительных результатах проверки еще раз откроется программное окно «Регистрация».
-
8.2.3 Нажать программную кнопку «Самотестирование» на программной панели для запуска процесса самотестирования КПА 48В6. В открывшемся программном окне «Самотестирование» нажать программную кнопку «Старт». Программное окно «Самотестирование» отображает ход самотестирования на 6 страницах. После завершения процесса самотестирования и анализа полученных результатов свернуть программу, нажав программную кнопку «Завершить».
Результаты опробования считаются положительными, если программы «Проверка устройств» и «Самотестирование» выполнены с положительными результатами.
9 ПРОВЕРКА ПРОГРАММНОГО ОБЕСПЕЧЕНИЯ СРЕДСТВА ИЗМЕРЕНИЙ-
9.1 Убедиться, что идентификационные признаки ПО соответствуют указанным в описании типа настоящего изделия. Для выявления идентификационных признаков необходимо провести алгоритм действий, приведенный в РЭ.
Проверку идентификационных данных ПО, используемых в КПА-48В6, выполнить сличением данных, отображаемых в меню идентификации ПО, с данными, указанными в таблице 3.
Таблица 3
Идентификационные данные (признаки) |
Значение |
Идентификационное наименование ПО |
«PSI» |
Номер версии (идентификационный номер) ПО |
1.1 |
Цифровой идентификатор ПО |
0562ff13944П761 cal 948b4 b209cd697924e65061cfe03 d97e618H1253c947 |
Алгоритм вычисления цифрового идентификатора ПО |
MD-5 |
Результаты проверки считать положительными, если идентификационные признаки ПО соответствуют указанным в описании типа а номера версий ПО не ниже указанных в таблице 3.
10 ОПРЕДЕЛЕНИЕ МЕТРОЛОГИЧЕСКИХ ХАРАКТЕРИСТИК СРЕДСТВА ИЗМЕРЕНИЙ-
10.1 После проведения опробования закрыть окно «Программы контроля параметров» нажатием программной кнопки «X». На экране монитора отобразится программное окно с пиктограммами программ. Нажать кнопку «Пуск» в левом нижнем углу экрана монитора. В открывшемся на экране меню нажать программную кнопку «Выключение». В открывшемся на экране монитора окне нажать программную кнопку «Завершение работы». Отжать кнопку включения на передней панели установки модульной.
Установить съемный накопитель USB в свободный порт компьютера КПА 48В6 из состава установки модульной и установить в нажатое положение кнопку включения установки модульной. Для входа в систему использовать логин «USER» и пароль «123321». Запустить программу «Файловый менеджер» из меню приложений как показано на рисунке 2.

Рисунок 2 - Меню приложений
В открывшемся окне в левой верхней части экрана монитора выбрать присоединенный USB накопитель «USB Drive» в меню «Устройства», как показано на рисунке 3.
USB Drive • •айлоаыё менеджер * ■ о
файл Црдвко йнд переход Справка
ф ф ft О /media/user/USe Drive/ ©
Устройства название * Размер 1ИЛ
(j__4 Файловая смет... |
data |
4.1 кВ папка |
■miithmi z |
[2 imapes |
4.1 кВ палка |
TRANSCEND ж |
1 £2 |
4.1 кВ папка |
Зекдедке |
Д' coeff.xml |
2.8 кВ документ XML |
6 имг |
pictures.vsdx |
545 2 кВ архив ZIP |
□ Desktop |
0 PSI |
11.1 MB исполняемый |
3 «Mh |
£. sen pt sample.xml |
641 bytes документ XML |
i^F, Documents Ды Music Pictures Videos Downloads Сеть Обзор сети |
Д valuenames xml |
271.5 кВ документ XML |
в объектов (11.9 М8) свободно 14 2 Св
Рисунок 3 - Окно программы «Файловый менеджер»
Открыть программу «PSI», находящуюся на носителе нажатием левой клавиши манипулятора мышь. На экране монитора появится главное окно программы, показанное на рисунке 4
Программа ПСИ |
Статус | ||||
Усгройство |
Номер |
Адрес | |||
1 |
и 58-> Lambda adapt»» |
Al |
назначен |
Отключено | |
Устройства |
2 |
USB->GP»O |
A10 |
Ниммн |
Отключена |
Проверка |
3 |
J| GeoTesI 2065 |
AIS |
Hajманен |
Отключено |
4 |
GSN3O-8O |
A16 |
Назначен |
Отключено | |
Отчёт |
S |
ftj GEH30-S0 |
A17 |
Назначен |
Отключено |
3 |
6 |
Г J *SX-32OUK-3 |
A1B |
назначен |
Отключено |
7 |
Mink 2204 |
A24 |
Назначен |
О’ключе», о | |
8 |
ad*** 2205 |
A27 |
Назначен |
Отключено | |
9 |
^9 Mink 2205 |
A2B |
На»мачем |
Отключено | |
10 |
Pickering 40-411-001 |
AJ |
Назначен |
Отключено | |
11 |
1 В Pickering 1 • 40-145-001 |
A 34 |
назначай |
Отключено |
На панели инструментов нажать кнопку «Соединение». Программа выполнит соединение с модулями КПА 48 В6. состояние которых отображается в таблице, как показано на рисунке 5.
Программе ПСИ
• |
Устройство |
Помар |
Адрес |
Статус | |
1 |
USB-»Lamt><U adopter |
Al |
Назначен |
Работает | |
Устройства |
2 |
USB>OHO |
A10 |
Назначен |
Работает |
3 |
GeoTe« IMS GEN3O-PO |
A15 |
Назначен |
Мот». | |
ЛрОМБО |
4 |
A16 |
назначен |
Работает | |
Отчет |
5 |
GEN10-B0 |
All |
Назначен |
Работает |
3 Арама |
6 |
Г J ksx jjo иге-э |
A18 |
назначен |
Работает |
7 |
1Ц мшим |
A24 |
назначен |
Работает | |
В |
Adllnk 2205 |
A27 |
Назначен |
Работает | |
9 |
Adlink 1КП |
A21 |
Назначен |
Работает | |
10 |
Лскегиц) «0 411-001 |
A3 |
назначен |
Работает | |
11 |
I ■ Pickering • Г 40-145-001 |
A34 |
Назначен |
Работает |
Рисунок 5 - Окно программы «ПСИ» с отображением состояния модулей КПА 48В6
Для начала проверки КПА 48В6 создать новую проверку нажав кнопку «Проверка» на боковом меню главного окна программы, а затем нажать кнопку «Новая проверка» на панели инструментов расположенную в левом верхнем углу экрана монитора. В появившемся окне «Новая проверка» (рисунок 6) ввести название проверки. ФИО оператора и нажать кнопку «ОК».
Новая ярмарка
проверки; Проверка 1
Иванов
Иван | Иванович!
Qcancei | «Рок I
Рисунок 6 - Окно создания новой проверки
На экране монитора отобразится окно проверки со списком измеряемых параметров, как показано на рисунке 7.

Г>Д*"«я I
КПА 48В6 готова к проведению поверки.
Этапы поверки, в дальнейшем называемые проверками, проводятся последовательно, путем нажатия кнопки «Далее» и следования указаниям, появляющимся в окне программы.
В ходе выполнения проверок все измеренные параметры заносятся в базу данных программы.
Для продолжения ранее начатой и незаконченной поверки нажать на боковом меню кнопку «Архив». На экране монитора отобразится список ранее проведенных проверок с указанием наименования проверки, даты и времени создания проверки, результатов проверки как показано на рисунке 8.

Таблица 7

Рисунок 8 - Окно архива проверок
При выборе заданной проверки справа появляется отчет о проведенных измерениях. Чтобы продолжить ранее начатую проверку, необходимо выбрать соответствующую проверку из списка и нажать на панели инструментов кнопку «Открыть проверку». В открывшемся окне программы «ПСИ» отобразится окно проверки со списком ранее проведенных измерений, как показано на рисунке 9

КПА 48В6 готова к проверке MX каналов.
-
10.2 Определение погрешности каналов воспроизведения и измерения напряжений и силы постоянного тока при +12,6 В
-
10.2.1 Шаг 1 программы ПСИ. Установить курсор на надпись «Шаг 1» в столбце отображения шагов программы ПСИ на экране монитора КПА 48В6 и нажать левую клавишу манипулятора мышь. На экране откроется окно с указаниями оператору. Следуя указаниям оператору собрать вариант измерительной схемы, из показанных на рисунке 10 и нажать программную кнопку «Далее».
-
Кабель Кабель

Рисунок 10 - Схемы измерений определения погрешностей воспроизведения и измерений напряжений и силы постоянного тока при +12,6 В
Установить режимы работы мультиметра цифрового Fluke 8846А и прибора измерительного М2044, в соответствии с открывшимися на экране монитора КПА 48В6 указаниями оператору и нажать программную кнопку «Далее». Программа включит режим воспроизведения напряжения постоянного тока +12,6 В на нагрузку. При помощи реостата РСП-2 по прибору М2044 установить значение максимального потребляемого тока 3 А. Нажать программную кнопку «Далее». На экране монитора откроется программная строка для занесения результата измерений напряжения постоянного тока 12,6 В мультиметром Fluke 8 846А. С помощью клавиатуры КПА 48В6 внести числовое значение результата измерения напряжения мультиметром в программную строку и нажать программную кнопку «Далее». Программа КПА 48В6 выводит внесенный в программную строку результат измерения Ub мультиметром Fluke8846A на экран монитора в столбец «Значение», заносит его в базу данных и открывает программную строку для внесения числового значения результата измерения силы постоянного тока при 12,6В прибором М2044.
Внести в программную строку числовое значение измеренной прибором М2044 силы постоянного тока и нажать программную кнопку «Далее». Программа КПА48В6 выводит внесенный в программную строку результат измерения силы тока на экран монитора, заносит его в базу данных, запускает канал измерения напряжения 12,6В КПА и канал 13 измерения силы постоянного тока, выводит измеренные значение напряжения и силы постоянного тока на экран монитора и помещает в базу данных.
Методика расчета погрешности каналов воспроизведения и измерения напряжений и силы постоянного тока при +12,6 В приведена в пункте 11.1.
Результаты поверки считать положительными, если:
-
- диапазон измерений силы постоянного тока, потребляемого по цепи напряжения постоянного тока от +1 до +4 А;
-
10.3 Определение погрешности каналов воспроизведения и измерения напряжений и силы постоянного тока при -12,6 В
-
10.3.1 Установить курсором надпись «Шаг 3» в столбце отображения шагов программы ПСИ и нажать левую клавишу манипулятора мышь. Нажать программную кнопку «YES» и программа перейдет к выполнению третьего шага программы ПСИ. На экране монитора появятся указания оператору о сборке соответствующей схемы измерений. Следуя указаниям на экране монитора собрать нужный вариант схемы для проведения измерений на шаге 3 программы ПСИ, из показанных на рисунке 10 и нажать кнопку «Далее». По указаниям, появившимся на экране монитора, установить требуемые режимы работы мультиметра Fluke 8846А и прибора М2044. Нажать программную кнопку «Далее». Программа включит режим воспроизведения напряжения постоянного тока -12,6 В на нагрузку. При помощи реостата РСП-2 по прибору М2044 установить значение максимального потребляемого тока 2 А. Нажать программную кнопку «Далее». На экране монитора откроется программная строка для занесения результата измерений напряжения постоянного тока -12,6 В мультиметром Fluke 8846А. С помощью клавиатуры КПА 48В6 внести числовое значение результата измерения напряжения мультиметром в программную строку и нажать программную кнопку «Далее». Программа КПА 48В6 выводит внесенный в программную строку результат измерения Ub мультиметром Fluke8846A на экран монитора в столбец «Значение», заносит его в базу данных и открывает программную строку для внесения числового значения результата измерения силы постоянного тока при -12,6В измерительным прибором М2204.
-
Внести в программную строку числовое значение измеренной прибором М2044 силы постоянного тока и нажать программную кнопку «Далее». Программа КПА48В6 выводит внесенный в программную строку результат измерения силы тока на экран монитора, заносит его в базу данных, запускает канал измерения напряжения и силы постоянного тока КПА, выводит измеренные значения напряжения и силы постоянного тока на экран монитора и помещает в базу данных.
Методика расчета погрешности каналов воспроизведения и измерения напряжений и силы постоянного тока при -12,6 В приведена в пункте 11.2.
Результаты поверки считать положительными, если:
-
- диапазон измерений силы постоянного тока, потребляемого по цепи напряжения постоянного тока от +1 до +3 А;
-
10.4 Определение погрешности каналов воспроизведения и измерения среднеквадратических значений линейных напряжений трехфазного переменного тока 40 и 65 В частотой 1000 Гц, определение погрешности канала измерения среднеквадратических значений силы переменного тока частотой 1000 Гц
-
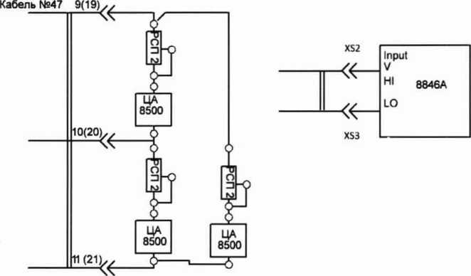
10.4.1 Определение погрешности воспроизведения и измерения среднеквадратического значения напряжения 40 В переменного тока между фазами «А» и «В» и погрешности канала измерения среднеквадратических значений силы переменного тока частотой 1000 Гц.
-
Установить курсор на надпись «Шаг 17» в столбце отображения шагов программы ПСИ на экране монитора. На экране монитора появится предупреждение об изменении текущего шага проверки. Для подтверждения изменения шага программы ПСИ нажать 14
программную кнопку «YES». Программа перейдет к выполнению шага 17 программы ПСИ и отобразит на экране монитора указания по сборке схемы измерений в соответствии с рисунком 11.

Рисунок 11 - Схема измерений для определения погрешности воспроизведения и измерений среднеквадратического значения напряжения переменного тока между фазами «А» и «В», «В» и «С», «С» и «А»
Установить режимы работы средств измерений, применяемых при поверке в соответствии с открывшимися на экране монитора указаниями оператору и нажать программную кнопку «Далее». Программа КПА 48В6 поместит указания по установке силы потребляемых токов по фазам «А», «В» и «С» воспроизводимого трехфазного напряжения переменного тока и программную строку для ввода значений среднеквадратического напряжения между фазами «А» и «В», измеряемых Fluke 8846А. Установить значения токов потребления по фазам воспроизводимого трехфазного напряжения переменного тока в соответствии с указаниями на экране монитора. Внести в программную строку числовые значения результатов измерений мультиметром Fluke 8846А и программную кнопку «Далее».
Программа выведет измеренное мультиметром значение напряжения на экран монитора в столбец «Значение» Ua. поместит его в базу данных проверок и запустит канал измерения напряжения переменного тока между фазами «А» и «В», считает измеренные каналом КПА 48В6 среднеквадратические значения напряжения переменного тока UaKtia в диапазоне от +35 до +71.1 В между фазами «А» и «В», выведет их на экран в столбец «Значение» и поместит в базу данных проверок.
Методика расчета погрешности измерений среднеквадратического значения напряжения переменного тока между фазами «А» и «В» 3ui приведена в пункте 11.3.
Среднеквадратическое значения силы тока потребляемого по фазе «А», измеряется с амперметра ЦА8500, при этом в программную строку заносится измеренное значение силы тока 1а, потребляемого по фазе «А» и нажимается кнопка «Далее». Программа КГ1А 48В6 запустит канал измерения среднеквадратического значения силы переменного тока в диапазоне от 0,5 до 1,5 А, потребляемого по фазе «А» и выведет его значение на экран монитора 1акпа>
Методика расчета погрешности измерений среднеквадратического значения силы переменного тока д'//, потребляемого по фазе «Л» приведена в пункте 11.3.
Методика расчета погрешности воспроизведения трехфазного напряжения переменного тока \Ub КПА 48В6 приведена в пункте 11.3
-
10.4.2 Определение погрешности воспроизведения и измерения среднеквадратического значения напряжения 40 В переменного тока между фазами «В» и «С», определение погрешности канала измерения среднеквадратического значения силы переменного тока частотой 1000 Гц
При переходе к шагу 18 программы ПСИ программа установит на экране монитора указания по сборке схемы измерений в соответствии с рисунком 11. Установить режимы работы средств измерений, применяемых при поверке на шаге 18 в соответствии с указаниями на мониторе. Нажать кнопку «Далее». На экране монитора отобразятся поместит указания по установке среднеквадратических значений силы потребляемых токов по фазам «А», «В» и «С» воспроизводимого напряжения переменного тока и откроет программную строку для ввода измеренного среднеквадратического значения напряжения между фазами «В» и «С» мультиметром Fluke 8846А. Внести результаты измерений Ue в числовую строку и нажать кнопку «Далее». Программа КПА 48В6 запустит канал измерения среднеквадратических значений напряжения переменного тока между фазами «В» и «С», считает измеренные каналом КПА 48В6 значения среднеквадратического напряжения переменного тока между фазами «В» и «С» в диапазоне от +35 до +71,1 В UeKnan выведет их на экран в столбец «Значение».
Методика расчета погрешности измерений среднеквадратического значения напряжения переменного тока между фазами «В» и «С» dui приведена в пункте 11.3
Среднеквадратическое значения силы тока потребляемого по фазе «В», измеряется с амперметра ЦА85ОО, при этом в программную строку заносится измеренное значение силы тока Д, потребляемого по фазе «В» и нажимается кнопка «Далее». Программа КПА 48В6 запустит канат измерения среднеквадратического значения силы переменного тока в диапазоне от 0,5 до 1,5 А, потребляемого по фазе «В» и выведет его значение на экран МОНИТОра 1вкпа.
Методика расчета погрешности измерений среднеквадратического значения силы переменного тока <5//, потребляемого по фазе «В» приведена в пункте 11.3
-
10.4.3 Определение погрешности воспроизведения и измерения среднеквадратического значения напряжения 40 В переменного тока между фазами «С» и «А», определение погрешности канала измерения среднеквадратического значения силы переменного тока частотой 1000 Гц.
При переходе к шагу 19 программы ПСИ программа установит на экране монитора указания по сборке схемы измерений в соответствии с рисунком И. Установить режимы работы средств измерений, применяемых при поверке на шаге 19 в соответствии с указаниями на мониторе. Нажать кнопку «Далее». На экране монитора отобразятся поместит указания по установке среднеквадратических значений силы потребляемых токов по фазам «А», «В» и «С» воспроизводимого напряжения переменного тока и откроет программную строку для ввода измеренного среднеквадратического значения напряжения между фазами «С» и «А» мультиметром Fluke 8846А. Внести результаты измерений Uc в числовую строку и нажать кнопку «Далее». Программа КПА 48 В6 запустит канал измерения среднеквадратических значений напряжения переменного тока между фазами «С» и «А», считает измеренные каналом КПА 48В6 значения среднеквадратического напряжения переменного тока между фазами «С» и «А» в диапазоне от +35 до +71,1 В (ЛютаИ выведет их на экран в столбец «Значение».
Методика расчета погрешности измерений среднеквадратического значения напряжения переменного тока между фазами «С» и «А» dui приведена в пункте 11.3.
Среднеквадратическое значения силы тока потребляемого по фазе «С», измеряется с амперметра ЦА8500, при этом в программную строку заносится измеренное значение силы тока /с, потребляемого по фазе «С» и нажимается кнопка «Далее». Программа КПА 48В6 запустит канал измерения среднеквадратического значения силы переменного тока в диапазоне от 0,5 до 1,5 А, потребляемого по фазе «С» и выведет его значение на экран монитора 1скп(1’
Методика расчета погрешности измерений среднеквадратического значения силы переменного тока Зп, потребляемого по фазе «В» приведена в пункте 11.3.
-
10.4.4 Определение погрешности воспроизведения и измерения среднеквадратического значения напряжения 65 В переменного тока между фазами «А» и «В» и погрешности канала измерения среднеквадратических значений силы переменного тока частотой 1 000 Гц.
Установить курсор на надпись «Шаг 21» в столбце отображения шагов программы ПСИ на экране монитора. На экране монитора появится предупреждение об изменении текущего шага проверки. Для подтверждения изменения шага программы ПСИ нажать программную кнопку «YES».
Проверка MX канала проводятся аналогично п. 10.4.1. следуя указаниям на экране монитора КПА 48В6.
Методика определения погрешности воспроизведения и измерения среднеквадратического значения напряжения 65 В переменного тока между фазами «А» и «В» и погрешности канала измерения среднеквадратических значений силы переменного тока частотой 1000 Гц приведена в пункте 11.3.
-
10.4.5 Определение погрешности каналов воспроизведения и измерения среднеквадратического значения напряжения 65 В переменного тока между фазами «В» и «С», определение погрешности канала измерения среднеквадратического значения силы переменного тока частотой 1000 Гц
Проверка MX канала проводятся аналогично п. 10.4.2, следуя указаниям на экране монитора КПА 48 В6.
Методика определения погрешности каналов воспроизведения и измерения среднеквадратического значения напряжения 65 В переменного тока между фазами «В» и «С», определение погрешности канала измерения среднеквадратического значения силы переменного тока частотой 1000 Гц приведена в пункте 11.3.
-
10.4.6 Определение погрешности воспроизведения и измерения среднеквадратического значения напряжения 65 В переменного тока между фазами «С» и «А», определение погрешности канала измерения среднеквадратического значения силы переменного тока частотой 1000 Гц
Проверка MX канала проводятся аналогично п. 10.4., следуя указаниям на экране монитора КПА 48В6.
Методика определения погрешности воспроизведения и измерения среднеквадратического значения напряжения 40 В переменного тока между фазами «С» и «А», определение погрешности канала измерения среднеквадратического значения силы переменного тока частотой 1000 Гц приведена в пункте 11.3.
Результаты поверки считать положительными, если:
-
- 40 В на частоте 1000 Гц ± 4 В:
-
- 65 В на частотой 1000 Гц ± 5 В:
-
- диапазон измерений напряжения переменного тока от +35 до +71.1 В:
-
- диапазон измерений силы переменного тока от +0.5 до +1.5 А.
10.5 Определение погрешности канала воспроизведения дискретных значений напряжения постоянного тока «Сигн. на РТ1», «Сигн. на РТ2»
-
10.5.1 Определение погрешности воспроизведения дискретного значения напряжения постоянного тока «Сигн. на РТ1» +1.87 В.
Установить курсор на надпись «Шаг 87» в столбце отображения шагов программы ПСИ на экране монитора КПА 48В6 и нажать левую клавишу манипулятора. Программа установит на экране монитора предупреждение о том, что текущий шаг программы ПСИ изменен и запросит подтверждения перехода на другой шаг. Для подтверждения перехода нажать программную кнопку «YES». После получения подтверждения программа приступает к выполнению шага 87 программы ПСИ, устанавливая на экране монитора указания оператору по сборке варианта схемы измерений в соответствии с рисунком 12.

Рисунок 12 - Схемы измерений для определения погрешности воспроизведения дискретных значений напряжения постоянного тока.
Следуя указаниям оператору собрать схему измерений и нажать программную кнопку «Далее». Программа отобразит на экране монитора указания оператору по установке режима работы мультиметра Fluke 8846А. Установить режим работы мультиметра и нажать программную кнопку «Далее». Программа сформирует на экране монитора программную строку для внесения числового значения напряжения постоянного тока +1,87 В, воспроизведенного КПА 48В6 и измеренного мультиметром Fluke 8846А иСигн. наРТ1
Методика расчета погрешности воспроизведения напряжения сигнала «Сигн. на 1РТ» Ли приведена в пункте 11.4.
-
10.5.2 Определение погрешности воспроизведения КПА дискретного значения напряжения постоянного тока «Сигн. на РТ1»-1,87 В
Провести операции работ и измерения аналогично п. 10.5.1 в соответствии с указаниями оператору на экране монитора на шаге 88 программы ПСИ.
Методика расчета погрешности воспроизведения напряжения сигнала «Сигн. на 1РТ» Ли приведена в пункте 11.4.
-
10.5.3 Определение погрешности канала воспроизведения напряжения постоянного тока сигнала «Сигн. на 2РТ».
Определение дискретных значений и погрешности воспроизведения напряжения постоянного тока сигнала «Сигн. на 2РТ» проводится при выполнении шагов 89. 90 программы ПСИ аналогично п.п. 10.5.1-10.5.2.
Результаты поверки считать положительными, если:
-
- дискретные значения воспроизведения амплитуды напряжения постоянного тока -1.87 и+1.87 В;
-
- пределы допускаемой относительной погрешности воспроизведения дискретных значений напряжения постоянного тока ± 1 %.
-
10.6 Определение погрешности канала воспроизведения дискретных значений напряжения постоянного тока «Контр.инт. 2к»
При переходе к выполнению шага 91 программы ПСИ КПА 48В6 отображает на экране монитора инструкцию оператору по сборке варианта схемы измерений, которую необходимо собрать в соответствии с рисунком 12 и нажать программную кнопку «Далее». Программа КГ1А 48В6 отобразит на экране монитора указания оператору по установке режима работы мультиметра Fluke 8846А. Установить требуемый режим работы и нажать кнопку «Далее». Программа запустит воспроизведение напряжения постоянного тока сигнала «Контр, инт. 2к» заданной величины UeOcnp. и откроет программную строку для ввода числового значения, измеренного напряжения сигнала Мконтр.Ишп.2к мультиметром Fluke 8846А. Внести числовое значение результата измерения напряжения мультиметром в программную строку и нажать программную кнопку «Далее». КПА 48В6 выведет внесенное в программную строку значение напряжения U контр. Инт.2к на экран монитора и занесет его в базу данных. Провести аналогичные операции на шаге 92 программы ПСИ
Методика расчета погрешности воспроизведения напряжения сигнала 5U приведена в пункте 11.5.
Результаты поверки считать положительными, если:
- дискретные значения воспроизведения напряжения постоянного тока +1.51, +3.02. +5.05 В.
-
10.7 Определение погрешности канала воспроизведения дискретных значений силы постоянного тока «1дпу»
-
10.7.1 Определение погрешности воспроизведения дискретного значения силы постоянного тока «1дпу» +6.7мА.
Установить курсор на надпись «Шаг 30» в столбце отображения шагов программы ПСИ на экране монитора КПА 48В6 и нажать левую клавишу манипулятора. Программа поместит на экран монитора предупреждение об изменении текущего шага программы ПСИ. Нажать программную кнопку «YES». Программа перейдет к выполнению шага 30. поместив на экране монитора указания оператору по сборке схемы измерений для определения погрешности воспроизведения дискретных значений силы постоянного тока «1дпу». В соответствии с указаниями собрать вариант схемы измерений из показанных на рисунке 13 и нажать программную кнопку «Далее».

Рисунок 13 - Схемы измерений для определения погрешности воспроизведения дискретных значений силы постоянного тока
На экране монитора отобразятся указания оператору по установке режима работы мультиметра Fluke 8846А. Установить режим работы мультиметра и нажать программную кнопку «Далее». КГ1А 48В6 запустит воспроизведение дискретного значения силы постоянного тока 16 и откроет программную строку для ввода числового значения силы постоянного тока, измеренного мультиметром 1адпу. Внести числовое значение силы постоянного тока измеренное мультиметром в программную строку и нажать программную
-
10.7.2 Определение погрешности воспроизведения дискретного значения силы постоянного тока «1дпу» +21,6, +21; +23.05; +38; +39,1; +61.02; +113; -64,2; -92; -103,6,-ИЗмА
Определение погрешности воспроизведения дискретного значения силы постоянного тока «1дпу» +21.6. +21; +23,05; +38; +39,1; +61,02; +113; -64,2; -92; -103,6 мА проводится аналогично п. 10.7.1 с выполнением операций, указанных оператору на экране монитора КПА 48В6 при выполнении шагов с 31 по 40 программы ПСИ.
Результаты поверки считать положительными, если:
-
- дискретные значения воспроизведения силы постоянного тока +6,7; +21; +23,05; +38; +39,1; +61.02; +113; -64,2;-92; -103,6; -113 mA.
-
10.8 Определение погрешности каналов воспроизведения дискретных значений силы постоянного тока «1длу»
-
10.8.1 Определение погрешности воспроизведения дискретных значений силы постоянного тока «1длу 1» +4,15мА.
Собрать вариант схемы измерений для определения погрешности воспроизведения дискретных значений силы постоянного тока «1длу1» в соответствии с рисунком 13 руководствуясь указаниями поверителю установленным на экране монитора на шаге 41 программы ПСИ и нажать кнопку «Далее». Программа установит на экране монитора указания оператору по установке режима работы мультиметра Fluke 8846А. Установить требуемый режим и нажать программную кнопку «Далее». Программа запустит воспроизведение заданного на текущем шаге программы ПСИ дискретного значения силы постоянного тока «1длу1» и откроет программную строку для ввода числового значения силы постоянного тока «1длу1», измеренного мультиметром. Ввести числовое значение силы постоянного тока, измеренного мультиметром в программную строку и нажать кнопку «Далее». Программа КПА 48В6 выведет внесенное в программную строку значение силы постоянного тока 1адлу на экран монитора и поместит его в базу данных.
Методика расчета погрешности воспроизведения дискретного значения силы постоянного тока А/ приведена в пункте 11.7.
-
10.8.2 Определение погрешности воспроизведения дискретного значения силы постоянного тока «1длу1»-4,15; ±6,04; ±13,4; ±25; ±30,04; ±33,25; ±80,1; ±100 мА.
Определение погрешности воспроизведения дискретного значения силы постоянного тока «1длу1» -4,15; ±6.04; ±13.4; ±25; ±30,04; ±33,25; ±80.1; ±100 мА проводить аналогично п. 7.3.8.1, следуя указаниям на экране монитора КПА 48В6 при выполнении шагов с 42 по 53 программы ПСИ.
-
10.8.3 Определение погрешности воспроизведения дискретных значений силы постоянного тока «1длу2».
Определение погрешности воспроизведения дискретного значения силы постоянного тока «1длу2» ±4,15; ±6,04; ±13,4; ±25; ±30,04; ±33,25; ±80,1; ±100 мА проводить аналогично п. 7.3.8.1, следуя указаниям на экране монитора КГ1А 48В6 при выполнении шагов с 54 по 69 программы ПСИ.
Результаты поверки считать положительными, если:
-
- дискретные значения воспроизведения силы постоянного тока ±4,15; ±6,04; ±13,4; ±25; ±30,04; ±33,25; ±80,1; ±100 mA.
-
10.9 Определение погрешности каналов воспроизведения дискретных значений силы постоянного тока «1дус».
-
10.9.1 Определение погрешности воспроизведения дискретных значений силы постоянного тока «1дус1» +15,04 мА.
Собрать вариант схемы измерений для определения погрешности воспроизведения дискретных значений силы постоянного тока «1длу1» в соответствии с рисунком 13, руководствуясь указаниями поверителю установленными на экране монитора на шаге 69 программы ПСИ и нажать кнопку «Далее». Программа установит на экране монитора указания оператору по установке режима работы мультиметра Fluke 8846А. Установить требуемый режим и нажать программную кнопку «Далее». Программа запустит воспроизведение заданного на текущем шаге программы ПСИ дискретного значения силы постоянного тока «1дус1» и откроет программную строку для ввода числового значения силы постоянного тока «1дус1», измеренного мультиметром. Внести в программную строку числовое значение силы постоянного тока, измеренное мультиметром и нажать кнопку «Далее». Программа КГ1А 48В6 выведет внесенное в программную строку значение силы постоянного тока 1адУс на экран монитора и поместит его в базу данных.
Методика расчета погрешности воспроизведения дискретного значения силы постоянного тока д7 приведена в пункте 11.8.
-
10.9.2 Определение погрешности воспроизведения дискретного значения силы постоянного тока «1дус1»-15,04; ±21; ±66; ±88.4; ±100; ±114,6мА.
Определение погрешности воспроизведения дискретного значения силы постоянного тока «1дус1» -15.04; ±21; ±66; ±88.4; ±100; ±114,6 мА проводить аналогично п. 10.9.1, следуя указаниям на экране монитора КПА 48В6 при выполнении шагов с 69 по 79 программы ПСИ.
-
10.9.3 Определение погрешности воспроизведения дискретных значений силы постоянного тока «1дус2».
Определение погрешности воспроизведения дискретного значения силы постоянного тока «1дус2» ±15.04; ±21; ±66; ±88.4; ±100; ±114.6 мА проводить аналогично п. 10.9.1, следуя указаниям на экране монитора КПА 48В6 при выполнении шагов с 80 по 91 программы ПСИ.
Результаты поверки считать положительными, если:
- дискретные значения воспроизведения силы постоянного тока ±15,04; ±21; ±66; ±88.4; ±100; ±114,6 мА.
-
10.10 Определение погрешности канала измерения напряжения постоянного тока «Контр, интегратора»
Установить курсор на надпись «Шаг 104» в столбце отображения шагов программы ПСИ на экране монитора КПА 48В6 и нажать левую клавишу мыши. Программа выведет на экран монитора КПА 48В6 предупреждение об изменении текущего шага программы ПСИ и после нажатия кнопки « YES» перейдет к выполнению шага 104, выведет на экран монитора указания оператору по сборке варианта схемы измерений в соответствии с рисунком 14.
NORMAL V
Hl 5500Е
Fluke
LO
Кабель №38
^«--Ч
—{•

----X 4 | |
X 6 | |
16 < | |
Кабель №39 |
X 2 |
13 t | |
3 Z | |
X | |
Кабель №236
Кабель №43

Рисунок 14 - Схема измерений для определения погрешности измерения напряжений постоянного тока каналом «Контр, интегратора»
Собрать вариант измерительной схемы в соответствии с указаниями оператору и нажать программную кнопку «Далее».
В соответствии с указаниями оператору установить требуемые режимы работы калибратора Fluke 5500А и нажать программную кнопку «Далее». Программа КПА 48В6 запустит канал измерения напряжения постоянного тока сигнала «Контр, интегратора», выведет измеренное каналом, значение напряжения на экран монитора и поместит его в базу данных.
Методика расчета погрешности измерения напряжений постоянного тока каналом «Контр, интегратора» 6U приведена в пункте 11.9.
Результаты поверки считать положительными, если:
- значение измерения напряжения постоянного тока +7,1 В.
-
10.11 Определение погрешности канала измерений напряжения постоянного тока «Сигн. ДПУ»
-
10.11.1 Определение погрешности измерения напряжения постоянного тока «Сигн. ДПУ» для значения +2 В.
Собрать вариант схемы измерений для определения погрешности измерений напряжения постоянного тока «Сигн. ДПУ» в соответствии с рисунком 14. руководствуясь указаниями поверителю, устанавливаемыми на экране монитора при выполнении шага 105 программы ПСИ и нажать кнопку «Далее». В соответствии с указаниями оператору установить требуемые режимы работы калибратора Fluke 5500А и нажать кнопку «Далее». Программа КПА 48В6 запустит канал измерения напряжения постоянного тока сигнала «Сигн. ДПУ», выведет измеренное каналом, значение напряжения на экран монитора и поместит его в базу данных.
Методика расчета погрешности измерения напряжений постоянного тока каналом «Сигн. ДПУ» 6U приведена в пункте 11.10.
-
10.11.2 Определение погрешности измерения напряжения постоянного тока сигнала «Сигн. ДПУ» для значения -2 В.
Относительная погрешность измерения напряжения постоянного тока сигнала «Сигн. ДПУ» -2 В каналом «Сигн. ДПУ» определяется аналогично п. 10.11.1, следуя указаниям поверителю устанавливаемым на экране монитора при выполнении шага 106 программы ПСИ.
-
- значение измерения напряжения постоянного тока ± 2 В.
-
10.12 Определение погрешностей каналов измерения напряжений постоянного тока «-osin(y+450)», «-ocos(y+450)»
-
10.12.1 Определение погрешностей измерения напряжений постоянного тока сигнала «-usin(Y+450)».
В соответствии с указаниями на экране монитора при выполнении шага 107 программы ПСИ собрать вариант схемы измерений в соответствии с рисунком 14 и нажать программную кнопку «Далее». В соответствии с указаниями оператору, выведенными на экран монитора КПА 48В6 установить необходимый режим работы калибратора Fluke 5500А и нажать программную кнопку «Далее». Программа запустит измерение напряжения постоянного тока сигнала «-usin(Y+450)» каналом КПА 48В6, выведет результат измерения на экран монитора и занесет его в базу данных.
Методика расчета погрешности измерения напряжений постоянного тока каналом «-usin(Y+450)» 6U приведена в пункте 11.11.
-
10.12.2 Определение погрешности измерения напряжения постоянного тока сигнала «-usin(Y+450)» для значения -2.9 В.
В соответствии с указаниями оператору, выведенными на экран монитора КПА 48В6 при выполнении шага 108 программы ПСИ установить необходимый режим работы калибратора Fluke 5500А и нажать программную кнопку «Далее». Программа запустит измерение напряжения постоянного тока сигнала «-vsin(Y+450)» каналом КПА 48В6. выведет результат измерения на экран монитора и занесет его в базу данных.
Методика расчета погрешности измерения напряжений постоянного тока каналом «-usin(Y+45°)» би приведена в пункте 11.11.
-
10.12.3 Определение погрешности измерения напряжения постоянного тока сигнала «-usin(Y+45°)» для значения -4.1 В.
Погрешность измерения напряжения постоянного тока сигнала «-usin(Y+45°)» -4.1 В каналом «-usin(Y+45°)» проводить аналогично п.10.12.2 в соответствии с указаниями на экране монитора КПА 48В6 при выполнении шага 109 программы ПСИ.
-
10.12.4 Определение погрешности измерения напряжений постоянного тока сигнала «-ucos(y+450)» для значений 0, -2.9. -4.1 В.
Собрать вариант схемы измерений в соответствии с рисунком 14 и указаниями поверителю при выполнении шага 110 программы ПСИ и нажать программную кнопку «Далее».
Погрешность измерений напряжений постоянного тока 0, -2, -4,1 В сигнала «-dcos(y+45°)» проводить в соответствии с п.п. 10.12.1-10.12.3 следуя указаниям на экране монитора КПА 48В6 при выполнении шагов 110. 111, 112 программы ПСИ.
Результаты поверки считать положительными, если:
-
- значение измерения напряжения постоянного тока сигнала 0 В;
-
- значения измерения напряжения постоянного тока -2,9; -4,1 В;
-
10.13 Определение погрешности канала измерения напряжения постоянного тока «Контр.о»
Собрать вариант схемы измерений, из показанных на рисунке 14 в соответствии с указаниями поверителю установленным на экране монитора при выполнении шага ИЗ программы ПСИ и нажать кнопку «Далее». В соответствии с указаниями оператору установить необходимый режим работы калибратора Fluke 5500А и нажать кнопку «Далее». Программа КПА 48В6 запустит канал измерения напряжения постоянного тока сигнала «Контр, о», выведет результат измерения на экран монитора и занесет его в базу данных.
Методика расчета погрешности измерения напряжений постоянного тока каналом «Контр, и» бU приведена в пункте 11.12.
-
- значение измерения напряжения постоянного тока ± 7,2 В.
-
10.14 Определение погрешности канала измерения напряжений постоянного тока ГУ «sinAy»
-
10.14.1 Определение погрешности измерения напряжения постоянного тока сигнала ГУ «sinAy» для значения +7.5 В.
Собрать вариант схемы измерений, из показанных на рисунке 14 в соответствии с указаниями поверителю, установленным на экране монитора при выполнении шага 114 программы ПСИ и нажать кнопку «Далее». В соответствии с указаниями оператору установить необходимый режим работы калибратора Fluke 5500А и нажать кнопку «Далее». Программа КПА 48В6 запустит канал измерения напряжения постоянного тока сигнала ГУ «sin Ау», выведет результат измерения на экран монитора и занесет его в базу данных.
Методика расчета погрешности измерения напряжений постоянного тока каналом «sin Ау» приведена в пункте 11.13.
-
10.14.2 Определение погрешности канала измерения напряжения постоянного тока ГУ «sinAy» для значений +8,93; -7,5; -8,93 В.
Погрешность измерения напряжения постоянного тока сигнала ГУ «sin Ау» +8.93: -7.5; -8.93 В каналом «sin Ау» определяется в соответствии с указаниями на экране монитора КПА48В6 при выполнении шагов 115, 116, 117 программы ПСИ и п. 10.14.1.
Результаты поверки считать положительными, если:
-
- значения измерения напряжения постоянного тока +7,2; +8,93; -8,93; -7,5 В.
-
10.15 Определение диапазона и погрешности канала измерения напряжений постоянного тока «Контр.перекл.по уО»
-
10.15.1 Определение погрешности измерения напряжения постоянного тока сигнала «Контр.перекл.по уО» в диапазоне от +0,7 до +1,5 В.
Собрать вариант схемы измерений, из показанных на рисунке 14 в соответствии с указаниями поверителю установленным на экране монитора при выполнении шага 118 программы ПСИ и нажать кнопку «Далее». В соответствии с указаниями оператору устанавливать необходимые режимы работы калибратора Fluke 5500А при последовательном выполнении шагов 118 и 119 программы ПСИ и нажимать кнопку «Далее». Программа КПА 48В6 на каждом шаге запустит канал измерения напряжения постоянного тока сигнала «Контр, перекл. по уО», выведет результат измерения на экран монитора и занесет его в базу данных.
Методика расчета погрешности измерения напряжений постоянного тока каналом «Контр, перекл. по уО» SU приведена в пункте 11.14.
-
10.15.2 Определение погрешности измерения напряжения постоянного тока сигнала «Контр, перекл. по уО» в диапазоне от -0.7 до -1,5 В.
Погрешность измерения напряжения постоянного тока сигнала каналом «Контр, перекл. по уО» в диапазоне от -0,7 до -1,5 В определяется в соответствии с указаниями на экране монитора КПА 48В6 при выполнении шагов 120.121 программы ПСИ и п. 10.15.1.
Результаты поверки считать положительными, если:
-
- диапазон измерения напряжения постоянного тока от -1,5 до -0.7 и от +0,7 до +1.5 В.
-
10.16 Определение диапазона и погрешности каналов измерения напряжений постоянного тока «Сигн.1к на РТ», «Сигн.2к на РТ»
-
10.16.1 Определение диапазона и погрешности канала измерения напряжений постоянного тока сигнала «Сигн.1 к на РТ».
Собрать вариант схемы измерений, из показанных на рисунке 14 в соответствии с указаниями на экране монитора при выполнении шага 122 программы ПСИ и нажать кнопку «Далее». В соответствии с указаниями оператору установить необходимый режим работы 24
-
10.16.2 Определение погрешности измерения напряжения постоянного тока сигнала «Сигн. 1 к на РТ» в диапазоне от +1,7 до +3,7 В.
В соответствии с указаниями оператору при выполнении шагов 123, 124, 125 программы ПСИ устанавливать необходимый режим работы калибратора Fluke 5500А и нажимать кнопку «Далее». Программа КПА 48В6 запустит канал измерения напряжения постоянного тока сигнала «Сигн. 1 к на РТ», выведет на экран монитора результат измерений и поместит его в базу данных.
Методика расчета погрешности измерения напряжений постоянного тока каналом «Сигн. 1 к на PT»5U приведена в пункте 11.15.
-
10.16.3 Определение погрешности измерения напряжения постоянного тока сигнала «Сигн. 1 к на РТ» в диапазоне от -1,7 до -3.7 В.
Погрешность измерения напряжения постоянного тока сигнала каналом «Сигн. 1 к на РТ» в диапазоне от -1,7 до -3.7 В определяется в соответствии с указаниями на экране монитора КПА 48В6 при выполнении шагов 126, 127. 128 программы ПСИ и п. 10.16.2.
-
10.16.4 Определение диапазона и погрешности канала измерения напряжений постоянного тока сигнала «Сигн2к на РТ».
Диапазон и погрешность измерения напряжения постоянного тока сигнала каналом «Сигн.2к на РТ» В определяется в соответствии с указаниями на экране монитора КПА 48В6 при выполнении шагов с 129 по 135 программы ПСИ и п.п 10.16.1-10.16.3.
Результаты поверки считать положительными, если:
- диапазон измерения напряжения постоянного тока от -3,7 до -1,7 и от +1,7 до +3,7 В.
-
10.17 Определение диапазона и погрешности каналов измерений напряжений постоянного тока «Контр.51», «Контр.52», «Контр.53», «Контр.54»
-
10.17.1 Определение погрешности измерения напряжений постоянного тока сигнала «Контр.51».
Собрать вариант схемы измерений, из показанных на рисунке 14 в соответствии с указаниями на экране монитора при выполнении шага 136 программы ПСИ и нажать программную кнопку «Далее». В соответствии с указаниями оператору установить необходимый режим работы калибратора Fluke 5500А и нажать кнопку «Далее». Программа КПА 48В6 запустит канал измерения напряжения постоянного тока сигнала «Контр.51», выведет на экран монитора результат измерения и поместит его в базу данных.
Методика расчета погрешности измерения напряжений постоянного тока каналом «Контр.51» 6Uприведена в пункте 11.16.
-
10.17.2 Определение погрешности канала измерения напряжения постоянного тока «Контр.51» в диапазоне от +0.8 до + 4 В.
В соответствии с указаниями оператору при выполнении шагов с 137 по 144 программы ПСИ установить необходимый режим работы калибратора Fluke 5500А и нажать кнопку «Далее». Программа КПА 48В6 запустит канал измерения напряжения постоянного тока сигнала «Контр.51» выведет на экран монитора результат измерения и поместит его в базу данных.
Методика расчета погрешности измерения напряжений постоянного тока каналом «Контр.51» 5U в диапазоне от +0.8 до + 4 приведена в пункте 11.16.
-
10.17.3 Определение погрешности канала измерения напряжения постоянного тока «Контр.51» в диапазоне от -4 до -0.8 В.
Погрешность измерения напряжения постоянного тока сигнала каналом «Контр.81» в диапазоне от -4 до -0,82 В определяется в соответствии с указаниями на экране монитора КПА 48В6 при выполнении шагов с 145 по 153 программы ПСИ и п. 10.17.2.
-
7.3.17.4 Определение диапазонов и погрешности каналов измерения напряжений постоянного тока сигнала «Контр.82», «Контр.83», «Контр.84».
Погрешность измерения напряжения постоянного тока сигнала каналом «Контр.82». «Контр.83», «Контр.84» определяется в соответствии с указаниями на экране монитора КПА 48В6 при выполнении шагов с 154 по 171 программы ПСИ и п.п. 10.17.1-10.17.3.
Результаты поверки считать положительными, если:
-
- диапазон измерения напряжения постоянного тока от -4 до -0,8 и от +4 до +0,8 В.
-
10.18 Определение погрешности каналов измерения напряжения постоянного тока « К gru 1 к », « К gru2 к »
-
10.18.1 Определение погрешности измерения напряжений постоянного тока сигнала «Kgrulk» для значения +0.616 В.
В соответствии с указаниями на экране монитора при выполнении шага 172 программы ПСИ собрать вариант схемы измерений, из показанных на рисунке 14 и нажать кнопку «Далее». В соответствии с указаниями оператору установить необходимый режим работы калибратора Fluke 5500А и нажать кнопку «Далее». Программа КПА 48В6 запустит канал измерения напряжения постоянного тока сигнала «Kgrulk», выведет результат измерения на экран монитора и поместит его в базу данных.
Методика расчета погрешности измерения напряжений постоянного тока каналом «Kgrulk» дЧ/для значения +0,616 В приведена в пункте 11.17.
-
10.18.2 Определение погрешности измерения напряжения постоянного тока сигнала «Kgrulk» для значения -0,616 В.
Погрешность измерения напряжения постоянного тока сигнала каналом «Kgrulk» для значения -0,616 В определяется в соответствии с указаниями на экране монитора КПА 48В6 при выполнении шага 173 программы ПСИ и п. 10.18.1.
-
7.3.18.3 Определение погрешности измерения напряжения постоянного тока сигнала «Kgru2k» для значений +0.616 и -0,616 В.
Погрешность измерения напряжения постоянного тока сигнала каналом «Kgru2k» для значений +0.616 и -0,616 В определяется в соответствии с указаниями на экране монитора КПА 48В6 при выполнении шагов 174, 175 программы ПСИ и п.п. 10.18.1 и 10.18.2.
Результаты поверки считать положительными, если:
-
- значения измеряемого напряжения постоянного тока -0,616; +0,616 В.
-
10.19 Определение диапазона и погрешности канала измерений напряжений постоянного тока «Контр.КВ»
-
10.19.1 Определение погрешности измерений напряжения постоянного тока «Контр.КВ» при значении 0 В.
В соответствии с указаниями на экране монитора при выполнении шага 176 программы ПСИ собрать вариант схемы измерений, из показанных на рисунке 14 и нажать кнопку «Далее». В соответствии с указаниями оператору установить необходимый режим работы калибратора Fluke 5500А и нажать кнопку «Далее». Программа КПА 48В6 запустит канал измерения напряжения постоянного тока сигнала «Контр.КВ» выведет результат измерения на экран монитора и поместит его в базу данных.
Методика расчета погрешности измерения напряжений постоянного тока 0 В каналом «Контр.КВ» 3U приведена в пункте 11.18.
-
10.19.2 Определение погрешности измерения напряжения постоянного тока каналом «Контр.КВ» в диапазоне от +0,6 до +1,8 В.
В соответствии с указаниями оператору при выполнении шагов 177, 178 программы ПСИ установить необходимый режим работы калибратора Fluke 5500А и нажать кнопку 26 «Далее». Программа КПА 48В6 запустит канал измерения напряжения постоянного тока диапазоне от +0.6 до +1,8 В для канала «Контр.КВ», выведет результат измерения на экран монитора и поместит его в базу данных.
Методика расчета погрешности измерения напряжения постоянного тока сигнала каналом «Контр.КВ» в диапазоне от +0,6 до +1,8 В приведена в пункте 11.18.
-
10.19.3 Определение погрешности измерения напряжения постоянного тока каналом «Контр.КВ» в диапазоне от -3,5 до -1,8 В.
Погрешность измерения напряжения постоянного тока сигнала каналом «Контр.КВ» для значений -3,5 до -1,8 В определяется в соответствии с указаниями на экране монитора КПА 48В6 при выполнении шагов 179, 180 программы ПСИ и п. 10.19.2.
Результаты поверки считать положительными, если:
-
- диапазон измерений напряжения постоянного тока от -3,5 до -1,8 и от +0,6 до +1,8 В.
-
10.20 Определение погрешности канала измерения напряжения постоянного тока «Сигн.Зк на РТ»
В соответствии с указаниями на экране монитора при выполнении шага 181 ПСИ собрать вариант схемы измерений, из показанных на рисунке 14 и нажать кнопку «Далее». В соответствии с указаниями оператору установить необходимый режим работы калибратора Fluke 5500А и нажать кнопку «Далее». Программа КПА 48В6 запустит канал измерения напряжения постоянного тока сигнала «Сигн.Зк на РТ», выведет результат измерения на экран монитора и поместит его в базу данных.
Методика расчета погрешности измерения напряжений постоянного тока 0 В каналом «Сигн.Зк на РТ» 3U приведена в пункте 11.19.
Результаты поверки считать положительными, если пределы допускаемой абсолютной погрешности измерений напряжения постоянного тока при 0 В ± 0,08 В.
-
10.21 Определение погрешности каналов измерения дискретных значений напряжений постоянного тока «Контр.инт 1к», «Контр, инт 2к»
-
10.21.1 Определение погрешности измерения напряжения постоянного тока сигнала «Контр.инр 1к» для дискретных значений -0,636 и +0,636 В.
В соответствии с указаниями на экране монитора при выполнении шагов 182, 183 программы ПСИ собрать вариант схемы измерений, из показанных на рисунке 14 и нажать кнопку «Далее». В соответствии с указаниями оператору установить необходимый режим работы калибратора Fluke 5500А и нажать кнопку «Далее». Программа КПА 48В6 запустит канал измерения напряжения постоянного тока сигнала «Контр.инр 1к», выведет результат измерения на экран монитора и поместит его в базу данных.
Методика расчета погрешности измерения напряжений постоянного тока 6U приведена в пункте 11.20.
-
10.21.2 Определение погрешности измерения напряжений постоянного тока «Контр, инт 2к» для дискретных значений -0,636 и +0,636 В.
Погрешность измерения напряжения постоянного тока сигнала каналом «Контр, инт 2к» для значений -0,636 и +0,636 В определяется в соответствии с указаниями на экране монитора КПА 48В6 при выполнении шагов 184, 185 программы ПСИ и п. 10.21.2.
Результаты поверки считать положительными, если:
-
- значения измеряемого напряжения постоянного тока -0,636; +0,636 В.
-
10.22 Определение погрешности канала измерения напряжений постоянного тока ГУ «sinAyAn»
-
10.22.1 Определение погрешности измерения напряжения постоянного тока ГУ «sinAyAn» для значения +1,8 В.
Установить курсор на надпись «Шаг 186» в столбце отображения шагов программы ПСИ на экране монитора КПА 48В6 и нажать клавишу. В соответствии с указаниями на 27 экране монитора собрать вариант схемы измерений, из показанных на рисунке 17 и нажать кнопку «Далее».
Кабель №40

NORMAL V
Hl 5500Е
Fluke
LO
Кабель №39
Г | |
5 | |
Кабель №44 | |
8 | |
Кабель №43
Кабель №38
Рисунок 17 - Схема измерений для определения погрешности измерений напряжения постоянного тока
В соответствии с указаниями оператору установить необходимый режим работы калибратора Fluke 5500А и нажать кнопку «Далее». Программа КПА 48В6 запустит канал измерения напряжения постоянного тока сигнала «sin Ду АП», выведет результат измерения на экран монитора и поместит его в базу данных.
Методика расчета погрешности измерения напряжений постоянного тока 6U для значения +1.8 В приведена в пункте 11.21.
-
10.22.2 Определение погрешности измерения напряжения постоянного тока сигнала с ГУ «sinAyAn» для значения +6,2 В.
Погрешность измерения напряжения постоянного тока сигнала каналом «sinAyAn» для значения +6,0 В определяется в соответствии с указаниями на экране монитора КГ1А 48В6 при выполнении шага 187 программы ПСИ и п. 10.22.1.
Результаты поверки считать положительными, если:
- значения измеряемого напряжения постоянного тока +1,8; +6.0 В.
-
10.23 Определение погрешности каналов измерения напряжений постоянного тока «со1АП», «соПАП»
-
10.23.1 Определение погрешности измерения напряжений постоянного тока сигнала ТМ «со1АП» для значения +1,8 В.
В соответствии с указаниями на экране монитора при выполнении шага 188 программы ПСИ собрать вариант схемы измерений, из показанных на рисунке 17 и нажать кнопку «Далее». В соответствии с указаниями оператору установить необходимый режим работы калибратора Fluke 5500А и нажать кнопку «Далее». Программа КПА 48В6 запустит канал измерения напряжения постоянного тока сигнала «со!АП», выведет результат измерения на экран монитора и поместит его в базу данных.
Методика расчета погрешности измерения напряжений постоянного тока 8U для значения +1,8 В приведена в пункте 11.22
-
10.23.2 Определение погрешности измерения напряжения постоянного тока ТМ «со1АП» для значения +2 В.
Погрешность измерения напряжения постоянного тока сигнала каналом ТМ «оЯАП» для значения +2 В определяется в соответствии с указаниями на экране монитора КПА 48В6 при выполнении шага 189 программы ПСИ и п. 10.23.1.
-
10.23.3 Определение погрешности измерения напряжений постоянного тока канала ТМ «соПАП» для значений +1,8 и +2 В.
Погрешность измерения напряжения постоянного тока сигнала каналом ТМ «соПАП» для значений +1,8 и +2 В определяется в соответствии с указаниями на экране монитора КПА 48В6 при выполнении шагов 190, 191 программы ПСИ и п.п. 10.23.1-10.22.2.
Результаты поверки считать положительными, если:
-
- значения измеряемого напряжения постоянного тока +1,8; +2 В.
-
10.24 Определение погрешности каналов измерения напряжений постоянного тока сигналов ТМ «8ЮС», «82ОС», «83ОС», «84ОС»
-
10.24.1 Определение погрешности измерения напряжений постоянного тока сигнала ТМ «8ЮС» для значений +1,3 и +5,7 В.
В соответствии с указаниями на экране монитора при выполнении шагов 192, 193 программы ПСИ собрать вариант схемы измерений, из показанных на рисунке 17 и нажать кнопку «Далее».
В соответствии с указаниями оператору установить необходимый режим работы калибратора Fluke 5500А и нажать кнопку «Далее». Программа КПА 48В6 запустит канал измерения напряжения постоянного тока сигнала «8ЮС», выведет результат измерения на экран монитора и поместит его в базу данных.
Методика расчета погрешности измерения напряжений постоянного тока 8U для значения +1,3 и +5,7 В приведена в пункте 11.23.
-
10.24.2 Определение погрешности каналов измерения напряжений постоянного тока сигнала ТМ «82ОС», «83ОС», «84ОС» для значений +1,3 и +5,7 В.
Погрешность измерения напряжения постоянного тока сигнала каналов «82ОС», «83ОС», «84ОС» для значений +1,3 и +5,7 В определяется в соответствии с указаниями на экране монитора КПА 48В6 при выполнении шагов с 194 по 199 программы ПСИ и п.
-
10.24.1.
Результаты поверки считать положительными, если:
-
- значения измеряемого напряжения постоянного тока +1,3 и +5,7 В.
-
10.25 Определение погрешности канала измерения напряжений постоянного тока ТМ «п1АП», «пПАП», «пхАП»
-
10.25.1 Определение погрешности канала измерения напряжений постоянного тока ТМ «п1АП» +0,8 и +5,2 В.
В соответствии с указаниями на экране монитора при выполнении шагов 200, 201 программы ПСИ собрать вариант схемы измерений, из показанных на рисунке 17 и нажать кнопку «Далее».
В соответствии с указаниями оператору установить необходимый режим работы калибратора Fluke 5500А и нажать кнопку «Далее». Программа КПА 48В6 запустит канал измерения значений +0,8; +5,2 В напряжения постоянного тока сигнала ТМ «п1АП», выведет результат измерения на экран монитора и поместит его в базу данных.
Методика расчета погрешности измерения значений +0,8; +5,2 В напряжений постоянного тока 5U приведена в пункте 11.24.
-
10.25.2 Определение погрешности канала измерения напряжений постоянного тока ТМ «п11АП»для значений +0.8 и +5,2 В.
Погрешность измерения напряжения постоянного тока сигнала канала «п11АП», для значений +0.8 и +5,2 В определяется в соответствии с указаниями на экране монитора КПА 48В6 при выполнении шагов 202, 203 программы ПСИ и п. 10.25.1.
-
10.25.3 Определение погрешности канала измерения напряжений постоянного тока ТМ «пх АП» для значений +2,2; +6,7 В.
Погрешность измерения напряжения постоянного тока сигнала канала «пх АП», для значений +2,2; +6,7 В определяется в соответствии с указаниями на экране монитора КПА 48В6 при выполнении шагов 204. 205 программы ПСИ и п. 10.25.1.
Результаты поверки считать положительными, если:
-
- значения измеряемого напряжения постоянного тока сигналов ТМ «п1 АП», «nil АП» +0,8;+5.2 В;
-
- значения измеряемого напряжения постоянного тока сигналов ТМ «пх АП» +2,3; +6,7 В.
-
10.26 Определение погрешности каналов измерения напряжения постоянного тока сигналов «Управление», «Пассив»
-
10.26.1 Определение погрешности канала измерения напряжения постоянного тока сигнала «Управление» для значения +5 В.
В соответствии с указаниями на экране монитора при выполнении шага 206 программы ПСИ собрать вариант схемы измерений, из показанных на рисунке 17 и нажать кнопку «Далее». В соответствии с указаниями оператору установить необходимый режим работы калибратора Fluke 5500А и нажать кнопку «Далее». Программа КПА 48В6 запустит канал измерения значения +5 В напряжения постоянного тока сигнала «Управление», выведет результат измерения на экран монитора и поместит его в базу данных.
Методика расчета погрешности измерения для значения +5 В напряжений постоянного тока 6U приведена в пункте 11.25.
-
10.26.2 Определение погрешности канала измерения напряжения постоянного тока сигнала «Пассив» для значения + 5 В.
Погрешность измерения напряжения постоянного тока сигнала канала «Пассив», для значения +5 В определяется в соответствии с указаниями на экране монитора КПА 48В6 при выполнении шага 207 программы ПСИ и п. 10.26.1.
Результаты поверки считать положительными, если:
-
- значение измеряемого напряжения сигнала постоянного тока + 5 В.
-
10.27 Определение погрешности каналов измерения напряжения постоянного тока «-ucos(y+45°)», «-usin(\+450)»
-
10.27.1 Определение погрешности канала измерения напряжения постоянного тока сигнала «-dcos(y+450)» для значения +1.2 В.
В соответствии с указаниями на экране монитора при выполнении шага 208 программы ПСИ собрать вариант схемы измерений, из показанных на рисунке 17 и нажать кнопку «Далее». В соответствии с указаниями оператору установить необходимый режим работы калибратора Fluke 5500А и нажать кнопку «Далее». Программа КПА 48В6 запустит канал измерения значения +1,2 В напряжения постоянного тока сигнала «Управление», выведет результат измерения на экран монитора и поместит его в базу данных.
Методика расчета погрешности измерения для значения +1.2 В напряжений постоянного тока 6U приведена в пункте 11.26.
-
10.27.2 Определение погрешности канала измерения напряжения постоянного тока сигнала «-i)sin(y+450)» для значения +1,2 В.
Погрешность измерения напряжения постоянного тока сигнала канала «-usin(y+450)», для значения +1,2 В определяется в соответствии с указаниями на экране монитора КПА 48В6 при выполнении шага 209 программы ПСИ и п. 10.27.1.
Результаты поверки считать положительными, если:
-
- значение измеряемого напряжения сигнала постоянного тока + 1,2 В.
-
10.28 Определение погрешности канала измерения напряжения постоянного тока сигнала «Переключение по иО»
В соответствии с указаниями на экране монитора при выполнении шага 210 программы ПСИ собрать вариант схемы измерений, из показанных на рисунке 17 и нажать кнопку «Далее». В соответствии с указаниями оператору установить необходимый режим работы калибратора Fluke 55ООА и нажать кнопку «Далее». Программа КПА 48В6 запустит канал измерения значения +3,2 В напряжения постоянного тока сигнала «Переключение по о0», выведет результат измерения на экран монитора и поместит его в базу данных.
Методика расчета погрешности измерения для значения +3,2 В напряжений постоянного тока 8U приведена в пункте 11.27.
Результаты поверки считать положительными, если:
-
- значение измеряемого напряжения сигнала постоянного тока + 3.2 В.
-
10.29 Определение погрешности канала измерения напряжения постоянного тока «К7 авт.»
В соответствии с указаниями на экране монитора при выполнении шага 211 программы ПСИ собрать вариант схемы измерений, из показанных на рисунке 17 и нажать кнопку «Далее». В соответствии с указаниями оператору установить необходимый режим работы калибратора Fluke 55ООА и нажать кнопку «Далее». Программа КПА 48В6 запустит канал измерения значения +5 В напряжения постоянного тока сигнала «А7 авт», выведет результат измерения на экран монитора и поместит его в базу данных.
Методика расчета погрешности измерения для значения +5 В напряжений постоянного тока 8U приведена в пункте 11.28.
Результаты поверки считать положительными, если:
-
- значение измеряемого напряжения сигнала постоянного тока + 5 В.
-
10.30 Определение погрешности канала измерения напряжения постоянного тока «Контр. и0»
В соответствии с указаниями на экране монитора при выполнении шага 212 программы ПСИ собрать вариант схемы измерений, из показанных на рисунке 17 и нажать кнопку «Далее». В соответствии с указаниями оператору установить необходимый режим работы калибратора Fluke 5500А и нажать кнопку «Далее». Программа КГ1А 48В6 запустит канал измерения значения +4,8 В напряжения постоянного тока сигнала «Контр. и0», выведет результат измерения на экран монитора и поместит его в базу данных.
Методика расчета погрешности измерения для значения +4,8 В напряжений постоянного тока 8U приведена в пункте 11.29.
Результаты поверки считать положительными, если:
-
- значение измеряемого напряжения сигнала постоянного тока + 4,8 В.
-
10.31 Определение погрешности канала измерения напряжения постоянного тока «Блокировка по сходу»
В соответствии с указаниями на экране монитора при выполнении шага 213 программы ПСИ собрать вариант схемы измерений, из показанных на рисунке 17 и нажать кнопку «Далее».
В соответствии с указаниями оператору установить необходимый режим работы калибратора Fluke 5500А и нажать кнопку «Далее». Программа КПА 48В6 запустит канал измерения значения +3,2 В напряжения постоянного тока сигнала «Блокировка по сходу», выведет результат измерения на экран монитора и поместит его в базу данных.
Методика расчета погрешности измерения для значения +3,2 В напряжений постоянного тока 8U приведена в пункте 11.30.
Результаты поверки считать положительными, если:
-
- значение измеряемого напряжения сигнала постоянного тока + 3,2 В.
-
10.32 Определение погрешности канала измерения напряжения постоянного тока «cos Ду АП»
В соответствии с указаниями на экране монитора при выполнении шага 214 программы ПСИ собрать вариант схемы измерений, из показанных на рисунке 17 и нажать кнопку «Далее».
В соответствии с указаниями оператору установить необходимый режим работы калибратора Fluke 55ООА и нажать кнопку «Далее». Программа КПА 48В6 запустит канал измерения значения +5,6 В напряжения постоянного тока сигнала «cos ДуАП», выведет результат измерения на экран монитора и поместит его в базу данных.
Методика расчета погрешности измерения для значения +5,6 В напряжений постоянного тока 8U приведена в пункте 11.31.
Результаты поверки считать положительными, если:
-
- значение измеряемого напряжения сигнала постоянного тока + 5,6 В.
-
10.33 Определение погрешности каналов измерений напряжения постоянного тока «olt», «КВт», «пхпр», «о2т», «оЗт», ТМ «+5В», ТМ «1к на РТф», ТМ «2к на РТф», «Вых.1РТ», «Вых.2РТ», «Вых.ЗРТ», «Вых.4РТ».
-
10.33.1 Определение погрешности канала измерения напряжения постоянного тока сигнала «olt» для значения +4,8 В.
В соответствии с указаниями на экране монитора при выполнении шага 215 программы ПСИ собрать вариант схемы измерений, из показанных на рисунке 17 и нажать кнопку «Далее».
В соответствии с указаниями оператору установить необходимый режим работы калибратора Fluke 5500А и нажать кнопку «Далее». Программа КГ1А 48В6 запустит канал измерения значения +4.8 В напряжения постоянного тока сигнала «оИ», выведет результат измерения на экран монитора и поместит его в базу данных.
Методика расчета погрешности измерения для значения +4.8 В напряжений постоянного тока 8U приведена в пункте 11.32.
-
10.33.2 Определение погрешности канала измерения напряжения постоянного тока «КВт» для значения +4.9 В.
Погрешность измерения напряжения постоянного тока сигнала канала «КВт», для значения +4,9 В определяется в соответствии с указаниями на экране монитора КГ1А 48В6 при выполнении шага 216 программы ПСИ и п. 10.33.1.
-
10.33.3 Определение погрешности канала измерения напряжения постоянного тока «пхпр» для значения +2.3 В.
Погрешность измерения напряжения постоянного тока сигнала канала «пхпр», для значения +2.3 В определяется в соответствии с указаниями на экране монитора КПА 48В6 при выполнении шага 217 программы ПСИ и п. 10.33.1.
-
10.33.4 Определение погрешности каналов измерения напряжения постоянного тока «о2т», «оЗт», «+5В» для значения +1,5 В.
Погрешность измерения напряжения постоянного тока сигнала каналов «о 2 т», «оЗт», «+5В» для значения +1,5 В определяется в соответствии с указаниями на
экране монитора КПА 48В6 при выполнении шагов 218. 219, 220 программы ПСИ и п.
-
10.33.1.
-
10.33.5 Определение погрешности каналов измерения напряжения постоянного тока ТМ «1к на РТф», «2к на РТф» для значений +0,7; +5,3 В.
Погрешность измерения напряжения постоянного тока сигнала каналов ТМ «1к на РТф», «2к на РТф» для значений +0,7; +5.3 В определяется в соответствии с указаниями на экране монитора КПА 48В6 при выполнении шагов с 221 по 224 программы ПСИ и п. 10.33.1.
-
10.33.6 Определение погрешности каналов измерения напряжения постоянного тока «Вых 1 РТ», «Вых 2 РТ», «Вых 3 РТ», «Вых 4 РТ» для значений +1.0; +5,6 В.
Погрешность измерения напряжения постоянного тока сигнала каналов «Вых 1 РТ», «Вых 2 РТ». «Вых 3 РТ», «Вых 4 РТ» для значений +1.0; +5.6 В определяется в соответствии с указаниями на экране монитора КПА 48В6 при выполнении шагов с 225 по 232 программы ПСИ и п. 10.33.1.
Результаты поверки считать положительными, если:
-
- значения измеряемого напряжения сигнала постоянного тока для сигналов:
-
- «о 1т» +4,8 В;
-
- «КВт» +4.9 В;
-
- «пхпр» +2,3 В;
-
- «1к на РТф», «2к на РТф» +0.7; +5,3 В;
-
- «Вых 1 РТ», «Вых 2 РТ», «Вых 3 РТ», «Вых 4 РТ» +1; +5.6 В;
-
- пределы допускаемой абсолютной погрешности измерений напряжения постоянного тока ±0,1 В.
-
- значения измеряемого напряжения сигнала постоянного тока для сигналов:
-
- «о2т», «оЗт», ТМ «+5В» +1,5 В;
пределы допускаемой абсолютной погрешности измерений напряжения постоянного тока ± 0,25 В
11 ПОДТВЕРЖДЕНИЕ СООТВЕТСТВИЯ СРЕДСТВА ИЗМЕРЕНИЙ МЕТРОЛОГИЧЕСКИМ ТРЕБОВАНИЯМ-
11.1 Погрешность воспроизведения напряжения постоянного тока (д\/) автоматически вычисляется в соответствии с формулой 1:
\U=U,.-Ue, В (1)
где Un - номинальное значение амплитуды напряжения сигнала, воспроизводимого КПА-48В6;
Ue - напряжение измеренное мультиметром Fluke 8846А.
Погрешность измерений значения напряжения Зи и силы постоянного тока 3/ при + 12,6 В автоматически рассчитывается в соответствии с формулами 2 и 3:
U^-U.
sa= „ -1°°, % (2)
5,=Ц-^-Ю0. % (3)где Jkiia, Ukha- значение напряжения и силы тока, измеренные КГ1А 48В6: Ua - значение напряжения, измеренное мультиметром Fluke 8846А Io - значение силы тока, измеренное по прибору М2044.
Результаты поверки считать положительными, если:
-
- пределы допускаемой абсолютной погрешности воспроизведения напряжения постоянного тока +12,6 В ± 0,6 В;
-
- пределы допускаемой относительной погрешности измерений напряжения постоянного тока +12,6 В ±1.5 %;
-
- пределы допускаемой относительной погрешности измерений силы постоянного тока ± 5 %.
-
11.2 Погрешность воспроизведения напряжения постоянного тока (д';/) автоматически вычисляется в соответствии с формулой 1:
Погрешность измерений значения напряжения би и силы постоянного гока д'/ при -12.6 В автоматически рассчитывается в соответствии с формулами 2 и 3.
Результаты поверки считать положительными, если:
-
- пределы допускаемой абсолютной погрешности воспроизведения напряжения постоянного тока -12,6 В ± 0.6 В;
-
- пределы допускаемой относительной погрешности измерений напряжения постоянного тока -12,6 В ± 1,5 %;
-
- диапазон измерений силы постоянного тока, потребляемого по цепи напряжения постоянного тока от +1 до +3 А;
- пределы допускаемой относительной погрешности измерений силы постоянного тока ± 5%.
-
11.3 Определение погрешности каналов воспроизведения и измерения среднеквадратических значений линейных напряжений трехфазного переменного тока 40 и 65 В частотой 1000 Гц, определение погрешности канала измерения среднеквадратических значений силы переменного тока частотой 1000 Гц
-
11.3.1 Погрешность измерений среднеквадратического значения напряжения переменного тока между фазами «А» и «В» би/ автоматически рассчитывается в соответствии с формулой 4:
-
= *100, % (4)
где ис1кпа - среднеквадратическое значение напряжения переменного тока между фазами «А» и «В», измеренное каналом КПА 48В6;
- Ua - среднеквадратическое значение напряжения переменного тока между фазами «А» и «В», измеренное мультиметром Fluke8846A.
Погрешность измерений среднеквадратического значения силы переменного тока д'//, потребляемого по фазе «А» автоматически рассчитывается в соответствии с формулой 5: «Ы=^01ОО. % (5)
'а.
ГДе 1акпа среднеквадратическое значение силы тока, потребляемого по фазе «А», измеренное каналом измерения КПА 48В6;
- Л - среднеквадратическое значение силы тока, потребляемого по фазе «А», измеренное амперметром ЦА8500.
Погрешность воспроизведения трехфазного напряжения переменного тока МЛ КПА 48В6 автоматически вычисляется в соответствии с формулой 6:
МЛ = 40(В)-1Л (6)
-
11.3.2 Погрешность измерений среднеквадратического значения напряжения переменного тока между фазами «В» и «С» би/ автоматически рассчитывается в соответствии с формулой 7:
5ni =---й--100, % (7)
где Овкпс] - среднеквадратическое значение напряжения переменного тока между фазами «В» и «С», измеренное каналом КПА 48В6;
- Ue - среднеквадратическое значение напряжения переменного тока между фазами «В» и «С», измеренное мультиметром Fluke8846A.
Погрешность измерений среднеквадратического значения силы переменного тока дп, потребляемого по фазе «В» автоматически рассчитывается в соответствии с формулой 8: Д>х=/и^-/в ЮО. % (8)
где 1вкпа - среднеквадратическое значение силы тока, потребляемого по фазе «В», измеренное каналом измерения КПА 48В6;
-
- 1в - среднеквадратическое значение силы тока, потребляемого по фазе «В», измеренное амперметром ЦА8500.
-
11.3.3 Погрешность измерений среднеквадратического значения напряжения переменного тока между фазами «С» и «А» автоматически рассчитывается в соответствии с формулой 9:
100, % (9)
где иСкпа - среднеквадратическое значение напряжения переменного тока между фазами «С» и «А», измеренное каналом КПА 48В6;
- ис - среднеквадратическое значение напряжения переменного тока между фазами «С» и «А», измеренное мультиметром Fluke8846A.
Погрешность измерений среднеквадратического значения силы переменного тока д'//, потребляемого по фазе «В» автоматически рассчитывается в соответствии с формулой 10:
«и = ^=~100. % (10)
ГДе 1скпа ~ среднеквадратическое значение силы тока, потребляемого по фазе «В», измеренное каналом измерения КПА 48В6;
-
- 1С - среднеквадратическое значение силы тока, потребляемого по фазе «В», измеренное амперметром 1ДА8500.
-
11.3.4 Определение погрешности воспроизведения и измерения среднеквадратического значения напряжения 65 В переменного тока между фазами «А» и «В» и погрешности канала измерения среднеквадратических значений силы переменного тока частотой 1 000 Гц.
Установить курсор на надпись «Шаг 21» в столбце отображения шагов программы ПСИ на экране монитора. На экране монитора появится предупреждение об изменении текущего шага проверки. Для подтверждения изменения шага программы ПСИ нажать программную кнопку «YES».
Проверка MX канала проводятся аналогично п. 11.3.1. следуя указаниям на экране монитора КПА 48В6.
-
11.3.5 Определение погрешности каналов воспроизведения и измерения среднеквадратического значения напряжения 65 В переменного тока между фазами «В» и «С», определение погрешности канала измерения среднеквадратического значения силы переменного тока частотой 1000 Гц
Проверка MX канала проводятся аналогично п. 11.3.2, следуя указаниям на экране монитора КПА 48В6.
-
11.3.6 Определение погрешности воспроизведения и измерения среднеквадратического значения напряжения 65 В переменного тока между фазами «С» и «А», определение погрешности канала измерения среднеквадратического значения силы переменного тока частотой 1 000 Гц
Проверка MX канала проводятся аналогично п. 11.3.3, следуя указаниям на экране монитора КПА 48В6.
Результаты поверки считать положительными, если:
пределы допускаемой абсолютной погрешности воспроизведения среднеквадратического линейного напряжения переменного тока:
-
- 40 В на частоте 1 000 Гц ± 4 В;
-
- 65 В на частотой 1000 Гц ± 5 В;
-
- пределы допускаемой относительной погрешности измерений напряжения переменного тока ± 3 %;
-
- пределы допускаемой относительной погрешности измерений силы переменного тока ± 5 %.
11.4 Определение погрешности канала воспроизведения дискретных значений напряжения постоянного тока «Сигн. на РТ1», «Сиги, на РТ2»
-
11.4.1 Погрешность воспроизведения напряжения сигнала «Сигн. на 1РТ» Ли автоматически рассчитывается в соответствии с формулой 11:
Дзиаяа РТ1 1,87
--100’ %
(И)
1,87
Где иСигн. на РТ1 - значение напряжения сигнала «Сигн.на РТ1», измеренное мультиметром Fluke 8 846А
Погрешность воспроизведения напряжения сигнала «Сигн. на 1РТ» Л;; автоматически рассчитывается в соответствии с формулой 12:
, ЦспгжкаРП — ( 1,87)
(12)
=------ТТ7Ч--ЮО. %
-1.87
Где (7^/. Иа РТ1 - значение напряжения сигнала «Сигн.на РТ1», измеренное мультиметром Fluke8846A
-
11.4.2 Определение погрешности воспроизведения напряжения постоянного тока сигнала «Сигн. на 2РТ» проводится при выполнении шагов 89, 90 программы ПСИ аналогично п.п. 11.4.1-11.4.2.
Результаты поверки считать положительными, если:
- пределы допускаемой относительной погрешности воспроизведения дискретных значений напряжения постоянного тока ± 1 %.
-
11.5 Определение погрешности канала воспроизведения дискретных значений напряжения постоянного тока «Контр.инт. 2к»
При переходе к выполнению шага 91 программы ПСИ КПА 48В6 отображает на экране монитора инструкцию оператору по сборке варианта схемы измерений, которую необходимо собрать в соответствии с рисунком 12 и нажать программную кнопку «Далее». Программа КПА 48В6 отобразит на экране монитора указания оператору по установке режима работы мультиметра Fluke 8 846А. Установить требуемый режим работы и нажать кнопку «Далее». Программа запустит воспроизведение напряжения постоянного тока сигнала «Контр, инт. 2к» заданной величины Ueocnp. и откроет программную строку для ввода числового значения, измеренного напряжения сигнала Utf0HWA#HW.2K мультиметром Fluke 8846А. Внести числовое значение результата измерения напряжения мультиметром в программную строку и нажать программную кнопку «Далее». КПА 48В6 выведет внесенное в программную строку значение напряжения ико«тр.^нш.2К на экран монитора и занесет его в базу данных. Провести аналогичные операции на шаге 92 программы ПСИ
Погрешность воспроизведения напряжения сигнала 6U автоматически рассчитывается в соответствии с формулой 13:
(В)
Где иконтр. Инт. 2к - значение напряжения постоянного тока, измеренное Fluke 8846А;
- Ueocnp. - номинальное значение воспроизводимого напряжения постоянного тока каналом КПА 48В6.
Результаты поверки считать положительными, если:
-
- пределы допускаемой относительной погрешности воспроизведения дискретных значений напряжения постоянного тока±1 %.
-
11.6 Определение погрешности канала воспроизведения дискретных значений силы постоянного тока «1дпу»
-
11.6.1 Погрешность воспроизведения дискретного значения силы постоянного тока 31 автоматически рассчитывается в соответствии с формулой 14:
(5/ = 1адпу~1в, Л (14)
Где Iadny - значение силы тока, измеренное мультиметром;
1в - заданная величина воспроизводимого дискретного значения силы тока 1дпу
-
11.6.2 Определение погрешности воспроизведения дискретного значения силы постоянного тока «1дпу» +21,6. +21; +23,05; +38; +39.1; +61,02: +113; -64,2; -92; -103,6,-ИЗмА
Определение погрешности воспроизведения дискретного значения силы постоянного тока «1дпу» +21,6, +21; +23,05; +38; +39,1; +61,02; +113; -64,2; -92; -103,6 мА проводится аналогично п. 11.6.1 с выполнением операций, указанных оператору на экране монитора КПА 48В6 при выполнении шагов с 31 по 40 программы ПСИ.
Результаты поверки считать положительными, если:
-
- пределы допускаемой абсолютной погрешности воспроизведения дискретных значений силы постоянного тока ±(0,0Г1дпу +0,1) mA.
-
11.7 Определение погрешности каналов воспроизведения дискретных значений силы постоянного тока «1длу»
-
11.7.1 Погрешность воспроизведения дискретного значения силы постоянного тока 31 автоматически рассчитывается в соответствии с формулой 16.
(У/ Iad.iv Тв, мА (16)
Где Iad.iy - значение силы постоянного тока 1длу, измеренное мультиметром:
1в - заданная величина дискретного значения силы постоянного воспроизводимого каналом 1длу КПА 48В6.
-
11.7.2 Определение погрешности воспроизведения дискретного значения силы постоянного тока «1длу1»-4,15; ±6,04; ±13,4; ±25; ±30,04; ±33,25; ±80,1; ±100 мА.
Определение погрешности воспроизведения дискретного значения силы постоянного тока «1длу1» -4,15; ±6,04; ±13,4; ±25; ±30.04; ±33,25; ±80,1; ±100 мА проводить аналогично п. 11.7.1, следуя указаниям на экране монитора КПА 48В6 при выполнении шагов с 42 по 53 программы ПСИ.
-
11.7.3 Определение погрешности воспроизведения дискретных значений силы постоянного тока «1длу2».
Определение погрешности воспроизведения дискретного значения силы постоянного тока «1длу2» ±4,15; ±6,04; ±13,4; ±25; ±30,04; ±33,25; ±80,1; ±100 мА проводить аналогично п. 11.7.1, следуя указаниям на экране монитора КПА 48В6 при выполнении шагов с 54 по 69 программы ПСИ.
Результаты поверки считать положительными, если:
-
- пределы допускаемой абсолютной погрешности воспроизведения дискретных значений силы постоянного тока ± (0,01 1длу +0,1) mA
-
11.8 Определение погрешности каналов воспроизведения дискретных значений силы постоянного тока «1дус».
-
11.8.1 Погрешность воспроизведения дискретного значения силы постоянного тока 31 автоматически рассчитывается в соответствии с формулой 17:
31=1адус-1в, мА (17)
ГДе 1адус — значение силы тока 1дус, измеренное мультиметром Fluke 8 846А;
-
- 1в - заданная величина дискретного значения силы постоянного воспроизводимого каналом 1дус КПА 48В6.
-
11.8.2 Определение погрешности воспроизведения дискретного значения силы постоянного тока «1дус 1» -15,04; ±21; ±66; ±88,4; ±100; ±114,6мЛ.
Определение погрешности воспроизведения дискретного значения силы постоянного тока «1дус 1» -15.04; ±21; ±66: ±88.4: ±100; ±114,6 мА проводить аналогично п. 11.8.1, следуя указаниям на экране монитора КПА 48В6 при выполнении шагов с 69 по 79 программы ПСИ.
-
11.8.3 Определение погрешности воспроизведения дискретных значений силы постоянного тока «1дус2».
Определение погрешности воспроизведения дискретного значения силы постоянного тока «1дус2» ±15,04; ±21; ±66; ±88.4; ±100; ±114.6 мА проводить аналогично п. 11.8.1, следуя указаниям на экране монитора КПА 48В6 при выполнении шагов с 80 по 91 программы ПСИ.
Результаты поверки считать положительными, если:
-
- пределы допускаемой абсолютной погрешности воспроизведения дискретных значений силы постоянного тока ± (0,01 1дус +0,1) mA.
-
11.9 Погрешность измерения напряжений постоянного тока каналом «Контр, интегратора» 3U автоматически рассчитывается в соответствии с формулой 18:
би= ит 100> % (18)
Где UU3.m - значение напряжения постоянного тока, измеренное измерительным каналом «Контр, интегратора»;
UK - значение напряжения постоянного тока, установленное на калибраторе Fluke 5500А.
Результаты поверки считать положительными, если:
-
- пределы допускаемой относительной погрешности измерений напряжения постоянного тока ± 2 %.
-
11.10 Определение погрешности канала измерений напряжения постоянного тока «Сигн. ДПУ»
-
11.10.1 Погрешность измерения напряжений постоянного тока каналом «Сигн. ДПУ» 3Uавтоматически рассчитывается в соответствии с формулой 18.
-
11.10.2 Определение погрешности измерения напряжения постоянного тока сигнала «Сигн. ДПУ» для значения -2 В.
Относительная погрешность измерения напряжения постоянного тока сигнала «Сигн. ДПУ» -2 В каналом «Сигн. ДПУ» определяется аналогично п. 11.10.1, следуя указаниям поверителю устанавливаемым на экране монитора при выполнении шага 106 программы ПСИ.
Результаты поверки считать положительными, если:
-
- пределы допускаемой относительной погрешности измерений напряжения постоянного тока ± 1,5 %.
-
11.11 Определение погрешностей каналов измерения напряжений постоянного тока «-usin(Y+450)», «-vcos(y+45°)»
-
11.11.1 Погрешность измерения напряжений постоянного тока каналом «-usin(Y±450)» 3U автоматически рассчитывается в соответствии с формулой 19:
3U=UU3M-UK (19)
где Uimt. - значение напряжения постоянного тока, измеренное измерительным каналом «-usin(Y±45°)»;
UK - значение напряжения постоянного тока, установленное на калибраторе Fluke 5500А.
-
11.11.2 Определение погрешности измерения напряжения постоянного тока сигнала «-usin(Y±450)» для значения -2,9 В.
В соответствии с указаниями оператору, выведенными на экран монитора КПА 48В6 при выполнении шага 108 программы ПСИ установить необходимый режим работы калибратора Fluke 5500А и нажать программную кнопку «Далее». Программа запустит измерение напряжения постоянного тока сигнала «-vsin(y+450)» каналом КПА 48В6. выведет результат измерения на экран монитора и занесет его в базу данных.
Погрешность измерения напряжений постоянного тока каналом «-usin(y+45°)» Неавтоматически рассчитывается в соответствии с формулой 18.
-
11.11.3 Определение погрешности измерения напряжения постоянного тока сигнала «-usin(y+450)» для значения -4,1 В.
Погрешность измерения напряжения постоянного тока сигнала «-usin(y+450)» -4.1 В каналом «-'osin(y+450)» проводить аналогично п.10.12.2 в соответствии с указаниями на экране монитора КПА 48В6 при выполнении шага 109 программы ПСИ.
-
11.11.4 Определение погрешности измерения напряжений постоянного тока сигнала «-i)cos(y+450)» для значений 0. -2,9. -4,1 В.
Собрать вариант схемы измерений в соответствии с рисунком 14 и указаниями поверителю при выполнении шага 110 программы ПСИ и нажать программную кнопку «Далее».
Погрешность измерений напряжений постоянного тока 0. -2, -4,1 В сигнала «-ucos(y+450)» проводить в соответствии с п.п. 11.11.1-11.11.3 следуя указаниям на экране монитора КПА 48В6 при выполнении шагов 110, 111, 112 программы ПСИ.
Результаты поверки считать положительными, если:
-
- пределы допускаемой абсолютной погрешности измерений напряжения сигнала постоянного тока ±0,1 В:
-
- пределы допускаемой относительной погрешности измерений напряжения постоянного тока ±3 %.
-
11.12 Определение погрешности канала измерения напряжения постоянного тока «Контр.и»
Собрать вариант схемы измерений, из показанных на рисунке 14 в соответствии с указаниями поверителю установленным на экране монитора при выполнении шага 113 программы ПСИ и нажать кнопку «Далее». В соответствии с указаниями оператору установить необходимый режим работы калибратора Fluke 55ООА и нажать кнопку «Далее». Программа КПА 48В6 запустит канал измерения напряжения постоянного тока сигнала «Контр, и», выведет результат измерения на экран монитора и занесет его в базу данных.
Погрешность измерения напряжений постоянного тока каналом «Контр, и» 6U автоматически рассчитывается в соответствии с формулой 18.
Результаты поверки считать положительными, если:
-
- значение измерения напряжения постоянного тока ± 7.2 В:
-
- пределы допускаемой относительной погрешности измерений напряжения постоянного тока ± 2 %.
Погрешность измерения напряжений постоянного тока каналом «sin Ау» 3U автоматически рассчитывается в соответствии с формулой 18.
-
11.13 Определение погрешности канала измерения напряжений постоянного тока ГУ «sin Ду»
-
11.13.1 Определение погрешности измерения напряжения постоянного тока сигнала ГУ «sinAy» для значения +7,5 В.
Собрать вариант схемы измерений, из показанных на рисунке 14 в соответствии с указаниями поверителю, установленным на экране монитора при выполнении шага 114 программы ПСИ и нажать кнопку «Далее». В соответствии с указаниями оператору установить необходимый режим работы калибратора Fluke 5500А и нажать кнопку «Далее». Программа КГ1А 48В6 запустит канал измерения напряжения постоянного тока сигнала ГУ «sin Ду», выведет результат измерения на экран монитора и занесет его в базу данных.
Погрешность измерения напряжений постоянного тока каналом «sin Ду» 6U автоматически рассчитывается в соответствии с формулой 18.
-
11.13.2 Определение погрешности канала измерения напряжения постоянного тока ГУ «sinAy» для значений +8.93; -7,5; -8.93 В.
Погрешность измерения напряжения постоянного тока сигнала ГУ «sin Ду» +8,93; -7.5; -8.93 В каналом «sin Ду» определяется в соответствии с указаниями на экране монитора КПА 48В6 при выполнении шагов 115, 116, 117 программы ПСИ и п. 11.13.1.
Результаты поверки считать положительными, если:
- пределы допускаемой относительной погрешности измерений напряжения постоянного тока ± 3 %.
-
11.14 Определение погрешности канала измерения напряжений постоянного тока «Контр.перекл.по уО»
-
11.14.1 Определение погрешности измерения напряжения постоянного тока сигнала «Контр.перекл.по уО» в диапазоне от +0,7 до +1,5 В.
Собрать вариант схемы измерений, из показанных на рисунке 14 в соответствии с указаниями поверителю установленным на экране монитора при выполнении шага 118 программы ПСИ и нажать кнопку «Далее». В соответствии с указаниями оператору устанавливать необходимые режимы работы калибратора Fluke 5500А при последовательном выполнении шагов 118 и 119 программы ПСИ и нажимать кнопку «Далее». Программа КПА 48В6 на каждом шаге запустит канал измерения напряжения постоянного тока сигнала «Контр, перекл. по уО», выведет результат измерения на экран монитора и занесет его в базу данных.
Погрешность измерения напряжений постоянного тока каналом «Контр, перекл. по уО» 6U автоматически рассчитывается в соответствии с формулой 18.
-
11.14.2 Определение погрешности измерения напряжения постоянного тока сигнала «Контр, перекл. по уО» в диапазоне от -0,7 до -1,5 В.
Погрешность измерения напряжения постоянного тока сигнала каналом «Контр, перекл. по уО» в диапазоне от -0,7 до -1,5 В определяется в соответствии с указаниями на экране монитора КПА 48В6 при выполнении шагов 120,121 программы ПСИ и п. 11.14.1.
Результаты поверки считать положительными, если:
- пределы допускаемой относительной погрешности измерений напряжения постоянного тока ± 8 %.
-
11.15 Определение погрешности каналов измерения напряжений постоянного тока «Сигн.1к на РТ». «Сигн.2к на РТ»
-
11.15.1 Определение погрешности канала измерения напряжений постоянного тока сигнала «Сигн. 1 к на РТ».
Собрать вариант схемы измерений, из показанных на рисунке 14 в соответствии с указаниями на экране монитора при выполнении шага 122 программы ПСИ и нажать кнопку «Далее». В соответствии с указаниями оператору установить необходимый режим работы калибратора Fluke 5500А и нажать кнопку «Далее». Программа КПА 48В6 запустит канал измерения напряжения постоянного тока сигнала «Сигн. 1 к на РТ», выведет результат измерения на экран монитора и занесет в базу данных.
Погрешность измерения напряжений постоянного тока каналом «Сигн.1 к на РТ» 6U автоматически рассчитывается в соответствии с формулой 19.
-
11.15.2 Определение погрешности измерения напряжения постоянного тока сигнала «Сигн. 1 к на РТ» в диапазоне от +1.7 до +3.7 В.
В соответствии с указаниями оператору при выполнении шагов 123, 124, 125 программы ПСИ устанавливать необходимый режим работы калибратора Fluke 5500А и нажимать кнопку «Далее». Программа КПА 48В6 запустит канал измерения напряжения постоянного тока сигнала «Сигн.1к на Р Г», выведет на экран монитора результат измерений и поместит его в базу данных.
Погрешность измерения напряжений постоянного тока каналом «Сигн.1к на РТ» 8U автоматически рассчитывается в соответствии с формулой 18.
-
11.15.3 Определение погрешности измерения напряжения постоянного тока сигнала «Сигн.1к на РТ» в диапазоне от -1,7 до -3.7 В.
Погрешность измерения напряжения постоянного тока сигнала каналом «СигнЛк на РТ» в диапазоне от -1.7 до -3.7 В определяется в соответствии с указаниями на экране монитора КПА 48В6 при выполнении шагов 126, 127, 128 программы ПСИ и п. 10.16.2.
-
11.15.4 Определение погрешности канала измерения напряжений постоянного тока сигнала «Сигн2к на РТ».
Погрешность измерения напряжения постоянного тока сигнала каналом «Сигн.2к на РТ» В определяется в соответствии с указаниями на экране монитора КПА 48В6 при выполнении шагов с 129 по 135 программы ПСИ и п.п 11.15.1-11.15.3.
Результаты поверки считать положительными, если:
-
- пределы допускаемой относительной погрешности измерений напряжения постоянного тока ± 3 %;
-
- пределы допускаемой абсолютной погрешности измерений напряжения постоянного тока при 0 В ± 0,1 В.
-
11.16 Определение погрешности каналов измерений напряжений постоянного тока «Контр.61», «Контр.82», «Контр.83», «Контр.84»
-
11.16.1 Определение погрешности измерения напряжений постоянного тока сигнала «Контр.81».
Собрать вариант схемы измерений, из показанных на рисунке 14 в соответствии с указаниями на экране монитора при выполнении шага 136 программы ПСИ и нажать программную кнопку «Далее». В соответствии с указаниями оператору установить необходимый режим работы калибратора Fluke 5500А и нажать кнопку «Далее». Программа КПА 48В6 запустит канал измерения напряжения постоянного тока сигнала «Конгр.81», выведет на экран монитора результат измерения и поместит его в базу данных.
Погрешность измерения напряжений постоянного тока каналом «Контр.81» 6U автоматически рассчитывается в соответствии с формулой 19.
-
11.16.2 Определение погрешности канала измерения напряжения постоянного тока «Контр.81» в диапазоне от +0,8 до + 4 В.
В соответствии с указаниями оператору при выполнении шагов с 137 по 144 программы ПСИ установить необходимый режим работы калибратора Fluke 5500А и нажать кнопку «Далее». Программа КПА 48В6 запустит канал измерения напряжения постоянного тока сигнала «Контр.81» выведет на экран монитора результат измерения и поместит его в базу данных.
Погрешность измерения напряжений постоянного тока каналом «Контр.81» 8U в диапазоне от +0,8 до + 4 В автоматически рассчитывается в соответствии с формулой 18.
-
11.16.3 Определение погрешности канала измерения напряжения постоянного тока «Контр.81» в диапазоне от -4 до -0,8 В.
Погрешность измерения напряжения постоянного тока сигнала каналом «Контр.81» в диапазоне от -4 до -0.82 В определяется в соответствии с указаниями на экране монитора КПА 48В6 при выполнении шагов с 145 по 153 программы ПСИ и п. 10.17.2.
-
11.16.4 Определение погрешности каналов измерения напряжений постоянного тока сигнала «Контр.82», «Контр.83», «Контр.84».
Погрешность измерения напряжения постоянного тока сигнала каналом «Контр.82», «Контр.83», «Контр.84» определяется в соответствии с указаниями на экране монитора КПА 48В6 при выполнении шагов с 154 по 171 программы ПСИ и п.п. 11.16.1-11.16.3.
Результаты поверки считать положительными, если:
-
- пределы допускаемой относительной погрешности измерений напряжения постоянного тока ± 1,5 %;
-
- пределы допускаемой абсолютной погрешности измерений напряжения постоянного тока при значении при О В ± 0,05 В.
-
11.17 Определение погрешности каналов измерения напряжения постоянного тока «Kgrulk», «Kgru2k»
-
11.17.1 Определение погрешности измерения напряжений постоянного тока сигнала «Kgrulk» для значения +0,616 В.
В соответствии с указаниями на экране монитора при выполнении шага 172 программы ПСИ собрать вариант схемы измерений, из показанных на рисунке 14 и нажать кнопку «Далее». В соответствии с указаниями оператору установить необходимый режим работы калибратора Fluke 55ООА и нажать кнопку «Далее». Программа КПА 48В6 запустит канал измерения напряжения постоянного тока сигнала «Kgrulk», выведет результат измерения на экран монитора и поместит его в базу данных.
Погрешность измерения напряжений постоянного тока каналом «Kgrulk» 6U для значения +0,616 В автоматически рассчитывается в соответствии с формулой 18.
-
11.17.2 Определение погрешности измерения напряжения постоянного тока сигнала «Kgrulk» для значения -0,616 В.
Погрешность измерения напряжения постоянного тока сигнала каналом «Kgrulk» для значения -0,616 В определяется в соответствии с указаниями на экране монитора КПА 48В6 при выполнении шага 173 программы ПСИ и п. 11.17.1.
-
11.17.3 Определение погрешности измерения напряжения постоянного тока сигнала «Kgru2k» для значений +0.616 и -0.616 В.
Погрешность измерения напряжения постоянного тока сигнала каналом «Kgru2k» для значений +0.616 и -0,616 В определяется в соответствии с указаниями на экране монитора КПА 48В6 при выполнении шагов 174, 175 программы ПСИ и п.п. 11.17.1 и 11.17.2.
Результаты поверки считать положительными, если:
-
- пределы допускаемой относительной погрешности измерений напряжения постоянного тока ± 1.5 %.
-
11.18 Определение погрешности канала измерений напряжений постоянного тока «Контр. КВ»
-
11.18.1 Определение погрешности измерений напряжения постоянного тока «Контр.КВ» при значении 0 В.
В соответствии с указаниями на экране монитора при выполнении шага 176 программы ПСИ собрать вариант схемы измерений, из показанных на рисунке 14 и нажать кнопку «Далее». В соответствии с указаниями оператору установить необходимый режим работы калибратора Fluke 5500А и нажать кнопку «Далее». Программа КПА 48В6 запустит канал измерения напряжения постоянного тока сигнала «Контр.КВ» выведет результат измерения на экран монитора и поместит его в базу данных.
Погрешность измерения напряжений постоянного тока 0 В каналом «Контр.КВ» 8U автоматически рассчитывается в соответствии с формулой 19.
-
11.18.2 Определение погрешности измерения напряжения постоянного тока каналом «Контр.КВ» в диапазоне от +0,6 до +1.8 В.
В соответствии с указаниями оператору при выполнении шагов 177, 178 программы ПСИ установить необходимый режим работы калибратора Fluke 5500А и нажать кнопку «Далее». Программа КГ1А 48В6 запустит канал измерения напряжения постоянного тока диапазоне от +0,6 до +1,8 В для канала «Контр.КВ», выведет результат измерения на экран монитора и поместит его в базу данных.
Погрешность измерения напряжения постоянного тока сигнала каналом «Контр.КВ» в диапазоне от +0,6 до +1.8 В автоматически рассчитывается в соответствии с формулой 18.
-
11.18.3 Определение погрешности измерения напряжения постоянного тока каналом «Контр.КВ» в диапазоне от -3.5 до -1.8 В.
Погрешность измерения напряжения постоянного тока сигнала каналом «Контр.КВ» для значений -3,5 до -1,8 В определяется в соответствии с указаниями на экране монитора КПА 48В6 при выполнении шагов 179, 180 программы ПСИ и п. 11.18.2.
Результаты поверки считать положительными, если:
-
- пределы допускаемой относительной погрешности измерений напряжения постоянного тока ± 5 %;
-
- пределы допускаемой абсолютной погрешности измерений напряжения постоянного тока при 0 В ± 0,05 В.
-
11.19 Определение погрешности канала измерения напряжения постоянного тока «Сигн.Зк на РТ»
В соответствии с указаниями на экране монитора при выполнении шага 181 ПСИ собрать вариант схемы измерений, из показанных на рисунке 14 и нажать кнопку «Далее». В соответствии с указаниями оператору установить необходимый режим работы калибратора Fluke 5500А и нажать кнопку «Далее». Программа КПА 48В6 запустит канал измерения напряжения постоянного тока сигнала «Сигн.Зк на РТ», выведет результат измерения на экран монитора и поместит его в базу данных.
Погрешность измерения напряжений постоянного тока 0 В каналом «Сигн.Зк на РТ» 3U автоматически рассчитывается в соответствии с формулой 19.
Результаты поверки считать положительными, если пределы допускаемой абсолютной погрешности измерений напряжения постоянного тока при 0 В ± 0,08 В.
-
11.20 Определение погрешности каналов измерения дискретных значений напряжений постоянного тока «Контр.инт 1к», «Контр, инт 2к»
-
11.20.1 Определение погрешности измерения напряжения постоянного тока сигнала «Контр.инр 1к» для дискретных значений -0,636 и +0,636 В.
В соответствии с указаниями на экране монитора при выполнении шагов 182, 183 программы ПСИ собрать вариант схемы измерений, из показанных на рисунке 14 и нажать кнопку «Далее». В соответствии с указаниями оператору установить необходимый режим работы калибратора Fluke 5500А и нажать кнопку «Далее». Программа КПА 48В6 запустит канал измерения напряжения постоянного тока сигнала «Контр.инр 1к», выведет результат измерения на экран монитора и поместит его в базу данных.
Погрешность измерения напряжений постоянного тока 5U автоматически рассчитывается в соответствии с формулой 18.
-
11.20.2 Определение погрешности измерения напряжений постоянного тока «Контр, инт 2к» для дискретных значений -0,636 и +0,636 В.
Погрешность измерения напряжения постоянного тока сигнала каналом «Контр, инт 2к» для значений -0,636 и +0,636 В определяется в соответствии с указаниями на экране монитора КПА 48В6 при выполнении шагов 184, 185 программы ПСИ и п. 11.20.2.
Результаты поверки считать положительными, если:
-
- пределы допускаемой относительной погрешности измерений напряжения постоянного тока ± 5 %.
-
11.21 Определение погрешности канала измерения напряжений постоянного тока ГУ «sinAyAn»
-
11.21.1 Определение погрешности измерения напряжения постоянного тока ГУ «sinAyAn» для значения +1,8 В.
Установить курсор на надпись «Шаг 186» в столбце отображения шагов программы ПСИ на экране монитора КПА 48В6 и нажать клавишу. В соответствии с указаниями на экране монитора собрать вариант схемы измерений, из показанных на рисунке 17 и нажать кнопку «Далее»
В соответствии с указаниями оператору установить необходимый режим работы калибратора Fluke 5500А и нажать кнопку «Далее». Программа КПА 48В6 запустит канал измерения напряжения постоянного тока сигнала «sinAyAFI», выведет результат измерения на экран монитора и поместит его в базу данных.
Погрешность измерения напряжений постоянного тока 8U для значения +1.8 В автоматически рассчитывается в соответствии с формулой 19.
-
11.21.2 Определение погрешности измерения напряжения постоянного тока сигнала с ГУ «sinAyAn» для значения +6,2 В.
Погрешность измерения напряжения постоянного тока сигнала каналом «sinAyAn» для значения +6,0 В определяется в соответствии с указаниями на экране монитора КПА 48В6 при выполнении шага 187 программы ПСИ и п. 11.21.1.
Результаты поверки считать положительными, если:
-
- пределы допускаемой абсолютной погрешности измерений напряжения постоянного тока ±0,2 В.
-
11.22 Определение погрешности каналов измерения напряжений постоянного тока «colАГ1», «соПАП»
-
11.22.1 Определение погрешности измерения напряжений постоянного тока сигнала ГМ «colАП» для значения +1.8 В.
В соответствии с указаниями на экране монитора при выполнении шага 188 программы ПСИ собрать вариант схемы измерений, из показанных на рисунке 17 и нажать кнопку «Далее». В соответствии с указаниями оператору установить необходимый режим работы калибратора Fluke 5500А и нажать кнопку «Далее». Программа КПА 48В6 запустит канал измерения напряжения постоянного тока сигнала «со1АП», выведет результат измерения на экран монитора и поместит его в базу данных.
Погрешность измерения напряжений постоянного тока 8U для значения +1,8 В автоматически рассчитывается в соответствии с формулой 19.
-
11.22.2 Определение погрешности измерения напряжения постоянного тока ТМ «col АП» для значения +2 В.
Погрешность измерения напряжения постоянного тока сигнала каналом ТМ «со1АП» для значения +2 В определяется в соответствии с указаниями на экране монитора КГ1А 48В6 при выполнении шага 189 программы ПСИ и п. 11.22.1.
-
11.22.3 Определение погрешности измерения напряжений постоянного тока канала ТМ «соПАП» для значений +1.8 и +2 В.
Погрешность измерения напряжения постоянного тока сигнала каналом ТМ «соПАП» для значений +1,8 и +2 В определяется в соответствии с указаниями на экране монитора КПА 48В6 при выполнении шагов 190, 191 программы ПСИ и п.п. 11.22.1-11.22.2.
Результаты поверки считать положительными, если:
-
- пределы допускаемой абсолютной погрешности измерений напряжения постоянного тока ±0,2 В.
-
11.23 Определение погрешности каналов измерения напряжений постоянного тока сигналов ТМ «8ЮС». «82ОС», «83ОС». «84ОС»
-
11.23.1 Определение погрешности измерения напряжений постоянного тока сигнала ТМ «8ЮС» для значений +1,3 и +5,7 В.
В соответствии с указаниями на экране монитора при выполнении шагов 192. 193 программы ПСИ собрать вариант схемы измерений, из показанных на рисунке 17 и нажать кнопку «Далее».
В соответствии с указаниями оператору установить необходимый режим работы калибратора Fluke 5500А и нажать кнопку «Далее». Программа КПА 48В6 запустит канал измерения напряжения постоянного тока сигнала «8ЮС», выведет результат измерения на экран монитора и поместит его в базу данных.
Погрешность измерения напряжений постоянного тока 8U для значения +1,3 и +5,7 В автоматически рассчитывается в соответствии с формулой 19.
-
11.23.2 Определение погрешности каналов измерения напряжений постоянного тока сигнала ТМ «82ОС», «83ОС», «84ОС» для значений +1,3 и +5,7 В.
Погрешность измерения напряжения постоянного тока сигнала каналов «62ОС», «83ОС», «84ОС» для значений +1,3 и +5,7 В определяется в соответствии с указаниями на экране монитора КПА 48В6 при выполнении шагов с 194 по 199 программы ПСИ и п.
-
11.23.1.
Результаты поверки считать положительными, если:
-
- пределы допускаемой абсолютной погрешности измерений напряжения постоянного тока ± 0,2 В.
-
11.24 Определение погрешности канала измерения напряжений постоянного тока ТМ «п1АП», «пПАП». «пхАП»
-
11.24.1 Определение погрешности канала измерения напряжений постоянного тока ТМ «п!АП» +0,8 и +5,2 В.
В соответствии с указаниями на экране монитора при выполнении шагов 200, 201 программы ПСИ собрать вариант схемы измерений, из показанных на рисунке 17 и нажать кнопку «Далее».
В соответствии с указаниями оператору установить необходимый режим работы калибратора Fluke 5500А и нажать кнопку «Далее». Программа КПА 48В6 запустит канал измерения значений +0,8; +5,2 В напряжения постоянного тока сигнала ТМ «п!АП», выведет результат измерения на экран монитора и поместит его в базу данных.
Погрешность измерения значений +0,8; +5,2 В напряжений постоянного тока 8U автоматически рассчитывается в соответствии с формулой 19.
-
11.24.2 Определение погрешности канала измерения напряжений постоянного тока ТМ «пПАП» для значений +0,8 и +5,2 В.
Погрешность измерения напряжения постоянного тока сигнала канала «пПАП», для значений +0.8 и +5,2 В определяется в соответствии с указаниями на экране монитора КПА 48В6 при выполнении шагов 202, 203 программы ПСИ и п. 11.24.1.
-
11.24.3 Определение погрешности канала измерения напряжений постоянного тока ГМ «пх АП» для значений +2,2; +6,7 В.
Погрешность измерения напряжения постоянного тока сигнала канала «пх АП», для значений +2,2; +6,7 В определяется в соответствии с указаниями на экране монитора КПА 48В6 при выполнении шагов 204, 205 программы ПСИ и п. 11.24.1.
Результаты поверки считать положительными, если:
-
- пределы допускаемой абсолютной погрешности измерений напряжения постоянного тока ±0.2 В
-
11.25 Определение погрешности каналов измерения напряжения постоянного тока сигналов «Управление», «Пассив»
-
11.25.1 Определение погрешности канала измерения напряжения постоянного тока сигнала «Управление» для значения +5 В.
В соответствии с указаниями на экране монитора при выполнении шага 206 программы ПСИ собрать вариант схемы измерений, из показанных на рисунке 17 и нажать кнопку «Далее». В соответствии с указаниями оператору установить необходимый режим работы калибратора Fluke 5500А и нажать кнопку «Далее». Программа КПА 48В6 запустит канал измерения значения +5 В напряжения постоянного тока сигнала «Управление», выведет результат измерения на экран монитора и поместит его в базу данных.
Погрешность измерения для значения +5 В напряжений постоянного тока 6U автоматически рассчитывается в соответствии с формулой 19.
-
11.25.2 Определение погрешности канала измерения напряжения постоянного тока сигнала «Пассив» для значения + 5 В.
Погрешность измерения напряжения постоянного тока сигнала каната «Пассив», для значения +5 В определяется в соответствии с указаниями на экране монитора КПА 48В6 при выполнении шага 207 программы ПСИ и п. 11.25.1.
Результаты поверки считать положительными, если:
-
- пределы допускаемой абсолютной погрешности измерений напряжения постоянного тока ± 0.25 В.
-
11.26 Определение погрешности каналов измерения напряжения постоянного тока «-ucos(y+450)», «-i)sin(y+450)»
-
11.26.1 Определение погрешности канала измерения напряжения постоянного тока сигнала «-ocos(v+450)» для значения +1,2 В.
В соответствии с указаниями на экране монитора при выполнении шага 208 программы ПСИ собрать вариант схемы измерений, из показанных на рисунке 17 и нажать кнопку «Далее». В соответствии с указаниями оператору установить необходимый режим работы калибратора Fluke 5500А и нажать кнопку «Далее». Программа КПА 48В6 запустит канал измерения значения +1.2 В напряжения постоянного тока сигнала «Управление», выведет результат измерения на экран монитора и поместит его в базу данных.
Погрешность измерения для значения +1,2 В напряжений постоянного тока 5U автоматически рассчитывается в соответствии с формулой 19.
-
11.26.2 Определение погрешности канала измерения напряжения постоянного тока сигнала «-Dsin(y+450)» для значения +1,2 В.
Погрешность измерения напряжения постоянного тока сигнала канала «-usin(Y+45°)», для значения +1,2 В определяется в соответствии с указаниями на экране монитора КПА 48В6 при выполнении шага 209 программы ПСИ и п. 11.26.1.
Результаты поверки считать положительными, если:
-
- пределы допускаемой абсолютной погрешности измерений напряжения постоянного тока ± 0,2 В.
-
11.27 Определение погрешности канала измерения напряжения постоянного тока сигнала «Переключение по н0»
В соответствии с указаниями на экране монитора при выполнении шага 210 программы ПСИ собрать вариант схемы измерений, из показанных на рисунке 17 и нажать кнопку «Далее». В соответствии с указаниями оператору установить необходимый режим работы калибратора Fluke 5500А и нажать кнопку «Далее». Программа КПА 48В6 запустит канал измерения значения +3,2 В напряжения постоянного тока сигнала «Переключение по в0», выведет результат измерения на экран монитора и поместит его в базу данных.
Погрешность измерения для значения +3,2 В напряжений постоянного тока 8U автоматически рассчитывается в соответствии с формулой 19.
Результаты поверки считать положительными, если:
-
- пределы допускаемой абсолютной погрешности измерений напряжения постоянного тока ± 0.2 В.
-
11.28 Определение погрешности канала измерения напряжения постоянного тока «К7 авт.»
В соответствии с указаниями на экране монитора при выполнении шага 211 программы ПСИ собрать вариант схемы измерений, из показанных на рисунке 17 и нажать кнопку «Далее». В соответствии с указаниями оператору установить необходимый режим работы калибратора Fluke 55ООА и нажать кнопку «Далее». Программа КПА 48В6 запустит канал измерения значения +5 В напряжения постоянного тока сигнала «Л7 авт», выведет результат измерения на экран монитора и поместит его в базу данных.
Погрешность измерения для значения +5 В напряжений постоянного тока 6U автоматически рассчитывается в соответствии с формулой 19.
Результаты поверки считать положительными, если:
-
- пределы допускаемой абсолютной погрешности измерений напряжения постоянного тока ±0.1 В.
-
11.29 Определение погрешности канала измерения напряжения постоянного тока «Контр. иО»
В соответствии с указаниями на экране монитора при выполнении шага 212 программы ПСИ собрать вариант схемы измерений, из показанных на рисунке 17 и нажать кнопку «Далее». В соответствии с указаниями оператору установить необходимый режим работы калибратора Fluke 5500А и нажать кнопку «Далее». Программа КПА 48В6 запустит канал измерения значения +4.8 В напряжения постоянного тока сигнала «Контр. иО», выведет результат измерения на экран монитора и поместит его в базу данных.
Погрешность измерения для значения +4,8 В напряжений постоянного тока 8U автоматически рассчитывается в соответствии с формулой 19.
Результаты поверки считать положительными, если:
-
- пределы допускаемой абсолютной погрешности измерений напряжения постоянного тока ±0,1 В.
-
11.30 Определение погрешности канала измерения напряжения постоянного тока «Блокировка по сходу»
В соответствии с указаниями на экране монитора при выполнении шага 213 программы ПСИ собрать вариант схемы измерений, из показанных на рисунке 17 и нажать кнопку «Далее».
В соответствии с указаниями оператору установить необходимый режим работы калибратора Fluke 5500А и нажать кнопку «Далее». Программа КПА 48В6 запустит канал измерения значения +3,2 В напряжения постоянного тока сигнала «Блокировка по сходу», выведет результат измерения на экран монитора и поместит его в базу данных.
Погрешность измерения для значения +3.2 В напряжений постоянного тока 8U автоматически рассчитывается в соответствии с формулой 19.
Результаты поверки считать положительными, если:
-
- пределы допускаемой абсолютной погрешности измерений напряжения постоянного тока ±0,1 В.
-
11.31 Определение погрешности канала измерения напряжения постоянного тока «cos АуАП»
В соответствии с указаниями на экране монитора при выполнении шага 214 программы ПСИ собрать вариант схемы измерений, из показанных на рисунке 17 и нажать кнопку «Далее».
В соответствии с указаниями оператору установить необходимый режим работы калибратора Fluke 5500А и нажать кнопку «Далее». Программа КПА 48В6 запустит канал измерения значения +5,6 В напряжения постоянного тока сигнала «cos АуАП», выведет результат измерения на экран монитора и поместит его в базу данных.
Погрешность измерения для значения +5.6 В напряжений постоянного тока 6U автоматически рассчитывается в соответствии с формулой 19.
Результаты поверки считать положительными, если:
-
- пределы допускаемой абсолютной погрешности измерений напряжения постоянного тока ±0,1 В.
-
11.32 Определение погрешности каналов измерений напряжения постоянного тока «оИ», «КВт», «пхпр», «о2т», «оЗт», ТМ «+5В», ТМ «1к на РТф», ТМ «2к на РТф», «Вых.1РТ», «Вых.2РТ», «Вых.ЗРТ», «Вых.4РТ».
-
11.32.1 Определение погрешности канала измерения напряжения постоянного тока сигнала «оIt» для значения +4,8 В.
В соответствии с указаниями на экране монитора при выполнении шага 215 программы ПСИ собрать вариант схемы измерений, из показанных на рисунке 17 и нажать кнопку «Далее».
В соответствии с указаниями оператору установить необходимый режим работы калибратора Fluke 5500А и нажать кнопку «Далее». Программа КПА 48В6 запустит канал измерения значения +4,8 В напряжения постоянного тока сигнала «olt», выведет результат измерения на экран монитора и поместит его в базу данных.
Погрешность измерения для значения +4.8 В напряжений постоянного тока 5U автоматически рассчитывается в соответствии с формулой 19.
-
11.32.2 Определение погрешности канала измерения напряжения постоянного тока «КВт» для значения +4,9 В.
Погрешность измерения напряжения постоянного тока сигнала канала «КВт», для значения +4.9 В определяется в соответствии с указаниями на экране монитора КПА 48В6 при выполнении шага 216 программы ПСИ и п. 11.32.1.
-
11.32.3 Определение погрешности канала измерения напряжения постоянного тока «пхпр» для значения +2,3 В.
Погрешность измерения напряжения постоянного тока сигнала канала «пхпр». для значения +2,3 В определяется в соответствии с указаниями на экране монитора КПА 48В6 при выполнении шага 217 программы ПСИ и п. 11.32.1.
-
11.32.4 Определение погрешности каналов измерения напряжения постоянного тока «о2т», «оЗт», «+5В» для значения +1.5 В.
Погрешность измерения напряжения постоянного тока сигнала каналов «о2т», «оЗт», «+5В» для значения +1,5 В определяется в соответствии с указаниями на экране монитора КПА 48В6 при выполнении шагов 218, 219, 220 программы ПСИ и п.
-
11.32.1.
-
11.32.5 Определение погрешности каналов измерения напряжения постоянного тока ТМ «1к на РТф», «2к на РТф» для значений +0,7; +5,3 В.
Погрешность измерения напряжения постоянного тока сигнала каналов ТМ «1к на РТф», «2к на РТф» для значений +0,7; +5,3 В определяется в соответствии с указаниями на экране монитора КПА 48В6 при выполнении шагов с 221 по 224 программы ПСИ и п. 11.32.1.
-
11.32.6 Определение погрешности каналов измерения напряжения постоянного тока «Вых 1 РГ», «Вых 2 РТ», «Вых 3 РТ», «Вых 4 РТ» для значений +1.0; +5.6 В.
Погрешность измерения напряжения постоянного тока сигнала каналов «Вых 1 РТ», «Вых 2 РТ», «Вых 3 РТ», «Вых 4 РТ» для значений +1,0; +5,6 В определяется в соответствии с указаниями на экране монитора КПА 48В6 при выполнении шагов с 225 по 232 программы ПСИ и п. 11.32.1.
Результаты поверки считать положительными, если:
-
- значения измеряемого напряжения сигнала постоянного тока для сигналов:
-
- «о 1т» +4,8 В;
-
- «КВт» +4,9 В;
-
- «пхпр» +2,3 В;
-
- «1к на РТф», «2к на РТф»+0,7; +5,3 В;
-
- «Вых 1 РТ», «Вых 2 РТ», «Вых 3 РТ», «Вых 4 РТ» +1; +5,6 В;
-
- пределы допускаемой абсолютной погрешности измерений напряжения постоянного тока ±0.1 В.
-
- значения измеряемого напряжения сигнала постоянного тока для сигналов:
-
- «о2т», «оЗт». ТМ «+5В» +1,5 В:
пределы допускаемой абсолютной погрешности измерений напряжения постоянного тока ± 0,25 В
12 ОФОРМЛЕНИЕ РЕЗУЛЬТАТОВ ПОВЕРКИ-
12.1 Результаты поверки КПА 48В6 подтверждаются сведениями о результатах поверки средств измерений, включенными в Федеральный информационный фонд по обеспечению единства измерений. По заявлению владельца КПА 48В6 или лица, представившего его на поверку, знак поверки наносится на средство измерений в виде наклейки и в свидетельство о поверке в виде оттиска поверительного клейма, и (или) в формуляр средства измерений вносится запись о проведенной поверке, заверяемая подписью поверителя и знаком поверки, с указанием даты поверки, или выдается извещение о непригодности к применению средства измерений.
Начальник отдела
ФГБУ «ГНМЦ» Минобороны России
Начальник лаборатории
ФГБУ «ГНМЦ» Минобороны России

А.Г. Максак
В.Н. Прокопишин
49