Инструкция «Преобразователи давления измерительные ОВЕН ПД200» (КУВФ.406230.200 МП)
Общество с ограниченной ответственностью (ООО} «Производственное Объединение ОВЕН»
УТВЕРЖДАЮ
Р^ководитель ГЦИ СИ роЪ ^ип «мцэ» [^коральный директор ооо кшимиэ» (LlTllRWi t4f JT ж! ?т ж
f Q 'Ы Т|»Л11Ц
в ОТ , ■. = дарители^ &—:
А.В. Федоров
2010 г.
СОГЛАСОВАНО

Крашенинников 2010г.
инстиясция
Преобразователи давления измерительные
ОВЕН ПД200
Методика поверки
КУВФ.406230.200 МП
Москва
2009
ИНФОРМАЦИОННЫЕ ДАННЫЕ
-
1 РАЗРАБОТАНА Обществом с ограниченной ответственностью «Производственное Объединение ОВЕН»
Исполнители: Шелестов И. П.
-
2 УТВЕРЖДЕНА «__» ___________ 2010 г .
-
3 ЗАРЕГИСТРИРОВАНА «__» ___________ 2010 г .
-
4 ВВЕДЕНА ВПЕРВЫЕ.
Настоящая рекомендация не может быть полностью или частично воспроизведена, или тиражирована без разрешения ООО «Производственное Объединение ОВЕН».
Содержание
ПРИЛОЖЕНИЕ А (обязательное) Схемы включения преобразователей при поверке
ВведениеНастоящая методика поверки распространяется на преобразователи давления измерительные ОВЕН ПД200 (далее - преобразователь), выпускаемые в соответствии с требованиями ГОСТ 22520-85 и ТУ 4212-002-46526536-2009 ООО «Производственное Объединение ОВЕН», и устанавливает методы и средства их первичной и периодической поверки.
Преобразователи используются для непрерывного преобразования значений измеряемых величин давлений (абсолютного, избыточного, гидростатического, дифференциального, разрежения и других физических величин, определяемых по давлению или по разности давлений (например, уровень и плотность жидкости, расход жидкости, газа или пара)) в унифицированный выходной аналоговый сигнал постоянного тока 4-20 мА и (или) цифровой сигнал в стандарте протоколов HART или RS-485.
1 ОПЕРАЦИИ ПОВЕРКИ-
1.1 При проведении первичной и периодической поверок выполняют операции, указанные в таблице 1.
Таблица 1
Наименование операции |
Номер пункта методики |
Внешний осмотр |
6.1 |
Опробование |
6.2 |
Определение основной погрешности измерения |
6.3 |
Определение вариации выходного сигнала |
6.4 |
-
2.1 При проведении поверки применяют средства, указанные в таблице 2.
Таблица 2
Наименование средства поверки |
Основные метрологические и технические характеристики средств поверки |
Манометр абсолютного давления МПА-15 |
По ТУ 50-62-83. Пределы допускаемой основной погрешности: ±6,65 Па в диапазоне 0-20 кПа; ±13,3 Па в диапазоне 20-133 кПа; ±0,01 % от действительного значения измеряемого давления в диапазоне от 133 до 400 кПа. |
Микроманометр МКМ-4 |
По ТУ 50-170-85. Диапазон измерений от 0,1 до 4,0 кПа; класс точности 0,01. |
Микроманометр МКВ-250 |
Пределы измерений от 0 до 2,5 кПа; класс точности 0,01 и 0,02. |
Портативный калибратор давления (избыточного, вакуумметрического и разности давлений) ПКД-10 |
По ТУ 4212-002-36897690-2003. Пределы измерений от 0,01 до 100 кПа. Пределы допускаемой основной погрешности ±0,05 % от измеряемого давления. |
Продолжение таблицы 2
Наименование средства поверки |
Основные метрологические и технические характеристики средств поверки |
Задатчик давления «Воздух-1600» |
По ТУ 50-745-89. Пределы воспроизведения избыточного давления от 20 Па до 16 кПа. Пределы допускаемой основной погрешности в диапазоне от 20 до 500 Па -±0,1 Па; свыше 500 Па и до 16 кПа - ±0,02 % от задаваемого давления. В комплекте с блоком опорного давления (200, 300 Па и более) пределы воспроизведения разности давлений от 5 Па до 5 кПа; пределы допускаемой основной погрешности в диапазоне до (500 ±14) Па. |
Задатчик давления «Воздух-1,6» |
По ТУ 50.552-86. Пределы воспроизведения избыточного давления от 1 до 160 кПа. Пределы допускаемой основной погрешности ±0,02 % и ±0,05 % от задаваемого давления. |
Задатчик давления «Воздух-2,5» |
По ТУ 50.552-86. Пределы воспроизведения избыточного давления от 2,5 до 250 кПа. Пределы допускаемой основной погрешности ±0,02 % и ±0,05 % от задаваемого давления. |
Задатчик давления «Воздух-6,3» |
По ТУ 50.552-86. Пределы воспроизведения избыточного давления от 10 до 630 кПа. Пределы допускаемой основной погрешности ±0,02 % и ±0,05 %. |
Задатчик вакуумметрического давления «Воздух-0,4В» |
По ТУ 50.732-89. Пределы воспроизведения разрежения от минус 0,8 до минус 40 кПа. Пределы допускаемой основной абсолютной погрешности ±0,08 Па в диапазоне измерений 0,8-4,0 кПа. Пределы допускаемой основной погрешности в диапазоне измерений от 4 от 40 кПа: ± 0,02 %, ± 0,05 % от задаваемого давления. |
Манометр грузопоршневой МП-2,5 I и II разрядов. ГОСТ 8291-83 |
По ТУ 4212-014-55862958-2005. Пределы допускаемой основной погрешности: ±0,02 %, ±0,05 % от измеряемого давления в диапазоне измерений от 25 кПа до 0,25 МПа. |
Манометр грузопоршневой МП-6 I и II разрядов. ГОСТ 8291-83 |
По ТУ 4212-014-55862958-2005. Пределы допускаемой основной погрешности: ±0,02 %, ±0,05 % от измеряемого давления в диапазоне измерений от 0,04 до 0,6 МПа. |
Манометр грузопоршневой МП-60 I и II разрядов. ГОСТ 8291-83 |
По ТУ 4212-014-55862958-2005. Пределы допускаемой основной погрешности: ±0,02 %, ±0,05 % от измеряемого давления в диапазоне измерений от 0,1 до 6 МПа. |
Манометр грузопоршневой МП-600 I и II разрядов. ГОСТ 8291-83 |
По ТУ 4212-014-55862958-2005. Пределы допускаемой основной погрешности: ±0,02 %, ±0,05 % от измеряемого давления в диапазоне измерений от 1 до 60 МПа. |
Манометр грузопоршневой МП-2500 II разряда. ГОСТ 8291-83 |
По ТУ 4212-014-55862958-2005. Пределы допускаемой основной погрешности ±0,05 % от измеряемого давления в диапазоне измерений от 25 до 250 МПа. |
Манометр грузопоршневой МВП-2.5. ГОСТ 8291-83 |
По ТУ 4212-005-48318935-99. Пределы измерений избыточного давления 0-0,25 МПа; вакуумметрического давления (разрежения) 0-0,1 МПа. Пределы допускаемой основной погрешности: ±5 Па при давлении (избыточном или вакуумметрическом) в пределах 0-0,01 МПа и ±0,05 % от измеряемого значения при давлении свыше 0,01 МПа. |
Продолжение таблицы 2
Наименование средства поверки |
Основные метрологические и технические характеристики средств поверки |
Задатчик вакуумметрического давления «Метран-503» |
По ТУ 4381-003-36897690-03. Пределы воспроизведения разрежения от минус 0,6 до минус 60 кПа. Пределы допускаемой основной абсолютной погрешности ±0,6 Па в диапазоне измерений 0,6-4 кПа. Пределы допускаемой основной погрешности в диапазоне измерений 4-60 кПа ±0,02 % от задаваемого давления. |
Барометр М-67 |
По ТУ 50-04-1797-75. Пределы измерений от 610 до 900 мм рт. ст.; погрешность измерений ±0,8 мм рт. ст. |
Вакуумметр теплоэлектрический ВТБ-1 |
Пределы измерений от 0,002 до 750 мм рт. ст. |
Манометр для точных измерений МТИ |
По ТУ 25-05-1481-73. Пределы измерений от 0,25 до 160 МПа; класс точности 0,6. |
Вакуумметр для точных измерений ВТИ |
По ТУ 25-05-1481-73. Пределы измерений от 0 до 0,1 МПа; класс точности 1. |
Термометр ртутный стеклянный лабораторный ТЛ-4, № 2 |
По ТУ 25-2021.003-88. Пределы измерений от 0 до 55 °С. Цена деления шкалы 0,1 °С; пределы допускаемой погрешности ±0,2 °С. |
Магазин сопротивлений Р4831. ГОСТ 23737-79 |
По ТУ 25-04.3919-80. Сопротивление до 111111,1 Ом; класс точности 0,02/2-10'6. |
Вольтметр универсальный В7-54/3. ГОСТ Р 51350-99 |
По УШЯИ.411182.001 ТУ. Верхний предел измерений постоянного тока 2 А. Максимальная разрешающая способность 1 мкА; 100 нВ. Точность измерения по постоянному току 0,0015 %. |
Вольтметр универсальный цифровой В7-40 |
По Тг2.710.016 ТУ. Основная погрешность при измерении напряжения постоянного тока не более ±0,1 %. |
Источник постоянного напряжения Б5-49 |
Напряжение от 0,1 до 49,9 В, ток от 0,001 до 0,99 А. |
IBM-совместимый компьютер |
Процессор РШ-500, ОЗУ 128 Мб; порт COM, порт USB. ОС Windows 98/2000/XP. |
Преобразователь интерфейса АС3-М («ПО ОВЕН»). ТУ 4218-001-46526536-2006 |
Автоматический преобразователь интерфейсов RS-232/RS-485 - устройство для связи с преобразователем давления по цифровому протоколу на базе интерфейса RS-485. |
Модем HART/RS-232 |
Преобразователь сигналов HART в сигналы интерфейса RS-232 для связи преобразователя давления с компьютером через его стандартный последовательный порт. |
-
2.2 Допускается применение других средств измерений и испытательного оборудования, обеспечивающих необходимые основные параметры и характеристики.
-
2.3 Средства измерений, применяемые при поверке, должны быть поверены и иметь действующие поверительные клейма или свидетельства о поверке.
-
3.1 Основным источником опасности при монтаже и проверке преобразователя является измеряемая среда, находящаяся под давлением. Поэтому замену, присоединение и отсоединение преобразователя от магистралей, подводящих измеряемую среду, следует производить при отсутствии давления в магистралях и отключенном электрическом питании.
-
3.2 При проведении поверки соблюдают общие требования безопасности при работе с преобразователями (датчиками) давления (см. ГОСТ 22520-85), а также требования по безопасности эксплуатации применяемых средств поверки, указанные в технической документации на эти средства.
-
3.3 Все работы должны производиться только квалифицированными специалистами, изучившими руководство по эксплуатации преобразователя.
-
4.1 При проведении поверки соблюдают следующие условия:
-
- температура окружающего воздуха при поверке должна быть (23±5) °С;
-
- относительная влажность воздуха от 30 до 80 %;
-
- атмосферное давление от 84,0 до 106,7 кПа (от 630 до 800 мм рт. ст.);
-
- напряжение питания постоянного тока (с двойной амплитудой пульсаций не более ±0,12 В):
(24±2) В - для преобразователей без встроенного индикатора; (36±2) В - для преобразователей со встроенным индикатором;
-
- сопротивление нагрузки при поверке преобразователей:
-
- с аналоговым выходным сигналом 4-20 мА должно быть (500±50) Ом;
-
- с цифровым выходным сигналом - в соответствии с технической документацией на преобразователь;
-
- измеряемая среда согласно разделу 6 ГОСТ 22520-85;
-
- рабочее положение преобразователя - любое;
-
- колебания давления окружающего воздуха, вибрация, тряска, удары, наклоны, магнитные поля, кроме земного, влияющие на работу преобразователей, должны отсутствовать;
-
- импульсную линию, через которую подают измеряемое давление, допускается соединять с дополнительными сосудами, емкость каждого из которых не более 50 литров.
-
4.2 Средства поверки и поверяемые приборы должны быть защищены от вибраций и ударов.
-
4.3 Средства поверки, оборудование, стенды и устройства, в том числе программное обеспечение, применяемые при поверке, должны иметь паспорт и быть аттестованы в соответствии с действующей нормативно-технической документацией.
-
5.1 Подготовить к работе поверяемый преобразователь в соответствии с указаниями, изложенными в РЭ.
-
5.2 Подготовить к работе средства поверки в соответствии с распространяющимися на них эксплуатационными документами.
-
5.3 Подключение преобразователей к измеряемой среде выполняется с соблюдением условий:
-
- при поверке преобразователей разности давлений значение измеряемой величины (разности давлений) устанавливают, подавая соответствующее избыточное давление в «плюсовую» камеру преобразователя, при этом «минусовая» камера сообщается с атмосферой;
-
- при поверке преобразователей разности давлений с малыми пределами измерений для уменьшения влияния на результаты поверки не устраненных колебаний давления окружающего воздуха «минусовая» камера преобразователя может соединяться с камерой эталонного средства измерений (СИ).
-
5.4 Перед проведением поверки выполняют следующие подготовительные работы:
-
- выдерживают преобразователь не менее 3 ч при температуре поверки (п. 4.1), если иное не указано в технической документации;
-
- выдерживают преобразователь не менее 15 мин при включенном питании;
-
- проверяют на герметичность пневматическую (гидравлическую) схему, состоящую из соединительных линий для передачи давления, эталонных СИ и вспомогательных средств для задания и передачи измеряемой величины.
-
5.5 Проверку герметичности пневматической (гидравлической) схемы рекомендуется проводить при давлении (разрежении), соответствующем наибольшему давлению (разрежению) из ряда верхних пределов измерений (ВПИ) поверяемых преобразователей.
-
5.5.1 Проверку герметичности пневматической (гидравлической) схемы выполняют, в зависимости от типа проверяемых датчиков, следующим образом:
-
-
- для поверки преобразователей давления, разности давлений, разрежения с ВПИ менее 100 кПа и преобразователей, абсолютного давления с ВПИ более 250 кПа, проводят при значениях давления (разрежения), равных ВПИ поверяемого преобразователя;
-
- для поверки преобразователей давления-разрежения, проводят при давлении, равном ВПИ избыточного давления;
-
- для поверки преобразователей разрежения с ВПИ 100 кПа, проводят при разрежении, равном 0,9-0,95 значения атмосферного давления;
-
- для поверки преобразователей абсолютного давления с ВПИ 250 кПа и менее, проводят по методике п. 5.5.3.
-
5.5.2 При проверке герметичности пневматической (гидравлической) схемы выполняют следующие действия:
-
- устанавливают заведомо герметичный датчик или любое другое средство измерений с погрешностью измерений не более 2,5 % от значений давления и позволяющее зафиксировать 0,5 % изменения давления (от заданного значения);
-
- создают в системе давление, установившееся значение которого соответствует требованиям п. 5.5.1, после чего отключают источник давления (если в качестве эталонного СИ применяют грузопоршневой манометр, то его колонку и пресс также отключают).
Пневматическую (гидравлическую) схему считают герметичной, если после трехминутной выдержки под давлением, равным или близким ВПИ преобразователя, не наблюдают падения давления (разрежения) в течение 2 мин (при необходимости время выдержки под давлением может быть увеличено).
Примечание - Допускается изменение давления (разрежения) в системе, обусловленное изменением температуры окружающего воздуха и рабочей среды в пределах ±(0,5.. .1) °С.
-
5.5.3 Проверку герметичности пневматической (гидравлической) схемы, предназначенной для поверки преобразователей абсолютного давления с ВПИ 250 кПа и менее, проводят следующим образом:
-
- устанавливают в системе заведомо герметичный датчик или любое другое средство измерений абсолютного давления, отвечающее требованиям к СИ в соответствии с п. 5.5.2;
-
- создают в системе абсолютное давление не более 0,07 кПа и поддерживают его в течение 2-3 мин, после чего отключают устройство, создающее абсолютное давление, и эталонное СИ при необходимости (например, отключают колонки грузопоршневого манометра) - после 3 мин выдержки изменение давления не должно превышать 0,5 % ВПИ поверяемого преобразователя.
Примечание - Допускается поправка при изменении температуры окружающего воздуха и рабочей среды.
6 ПРОВЕДЕНИЕ ПОВЕРКИ-
6.1 Внешний осмотр
-
6.1.1 При внешнем осмотре проверяется соответствие следующим требованиям:
-
-
- преобразователь должен быть представлен на поверку с эксплуатационной документацией, входящей в комплект поставки (Паспорт и Руководство по эксплуатации);
-
- на преобразователе должна быть маркировка, соответствующая Руководству по эксплуатации;
-
- преобразователь должен быть чистым и не иметь видимых механических повреждений (трещин, сколов и других) на корпусе;
-
- резьба на присоединительных элементах не должна иметь сорванных ниток;
-
- преобразователь не должен иметь механических повреждений клеммных соединителей.
-
6.1.2 При обнаружении механических дефектов, а также несоответствия маркировки эксплуатационной документации, определяется возможность проведения поверки и дальнейшего использования преобразователя.
-
6.2 Опробование
-
6.2.1 При опробовании проверяют герметичность и работоспособность преобразователя, функционирование корректора «нуля».
-
6.2.2 Включить проверяемый преобразователь согласно Руководству по эксплуатации.
-
6.2.3 Работоспособность преобразователя проверяют, изменяя измеряемую величину от нижнего до верхнего предельных значений. При этом должно наблюдаться изменение выходного сигнала и индикации на дополнительных выходных устройствах. При проверке работоспособности поверку проводят:
-
-
- для преобразователя давления-разрежения только при избыточном давлении;
-
- для преобразователя разрежения с ВПИ 100 кПа при изменении разрежения до значения не менее 0,9 атмосферного давления.
-
6.2.4 Проверку функционирования программного корректора «нуля» выполняют следующим образом:
-
- задав одно (любое) значение измеряемой величины в пределах, оговоренных Руководством по эксплуатации, с помощью программы «Конфигуратор ПД» возвращают выходной сигнал (показания индикатора) к первоначальному значению;
-
- сбрасывают измеряемую величину и при атмосферном давлении на входе преобразователя с помощью программы «Конфигуратор ПД» вновь устанавливают выходной сигнал (показания индикатора) в соответствие с исходными значениями.
-
6.2.5 Проверку герметичности преобразователя рекомендуется совмещать с операцией определения его основной погрешности.
Методика проверки герметичности преобразователя аналогична методике проверки герметичности пневматической (гидравлической) схемы (п.п. 5.5.1-5.5.3), но изменение давления (разрежения) определяют по изменению выходного сигнала или по изменению показаний цифрового индикатора поверяемого преобразователя, включенного в систему (п. 5.5.2).
В случае обнаружения не герметичности системы с установленным поверяемым преобразователем следует раздельно проверить герметичность системы и преобразователя.
6.3 Определение основной погрешности измерения
При первичной поверке значения основной приведенной погрешности преобразователя определять в диапазонах измерений, соответствующих максимальному и минимальному ВПИ.
При периодической поверке в случае, когда ВПИ не известен, либо может изменяться в процессе эксплуатации преобразователя, поверка производится по методике первичной поверки. В случае, когда преобразователь работает только с заданным пользователем ВПИ преобразователя, допускается определять погрешность преобразователя при работе только в указанном диапазоне измерений, при этом в свидетельстве о поверке указывается диапазон измерений.
6.3.1 Основную приведенную погрешность преобразователя определяется любым из двух способов:
Способ 1 - на входе преобразователя устанавливают номинальные значения входной измеряемой величины (например, давления) по эталонному средству измерений (СИ), а по другому СИ контролируют соответствующие значения выходного аналогового сигнала. При поверке преобразователя по его цифровому сигналу к выходу подключают приемное устройство, поддерживающее соответствующий цифровой коммуникационный протокол для считывания информации.
Способ 2 - устанавливают номинальные значения выходного аналогового сигнала или устанавливают номинальные значения цифрового сигнала преобразователя по эталонному СИ, а по другому СИ измеряют соответствующие значения входной величины давления.
Примечания
-
1 При поверке преобразователей с HART-сигналом к выходу подключают HART-модем, соединенный с компьютером. Считывание информации с цифрового выхода преобразователя выполняется при помощи программного обеспечения, установленного на компьютере.
-
2 При поверке преобразователей с интерфейсом RS-485 к выходу подключают преобразователь интерфейсов, соединенный с компьютером. Считывание информации с цифрового выхода преобразователя выполняется при помощи программного обеспечения, установленного на компьютере.
-
3 При определении основной погрешности преобразователя показания его встроенного цифрового индикатора не учитываются.
-
4 Поверка преобразователей с несколькими выходными сигналами, соответствующими одной и той же входной измеряемой величине, производится по одному из этих сигналов (аналоговому или цифровому), если иное не предусмотрено технической документацией на поверяемый преобразователь.
-
6.3.2 Схемы включения преобразователей для измерения выходного сигнала при проведении поверки приведены в Приложении.
-
6.3.3 Расчетные значения выходного сигнала поверяемого преобразователя для заданного номинального значения входной измеряемой величины определяют следующим образом:
Методика поверки
-
1) для преобразователей c линейно возрастающей зависимостью выходного сигнала постоянного тока от входной измеряемой величины по формуле
i = i + £b—p _ p )
(1)
1 расч J H ' p - p V H h
B H
где 1расч - расчетное значение выходного сигнала постоянного тока (мА);
IH, 1В - соответственно нижнее и верхнее предельные значения выходного сигнала преобразователя (IH=4 мА, 1В=20 мА);
p - действительное значение входной измеряемой величины (для преобразователей давления-разрежения значение в области разрежения подставляется в формулу со знаком минус), (кПа, МПа);
РВ - ВПИ (или диапазон измерений) поверяемого преобразователя (кПа, МПа);
Рн - нижний предел измерений для всех преобразователей, кроме преобразователей давления-разрежения, для которых это значение численно равно ВПИ в области разрежения РВ— и в формулу подставляется со знаком минус (кПа, МПа).
Для стандартных условий нижний предел измерений всех поверяемых преобразователей избыточного давления, абсолютного давления, разрежения, разности давлений и преобразователей давления-разрежения равен нулю.
-
2) для преобразователей с линейно убывающей зависимостью выходного сигнала постоянного тока от входной измеряемой величины по формуле
расч = IB - PL-PLР - Рн ) (2)
pB - Рн
где 1расч - расчетное значение выходного сигнала постоянного тока (мА);
Р - действительное значение входной измеряемой величины - разность давлений (перепад давления) для преобразователей разности давлений, предназначенных для измерения расхода рабочей среды (кПа, МПа);
РВ - ВПИ или диапазон измерений поверяемого преобразователя разности давлений (кПа, МПа);
Рн - нижний предел измерений для всех преобразователей, кроме преобразователей давления-разрежения, для которых это значение численно равно ВПИ в области разрежения РВ(-) и в формулу подставляется со знаком минус (кПа, МПа);
IH, IB - соответственно нижнее и верхнее предельные значения выходного сигнала преобразователя (IH=4 мА, IB=20 мА).
-
3) для преобразователей с выходным сигналом постоянного тока и функцией преобразования входной измеряемой величины по закону квадратного корня по формуле
Р
(3)
1 расч = IH + ( В — 1Н к Р~ ’
V РВ
где 1расч, IH, IB, Р, РВ - обозначения те же, что и в формуле (2).
Если по технической документации на поверяемый преобразователь на ограниченном начальном участке характеристики допускается линейная зависимость, то расчетные значения выходного сигнала на этом участке определяют по формуле
расч (лин)

K


где 1расч, Ih, IB, P, Pb - обозначения те же, что и в формуле (2);
К - коэффициент определяющий зону линейного участка характеристики, установленный в технической документации на поверяемый датчик (обычно находится в интервале значений 0,02 < К < 0,09);
P < К- Рв.
-
4) для преобразователей с выходным информационным сигналом в цифровом формате, в зависимости от характеристики преобразования:
- с линейно возрастающей функцией преобразования по формуле
Мрт = Nh + —( - Ph ), (5)
РВ РН
где Npac4 - расчетное значение выходного сигнала в цифровом формате;
Nb, Nh - соответственно верхнее и нижнее предельные значения выходного информационного сигнала преобразователя в цифровом формате;
P, Рв, РН - обозначения те же, что и в формуле (1);
- с линейно убывающей функцией преобразования по формуле
NB - NH
N = N-----H
v расч V B p — p ВН
(Р - Ph )■
(6)
где все обозначения те же, что и в формуле (5);
- с функцией преобразования по закону квадратного корня по формуле
N = Nh +(- — Nh ))P,
(7)
V PB
где все обозначения те же, что и в формуле (5).
Если на ограниченном начальном участке этой характеристики допускается линейная зависимость, то расчетные значения выходного сигнала на этом участке определяют по формуле
= Nh — N„)P, (8)
где К - коэффициент определяющий зону линейного участка характеристики, установленный в технической документации на поверяемый датчик из интервала значений 0,02 < К < 0,09; все остальные обозначения те же, что и в формуле (5).
-
6.3.4 Поверку преобразователей с программным обеспечением выбора функции преобразования входной измеряемой величины в соответствии с одним из видов, производят при программной установке линейно возрастающей зависимости выходного сигнала (1) или (5), если иное не предусмотрено технической документацией на датчик.
После выполнения поверки датчик может быть перепрограммирован в соответствии с требуемой функцией преобразования входной измеряемой величины.
Перед определением основной погрешности, при необходимости, корректируют значения выходного сигнала, соответствующие нижнему и верхнему предельным значениям измеряемой величины. Эту корректировку выполняют после подачи и сброса измеряемой величины, значения которой устанавливают:
-
- для преобразователей давления-разрежения - в пределах от 50 до 100 % от ВПИ в области избыточного давления;
-
- для преобразователей абсолютного давления c ВПИ до 0,25 МПа включительно - в пределах от атмосферного давления от 80 до 100 % ВПИ;
-
- для остальных преобразователей - в пределах от 80 до 100 % ВПИ.
При периодической поверке и в случае ее совмещения с операцией проверки герметичности преобразователя корректировку значений выходного сигнала выполняют после выдержки преобразователя при давлении (разрежении) в соответствии с условиями п.п. 5.5.1, 5.5.2.
Установку выходного сигнала выполняют с максимальной точностью, обеспечиваемой устройством корректора преобразователя и разрешающей способностью эталонных СИ. Погрешность установки «нуля» (без учета погрешности эталонных СИ) не должна превышать 0,3 предела допускаемой основной погрешности поверяемого преобразователя, если иное не указано в технической документации.
Значение выходного сигнала, соответствующее нижнему предельному значению измеряемой величины, рассчитывают по одной из формул (1), (2), (3), (5), (6), (7), полагая Р=0 для преобразователей давления-разрежения и преобразователей разности давлений, для остальных преобразователей, - полагая Р=РН (для стандартных условий Рн=0).
-
6.3.5 Основную погрешность определяют при пяти - шести значениях измеряемой величины, достаточно равномерно распределенных в диапазоне измерений, в том числе при значениях измеряемой величины, соответствующих нижнему и верхнему предельным значениям выходного сигнала.
Основную погрешность определяют при значении измеряемой величины, полученном при приближении к нему как со стороны меньших значений (при прямом ходе), так и со стороны больших значений (при обратном ходе).
Перед поверкой при обратном ходе датчик выдерживают в течение 1 мин при верхнем предельном значении измеряемой величины, которому соответствует предельное значение выходного сигнала. Датчики давления-разрежения допускается выдерживать только при ВПИ в области избыточного давления.
При периодической поверке основную погрешность определяют в два цикла: до корректировки диапазона изменения выходного сигнала и после корректировки диапазона.
При поверке преобразователей с ВПИ в области разрежения, равном 100 кПа допускается устанавливать максимальное значение разрежения в пределах 0,90-0,95 от атмосферного давления Ратм, если Ратм < 100 кПа. Расчетное значение выходного сигнала при установленном значении разрежения определяют по формулам (4) или (9).
При поверке преобразователей абсолютного давления с ВПИ 0,25 МПа и выше (но не менее 0,1 МПа) основную погрешность определяют по методике, изложенной в п. 6.3.6.
-
6.3.6 Определение основной погрешности преобразователей абсолютного давления с ВПИ 0,25 МПа (допускается 0,1 МПа) и выше проводят с использованием эталонных СИ разрежения и избыточного давления (например, МВП-2,5; «Воздух-0,4В»; «Воздух-6,3»; МП-6; МП-60 и др.).
В этом случае поверку преобразователя выполняют при подаче избыточного давления и разрежения, расчетные значения которых определяют с учетом действительного значения атмосферного давления в помещении, где проводят поверку.
Расчетные значения выходного сигнала преобразователя с линейно возрастающей функцией преобразования определяют по формулам:
- для преобразователей с токовым выходным сигналом
pac,
= IH +(IB - IH)
P + P
1 атм ' 1 (±)
P (a)
(9)
- для преобразователей с выходным сигналом в цифровом формате
Npac = Nh + ( - N + p±) (10)
PB(a)
где Ipac4, I,, IB, Npac4, Nh, N, - обозначения те же что в формулах (1) и (5);
Ратм - атмосферное давление в помещении, где проводят поверку (МПа);
РВ(а) - ВПИ преобразователя абсолютного давления (МПа);
Р(+) - избыточное давление, подаваемое в датчик (МПа);
Р(-) - разрежение, создаваемое в датчике (подставляют в формулы (9) и (10) со знаком минус), (МПа).
Расчетные значения избыточного давления и разрежения вычисляют по формулам: где Ратм - атмосферное давление в помещении, где проводят поверку (МПа);
Р(+)
= Р - Р • a атм
Р(-)
= Р - Р атм а
(11)
(12)
Ра - номинальное значение абсолютного давления (МПа).
Вблизи нуля абсолютного давления датчик поверяют, создавая на его входе разрежение
при котором расчетное значение выходного сигнала определяют по формулам:
- для преобразователей с токовым выходным сигналом
P - P
Ipa, = I, + (I, - I, ) атмр В(-)-100,
РВ ( a )
- для преобразователей с выходным сигналом в цифровом формате
P - P -
Npac = N, + (N, - N,) ~ ,(-)-100,
PB(a)
где все обозначения те же, что и в формулах (9) и (10).
Расчетные значения выходного сигнала при атмосферном давлении на входе преобразователя определяют по формуле
P Ipac, = I, + (I, - I, ) , (16)
P,(a)
где все обозначения те же, что и в формуле (9).
Максимальное значение избыточного давления РВ(+), при котором расчетное значение выходного сигнала 1расч=1в, определяют по формуле
(17)
РВ(+) PB(a) Рщпм-
Примечание - При поверке датчиков с ВПИ Рв(а) > 2,5 МПа в формулы допускается подставлять значение Ратм = 0,1 МПа, если атмосферное давление находится в пределах 0,0930,102 МПа.
-
6.3.7 Основную приведенную погрешность вычисляют по формулам, зависящим от выбранного способа поверки (п. 6.3.1).
При поверке преобразователей по способу 1 используются формулы где 8 - основная приведенная погрешность (%);
I-I
расч
IB -IH
•100,
N - N расч
8 =------рс^ •jqq,
Nb - Nh
(18)
(19)
I - значение выходного сигнала постоянного тока, полученное экспериментально при номинальном значении измеряемой величины (мА);
N - значение выходного сигнала преобразователя в цифровом формате, полученное экспериментально при номинальном значении измеряемой величины;
1расч, 1н, Ib, Npac4, Nh, Nb - то же что в формулах (1) и (5).
При поверке преобразователей по способу 2 используется формула
P - P
8 =------•10О, (20)
Pm
где 8 - основная приведенная погрешность (%);
P - значение входной измеряемой величины (давления), полученное
экспериментально при номинальном значении выходного сигнала (кПа, МПа);
Рном - номинальное значение измеряемой величины при номинальном значении выходного сигнала (кПа, МПа);
PB - сумма абсолютных значений ВПИ преобразователей давления-разрежения (PB = PB(+) + |PB(-)|), для остальных преобразователей - ВПИ (кПа, МПа).
Примечания
-
1 Вычисления 8 выполняют с точностью до второго знака после запятой.
-
2 Допускается вместо вычислений по экспериментальным данным значений основной погрешности 8 контролировать ее соответствие предельно допускаемым значениям.
Преобразователь считают годным к эксплуатации, если рассчитанная основная приведенная погрешность в каждой точке измерения не превышает предела основной погрешности, указанной в технической документации.
-
6.4.1 Вариацию выходного сигнала определяют при каждом поверяемом значении измеряемой величины, кроме значений, соответствующих нижнему и верхнему пределам измерений, по данным, полученным экспериментально при определении основной погрешности.
-
6.4.2 Вариацию выходного сигнала вычисляют по формулам, зависящим от выбранного способа поверки (п. 6.3.1).
При поверке преобразователей по способу 1 используются формулы
V = к пр~1 обР ,100, (21)
I норм
N - n I
-
V = '—----100, (22)
N норм
где V - вариация выходного сигнала (%);
1пр 1обр - значения выходного сигнала постоянного тока при одном и том же номинальном значении входной измеряемой величины, полученные при прямом и обратном ходе, соответственно (мА);
Nnp, No6p - значения выходного сигнала преобразователя в цифровом формате при одном и том же номинальном значении входной измеряемой величины, полученные при прямом и обратном ходе, соответственно;
кнорм, NHopM - нормирующее значение, равное разности между верхним и нижним предельными значениями выходного сигнала преобразователя (мА).
При поверке преобразователей по способу 2 используется формула
\р - Р I
-
V = |_ПР----02d -100, (23)
РВ
где V - вариация выходного сигнала (%);
Рпр, Робр - значения входной измеряемой величины (давления), полученные экспериментально при прямом и обратном ходе и при одном и том же номинальном значении выходного сигнала (кПа, МПа);
РВ - ВПИ (или диапазон измерений) поверяемого преобразователя (кПа, МПа).
Примечания
-
1 Допускается вместо вычислений по экспериментальным данным значений вариации контролировать их соответствие предельно допускаемым значениям.
-
2 Вариацию выходного сигнала преобразователей не определяют, если предел ее допускаемого значения не превышает 0,5 предела допускаемой основной погрешности.
6.4.3 Преобразователь считают годным к эксплуатации, если рассчитанная вариация в каждой точке измерения не превышает значения, указанного в технической документации.
7 ОФОРМЛЕНИЕ РЕЗУЛЬТАТОВ ПОВЕРКИ7.1 Положительные результаты поверки оформляют в соответствии с ПР 50.2.006 и удостоверяют оттиском поверительного клейма в соответствии с ПР 50.2.007 в одном из сопроводительных документов изделия (паспорт, свидетельство, РЭ или др.).
-
7.2 На преобразователи, не удовлетворяющие требованиям настоящей рекомендации, выдают извещение о непригодности в соответствии с ПР 50.2.006 и с указанием причин. Поверительное клеймо гасят. Датчики к дальнейшей эксплуатации не допускают.
аналоговыми выходными сигналами ГСП. Общие технические условия.
-
2) ПР 50.2.006-94. ГСИ. Порядок проведения поверки средств измерений. Правила по
метрологии.
-
3) ПР 50.2.007-2001. ГСИ. Поверительные клейма. Правила по метрологии.
-
4) МИ 2246-93. ГСИ. Погрешности измерений. Обозначения.
-
5) МИ 1997-89. Методика поверки. Преобразователи давления измерительные.
-
6) МИ 4212-2006. Методика поверки. Датчики давления МЕТРАН-150.
Приложение А
(обязательное)
Схемы включения преобразователей при поверкеПримечание - На всех схемах используются следующие обозначения:
P - входная измеряемая величина (примеры подключения к датчику эталонных средств измерений входной величины и задатчиков давления приведены на схемах 4-6);
ПД - преобразователь давления измерительный;
G1 - источник постоянного напряжения, например, Б5-49;
RH - нагрузочное сопротивление, например, магазин сопротивлений (значение сопротивления в соответствии с условиями поверки по п. 4.1);
РА1 - миллиамперметр, например, В7-54/3; PV1 - вольтметр, например, В7-40.

Схема А.1 (электрическая) - Включение преобразователя давления с аналоговым выходным сигналом постоянного тока 4-20 мА (при измерении выходного сигнала миллиамперметром)

Схема А.2 (электрическая) - Включение преобразователя давления с аналоговым выходным сигналом постоянного тока 4-20 мА и цифровым выходным сигналом на базе протокола HART (при считывании информации по цифровому каналу и миллиамперметру), НМ - HART-модем

Схема А.3 (электрическая) - Включение преобразователя давления с цифровым выходным сигналом, передаваемым по интерфейсу RS-485, преобразователь интерфейсов - АС3-М

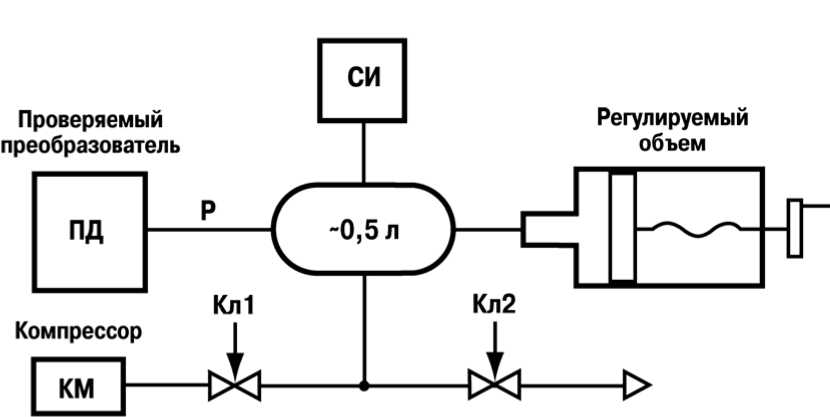
Схема А.4 (пневматическая) - Подключение для поверки преобразователя избыточного давления и разности давлений, СИ - эталонное средство для измерения давления или разрежения (см. таблицу 2); Кл1, Кл2 - клапаны запорные (краны-натекатели); КМ - компрессор

Схема А. 5 (пневматическая) - подключение для поверки преобразователя абсолютного давления и разрежения, Кл1-Кл5 - клапаны запорные (краны-натекатели); КМ - компрессор (задатчик давления, см. таблицу 2); Н - насос вакуумный (например, задатчик вакуумметрического давления «Воздух-0,4В»);
СИ - эталонное средство для измерения давления

Схема А.6 (гидравлическая) - подключение для поверки преобразователя избыточного давления и разности давлений при использовании грузопоршневого манометра, МН -грузопоршневой манометр (например, МП-2,5, МП-6, МП-60, МП-600, МП-2500)
Методика поверки Лист регистрации изменений | |||||||
№ изм. |
Номера листов (страниц) |
Всего листов (страниц) |
Дата внесения |
Подпись | |||
изменен |
заменен |
новых |
аннулир. | ||||
23