Методика поверки «КОНТРОЛЛЕР ОБМЕНА ИНФОРМАЦИЕЙ ИЗМЕРИТЕЛЬНЫЙ КОИ» (МП АМЦЗ.058.028)

А.А. Данилов
директора
ЦСМ»
МЕТОДИКА ПОВЕРКИ
АМЦЗ.058.028 МП
2015 г.
Настоящая методика устанавливает методы и средства первичной и периодической поверки контроллера обмена информацией измерительного КОИ (далее - КОИ).
Интервал между поверками (межповерочный интервал) - 2 года.
1 Операции и средства поверкиПри проведении поверки должны быть выполнены операции и применены рекомендуемые средства поверки указанные в таблице 1.
Таблица!
Наименование операции |
Номер пункта методики |
Наименование средства поверки, вспомогательного оборудования, приспособления и их технические характеристики |
1 Внешний осмотр |
4.1 |
Визуально |
2 Определение сопротивления изоляции |
4.2 |
Мегаомметр ЭС0202/1-Г. Предел измерений до 1000 МОм, Выходное напряжение на зажимах (500 ± 50) В, Класс точности 15. |
3 Опробование |
4.3 |
Магазин сопротивлений Р327. Диапазон воспроизводимых значений сопротивлений от 0,1 до 99 999,9 Ом, класс точности 0,01/1,5-10'6. |
ПЭВМ типа Pentium: процессор, не ниже Pentium-4 с тактовой частотой не менее 2500 МГц, объём оперативной памяти не менее 1024 Мб, накопитель CD-ROM, ETHERNET -порт. Программные средства на управляющей ПЭВМ:
| ||
Коммутир. устройство АМЦ5.280.402 для соединения Р327 с КОИ. | ||
Кабель АМЦ6.700.084 для соединения ПЭВМ с КОИ. | ||
Кабель АМЦ6.701.012 для подачи напряжения питания на КОИ. | ||
4 Определение основных метрологических характеристик |
4.4 |
Психрометр аспирационный МВ-4М. Диапазон измерений относительной влажности воздуха от 10 до 100 % при температуре от 5 до 40 °C, пределы основной допускаемой погрешности ± 0,2 °C, ±3 %. |
Барометр-анероид метеорологический БАММ-1. Диапазон измерений от 80 до 106 кПа, погрешность ± 1 кПа. | ||
Магазин сопротивлений Р327. Диапазон воспроизводимых значений сопротивлений от 0,1 до 99 999,9 Ом, класс точности 0,01/1,5-10‘6. | ||
Коммутир. устройство АМЦ5.280.402 для соединения Р327 с КОИ. | ||
Кабель АМЦ6.700.084 для соединения ПЭВМ с КОИ. | ||
Кабель АМЦ6.701.012 для подачи напряжения питания на КОИ. | ||
ПЭВМ типа Pentium: процессор, не ниже Pentium-4 с тактовой частотой не менее 2500 МГц, объем оперативной памяти не менее 1024 Мб, накопитель CD-ROM, ETHERNET -порт. Программные средства на управляющей ПЭВМ:
|
Допускается применять другие средства поверки и вспомогательное оборудование с характеристиками не хуже, чем у указанных в таблице 1.
2 Условия поверкиПоверку следует проводить при нормальных климатических условиях:
-
- температура окружающего воздуха, °C.................................................20 ± 5;
-
- относительная влажность воздуха, %............................................. до 80;
-
- атмосферное давление, кПа (мм рт. ст.)......................от 84 до 106 (от 630 до 795);
-
- напряжение питания переменного тока.......от 187 до 242 В с частотой (50 ± 1) Гц.
КОИ до начала поверки должен быть выдержан при нормальных климатических условиях в течение 4 ч.
3 Требования безопасности-
3.1 При проведении поверки должны быть выполнены мероприятия по технике безопасности для электротехнических изделий в соответствии с ГОСТ 12.2.007.0-75.
-
3.2 Перед использованием КОИ и средств измерений убедитесь в исправности кабельных соединений и мест их подключения, исправности силовых кабельных шнуров, штепсельных вилок и розеток.
-
3.3 Запрещается подключать и отключать кабели при включенном питании.
-
3.4 Перед началом работы с КОИ и средствами измерений необходимо внимательно ознакомиться с руководством по эксплуатации на них.
При проведении поверки должны соблюдаться условия, указанные в разделе 2 настоящей методики.
-
4.1 Внешний осмотр
-
4.1.1 При проведении внешнего осмотра должно быть установлено соответствие следующим требованиям:
-
-
- поверяемый КОИ должен быть укомплектован в соответствии с формуляром на него;
-
- КОИ не должен иметь механических повреждений, повреждений изоляции кабелей и жгутов, неисправностей соединительных элементов или других внешних дефектов, которые могут повлиять на его метрологические и технические характеристики, а также на безопасность персонала;
-
- наименование предприятия-изготовителя, условное наименование изделия, заводской номер, дата выпуска, надпись - АС-1, надпись - "СДЕЛАНО В РОССИИ", нанесённые на шильдике - который закреплен на боковой части корпуса КОИ, должны быть чёткими и не допускать неоднозначности в прочтении;
-
- наименование разъёмов нанесенные на нижнюю и верхнюю часть корпуса КОИ, должны быть чёткими и не допускать неоднозначности в прочтении.
4.2 Проверка сопротивления изоляции КОИ
-
4.2.1 Открыть дверь КОИ, выключить тумблер «СЕТЬ», закрыть дверь.
-
4.2.2 Для проверки сопротивления изоляции между корпусом и входными штырями вилки КОИ, необходимо замкнуть между собой входные штыри 1,2 вилки «~220 В» КОИ и подключить к ним выходной зажим мегаомметра, а второй выходной зажим мегаомметра подключить к входному штырю 3 вилки «~220 В» КОИ.
-
4.2.3 Измерить электрическое сопротивление изоляции. Отсчет результата измерения производить не ранее, чем через 15 с после подачи измерительного напряжения. Измерительное напряжение на зажимах 500 В.
-
4.2.4 Результаты считать удовлетворительными, если значение сопротивления изоляции не менее 40 МОм.
-
4.3 Опробование
-
4.3.1 В соответствии с разделом 3 Руководства оператора АМЦ 00231-01 34 01 «ПОВЕРКА КОНТРОЛЛЕРА ОБМЕНА ИНФОРМАЦИЕЙ ИЗМЕРИТЕЛЬНОГО КОИ» (далее - РО) произвести установку следующих компонентов ПО на ПЭВМ: СУБД Firebird 2.5, .NET Framework 4.0, Remove Administrator v2.1 и программы «Поверка КОИ».
-
4.3.2 После установки программы «Поверка КОИ» на ПЭВМ необходимо выбрать путь «C:\Program Files\noBepKa КОИ» для проверки установки файла «Niikp.KOITest» в папке «Поверка КОИ».
-
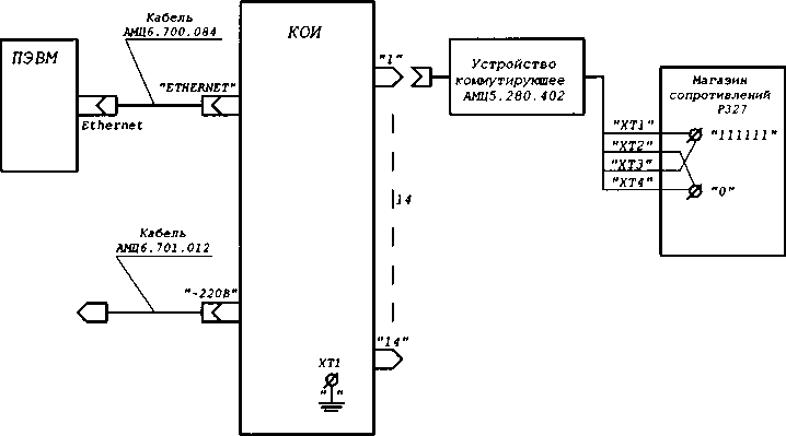
4.3.3 Собрать схему, приведенную на рисунке 1, подключить розетку XS1 коммутирующего устройства АМЦ5.280.402 к вилке (разъему) ТЕМПЕРАТУРА «1» КОИ.
Рисунок 1 - Схема подключения ПЭВМ и магазина сопротивлений к КОИ
-
4.3.4 Запуск и настройка программы
-
-
Для запуска программы «Поверка КОИ» необходимо на рабочем столе ПЭВМ выбрать ярлык и нажать по нему дважды левой клавишей мыши. На экране появится окно расчёта контрольной суммы исполняемых модулей программы. При положительном результате проверки, появится окно об успешном выполнении идентификации данных программы (Рисунок 2).

Рисунок 2 - Окно "Расчёт контрольной суммы", успешно
После успешного прохождения проверки нажать на кнопку «ОК», на экране появится главное окно программы «Поверка КОИ» (Рисунок 5).
Если идентификация данных прошла с отрицательным результатом, то появится окно, сообщающее об этом (Рисунок 3). Это означает, что исходный код приложения был изменён и продолжение работы программы невозможно.

Идентификация данных не прошла. Контрольная сумма исполняемого кода отличается.

Рисунок 3 - Окно "Расчёт контрольной суммы", неудача
Если программа не обнаружила базу данных приложения по пути, который сохранен в конфигурационном файле «Niikp.KOITest.exe.config», то появляется окно «Путь к базе данных программы Поверка КОИ» (Рисунок 4), где необходимо выбрать файл базы данных программы «KOITEST.FDB» и нажать кнопку "Открыть".
[д, Путь к | |
. .. ... .■ ....................... |
1611.20158:15
ЙЁИ

ГИЙИИ1
4 Дммшкм групп
Компьютер ; q ЛокмимЯдк»;
РЗ ЛокмьиыЯде»т

КОГТЕ5Т/ОВ
Рисунок 4 - Окно «Путь к базе данных программы Поверка КОИ»
: Определение
абсолютной 1^3^^ погрешности измерения сопротивления
Я Термокомпенсация
ADAM
Я И сходные данные
КОИ
~ - ■' Панель управления
кс*’- программы
Абсолютная погрешность измерения
Измеренное сопротивление.

1
110
1
120
130
138
100
2
Панель
состояния
Панель задач. • программы,

110
Рисунок 5 - Главное окно программы «Поверка КОИ»
-
1 изм.
-
2 изм.
-
3 изм.
-
1 изм.
-
2 изм.
-
3 изм.
-
1 изм.
-
2 изм.
-
3 изм.
-
1 изм.
-
2 изм.
-
3 изм.
-
1 изм.
-
2 изм.
-
3 изм.
-
1 изм.
-
2 изм.
-
3 изм.

задачи
Работая область
Для настройки программы необходимо в главном окне программы «Поверка КОИ» (Рисунок 5) нажать кнопку «Настройки» на панели управления программы. На экране появится окно «Настройки приложения» (Рисунок 6) в котором необходимо выбрать «Путь к программе RAdmin» - полный путь к программе Remove Administrator v. 2.1, с помощью которой осуществляется доступ к микро-PC и правильное закрытие программы микро-PC КОИ а также выбрать «Каталог для отчетов» - полный путь к папке, в которой будут сохраняться отчеты программы. Нажать на кнопку «ОК».

Для ввода исходных данных КОИ необходимо на панели задач программы (Рисунок 5) нажать кнопку «Исходные данные КОИ». На экране появится окно «Исходные данные КОИ» (Рисунок 7).
1 Огцмдмвниа 1 абамюшой 3 1гЖ norpevMOcm I иммрвни» солротияммп* |
is. |
■ ■ ■ ; " ■ 1 |
Тсрмоюмшсначи! ПО | ||
] исходны* да*ым 1 49------1 |
Рисунок 7 - Окно «Исходные данные КОИ»
На панели «Исходные данные КОИ» нажать кнопку «Изменить» (Рисунок 7), в появившемся окне «Добавить КОИ» (Рисунок 8) ввести следующие данные:
-
- заводской номер - 001;
-
- год выпуска - 2013;
-IP адрес-192.168.1.254;
-
- изготовлено для (принадлежность предприятию - Ростовская АЭС).
Для сохранения в базе данных необходимо нажать кнопку «ОК» (Рисунок 8).
1 --------------------- d | |
1 Зможкой момар: |
[■......................Г1 |
Год выпуска: |
2013г. |
ЗР-адрес: |
192.168.1.254 |
Изготовлено дм: |
: Ростовская АЭС |
1м^Ьм1. ..... |
Рисунок 8 - Окно «Добавить КОИ»
На экране главного окна программы «Поверка КОИ» (Рисунок 5) на панели задач, нажать кнопку с названием «Термокомпенсация ADAM». В появившемся окне задачи «Термокомпенсация ADAM» (Рисунок 9), выбрать регулируемый канал установив точку в соответствующий кружок около нужного адреса ADAM «10» - «16». Ввести значение сопротивления термокомпенсации в соответстующее поле около адреса выбранного ADAM, взяв данные из раздела "Индивидуальные особенности изделия" формуляра на КОИ, после чего нажать кнопку «Сохранить».
Аналогично ввести значения сопротивлений термокомпенсации для всех модулей ADAM.

Рисунок 9 - Окно «Термокомпенсация ADAM»
Для получения отчета по результатам сохранения значения сопротивлений термокомпенсации, необходимо нажать кнопку «Отчет» (Рисунок 9). В результате на экране появится окно с отчетом «Значения сопротивлений термокомпенсации» в html-формате, в котором содержатся следующие данные:
Дата: 01 декабря 2015 г. Время:9:59:25
Температура_________, давление________, влажность________
КОИ, зав. № 001 год выпуска 2013 г.
Значения сопротивлений термокомпенсации
Значения сопротивлений термокомпенсации, Ом | ||||||
Адреса ADAM | ||||||
10 |
11 |
12 |
13 |
14 |
15 |
16 |
119,98 |
119,97 |
120,02 |
120,05 |
120,05 |
120,01 |
119,9711 |
Поверитель:_____________________________________________________
Отчет автоматически сохраняется в папке отчетов, определенной в настройках программы, с названием «Сопротивление__термокомпенсации зав.№ год выпуска_______г.
_<дата/время>.Ыт1».
Значения сопротивлений термокомпенсации являются определяющими в процессе проведения поверки и в обязательном порядке должны быть отражены в протоколе поверки.
-
4.3.5 Перед началом опробования КОИ необходимо выполнить следующее:
-
- Включить питание ПЭВМ;
-
- Открыть дверь КОИ, включить тумблер «СЕТЬ».
-
- Убедиться, что загрузка Windows в Micro PC прошла без сбоя. (Процесс загрузки занимает от одной до полутора минут. По окончании этого процесса подается звуковой сигнал. Если по истечении полутора минут нет звукового сигнала, то необходимо выключить тумблер «СЕТЬ», а по истечении 10 секунд включить повторно. После выдержки в 5 мин включить тумблер «ADAM» в КОИ, убедиться, что включены светодиодные индикаторы напряжений питания на плате индикации).
-
- Закрыть дверь КОИ;
-
- Провести проверку ADAM, для это нужно нажать кнопку «Проверка ADAM». В случае успешной проверки появится диалоговое окно «Регулировка ADAMob» с надписью «Проверка пройдена успешно!» (Рисунок 10), после чего нажать кнопку «ОК».
|йз! ’
Регулировка АОАМов
Рисунок 10 - Окно «Регулировка АОАМов»
В случае отрицательной проверки появится диалоговое окно «Перезапустите ADAMbi!», после чего следует выключить и снова включить тумблер «ADAM» в КОИ, либо диалоговое окно «Нет связи с КОИ», после чего следует уточнить IP сдрес КОИ и исправить его в настройках операционной системы ПЭВМ.
-
4.3.6 Опробование КОИ выполнить следующим образом:
-
4.3.6.1 На экране главного окна программы «Поверка КОИ» (Рисунок 5) на панели задач, нажать кнопку с названием «Определение абсолютной погрешности измерения сопротивления». В появившемся окне задачи «Определение абсолютной погрешности измерения сопротивления» (Рисунок 11) в рабочей области задачи удалить все результаты предыдущих измерений (если ранее проводились измерения), нажав кнопку «Очистить всё».
Зав. N>001 годвыпуска:2013|
Исходные данные
Абсолютная
погреимостъ
0,0251
0,0117
0,0150
0,0150
0,0150
0,0150
0,0150 -0,0051
Рисунок 11 - Окно «Определение абсолютной погрешности измерения сопротивления»
Определение абсолютной погрешности измерения сопротивления
измеренное
Термокомленсаияя
110,025 110,025 110,025 120,012 120,015 120,015 130,015 130.015 130,015 137,995 137,995 137,995 100,015 100,015 100,015 110,015 110,015
-
4.3.6.2 В рабочей области задачи нажать левой кнопкой мыши на строку измерения №1 канала №1 эталонного сопротивления 100 Ом, в которой произойдет изменение цвета строки. Изменение цвета строки указывает, на то, где будет производиться расчет погрешности и отображение результатов измерения.
-
-
4.3.6.3 В рабочей области задачи нажать кнопку «Запуск», после чего появится окно «Определение абсолютной погрешности» с надписью «Подключите кабель к разъему 1 и переключитесь на канал 1. Установите сопротивление 100 Ом» (Рисунок 12).
Рисунок 12 - Окно «Определение абсолютной погрешности»
-
4.3.6.4 На коммутирующем устройстве АМЦ5.280.402 (далее - КУ) установить переключатель в положение «1».
-
4.3.6.5 Сделать выдержку в течение 10 с.
-
4.3.6.6 С помощью переключателей магазина сопротивлений установить значение сопротивления 100 Ом и нажать на кнопку «ОК» в появившемся окне «Определение абсолютной погрешности» (Рисунок 12).
-
4.3.6.7 ПЭВМ произведет три измерения и расчет абсолютной погрешности измерения сопротивления с последующим отображением результатов на экране (Рисунок 11), после чего появится окно «Определение абсолютной погрешности» с надписью «Подключите кабель к разъему 1 и переключитесь на канал 1. Установите сопротивление 110 Ом» (Рисунок 13).
Рисунок 13 - Окно «Определение абсолютной погрешности»
-
4.3.6.8 Убедившись в работоспособности измерительного тракта КОИ, прервать процесс измерения путем нажатия кнопки «Отмена» в окне задачи «Определение абсолютной погрешности» (Рисунок 13).
-
4.3.6.9 В окне задачи «Определение абсолютной погрешности измерения сопротивления» (Рисунок 11) в рабочей области задачи нажать кнопку «Очистить всё» для удаления результата измерений полученного при опробовании.
4.4 Проверка абсолютной погрешности измерения сопротивления измерительных каналов
-
4.4.1 Расчет абсолютной погрешности измерений сопротивления aR, осуществляется по формуле (1):
aR = Rh3m-R3, (1)
где R„3m - измеренное значение сопротивления, Ом;
R3 - эталонное значение сопротивления, Ом.
-
4.4.2 Повторить 4.3.6.2,4.3.6.3, 4.3.6.5 - 4.3.6.7
-
4.4.3 Повторить 4.3.6.6 - 4.3.6.7 для значения сопротивления 110 Ом.
-
4.4.4 Повторить 4.3.6.6 - 4.3.6.7 для значения сопротивления 120 Ом.
-
4.4.5 Повторить 4.3.6.6 -4.3.6.7 для значения сопротивления 130 Ом.
-
4.4.6 Повторить 4.3.6.6 -4.3.6.7 для значения сопротивления 138 Ом.
-
4.4.7 Повторить 4.3.6.2 - 4.3.6.7 для измерительного канала (далее - ИК) №16», подключив розетку XS1 КУ к вилке (разъему) ТЕМПЕРАТУРА «3» КОИ.
-
4.4.8 Повторить 4.3.6.2 - 4.3.6.7 для ИК -№31, подключив розетку XS1 КУ к вилке (разъему) ТЕМПЕРАТУРА «5» КОИ.
-
4.4.9 Повторить 4.3.6.2 - 4.3.6.7 для ИК №46, подключив розетку XS1 КУ к вилке (разъему) ТЕМПЕРАТУРА «7» КОИ.
-
4.4.10 Повторить 4.3.6.2 - 4.3.6.7 (разъему) ТЕМПЕРАТУРА «9» КОИ.
-
4.4.11 Повторить 4.3.6.2 - 4.3.6.7 (разъему) ТЕМПЕРАТУРА «11» КОИ.
-
4.4.12 Повторить 4.3.6.2 - 4.3.6.7
(разъему) ТЕМПЕРАТУРА «13» КОИ.
для
для
для
ИК №61, подключив розетку
ИК №76, подключив розетку
ИК №91, подключив розетку
XS1
XS1
XS1
КУ
КУ
КУ
вилке
вилке
вилке
-
-
4.4.13 Для получения отчета по результатам проверки «Определение абсолютной погрешности измерения сопротивления» нажать кнопку «Отчет». В результате на экране появится окно с отчетом (протоколом) в html-формате, в котором содержатся следующие данные:
Дата: 01 декабря 2015 г. Время: 13:51:30
Температура__________, давление________, влажность________
КОИ, зав. № 001 год выпуска 2013 г.
Используемые эталоны:
Определение абсолютной погрешности измерения сопротивления
Пределы допускаемой абсолютной погрешности измерения сопротивления ± 0,044 Ом (0,8 от предельного значения погрешности ± 0,055 Ом)
Номер канала |
Эталонное сопротивление, Лэ, Ом |
Номер измерения |
Измеренное сопротивление, Ыизм, Ом |
Абсолютная погрешность измерения сопротивления, AR, Ом |
1 |
100 |
1 изм. |
100,025 |
0,0251 |
2 изм. |
100,025 |
0,0251 | ||
3 изм. |
100,025 |
0,0251 | ||
по |
1 изм. |
110,025 |
0,0251 | |
2 изм. |
110,025 |
0,0251 | ||
3 изм. |
110,025 |
0,0251 | ||
120 |
1 изм. |
120,015 |
0,0150 | |
2 изм. |
120,015 |
0,0150 | ||
3 изм. |
120,015 |
0,0150 | ||
130 |
1 изм. |
130,025 |
0,0251 | |
2 изм. |
130,025 |
0,0251 | ||
3 изм. |
130,025 |
0,0251 | ||
138 |
1 изм. |
138,005 |
0,0050 | |
2 изм. |
138,015 |
0,0150 | ||
3 изм. |
138,015 |
0,0150 |
Заключение: ГОДЕН
Поверитель:______________________________________________________
Примечание: Данная форма отчета (протокола) представлена при проведении проверки измерительного канала №1 КОИ. Поверитель может провести проверку любого количества измерительных каналов и прервать процесс измерения, после чего нажать кнопку «Отчет» и получить результат (т. е. провести проверку одного, двух, трех или всех вышеуказанных каналов настоящей методики, и получить отчет (протокол) о том или ином количестве каналов).
-
4.4.14 Отчет автоматически сохраняется в папке отчетов, определенной в настройках программы, с названием «Погрешность измерения сопротивления__зав.№__год выпуска__г.
<дата/время>.11Пп1».
-
4.4.15 Измерительный канал сопротивления считается пригодным к эксплуатации, если абсолютная погрешность измерительного канала сопротивления не превышает ± 0,044 Ом (0,8 от предельного значения погрешности ± 0,055 Ом).
-
4.4.16 Отключить розетку XS 1 КУ от вилки (разъема) ТЕМПЕРАТУРА «13» КОИ.
-
4.4.17 Подключить розетку XS1 КУ к вилке (разъему) ТЕМПЕРАТУРА «1» КОИ.
-
4.4.18 В окне задачи «Определение абсолютной погрешности измерения сопротивления» (Рисунок И) в рабочей области задачи нажать кнопку «Очистить всё» для удаления результата измерений.
-
4.4.19 В рабочей области задачи нажать левой кнопкой мыши на строку измерения №3 канала №1 эталонного сопротивления 120 Ом, в которой произойдет изменение цвета строки.
-
4.4.20 В рабочей области задачи нажать кнопку «Запуск», после чего появится окно «Определение абсолютной погрешности» с надписью «Подключите кабель к разъему 1 и переключитесь на канал 1. Установите сопротивление 120 Ом» (Рисунок 14).
Рисунок 14 - Окно «Определение абсолютной погрешности»
-
4.4.21 На КУ установить переключатель в положение «1».
-
4.4.22 Сделать выдержку в течение 10 сек.
-
4.4.23 С помощью переключателей магазина сопротивлений установить значение сопротивления 120 Ом и нажать на кнопку «ОК» в появившемся окне «Определение абсолютной погрешности» (Рисунок 14).
-
4.4.24 ПЭВМ произведет три измерения и расчет абсолютной погрешности измерения сопротивления с последующим отображением результатов на экране (Рисунок 11), после чего появится окно «Определение абсолютной погрешности» с надписью «Подключите кабель к разъему 1 и переключитесь на канал 1. Установите сопротивление 130 Ом» (Рисунок 15).
Рисунок 15 - Окно «Определение абсолютной погрешности»
-
4.4.25 Прервать процесс измерения путем нажатия кнопки «Отмена» в окне задачи «Определение абсолютной погрешности» (Рисунок 15).
-
4.4.26 Повторить 4.4.19 - 4.4.25 для всех остальных каналов измерения (№2 - 104) при «Ra (маг), Ом» равном 120, выбирая каждый раз строку измерения с соответствующим «№ канала» и «Яэ (маг), Ом» равном 120 и подключая розетку КУ к соответствующему номеру вилки (разъема) ТЕМПЕРАТУРА в КОИ, указанным в столбце «№ разъёма» таблицы и устанавливая переключатель на КУ в положение, соответствующее номеру (цифре) в столбце «Положение переключателя» таблицы.
-
4.4.27 Для получения отчета по результатам проверки «Определение абсолютной погрешности измерения сопротивления» нажать кнопку «Отчет». В результате на экране появится окно с отчетом (протоколом) в html-формате, в котором содержатся следующие данные:
Дата: 01 декабря 2015 г. Время: 16:46:44
Температура__________, давление________, влажность________
КОИ, зав. № 001 год выпуска 2013 г.
Используемые эталоны:
Определение абсолютной погрешности измерения сопротивления
Пределы допускаемой абсолютной погрешности измерения сопротивления ± 0,044 Ом .................. (0,8 от предельного значения погрешности ± 0,055 Ом) .........
Номер канала |
Эталонное сопротивление, R3, Ом |
Номер измерения |
Измеренное сопротивление, RH3M, Ом |
Абсолютная погрешность измерения сопротивления, AR, Ом |
1 |
120 |
1 изм. |
120,025 |
0,0251 |
2 изм. |
120,025 |
0,0251 | ||
3 изм. |
120,025 |
0,0251 | ||
2 |
120 |
1 изм. |
120,025 |
0,0251 |
2 изм. |
120,025 |
0,0251 | ||
3 изм. |
120,025 |
0,0251 | ||
- |
- |
- |
- |
- |
104 |
120 |
1 изм. |
120,025 |
0,0251 |
2 изм. |
120,025 |
0,0251 | ||
3 изм. |
120,025 |
0,0251 |
Заключение: ГОДЕН
Поверитель:_____________________________________________________
Примечание: Поверитель может провести проверку любого количества измерительных каналов и прервать процесс измерения, после чего нажать кнопку «Отчет» и получить результат (т. е. провести проверку одного, двух, трех или всех вышеуказанных каналов настоящей методики (внесенных в программу поверка), и получить отчет (протокол) о том или ином количестве каналов).
-
4.4.28 Отчет автоматически сохраняется в папке отчетов, определенной в настройках
программы, с названием «Погрешность_измерения__сопротивления__зав.№__год выпуска__г.
_<дата/время>.Ьйп1».
-
4.4.29 Измерительный канал измерения сопротивления считается пригодным к эксплуатации, если абсолютная погрешность измерительного канала измерения сопротивления не превышает ± 0,044 Ом (0,8 от предельного значения погрешности ± 0,055 Ом).
-
4.4.30 На экране главного окна программы «Поверка КОИ» (Рисунок 5) на панели задач, нажать кнопку МйИ, после чего появится окно «Поверка КОИ» с надписью «Вы хотите закрыть приложение?» (Рисунок 16).
Рисунок 16 - Окно «Поверка КОИ»
-
4.4.31 Для выхода из приложения, нажать на кнопку «Да», после чего появится окно «Выключение» с надписью «Выключить КОИ?» (Рисунок 17).
Рисунок 17 - Окно «Выключение»
-
4.4.32 Для выключения микро-PC КОИ, нажать на кнопку «ОК», после чего появится окно «Выключить удаленный компьютер» (Рисунок 18). В появившемся окне «Выключить удаленный компьютер» установить точку в соответствующий кружок около надписи выключить удаленный компьютер и нажать на кнопку «Да».
Выключить удаленный компьютер ГП
Г> -......
g) . . -K-.r-r, -i. '
» > Й-..7, j
Рисунок 18 - Окно «Выключить удаленный компьютер»
ВНИМАНИЕ! Выключение тумблера «ADAM» и «СЕТЬ» в КОИ проводить после завершения работы программы «Поверка КОИ» и выдержки по времени в течении 5 -10 мин.-
4.4.33 Открыть дверь КОИ, выключить тумблер «ADAM», убедиться, что светодиодные индикаторы напряжений питания на плате индикации погасли, выключить тумблер «СЕТЬ», закрыть дверь КОИ. Отключить магазин сопротивления от КУ. Отключить розетку XS1 КУ от вилки (разъема) «14».
-
5.1 Результаты поверки КОИ оформляются выдачей свидетельства о поверке, в котором указывается срок действия и дата очередной поверки и нанесением знака поверки не-смывающейся краской рядом с шильдиком, закреплённым на боковой стенке КОИ.
-
5.2 При несоответствии результатов поверки требованиям любого из пунктов настоящей методики, КОИ к дальнейшей эксплуатации не допускают и выдают извещение о непригодности к применению. В извещении указывают причину непригодности и приводят указание о направлении КОИ в ремонт или невозможности его дальнейшего использования.
14