Методика поверки «ГСИ. Системы автоматизированного ультразвукового контроля АВГУР-Т» (МП 050.Д4-17)
УТВЕРЖДАЮ
Заместитель директора

___Н.П. Муравская июня 2017г
I «ВНИИОФИ»
Государственная система обеспечения единства измерений
Системы автоматизированного ультразвукового контроля АВГУР-Т
МЕТОДИКА ПОВЕРКИ МП 050.Д4-17
Главный метролог ФГУП «ВНИИОФИ» //W С.Н. Негода у «01» июня 2017г
Москва 2017 г.
1 ВведениеНастоящая методика поверки распространяется на системы автоматизированного ультразвукового контроля АВГУР-Т (далее по тексту - системы), предназначенные для измерений глубины залегания дефектов в сварных соединениях, основном материале оборудования, деталей, трубопроводов и прочих изделий из металлов и сплавов, и устанавливает операции при проведении их первичной и периодической поверки.
Интервал между периодическими поверками -1 год.
2 Операции поверки-
2.1 При проведении первичной и периодической поверок должны быть выполнены
операции, указанные в таблице 1. Таблица 1
№ п/п |
Наименование операций |
Номер пункта НД по поверке |
Обязательность выполнения операции | |
При вводе в эксплуатацию и после ремонта |
При эксплуатации | |||
1 |
Внешний осмотр |
8.1 |
Да |
Да |
2 |
Опробование |
8.2 |
Да |
Да |
3 |
Проверка идентификации программного обеспечения |
8.3 |
Да |
Да |
4 |
Определение метрологических характеристик |
8.4 | ||
5 |
Определение диапазона и отклонения от номинальных значений амплитуды импульсов генератора импульсов возбуждения (ГИВ), диапазона и отклонения от номинальных значений длительности импульсов, длительности фронта нарастания сигнала на нагрузке 50 Ом |
8.4.1 |
Да |
Да |
6 |
Определение диапазона и расчет абсолютной погрешности измерений временных интервалов |
8.4.2 |
Да |
Да |
7 |
Определение полосы пропускания приемного тракта систем |
8.4.3 |
Да |
Да |
8 |
Расчет абсолютной погрешности установки усиления |
8.4.4 |
Да |
Да |
9 |
Определение линейности амплитудной характеристики по вертикали |
8.4.5 |
Да |
Да |
10 |
Определение абсолютной чувствительности |
8.4.6 |
Да |
Да |
И |
Расчет абсолютной погрешности измерений глубины залегания дефектов |
8.4.7 |
Да |
Да |
-
2.2 При получении отрицательных результатов при проведении хотя бы одной операции поверка прекращается.
-
2.3 Поверку средства измерений осуществляют аккредитованные в установленном порядке в области обеспечения единства измерений юридические лица и индивидуальные предприниматели.
-
2.4 При проведении поверки системы выполняются только те ее пункты, которые соответствуют комплектности.
3.1 При проведении первичной и периодической поверок должны быть применены средства, указанные в таблице 2.
Таблица 2
Номер пункта методики поверки |
Наименование средства поверки; номер документа, регламентирующего технические требования к средству, основные технические характеристики |
8.2 |
Мера №3 из комплекта мер ультразвуковых ККО-3. Высота меры (55,0 ± 0,1) мм. Скорость продольной ультразвуковой волны в мерах (5900 ± 59) м/с |
8.4.1 |
Осциллограф цифровой TDS1012B. Диапазон измеряемых размахов напряжений импульсных радиосигналов от 10 мВ до 400 В (с делителем 1:10). Пределы допускаемой относительной погрешности измерений амплитуд сигналов для коэффициентов отклонения от 10 мВ/дел до 5 В/дел - ± 3 % |
8.4.2-8.4.6 |
Генератор сигналов сложной формы AFG3022. Синусоидальный сигнал от 1 кГц до 20 МГц, диапазон напряжений от 10 мВ до 10 В, погрешность ± (1 % от величины +1 мВ), амплитудная неравномерность (до 5 МГц) ±0,15 дБ, (от 5 до 20 МГц) ± 0,3 дБ, пределы допускаемой относительной погрешности установки частоты ± 1 ppm |
8.4.4-8.4.5 |
Магазин затуханий МЗ-50-2. Диапазон частот: от 0,5 до 15,0 МГц. Декады: 4x10 дБ, 11x1 дБ, 11x0,1 дБ, 0-40-70 дБ. Погрешность разностного затухания на постоянном токе: ± (от 0,05 до 0,25) дБ; на переменном токе: ± (от 0,1 до 0,4) дБ |
8.4.6-8.4.7 |
Мера №ЗР из комплекта мер ультразвуковых ККО-3. Толщина меры 29,0-од- Высота меры 59,0-од. Пределы допускаемой абсолютной погрешности воспроизведения толщины и высоты меры ± 0,05 мм. Диаметр искусственного дефекта Д1 6,О+0,3 мм, диаметров Д2, ДЗ, Д4, Д5 2,О+0,1 мм. Расстояние от рабочей поверхности 1 меры до центра искусственного дефекта: до дефекта Д1 - 44,0-одг мм. Расстояния от рабочей поверхности 2 меры до центров искусственных дефектов: до дефекта Д2 - (3,00 ±0,15) мм, до дефекта ДЗ - (6,00 ±0,15) мм, до дефекта Д4 - (8,00 ± 0,15) мм, до дефекта Д5 - (12,00 ± 0,15) мм. Пределы допускаемой абсолютной погрешности воспроизведения диаметров искусственных дефектов, расстояний до центров искусственных дефектов ± 0,05 мм. |
3.2 Средства поверки, указанные в таблице 2 должны быть поверены и аттестованы в установленном порядке. Допускается также применение других средств, не
приведенных в таблице 2, но обеспечивающих определение (контроль) метрологических характеристик поверяемых систем с требуемой точностью.
4 Требования безопасности-
4.1 При проведении поверки следует соблюдать требования, установленные ГОСТ Р 12.1.031-2010, ГОСТ 12.1.040-83, правилами по охране труда и эксплуатации электроустановок, указанных в приложении к приказу Министерства труда и социальной защиты РФ от 24.07.13 № 328Н. Воздух рабочей зоны должен соответствовать ГОСТ 12.1.005-88 при температуре помещения, соответствующей условиям испытаний для легких физических работ.
-
4.2 При выполнении измерений должны соблюдаться требования, указанные в «Правилах техники безопасности при эксплуатации электроустановок потребителей», утвержденных Госэнергонадзором, а также требования руководства по эксплуатации систем.
-
4.3 Помещение, в котором проводится поверка, должно соответствовать требованиям пожарной безопасности по ГОСТ 12.1.004-91 и иметь средства пожаротушения по ГОСТ 12.4.009-83.
-
5.1 К проведению поверки допускаются лица:
-
- изучившие настоящую методику поверки и руководство по эксплуатации систем;
-
- имеющие квалификационную группу не ниже III в соответствии с правилами по охране труда при эксплуатации электроустановок;
-
- прошедшие обучение на право проведения поверки по требуемому виду измерений.
-
6.1 При проведении поверки следует соблюдать следующие условия:
-
- температура окружающего воздуха, °C от +15 до +35
-
- относительная влажность воздуха, % от 20 до 95
-
- атмосферное давление, кПа от 94 до 106
-
7.1 Установить систему вдали от приборов, генерирующих сильные магнитные и высокочастотные поля.
-
7.2 Подготовку и включение системы при поверке производят в соответствии с его руководством по эксплуатации.
-
8 Проведение поверки
-
8.1.1 Внешним осмотром системы должно быть установлено:
-
- наличие маркировки, подтверждающей тип и заводской номер;
-
- соответствие комплектности требованиям документации;
-
- отсутствие на наружных поверхностях системы повреждений, влияющих на его работоспособность.
-
8.1.2 Системы считаются прошедшими процедуру внешнего осмотра, если они соответствуют всем перечисленным выше требованиям.
-
8.2 Опробование
-
8.2.2 Осмотреть преобразователь, убедиться, что корпус ПЭП имеет маркировку с указанием его типа и заводского номера, что корпус соединен с экраном высокочастотного кабеля или корпусом разъема и защищает от попадания внутрь контактной жидкости. Проверить наличие технического паспорта ПЭП.
-
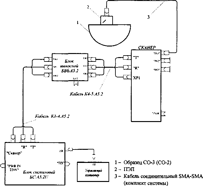
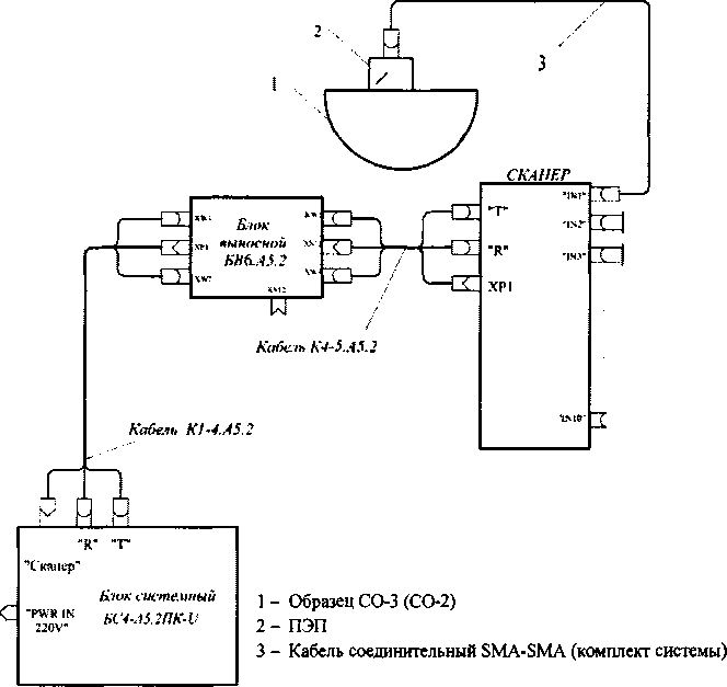
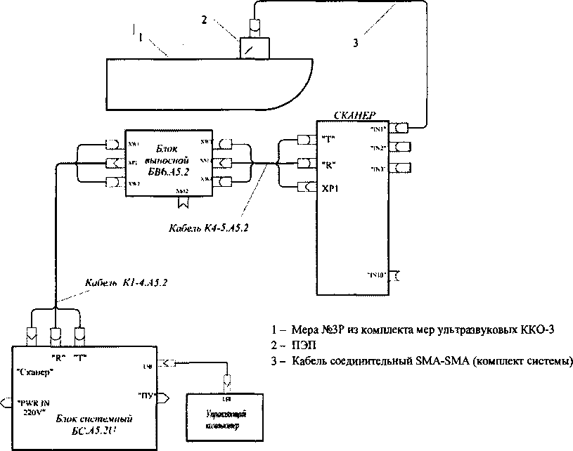
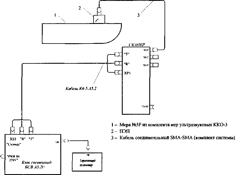
8.2.3 Для блоков BCB.A5.2U, БС4-А5.2ПК-Ц BC.A5.2U, ДУМ.СК26 Собрать схемы, представленные на рисунках 1а- 1г.
Рисунок 1а- Подключение Системы в режиме двухкоординатного сканирования с блоком BCB.A5.2U

Рисунок 16 - Подключение Системы в режиме двухкоординатного сканирования с блоком BC.A5.2U

Рисунок 1в - Подключение Системы в режиме двухкоординатного сканирования с блоком БС4-А5.2ПК-и

1 - Мера №ЗР из комплекта мер ультразвуковых ККО-3
2-ПЭП
3 - Кабель соединительный SMA-SMA (комплект системы)
-
8.2.4 Для каждого из сканеров СК.426Т4.А5.2 и СК.219Т.А5.2 в соответствии с руководством к программе «Калибровка ПЭП» установить сканер на калибровочный стенд из состава системы, установить на калибровочный стенд меру №3 из комплекта КОУ-2, а именно:
-
- установить на направляющую сканера прижим для крепления одного ПЭП из состава Системы;
-
- установить сканер на стол для калибровки, закрепить меру №3 из комплекта мер ультразвуковых ККО-2 на столе для калибровки так, чтобы установленный в прижим ПЭП мог перемещаться по плоской поверхности меры при сканировании;
-
- нанести на поверхность меры контактную жидкость.
-
8.2.5 ПЭП TOFD установить на призму из состава системы, обеспечив акустический контакт между акустической поверхностью ПЭП и призмой;
-
8.2.6 Установить ПЭП в прижим сканера. Соединить ПЭП с входом (или входами для раздельных и раздельно-совмещенных ПЭП) сканера, запустить на управляющем компьютере программу «Калибровка ПЭП». Действуя согласно руководству по эксплуатации программы, выбрать тип ПЭП, соответствующий проверяемому. Создать в базе данных тестовый экземпляр ПЭП путем ввода его номера с префиксом «test». Выполнить калибровку ПЭП, в соответствии с руководством к программе «Калибровка ПЭП»
-
8.2.7 Для блока системного ДУМ.СК26 процедура опробования заключается в получении донного эхо-сигнала на мере №3 из комплекта КОУ-2.
-
8.2.8 Система считается прошедшей опробование с положительным результатом, если для блока системного ДУМ.СК26 получен донный эхо-сигнал и полученные в результате калибровки данные по сравнению с паспортными соответствуют следующим требованиям:
-
- рабочая частота должна отличаться от номинального значения не более, чем на 10 %;
-
- угол ввода должен отличаться не более, чем на 3° для ПЭП с рабочей частотой менее 2 МГц, и не более 2° для ПЭП с рабочей частотой 2 МГц и более.
По окончании операции проверки удалить все созданные тестовые экземпляры ПЭП из базы данных.
8.3 Проверка идентификации программного обеспечения-
8.3.1 Для проверки идентификации программного обеспечения необходимо запустить соответствующую программу и выполнить проверку идентификационного наименование программы, выводимого в заголовке окна и версии программы, выводимой
Рисунок 2 - Пример Стартового окна программы регистрации данных АУЗК «АВГУР-Т»
8.3.2 Системы признаются прошедшими операцию поверки, если идентификационные данные программного обеспечения соответствуют значениям, приведенным в таблице 3.
Таблица 3
Идентификационные данные (признаки) |
Значение | |
Идентификационное наименование программы |
Программа регистрации данных АУЗК «АВГУР-Т» |
Поверка |
Версия программы (идентификационный номер) |
148.204 и выше |
148.204 и выше |
Цифровой идентификатор программы |
- |
- |
-
8.4 Определение метрологических характеристик
-
8.4.1 Определение диапазона и отклонения от номинальных значений амплитуды импульсов генератора импульсов возбуждения (ГИВ), диапазона и отклонения от номинальных значений длительности импульсов, длительности фронта нарастания сигнала на нагрузке 50 Ом
-
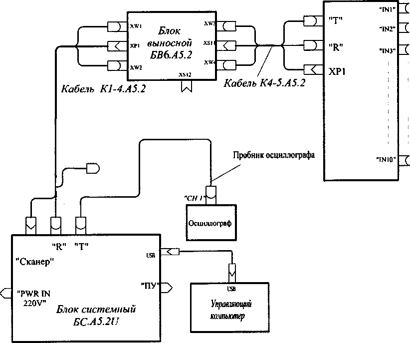
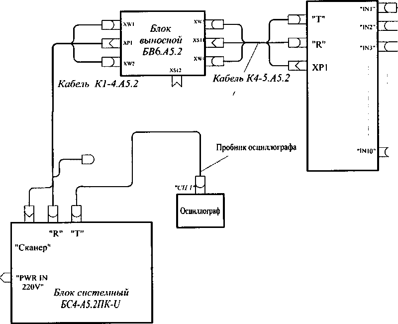
8.4.1.1 Для блоков системных ECB.A5.2U, BC.A5.2U, БС4-А5.2ПК-и подключить входной разъем осциллографа к разъему «Т», расположенному на передней панели блока системного. Для блоков системных ДУМ.СК26 и БС.БРД-UT подключить входной разъем осциллографа к разъему «IN1». Подключение производить через делитель 1:10 на нагрузке 50 Ом из состава осциллографа (рисунки За - Зе).
-
-
СКАНЕР

Рисунок 36 - Подключение осциллографа к блоку системному BC.A5.2U
СКАНЕР

Переходник BNCJ/SMAP (комплект системы)

Рисунок Зг - Подключение осциллографа к блоку системному ДУМ.СК26

Рисунок Зд - Подключение осциллографа к блокам системными BCB.A5.2U, BC.A5.2U в TOFD-режиме.

Рисунок Зе - Подключение осциллографа к блоку системному БС.БРД-UT.
-
8.4.1.2 Запустить программу «Поверка». Установить в окне программы в «Параметрах генератора», «Уровень сигнала» 25 В, а «Частоту сигнала» 2,5 МГц. В программе нажать кнопку «Пуск».
-
8.4.1.3 Произвести измерение амплитуды импульсов ГИВ АИ осциллографом, как показано на рисунке 4. Измерения выполнить пять раз, результат усреднить.
Рисунок 4 - Экран осциллографа при измерении амплитуды импульсов ГИВ.
8.4.1.4 формуле: |
Вычислить отклонение установки амплитуды импульсов ГИВ ДА по 54 = Аи~Ан-100%, (1) |
где Ан - номинальное значение амплитуды импульсов ГИВ, установленное в программе системы, В;
Ан- измеренное осциллографом среднее значение амплитуды импульсов ГИВ, В.
8.4.1.5 Провести измерения согласно пунктам 8.4.1.3-8.4.1.4 при следующих значениях настройки «Уровень сигнала»: 50, 100, 200 В, или 51, 75, 100 В для ДУМ.СК26
на каждом канале.
-
8.4.1.6 Установить в окне программы в «Параметрах генератора», «Уровень сигнала» 25 В, а «Частоту сигнала» 10 МГц. В программе нажать кнопку «Пуск».
-
8.4.1.7 Произвести измерения длительности импульсов ГИВ ТИ осциллографом как показано на рисунке 5, устанавливая курсоры осциллографа на уровень 50 % от
амплитуды импульса. Измерения
выполнить пять раз, результат усреднить.

Рисунок 5 - Экран осциллографа при измерении длительности импульсов ГИВ.
-
8.4.1.8 Вычислить отклонение установки длительности импульсов ГИВ, согласно таблице 4 по формуле:
8Г=ТИ-Тн,нс (2)
где Тн - номинальное значение длительности импульсов ГИВ эквивалентное выставленной частоте сигнала системы, нс;
Ти - измеренное осциллографом среднее значение длительности импульсов ГИВ, нс. Таблица 4
Значение частоты сигнала, МГц |
Эквивалентное значение длительности импульса сигнала, мкс |
10,00 |
0,100 |
8,00 |
0,125 |
5,00 |
0,200 |
2,50 |
0,400 |
1,25 |
0,800 |
1,00 |
1,000 |
-
8.4.1.9 Повторить измерения согласно пунктам 8.4.1.7, 8.4.1.8 для значений частоты импульсов ГИВ: 8,00, 5,00, 2,50, 1,25, 1,00 МГц.
-
8.4.1.10 Для настроек по пунктам 8.4.1.6, 8.4.1.9 произвести дополнительно
измерение длительности фронта нарастания импульсов ГИВ (ТфрОнта), устанавливая курсоры осциллографа по уровню 0,1 и 0,9 от величины амплитуды импульсов, как показано на рисунке 6.____________________________________________________


Рисунок 6 - Параметры импульса.
8.4.1.11 Системы считаются прошедшими операцию поверки с положительным результатом, если результаты измерений соответствуют таблице 5:
Таблица 5
Наименование характеристики |
Значение |
Диапазон номинальных значений амплитуды импульсов генератора импульсов возбуждения (ГИВ) на нагрузке 50 Ом, В:
|
от 25 до 200 от 25 до 100 |
Допускаемое отклонение установки амплитуды импульсов ГИВ от номинальных значений на нагрузке 50 Ом, % |
± 10 |
Диапазон номинальных значений длительности импульсов ГИВ на нагрузке 50 Ом (периода меандра), мкс |
от 0,1 до 1,0 |
Допускаемое отклонение установки длительности импульсов ГИВ от номинальных значений, % |
±15 |
Длительность фронта нарастания импульсов ГИВ, нс, не более |
25 |
-
8.4.2.1 Установить в окне программы в «Параметрах генератора», «Уровень сигнала» 25 В, Частоту сигнала 2,5 МГц.
-
8.4.2.2 Установить настройки генератора: синус, пачка, 1 цикл, частота 2,5 МГц, амплитуда 100 мВ, задержка импульса Do 0 мкс, внешняя синхронизация.
-
8.4.2.3 Подключить вход синхронизации генератора к входу сканера «IN1» или к входу БУЗ «R-1» (для TOFD-режима). Подключение производить через делитель 1:10 из состава осциллографа. К входу внешнего запуска генератора «Input» подключить выход Модуля согласования (МС), вход МС подключить к выходу сканера «IN2» или к выходу БУЗ «Т-1» (для TOFD-режима) (рисунки 7а - 7е). При переключении каналов и при дальнейшем проведении измерений не допускать попадания сигнала от излучателя на выход генератора!
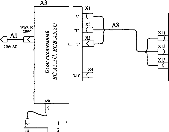
Рисунок 7а - Схема подключения для измерений временных интервалов на блоке системном BCB.A5.2U


Кабель К4-5.А5.2
Кабель К1-4.А5.2
н F |
О | ||
R” ВТЯ | |||
1 | |||
’’Сканер" |
-ПУ |
Z> |
А Н |
•PWR IN | |||
22f»V" |
Клок смете иным | ||
БС.Л5.21! |
ямммср | ||
-
1 - Переходник BNCJ/SMAP (комплект системы)
-
2 - Нагрузка 50 Ом (комплект системы)
-
3 - Пробник осциллографа (комплект осциллографа)
-
4 - Тройник (комплект генератора)
-
5 - ВЧ кабель соединительный (комплект генератора)
-
6 - Модуль согласования (комплект системы)
Рисунок 76 - Схема подключения для измерений временных интервалов на блоке системном BC.A5.2U

Рисунок 7в - Схема подключения для измерений временных интервалов на блоке системном BC4-A5.2IIK-U
6

-
1 - Переходник BNCJ/SMAP (комплект системы)
-
2 - Нагрузка 50 Ом (комплект системы)
-
3 - Пробник осциллографа (комплект осциллографа)
-
4 - Тройник (комплект генератора)
-
5 - ВЧ кабель соединительный (комплект генератора)
-
6 - Модуль согласования (комплект системы)
Рисунок 7г - Схема подключения для измерений временных интервалов на блоке системном ДУМ.СК26
Генератор

*PWRIN
о
5 Осшшогрзф
Переходник BNCJ/SMAP (комплект системы) Нагрузка 50 Ом (комплект системы) Пробник осциллографа (комплект осциллографа) Тройник (комплект генератора)
ВЧ кабель соединительный (комплект генератора) Модуль согласования (комплект системы)
А1 - Шнур сетевой (комплект системы) А8 - Кабель КСК УХМ TOFD (комплект системы)
XI9
Рисунок 7д - Схема подключения для измерений временных интервалов к блокам системными BCB.A5.2U, BC.A5.2U в TOFD-режиме.
7^

Рисунок 7е - Схема подключения для измерений временных интервалов на блоке системном БС.БРД-UT
-
8.4.2.4 Нажать кнопку «Пуск» в окне программы, убедиться, что обработка «огибающая» выключена. Изменяя аттенюатором генератора амплитуду входного сигнала и наблюдая его на экране системы, необходимо добиться, чтобы размах амплитуды сигнала на экране достиг не менее, чем 50 % его высоты.
-
8.4.2.5 Измерить значение максимума второй полуволны импульса по сетке экрана, меняя параметр левого и правого значения шкалы развертки так, чтобы он был максимально распознаваем.
-
8.4.2.6 Установить на генераторе задержку импульса Di равную 0,05 мкс, измерить значении максимума второй полуволны импульса по сетке экрана, меняя параметр левого и правого значения шкалы развертки так, чтобы он был максимально распознаваем.
-
8.4.2.7 Рассчитать абсолютную погрешность измерения временных интервалов по формуле:
(3) где Do - начальное значение задержки импульса, установленное на генераторе в пункте 8.4.2.2, мкс;
Di - текущее значение задержки импульса, установленное на генераторе в пункте 8.4.2.6, мкс;
DusmO - начальная задержка импульса, измеренная в пункте 8.4.2.5, мкс;
Du3Mi ~ задержка импульса, измеренная в пункте 8.4.2.6, мкс;
i - номер текущего измерения.
-
8.4.2.8 Повторить пункты 8.4.2.5 - 8.4.2.7, устанавливая на генераторе задержку импульса Db равную 0,15,1,10,100,200,450, 800 мкс (соответственно изменять развертку настройкой в нижней части окна программы), либо 0,15, 1, 10, 100, 160 мкс для ДУМ.СК26.
-
8.4.2.9 Системы считаются прошедшим операцию поверки с положительным результатом, если выполняются требования, приведенные в таблице 6:
Таблица 6
Наименование характеристики |
Значение |
Диапазон измерений временных интервалов, мкс
|
от 0,05 до 800,00 от 0,05 до 160,00 |
Пределы допускаемой абсолютной погрешности измерений временных интервалов, мкс |
±0,05 |
-
8.4.3.1 Провести настройку системы согласно п. 8.4.2.1. Установить ширину развертки от 5 до 150 мкс.
-
8.4.3.2 Установить настройки генератора: синус, пачка, 200 цикл, частота 2,5 МГц, амплитуда 400 мВ.
-
8.4.3.3 Собрать схему подключения, приведенную на рисунках 7а - 7е в соответствии с применяемым блоком системным, подключив измерительную аппаратуру к первому по счету измерительному каналу. Модуль синхронизации подключить к другому измерительному каналу. Установить в окне программы в группе элементов «Канал» в полях «Номер приемника» и «Номер излучателя» значения, соответствующие схеме подключения, в поле «Усиление» - 0. При переключении каналов и при дальнейшем проведении измерений не допускать попадания сигнала от излучателя на выход генератора! Нажать в окне программы кнопку «Пуск».
-
8.4.3.4 Изменяя аттенюатором генератора амплитуду входного сигнала выставить амплитуду сигнала на экране 80 % (в случае если изменение амплитуды генератора не позволяет установить нужный уровень, усилить сигнал усилением системы). Настройкой задержки импульса вывести сигнал пачки на середину экрана. Строб установить в положение 80 % высоты экрана, игнорируя выброс циклов по краям сигнала. Зафиксировать значение индикатора «Макс. Амп, dB».
-
8.4.3.5 Уменьшать частоту сигнала на генераторе до тех пор, пока показание индикатора «Макс. Амп, dB» не уменьшится на 3 дБ относительно значения полученного в пункте 8.4.3.4. Записать результат для нижней границы диапазона рабочих частот.
-
8.4.3.6 Установить на генераторе частоту 2,5 МГц.
-
8.4.3.7 Увеличивать частоту сигнала на генераторе до тех пор, пока показание индикатора «Макс. Амп, dB» не уменьшится на 3 дБ относительно значения полученного в пункте 8.4.3.4. Записать результат для верхней границы диапазона рабочих частот.
-
8.4.3.8 Выполнить измерения п. 8.4.3.3 - 8.4.3.7 для каждого из каналов многоканальной системы.
-
8.4.3.9 Системы считаются прошедшим операцию поверки с положительным результатом, если выполняются требования, приведенные в таблице 7:
Таблица 7
Наименование характеристики |
Значение |
Полоса пропускания приемного тракта систем по уровню - 3 дБ, МГц
|
от 0,6 до 12,5 от 0,6 до 16,0 |
-
8.4.4.1 Провести настройку системы согласно п. 8.4.2.1. Установить значение усиления «общее» на минимальное значение.
-
8.4.4.2 Установить настройки генератора: синус, пачка, 200 циклов, частота 2,5 МГц, амплитуда 400 мВ, задержка импульса 60 мкс, внешняя синхронизация.
-
8.4.4.3 Собрать схему подключения, приведенную на рисунках 8а - 8е, в зависимости от применяемого блока системного.
6

Рисунок 8а - Схема подключения для определения абсолютной погрешности установки усиления на блоке системном BCB.A5.2U

Рисунок 86 - Схема подключения для определения абсолютной погрешности установки усиления на блоке системном BC.A5.2U

Рисунок 8в - Схема подключения для определения абсолютной погрешности установки усиления на блоке системном БС4-А5.2ПК-и


2- Магазин затуханий МЗ-50-2
-
3 - Пробник осциллографа (комплект осциллографа)
-
4 - Тройник (комплект генератора)
-
5 - ВЧ кабель соединительный (комплект генератора)
-
6 - Модуль согласования (комплект системы)
Рисунок 8г - Схема подключения для определения абсолютной погрешности установки усиления на блоке системном ДУМ.СК26
2ЖАС WRIN
АЗ
f—•<
-/Ирш"
Генератор JJ—■

тэ
(кшшограф
X}
~Г1
Х19
"1-2"
-Т-3’
Хканер"

Переходник BNCJ/SMAP (комплект системы) Магазин затуханий МЗ-50-2
Пробник осциллографа (комплект осциллографа) Тройник (комплект генератора)
ВЧ кабель соединительный (комплект генератора) Модуль согласования (комплект системы)
шытр
А1 - Шнур сетевой (комплект системы)
А8 - Кабель КСК УХМ ТОГО (комплект системы)
Рисунок 8д - Схема подключения для определения абсолютной погрешности установки усиления на блоках системных BCB.A5.2U, BC.A5.2U в TOFD-режиме

Рисунок 8е - Схема подключения для определения абсолютной погрешности установки усиления на блоке системном БС.БРД-UT
-
8.4.4.4 Изменяя аттенюатором генератора амплитуду входного сигнала выставить амплитуду сигнала на экране 80 %. Строб установить в положение 80 % высоты экрана. Зафиксировать значение индикатора «Макс. Амп, dB».
-
8.4.4.5 Увеличить значение усиления системы в поле «общее» на 1 децибел, а магазином затухания вернуть значением амплитуды индикатора «Макс. Амп, dB» к значению, полученному в п. 8.4.4.4.
-
8.4.4.6 Повторить процедуру п. 8.4.4.5 для следующих значений усиления системы: минус 4, минус 3, минус 2, минус 1, 0, 1, 2, 3, 4, 5, 10, 15, 25, 35, 45, 55, 65 дБ; либо: минус 8, минус 7, минус 6, минус 5, минус 4, минус 3, минус 2, минус 1,0, 1,6, 11,21,36 дБ для блока ультразвукового BY3.TOFD; либо: минус 12, минус И, минус 10, минус 9, минус 8, минус 7, минус 6, минус 5, минус 4, минус 3, минус 2, минус 1, 0, 10, 20, 30, 40, 50, 55 дБ, для блока системного ДУМ.СК26.
-
8.4.4.7 Рассчитать абсолютную погрешность установки усиления для каждой итерации по формуле 4 и выбрать максимальное:
Д# = |Лго-Лг|-6о,дБ, (4)
где Go - начальное значение амплитуды сигнала, установленное в пункте 8.4.4.4, дБ; No - значение усиления, выставленное в окне программы в поле «общее», дБ;
N - значение затухания, выставленное магазином затухания, дБ.
-
8.4.4.8 Системы считаются прошедшим операцию поверки с положительным результатом, если в диапазоне установки усиления от минус 5 до плюс 65 дБ, либо от минус 9 до плюс 36 для блока ультразвукового БУЗ-TOFD, либо от минус 13 до плюс 55 для блока системного ДУМ.СК26 значение абсолютной погрешности установки усиления составляет не более ± 0,5 дБ.
-
8.4.5.1 Провести настройку системы согласно п. 8.4.4.1-8.4.4.3.
-
8.4.5.2 Ослабление на магазине затуханий установить 1 дБ.
-
8.4.5.3 Изменяя аттенюатором генератора амплитуду входного сигнала выставить амплитуду сигнала на экране 80 % (в случае если изменение амплитуды генератора не позволяет установить нужный уровень, усилить сигнал усилением дефектоскопа). Строб установить в положение 80 % высоты экрана.
-
8.4.5.4 Изменять ступенчато амплитуду сигнала на магазине затуханий относительно начального ослабления, установленного в п. 8.4.5.2, и фиксировать значение амплитуды сигнала индикатором «Макс. Амп, %» ЬизМ,, согласно таблице 8.
Таблица 8
Затухание, дБ |
Номинальный уровень сигнала на экране системы Lh, % от полной высоты экрана |
+ 1 |
90 |
0 |
80 |
-2 |
64 |
-4 |
50 |
-6 |
40 |
-8 |
32 |
-10 |
25 |
-12 |
20 |
-14 |
16 |
-16 |
13 |
-18 |
10 |
-
8.4.5.5 Вычислить линейность по вертикали по формуле 5:
ДА = - LH, % (5)
-
8.4.5.6 Системы считаются прошедшими операцию поверки с положительным результатом, если линейность амплитудной характеристики по вертикали составляет ±1,5%.
-
8.4.6.1 Операцию поверки проводят для всех ПЭП входящих в комплект систем и для ПЭП предназначенных для TOFD-режима.
-
8.4.6.2 Собрать схему подключения, приведенную на рисунках 9а - 9д и 1г.
Рисунок 9а - Схема подключения для определения абсолютной для определения абсолютной чувствительности на блоке системном BCB.A5.2U

Рисунок 96 - Схема подключения для определения абсолютной для определения абсолютной чувствительности на блоке системном BC.A5.2U

Рисунок 9в - Схема подключения для определения абсолютной для определения абсолютной чувствительности на блоке системном BC4-A5.2IIK-U

Ска«»ер"
*Т'
К"
£
«1
Упрашкнцнй компьютер
1 - Мера №ЗР из комплекта мер ультразвуковых ККО-3
2- ПЭП
3 - Кабель соединительный SMA-SMA (комплект системы) А1 - Шнур сетевой (комплект системы)
А8 - Кабель КСК УХМ TOFD (комплект системы)
*R4W
■’R-2"
•R-4"
■к-;,- 20 т-1" хь ’т " 20 "Т-3" ( )
Т-5" ________
Т-ь" О
XI9

Рисунок 9г - Схема подключения для определения абсолютной для определения абсолютной чувствительности на блоках системных BCB.A5.2U, BC.A5.2U в TOFD-режиме

Рисунок 9д - Схема подключения для определения абсолютной для определения абсолютной чувствительности на блоке системном БС.БРД-UT
-
8.4.6.3 Подключить:
-
- ПЭП ко входу сканера «IN 1»;
-
- два однотипных ПЭП TOFD ко входам БУЗ «Т-1» и «R-1»;
-
8.4.6.4 Установить в программе развертку на диапазон от 10 от 100 мкс, установить в группе элементов «Канал» в полях «Номер приемника» и «Номер излучателя» значения соответствующие схеме подключения, установить частоту соответствующую рабочей частоте ПЭП, «Уровень сигнала» 100 В, строб установить в положение 80 % высоты экрана. Нажать кнопку «Пуск».
-
8.4.6.5 Нанести контактную жидкость на 2 рабочую поверхность меры №ЗР из комплекта мер ультразвуковых ККО-3, и установить на нее ПЭП. Получить донный сигнал. Для ПЭП работающих в TOFD-режиме, установить ПЭП на 1 и 2 рабочую поверхность, предварительно смочив их контактной жидкостью, и получить донный сигнал.
-
8.4.6.6 Перемещая ПЭП по поверхности меры и изменяя коэффициент усиления в поле «общее» добиться амплитуды сигнала уровня 80 % от высоты экрана. Зафиксировать текущее значение амплитуды в поле «общее» Ао.
-
8.4.6.7 Снять ПЭП с меры и удалить с его рабочей поверхности остатки контактной жидкости.
-
8.4.6.8 Установить строб в положение развертки, где реверберационные помехи имеют достаточно малое значение (от 60 до 100 мкс). Увеличивая усиление, добиться, чтобы максимальный уровень сигнала от собственных шумов системы достиг амплитуды, равной половине стандартного уровня 40 % или достиг максимального значения усиления. Зафиксировать текущее значение амплитуды в поле «общее» Аь
-
8.4.6.9 Значение абсолютной чувствительности М вычислить по формуле 6:
М=|^1-Л1,ДБ (6)
-
8.4.6.10 Система считаются прошедшим операцию поверки с положительным результатом, если выполняются требования, приведенные в таблице 9:
Таблица 9
Наименование характеристики |
Значение |
Абсолютная чувствительность, дБ, не менее (максимальная условная | |
чувствительность) при использовании ПЭП: | |
- прямых раздельно-совмещенных |
35 |
- наклонных совмещенных и TOFD-режим |
60 |
-
8.4.7.1 Проверка выполняется для режима двухкоординатного сканирования в соответствии с РЭ с использованием предварительно калиброванного наклонного совмещенного ПЭП работающем на поперечных волнах, рабочей частотой 2,5 МГц, номинальный угол ввода а не менее 45° и не более 60°.
-
8.4.7.2 Используя сканер из комплекта системы, в программе «Регистрация данных» провести измерение А-сканов в режиме двухкоординатного сканирования с шагом 0,2 мм вдоль оси X и 0,5 мм вдоль оси Y сканера на мере №ЗР из комплекта мер ультразвуковых ККО-3 для двух боковых отверстий. Мера размещается вдоль оси сканирования X. Измерения проводятся на рабочей поверхности 1 в совмещенном режиме, два крайних положения ПЭП при сканировании показаны на рисунке 10: передняя грань ПЭП в одном крайнем положении должна находиться на расстоянии минус 71 мм от края меры, в во втором крайнем положении минус 171 мм от края меры, таким образом расстояние между крайними положениями должно составлять 100 мм.
-
8.4.7.3 По результатам измерений в программе «Анализ данных» восстанавливаются изображения (плоскость XZ) когерентным методом ПСП (обработка ПСП-2О).
По изображениям в программе «Анализ данных» определяются размеры изображения двух боковых отверстий 0 2 мм, расположенных на расстоянии 6 и 8 мм от дна по уровню 0,5 от локальных максимумов контуров локализации отражателей.
Расчетные положения изображений боковых отверстий зависят от номинального угла ввода а и равны (X;Z):
-
• отверстие на расстоянии 6 мм от дна: -85-sina; 53+2-cosa;
-
• отверстие на расстоянии 8 мм от дна: -110+2-sina; 51+2-cosa.
Рисунок 10 - Крайние положения ПЭП на мере №ЗР при сканировании.
-
8.4.7.4 Проверка Системы в режиме сканирования выполняется для каждого из блоков системных, и сканеров, поддерживающих двухкоординатное сканирование, следующим образом:
• собрать конфигурацию Системы для режима двухкоординатного сканирования без КИА в соответствии с рисунками 9а - 9д и 1г в зависимости от выбранного блока системного,
о установить на направляющую сканера прижим для крепления одного ПЭП;
о установить сканер на стол для калибровки, закрепить меру №ЗР на столе для калибровки так, чтобы установленный в прижим ПЭП мог перемещаться по поверхности меры №ЗР как показано на рисунке 9;
о подключить ПЭП к одному из каналов сканера;
о на управляющем компьютере запустить программу Редактор методических параметров, в программе создается (если таковой еще нет) тестовая методика измерительного контроля с параметрами:
-
■ шаг сканирования по оси X = 0,2 мм, шаг сканирования по оси Y = 0,5 мм, приоритетная ось сканирования - X, тип сканирования - с реверсом;
-
■ один акустический канал, ПЭП одноэлементный, наклонный, работающий на поперечных волнах, тип - такой же как у экземпляра ПЭП;
-
■ начало временной апертуры 3 мкс, конец временной апертуры 100 мкс;
-
■ частота дискретизации 40 МГц;
-
■ амплитуда зондирующего импульса 25 В;
-
■ тип волны - SS;
-
■ ВРЧ - выключено;
-
■ остальные параметры не влияют на проведение проверки;
• на управляющем компьютере запустить программу Регистрации данных, в программе в режиме «Объект» выбирается:
о создать тестовый объект СО-ЗР в иерархии объектов (если такового еще не имеется);
о в параметрах типа объекта выбрать тип объекта - основной металл;
о в параметрах объекта - указать:
-
■ Форма объекта.................................................................................плоскость
■Тип шва............................................................................................кольцевой
-
■ Диаметр, мм.................................................................................................0,0
-
■ Толщина стенки, мм..............................согласно паспорту на СО-ЗР (59,0)
-
■ Скорость распространения продольных волн согласно паспорту на СО-ЗР (5,90) мм/мкс
-
■ Скорость распространения сдвиговых волн согласно паспорту на СО-ЗР (3,23) мм/мкс
-
■ Коэффициенты затухания не указывать;
о ТИП контроля и обработки данных выбрать - «Измерительный контроль»;
о Система сканирования - выбрать применяемые сканер и Трек нулевой высоты;
о Методические параметры - выбрать из списка созданную ранее методику контроля;
• запустить режим «Настройка», выбрав поле «Настройка» в меню программы, по окончании проверки системы:
о в верхнем меню «Конфигурация» выбрать «Загрузить из шаблона»;
о в пиктографическом меню «Конфигурация» выбрать кнопку «Подключить ПЭП» и выбрать применяемый тип и экземпляр ПЭП, номер канала к которому подключен ПЭП, азимут 0 мм;
о установить в текущем канале временную апертуру от 5 до 100 мкс;
о установить ПЭП в прижим, управляя сканером переместить каретку сканера в положение «рестарт по X»;
о перемещая крепление прижима по направляющей и меру относительно сканера установить заднюю грань ПЭП вровень с полукруглым краем меры;
о перемещая сканер кнопками управления сканера по оси X установить переднюю грань ПЭП н вровень с меткой «0» в центре полукруглой части меры;
о перемещая сканер кнопками управления сканера по оси Y установить середину передней грани ПЭП примерно на 5 мм левее (если смотреть со стороны сканера) центра поперечника меры №ЗР;
о указать в качестве текущего положения ПЭП Х=-141 мм; Y=-5 мм, нажать в группе «Ресет» на кнопку «X»;
о установить зону сканирования X от минус 165 до минус 60 мм, по Y от минус 5 до плюс 5 мм;
о в меню конфигурация выбрать кнопку «Подключить ПЭП» выбрать его тип и номер из списка (предварительно ПЭП должен быть откалиброван в программе калибровки), и убедиться в наличии сигнала на экране;
о нажать на кнопку ВРЧ и убедиться, что ВРЧ выключено;
о перемещая ПЭП управлением сканера по оси X в районе от минус 140 до минус 100 мм найти положение, где сигналы боковых отверстий достигают максимума, в этом положении изменяя коэффициент усиления, установить уровень максимума сигнала на уровне 80 %;
о запустить режим контроля, выбрав поле «контроль» в меню программы:
-
■ нажать кнопку «Старт», наблюдать за отображением А-сканов в процессе сканирования (отражатели на А-сканах отображаются в виде узких наклонных областей повышенной амплитуды);
-
■ по окончании сканирования нажать кнопку «Анализ данных»;
-
■ в запущенной программе «Анализ данных»
-
■ на снятых А-сканах выбрать обработку «IICII-2D»;
■выполнить обработку, по окончании обработки открыть полученное изображение,
-
■ на сложенном В-виде найти изображения двух боковых отверстий, на каждом из них:
-
■ навести определить глубину максимума центра изображения отверстия;
-
• найти максимум измерением отсечки изображения - установить отсечку на уровне, когда останется только один «пиксель» изображения, применив курсор определить положение максимума изображения по осям X и Z.
-
• уменьшить уровень отсечки на 6 дБ;
-
• применением курсоров измерить размеры изображения АХ и AZ по осям X и Z;
-
8.4.7.5 Зафиксировать значения координат дефектов, соответствующих глубине h, мм.
-
8.4.7.6 Для блока системного ДУМ.СК26 провести процедуру нахождения максимума эхо-сигнала от отражателей меры №ЗР на глубине 53 и 51 мм при помощи прямого ПЭП, и зафиксировать значения этих максимумов на временной развертке t, мкс.
-
8.4.7.7 Рассчитать значение глубины h залегания дефектов для блока системного ДУМ.СК26 по формуле 7:
h = Q - t0) ■ с, мм (7)
где to - время задержки в призме ПЭП, значение берется из базы данных по калибровке преобразователей.
с - скорость распространения продольных УЗ волн в мере, указано в свидетельстве о поверки на меру, м/с
-
8.4.7.8 Рассчитать абсолютную погрешность измерений глубины залегания дефектов по формуле 8:
Д/i = h3 — h, мм (8)
где Ьэ - номинальные значения глубины отверстий в мере №ЗР из комплекта мер ККО-3, приведенные в свидетельстве о поверке меры.
-
8.4.7.9 Система считается прошедшей операцию поверки с положительным результатом, если пределы допускаемой абсолютной погрешности измерений глубины залегания дефектов 0 2 мм в мере №ЗР на глубинах 53 мм и 51 мм не более ± 1 мм
-
9.1 Результаты измерений заносятся в протокол (приложение 1).
-
9.2 Системы, прошедшие поверку с положительным результатом, признаются годными и допускаются к применению. На них выдается свидетельство о поверке установленной формы и наносят знак поверки согласно Приказу Министерства промышленности и торговли Российской Федерации №1815 от 02.07.2015г. «Об утверждении Порядка проведения поверки средств измерений, требования к знаку поверки и содержанию свидетельства о поверке».
-
9.3 Системы, прошедшие поверку с отрицательным результатом, признаются непригодными, не допускаются к применению. Свидетельство о предыдущей поверке и (или) оттиск поверительного клейма аннулируют и выписывают «Извещение о непригодности» с указанием причин в соответствии с требованиями Приказа
Министерства промышленности и торговли ’ №1815 от 02.07.2015г.
Начальник отдела ФГУП «ВНИИОФИ»
Начальник сектора ФГУП «ВНИИОФИ»
Инженер 2 категории ФГУП «ВНИИОФИ»

А. В. Стрельцов
П. С. Мальцев
В .Иванов

ПРИЛОЖЕНИЕ 1 к Методике поверки «Системы автоматизированного ультразвукового контроля АВУГР-Т»
ПРОТОКОЛ
первичной / периодической поверки от «_______»____________201__года
Средство измерений: Системы автоматизированного ультразвукового контроля______
(Наименование СИ, тип (если в состав СИ входит несколько автономных блоков
___________________АВГУР-Т_______________
то приводят их перечень (наименования) и типы с разделением знаком «косая дробь» /)
Зав.№ №/№____________________________________________
Заводские номера блоков
Принадлежащее____________________________
Наименование юридического лица, ИНН
Поверено в соответствии с методикой поверки «Системы автоматизированного ультразвукового контроля АВГУР-Т. Методика поверки МП .Д4-17», утвержденной
ФГУП «ВНИИОФИ» 2017 года.__________________
Наименование документа на поверку, кем утвержден (согласован), дата
С применением эталонов _______________________________________
(наименование, заводской номер, разряд, класс точности или погрешность)
При следующих значениях влияющих факторов:
(приводят перечень и значения влияющих факторов, нормированных в методике поверки)
-
- температура окружающего воздуха, °C от +15 ДО +35
-
- относительная влажность воздуха, % от 20 ДО 80
-
- атмосферное давление, кПа от 94 ДО 106
Получены результаты поверки метрологических характеристик:
Характеристика |
Результат |
Требования методики поверки |
Рекомендации_____________________________________________
Средство измерений признать пригодным (или непригодным) для применения
Исполнители:______________________________________________________________
_________________________________________подписи, ФИО, должность
29