Методика поверки «Элементы чувствительные ЭТ и датчики термические ДТ » (ИП 413531.025)
УТВЕРЖДАЮ
«ВНИИМС»
Н. В. Иванникова
аместитель директора по
{дственнон метрологии
2019 г.
Методика поверки
ИП 413531.025 г. Москва
2019 г.
Настоящая методика распространяется на элементы чувствительные ЭТ и датчики термохимические ДТ (далее по тексту ЭТ и ДТ) ООО «Агропромтэкс». г. Смоленск, и устанавливает методику их первичной поверки.
Интервал между поверками - первичная поверка до ввода в эксплуатацию.
I ОПЕРАЦИИ ПОВЕРКИ.1.1 При проведении поверки выполняют операции, указанные в таблице 1. Таблица 1
|
Наименование операции |
Номер пункта мето дики |
|
Внешний осмотр |
6.1 |
|
Опробование - измерение сопротивления R?ooc элементов в нормальных условиях |
6.2 6.2.1 |
|
- измерение падения напряжения 1Ь на каждом чувствительном элементе при рабочем токе 1р |
6.2.2 |
|
- определение разности падения напряжений AU на элементах |
6.2.3 |
|
Определение метрологических характеристик: - определение основной абсолютной погрешности коэффициента пропорциональности Кп |
6.3 6.3.1 |
|
- определение времени установки выходного сигнала То.9 |
6.3.2 |
|
- проверка влияния изменений температуры окружающей среды на разбаланс нуля ЛК и коэффициент пропорциональности Кп |
6.3.3 |
2 СРЕДСТВА ПОВЕРКИ
-
2.1 При проведении поверки применяют:
-
- ГСО 11049-2018 состава искусственной газовой смеси в воздухе (Аи-МГПЗ-1):
-
- ГСО 10703-2015 состава искусственной газовой смеси в воздухе (Air-МЗ-1):
-
- поверочный нулевой газ (ПНГ) воздух марки «Б», ТУ 6-21-5-82;
-
- вольтметр универсальный цифровой В7, 22А Х62.710.014 ТУ;
-
- омметр цифровой Щ 34. 25-04-3002-75 ТУ:
-
- источник постоянного тока В5. 50 3.233.220 ТУ:
-
- секундомер типа СОС-пр-2б-2-ОЮ. 25-1894.003-90 ТУ:
-
- ротаметр РМ-А-0.063Г. ТУ 25-02.070213-82;
-
- вентиль точной регулировки АПИ4. 463.006;
-
- стакан АПИ6.210.026:
-
- трубка поливинилхлоридная 6x1,5. ТУ6-01-2-73:
-
- резисторы типа С2-29 (см. рис. 6.1), ОЖО.467.130 ТУ:
-
- резисторы типа СП5-35 (см. рис. 6.1) ОЖО.468.529 ТУ:
-
- климатическая камера типа СМ 30/100-80 ТХ.
Допускается применение аналогичных средств поверки, обеспечивающих определение метрологических характеристик поверяемых СИ с требуемой точностью.
3 ТРЕБОВАНИЯ БЕЗОПАСНОСТИ-
3.1 При проведении первичной поверки должны соблюдаться требования, приведенные в п. 1.7 Технических условий 413531.025 «Элементы чувствительные ЭТ и датчики термохимические ДТ ».
-
4.1 Все операции поверки, кроме оговоренных особо, проводят при следующих условиях:
-
- температура окружающей среды, °C от 15 до 25
-
- относительная влажность при t=+35 °C. % до 95
-
- атмосферное давление, кПа от 83,9 до 106.6
мм рт.ст. от 630 до 800
-
- расход ПГС при всех поверках, л/ч, не менее 48±5.
-
5.1 Перед проведением поверки должны быть выполнены следующие работы.
-
1) Комплектование выборки по ГОСТ 18321-73 проводится методом случайного отбора в объеме не более 10% из числа ЭТ и ДТ. принятых ОТК предприятия-изготовителя.
-
2) Если ЭТ и ДТ находились в условиях, резко отличающихся от рабочих, их подготовку к работе следует начинать после выдержки в нормальных условиях в течение 24 часов.
-
6.1 Внешний осмотр
-
6.1.1 Поверка соответствия конструкторской документации, габаритных размеров, маркировки и упаковки производится путем проверки соответствия образцов ЭТ и ДТ конструкторской документации.
-
-
6.2 Опробование
-
6.2.1 Измерение сопротивления R.2o°c в нормальных условиях
-
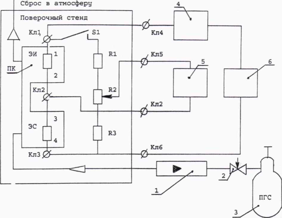
Сопротивление измеряют с помощью омметра на выводах Кл1 и Кл2. Кл2 и КлЗ рис.1.
Комплект ЭТ или датчик ДТ считается выдержавшим поверку, если полученные значения сопротивления соответствуют значениям, приведенным в таблице 2.
-
6.2.2 Измерение падения напряжения U, на каждом чувствительном элементе при рабочем токе 1р.
Измерение падения напряжения на чувствительных элементах выполняют на стенде, собранном по схеме, согласно рис. 1. Приложение 1. При этом тумблер S1 выключен.
Комплект ЭТ или ДТ устанавливают в стенд. Выставляют по амперметру 4 рабочий ток 1р регулировкой источника тока 6 согласно таблице 2 в зависимости от типа проверяемого комплекта ЭТ или ДТ.
Продувают реакционную камеру стенда чистым воздухом ПГС № 1 в течение 1 минуты. После окончания продувки выдерживают комплект ЭТ или ДТ при рабочем токе в течение 1 минуты.
Измеряют на выводах каждого элемента Кл1, Кл2 и Кл2, КлЗ падение напряжения.
Элементы считаются выдержавшими испытания, если падение напряжения на каждом элементе находится в заданных пределах в соответствии с таблицей 2.
-
6.2.3 Определение разности падений напряжения AU на элементах.
Разницу падений напряжений на элементах AU (начальный небаланс) определяют как разность падений напряжения на рабочем и сравнительном элементе, входящих в комплект ЭТ и ДТ.
Комплект ЭТ или Д1 считается выдержавшим поверку, если разница падений напряжения на элементах (начальный небаланс) не превышает значений, указанных в таблице 2.
Таблица 2
|
Обозначение |
Конструктивные особенности |
R20 °с» Ом |
иэ.в |
ди, мВ, не более |
1р, мА |
То.9, С, не более |
|
ЭТ8.571 |
Комплект элементов ЭИ и ЭС |
3.25±0,25 |
3±0,35 |
50 |
320±3 |
30 |
|
ЭТ9.301 |
Комплект элементов ЭИ и ЭС |
4,15±0.15 |
1,65±0.15 |
30 |
165±1 |
30 |
|
ДТ9.301 |
Комплект элементов ЭИ и ЭС закрепленных на общем основании |
4,15±0,15 |
1,65±0.15 |
30 |
165±1 |
30 |
|
ЭТ12.591 |
Комплект элементов ЭИ и ЭС |
0.72±0,045 |
0,76±0.06 |
10 |
380±5 |
30 |
|
ЭТ12.591-01 |
Комплект элементов ЭИ и ЭС |
0,72±0.045 |
1,2±0,1 |
10 |
500±5 |
30 |
|
ЭТ12.591-02 |
Комплект элементов ЭИ и ЭС |
1,06±0.03 |
0,36±0.03 |
10 |
185±5 |
30 |
|
ЭТ10.351 |
Комплект элементов ЭИ и ЭС |
1,7±0.1 |
1,0±0,1 |
30 |
240±5 |
30 |
|
ЭТ3.301 |
Комплект элементов ЭИ и ЭС |
4.15±0,15 |
1,65±0.15 |
30 |
165±1 |
30 |
|
ДТ14.301 |
Комплект элементов ЭИ и ЭС закрепленных на общем основании |
4.15±0,15 |
1.65±0.15 |
30 |
165±1 |
30 |
|
Примечания: 1 ’ R20 °с - сопротивление ЭИ и ЭС в нормальных условиях. Ом;
| ||||||
-
6.3 Определение- метрологических характеристик
-
6.3.1 Определение основной абсолютной погрешности коэффициента пропорциональности Кп
-
6.3.1.1 Определение коэффициента пропорциональности Кп комплекта ЭТ и ДТ.
-
-
Определение коэффициента пропорциональности Кп комплекта ЭТ и ДТ в нормальных условиях выполняют на стенде, собранном по схеме согласно рис.1 Приложение 1 с использованием ПГС. приведенных в таблице 3. в зависимости от типа проверяемого комплекта ЭТ и ДТ. Переключатель S1 замкнул. Комплект ЭТ и ДТ устанавливают в стенд. Устанавливают рабочий ток моста 1р по амперметру 4 регулировкой источника тока 6 в зависимости от типа проверяемого комплекта ЭТ или ДТ. Подают ПГС № 1 в поверочную камеру и по истечении 1 минуты резистором R2 устанавливают баланс мостовой схемы по вольтметру с точностью ±1 мВ. Подают ПГС № 2. По истечении 1 минуты регистрируют показания вольтметра 5 и определяют разбаланс измерительного моста AUM.
Коэффициент пропорциональности Кп комплекта ЭТ или ДТ по смеси метана в воздухе определяют по формуле где С - объёмная доля метана в смеси метан-воздух. % НКПР.


Аналогичным образом определяют коэффициенты пропорциональности Кв. Кп конкретных типов ЭТ и ДТ по смесям водорода в воздухе, пропана в воздухе.
Основную абсолютную погрешность Кп для каждого типа ЭТ и ДТ определяют как разность полученных значений коэффициентов пропорциональности Км, Кп. Кв и их нормированных значений, приведенных в таблице 3.
Комплект ЭТ или ДТ считается выдержавшим поверку, если полученные значения коэффициентов пропорциональности Кп и их абсолютная погрешность соответствуют значениям, приведенным в таблице 3 для конкретного типа ЭТ или ДТ.
Таблица 3
|
№ ПГС |
гсо-пгс |
Компонентный состав |
Номинальное значение |
Объемная доля. %. (% НКПР) | |
|
Абсолютная погрешность приготовления |
Абсолютная погрешность аттестации | ||||
|
1 |
ПНГ (воздух) |
— |
— |
- | |
|
2 |
11049-2018 |
метан-воздух |
1.982 (45) |
±0,2 (4,5) |
±0.05(1,1) |
|
3 |
11049-2018 |
пропан-воздух |
0,495 (84) |
±0,05 (2,9) |
±0.05(1,3) |
|
4 |
10703-2015 |
водород-воздух |
0.520(13) |
±0,1 (2.5) |
±0,05(1,2) |
-
6.3.2 Проверка времени установления показаний Т0.9.
Проверку времени установления показаний Т0.9 выполняют на стенде рис.1 Приложение 1 с одновременным включением секундомера в момент подачи ПГС и отключением его при выходе сигнала на уровень 90 % от максимального.
Комплект ЭТ или датчик ДТ считаются выдержавшими поверку, если полученные значения То,9 соответствуют значениям, приведенным в таблице 2.
-
6.3.3 Проверка влияния изменений температуры окружающей среды на разбаланс нуля ЛК и коэффициент пропорциональности Кп
-
6.3.3.1 Проверка изменения начального разбаланса нуля А К и коэффициента пропорциональности Кп производится в камере тепла и холода.
-
Допустимые отклонения при изменении температуры приведены в таблице 4.
Поверочный стенд собранный по рис.1 Приложение 1 помещают в камеру тепла и холода.
Все измерительные приборы, источник постоянного тока и ПГС помещают вне камеры. Переключатель S1 устанавливают в замкнутое состояние. Включают источник постоянного тока и регулировкой источника постоянного тока устанавливают рабочий ток 1р для конкретного комплекта ЭТ или датчика ДТ согласно таблице 2. Через поверочную камеру пропускают ПГС № 1 в течение 15 минут и производят балансировку моста, устанавливая AU = 0 резистором R2 по вольтметру с точностью ±1 мВ. Затем, пропуская ПГС согласно таблице 3, определяют коэффициент пропорциональности Кп по 6.3.1.1.
Таблица 4
|
Обозначение |
Коэффициент пропорциональности Кп комплекта ЭТ, ДТ, мВ/% НКПР, не менее |
Изменение раз-баланса нуля, ДК мВ/% НКПР, не более |
Параметры ПГС | |
|
Компонентный состав |
Номер ПГС | |||
|
ЭТ8.571 |
3,0 |
±1.0 |
метан-воздух |
№2 |
|
ЭТ9.301 |
3,8 |
±1,0 |
метан-воздух |
№2 |
|
ДТ9.301 |
3,8 |
±1,0 |
метан-воздух |
№2 |
|
ЭТ12.591 |
1,35 |
±0.5 |
пропан-воздух |
№3 |
|
ЭТ12.591-01 |
1,8 |
±0.6 |
метан-воздух |
№2 |
|
ЭТ12.591-02 |
1.86 |
±0,6 |
водород- воздух |
№4 |
|
ЭТ10.351 |
2,5 |
±0,8 |
метан-воздух |
№2 |
|
ЭТ3.301 |
3,8 |
±1,0 |
метан-воздух |
№2 |
|
ДТ14.301 |
3.8 |
±1,0 |
метан-воздух |
№2 |
-
6.3.3.2 Температуру в камере понижают до минус 10 °C и выдерживают в течение 20 минут при постоянной подаче ПГС № 1. Затем милливольтметром 5 измеряют начальный разбаланс нуля и напряжения с выхода моста при подаче ПГС и определяют коэффициент пропорциональности по формуле

где АО w - показания с выхода моста при подаче ПГС,
ДС/0 - начальный небаланс моста.
Температуру в камере повышают до плюс 50 °C и выполняют операции по 6.3.3.2.
Комплект ЭТ или датчик ДТ считается выдержавшим поверку, если его начальный разбаланс и коэффициент пропорциональности не превышают значений, указанных в таблице 4.
7 ОФОРМЛЕНИЕ РЕЗУЛЬТАТОВПОВЕРКИ.-
7.1 Результаты поверки элементов и датчиков заносят в протокол произвольной формы.
-
7.2 Положительные результаты поверки элементов и датчиков оформляют выдачей свидетельства в соответствии с Порядком проведения поверки средств измерений, требования к знаку поверки и содержанию свидетельства о поверке (утв. приказом Минпромторга России № 1815 от 02.07.2015 г.).
-
7.3 Элементы и датчики, не удовлетворяющие требованиям настоящей методики, к эксплуатации не допускаются. Элементы и датчики изымают из обращения. Свидетельство о поверке изымают и выдают извещение о непригодности с указанием причин в соответствии с Порядком проведения поверки средств измерений, требования к знаку поверки и содержанию свидетельства о поверке (утв. приказом Минпромторга России № 1815 от 02.07.2015 г.).
С.В.Вихрова
В.С. Радюхин
Начальник отдела 205 ФГУП «ВНИИМС»
Старший научный сотрудник ФГУП "ВНИИМС
Приложение 1

Рис. 1 Схема стенда проверки метрологических характеристик элементов чувствительных ЭТ и датчиков термохимических ДТ
ЭИ, ЭС - комплект ЭТ или ДТ;
S1 - переключатель ТВ 1 - 2;
R1. R.3 - резисторы типа С2-29;
R.2 - резистор типа СП5-35;
-
1 - ротаметр РМ-А-1 -0.063Г;
-
2 - вентиль точной регулировки;
-
3 - баллон с поверочной смесью;
-
4 - миллиамперметр постоянного тока типа В7-22;
-
5 - милливольтметр постоянного тока типа В7-22;
-
6 - источник постоянного тока типа Б5-50;
ПК - поверочная камера.
