Методика поверки «Государственная система обеспечения единства измерений Контроллеры измерений сопротивления изоляции дистанционные КИД-И» (ЕРКФ.411131.001МП)
Федеральное бюджетное учреждение «Государственный региональный центр стандартизации, метрологии и испытаний в Свердловской области» (ФБУ «УРАЛТЕСТ»)
УТВЕРЖДАЮ
Заместитель генерального директора СТ» по метрологии, бы по обеспечению «УРАЛТЕСТ»

.М. Суханов
2019 г.
Государственная система обеспечения единства измерений
Контроллеры измерений сопротивления изоляции дистанционные КИД-И
Методика поверки
ЕРКФ.411131.001МП г. Екатеринбург 2019
ВВЕДЕНИЕНастоящая методика поверки устанавливает методы и средства первичной и периодических поверок контроллеров измерений сопротивления изоляции дистанционных КИД-И (далее - контроллеры или КИД-И), изготавливаемых АО «НПЦ «Промэлектроника».
Контроллеры предназначены для измерений сопротивления изоляции кабелей, применяемых в устройствах железнодорожной автоматики и телемеханики, и передачи полученных значений в диагностические системы или системы верхнего уровня.
Интервал между поверками - 3 года.
1 ОПЕРАЦИИ ПОВЕРКИ-
1.1 При проведении поверки должны выполняться операции, указанные в таблице 1.
Таблица 1 - Операции поверки
№ п/п |
Наименование операции |
Номер пункта методики |
Проведение операций при | |
первичной поверке |
периодической поверке | |||
1 |
Внешний осмотр |
7.1 |
+ |
+ |
2 |
Опробование |
7.2 |
+ |
+ |
3 |
Подтверждение соответствия программного обеспечения (ПО) |
7.3 |
+ |
• + |
4 |
Определение приведённой погрешности измерений сопротивления изоляции |
7.4 |
+ |
+ |
2 СРЕДСТВА ПОВЕРКИ
-
2.1 При проведении поверки должны применяться средства поверки, указанные в таблице 2.
Таблица 2 - Средства поверки
Номер пункта методики поверки |
Наименование и тип основного или вспомогательного средства поверки; обозначение нормативного документа, регламентирующего технические требования, и (или) метрологические и основные технические характеристики средства поверки |
7.2, 7.4 |
Рабочий эталон 3-го разряда по Приложению к приказу Федерального агентства по техническому регулированию и метрологии от 15 февраля 2016 г. № 146 Государственная поверочная схема для средств электрического сопротивления - магазин сопротивления Р40108, от 100 кОм до 1 ГОм, КТ 0,02. |
-
2.2 Допускается применение аналогичных средств поверки, обеспечивающих определение метрологических характеристик поверяемых средств измерений с требуемой точностью.
-
2.3 Средства измерений, указанные в таблице 2, должны быть поверены.
-
2.4 Периодическая поверка может быть выполнена непосредственно на объекте эксплуатации с использованием примененных в проекте схемы включения КИД-И и средств отображения результатов измерений.
-
3.1 К проведению поверки допускаются лица, имеющие необходимую квалификацию, изучившие настоящую методику, руководство по эксплуатации контроллеров и средств поверки и имеющие квалификационную группу допуска по электробезопасности не ниже III при работе с электроустановками до 1000 В.
-
4.1 При проведении поверки необходимо соблюдать требования безопасности, которые предусмотрены правилами по охране труда при эксплуатации электроустановок (утверждены приказом Министерства труда и социальной защиты РФ № 328Н от 24.07.2013 г.), указания по технике безопасности, приведенные в эксплуатационной документации на контроллер и средства поверки.
-
5.1 При проведении поверки должны соблюдаться следующие условия:
-
- температура окружающего воздуха, °C............................................от 15 до 25;
-
- относительная влажность воздуха, %...............................................от 30 до 80;
-
- атмосферное давление, кПа....................................................от 84,0 до 106,7.
-
6.1.1 Подготовить контроллер и средства поверки к работе в соответствии с требованиями эксплуатационных документов.
-
6.1.2 При проведении периодической поверки на месте эксплуатации контроллера используется действующие схема подключения КИД-И и средства отображения результатов (АРМ ШН или аналог). Перед проведением поверки необходимо отключить измеряемые в процессе эксплуатации цепи от котроллера. Периодическую поверку на месте эксплуатации необходимо выполнять под руководством представителя эксплуатирующей данный контроллер организации. Отключение и подключение после окончания поверки измеряемых в процессе эксплуатации цепей от контроллера должен выполнять только уполномоченный представитель эксплуатирующей организации.
-
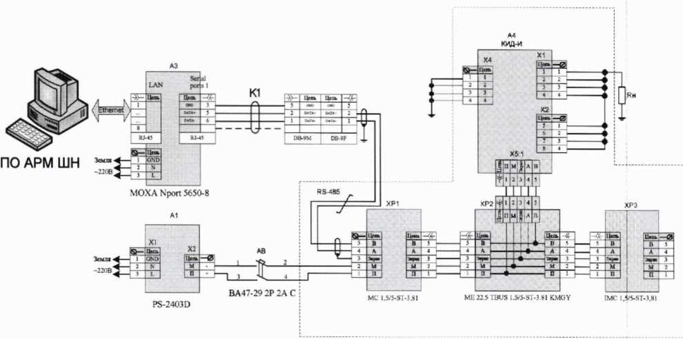
6.1.3 Для выполнения первичной поверки или периодической поверки не на месте эксплуатации контроллера необходимо собрать схему, приведенную на рйсунке А.1 приложения А. С помощью конвертера интерфейсов RS-485/RS-232 подключить к контроллеру персональный компьютер (далее - ПК) с установленным программным обеспечением автоматизированного рабочего места электромеханика АРМ ШН (далее - ПО АРМ ШН). Установить базовый адрес контроллера 0x01. Для этого первый переключатель базового адреса контроллера на передней панели установить в положение «ON», а остальные переключатели - в положение «OFF».
-
7.1 Внешний осмотр
-
7.1.1 При внешнем осмотре должно быть установлено:
-
-
- соответствие комплектности и внешнего вида эксплуатационной документации;
-
- правильность маркировки и четкость нанесения обозначений;
-
- отсутствие механических повреждений, влияющих на работоспособность контроллера;
-
- наличие и прочность крепления разъемов;
-
- отсутствие следов коррозии, отсоединившихся или слабо закрепленных элементов.
-
7.1.2 Контроллеры, не удовлетворяющие перечисленным требованиям, дальнейшей поверке не подлежат.
-
7.2 Опробование
-
7.2.1 Включить электропитание контроллера и запустить на ПК ПО АРМ ШН. После запуска ПО во вкладке «Измерения» навести указатель «мыши» на пиктограмму КИД-И, нажать правую кнопку «мыши» и в выпадающем меню выбрать пункт «Показать таблицу значений» (см. рисунок 1).
Рисунок 1
-
-
7.2.2 Откроется окно результатов измерений, как показано на рисунке 2. В окне результатов измерений отображаются все подключенные цепи и номера каналов контроллера, к которым они подключены, текущие значения результатов измерений сопротивления изоляции в каждой цепи в МОм и пиктограммы включения/выключения графиков результатов измерений.
-
7.2.3 При отсутствии подключенного к измерительным каналам контроллера сопротивления для этих каналов в колонке «Значение» должно отображаться значение «2000 МОм», соответствующее разомкнутой цепи.
Т ип контроллера: КИД-И
КИД-И{@1}
м2
liETiiliyra
Наименование
Значение
1 1 'Стр. 2/4
2000,0 МОм
■
12
стр. 6
2000,0 МОм
□ 1
3
стр. 14
2000,0 МОм
□
4
стр. 16
2000,0 МОм
□
1 5
стр. 18
2000,0 МОм
□
6
стр. 20
2000,0 МОм
□
1 7
стр. 22
2000,0 МОм
□
I 8
стр. 24
2000,0 МОм
□
1
- . . ■ ■■
Рисунок 2
-
7.2.4 Подключить эталонное сопротивление к одному или нескольким измерительным каналам контроллера, значение сопротивления для этих каналов в колонке «Значение» должны измениться.
-
7.2.5 Результаты опробования считают положительными, если во вкладке «Измерения» пиктограмма КИД-И зеленого цвета, как показано на рисунке 1, а в таблице результатов измерений отображаются данные в пределах от 0 до 2000 МОм. При отсутствии связи с контроллером пиктограмма КИД-И окрашивается фиолетовым цветом.
-
7.3 Подтверждение соответствия программного обеспечения
-
7.3.1 Подтверждение соответствия ПО осуществляется путем определения его идентификационных данных. Наименование ПО и номер его версии вызывают нажатием кнопки «?» в окне результатов измерений (см. рисунок 2).
-
7.3.2 Наименование ПО и его версия должны совпадать с данными, приведенными в таблице 3 и на рисунке 2.
-
Таблица 3 - Идентификационные данные ПО
Идентификационные данные (признаки) |
Значение |
Идентификационное наименование ПО |
ПО КИД-И |
Номер версии ПО |
5 |
-
7.3.3 Результат проверки считают положительным, если установлено полное соответствие идентификационных данных ПО контроллера.
7.4 Определение приведённой погрешности измерений сопротивления изоляции
-
7.4.1 Определение приведенной погрешности измерений сопротивления изоляции проводят путем имитации сопротивления изоляции, для этого подключают эталонное сопротивление ко входам измерительных каналов контроллера. Допускается объединять все поверяемые каналы и подключать параллельно к одному эталонному сопротивлению.
-
7.4.2 Установить на эталоне последовательно значения сопротивления 1. 35, 70, 110 и 150 МОм и считать в окне результатов измерений (см. рисунок 2) измеренные значения сопротивления изоляции по каждому измерительному каналу хизм, МОм.
-
7.4.3 Приведенную погрешность измерений сопротивления изоляции для каждого измерительного канала контроллера определяют по формуле
(1)
макс
где хэт1 - значение сопротивления, установленное на эталонном приборе, МОм;
хизм - значение сопротивления, измеренное контроллером, МОм; Хмакс- верхний предел диапазона измерений, равный 150 МОм.
-
7.4.4 Результаты поверки считают положительными, если значение приведённой погрешности измерений сопротивления изоляции в каждой точке для каждого измерительного канала не превышает ±2,5 %.
-
8.1 При положительных результатах поверки контроллеры признаются годными и допускаются к применению. Сведения о поверке заносятся в соответствующий раздел паспорта и\или оформляется свидетельство о поверке в соответствии с Приказом Минпромторга России от 02.07.2015 № 1815.
-
8.2 При отрицательных результатах поверки контроллера его признают непригодным к применению и выдают извещение о непригодности в соответствии с Приказом Минпромторга России от 02.07.2015 № 1815.
(обязательное)
Схема подключения контроллера измерений сопротивления изоляции дистанционного КИД-И

I
Рисунок А. 1
Таблица А.1 - Расшифровка обозначений, используемых на рисунке А.1
Обозначение на схеме |
Наименование и обозначение |
Примечание |
А1 |
Лабораторный источник электропитания PS-2403D |
Для подачи плюс (24 ± 3,6) В |
АЗ |
Конвертер интерфейсов МОХА Nport 5650-8 |
Для преобразования интерфейса RS-485 в Ethernet |
К1 |
Кабель Serial Cables for NPort 5650 (2-wire RS-485) RJ45 (8-pins) to Male DB9 |
Поставляется в комплекте с МОХА Nport 5650-8 |
АВ |
Автоматический выключатель BA47-29 2P 2AC | |
ХР1 |
Клемма MC 1,5/5-ST-3,8l | |
ХР2 |
Шинный формирователь ME 22.5 TBUS 1.5/5-ST-3.81 KMGY | |
ХРЗ |
КлеммаIMC l,5/5-ST-3,81 | |
ПК |
Персональный компьютер с программным обеспечением 643.59953480.00006 (АРМ ШН) | |
Rh |
Эталонное сопротивление |