Методика поверки «Контроллеры диагностики сигнальной точки измерительные КДСТ-АС» (59282442.49006.000-01-МП)
УТВЕРЖДАЮ
Заместитель
генерального директора ФБУ «УРАЛТЕСТ» по метрологии,

УТВЕРЖДАЮ
Директор
ООО «ИНФОТЭКС АТ»

КОНТРОЛЛЕРЫ ДИАГНОСТИКИ СИГНАЛЬНОЙ точки ИЗМЕРИТЕЛЬНЫЕ КДСТ-АС
Методика поверки
59282442.49006.000-01-МПЕкатеринбург
2017
Содержание
Настоящая методика распространяется на контроллеры диагностики сигнальной точки измерительные КДСТ-АС и устанавливает методы и средства их первичной и периодической поверок.
Межповерочный интервал - 3 года.
2 Операции поверкиПри проведении поверки выполняют операции, указанные в таблице 1.
Таблица 1 - Операции поверки
|
Наименование операции |
Номер пункта документа по поверке |
Проведение операции при | |
|
Первичной поверке |
Периодической поверке | ||
|
Внешний осмотр |
8.1 |
+ |
+ |
|
Опробование |
8.2 |
+ |
+ |
|
Проверка идентификационных данных ПО |
8.3 | ||
|
Определение погрешности измерений напряжения |
8.4 |
+ |
+ |
Режим измерений КДСТ-АС определяется только настройками программного обеспечения. Входные измерительные цепи контроллера используются одни и те же. Таким образом, при проведении поверки допускается проводить поверку только на постоянном напряжении.
3 Средства поверки-
3.1 При проведении поверки должны быть использованы средства поверки, указанные в таблице 2.
Таблица 2 - Средства поверки
|
Номер пункта документа по поверке |
Наименование и тип средства поверки и его основные характеристики |
|
8.3 |
Калибратор универсальный 9100Е: 0 — 320,000 мВ: ± 0,006 % от UBbiX + 4,16 мкВ; 0,32001 — 3,2000 В: ± 0,006 % от UBblx + 41,6 мкВ; 3,2001 — 32,0000 В ± 0,0065 % от UBblx + 416 мкВ; 32,001 —320,000 В ± 0,0065 % от ивых + 4,48 мВ; 320,01 — 1050 В ± 0,006 % от UBbIX + 19,95 мВ; Калибратор-вольтметр универсальный Н4-12: Предел 1000В; (0,1 Гц - 1 кГц) ±(0,005 + 0,0005) % |
-
3.2 Средства измерений, применяемые для поверки, должны иметь действующие свидетельства о поверке.
-
3.3 Для проведения поверки допускается применение других средств измерений, не приведенных в таблице 2, при условии обеспечения ими необходимой точности измерений.
При проведении поверки должны соблюдаться следующие условия:
-
- температура окружающего воздуха от +15 до +25 °C;
-
- относительная влажность воздуха не более 80 %.
К проведению поверки допускаются лица, аттестованные в качестве поверителей средств измерений электрических величин в порядке, устанавливаемом Росстандартом, и имеющие группы допуска по электробезопасности не ниже III.
6 Требования безопасностиВ целях обеспечения требований по электробезопасности при работе в электроустановках и проведении испытаний, необходимо перед началом поверки подключить защитное заземление.
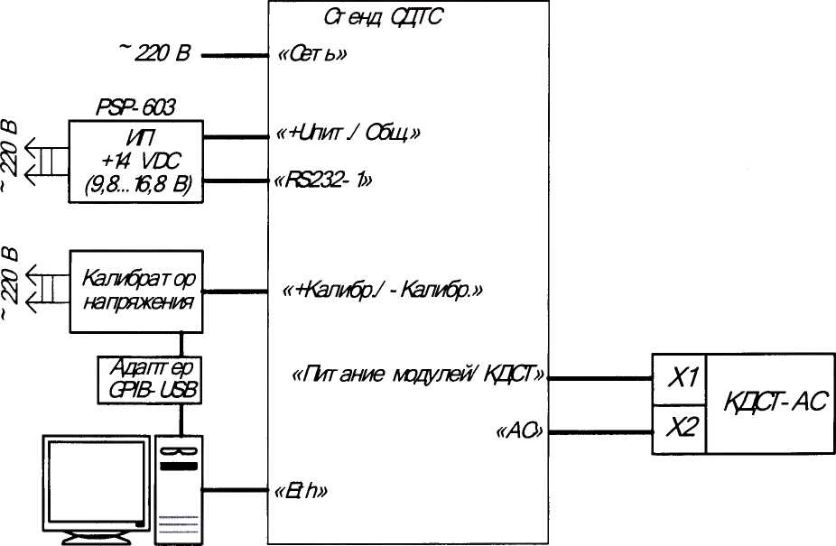
7 Подготовка к поверкеДля проверки функционирования необходимо собрать схему, приведенную на рисунке А. 1 Приложения А. Подключить калибратор напряжения к проверяемому контроллеру. Допускается подключать калибратор параллельно к входам всех каналов одновременно.
-
8 Проведение поверки
Внешний вид контроллера проверяется визуальным осмотром. При осмотре проверяется:
-
• соответствие комплектности и внешнего вида эксплуатационной документации;
-
• правильность маркировки и четкость нанесения обозначений;
-
• отсутствие механических повреждений, загрязнений и сколов краски;
-
• отсутствие следов коррозии, отсоединившихся или слабо закрепленных элементов.
Если хотя бы одно из условий не выполняется, то прибор бракуется, и дальнейшая поверка не производится.
8.2 ОпробованиеПодать питание и запустить программное обеспечение «Стенд СДТС-АПС, СДТС-ЭЦ». Далее ПО должно автоматически соединиться с контроллером, проверить правильность подключения и определить номер версии программного обеспечения контроллера
(см. рисунок 1)


ИГ С I ем/1 СДI С-А! К. >,« ЦIС ЭЦ
Сервис справка
Обновить конф. Поиск модуля I Тест: I Поверка | Протокол Регул | Изи
Конфигурация | Системные сообщения |
|
Параиетр |
’ Значение 1 |
|
Стенд СДТС |
192.168.9.30: scand.dll (1.3.2.1 2016-12-01) |
|
Внутренний ИП |
23: 1пс-1;Ехс-0;Ueec-14100;Uacc-13984;I»ax-010222; |
|
Внешний ИП |
2001: 14.0В (макс.17.0В), ОжА, О.ОВт |
|
Генератор сигналои |
2002: 31» +5.00000002+01,+1.0000OGE-02,+0.ООООООЕ+ОО |
|
Калибратор |
GPIB: FLUKE-9100, Uavecek Ltd,9100,179263350,5.12 |
|
Fas-ьем Х2 (едСТ-СВ) |
У СТрОКСТ Н* |
|
Интерфейс СДТС-ЭЦ |
не |
|
Устройство MODBUS |
2000: 0К |
|
Подключенный модуль |
Тхп:ВДСТ-ЛС(В>, Адрес: 0x08, Версия: 1,0, Изм.:1.0 |
|
Версия модуля |
Версия актуальна |
|
Догр. ионность (внутр.ИП) |
1.10мА [MX-lOOiSmA], Р-0.1Вт (ввх-г.ОВт] |
|
ВНИМАНИЕ: | |
|
При тестировании нодулей | |
|
ед СТ •• АС, кд ст -д с, ед СТ -ФД, ЕД СТ - F л | |
|
все контакты переключателя SW1 «Адрес» | |
|
требуется установить ь положение "ON”' |
17:24 22 02 2017
Рисунок 1 - Диалоговое окно при проверке правильности подключения контроллера
При отсутствии связи с контроллером в графе «Подключенный модуль» будет отображаться ошибка.
Если хотя бы одна операция не может быть выполнена, то прибор бракуется и дальнейшая поверка не производится.
8.3 Проверка идентификационных данных ПО
Идентификационные данные ПО КДСТ-АС приведены в строке «Подключенный модуль» программы. Наименование ПО и номер его версии должны совпадать с указанными в таблице 3.
Таблица 3 - Идентификационные данные ПО КДСТ-АС.
|
Идентификационные признаки |
Значение |
|
Идентификационное наименование ПО |
КДСТ-АС (В) |
|
Номер версии (идентификационный номер) ПО |
1.0 |
|
Файл, содержащий метрологически значимую часть ПО |
kdst ab v4 6 fl prod.hex |
В окне ПО «Стенд СДТС-АПС, СДТС-ЭЦ» нажать кнопку «Поверка». Выбрать вариант исполнения установленного субмодуля для каждого из каналов (см. рисунок 2).
ПО «Стенд СДТС-АПС, СДТС-ЭЦ», управляющее работой эталонного калибратора, в автономном режиме генерирует необходимую последовательность сигналов и считывает результаты измерений модулей, определяя относительные погрешности измерений напряжения постоянного тока, импульсного напряжения постоянного тока, действующего значения напряжения переменного тока и амплитудно-манипулированного напряжения переменного тока.
После проведения измерений нажать кнопку «Протокол».
|
Обновить конф. | Поиск модуля [ | ||
|
Тест |
| Поверка | |
|
Конфигурация Поверка модуля "КДСТ-АС(В)" |
Системные ct | |
|
Параметр |
] Зиачеми | |
h 1ов<*рки модуля КД< Г
Тест пгтаюш мохуяя "К1СТ-1С(В)*:
Г Модуль для ЗИП
Исполнение каналов модуля
Сер. модуля:
|
Канал 1 |
|о.з В | |
|
Канал 2 |
Il 5В |
Ц |
|
Канал 3 |
|6В | |
|
Канал 4 |
[Ив |
ч |
|
-Чс.зв | ||
|
■1.5 В | ||
|
Чбв,, |
р Информация о модуле
Сер. N» контроллера:

иоов в.1 во ЗВГ) 6 ВО ю во 15 ВО 30 во «О ВО юо во 200 ВО 400 вг:

Рисунок 2 - Выбор измеряемых параметров для поверки контроллеров КДСТ-АС
Погрешность испытуемых каналов определяется методом прямых измерений путем подачи на входы каналов эталонного напряжения. Стенд СДТС устанавливает требуемое напряжение на выходе калибратора, считывает показания КДСТ-АС и отображает на экране.
Допускается поверка методом прямой подачи напряжения от калибратора на входы КДСТ-АС и считывания показаний через пульт ПТ-03. Подключение в этом случае осуществляется в соответствии с руководством по эксплуатации 45602127.49006.000-01-РЭ. Для каждого испытуемого канала в каждой точке диапазона измерений рассчитать относительную погрешность по формуле:
£п = -100%, (1), хэт
где хзт - действительное значение измеряемого напряжения;
хизм - измеренное значение напряжения.
Поверку проводить при следующих значениях напряжения: (0,05—0,1)-ид; (0,2—0,3) Ua; (0,4—0,6)-ид; (0,7—0,8)-ид; (0,9—1,0)-ид, где ид - верхняя граница диапазона измерений напряжения постоянного тока контроллера.
Относительная погрешность измерений напряжения постоянного тока и импульсного напряжения постоянного тока не должна превышать ±1,5 %, действующего значения напряжения переменного тока - ±2,5 %, амплитудно-манипулированного напряжения переменного тока - ±5 %. В противном случае прибор бракуется и дальнейшая поверка не продолжается.
9 Оформление результатов поверкиРезультаты поверки, фиксируются в протоколе.
Рекомендуемая форма протокола приведена в приложении Б. Допускается оформлять результаты в общем протоколе с другими типами контроллеров КДСТ.
При положительном результате первичной поверки в этикетку модуля вносится запись с указанием даты поверки и наносится поверительное клеймо.
При положительных результатах поверки оформляют Свидетельство о поверке в соответствии с приложением 1 к Порядку проведения поверки средств измерений, требований к знаку поверки и содержанию свидетельства о поверке, утверждённому приказом Минпромторга России от 02.07.2015 г. № 1815.
При отрицательных результатах поверки оформляют извещение о непригодности к применению в соответствии с приложением 2 к Порядку проведения поверки средств измерений, требований к знаку поверки и содержанию свидетельства о поверке, утверждённому приказом Минпромторга России от 02.07.2015 г. № 1815.
Приложение А(обязательное)


Рисунок А.1 - Схема поверки контроллера КДСТ-АС
Приложение Б
(рекомендуемое)
Форма протокола поверки
Протокол №________от___________
поверки контроллера КДСТ по 59282442.49006.000-01-МП "Контроллеры диагностики сигнальной точки измерительные КДСТ-АС. Методика поверки"
-
2. Принадлежит: ООО "ИНФОТЭКС АТ"
-
3. Средства поверки:
-
4. Условия проведения поверки:
-
5. Результат внешнего осмотра:
-
6. Результаты опробования:
-
7. Результат проверки идентификационных данных ПО:
-
8. Результаты определения погрешности:
Таблица Б.1
|
Код кан. |
Заданное напряжение, В |
Результаты измерений напряжения, В |
Допустимое значение погрешности измерения, В (±1,5%) |
Допускаемые пределы измерения, В |
Заключение о результате поверки | |||
|
1 |
2 |
3 |
4 | |||||
|
Канал 1 | ||||||||
|
(0,05—0,1)-ид | ||||||||
|
(0,2—0,3)-ид | ||||||||
|
(0,4—0,6)-ид | ||||||||
|
(0,7—0,8)-ид | ||||||||
|
(0,9—1,0)-ид | ||||||||
|
Канал 2 | ||||||||
|
• » • | ||||||||
Вывод:
Поверитель:_______________,
8
