Методика поверки «Блоки питания и сигнализации БПС-21М» (ИБЯЛ.411111.042 МП)
СОГЛАСОВАНО
УТВЕРЖДАЮ
Руководитель
Генеральный директор


БЛОКИ ПИТАНИЯ И СИГНАЛИЗАЦИИ
БПС-21М
Методика поверки
ИБЯЛ.411111.042 МП
Начальник ОМ - главный метролог
ФГУП СПО «Аналитприбор»

Ю. В. Гращенков
ведущий инженер
Л. Л. Ужегова
Настоящая методика поверки распространяется на блоки питания и сигнализации БПС-21М (в дальнейшем - блоки) и устанавливает методику первичной (при выпуске из производства, после ремонта) и периодической поверки в процессе эксплуатации.
Межповерочный интервал - 12 месяцев.
-
1 Операции поверки
-
1.1 При проведении поверки должны быть выполнены операции в соответствии с таблицей 1.1.
-
Таблица 1.1
Наименование операции |
Номер пункта методики поверки |
Проведение операции при поверке | |
первичной |
периодической | ||
1 Внешний осмотр |
6.1 |
Да |
Да |
2 Опробование: |
6.2 | ||
- проверка выполняемых функций; |
6.2.1 |
Да |
Да |
- определение электрического сопротивления | |||
изоляции; |
6.2.2 |
Да |
Нет |
- проверка электрической прочности изоляции; |
6.2.3 |
Да |
Нет |
- проверка параметров искробезопасных цепей. | |||
Проверка выходных напряжений блока |
6.2.4 |
Да |
Да |
3 Определение метрологических характеристик: |
6.3 | ||
- определение основной относительной | |||
погрешности преобразования входного унифицированного токового сигнала в выходной унифицированный токовый сигнал (только для исполнения с выходным токовым сигналом); |
6.3.1 |
Да |
Да |
- определение основной относительной | |||
погрешности преобразования входного токового сигнала в показания индикатора (только для исполнения с цифровой индикацией); |
6.3.2 |
Да |
Да |
- определение основной относительной | |||
погрешности срабатывания пороговых | |||
устройств. |
6.3.3 |
Да |
Да |
Примечание - Операции по пп. 6.2.2 и 6.2.3 проводятся только при выпуске из производства или после ремонта устройств, влияющих на взрывозащищенность блока.
-
1.2 При получении отрицательных результатов при проведении той или иной операции поверка блока прекращается.
-
2 Средства поверки
-
2.1 При проведении поверки должны быть применены средства поверки, указанные в таблице 2.1.
-
Таблица 2.1
Номер пункта методики поверки |
Наименование и тип основного или вспомогательного средства поверки; обозначение нормативного документа, регламентирующего технические требования и (или) метрологические (MX) и основные технические характеристики средства поверки |
4.1 |
Термометр лабораторный ТЛ-2, диапазон измерений (0 - 50)°С, цена деления 0,1°С; ГОСТ 215-73 |
4.1 |
Барометр-анероид М-67 диапазон измерений от 610 до 790 мм рт. ст.; ТУ 25-04-1797-75 |
4.1 |
Психрометр аспирационный электрический М-34, диапазон измерений (10- 100) %; ТУ25-1607.054-85 |
6.2 |
Фольга ДПРХМ 0,050x300 НД АД1 ГОСТ 618-73 |
6.2 |
Мегаомметр Ф 4101 ГОСТ 9038-90, погрешность ± 2,5 %, диапазон измерения (2-20000) МОм |
6.2 |
Универсальная пробойно-испытательная установка УПУ-10М ОН 097 2029-80, переменное напряжение от 0 до 10 кВ |
6.2 6.3 |
Секундомер СОСпр-2б-2; ТУ 25-1894.003-90, 60/60, кл. 2 |
6.2 6.3 |
Лабораторный автотрансформатор регулировочный РНО-250-2; ТУ160517.298-70 |
6.2 6.3 |
Миллиамперметр М2044 ГОСТ 8711-93, кл.0,2 |
6.2 6.3 |
Мультиметр В7-80 МЕРА.411189.001 ТУ |
6.2, 6.3 |
Резистор СП5-35Б-15 кОм±Ю % ОЖО.468.529 ТУ |
6.2, 6.3 |
Резистор ППБ-3-150 Ом |
-
2.2 Все основные средства поверки должны иметь действующие свидетельства о поверке.
-
2.3 Допускается применение других средств поверки, метрологические характеристики которых не хуже указанных.
-
3 Требования безопасности
-
3.1 При проведении поверки должны быть соблюдены требования техники безопасности для защиты персонала от поражения электрическим током при питании от сети переменного тока и требования техники безопасности и производственной санитарии согласно “Правилам по охране труда на предприятиях и в организациях машиностроения” ПОТ РО-14000-001-98, утвержденным департаментом экономики машиностроения министерства экономики РФ 12.03.98.
-
3.2 Поверка блока осуществляется специалистами, знающими правила эксплуатации электроустановок во взрывоопасных зонах, изучившими руководство по эксплуатации согласно исполнению блока и данную методику поверки, аттестованными и допущенными приказом администрации к работе с этими изделиями.
-
3.3 Монтаж и подключение блока должны производиться при отключенном электропитании.
-
-
4 Условия поверки
-
4.1 При проведении поверки должны быть соблюдены следующие условия:
- температура окружающего воздуха
(20 ± 5)° С;
- относительная влажность
(65 ±15)%;
- атмосферное давление
(101,3 ± 4) кПа;
(760 ± 30) мм рт. ст;
- напряжение питания переменного тока
(220 ± 10) В;
-
- механические воздействия, внешние электрические и магнитные поля (кроме поля Земли) должны быть исключены.
Показания снимать через 15с после подачи (изменения) входного сигнала.
-
5 Подготовка к поверке
-
5.1 Перед проведением поверки необходимо выполнить следующие подготовительные работы:
-
-
- ознакомиться с руководством по эксплуатации согласно исполнению и подготовить блок к работе согласно разделу 2 руководства по эксплуатации;
-
- выполнить мероприятия по обеспечению условий безопасности;
-
- подготовить к работе средства поверки в соответствии с требованиями их эксплуатационной документации;
-
- выдержать блок при температуре поверки в течение 2 ч.
-
6 Проведение поверки
-
6.1 Внешний осмотр
-
6.1.1 При внешнем осмотре блока должно быть установлено:
-
-
-
- отсутствие внешних механических повреждений (царапин, вмятин и др.), влияющих на его работоспособность;
-
- наличие пломб;
-
- наличие маркировки блока, указанной в разделе 1 руководства по эксплуатации согласно исполнению блока;
-
- комплектность блока, указанной в разделе 1 руководства по эксплуатации согласно исполнению блока.
Примечание - Проверку комплектности блока проводят только при первичной поверке при выпуске из производства.
-
6.1.2 Блок считается выдержавшим внешний осмотр, если он соответствует указанным выше требованиям.
-
6.2 Опробование
-
6.2.1 Проверка выполняемых функций
-
6.2.1.1 Проверка срабатывания сигнализации наличия напряжения питания переменного тока:
-
-
-
- напряжение питания на блок не подавать. Контролировать состояние контактов реле СТАТУС (кроме БПС-21М-1ВБ (ВБТ, ВЦТ)) - контакты 1 и 2 клеммной колодки Х2 должны быть замкнуты, контакты 2 и 3 разомкнуты;
-
- подать на блок напряжение питания, убедиться в зеленом свечении индикатора ВКЛ. Контролировать состояние контактов реле СТАТУС (кроме БПС-21М-1ВБ (ВБТ, ВЦТ)) -контакты 1 и 2 клеммной колодки Х2 должны быть разомкнуты, контакты 2 и 3 замкнуты.
-
6.2.1.2 Проверка срабатывания сигнализации «ОТКАЗ», «ПОРОГ 1», «ПОРОГ2», «ПОРОГЗ» блока БПС-21М-1ВБ:
-
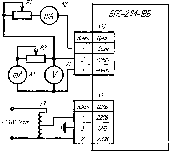
- собрать схему проверки в соответствии с рисунком 1. Установить максимальное сопротивление резисторов Rl, R2;
-
- резистором R1 по миллиамперметру А2 выставить ток (2,0 ± 0,1) мА. При этом:
а) должен светиться красным светом индикатор «КОНТР»;
б) должны быть погашены индикаторы «ПОРОГ 1», «ПОРОГ 2», «ПОРОГ 3»;
в) должны быть замкнуты контакты 2, 3 и разомкнуты контакты 1, 2 клеммной колодки XI7 (реле «ОТКАЗ»);
г) должны быть замкнуты контакты 1, 2 и разомкнуты контакты 2, 3 клеммных колодок Х14 (реле «ПОРОГ1»), Х15 (реле «ПОРОГ2»), Х16 (реле «ПОРОГЗ»);

А1, V1 - мультиметр В7-8О;
А2, АЗ - миллиамперметр М20М,
R1 - резистор СП5-35Б-15 кОм;
R2 - резистор ППБ-3-150 Ом;
Т1 - лабораторный айтотрансформатор РН0-250-2.
Рисунок 1 - Схема проверки БПС-21М-1ВБ
-
- резистором R1 по миллиамперметру А2 выставить ток (3,2 ± 0,1) мА. При этом:
а) должен светиться зеленым светом индикатор «КОНТР»;
б) должны быть погашены индикаторы «ПОРОГ 1», «ПОРОГ 2», «ПОРОГ 3»;
в) должны быть замкнуты контакты 1, 2 и разомкнуты контакты 2, 3 клеммных колодок Х14 (реле «ПОРОГ1»), Х15 (реле «ПОРОГ2»), Х16 (реле «ПОРОГЗ»), Х17 (реле «ОТКАЗ»),
-
- резистором R1 по миллиамперметру А2 выставить ток (20,0 ± 0,2) мА. При этом:
а) должен светиться зеленым светом индикатор «КОНТР»;
б) должны светиться красным светом индикаторы «ПОРОГ 1», «ПОРОГ 2», «ПОРОГ 3»;
в) должны быть замкнуты контакты 1, 2 и разомкнуты контакты 2, 3 клеммной колодки XI7 (реле «ОТКАЗ»);
г) должны быть замкнуты контакты 2, 3 и разомкнуты контакты 1, 2 клеммных колодок Х14 (реле «ПОРОГ1»), Х15 (реле «ПОРОГ2»), Х16 (реле «ПОРОГЗ»),
-
6.2.1.3 Проверка срабатывания сигнализации «ОТКАЗ», «ПОРОГ1», «ПОРОГ2», «ПОРОГЗ» блока БПС-21М-1ВЦТ (1ВБТ):
-
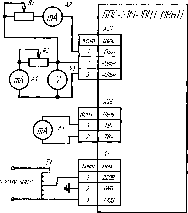
- собрать схему проверки в соответствии с рисунком 2. Установить максимальное сопротивление резисторов Rl, R2;
-
- резистором R1 по миллиамперметру А2 выставить ток (2,0 ± 0,1) мА. При этом:
а) должен светиться красным светом индикатор «КОНТР»;
б) должны быть погашены индикаторы «ПОРОГ 1», «ПОРОГ 2», «ПОРОГ 3»;
в) должны быть замкнуты контакты 2, 3 и разомкнуты контакты 1, 2 клеммной колодки Х25 (реле «ОТКАЗ»);
г) должны быть замкнуты контакты 1, 2 и разомкнуты контакты 2, 3 клеммных колодок Х22 (реле «ПОРОГ1»), Х23 (реле «ПОРОГ2»), Х24 (реле «ПОРОГЗ»);
-
- резистором R1 по миллиамперметру А2 выставить ток (3,2 ± 0,1) мА. При этом:
а) должен светиться зеленым светом индикатор «КОНТР»;
б) должны быть погашены индикаторы «ПОРОГ 1», «ПОРОГ 2», «ПОРОГ 3»;
в) должны быть замкнуты контакты 1, 2 и разомкнуты контакты 2, 3 клеммных колодок Х22 (реле «ПОРОГ1»), Х23 (реле «ПОРОГ2»), Х24 (реле «ПОРОГЗ»), Х25 (реле «ОТКАЗ»);
-
- резистором R1 по миллиамперметру А2 выставить ток (20,0 ± 0,2) мА. При этом:
а) должен светиться зеленым светом индикатор «КОНТР»;
б) должны светиться красным светом индикаторы «ПОРОГ 1», «ПОРОГ 2», «ПОРОГ 3»;
в) должны быть замкнуты контакты 1, 2 и разомкнуты контакты 2, 3 клеммной колодки Х25 (реле «ОТКАЗ»);
г) должны быть замкнуты контакты 2, 3 и разомкнуты контакты 1, 2 клеммных колодок Х22 (реле «ПОРОГ1»), Х23 (реле «ПОРОГ2»), Х24 (реле «ПОРОГЗ»).

A1, V1 - мультиметр B7-8O;
A2, АЗ - миллиамперметр М20М;
R1 - резистор СП5-35Б-15 кОм;
R2 - резистор ППБ-3-150 Ом;
Т1 - лаБороторный автотрансформатор РН0-250-2.
Рисунок 2 - Схема проверки БПС-21М-1ВЦТ (1ВБТ/
-
6.2.1.4 Проверка срабатывания сигнализации «ОТКАЗ», «ПОРОГ1», «ПОРОГ2», «ПОРОГЗ» блоков БПС-21М-2ВЦ (2ВБ, 2ВЛ, 2Ц, 2Б), БПС-21М-4ВЦ (4ВБ, 4ВЛ, 4Ц, 4Б), БПС-21М-7ВЦ (7ВБ, 7ВЛ, 7Ц, 7Б), БПС-21М-8ВЦ (8ВБ, 8ВЛ, 8Ц, 8Б), БПС-21М-11ВЦ (11ВБ, 11ВЛ, 11Ц, 11Б), БПС-21М-12ВЦ (12ВБ, 12ВЛ, 12Ц, 12Б):
-
- проверку срабатывания сигнализации проводить поканально.
-
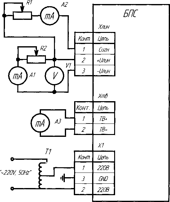
- для проверки срабатывания сигнализации собрать схему в соответствии с рисунком 3;
-
- резистором R1 по миллиамперметру А2 выставить ток (2,0 ±0,1) мА. При этом:
а) должен светиться желтым светом индикатор «ОТКАЗ» на передней панели соответствующего модуля индикации и питания (далее - МИП);
б) должны быть погашены индикаторы «ПОРОГ 1», «ПОРОГ 2», «ПОРОГ 3», «НОРМА» на передней панели соответствующего МИПа;
в) должны быть замкнуты контакты 2, 3 и разомкнуты контакты 1, 2 клеммных колодок Хотказ (далее Хотказ - клеммные колодки):
ХЮ, XI8 для БПС-21М-2ВЦ (2ВБ, 2ВЛ, 2Ц, 2Б);
ХЮ, XI8, Х26, Х34 для БПС-21М-4ВЦ (4ВБ, 4ВЛ, 4Ц, 4Б);
ХЮ, XI8, Х26, Х34, Х42, Х50, Х58 для БПС-21М-7ВЦ (7ВБ, 7ВЛ, 7Ц, 7Б);
ХЮ, Х18, Х26, Х34, Х42, Х50, Х58, Х66 для БПС-21М-8ВЦ (8ВБ, 8ВЛ, 8Ц, 8Б);
ХЮ, Х18, Х26, Х34, Х42, Х50, Х58, Х66, Х74, Х82, Х90 для БПС-21М-11ВЦ (11ВБ, 11ВЛ, 11Ц, 11Б);
ХЮ, XI8, Х26, Х34, Х42, Х50, Х58, Х66, Х74, Х82, Х90, Х98 для БПС-21М-12ВЦ (12ВБ, 12ВЛ, 12Ц, 12Б);
г) должны быть замкнуты контакты 1, 2 и разомкнуты контакты 2, 3 клеммных колодок Xnoporl (далее Xnoporl - клеммные колодки):
Х9, Х17 для БПС-21М-2ВЦ (2ВБ, 2ВЛ, 2Ц, 2Б);
Х9, XI7, Х25, Х34 для БПС-21М-4ВЦ (4ВБ, 4ВЛ, 4Ц, 4Б);
Х9, Х17, Х25, ХЗЗ, Х41, Х49, Х57 для БПС-21М-7ВЦ (7ВБ, 7ВЛ, 7Ц, 7Б);
Х9, XI7, Х25, ХЗЗ, Х41, Х49, Х57, Х65 для БПС-21М-8ВЦ (8ВБ, 8ВЛ, 8Ц, 8Б);
Х9, Х17, Х25, ХЗЗ, Х41, Х49, Х57, Х65, Х73, Х81, Х89 для БПС-21М-11ВЦ (11ВБ, 11ВЛ, 11Ц, 11Б);
Х9, Х17, Х25, ХЗЗ, Х41, Х49, Х57, Х65, Х73, Х81, Х89, Х97 для БПС-21М-12ВЦ (12ВБ, 12ВЛ, 12Ц, 12Б);

А1, V1 - мультиметр В7-8О;
А2, АЗ - миллиамперметр М20^:
R1 - резистор СП5-35Б-15 кОм;
R2 - резистор ППБ-3-150 Ом:
Т1 - лабораторный автотрансформатор РН0-250-2.
Рисунок 3 - Схема проверки БПС-21М-2ВЦ (2ВБ, 2В/12Ц, 2Б[
БПС-21РШЦ ФВБ, 4ZZ 4$ БПС-21М-7ВЦ (7ВБ, 7В/1 7Ц 7Б), БПС-21М-8ВЦ (8ВБ, 8В/1, 8Ц 8Б), БПС-21М-11ВЦ (11ВБ, 11В/1, 11Ц 11Б). БПС-21М-12ВЦ (12ВБ. 12В/1 12Ц, 12Б)
д) должны быть замкнуты контакты 1, 2 и разомкнуты контакты 2, 3 клеммных колодок Хпорог2 (далее Хпорог2 - клеммные колодки):
Х8, XI6 для БПС-21М-2ВЦ (2ВБ, 2ВЛ, 2Ц, 2Б);
Х8, XI6, Х24, Х32 для БПС-21М-4ВЦ (4ВБ, 4ВЛ, 4Ц, 4Б);
Х8, Х16, Х24, Х32, Х40, Х48, Х56 для БПС-21М-7ВЦ (7ВБ, 7ВЛ, 7Ц, 7Б);
Х8, XI6, Х24, Х32, Х40, Х48, Х56, Х64 для БПС-21М-8ВЦ (8ВБ, 8ВЛ, 8Ц, 8Б);
Х8, Х16, Х24, Х32, Х40, Х48, Х56, Х64, Х72, Х80, Х88 для БПС-21М-11ВЦ (11ВБ, 11ВЛ, 11Ц,11Б);
Х8, Х16, Х24, Х32, Х40, Х48, Х56, Х64, Х72, Х80, Х88, Х96 для БПС-21М-12ВЦ (12ВБ, 12ВЛ, 12Ц, 12Б));
е) должны быть замкнуты контакты 1, 2 и разомкнуты контакты 2, 3 клеммных колодок ХпорогЗ (далее ХпорогЗ - клеммные колодки):
Х7, XI5 для БПС-21М-2ВЦ (2ВБ, 2ВЛ, 2Ц, 2Б);
Х7, Х15, Х23, Х31 для БПС-21М-4ВЦ (4ВБ, 4ВЛ, 4Ц, 4Б);
Х7, XI5, Х23, Х31, Х39, Х47, Х55 для БПС-21М-7ВЦ (7ВБ, 7ВЛ, 7Ц, 7Б);
Х7, XI5, Х23, Х31, Х39, Х47, Х55, Х63 для БПС-21М-8ВЦ (8ВБ, 8ВЛ, 8Ц, 8Б);
Х7, XI5, Х23, Х31, Х39, Х47, Х55, Х63, Х71, Х79, Х87 для БПС-21М-11ВЦ (11ВБ, 11ВЛ, 11Ц, 11Б);
Х7, Х15, Х23, Х31, Х39, Х47, Х55, Х63, Х71, Х79, Х87, Х95 для БПС-21М-12ВЦ (12ВБ, 12ВЛ, 12Ц, 12Б);
-
- резистором R1 по миллиамперметру А2 выставить ток (3,2 ± 0,1) мА. При этом:
а) должен светиться зеленым светом индикатор «НОРМА»;
б) должны быть погашены индикаторы «ПОРОГ 1», «ПОРОГ 2», «ПОРОГ 3», «ОТКАЗ»;
в) должны быть замкнуты контакты 1, 2 и разомкнуты контакты 2, 3 клеммных колодок Xnoporl, Хпорог2, ХпорогЗ, Хотказ;
-
- резистором R1 по миллиамперметру А2 выставить ток (20,0 ± 0,2) мА. При этом:
а) должен светиться зеленым светом индикатор «НОРМА»;
б) должны светиться красным светом индикаторы «ПОРОГ 1», «ПОРОГ 2», «ПОРОГ 3» на передней панели соответствующего МИПа;
в) должен быть погашен индикатор «ОТКАЗ»;
г) должны быть замкнуты контакты 2, 3 и разомкнуты контакты 1, 2 клеммных колодок Xnoporl, Хпорог2, ХпорогЗ;
д) должны быть замкнуты контакты 1,2 и разомкнуты контакты 2, 3 клеммных колодок Хотказ.
-
6.2.2 Определение электрического сопротивления изоляции
-
6.2.2.1 Определение электрического сопротивления изоляции проводить при температуре окружающего воздуха (20 ± 5) °C и относительной влажности до 80 %. Электрическое питание блока должно быть отключено, кнопка ВКЛ на передней панели - в положении «Включено».
-
6.2.2.2 Электрическое сопротивление изоляции измерять мегаомметром Ф4101. Корпус блока БПС-21М-1ВБ (1ВБТ, 1ВЦТ) обернуть алюминиевой фольгой. Измерительное напряжение 500 В прикладывать между:
-
-
- цепью питания переменного тока 220 В частотой 50 Гц и искробезопасными цепями (цепями питания датчика для невзрывозащищенных исполнений):
а) соединенными вместе контактами 1, 2 клеммной колодки XI и соединенными вместе контактами 1, 2, 3 клеммной колодки XI3 для блока БПС-21М-1ВБ;
б) соединенными вместе контактами 1, 3 клеммной колодки XI и соединенными вместе контактами 1, 2, 3 клеммной колодки Х21 для блока БПС-21М-1ВБТ (1ВЦТ);
в) соединенными вместе контактами 1, 2 клеммной колодки XI и соединенными вместе контактами 1, 2, 3 клеммных колодок XII, XI9 для блока БПС-21М-2ВЦ (2ВБ, 2ВЛ, 2Ц, 2Б);
г) соединенными вместе контактами 1, 2 клеммной колодки XI и соединенными вместе контактами 1, 2, 3 клеммных колодок XI1, XI9, Х27, Х35 для блока БПС-21М-4ВЦ (4ВБ, 4ВЛ, 4Ц, 4Б);
д) соединенными вместе контактами 1, 2 клеммной колодки XI и соединенными вместе контактами 1, 2, 3 клеммных колодок XII, Х19, Х27, Х35, Х43, Х51, Х59 для блока БПС-21М-7ВЦ (7ВБ, 7ВЛ, 7Ц, 7Б);
е) соединенными вместе контактами 1, 2 клеммной колодки XI й соединенными вместе контактами 1, 2, 3 клеммных колодок XII, XI9, Х27, Х35, Х43, Х51, Х59, Х67 для блока БПС-21М-8ВЦ (8ВБ, 8ВЛ, 8Ц, 8Б);
ж) соединенными вместе контактами 1, 2 клеммной колодки XI и соединенными вместе контактами 1, 2, 3 клеммных колодок XII, Х19, Х27, Х35, Х43, Х51, Х59, Х67, Х75, Х83, Х91 для блока БПС-21М-11ВЦ (11ВБ, 11ВЛ, 11Ц, 11Б);
и) соединенными вместе контактами 1, 2 клеммной колодки XI и соединенными вместе контактами 1, 2, 3 клеммных колодок XII, XI9, Х27, Х35, Х43, Х51, Х59, Х67, Х75, Х83, Х91, Х99 для блока БПС-21М-12ВЦ (12ВБ, 12ВЛ, 12Ц, 12Б);
-
- искробезопасными цепями, гальванически не связанными между собой:
а) клеммными колодками XI1, XI9 с соединенными вместе контактами 1, 2, 3 для блока БПС-21М-2ВЦ (2ВБ, 2ВЛ);
б) клеммными колодками XII, XI9, Х27, Х35 с соединенными вместе контактами 1, 2, 3 для блока БПС-21М-4ВЦ (4ВБ, 4ВЛ);
в) клеммными колодками XII, Х19, Х27, Х35, Х43, Х51, Х59 с соединенными вместе контактами 1, 2, 3 для блока БПС-21М-7ВЦ (7ВБ, 7ВЛ);
г) клеммными колодками ХИ, Х19, Х27, Х35, Х43, Х51, Х59, Х67 с соединенными вместе контактами 1, 2, 3 - для блока БПС-21М-8ВЦ (8ВБ, 8ВЛ);
д) клеммными колодками XII, Х19, Х27, Х35, Х43, Х51, Х59, Х67, Х75, Х83, Х91 с соединенными вместе контактами 1, 2, 3 - для блока БПС-21М-11ВЦ (11ВБ, 11ВЛ);
е) клеммными колодками XI1, Х19, Х27, Х35, Х43, Х51, Х59, Х67, Х75, Х83, Х91, Х99 с соединенными вместе контактами 1,2, 3 - для блока БПС-21М-12ВЦ (12ВБ, 12ВЛ);
корпусом и искробезопасными цепями (цепями питания датчика для невзрывозащищенных исполнений):
а) корпусом и соединенными вместе контактами 1, 2, 3 клеммных колодок XI3 для блока БПС-21М-1ВБ;
б) корпусом и соединенными вместе контактами 1, 2, 3 клеммной колодки Х21 для блока БПС-21М-1ВБТ (1ВЦТ);
в) корпусом и соединенными вместе контактами 1, 2, 3 клеммных колодок XI1, XI9 для блока БПС-21М-2ВЦ (2ВБ, 2ВЛ, 2Ц, 2Б);
г) корпусом и соединенными вместе контактами 1, 2, 3 клеммных колодок XII, Х19, Х27, Х35 для блока БПС-21М-4ВЦ (4ВБ, 4ВЛ, 4Ц, 4Б);
д) корпусом и соединенными вместе контактами 1, 2, 3 клеммных колодок XII, XI9, Х27, Х35, Х43, Х51, Х59 для блока БПС-21М-7ВЦ (7ВБ, 7ВЛ, 7Ц, 7Б);
е) корпусом и соединенными вместе контактами 1, 2, 3 клеммных колодок XII, XI9, Х27, Х35, Х43, Х51, Х59, Х67 для блока БПС-21М-8ВЦ (8ВБ, 8ВЛ, 8Ц, 8Б);
ж) корпусом и соединенными вместе контактами 1, 2, 3 клеммных колодок XII, Х19, Х27, Х35, Х43, Х51, Х59, Х67, Х75, Х83, Х91 для блока БПС-21М-11ВЦ (11ВБ, 11ВЛ, 11Ц, 11Б);
и) корпусом и соединенными вместе контактами 1, 2, 3 клеммных колодок XII, XI9, Х27, Х35, Х43, Х51, Х59, Х67, Х75, Х83, Х91, Х99 для блока БПС-21М-12ВЦ (12ВБ, 12ВЛ, 12Ц, 12Б);
- цепью питания переменного тока 220 В частотой 50 Гц и корпусом:
а) соединенными вместе контактами 1, 2 клеммной колодки XI и корпусом для блока БПС-21М-1ВБ, БПС-21М-2ВЦ (2ВБ, 2ВЛ, 2Ц, 2Б), БПС-21М-4ВЦ (4ВБ, 4ВЛ, 4Ц, 4Б), БПС-21М-7ВЦ (7ВБ. 7ВЛ, 7Ц, 7Б), БПС-21М-8ВЦ (8ВБ, 8ВЛ, 8Ц, 8Б), БПС-21М-11ВЦ (11ВБ, 11ВЛ, 11Ц, 11Б), БПС -21М-12ВЦ (12ВБ, 12ВЛ, 12Ц, 12Б);
б) соединенными вместе контактами 1, 3 клеммной колодки XI и корпусом для блока БПС-21М-1ВБТ (1ВЦТ);
-
6.2.2.3 Зафиксировать показания мегаомметра. Отсчет показаний проводить через 10 с или через 1 мин, если показания не устанавливаются, после приложения испытательного напряжения.
-
6.2.2.4 Блок считается выдержавшим проверку, если показания мегаомметра не менее 40 МОм.
-
6.2.3 Проверка электрической прочности изоляции
-
6.2.3.1 Проверку проводить на пробойной установке УПУ-10М при температуре окружающей среды (20 ± 5) °C и относительной влажности не более 80 %.
-
Электрическое питание блоков должно быть отключено, кнопка ВКЛ на передней панели - в положении «Включено». Корпус блока БПС-21М-1ВБ (1ВБТ, 1ВЦТ) перед началом испытаний обернуть в алюминиевую фольгу.
-
6.2.3.2 Испытательное напряжение переменного тока практически синусоидальной формы частотой 50 Гц изменять от 0 до заданного значения за время от 5 до 20 с. Снижение испытательного напряжения от заданного значения до нуля осуществлять в течение такого же времени. Изоляцию выдержать под действием испытательного напряжения в течение 1 мин.
-
6.2.3.3 Испытательное напряжение 1500 В (действующее значение) прикладывать между цепью питания переменного тока 220 В частотой 50 Гц и искробезопасными цепями (цепями питания датчиков для невзрывозащищенных исполнений):
-
- соединенными вместе контактами 1, 2 клеммной колодки XI и соединенными вместе контактами 1,2, 3 клеммной колодки Х13 для блока БПС-21М-1 ВБ;
-
- соединенными вместе контактами 1, 3 клеммной колодки XI и соединенными вместе контактами 1, 2, 3 клеммной колодки Х21 для блока БПС-21М-1ВБТ (1ВЦТ);
-
- соединенными вместе контактами 1, 2 клеммной колодки XI и соединенными вместе контактами 1, 2, 3 клеммных колодок XI1, XI9 для блока БПС-21М-2ВЦ (2ВБ, 2ВЛ, 2Ц, 2Б);
-
- соединенными вместе контактами 1, 2 клеммной колодки XI и соединенными вместе контактами 1, 2, 3 клеммных колодок XII, Х19, Х27, Х35 для блока БПС-21М-4ВЦ (4ВБ, 4ВЛ, 4Ц, 4Б);
-
- соединенными вместе контактами 1, 2 клеммной колодки XI и соединенными вместе контактами 1, 2, 3 клеммных колодок XII, Х19, Х27, Х35, Х43, Х51, Х59 для блокаБПС-21М-7ВЦ (7ВБ, 7ВЛ, 7Ц, 7Б);
-
- соединенными вместе контактами 1, 2 клеммной колодки XI и соединенными вместе контактами 1, 2, 3 клеммных колодок XI1, Х19, Х27, Х35, Х43, Х51, Х59, Х67 для блока БПС-21М-8ВЦ (8ВБ, 8ВЛ, 8Ц, 8Б);
-
- соединенными вместе контактами 1, 2 клеммной колодки XI и соединенными вместе контактами 1, 2, 3 клеммных колодок XII, Х19, Х27, Х35, Х43, Х51, Х59, Х67, Х75, Х83, Х91, для блока БПС-21М-11ВЦ (11ВБ, 11ВЛ, 11Ц, 11Б);
-
- соединенными вместе контактами 1, 2 клеммной колодки XI и соединенными вместе контактами 1, 2, 3 клеммных колодок XII, XI9, Х27, Х35, Х43, Х51, Х59, Х67, Х75, Х83, Х91, Х99 для блока БПС-21М-12ВЦ (12ВБ, 12ВЛ, 12Ц, 12Б).
-
6.2.3.4 Испытательное напряжение 500 В (действующее значение) прикладывать между:
-
- искробезопасными цепями, гальванически не связанными между собой:
а) клеммными колодками XI1, XI9 с соединенными вместе контактами 1,2, 3 для блока БПС-21М-2ВЦ (2ВБ, 2ВЛ);
б) клеммными колодками XI1, XI9, Х27, Х35 с соединенными вместе контактами 1, 2, 3 для блока БПС-21М-4ВЦ (4ВБ, 4ВЛ);
в) клеммными колодками XII, Х19, Х27, Х35, Х43, Х51, Х59 с соединенными вместе контактами 1, 2, 3 для блока БПС-21М-7ВЦ (7ВБ, 7ВЛ);
г) клеммными колодками ХИ, XI9, Х27, Х35, Х43, Х51, Х59, Х67 с соединенными вместе контактами 1, 2, 3 - для блока БПС-21М-8ВЦ (8ВБ, 8ВЛ);
д) клеммными колодками ХИ, Х19, Х27, Х35, Х43, Х51, Х59, Х67, Х75, Х83, Х91 с соединенными вместе контактами 1, 2, 3 - для блока БПС-21М-11 ВЦ (11ВБ, 11ВЛ);
е) клеммными колодками XI1, Х19, Х27, Х35, Х43, Х51, Х59, Х67, Х75, Х83, Х91, Х99 с соединенными вместе контактами 1, 2, 3 для блока БПС-21М-12ВЦ (12ВБ, 12ВЛ);
корпусом и искробезопасными цепями (цепями питания датчиков для невзрывозащищенных исполнений):
а) корпусом и соединенными вместе контактами 1, 2, 3 клеммных колодок XI3 для блока БПС-21М-1 ВБ;
б) корпусом и соединенными вместе контактами 1, 2, 3 клеммной колодки Х21 для блока БПС-21М-1ВБТ (1ВЦТ);
в) корпусом и соединенными вместе контактами 1, 2, 3 клеммных колодок XI1, XI9 для блока БПС-21М-2ВЦ (2ВБ, 2ВЛ, 2Ц, 2Б);
г) корпусом и соединенными вместе контактами 1, 2, 3 клеммных колодок XII, Х19, Х27, Х35 для блока БПС-21М-4ВЦ (4ВБ, 4ВЛ, 4Ц, 4Б);
д) корпусом и соединенными вместе контактами 1, 2, 3 клеммных колодок XII, XI9, Х27, Х35, Х43, Х51, Х59 для блока БПС-21М-7ВЦ (7ВБ, 7ВЛ, 7Ц, 7Б);
е) корпусом и соединенными вместе контактами 1, 2, 3 клеммных колодок XII, XI9, Х27, Х35, Х43, Х51, Х59, Х67 для блока БПС-21М-8ВЦ (8ВБ, 8ВЛ, 8Ц, 8Б);
ж) корпусом и соединенными вместе контактами 1, 2, 3 клеммных колодок XII, Х19, Х27, Х35, Х43, Х51, Х59, Х67, Х75, Х83, Х91, для блока БПС-21М-11ВЦ (11ВБ, 11ВЛ, 11Ц, ИБ);
и) корпусом и соединенными вместе контактами 1, 2, 3 клеммных колодок ХИ, XI9, Х27, Х35, Х43, Х51, Х59, Х67, Х75, Х83, Х91, Х99 для блока БПС-21М-12ВЦ (12ВБ, 12ВЛ, 12Ц, 12Б).
-
6.2.3.5 Испытательное напряжение
-
- для блока, кроме БПС-21М-1ВБ (1ВБТ, 1ВЦТ) - 1500 В (действующее значение);
-
- для блока БПС-21М-1ВБ (1ВБТ, 1ВЦТ) - 3000 В (действующее значение) прикладывать между цепью питания переменного тока 220 В частотой 50 Гц и корпусом:
а) соединенными вместе контактами 1, 2 клеммной колодки XI и корпусом для блоков БПС-21М-1ВБ, БПС-21М-2ВЦ (2ВБ, 2ВЛ, 2Ц, 2Б), БПС-21М-4ВЦ (4ВБ, 4ВЛ, 4Ц, 4Б), БПС-21М-7ВЦ (7ВБ, 7ВЛ, 7Ц, 7Б), БПС-21М-8ВЦ (8ВБ, 8ВЛ, 8Ц, 8Б), БПС-21М-11ВЦ (11ВБ, 11ВЛ, 11Ц, ИБ), БПС-21М-12ВЦ (12ВБ, 12ВЛ, 12Ц, 12Б);
б) соединенными вместе контактами 1, 3 клеммной колодки XI и корпусом для блока БПС-21М-1ВБТ(1ВЦТ).
-
6.2.3.6 Блок считается выдержавшим проверку, если за время испытаний не наблюдается признаков пробоя изоляции или поверхностного перекрытия изоляции.
-
6.2.4 Проверка параметров искробезопасных цепей. Проверка выходных напряжений блока
-
6.2.4.1 Проверку параметров искробезопасных цепей блока БПС-21М-1ВБ проводить следующим образом:
-
-
- подать на блок напряжение питания, включив переключатель ВКЛ на передней панели, убедиться в зеленом свечении индикатора СЕТЬ;
-
- вольтметром измерить напряжение холостого хода между контактами 2,3 клеммной колодки XI3. Зафиксировать показания вольтметра;
-
- амперметром измерить ток короткого замыкания между контактами 2,3 клеммной колодки XI3. Зафиксировать показания амперметра;
-
- собрать схему проверки в соответствии с рисунком 1. Установить максимальное сопротивление резисторов Rl, R2. Плавно уменьшая сопротивление резистора R2, зафиксировать по миллиамперметру А1 максимальное значение тока, после которого происходит его уменьшение, т.е. срабатывает защита;
-
- блок БПС-21М-1ВБ считается выдержавшим проверку, если измеренное напряжение находится в диапазоне от 14,5 до 16 В, ток короткого замыкания не превышает 50 мА, а максимальное значение тока находится в диапазоне от 180 до 200 мА.
-
6.2.4.2 Проверку параметров искробезопасных цепей блока БПС-21М-1ВЦТ (1ВБТ) проводить следующим образом:
-
- подать на блок напряжение питания, включив переключатель ВКЛ на передней панели, убедиться в зеленом свечении индикатора СЕТЬ;
-
- мультиметром В7-80 в режиме вольтметра измерить напряжение холостого хода между контактами 2,3 клеммной колодки Х21. Зафиксировать показания вольтметра;
-
- миллиамперметром М2044 измерить ток короткого замыкания между контактами 2,3 клеммной колодки Х21. Зафиксировать показания амперметра;
-
- собрать схему проверки в соответствии с рисунком 2. Установить максимальное сопротивление резисторов Rl, R2. Плавно уменьшая сопротивление резистора R2, зафиксировать по миллиамперметру А1 максимальное значение тока, после которого происходит его уменьшение, т.е. срабатывает защита;
-
- блок БПС-21М-1ВЦТ (1ВБТ) считается выдержавшим проверку, если измеренное напряжение находится в диапазоне от 14,5 до 16 В, ток короткого замыкания не превышает 50 мА, а максимальное значение тока находится в диапазоне от 180 до 200 мА.
-
6.2.4.3 Проверку параметров искробезопасных цепей блока БПС-21М-2ВЦ (2ВБ), БПС-21М-4ВЦ (4ВБ), БПС-21М-7ВЦ (7ВБ), БПС-21М-8ВЦ (8ВБ), БПС-21М-11ВЦ (11 ВБ), БПС-21М-12ВЦ (12ВБ) проводить поканально следующим образом:
-
- подать на блок напряжение питания, включив переключатель ВКЛ на передней панели, убедиться в зеленом свечении индикатора СЕТЬ;
-
- мультиметром В7-80 в режиме вольтметра измерить напряжение холостого хода между контактами 2,3 клеммных колодок Хлин (далее Хлин - клеммные колодки)
XII, Х19 для блока БПС-21М-2ВЦ (2ВБ, 2ВЛ, 2Ц, 2Б);
XI1, XI9, Х27, Х35 для блока БПС-21М-4ВЦ (4ВБ, 4ВЛ, 4Ц, 4Б);
XI1, Х19, Х27, Х35, Х43, Х51, Х59 для блока БПС-21М-7ВЦ (7ВБ, 7ВЛ, 7Ц, 7Б);
XI1, XI9, Х27, Х35, Х43, Х51, Х59, Х67 для блока БПС-21М-8ВЦ (8ВБ, 8ВЛ, 8Ц, 8Б);
XII, Х19, Х27, Х35, Х43, Х51, Х59, Х67, Х75, Х83, Х91 для блока БПС-21М-11ВЦ (11ВБ, 11ВЛ, 11Ц, 11Б);
XII, Х19, Х27, Х35, Х43, Х51, Х59, Х67, Х75, Х83, Х91, Х99 для блока БПС-21М-12ВЦ (12ВБ, 12ВЛ, 12Ц, 12Б);
-
- зафиксировать показания вольтметра;
-
- миллиамперметром М2044 измерить ток короткого замыкания между контактами 2,3 клеммных колодок Хлин. Зафиксировать показания миллиамперметра;
-
- собрать схему проверки в соответствии с рисунком 3. Установить максимальное сопротивление резисторов Rl, R2. Плавно уменьшая сопротивление резистора R2, зафиксировать по миллиамперметру А1 максимальное значение тока, после которого происходит его уменьшение, т.е. срабатывает защита;
-
- блоки БПС-21М-2ВЦ (2ВБ), БПС-21М-4ВЦ (4ВБ), БПС-21М-7ВЦ (7ВБ), БПС-21М-8ВЦ, (8ВБ), БПС-21М-11ВЦ (11ВБ), БПС-21М-12ВЦ (12ВБ) считаются выдержавшими проверку, если измеренное напряжение находится в диапазоне от 14,5 до 16 В, ток короткого замыкания не превышает 50 мА, а максимальное значение тока находится в диапазоне от 180 до 200 мА.
-
6.2.4.4 Проверку параметров искробезопасных цепей блока БПС-21М-2ВЛ, БПС-21М-4ВЛ, БПС-21М-7ВЛ, БПС-21М-8ВЛ, БПС-21М-11ВЛ, БПС-21М-12ВЛ проводить поканально следующим образом:
-
- подать на блок напряжение питания, включив переключатель ВКЛ на передней панели, убедиться в зеленом свечении индикатора СЕТЬ;
-
- мультиметром В7-80 в режиме вольтметра измерить напряжение холостого хода между контактами 2,3 клеммных колодок Хлин. Зафиксировать показания вольтметра;
-
- миллиамперметром М2044 измерить ток короткого замыкания между контактами 2,3 клеммных колодок Хлин. Зафиксировать показания миллиамперметра;
-
- собрать схему проверки в соответствии с рисунком 3. Установить максимальное сопротивление резисторов Rl, R2. Плавно уменьшая сопротивление резистора R2, зафиксировать по миллиамперметру А1 максимальное значение тока, после которого происходит его уменьшение, т.е. срабатывает защита;
-
- блок БПС-21М-2ВЛ, БПС-21М-4ВЛ, БПС-21М-7ВЛ, БПС-21М-8ВЛ, БПС-21М-11ВЛ, БПС-21М-12ВЛ считается выдержавшим проверку, если измеренное напряжение находится в диапазоне от 14,5 до 16 В, ток короткого замыкания не превышает 50 мА, а максимальное значение тока находится в диапазоне от 240 до 280 мА.
-
6.2.4.5 Проверку выходных напряжений блока БПС-21М-2Ц (2Б), БПС-21М-4Ц (4Б), БПС-21М-7Ц (7Б), БПС-21М-8Ц (8Б), БПС-21М-11Ц (11Б), БПС-21М-12Ц (12Б) проводить поканально следующим образом:
-
- подать на блок напряжение питания, включив переключатель ВКЛ на передней панели, убедиться в зеленом свечении индикатора СЕТЬ;
-
- мультиметром В7-80 в режиме вольтметра измерить напряжение холостого хода между контактами 2,3 клеммных колодок Хлин. Зафиксировать показания вольтметра;
-
- миллиамперметром М2044 измерить ток короткого замыкания между контактами 2,3 клеммных колодок Хлин. Зафиксировать показания миллиамперметра;
-
- собрать схему проверки в соответствии с рисунком 3. Установить максимальное сопротивление резисторов Rl, R2. Плавно уменьшая сопротивление резистора R2, зафиксировать по миллиамперметру А1 максимальное значение тока, после которого происходит его уменьшение, т.е. срабатывает защита;
-
- блок считается выдержавшим проверку, если измеренное напряжение находится в диапазоне от 23,5 до 24,5 В, ток короткого замыкания не превышает 50 мА, а максимальное значение тока находится в диапазоне от 280 до 350 мА.
6.3 Определение метрологических характеристик
-
6.3.1 Определение основной относительной погрешности преобразования входного унифицированного токового сигнала в выходной унифицированный токовый сигнал (только для исполнения с выходным токовым сигналом)
-
6.3.1.1 Определение основной относительной погрешности преобразования входного унифицированного токового сигнала в выходной унифицированный токовый сигнал проводить поканально.
-
6.3.1.2 Для определения основной относительной погрешности преобразования входного унифицированного токового сигнала в выходной унифицированный токовый сигнал собрать схему в соответствии с рисунком 3 (рисунком 2 для БПС-21М-1ВЦТ (1ВБТ)). На рисунке 3 Хтв - клеммная колодка для подключения выходного унифицированного токового сигнала (далее Хтв )- клеммные колодки:
Х6, Х14 для БПС-21М-2ВЦ (2ВБ, 2ВЛ, 2Ц, 2Б);
Х6, XI4, Х22, ХЗО для БПС-21М-4ВЦ (4ВБ, 4ВЛ, 4Ц, 4Б);
Х6, Х14, Х22, ХЗО, Х38, Х46, Х54 для БПС-21М-7ВЦ (7ВБ, 7ВЛ, 7Ц, 7Б);
Х6, Х14, Х22, ХЗО, Х38, Х46, Х54, Х62 для БПС-21М-8ВЦ (8ВБ, 8ВЛ, 8Ц, 8Б);
Х6, Х14, Х22, ХЗО, Х38, Х46, Х54, Х62, Х70, Х78, Х86 для БПС-21М-11ВЦ (11ВБ, 11ВЛ, 1Щ, ИБ);
Х6, Х14, Х22, ХЗО, Х38, Х46, Х54, Х62, Х70, Х78, Х86, Х94 для БПС-21М-12ВЦ (12ВБ, 12ВЛ, 12Ц, 12Б)).
Установить максимальное сопротивление резисторов Rl, R2.
-
6.3.1.3 При помощи R1 установить последовательно значение входного тока каждого канала по миллиамперметру А2 равным 4, 12, 20 мА. При каждом значении входного тока зафиксировать выходной ток по миллиамперметру АЗ.
-
6.3.1.4 Основную относительную погрешность преобразования входного токового сигнала в выходной токовый сигнал (5j) рассчитать по формуле
I -I.
5. =-2---(6.1)
1 J
i
где 1о - выходной ток канала, мА;
Ii - входной ток канала, мА.
-
6.3.1.5 Блок считается прошедшим поверку, если полученные значения основной относительной погрешности преобразования входного унифицированного токового сигнала в выходной унифицированный токовый сигнал не превышает ± 2 %.
6.3.2 Определение основной относительной погрешности преобразования входного унифицированного токового сигнала в показания индикатора (только для исполнения с цифровой индикацией).
-
6.3.2.1 Определение основной относительной погрешности преобразования входного унифицированного токового сигнала в показания индикатора проводить поканально.
-
6.3.2.2 Определение основной относительной погрешности преобразования входного унифицированного токового сигнала в показания индикатора проводить одновременно с определением основной относительной погрешности преобразования входного унифицированного токового сигнала в выходной унифицированный токовый сигнал, фиксируя показания индикатора в режиме измерения тока при каждом значении входного тока.
-
6.3.2.3 Основную относительную погрешность преобразования входного унифицированного токового сигнала в показания индикатора (5а) рассчитать по формуле
5а=Ь_2к.юо, (6.2)
где 1а - показания индикатора, мА;
Ii - входной ток канала, мА.
-
6.3.2.4 Блок считается прошедшим поверку, если полученное значение относительной погрешности преобразования входного токового сигнала в показания индикатора не превышает ± 2 %.
-
6.3.3 Определение основной относительной погрешности срабатывания пороговых устройств
-
6.3.3.1 Определение основной относительной погрешности срабатывания пороговых устройств проводить поканально.
-
6.3.3.2 Для определения основной относительной погрешности срабатывания пороговых устройств собрать схему в соответствии с рисунком 3 (рисунком 2 для БПС-21М-1ВЦТ (1ВБТ), рисунком 1 для БПС-21М-1ВБ). Установить значения «Порог 1» - 5,6 мА, «Порог 2» - 7,2 мА. «Порог 3» - 18,4 мА на повышение.
-
6.3.3.3 Плавно увеличивая резистором R1 ток через миллиамперметр А2, зафиксировать показания, при которых начинают светиться индикаторы «ПОРОГ 1», «ПОРОГ 2», «ПОРОГ 3».
-
6.3.3.4 Основную относительную погрешность срабатывания пороговых устройств (6П) рассчитать по формуле
Sn -100, (6.3)
где In - ток срабатывания порогового устройства, мА;
I - установленное значение порогового устройства, мА.
-
6.3.3.5 Блок считается прошедшим поверку, если полученные значения основной относительной погрешности срабатывания пороговых устройств не превышают ± 2 % для каждого порога.
7 Оформление результатов поверки
-
7.1 Результаты поверки оформляют протоколом произвольной формы.
-
7.2 Блок, удовлетворяющий требованиям настоящей методики поверки, признают годным к применению и клеймят путем нанесения оттиска поверительного клейма на корпусе блока, делают соответствующую отметку в руководстве по эксплуатации согласно исполнению блока (при первичной поверке) или выдают свидетельство о поверке (при периодической поверке) согласно ПР 50.2.006-94.
-
7.3 При отрицательных результатах поверки клеймо предыдущей поверки гасят, эксплуатацию блока запрещают и направляют в ремонт. В технической документации делают отметку о непригодности, выдают извещение установленной формы согласно ПР 50.2.006-94 с указанием причин непригодности и аннулируют свидетельство о поверке.
Лист регистрации изменений
Изм. |
Номера листов (страниц) |
Всего ЛИСТОВ в документе |
Номер докумен та |
подпись |
Дата | |||
измененных |
замененных |
новых |
аннулированных | |||||
26