Методика поверки «ГСИ.Система автоматизированная информационно-измерительная коммерческого учета электроэнергии ТЭЦ АО «СХК»» (МП 266-16)
СОГЛАСОВАНО
Директор ФБУ «Томский ЦСМ»

М.М. Чухланцева
2021 г.
Государственная система обеспечения единства измерений
Система автоматизированная информационно-измерительная коммерческого учета электроэнергии ТЭЦ АО «СХК»
МЕТОДИКА ПОВЕРКИ
(с изменением № 1)
МП 266-16
2021
1 Общие положения-
1.1 Настоящая методика поверки распространяется на систему автоматизированную информационно-измерительную коммерческого учета электроэнергии ТЭЦ АО «СХК» (далее АИИС КУЭ) и устанавливает методы и средства её первичной и периодической поверок.
-
1.2 Поверке подлежит АИИС КУЭ в соответствии с перечнем измерительных каналов, приведенным в описании типа на АИИС КУЭ. На основании письменного заявления собственника АИИС КУЭ допускается проведение поверки отдельных измерительных каналов (ИК) из перечня, приведённого в описании типа АИИС КУЭ, с обязательным указанием в приложении к свидетельству о поверке информации о количестве и составе поверенных ИК.
-
1.3 Первичную поверку АИИС КУЭ выполняют перед вводом в эксплуатацию.
Периодическую поверку АИИС КУЭ выполняют в процессе эксплуатации через установленный интервал между поверками. Проведение поверки целесообразно совмещать с ежегодными регламентными работами по техническому обслуживанию АИИС КУЭ.
1.4 (Исключен, Изм. №1)-
1.5 Измерительные каналы АИИС КУЭ подвергают покомпонентной поверке согласно ГОСТ Р 8.596. Измерительные трансформаторы тока и напряжения, счетчики электрической энергии, устройство синхронизации времени УСВ-2, входящие в состав АИИС КУЭ, поверяют согласно утвержденным методикам поверки с интервалом, установленным при утверждении их типа. Если очередной срок поверки средства измерений наступает до очередного срока поверки АИИС КУЭ, поверяется только этот компонент и поверка АИИС КУЭ не проводится.
-
1.6 В случае непригодности измерительных трансформаторов, счетчиков электрической энергии, допускается их замена на аналогичные утвержденных типов с метрологическими характеристиками не хуже, чем у приведённых в Приложении А настоящей МП. Замена оформляется актом в установленном на предприятии порядке. Акт хранится совместно с описанием типа АИИС КУЭ как его неотъемлемая часть.
-
1.7 В случае неисправности компонентов ИК АИИС КУЭ их направляют в ремонт. При этом на время ремонта в составе ИК допускается использовать однотипные компоненты, прошедшие поверку. После ремонта выполняют поверку каждого отказавшего средства измерений и внеочередную поверку ИК. в который входит этот компонент. Внеочередную поверку проводят в случае повреждения пломб счетчика электрической энергии, испытательной коробки, при повторной настройке параметров счетчика для тех ИК АИИС КУЭ, в состав которых входят эти компоненты.
-
1.8 При модернизации АИИС КУЭ путем введения новых измерительных каналов должны быть проведены их испытания в целях утверждения типа.
-
1.9 В случае замены сервера или компьютеров автоматизированных рабочих мест (АРМ) оператора, при обновлении и расширении функций программного обеспечения (ПО) АИИС КУЭ, установленного на сервере, проводят анализ изменений. Если внесённые изменения влияют на метрологически значимую часть программного обеспечения (изменение идентификационных данных), то проводят испытания АИИС КУЭ в целях утверждения типа.
-
1.10 Средства измерений, используемые для проведения первичной и периодической поверки, по своим характеристикам должны быть прослеживаемы к государственным первичным эталонам единиц величин.
-
1.10 (Введен дополнительно, Изм. №1)
-
2 Перечень операций поверки средства измерений
-
2.1 При проведении поверки выполняют операции, приведенные в таблице 1.
Таблица 1 - Операции поверки
Наименование операции |
Номер пункта МП |
Проведение операции при поверке | |||||
первичной |
периодической |
после поверки, ремонта (замены) ТТ, TH |
после поверки, ремонта (замены) счётчика |
после ремонта (замены) ИВК |
после переустановки ПО | ||
1 Внешний осмотр средства измерений |
8.1 |
да |
да |
да’ |
------------*-------- да |
да' |
нет |
2 Проверка условий эксплуатации АНИС КУЭ |
8.2 |
да |
да |
да’ |
да' |
да’ |
нет |
3 Проверка нагрузки вторичных цепей измерительных TH |
8.3 |
да |
да |
да’ |
да' |
нет |
нет |
4 Проверка нагрузки вторичных цепей измерительных ТТ |
8.4 |
да |
да |
* да |
да' |
нет |
нет |
5 Проверка падения напряжения в линиях соединения счетчиков с измерительными TH |
8.5 |
да |
да |
да’ |
да’ |
нет |
нет |
6 Проверка системы обеспечения единого времени |
8.6 |
да |
да |
нет |
да |
да |
да |
7 Проверка отсутствия ошибок информационного обмена |
8.7 |
да |
да |
да’ |
да’ |
да’ |
да |
8 Определение метрологических характеристик средства измерений |
8.8 |
да |
да |
да’ |
да’ |
нет |
нет |
9 Подтверждение соответствия средства измерений метрологическим требованиям |
8.9 |
да |
да |
да |
да' |
нет |
нет |
10 Проверка программного обеспечения средства измерений |
8.10 |
да |
да |
нет |
да’ |
да' |
да’ |
Примечание - В таблице приняты следующие сокращения: ТТ - трансформатор тока, TH -трансформатор напряжения, ИВК - информационно-вычислительный комплекс; * - в объеме вносимых изменений
-
2.2 Если требования какого-либо пункта операций поверки не выполняются в полном объеме или обнаруженные несоответствия не устранены за время поверки, то дальнейшие операции не проводят и результаты проверки ИК. в которых обнаружены недочеты, считаются отрицательными
-
2.2 (Введен дополнительно, Изм. №1)
-
3 Метрологические и технические требования к средствам поверки
-
3.1 При проведении поверки применяют средства измерений и вспомогательные устройства в соответствии с методиками поверки на средства измерений ИК АИИС КУЭ, а также приведённые в таблице 2. Допускается применение аналогичных средств поверки, обеспечивающих определение метрологических характеристик поверяемых измерительных каналов АИИС КУЭ с требуемой точностью.
-
3.2 Средства измерений, применяемые при поверке, должны быть внесены в Федеральный информационный фонд по обеспечению единства изменений, должны быть поверены и иметь действующий срок поверки.
Таблица 2 - Средства поверки
Наименование средства поверки |
Основные метрологические характеристики | |
диапазон измерений |
погрешность | |
Термогигрометр ИВА-6А-Д |
-Диапазон измерений температуры от 0 до 60 °C; -диапазон измерений влажности от 0 до 98 %; -диапазон измерений атмосферного давления от 86 до 106 кПа |
А = ±0.3 °C А = ±3 % А = ±2,5 кПа |
Термометр лабораторный электронный «ЛТ-300» |
Диапазон измерений температуры от минус 50 до 200 °C |
Д = ±0.05 °C |
Мультиметр «Ресурс-ПЭ» (2 шт.) |
-Диапазон измерений действующего значения напряжения переменного тока от 15 до 300 В -диапазон измерений действующего значения силы переменного тока от 0,05 до 7.5 А -диапазон измерений частоты от 49 до 51 Гц -диапазон измерений угла сдвига фаз от 0 до 60°
|
8 = ±0,2 % 5 = ±0,3 % А = ±0,02 Гц А = ±0.1° 5 =±(1,0-4,0) % 8 =±(0.5^.0) % |
М илл итесл аметр портативный универсальный ТП2-2У |
Диапазон измерений магнитной индукции от 0.01 до 199.9 мТл |
6 = ±7,5 % |
Радиочасы МИР РЧ-02 |
Период формирования импульса PPS и последовательного временного кода 1 с. пределы допускаемой абсолютной погрешности синхронизации переднего фронта выходного импульса PPS со шкалой координированного времени UTC ±1 мкс | |
Секундомер СОСпр-2б |
Диапазоны измерений интервалов времени от 0 до 60 мин |
А = ±1,8 с |
Переносной компьютер с установленным программным обеспечением для настройки/конфигурирования параметров счетчиков электрической энергии |
Таблица 2 - Средства поверки
Наименование средства поверки |
Основные метрологические характеристики | |
диапазон измерений |
погрешность | |
Примечание - В таблице приняты следующие обозначения: А - абсолютная погрешность средства измерений, единица величины; 6 - относительная погрешность средства измерений. % |
-
4 Требования к специалистам, осуществляющим поверку
-
4.1 К проведению поверки АИИС КУЭ допускают лиц, достигших 18 лет и аттестованных в установленном порядке, прошедших инструктаж по технике безопасности на рабочем месте, изучивших настоящую МП, эксплуатационную документацию на АИИС КУЭ, используемые средства измерений и вспомогательные устройства.
-
4.2 Проверку нагрузки вторичных цепей измерительных трансформаторов, входящих в состав ИК АИИС КУЭ, и падения напряжения в линиях соединения счетчиков с измерительными трансформаторами напряжения должны выполнять специалисты, имеющие стаж работы по данному виду измерений не менее одного года. Измерения проводят не менее двух специалистов, один из которых должен иметь документ, подтверждающий право работы на установках свыше 1000 В с группой по электробезопасности не ниже IV.
-
5 Требования (условия) по обеспечению безопасности проведения поверки
-
5.1 При проведении поверки необходимо соблюдать требования безопасности, установленные в следующих документах:
-
- ГОСТ 12.2.003;
-
- ГОСТ 12.2.007.0;
-
- ГОСТ 12.2.007.3;
-
- ГОСТ IEC 60950-1;
-
- Правила по охране труда при эксплуатации электроустановок (утверждены Приказом Минтруда России от 15.12.2020 № 903н);
-
- Правила технической эксплуатации электроустановок потребителей (утверждены Приказом Минэнерго России от 13.01.2003 № 6).
-
- Правила технической эксплуатации электрических станций и сетей Российской Федерации (утверждены Приказом Минэнерго России от 19.06.2003 № 229).
-
5.2 При проведении поверки необходимо соблюдать требования разделов «Меры безопасности» эксплуатационных документов на средства поверки и компоненты АИИС КУЭ.
-
6 Требования к условиям проведения поверки
Условия поверки должны соответствовать рабочим условиям эксплуатации АИИС КУЭ, приведенным в эксплуатационной документации, и не выходить за нормированные условия применения средств поверки
Раздел 6 (Измененная редакция, Изм. №1)
-
7 Подготовка к поверке и опробование средства измерений
-
7.1 Перед выполнением операций поверки необходимо изучить настоящую МП, эксплуатационную документацию на поверяемую АПИС КУЭ. Непосредственно перед выполнением поверки необходимо подготовить средства поверки к работе в соответствии с их эксплуатационной документацией
-
7.2 На поверку АНИС КУЭ представляют следующие документы:
-
- описание типа АНИС КУЭ;
-
- формуляр;
-
- свидетельство о предыдущей поверке АНИС КУЭ (при периодической поверке);
-
- актуализированные паспорта-протоколы измерительно-информационных комплексов (ИНК) АНИС КУЭ;
-
- документы, удостоверяющие поверку средств измерений ИК АНИС КУЭ (действующие свидетельства и (или) знаки поверки (отметки в паспортах) измерительных трансформаторов тока и напряжения, счётчиков электрической энергии и устройства синхронизации времени УСВ-2);
-
- рабочие журналы АНИС КУЭ с данными по климатическим и иным условиям эксплуатации за интервал между поверками:
-
- эксплуатационную и техническую документацию на АИИС КУЭ, её компоненты и применяемые средства поверки;
-
- комплект документации на установленное программное обеспечение АИИС КУЭ -программный комплекс (ПК) «Энергосфера».
-
7.3 Перед проведением поверки выполняют следующие подготовительные работы:
-
- проводят организационно-технические мероприятия по доступу специалистов к местам установки компонентов ИК АИИС КУЭ, размещению средств поверки, отключению в необходимых случаях средств измерений ИК АИИС КУЭ от штатной схемы;
-
- проводят организационно-технические мероприятия по обеспечению безопасности проводимых работ в соответствии с действующими правилами и руководствами по эксплуатации применяемого оборудования;
-
- средства поверки и вспомогательное оборудование выдерживают в условиях и в течение времени, установленных в распространяющейся на них документации;
-
- все средства измерений, которые подлежат заземлению, должны быть надежно заземлены, подсоединение зажимов защитного заземления к контуру заземления должно производиться ранее других соединений, а отсоединение - после всех отсоединений.
-
7.4 Опробование
При опробовании АИИС КУЭ в целом проверяют правильность функционирования ИК. Опробование проводят в рабочих условиях эксплуатации АИИС КУЭ.
Результаты опробования положительные, если для всех поверяемых ИК текущие и архивные показания контролируемых параметров на дисплее автоматизированного рабочего места (АРМ) оператора находятся в пределах диапазонов измерений СИ ИК, указанных в паспортах, а текущие показания нештатных ситуаций отсутствуют.
-
7.4 (Введен дополнительно, Изм. №1)
-
8.1 Внешний осмотр средства измерений
-
8.1.1 Внешний осмотр проводят в местах установки компонентов ИК АИИС КУЭ, включая счетчики электрической энергии и линии связи. При внешнем осмотре проверяют:
-
-
- соответствие количества ИК и их состава (типов и заводских номеров фактически используемых СИ), типов технических и программных компонентов перечню, приведенному в формуляре и паспортах-протоколах:
-
- целостность корпусов компонентов АИИС КУЭ и отсутствие видимых механических повреждений, загрязнений, обрывов и нарушения изоляции проводников кабелей и жгутов, влияющих на функционирование АИИС КУЭ;
-
- правильность маркировки и четкость нанесения обозначений на компоненты АИИС КУЭ согласно эксплуатационной документации;
-
- наличие действующих свидетельств о поверке или знаков поверки и срок их действия для всех средств измерений ИК АИИС КУЭ;
-
- размещение и правильность соединения компонентов ИК АИИС КУЭ;
-
- наличие и прочность крепления разъемов и других элементов АИИС КУЭ;
-
- отсутствие следов коррозии и нагрева в местах подключения проводных линий.
Результаты проверки положительные, если выполняются все вышеперечисленные требования.
(Измененная редакция, Изм. №1)-
8.2 Проверка условий эксплуатации АИИС КУЭ
-
8.2.1 В ходе выполнения проверки условий эксплуатации АИИС КУЭ проверяют климатические условия в помещениях, где размещены компоненты ИК АИИС КУЭ. а также -параметры сети их питания.
-
8.2.2 Измеряют температуру окружающей среды в местах установки средств измерений ИК АИИС КУЭ. По рабочим журналам климатических условий эксплуатации АИИС КУЭ проверяют значение температуры в течение всех сезонов года.
-
Результаты проверки положительные, если значения температуры в условиях эксплуатации не выходят за границы допускаемых значений (принятых в качестве рабочих условий), регламентированных в технической документации на АИИС КУЭ и ее компоненты.
-
8.2.3 Измеряют параметры сети: напряжение, частоту и коэффициент мощности. Напряжение и коэффициент мощности измеряют во всех точках измерений АИИС КУЭ.
Результаты проверки положительные, если значения указанных параметров сети и коэффициента мощности в условиях эксплуатации не выходят за границы допускаемых значений (принятых в качестве рабочих условий), регламентированных в технической документации на АИИС КУЭ и ее компоненты.
-
8.2.4 Для каждой точки измерений АИИС КУЭ определяют диапазон силы электрического тока нагрузки, который должен включать все возможные значения силы тока. Результаты проверки положительные, если указанный диапазон находится в пределах от 0,017Н0м до 1,27НОм< где /ном - номинальное значение силы электрического тока.
-
8.2.5 Измеряют магнитную индукцию внешнего поля в непосредственной близости от счетчиков. Результаты проверки положительные, если значение магнитной индукции не превышает 0,5 мТл.
-
8.2.6 В качестве результатов проверок, выполненных по 8.2.2-8.2.5 настоящей МП, могут быть использованы результаты ранее выполненных измерений при условии, что с момента их получения не произошли изменения, которые могли бы изменить эти данные.
Результаты проверки положительные, если условия эксплуатации АИИС КУЭ и ее компонентов удовлетворяют рабочим условиям применения, регламентированным в распространяющейся на них документации.
-
8.3 Проверка нагрузки вторичных цепей измерительных трансформаторов напряжения
-
8.3.1 Проверку нагрузки вторичных цепей трансформаторов напряжения проводят в соответствии с рекомендациями МИ 3195. Измеренная мощность нагрузки трансформаторов напряжения для каждого ИК АИИС КУЭ должна находиться в пределах от 25 до 100% от номинального значения.
-
8.3.2 Допускается измерения мощности нагрузки вторичных цепей трансформаторов напряжения не проводить, если такие измерения проводились при составлении паспортов-протоколов на информационно-измерительные комплексы.
-
8.3.3 Допускается мощность нагрузки вторичных цепей трансформаторов напряжения определять расчетным путем, если известны входные (проходные) импедансы всех устройств, подключенных ко вторичным обмоткам измерительных трансформаторов напряжения.
-
Результаты проверки положительные, если нагрузка вторичных цепей трансформаторов напряжения находится в пределах от 25 до 100 % от номинального значения.
-
8.4 Проверка нагрузки вторичных цепей измерительных трансформаторов тока
-
8.4.1 Проверку нагрузки вторичных цепей трансформаторов тока проводят в соответствии с рекомендациями МИ 3196. Измеренная вторичная нагрузка трансформаторов тока для каждого ИК АИИС КУЭ должна находиться в пределах от 25 до 100 % от номинального значения.
-
8.4.2 Допускается измерения мощности нагрузки вторичных цепей трансформаторов тока не проводить, если такие измерения проводились при составлении паспортов-протоколов на информационно-измерительные комплексы.
-
8.4.3 Допускается мощность нагрузки вторичных цепей трансформаторов тока определять расчетным путем, если известны входные (проходные) импедансы всех устройств, подключенных ко вторичным обмоткам измерительных трансформаторов тока.
-
Результаты проверки положительные, если нагрузка вторичных цепей трансформаторов тока находится в пределах от 25 до 100 % от номинального значения.
-
8.5 Проверка падения напряжения в линиях соединения счетчиков с измерительными трансформаторами напряжения
-
8.5.1 Проверку падения напряжения в линиях соединения счетчиков с измерительными трансформаторами напряжения проводят для каждой фазы ИК АИИС КУЭ. Измерения напряжения при четырёхпроходной схеме подключения TH проводят для фазных напряжений, при трёхпроходной схеме подключения - для линейных напряжений. Падение напряжения не должно превышать 0,25 % от номинального значения напряжения на вторичной обмотке TH.
-
8.5.2 Для каждого ИК. подлежащего испытаниям, выполняют следующие действия.
-
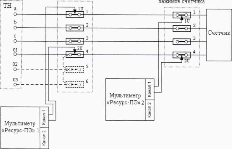
8.5.2.1 Подключают средства измерений в соответствии со схемой, изображенной на рисунке 1. На данной схеме под TH понимаются три однофазных измерительных трансформатора напряжения (могут присутствовать выводы 02 и 03 и контактные элементы 5 и 6 с соответствующими связями).
-
8.5.2.2 Значения падения напряжения и погрешности, возникающей из-за падения напряжения во вторичных цепях измерительных TH. определяют путём одновременного измерения напряжений на вторичной обмотке TH и на входе счётчика с использованием двуэс мультиметров «Ресурс ПЭ».
-
8.5.2.3 Используя руководство по эксплуатации на мультиметр «Ресурс ПЭ», проводят синхронизацию результатов измерений напряжения и времени.
-
-
Рисунок 1
-
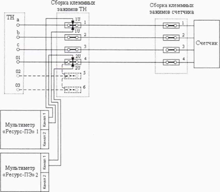
8.5.2.4 Подключают средства измерений в соответствии со схемой, изображенной на рисунке 2.
-
8.5.2.5 Используя руководство по эксплуатации на мультиметр «Ресурс ПЭ», проводят измерения напряжений: U\ - результат измерений напряжения мультиметром «Ресурс ПЭ» 1, 0 2 -результат измерений напряжения мультиметром «Ресурс ПЭ» 2.
-
8.5.2.6 Вычисляют значение погрешности из-за потерь в линиях присоединения трансформаторов напряжения к счетчику. dU. %, по формуле:
'б[/=(^-ОД/^г100%. (1)
-
8.5.2.7 Переносят выводы «1U» обоих мультиметров на клеммные контакты 2 (схема рисунка 2) и выполняют операции по 8.5.2.4 - 8.5.2.6 настоящей МП.
-
8.5.2.8 Переносят выводы «Ш» обоих мультиметров на клеммные контакты 3 (схема рисунка 2) и выполняют операции по 8.5.2.4 - 8.5.2.6 настоящей МП.
-
8.5.2.9 Результаты проверки положительные, если выполняется следующее условие:
8(/< 0.25 %. (2)

Сборка клеммных
Сборка клеммных зажимов TH

Рисунок 2
-
8.5.3 Допускается проверку падения напряжения в линиях соединения счетчиков с TH (погрешность из-за потерь в линиях присоединения TH к счетчикам) не проводить, если такие проверки проводились при составлении паспортов-протоколов на информационно-измерительные комплексы.
-
8.5.4 Допускается проверку падения напряжения в линиях соединения счетчиков с измерительными трансформаторами напряжения определять расчетным путем, если известны параметры линии соединения и сила электрического тока, протекающего через линию соединения.
-
8.5.5 В случае отсутствия измерительного трансформатора напряжения падение напряжения от точки измерений до счетчика электрической энергии не должно превышать 0.25 % от номинального значения напряжения.
Результаты проверки положительные, если значение падения напряжения в линиях соединения счетчиков с измерительными трансформаторами напряжения для каждого ПИК не превышает допустимого значения 0,25 %.
-
8.6 Проверка системы обеспечения единого времени
-
8.6.1 Проверку системы обеспечения единого времени (СОЕВ) проводят с использованием радиочасов МИР РЧ-02, хранящих шкалу времени, синхронизированную с метками шкалы координированного времени государственного первичного эталона Российской Федерации UTC (SU). В соответствии с эксплуатационной документацией подключают радиочасы МИР РЧ-02 к переносному компьютеру и выполняют их настройку с использованием программы «Конфигуратор радиочасов МИР РЧ-02» (конфигуратор). В качестве сигналов точного времени допускается использовать эталонные сигналы времени, передаваемые по сети Интернет.
-
8.6.2 Проверку расхождения между шкалами времени внутренних часов компонентов СОЕВ и радиочасов проводят для счетчиков и сервера следующим образом:
-
-
- счетчик (сервер) переводят в режим отображения текущего времени;
-
- одновременно фиксируют показания «ВРЕМЯ UTC» во вкладке «Синхронизация» конфигуратора и текущее время, отображаемое на индикаторах счетчиков (сервере);
-
- определяют разницу (без учёта количества часов) между шкалами времени часов компонентов СОЕВ и временем UTC (SU).
-
8.6.3 Проверку синхронизации шкал времени внутренних часов компонентов СОЕВ проводят сравнением показаний текущего времени. Определяют различие показаний текущего времени между шкалами сервера и устройства синхронизации времени У СВ-2, счетчиков и сервера. Проверку правильности работы системы коррекции времени выполняют также по журналам событий, определяя расхождение времени корректируемого и корректирующего компонентов СОЕВ в момент, непосредственно предшествующий коррекции.
Результаты проверки положительные, если:
-
- расхождение шкалы времени часов любого компонента СОЕВ АИИС КУЭ со шкалой координированного времени UTC (SU) не превышает 5 с;
-
- синхронизация времени осуществляется успешно, коррекция выполняется согласно алгоритму, приведённому в описании типа и формуляре АИИС КУЭ.
-
8.7 Проверка отсутствия ошибок информационного обмена
-
8.7.1 Проверка отсутствия ошибок информационного обмена предусматривает экспериментальное подтверждение подлинности измерительной информации в счетчиках электрической энергии (исходная информация) и базе данных сервера.
-
8.7.2 Проверяют функционирование АРМ оператора, сервера и связующих компонентов, в том числе вспомогательных устройств: проводят опрос текущих показаний со всех счетчиков электрической энергии, с АРМ оператора проверяют глубину хранения измерительной информации, хранящейся в базе данных сервера, проверяют правильность значений коэффициентов трансформации измерительных трансформаторов.
-
8.7.3 На компьютере АРМ оператора распечатывают профиль нагрузки по всем ИК АИИС КУЭ (измеренные значения тридцатиминутных приращений активной и реактивной электрической энергии (мощности)) за полные сутки, предшествующие дню проверки. Проверяют наличие данных, соответствующих каждому тридцатиминутному интервалу времени.
-
Результаты проверки положительные, если опрошены все счетчики, отсутствует пропуск данных (за исключением случаев, когда этот пропуск был обусловлен отключением ИК или устраненным отказом какого-либо компонента ИК), коэффициенты трансформации соответствуют данным, приведенным в формуляре и описании типа на АИИС КУЭ.
(Измененная редакция, Изм. №1)-
8.7.4 Проверяют работоспособность счетчиков: правильность работы всех сегментов индикатора, отсутствие кодов ошибок или предупреждений, «прокрутку» параметров в заданной последовательности, соответствие индикации текущей даты в счетчике календарной дате (число, месяц, год).
Подключают счетчик к переносному компьютеру с установленным программным обеспечением конфигурации счетчиков, считывают результаты измерений электрической энергии (мощности) за установленный интервал времени и журналов событий с отметками коррекции времени. Профиль нагрузки со счетчика считывают за те же сутки, что и в проверке по 8.7.3 настоящей МП. Сравнивают значения тридцатиминутных приращений активной и реактивной электрической энергии (мощности), хранящихся в памяти счетчика и базе данных (с учетом коэффициентов трансформации измерительных трансформаторов). Проверку расхождений значений электрической энергии допускается проводить выборочно для двух ИК АИИС КУЭ.
Результаты проверки положительные, если подтверждена работоспособность счетчиков и расхождение результатов измерений счетчика и значений электрической энергии (мощности) на АРМ оператора не превышает одной единицы младшего разряда измеренных значений.
-
8.7.5 Распечатывают журналы событий счетчика и отмечают моменты времени, соответствующие нарушению связи между компонентами ИК АИИС КУЭ. Проверяют сохранность измерительной информации в памяти счетчиков и базе данных АРМ оператора на тех интервалах времени, в течение которых была нарушена связь.
Результаты проверки положительные, если обеспечивается сохранность измерительной информации при нарушении связи между компонентами ИК АИИС КУЭ.
-
8.7.6 Проверку передачи информации на верхний уровень осуществляют с помощью ПК «Энергосфера», установленного на сервере и компьютерах АРМ оператора. Проверяют, что данные формируются и передаются в центры сбора информации в автоматическом режиме.
Результаты проверки положительные, если имеется информация (электронное письмо), подтверждающая получение данных.
-
8.8 Определение метрологических характеристик средства измерений
I
(Измененная редакция, Изм. №1)
-
8.8.1 Измерительные каналы АИИС КУЭ обеспечивают метрологические характеристики, нормированные в описании типа АИИС КУЭ. при использовании поверенных средств измерений ИК АИИС КУЭ и соблюдении рабочих условий применения АИИС КУЭ и ее компонентов, установленных в технической документации.
-
8.8.2 Границы основной относительной погрешности ИК АИИС КУЭ при измерении активной и реактивной электрической энергии 80, %, при доверительной вероятности, равной 0,95, вычисляют по формуле
50 =±1,1-Л 5^+8g+5^0 , (3)
где 8] - относительная токовая погрешность ТТ, % (определяют по ГОСТ 7746);
6, - относительная погрешность напряжения TH. % (определяют по ГОСТ 1983);
80 - относительная погрешность трансформаторной схемы подключения счетчика за счет
угловых погрешностей ТТ и TH, %, определяемая по формулам

COS ф
5е =±0,029 ■
- для активной электрической энергии;

- для реактивной электрической энергии;
где 0| - угловая погрешность ТТ. минуты (определяют по ГОСТ 7746);
0и - угловая погрешность TH, минуты (определяют по ГОСТ 1983);
coscp - коэффициент мощности контролируемого присоединения;
8Л - относительная погрешность из-за потери напряжения в линии присоединения TH к счетчику (принимают равной 0,25 %);
8С0 - основная относительная погрешность счетчика (определяют по ГОСТ Р 52323, ГОСТ 31819.22 и ГОСТ Р 52322, ГОСТ 31819.21 для расчета границ относительной погрешности измерений активной электрической энергии и средней мощности, по ГОСТ Р 52425 и ГОСТ 31819.23 - для расчета границ относительной погрешности измерений реактивной энергии и средней мощности).
(Измененная редакция, Изм. №1)В качестве нормальных условий эксплуатации компонентов АИИС КУЭ приняты:
-
- температура окружающей среды измерительных трансформаторов от минус 40 °C до плюс 40 °C;
-
- температура окружающей среды счетчиков и сервера от 15 °C до 25 °C;
-
- параметры сети: напряжение (0,9-1,1)77н; сила тока (0.01-1,20)7Н и (0,05-1,20) 7Н.
-
8.9 Подтверждение соответствия средства измерений метрологическим требованиям
Действительные метрологические характеристики (классы точности) измерительных трансформаторов и счетчиков электрической энергии, входящих в состав ИК АПИС КУЭ. принимают равными значениям, приведённым в описаниях типа средств измерений, паспортах и подтвержденных действующими свидетельствами о поверке и (или) знаками поверки.
Результаты проверки положительные. если действительные метрологические характеристики (классы точности) измерительных трансформаторов и счетчиков соответствуют значениям, приведенным в описании типа АИИС КУЭ, и фактические значения основной относительной погрешности измерительных каналов АИИС КУЭ при измерении активной и реактивной электрической энергии не превышают допускаемых границ, приведенных в описании типа АИИС КУЭ.
8.9 (Введен дополнительно, Изм. №1)-
8.10 Проверка программного обеспечения средства измерений
-
8.10.1 Проверка идентификационных данных ПО АИИС КУЭ
-
8.10.1.1 Проверку соответствия программного обеспечения АИИС КУЭ проводят в процессе его штатного функционирования. Структура и функции прикладного ПО АИИС КУЭ:
-
- программы ПК «Энергосфера», установленные и функционирующие на сервере и компьютерах АРМ оператора, осуществляет обработку и отображение результатов измерений, формирование и передачу в центры сбора информации, отчетных документов, конфигурирование и настройку ПО;
-
- встроенное ПО счетчиков осуществляет вычисление приращений активной и реактивной электрической энергии и средней мощности.
На компьютерах АРМ оператора установлена программа «АРМ Энергосфера».
-
8.10.1.2 Метрологически значимой частью ПК «Энергосфера» является библиотека «pso_metr.dll», расположенная на диске «С» сервера (рисунок 3) и предназначенная для обработки информации, поступающей от счетчиков электрической энергии.
ГФ •
SO
1 Главна» Поделиться 8ид
«- » t « Локальный диск (С:)
► Program Files (х86)
► Pro soft-Systems »
EnergoSpnere 7 в SO
Имя
Дата изменения
Тип
Размер
£ Рабочий стол
? Администратор
, , elec.uni.so
К 06.20031&21
Файл *30*
5 IS
*• Этот компьютер
. electro.so
03.06.200910:21
файл "50*
SIS
Документы
electro.B.so
03 06/0091021
Файл “30*
6 IS
* Загрузки
,__electro.C.so
03.0o.iCO? 1521
Файл *5С"
6 IS
electro PPK.so
03.06/0091521
Файл “S0*
6 IS
Е Рабочий стол
м Локальный диск (С:)
% eventso.dll
06.057011 I&31
Расширение при...
3 КБ
■Д DVD RW дисковод (Е:)
>. hbeay32.dll
21.057012 1720
Расширение при.,
1 039 КБ
(0PSO
3 С.11.20161Й13
Причрх.екме
28 313 КБ
Сеть
•< pso_metr.dll
25.05.201? 1й19
Расширение при.
157 КГ,
Л Паиель управления
'<■ ssleay32.dll
21.05.2012 17-.2С
Расширение при —
270 КБ
standard.so
03.0670091521
Файл “$0“
7 КБ
« Кораина
Рисунок 3
-
8.10.1.3 Идентификация метрологически значимой части ПО АИИС КУЭ выполняется по команде оператора вычислением значения хэш-кода файла библиотеки «pso_metr.dll» следующим образом:
-открыть «рабочий стол» компьютера сервера в шкафу «Сервер АИИС КУЭ» или через соединение на компьютере АРМ оператора под правами пользователя «администратор»;
-
- запустить программу «DAMN Hash Calculator», нажав на ярлык «HashCalc», установленный на рабочем столе компьютера сервера;
-
- удалить все «галочки» в поле выбора алгоритма, нажав на кнопку «Clear all»;
-
- выбрать алгоритм для расчета хэш-кода - MD5, установив соответствующую «галочку»;
-выбрать файл, для которого выполняется вычисление хэш-кода, нажав на кнопку «...» (путь к файлу указан на рисунке 3);
-
- вычислить значение хэш-кода, нажав кнопку «Calculate».
Select all
Clear al
Hi DAMN Hash Calculator
SHA |
HAVAL ---- |
Others |
Г 160 Г 256 |
Г 128 Г 160 Г 192 Г 224 Г 256 |
Г RIPEMD-160 |
# of passes |
Р MD5 | |
Г 384 Г 512 |
Г 3 Г 4 Г 5 |
Г CRC-32 |
T ake hash of
Г* Text
<* File CAPtogram Files |x86|\Prosoft-Sy$tems\EnefgoSphere ASO\pso_metr.dll
Calculating hash of 160768 bytes file 'C:\Prograa Files <x86)\Prosoft-Systens\EnergoSphere 7\S0\pso_aetr.dll’...
HDS : CBEB6F6CA69318BED976E08AZBB7814B
Calculation took 0.016 seconds
About.. Exit
S* Stay on top Calculate
Рисунок 4 - Внешний вид окна программы вычисления хэш-кода «DAMN Hash Calculator»
-
8.10.1.4 Проверяют, что идентификационные данные соответствуют значениям, приведённым в таблице 3.
Таблица 3 - Идентификационные данные метрологически значимой части
Идентификационные данные (признаки) |
Значение |
Идентификационное наименование ПО |
ПК «Энергосфера» |
Номер версии (идентификационный номер) ПО |
не ниже 8.0 |
Цифровой идентификатор ПО |
cbeb6f6ca69318bed976e08a2bb7814b для файла «pso metr.dll» |
Алгоритм вычисления цифрового идентификатора ПО |
MD5 |
-
8.10.1.5 Проверка наименования и номера версии программ ПК «Энергосфера» осуществляется на компьютере АРМ оператора и сервера с использованием программы «Менеджер программ» ПК «Энергосфера» или через вызов окна «О программе» в меню «Справка» каждой программы.
Результаты проверки положительные, если идентификационные данные метрологически значимой части ПО АИИС КУЭ соответствуют данным, приведённым в 8.10.1.4 настоящей МП и описании типа средства измерений.
8.10.2 Проверка зашиты ПО АИИС КУЭ и данных
-
8.10.2.1 Проверку защиты ПО АИИС КУЭ и данных от преднамеренных и непреднамеренных изменений проводят на аппаратном и программном уровнях.
-
8.10.2.2 Проверку защиты ПО АИИС КУЭ на программном уровне проводят следующим образом:
-
- проверяют наличие средств обнаружения и фиксации событий в журналах;
-
- проверяют корректность реализации управления доступом к ПО АИИС КУЭ (разграничение прав посредством назначения уровней доступа для различных групп пользователей);
-
- проверяют соответствие полномочий пользователей, имеющих различные права доступа.
Результаты проверки положительные, если осуществляется авторизованный доступ к выполнению функций ПО АИИС КУЭ и базе данных сервера.
-
8.10.2.2 Проверку защиты ПО АИИС КУЭ и данных на аппаратном уровне проводят проверкой ограничения доступа к техническим средствам АИИС КУЭ (измерительным трансформаторам, счетчикам электрической энергии, УСПД. и компьютерам АРМ оператора), наличия средств механической защиты и опломбирования счетчиков и испытательных коробок.
Результаты проверки положительные, если средства измерений и оборудование АИИС КУЭ конструктивно защищены в точках, где возможно несанкционированное воздействие на результаты измерений, имеются замки на шкафах и пломбы.
9 Оформление результатов поверки-
9.1 Результаты поверки оформляют протоколом по форме, принятой в организации, проводящей поверку.
-
9.2 При положительных результатах поверки АИИС КУЭ вносят сведения в Федеральный информационный фонд по обеспечению единства измерений. Оформляют свидетельство о поверке с обязательным указанием на обратной стороне свидетельства или в приложении к нему информации о количестве, составе (с указанием типов СИ и заводских номеров) и метрологических характеристиках поверенных ИК. Знак поверки может наноситься на свидетельство о поверке АИИС КУЭ.
(Измененная редакция, Изм. №1)
9.3 (Исключен, Изм. №1)-
9.5 Отрицательные результаты поверки оформляют извещением о непригодности средства измерений. В приложении к извещению приводят перечень ИК не прошедших поверку. Измерительные каналы АИИС КУЭ, прошедшие поверку с отрицательным результатом, не допускаются к использованию.
(Измененная редакция, Изм. №1)
Приложение А (Исключено, Изм. №1)
Приложение Б (Исключено, Изм. №1)
Приложение В Перечень ссылочных документов (справочное)-
1 ГОСТ Р 8.596-2002 ГСП. Метрологическое обеспечение измерительных систем. Основные положения.
-
2 ГОСТ Р 52322-2005 Аппаратура для измерения электрической энергии переменного тока. Частные требования. Часть 21. Статические счетчики активной энергии классов точности 1 и 2.
-
3 ГОСТ Р 52323-2005 Аппаратура для измерения электрической энергии переменного тока. Частные требования. Часть 22. Статические счетчики активной энергии классов точности 0.2S и 0,5S.
-
4 ГОСТ Р 52425-2005 Аппаратура для измерения электрической энергии переменного тока. Частные требования. Часть 23. Статические счетчики реактивной энергии.
-
5 ГОСТ IEC 60950-1-2014 Оборудование информационных технологий. Требования безопасности. Часть 1. Общие требования.
-
6 ГОСТ 12.2.003-91 ССБТ. Оборудование производственное. Общие требования безопасности.
-
7 ГОСТ 12.2.007.0-75 безопасности.
ССБТ. Изделия электротехнические.
Общие требования
-
8 ГОСТ 12.2.007.3-75 ССБТ. Электротехнические устройства на напряжение свыше 1000 В. Требования безопасности.
-
9 ГОСТ 1983-2001 Трансформаторы напряжения. Общие технические условия.
-
10 ГОСТ 1983-2015 Трансформаторы напряжения. Общие технические условия.
-
11 ГОСТ 7746-2001 Трансформаторы тока. Общие технические условия.
-
12 ГОСТ 7746-2015 Трансформаторы тока. Общие технические условия.
-
13 ГОСТ 31819.21-2012 (IEC 62053-21:2003) Аппаратура для измерения электрической энергии переменного тока. Частные требования. Часть 21. Статические счетчики активной энергии классов точности 1 и 2.
-
14 ГОСТ 31819.22-2012 Аппаратура для измерения электрической энергии переменного тока. Частные требования. Часть 22. Статические счетчики активной энергии классов точности 0.2S и 0,5S.
-
15 ГОСТ 31819.23-2012 Аппаратура для измерения электрической энергии переменного тока. Частные требования. Часть 23. Статические счетчики реактивной энергии.
-
16 МИ 3195-18 ГСИ. Методика измерений мощности нагрузки измерительных
трансформаторов напряжения в условиях эксплуатации.
-
17 МИ 3196-18 ГСИ. Методика измерений мощности нагрузки измерительных
трансформаторов тока в условиях эксплуатации.
Приложение В (Измененная редакция, Изм. №1)ГСИ. Система автоматизированная информационно-измерительная коммерческого учета электроэнергии
ТЭЦ АО «СХК». Методика поверки