Методика поверки «Модули безопасного вычисления МБВ» (ТТСК.465700.003 М3)
Инв. № подл. I Подпись и дата I Взам. инв. № I Инв. № дубл. I Подпись и дата I I Справ. № I Пере, примен.
УТВЕРЖДАЮ: ный директор О «ТМС РУС»
_С.П. Рубанов
» 2019 г.
Модули безопасного вычислителя МБВ МЕТОДИКА ПОВЕРКИ
ТТСК.465700.003 М3
Д<ТЕЛКО(1)ТМосква 2019
|
ТТСК.465700.003 М3 |
Лист | |||||
|
1 | ||||||
|
Изм. |
Лист |
№ докум. |
Подпись |
Дата |
|
ТТСК.465700.003 М3 | ||||||||
|
Изы. |
Лист |
Ns докум. |
Подпись |
Дато | ||||
|
Разраб. |
Блачёв К.Э. |
Модули безопасного вычислителя МБВ. |
Лит. |
Лист |
Листов | |||
|
Провер. |
Белоусов П.П. |
Т |
2 |
11 | ||||
|
Согласовал |
Методика поверки |
ООО «Траснтелесофт» | ||||||
|
Н. Контр. |
Якушин П.Е. | |||||||
|
Утверд. |
Чабанов А.А.. | |||||||
|
Настоящая методика предназначена для поверки функции измерения частоты от датчиков пути и скорости модулем безопасного вычислителя МБВ в составе локомотивной бортовой системы безопасности движения «Борт» (далее - модули). Методика применяется при приемо-сдаточных испытаниях на предприятии изготовителе, периодической поверке, а также при поверке после ремонта. При проведении поверки определяется наибольшая абсолютная погрешность измерения частоты следования импульсов, которая не должна превышать в диапазонах: от 3 до 15 Гц включительно со значением ПГ ±1 Гц; свыше 15 до 1500 Гц со значением ПГ ±2 Гц. Модули предназначены для работы с датчиками угла поворота универсальными ДПС-У (ПЮЯИ.468179.001) утвержденного типа (Регистрационный номер в Федеральном информационном фонде 18040-09). Интервал между поверками модулей составляет 1 год. | ||||||
|
ТТСК.465700.003 М3 |
Лист 3 | |||||
|
Изм. |
Лист |
Ns докум. |
Подпись |
Дата | ||
-
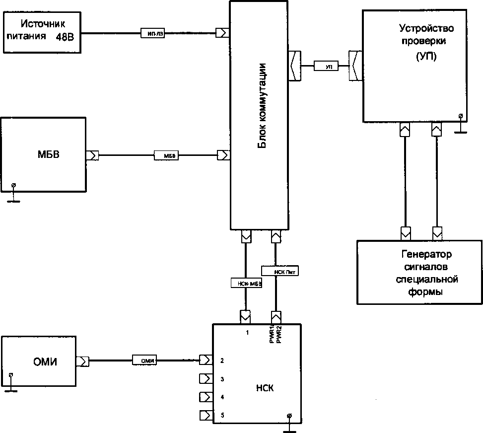
1.1 Испытания проводятся на стенде, представленном на рис. 1.

МБВ - модуль безопасного вычислителя;
ОМИ - основной модуль индикации;
УП - устройство проверки;
ИСК - неуправляемый сетевой коммутатор.
Рисунок 1 - Схема стенда для поверки модулей
-
1.2 При проведении поверки функции измерения частоты должны использоваться средства измерений, указанные в таблице 1, и дополнительное оборудование, указанное в таблице 2. Средства измерений, применяемые при
ТТСК.465700.003 М3
Лист
4
Изм.
Лист
Ns докум.
Подпись
Дата
поверке, должны быть поверены и иметь действующее свидетельство о поверке или клеймо, удостоверяющее её проведение.
Таблица 1 - Перечень средств измерений, применяемых при поверке
|
Наименование и обозначение |
Основные технические характеристики |
Класс точности (погрешность) |
Количество, шт. |
|
Генератор сигналов произвольной формы DG4102 |
Диапазон частот от 1 мкГц до 40 МГц, два выходных канала |
±2 - lO^ Fycr |
1 |
|
Источник питания GW Instek PSM-76003 |
Напряжение до 60 В, ток до 5 А |
±1 В |
1 |
|
Измеритель параметров электробезопасности электроустановок MPI-525 |
от 0 до 9,99 ГОм |
±(0,03R + 8e.M.p.) |
1 |
|
Примечания:
| |||
Таблица 2 - Перечень вспомогательного оборудования
|
Наименование |
Обозначение |
Количество, пгг. |
Примечание |
|
МБВ |
ТТСК.465700.003 |
1 | |
|
ОМИ |
ТТСК.465700.051 |
1 | |
|
УП |
ТТСК.465700250 |
1 | |
|
нск |
ТТСК.465700.101 |
1 | |
|
Комплект кабелей |
ТТСК.685662 |
7 |
|
ТТСК.465700.003 М3 |
Лист | |||||
|
5 | ||||||
|
Изм. |
Лист |
№ докум. |
Подпись |
Дата |
-
2.1 Проверка должна производиться в нормальных климатических условиях согласно ГОСТ 15150-69:
-
1) температура окружающей среды от 15 до 35° С;
-
2) относительная влажность воздуха от 45 до 80 %;
-
3) напряжение питания стенда (48±2) В.
-
3.1 Поверка предназначена для определения точности измерения частоты сигнала от датчика пути и скорости (ДПС-У) и соответствия показаний скорости движения.
-
3.2 Частота, поступающая от ДПС-У имитируется генератором и связана со скоростью движения следующей формулой:
V-N F _ 3,6-tt-D'

где V - скорость движения локомотива, км/ч;
N - число зубьев датчика скорости;
D - диаметр бандажа колеса, м;
3,6 - коэффициент пересчёта м/с в км/час.
-
3.3 Учитывая, что поверка осуществляется при N = 42 и D = 1,18м формула (1) упрощается:
F = 3,1471 ■ V (Гц) (2)
или
V = 0,31775 ■ F (км/ч) (3)
-
3.4 В соответствии с (3) рассчитано соответствие между частотой показаниями модулей, которые приведены в таблице А2 Приложения А. Следует помнить, что скорость в системе отображается с округлением до 1 км/час.
-
3.5 Абсолютная погрешность измерения частоты 4F рассчитывается по формуле:
ТТСК.465700.003 М3
Лист
6
Изм.
Лист
№ докум.
Подпись
Дата
AF = |Гизм — Гинд|,
где Fu3M - частота измеренная частотомером; Fund - частота отображаемая на мониторе.
4 Требования техники безопасности-
4.1 При поверке должны быть соблюдены стандартные меры безопасности при работе с электрооборудованием, питающемся от переменного напряжения 220 В.
-
4.2 Блоки и приборы, входящие в состав измерительного стенда, должны быть заземлены.
-
5.1 Все блоки системы Борт должны иметь отметки ОТК или сервисного центра, в котором производилась их проверка.
-
5.2 Блоки, применяемые при поверке измерителя скорости, необходимо выдержать в течение 4 часов в нормальных условиях, если перед поверкой они находились в климатических условиях, отличающихся от требований раздела 2.
-
6.1 Проверить электрическое сопротивление изоляции модулей (только при первичной поверке) относительно его корпуса между контактами для подсоединения напряжения питания и корпусом по методике, изложенной в ГОСТ Р 52931. Модули считают прошедшими поверку, если измеренное сопротивление изоляции не менее 100 МОм.
-
6.2 Собрать рабочее место для поверки в соответствии с рисунком 1.
-
6.3 Проверить идентификационные данные программного обеспечения. Для этого на ОМИ:
-
• убедиться, что показание скорости равно нулю;
-
• нажать кнопку «Е» и выбрать в появившемся списке «МБВ-С»;
ТТСК.465700.003 М3
Лист
7
Изм.
Лист
№докум.
Подпись
Дата
-
• нажать кнопку «Е» и выбрать в появившемся списке пункт «Прошивка»;
-
• нажать кнопку «Е» и считать с экрана версию ПО и контрольную сумму;
-
• для выхода из меню 4 раза нажать кнопку «С».
Программное обеспечение должно соответствовать таблице 3.
Таблица 3 - идентификационные данные программного обеспечения
|
Идентификационные данные (признаки) |
Значение |
|
Наименование ПО |
Версия ПО «МБВ-С» |
|
Версия ПО (не ниже) |
1.3.0.0 |
-
6.4 Установить на выходе источника питания напряжение 48±2 В и подключить его к испытательному стенду.
-
6.5 С помощью ОМИ ввести в модуль следующие параметры:
-
• число зубьев датчика ДПС равное 42;
-
• установка ДПС справа;
-
• диаметр бондажа равным 1180 мм;
-
• войти в пункт меню Диагностика / Датчики скорости.
-
6.6 Установить для обоих каналов генератора режим генерации прямоугольных однополярных импульсов с амплитудой 3-5 В и относительным сдвигом фаз 30-60 град.
-
6.7 Последовательно устанавливая на выходах генератора частоты согласно таблице А.2 Приложения А. Считать показания частоты с ОМИ, а также индицируемую скорость движения. Результаты занести в протокол поверки.
-
6.8 Рассчитать абсолютные погрешности для каждого измерения и определить наибольшее из них.
ТТСК.465700.003 М3
Лист
8
Изм.
Лист
Мдокум.
Подпись
Дата
-
6.9 Оценить корректность показаний скорости согласно таблице А.2 Приложения А.
-
7.1 По результатам поверки оформляется протокол в свободной форме согласно требованиям ГОСТ ИСО/МЭК 17025.
-
7.2 При положительных результатах поверки оформляется свидетельство о поверке и/или знак поверки наносится в паспорт модуля согласно приказу Минпромторга России от 02.07.2015 № 1815 «Об утверждении порядка проведения поверки средств измерений, требования к знаку поверки и содержанию свидетельства о поверке».
-
7.3 При отрицательных результатах поверки преобразователя выписывается извещение о непригодности к применению согласно приказу Минпромторга России от 02.07.2015 № 1815.
-
7.4 Перечень вспомогательного оборудования приводится в протоколе в соответствии с таблицей А.1 Приложения А, результаты поверки - в соответствии с таблицей А.2 Приложения А.
-
7.5 Протокол первичной поверки прикладывается к технологическому паспорту на модуль.
-
7.6 Значения наибольших абсолютных погрешностей для диапазонов частот записываются в раздел «Свидетельство о приёмке» паспорта на модуль.
ТТСК.465700.003 М3
Лист
9
Изм.
Лист
№ докум.
Подпись
Дата
(обязательное)
Таблица А.1 - Перечень вспомогательного оборудования
|
Наименование и обозначение контрольного |
Заводской |
|
оборудования |
номер |
|
Устройство проверки (УП) | |
|
Модуль безопасного вычислителя (МБВ) | |
|
Основной модуль индикации (ОМИ) | |
|
Неуправляемый сетевой коммутатор (НСК) |
Таблица А.2 - Результаты поверки
|
Частота |
Частота |
Расчётное значение |
Показание |
Абсолютная |
Допустимая абсолютная |
Абсолютная |
|
измеренная РизмуГц |
ицдицируемая Ринд,Гц |
скорости Уркч,км/ч |
скорости Vkjm, км/ч |
погрешность ЛГ,Гц |
погрешность, aF,Tu |
погрешность дУ,км/ч |
|
1 |
0 |
±1 | ||||
|
3 |
1 |
±1 | ||||
|
6 |
2 |
±1 | ||||
|
16 |
5 |
±1 | ||||
|
32 |
10 |
±1 | ||||
|
63 |
20 |
±1 | ||||
|
126 |
40 |
±1 | ||||
|
189 |
60 |
±1 | ||||
|
252 |
80 |
£2 | ||||
|
315 |
100 |
±2 | ||||
|
440 |
140 |
£2 | ||||
|
567 |
180 |
±2 | ||||
|
629 |
200 | |||||
|
693 |
220 |
±2 | ||||
|
787 |
250 |
£2 | ||||
|
1500 |
477 |
£2 |
|
ТТСК.465700.003 М3 |
Лист | |||||
|
10 | ||||||
|
Изм. |
Лист |
№ докум. |
Подпись |
Дата |
|
Изм |
Номера листов (страниц) |
Xf документа об изменении |
Срок внедрения изменения |
Подпись |
Дата | |||||||
|
изме ненных |
замененных |
НОВЫХ |
аннулированных | |||||||||
|
• | ||||||||||||
|
ТТСК.465700.003 М3 |
Лист | |||||||||||
|
11 | ||||||||||||
|
Изм. |
Лист |
NS докум. |
Подпись |
Дата | ||||||||
•осмат А4
