Методика поверки «ИНСТРУКЦИЯ Газоанализаторы "Бинар-ХХX" Методика поверки» (Код не указан!)
УТВЕРЖДАЮ

ИНСТРУКЦИЯ
Газоанализаторы ”Бинар-ХХХ”
Методика поверки
Москва 2013 г.
Настоящая инструкция распространяется на газоанализаторы "Бинар-ХХХ" ЗАО "АРТГАЗ", Москва, (далее - газоанализаторы) и устанавливает методику их первичной и периодической поверок.
Интервал между поверками - 1 год.
1 ОПЕРАЦИИ ПОВЕРКИ1.1 При проведении поверки выполняют операции, указанные в таблице 1 Таблица 1
№ п/п |
Наименование операции |
Номер пункта методики |
1 |
Внешний осмотр |
6.1 |
2 |
Опробование |
6.2 |
3 |
Проверка идентификационных данных ПО |
6.2.2 |
4 |
Определение метрологических характеристик по каналу О2 |
6.3.1 |
5 |
Определение метрологических характеристик по остальным газовым каналам |
6.3.2 |
-
1.2 Если при проведении той или иной операции поверки получен отрицательный результат, поверку прекращают.
2.1. При проведении поверки применяют средства, указанные в таблице 2. Таблица 2
№ п/п |
Наименование и обозначение средств поверки |
Метрологические и технические характеристики |
1 |
Государственные стандартные образцы - поверочные газовые смеси (ГСО-ПГС) состава NH3, Н2, SF6, NO2, SO2, О2, NO, С2НдО, H2S, СО, СО2, CHC1F2, С6Нб, С4Ню, С6Н14, СНд, СзН8, С2Нд в баллонах под давлением по ТУ 6-16-2956-92. |
Перечень ГСО-ПГС и метрологические характеристики приведены в таблице Приложения 1. |
2 |
Газовые смеси SF6 - N2 аттестованные на Государственном вторичном эталоне (ГВЭТ 154-0-1-2009) |
Диапазон измерений молярной (объемной) доли от 0,0100 до 5,00 относительная погрешность 2,5 % |
3 |
Генератор поверочных газовых смесей модульный "Инфан". |
Пределы допускаемой относительной погрешности, не более ± 7 %. |
4 |
Источники микропотока на NH3, NO2, SO2, C2H5SH, H2S, H2CO, Cl2, C6H6, HC1, HF. |
Перечень источников микропотока и метрологические характеристики приведены в таблице Приложения 1 |
5 |
Установка "Микрогаз-Ф" по ТУ 4215-004-07518800-02. |
Пределы допускаемой относительной погрешности, не более ± 7 %. |
№ п/п |
Наименование и обозначение средств поверки |
Метрологические и технические характеристики |
6 |
Генератор озона ГС-024-1 по ТУ 25-7407-040-90. |
Диапазон концентраций от 0,015 до 0,5 мг/м3, пределы допускаемой относительной погрешности ± 5%. |
7 |
Генератор спирто-воздушных смесей ПМСГВС-МЕТА 02 по ЭЛС001.0100.00.00. |
Диапазон концентраций от 40 до 2000 мг/м3, пределы допускаемой относительной погрешности ±5%. |
8 |
Секундомер механический СОСпр. |
Погрешность 0,1 с |
9 |
Барометр-анероид БАММ-1. |
Диапазон измерений атмосферного давления от 80 до 106 кПа, пределы допускаемой абсолютной погрешности ± 0,2 кПа. |
10 |
Термометр ртутный лабораторный стеклянный ТЛ-4 по ТУ 25-2021.003-88. |
Цена деления шкалы не менее 0,1 °C. диапазон измерений от 0 °C до 55 °C, погрешность ±0,1 °C. |
11 |
Ротаметр типа РМ-06 по ГОСТ 13045-81. |
Верхний предел измерений не менее 2,5 л/мин |
12 |
Трубка медицинская поливинилхлоридная (ПВХ) по ТУ 6-01-2-120-73. | |
13 |
Азот газообразный особой чистоты сорт 1-й по ГОСТ 9293-74. | |
14 |
Поверочный нулевой газ (ПНГ) -воздух марки А по ТУ 6-21-5-82 в баллонах под давлением. | |
15 |
Редуктор типа БКО-50-4 по ТУ-26.05-90-87. |
-
2.2 Допускается применение других средств измерений, обеспечивающих определение метрологических характеристик с требуемой точностью.
-
2.3 Все средства поверки должны иметь действующие свидетельства о поверке, а ГСО-ПГС в баллонах под давлением и источники микропотока - действующие паспорта.
-
3.1. При проведении поверки выполняют:
-
- правила устройства и безопасности эксплуатации сосудов, работающих под давлением;
-
- правила техники безопасности при эксплуатации электроустановок.
-
3.2. Помещение, в котором проводят поверку, оборудуют приточно-вытяжной вентиляцией.
-
3.3. Предельно допустимые концентрации в воздухе рабочей зоны производственных помещений должны соответствовать ГОСТ 12.1.005-88.
-
4.1 При проведении поверки соблюдают следующие условия:
- температура окружающей среды, °C 20 ± 5
|
до 80 84-106 |
- внешнее магнитное поле |
полное отсутствие |
5 ПОДГОТОВКА К ПОВЕРКЕ
-
5.1 Перед проведением поверки выполняют следующие подготовительные работы:
-
- поверяемый газоанализатор подготавливают к работе в соответствии с Руководством по их эксплуатации, в т.н. выдерживают при нормальной температуре не менее 2 часов, а перед испытаниями, не менее 30 минут во включенном состоянии;
-
- ГСО-ПГС в баллонах выдерживают в помещении, в котором проводится поверка, в течение 24 ч;
-
- пригодность газовых смесей в баллонах под давлением подтверждают паспортами на них.
-
5.2 Перед проведением периодической поверки выполняют регламентные работы, предусмотренные руководством по эксплуатации газоанализатора.
-
5.3 Схема подачи ГСО-ПГС из баллона под давлением приведена на рис. 1.
Рисунок 1
-
1 - Баллон с поверочной газовой смесью или воздухом
-
2 - Редуктор
-
3 - Ротаметр
-
4 - гибкий трубопровод
-
5 - газоанализатор "Бинар-ХХХ"
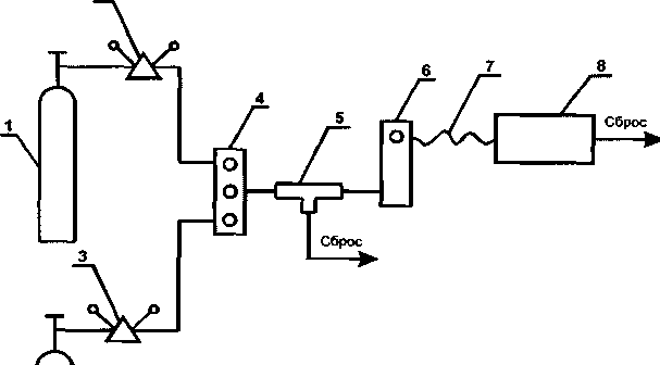
Схема подачи ГСО-ПГС с использованием термодиффузионной газодинамической установки "Микрогаз-Ф" приведена на рис. 2.
3

2
Л
Рисунок 2
-
1 - ГСО-ПГС - баллон с исходной газовой смесью
-
2 - ПНГ - баллон с поверочным нулевым газом
-
3 - редуктор
-
4 - термодиффузионная газодинамическая установка "Микрогаз-Ф"
-
5 - тройник
-
6 - ротаметр
-
7 - гибкий трубопровод
-
8 - газоанализатор "Бинар-ХХХ"
При внешнем осмотре устанавливают:
-
- отсутствие внешних повреждений, влияющих на работоспособность газоанализаторов;
-
- исправность устройств управления;
-
- сохранность пломб;
-
- четкость надписей на лицевой панели.
Газоанализаторы считаются выдержавшими внешний осмотр, если выполнены перечисленные выше требованиям.
6.2 Опробование-
6.2.1. При опробовании выполняют следующие операции:
-
- проверку общего функционирования газоанализаторов в соответствии с руководством по эксплуатации;
Газоанализаторы считаются выдержавшими опробование, если выполнены перечисленные выше требования.
-
6.2.2. Проверка идентификационных данных ПО.
Поверка газоанализаторов проводится в форме подтверждения соответствия тому ПО, которое было документировано (внесено в базу данных) при испытаниях в целях утверждения типа. Процедура соответствия сводится к сравнению идентификационных данных ПО газоанализаторов с данными, которые были внесены в описание типа.
С этой целью проводится апробация ПО. При апробации идентификационные данные ПО могут либо проявляться при запуске программы, либо вызываться по команде.
Результат проверки считается положительным, если отображаемые идентификационные данные соответствуют значениям, приведенным ниже:
наименование ПО: sensor- one_ch_lim-release
версия ПО: 1.0С
6.3 Определение метрологических характеристик 6.3.1 Определение абсолютной погрешности газоанализаторов по каналу ОгОпределение абсолютной погрешности газоанализаторов по каналу О2 проводят при поочередном пропускании ПГС в следующей последовательности 1-2-3-2-1-3. Номинальные значения содержания Ог в ПГС приведены в таблице Приложения 2.
Значения абсолютной погрешности (Д) рассчитывают для каждой ПГС по формуле (1)
д = д-л0, (1)
где Aj - показания газоанализатора, объемная доля, %;
Ао - значение объемной доли измеряемого компонента, указанное в паспорте на
гсо-пгс, %.Полученные значения допускаемой основной абсолютной погрешности измерений объемной доли кислорода не должны превышать:
в диапазоне от 1 до 30 об.доля, % ± 0,2
в диапазоне от 1 до 100 об.доля, % ± 0,5
6.3.2 Определение относительной погрешности по каналам NH3, Н2, SF6, NO2, SO2, RSH, О3, NO, С2Н4О, H2S, HCN, СО, CO2, Н2СО, HF, CHC1F2, Cl2, НС1, С2Н5ОН, С6Нб, С4Н10,С6Н14, СН4, С3Н8, С2Н4.Определение относительной погрешности газоанализаторов по каналам NH3, Нг, SF6, NO2, SO2, RSH, Оз, NO, С2Н4О, H2S, HCN, CO, CO2, H2CO, HF, CHC1F2, Cl2, HC1, C2H5OH, C6H6, C4Hio,C6Hi4, CH4, C3H8, C2H4 проводят при поочередном пропускании соответствующих ГСО-ПГС в следующей последовательности 1-2-3-2-1-3. Номинальные значения содержания анализируемых компонентов ГСО-ПГС приведены в таблице Приложения 2.
Значение относительной погрешности (<5) вычисляют по формуле (1)
<5= Л, ~Л° -100. (1)
А
где Aj - показания газоанализатора, мг/м3 или объемная доля, %;
Ао - значение массовой концентрации измеряемого компонента, указанное в паспорте на ГСО-ПГС, мг/м3 или объемная доля, %.
Полученные значения относительной погрешности не должны превышать ± 20 %.
7 ОФОРМЛЕНИЕ РЕЗУЛЬТАТОВ ПОВЕРКИ-
7.1 Результаты поверки газоанализаторов заносят в протокол.
-
7.2. Положительные результаты поверки газоанализаторов оформляют выдачей свидетельства в соответствии с ПР 50.2.006.
-
7.3. Газоанализаторы, не удовлетворяющие требованиям настоящих рекомендаций, к эксплуатации не допускаются. Газоанализаторы изымаются из обращения. Свидетельство о поверке изымают и выдают извещение о непригодности с указанием причин в соответствии с ПР 50.2.006.
-
7.4. После ремонта газоанализаторы подвергают поверке.
Ш. Р. Фаткудинова
Д.А.Пчелин
Начальник отдела ФГУП "ВНИИМС"
Инженер отдела ФГУП "ВНИИМС"
ПРОТОКОЛ ПОВЕРКИ
Газоанализатор "Бинар-ХХХ"
Зав. №________________________________________
Дата выпуска___________________________________
Дата поверки___________________________________
Условия поверки:
температура окружающего воздуха_____________°C;
атмосферное давление_______________________кПа;
относительная влажность_____________________%.
РЕЗУЛЬТАТЫ ПОВЕРКИ
-
1. Результаты внешнего осмотра______________________________
-
2. Результаты опробования__________________________________
-
3. Результаты определения погрешности
Измеряемый компонент
Диапазон измерения
Пределы допускаемой погрешности, %
Значение погрешности, полученное при поверке, %
4. Заключение_____________________________________________
Перечень поверочных газовых смесей, используемых при поверке
Диапазон измерений |
Номинальное значение определяемого компонента ПГС, пределы допускаемого отклонения от номинала |
Погрешность аттестации |
Номер ГСО-ПГС по реестру или источник ПГС | ||
ПГС №1 |
ПГС №2 |
ПГС №3 | |||
Аммиак (NH3) | |||||
от 0,1 до 10 мг/м3 |
(2,0 ± 0,2) мг/м3 |
(4,0 ± 0,4) мг/м3 |
(8,0 ± 0,8) мг/м3 |
± 7 % отн. |
«Микрогаз-Ф» в комплекте с ИМ06-М-А2 |
от 0,1 до 1000 мг/м3 |
(10 ± 2) мг/м3 |
(500 ± 100) мг/м3 |
(800 ± 160) мг/м3 |
± 4 % отн. |
9160-2008 |
Водород (Н2) | |||||
от 0,1 до 4,0 об.доля, % |
(0,50 ± 0,05) % |
± (-2,2Х±4,8) % отн. |
3909-87 | ||
(2,0 ± 0,2) % |
(3,8 ± 0,2)% |
± (-0,4Х ± 2,6) % отн. |
3915-87 | ||
Гексафторид серы (SF^ | |||||
от 100 до 10000 мг/м3 |
(150 ±30) мг/м3 |
(5000 ± 1000) мг/м3 |
(8000 ± 1600) мг/м3 |
± 5 % отн. |
Газовые смеси аттестованные на Г осударственном вторичном эталоне (ГВЭТ 154-0-1-2009) |
Диоксид азота (NO2) | |||||
от 0,1 до 10 мг/м3 |
(2,0 ± 0,4) мг/м3 |
(5,0 ± 1,0) мг/м3 |
(8,0 ± 1,6) мг/м3 |
± 10 % отн. |
8370-2003 |
от 0,1 до 200 мг/м3 |
(2,0 ± 0,4) мг/м3 |
± 10 % отн. |
8370-2003 | ||
(100 ± 10) мг/м3 |
(180 ± 18) мг/м3 |
± 7 % отн. |
8371-2003 | ||
Диоксид серы (SO2) | |||||
от 0,25 до 20 мг/м3 |
(3,0 ± 0,6) мг/м3 |
(10,0 ± 2,0) мг/м3 |
(16,0 ±3,2) мг/м3 |
± 10 % отн. |
8372-2003 |
от 0,25 до 500 мг/м3 |
(3,0 ± 0,6) мг/м3 |
± 10 % отн. |
8372-2003 | ||
(260 ± 60) мг/м3 |
(430 ± 60) мг/м3 |
± (-0,06Х+17) % отн. |
9787-2011 | ||
Кислород (О2) | |||||
от 1 до 30 об.доля, % |
(2,0 ± 0,2) % |
3 % отн. |
3720-87 | ||
(14,0 ± 0,7) % |
(28,0 ± 1,4) % |
±(-0,03Х± 1,15)% отн. |
3726-87 | ||
от 1 до 100 об.доля, % |
(2,0 ± 0,2) % |
3 % отн. |
3720-87 | ||
(50,0 ± 2,5) % |
(94,0 ± 4,7) % |
± (-0,02Х ± 2,2) % отн. |
3728-87 | ||
Диапазон измерений |
Номинальное значение определяемого компонента ПГС, пределы допускаемого отклонения от номинала |
Погрешность аттестации |
Номер ГСО-ПГС по реестру или источник ПГС | ||
ПГС №1 |
ПГС №2 |
ПГС №3 | |||
Меркаптан (RSH) | |||||
от 0,01 до 50 мг/м3 |
(5,0 ± 0,5) мг/м3 |
(25,0 ± 2,5) мг/м3 |
(45,0 ± 4,5) мг/м3 |
± 7 % отн. |
«Микрогаз-Ф» в комплекте с ИМ07-М-А2 |
Озон (Оз) | |||||
от 0,02 до 0,5 мг/м3 |
(0,05 ± 0,005) мг/м3 |
(0,25 ± 0,025) мг/м3 |
(0,45 ± 0,045) мг/м3 |
± 5 % отн. |
Генератор озона ГС-024-1 |
Оксид азота (NO) | |||||
от 0,2 до 20 мг/м3 |
(2,0 ± 0,4) мг/м3 |
(10,0 ± 2,0) мг/м3 |
(16,0 ± 3,2) мг/м3 |
± 10 % отн. |
8374-2003 |
от 0,2 до 1000 мг/м3 |
(2,0 ± 0,4) мг/м3 |
± 10 % отн. |
8374-2003 | ||
(500 ± 100) мг/м3 |
(800 ± 160) мг/м3 |
± 4 % отн. |
9189-2008 | ||
Этиленоксид (С2Н4О) | |||||
от 0,1 до 200 мг/м3 |
(10,0 ± 1,0) мг/м3 |
± 7 % отн. |
«Микрогаз-Ф» в комплекте СИМ134-М-А2 | ||
(100 ± 10) мг/м3 |
(180 ± 18) мг/м3 |
± 7 % отн. |
«Микрогаз-Ф» в комплекте с ГСО-ПГС 9541-2010 | ||
Сероводород (H2S) | |||||
от 0,02 до 20 мг/м3 |
(4,0 ± 0,4) мг/м3 |
(8,0 ± 0,8) мг/м3 |
(16,0 ± 1,6) мг/м3 |
± 7 % отн. |
«Микрогаз-Ф» в комплекте с ИМ03-М-А2 |
от 0,02 до 500 мг/м3 |
(4,0 ± 0,4) мг/м3 |
± 7 % отн. |
«Микрогаз-Ф» в комплекте с ИМ03-М-А2 | ||
(250 ± 50) мг/м3 |
(410 ± 82) мг/м3 |
± 4 % отн. |
9172-2008 | ||
Синильная кислота (HCN) | |||||
от 0,1 до 3,0 мг/м3 |
(0,3 ± 0,03) мг/м3 |
(1,50 ±0,15) мг/м3 |
(2,70 ± 0,27) мг/м3 |
± 7 % отн. |
«Инфан ЭХГ» |
Оксид углерода (СО) | |||||
от 0,1 до 200 мг/м3 |
(30 ± 4) мг/м3 |
± (-0,08Х+8,5) % отн. |
3842-87 | ||
(100 ± 7) мг/м3 |
(150 ± 7) мг/м3 |
± 2 % отн. |
3847-87 | ||
от 0,1 до 2000 мг/м3 |
(30 ± 4) мг/м3 |
± (-0,08Х+8,5) % отн. |
3842-87 | ||
(1000 ± 116) мг/м3 |
± 2 % отн. |
3854-87 | |||
(1700 ± 300) мг/м3 |
± 0,01 абс. |
«Микрогаз-Ф» в комплекте с ГСО-ПГС 3856-87 | |||
Диапазон измерений |
Номинальное значение определяемого компонента ПГС, пределы допускаемого отклонения от номинала |
Погрешность аттестации |
Номер ГСО-ПГС по реестру или источник ПГС | ||
ПГС №1 |
ПГС №2 |
ПГС №3 | |||
Диоксид углерода (СОг | |||||
от 0,1 до 5,0 об.доля, % |
(0,25 ±0,10) % |
±(-1,2Х±4,4) % отн. |
3792-87 | ||
(2,5 ± 0,2) % |
±0,1 абс. |
3793-87 | |||
(4,60 ± 0,23) % |
± 0,8 % отн. |
3795-87 | |||
от 0,1 до 100 об.доля, % |
(0,25 ±0,10) % |
±(-1,2Х±4,4) % отн. |
3792-87 | ||
(50,0 ± 2,5) % |
±(-0,01Х+1,30)%отн. |
3785-87 | |||
(94,0 ± 4,7) % |
±0,1 % отн. |
3787-87 | |||
Формальдегид (Н2СО) | |||||
от 0,1 до 2 мг/м3 |
(0,4 ± 0,04) мг/м3 |
(0,80 ± 0,08) мг/м3 |
(1,60 ±0,16) мг/м3 |
± 7 % отн. |
«Микрогаз-Ф» в комплекте с ИМ94-М-А2 |
Фтороводород (HF) | |||||
от 0,1 до 5,0 мг/м3 |
(0,15 ± 0,05) мг/м3 |
± 7 % отн. |
«Микрогаз-Ф» в комплекте СИМ130-М-А2 | ||
(2,50 ± 0,25) мг/м3 |
(4,50 ± 0,45) мг/м3 |
± 7 % отн. |
«Инфан ЭХГ» | ||
Хладон (CHCIF2) | |||||
от 100 до 350 мг/м3 (120 ± 18) мг/м3 |
(220 ± 33) мг/м3 |
(300 ± 45) мг/м3 |
± 6 % отн. |
9850-2008 | |
Хлор (С12) | |||||
от 0,1 до 10 мг/м3 |
(2,2 ± 0,2) мг/м3 |
(4,4 ± 0,4) мг/м3 |
(8,8 ± 0,8) мг/м3 |
± 7 % отн. |
«Микрогаз-Ф» в комплекте с ИМ09-М-А2 |
Хлористый водород (Н< |
С1) | ||||
от 0,2 до 20 мг/м3 |
(4,0 ± 0,4) мг/м3 |
(10,0 ± 1,0) мг/м3 |
(18,0 ± 1,8) мг/м3 |
± 7 % отн. |
«Инфан ФХГ» |
Этанол (С2Н5ОН) | |||||
от 40 до 2000 мг/м3 |
(45,0 ± 4,5) мг/м3 |
(1000 ± 100) мг/м3 |
(1800 ± 180) мг/м3 |
± 5 % отн. |
генератор спирто -воздушных смесей ПМСГВС-МЕТА 02 |
Бензол (СбН() | |||||
от 0,1 до 100 мг/м3 |
(5,0 ± 0,5) мг/м3 |
± 7 % отн. |
«Микрогаз-Ф» в комплекте с ИМ14-М-А2 | ||
(50 ± 10) мг/м3 |
(80 ±16) мг/м3 |
± 6 % отн. |
9249-2008 | ||