Методика поверки «Комплекс измерительно-вычислительный ЭИС У-0» (ИНСИ.425849.000.00МП)
УТВЕРЖДАЮ
Инструкция
Комплекс измерительно-вычислительный ЭИ С У-08
Методика поверки
ИНСИ.425849.000.00 МП г. Москва
2018 г.
СОДЕРЖАНИЕСтр.
Приложение Б - Форма протокола поверки ИК
Приложение В - Список ссылок на нормативно-техническую документацию
Приложение Г - Принятые в документе сокращенные обозначения.....
Приложение Д - Основные MX ИВК
ВВЕДЕНИЕНастоящая методика поверки распространяется на комплекс измерительно-вычислительный ЭИС У-08 (далее - ИВК) и устанавливает порядок проведения и оформления результатов первичной и периодической поверки.
Интервал между поверками -1 год.
1 СПОСОБЫ И ОПЕРАЦИИ ПОВЕРКИ-
1.1 МП разработана в соответствии с требованиями: ОСТ 1 01021-93, ГОСТ 8.009-84, ГОСТ Р 8.596-2002, МИ 1317-2004, ГОСТ 8.027-2001, ГОСТ Р 8.764-2011, ГОСТ 8.022-91, ГОСТ 8.129-99.
-
1.2 Перечень метрологических характеристик, подлежащих определению при поверке, приведен в таблице 1.
Таблица 1
|
Наименование MX ИК |
Условное обозначение |
|
1 |
2 |
|
Среднее арифметическое значение измеренной величины на z-ой ступени |
У, |
|
Оценка систематической составляющей погрешности |
A ci |
|
Оценка среднего квадратического отклонения измеренной величины на z-ой ступени |
S,(A°) |
|
Граница систематической погрешности ИК на z-ой ступени |
0, |
|
Граница суммарной абсолютной погрешности ИК на z-ой ступени |
А/ |
|
Абсолютная погрешность ИК |
А |
|
Приведенная погрешность ИК |
X |
Исходными данными для расчета MX ИК являются выходные сигналы ИК, представляемые в виде массивов чисел yik , полученные при подаче на вход поверяемого ИК входных величин , контролируемых по рабочему эталону, где i - индекс номера контрольной точки; к - индекс номера отсчета в контрольной точке.
-
1.3 Нормирование MX.
-
1.3.1 MX ИК определяются ГОСТ Р 8.736-2011.
-
-
1.4 Нормирование экспериментальных исследований.
-
1.4.1 Количество контрольных точек, линейно распределенных на диапазон измерения, в соответствии с рекомендациями, приведенными в МИ 2440-97 (Приложение 2) и с учетом предварительных исследований ИВК - не менее пяти для всех ИК.
-
1.4.2 Количество измерений в контрольной точке диапазона в соответствии с рекомендациями МИ 2440-97 и с учетом исследований, проведенных на этапе предварительных исследований ИВК - одно измерение с прямым ходом (от минимального значения до максимального).
-
-
1.5 Операции поверки.
-
1.5.1 При проведении поверки ИК должны быть выполнятся операции приведенные в таблице 2.
-
Таблица 2
|
Наименование операции |
Номер пункта методики поверки |
Проведение операции | |
|
первичной поверке |
периодичес кой поверке | ||
|
1 |
2 |
3 |
4 |
|
1 Внешний осмотр |
6.1 |
да |
да |
|
2 Опробование |
6.3 |
да |
да |
|
3 Проверка контрольной суммы исполняемого кода (цифрового идентификатора) программного обеспечения (ПО) |
6.4 |
да |
да |
|
4 Определение MX ИВК | |||
|
4.1 Определение приведенной (к верхнему пределу (ВП)) погрешности измерений напряжения постоянного тока, соответствующего значениям температуры (с термоэлектрическим преобразователем ХА) Количество ИК -192 |
7.1 |
да |
да |
|
4.2 Определение приведенной (к ВП) погрешности измерений напряжения постоянного тока, соответствующего значениям температуры (с термоэлектрическим преобразователем ХК) Количество ИК -192 |
7.2 |
да |
да |
|
4.3 Определение приведенной (к ВП) погрешности измерений напряжения постоянного тока (наименование измеряемого параметра - напряжение постоянного тока, соответствующее значениям температуры) Количество ИК -192 |
7.3 |
да |
да |
|
4.4 Определение приведенной (к ВП) погрешности измерений частоты переменного тока (наименование измеряемого параметра параметров - частота переменного тока, соответствующая значениям расходов и оборотов) Количество ИК - 4 |
7.4 |
да |
да |
|
4.5 Определение приведенной (к ВП) погрешности измерений сопротивления постоянному току (наименование измеряемого параметра - сопротивление постоянному току, соответствующее значениям температуры) Количество ИК -16 |
7.5 |
да |
да |
|
4.6 Определение приведенной (к ВП) погрешности измерений силы постоянного тока (наименование измеряемого параметра - сила постоянного тока, соответствующая значениям давления и перепада давления) Количество ИК - 232 |
7.6 |
да |
да |
|
5 Обработка результатов измерений и определение MX ИВК |
8 |
да |
да |
|
6 Оформление результатов поверки |
9 |
да |
да |
-
2 СРЕДСТВА ПОВЕРКИ
2.1. При проведении поверки используются основные и вспомогательные СИ, приведенные в
таблице 3.
Таблица 3
|
Номер пункта МП |
Наименование рабочих эталонов или вспомогательных средств поверки, номер документа, регламентирующего технические требования к рабочим эталонам или вспомогательным средствам. Разряд по государственной поверочной схеме и (или) метрологические и основные технические характеристики |
|
Основное оборудование | |
|
7.1-7.4 |
Калибратор многофункциональный DPI 620 Genii: диапазон воспроизведение термоЭДС ТП типа ХА (К) в диапазоне от минус 270 до плюс 1370 °C, пределы допускаемой основной абсолютной погрешности воспроизведения термоЭДС ТП типа ХА (К) в диапазоне от минус 60 до плюс 800 °C ±0,3 °C, пределы допускаемой основной абсолютной погрешности воспроизведения термоЭДС ТП типа ХА (К) в диапазоне от 800 до 1370 °C ±0,5 °C; диапазон воспроизведение термо-ЭДС ТП типа ХК (L) от минус 100 до плюс 900 °C, пределы допускаемой основной абсолютной погрешности воспроизведения термо-ЭДС ТП типа XK(L) в диапазоне от минус 100 до плюс 800 °C ±0,25 °C; диапазон воспроизведения напряжения постоянного тока от минус 10 до плюс 100 мВ, пределы допускаемой абсолютной погрешности воспроизведения напряжения постоянного тока ±(0,014 % от показаний ± 0,01 мВ); диапазон воспроизведения частоты от 0 Гц до 50 кГц, пределы допускаемой абсолютной погрешности воспроизведения частоты в диапазоне от 0 до 1000 Гц ±(0,003 % от показаний ± 0,0023 Гц); пределы допускаемой абсолютной погрешности воспроизведения частоты в диапазоне от 1 до 50 кГц ±(0,003 % от показаний ± 0,037 Гц) |
|
7.5 |
Магазин сопротивления измерительный МСР-60М: диапазон воспроизведения сопротивления постоянному току от 0,018 до 11111,1 Ом, класс точности 0,02 |
|
7.6 |
Калибратор-измеритель унифицированных сигналов прецизионный «ЭЛЕМЕР-ИКСУ-2012»: диапазон воспроизведения силы постоянного тока от 0 до 25 мА, пределы допускаемой абсолютной погрешности воспроизведения силы постоянного тока ±(10'41 ± 1) мкА |
|
Вспомогательное оборудование | |
|
5.1, 7.1- 7.6 |
Стационарный одноканальный термогигрометр в щитовом корпусе ИВТМ-7/1-Щ с измерительным преобразователем температуры и влажности ИПВТ-03-04-Б: диапазон измерения влажности от 0 до 99 %, пределы допускаемой погрешности ±2 %; диапазоны измерения температуры от минус 40 до плюс 120 °C, пределы допускаемой абсолютной погрешности измерения температуры:
|
|
Барометр рабочий сетевой БРС-1М-1: диапазон измерения абсолютного давления от 600 до 1100 гПа (от 450 до 825 мм рт. ст.), пределы допускаемой абсолютной погрешности измерений абсолютного давления ±33 Па (±0,25 мм рт. ст.) | |
2.2 При проведении поверки допускается применять другие СИ, удовлетворяющие по точности и диапазону измерения требованиям настоящей методики.
-
2.3 При поверке должны использоваться средства измерений утвержденных типов.
-
2.4 Используемые при поверке рабочие эталоны должны быть поверены в соответствии с требованиями приказа Минпромторга России от 2 июля 2015 г. № 1815 и иметь действующее свидетельство о поверке (знак поверки).
-
2.5 Рабочие эталоны должны быть внесены в рабочее помещение не менее чем за 12 часов до начала поверки.
-
2.6 Вспомогательные средства поверки должны быть поверены и иметь действующие свидетельства о поверке (знаки поверки).
-
3.1 При проведении поверки необходимо соблюдать требования техники безопасности, предусмотренные «Правилами технической эксплуатации электроустановок потребителей» и «Межотраслевыми правилами по охране труда (Правила безопасности) при эксплуатации электроустановок» ПОТ Р М-016-2001 Р Д 153-34.0-03.150-00, ГОСТ 12.2.007.0-75, ГОСТ 12.1.019-2009, ГОСТ 12.1.038-82, ГОСТ 12.1.030-81, ГОСТ 12.1.004-91 и требования безопасности, указанные в технической документации на применяемые рабочие эталоны и вспомогательное оборудование.
-
3.2 Поверка ИВК должна осуществляться лицами не моложе 18 лет, изучившими её эксплуатационную и нормативно-техническую документацию и аттестованными в качестве поверителей.
-
3.3 Лица, участвующие в поверке ИВК, должны пройти инструктаж и аттестацию на знание правил техники безопасности, пожарной безопасности.
-
4.1 При проведении поверки должны соблюдаться следующие условия:
Условия окружающей среды:
-
- температура окружающего воздуха, °C.....................................................................от 15 до 35;
-
- относительная влажность воздуха при температуре 25 °C, %................................от 30 до 80;
-
- атмосферное давление, кПа......................................................................................от 84 до 107.
Параметры электропитания:
-
- напряжение питания однофазной сети переменного тока, В..........................................220±10;
-
- частота переменного тока, Гц................................................................................................50±1.
Примечание - При проведении поверочных работ условия окружающей среды средств поверки (рабочих эталонов) должны соответствовать регламентируемым в их инструкциях по эксплуатации требованиям.
5 ПОДГОТОВКА К ПОВЕРКЕ-
5.1 При подготовке к поверке провести следующие работы:
-
- проверить наличие поверочных клейм, а также свидетельства о поверке на основные и вспомогательные СИ;
-
- проверить целостность электрических цепей ИК;
-
- обеспечить оперативную связь оператора у монитора с оператором, задающим контрольные значения;
-
- включить вентиляцию и освещение;
-
- подготовить к работе все приборы и аппаратуры ИВК согласно руководству по эксплуатации ИНСИ.425849.000.00 РЭ;
-
- включить питание аппаратуры ИВК;
-
- ожидать прогрева аппаратуры не менее 20 минут;
- перед началом поверки измерить и занести в протокол поверки условия окружающей среды (температура и влажность воздуха, атмосферное давление).
6 ПРОВЕДЕНИЕ ПОВЕРКИ. ОБЩАЯ ЧАСТЬ 6.1 Внешний осмотр-
6.1.1 При внешнем осмотре проверить:
-
- комплектность эксплуатационной документации ИВК;
-
- отсутствие механических повреждений;
-
- отсутствие нарушений экранировки линий связи;
-
- отсутствие обугливания и следов коррозии на изоляции внешних токоведущих частей ИВК;
-
- отсутствие неудовлетворительного крепления разъемов;
-
- заземление электронных блоков ИВК.
-
6.1.2 Результаты внешнего осмотра считать положительными, если выполняются вышеперечисленные требования.
-
6.2.1 Выбрать ИК для поверки.
-
6.2.2 Запустить программную утилиту «Метрология» (рисунок 1) двойным щелчком левой кнопки мыши по пиктограмме «Метрология» на рабочем столе персонального компьютера автоматизированного рабочего места операторов (АРМ).
-
6.2.3 Выбрать файл конфигурации. Для этого в меню «Файл/Конфигурация» ввести полный сетевой путь к файлу конфигурации ИВК: \\192.168.8.1\cfg\cfg_u08.xml. При нажатии кнопки «Применить» программа загружает данные из указанного файла. При последующих запусках программы имя и путь к файлу конфигурации повторно вводить не требуется.
-
6.2.4 Настроить программу «Метрология» для проведения поверки.




-
6.2.4.1 Открыть окно «Выбор каналов» (рисунок 2) нажав на значок «Каналы» и добавить
выбранный ИК в соответствии с приложением А в таблицу «Выбранные каналы» нажав кнопку « Ф».
Рисунок 2 - Окно выбора каналов
-
6.2.4.2 В меню «Настройки/Общие» открыть окно «Общие параметры» (рисунок 3) и выполнить следующие действия:
-
- выбрать операцию «Поверка» из выпадающего списка «Операция»;
-
- выбрать «Канал» из выпадающего списка «Объект»;
-
- установить значение частоты выборки в поле «Частота выборки, Гц», равное «100»;
-
- задать число наблюдений значения сигнала в контрольной точке в поле «Размер выборки», равное «50».
' .
Операция
| Поверка
- j |Канал
л!
-
У; -jH?—*-------
X—
Рисунок 3 - Окно ввода общих параметров
-
6.2.4.3 Настроить параметры измерений в окне «Параметры измерений» (рисунок 4) выбрав в меню «Настройки/Измерения»:
-
- убедиться в отсутствии выбора в ячейке «Циклы»;
-
- ввести значения контрольных точек сигнала с рабочего эталона, подаваемого на вход поверяемого ИК (не мене пяти контрольных точек). Ввод возможен как вручную (при нажатии кнопки «Добавить»), так и автоматически с равными интервалами в заданном диапазоне. Во втором случае вводится значения начальной и конечной точки диапазона измерений данного ИК в соответствии с таблицей Д.1 приложения Д и задается число контрольных точек. После чего нажимается кнопка «Рассчитать».
Каъмаамаааж пмжммам иА
120.00080
i 1
Рисунок 4 - Окно параметров измерений
-
6.2.4.4 Занести параметры рабочего эталона в меню «Настройки/Эталоны». В поле «Выбранные эталоны» отображается перечень файлов с описаниями рабочих эталонов, применяемых в зависимости от выполняемых работ. Для добавления нового СИ нажимается кнопка «Добавить» и выбирается соответствующий файл. Для удаления из списка нажать кнопку «Удалить». Для создания файла описания нового эталонного средства или редактирования имеющегося нажать кнопку «Редактор эталонов». Где вводятся следующие параметры:
-
- «Название» - название рабочего эталона в произвольной форме;
-
- «Заводской №» - заводской номер эталонного СИ;
-
- «Поверен до (дата)» - дата очередной поверки рабочего эталона;
-
- «Физическая величина» - наименование физической величины, которую воспроизводит рабочий эталон (напряжение, ток, сопротивление и т.д.);
-
- «Единица измерения» - единица измерения воспроизводимой физической величины;
-
- «Постоянная составляющая погрешности» - неизменяемая часть погрешности рабочего эталона;
-
- «Погрешность ИЗ» - погрешность от измеренной величины (в процентах);
-
- «Шаг установки» - величина минимального дискретного изменения устанавливаемого значения на эталонном средстве;
-
- «Минимальное значение», «Максимальное значение» - пределы установки сигнала на рабочем эталоне.
Нажать кнопку «Сохранить», после чего введённые параметры эталона сохраняются в соответствующем файле.
Примечание - Значения погрешности эталона берется из паспорта СИ, которое используется как рабочий эталон при поверке ИК. В случае если у рабочего эталона нормируется только одна из погрешностей, в оставшемся поле задать «0».
-
6.2.4.5 В меню «Настройки/Расчеты» открыть окно «Параметры расчетов» (рисунок 5) и

-
6.2.4.6 Задать пределы допускаемой погрешности ИК в соответствии с таблицей Д.1 приложения Д в колонке «Допускаемая погрешность» в окне «Параметры расчетов».
-
6.2.5 Включить рабочий эталон в режиме воспроизведения диапазона измеряемого ИК.
-
6.2.6 Запустить поверку, нажав кнопку «Пуск». В этом случае отображается окно со

Рисунок 6 - Окно с указанием устанавливаемой контрольной точки
-
6.2.7 Установить соответствующее значение эталонного сигнала на входах ИК. Текущее измеренное значение в этом случае отображается в колонке «Значение вх.» в таблице основного окна программы.
-
6.2.8 Записать значение. Для этого нажать кнопку «Записать». В этом случае текущие значения ИК регистрируются в памяти и будут использованы для дальнейших расчетов. Далее отображается окно с очередной контрольной точкой, которая отрабатывается аналогичным образом. Процедура измерений и записи повторяется до тех пор, пока не будут пройдены все контрольные точки.
-
6.2.9 Нажать кнопку «Готово» и просмотреть результаты измерений. По окончании измерений зарегистрированные данные подвергаются обработке и расчету составляющих погрешностей. Результаты вычислений выводятся в таблице основного окна программы.
-
6.2.10 Для формирования протоколов поверки после ее проведения на главном окне нажать кнопку «Протоколы». После этого в папке, заданной в поле «Папка для сохранения протоколов», автоматически создаются по 2 файла на каждый поверяемый ИК. Первый файл формата «XLS» содержит сведения об ИК, эталонах, условиях поверки, результатов вычислений погрешностей. Второй файл формата «ТХТ» содержит в себе исходные измеренные данные без обработки.
Опробование производится в целях проверки работоспособности и правильности функционирования ИК.
Работы по данному пункту выполнять для всех ИК.
-
6.3.1 Выбрать ИК для опробования.
-
6.3.2 Запустить программную утилиту «Метрология» двойным щелчком левой кнопки мыши по пиктограмме «Метрология» на рабочем столе АРМ.
-
6.3.3 Настроить программу «Метрология» для проведения контроля согласно руководству оператора ИНСИ.425849.000.00 РО.
-
6.3.4 В меню «Настройки/Общие»:
-
- выбрать операцию «Контроль» из выпадающего списка «Операция»;
-
- выбрать «Канал» из выпадающего списка «Объект»;
-
- установить значение частоты выборки в поле «Частота выборки, Гц», равное «100»;
-
- задать число наблюдений значения сигнала в контрольной точке в поле «Размер выборки», равное «50».
-
6.3.5 Убедиться в отсутствии выбора в ячейке «Циклы» в меню «Настройки/Измерения».
-
6.3.6 Ввести значения начальной и конечной точки диапазона измерений проверяемого ИК в соответствии с таблицей Д.1 приложения Д и установить значение «2» в поле «Число точек» в меню «Настройки/Измерения».
-
6.3.7 Повторить действия по подпунктам 6.2.4.4...6.2.4.6.
-
6.3.8 Подать на вход ИК с помощью рабочих эталонов минимальное и максимальное контрольное значение диапазона эталонного сигнала.
-
6.3.9 Выполнить измерения согласно пунктам 6.2.6...6.2.9 и убедиться в правильности функционирования ИК.
-
6.3.10 Проверку работоспособности считать положительной, если полученные значения измеряемых параметров ИК соответствуют значениям, характерным для этих режимов работы.
-
6.4.1 Идентификацию ПО ИВК осуществлять путем проверки идентификационных данных (признаков) программных компонентов ПО, отнесенных к метрологически значимым.
-
6.4.2 Для проверки контрольной суммы исполняемого кода (цифрового идентификатора) ПО необходимо:
-
- запустить программную утилиту «Проверка подлинности метрологически значимой части ПО» двойным щелчком левой кнопки мыши по пиктограмме «AuthenticityCheck» на рабочем столе АРМ. Должен появится видеокадр «Проверка подлинности метрологически значимой части ПО», с таблицей файлов отнесенных к метрологически значимым.
-
6.4.3 На видеокадре «Проверка подлинности метрологически значимой части ПО» перечислены:
-
- наименование модулей ПО;
-
- имя файла;
-
- номер версии ПО;
-
- данные о контрольных суммах метрологически значимой части ПО ИВК, занесенные туда ранее из раздела 3 формуляра ИНСИ.425849.000.00 ФО;
-
- рассчитанные по алгоритму MD5 контрольные суммы исполняемых файлов метрологически значимой части ПО (абсолютные пути к файлам также хранятся в конфигурации ИВК);
-
- результаты сравнения рассчитанных контрольных суммах метрологически значимой части ПО с контрольными суммами, занесенными из формуляра для каждого проверяемого файла.
Вид окна «Проверка подлинности метрологически значимой части ПО» в случае успешной проверки подлинности представлен на рисунке 7 - все строки таблицы окна и строковый
Рисунок " - Вид окна «Проверка подлинности метрологически значимой части П()» в случае успешной проверки подлинности
В случае если посчитанная контрольная сумма указанного файла не совпадет с указанной в конфигурации/формуляре, или же сам файл будет недоступен для подсчета контрольной суммы по указанному пути, то в столбце «Результат сравнения» соответствующей строки таблицы отобразится сообщение об этом, а сама строка будет выделена красным фоном.
-
6.4.4 Результаты проверки считать положительными, если при проверке контрольной суммы исполняемого кода, значения рассчитанной контрольной суммы совпадают со значениями, приведенными в разделе 3 формуляра ИНСИ.425849.000.00 ФО.
-
7.1.1 Подготовка к поверке ИК.
-
7.1.1.1 Провести внешний осмотр ИВК согласно пункту 6.1.
-
7.1.1.2 Выбрать ИК по таблице А. 1 приложения А.
-
7.1.1.3 Открыть крышку блока термопарного (БТП) и отсоединить первичные преобразователи (ПП) (термоэлектрический преобразователь) от БТП.
-
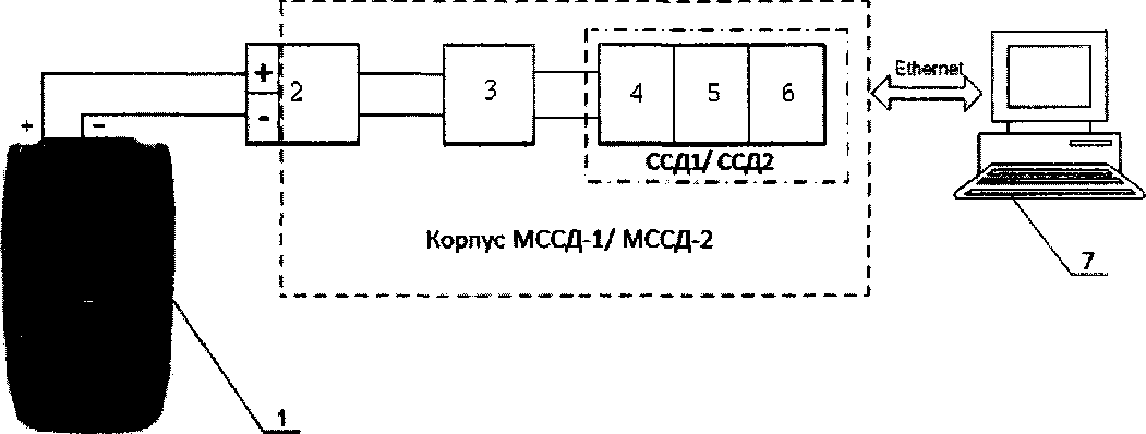
7.1.1.4 Подготовить к работе эталонное средство (калибратор многофункциональный DPI 620 Genii) согласно документации на него. Собрать схему определения MX ИК в соответствии с рисунком 8, для чего подключить эталонное средство к клеммам БТП в соответствии с таблицей А.1 приложения А.

-
-
1 - Калибратор многофункциональный DPI 620 Genii (рабочий эталон);
-
2 - БТП;
-
3 - Терминальный блок ТВ-9214;
-
4 - Модуль ввода сигнала с термопары N1-9214;
-
5 - Шасси N1 CompactRIO-9066;
6-ПЭВМ
Рисунок 8 - Функциональная схема поверки ИК напряжения постоянного тока, соответствующего значениям температуры (с термоэлектрическим преобразователем ХА)
-
7.1.1.5 В соответствии с ИНСИ.425849.000.00 РО установить в файле конфигурации cfg_u08.xml для ИК подвергающихся поверки тип термоэлектрического преобразователя, для чего в ветке «SSDcfg» в поле «Conversion» написать латиницей «ТХА», в поле «CJCEnable» написать «1», в поле «Units» написать «Град. С», а в ветке «Channels» в поле «Ch Unit» написать «Град. С». Сохранить файл конфигурации. Перезапустить системы сбора данных (ССД)1 и ССД2 с помощью программной утилиты «Панель управления» в соответствии с ИНСИ.425849.000.00 РО.
-
7.1.1.6 Включить рабочий эталон в режиме моделирования сигнала термопар типа ТХА (К), с автоматической компенсацией ЭДС «холодного» спая. В данном режиме калибратор воспроизводит напряжение постоянного тока в милливольтовом диапазоне, соответствующее температуре (по номинальной характеристике преобразования термоэлектрических преобразователей ХА, согласно ГОСТ Р 8.585-2001) с учетом поправки на температуру «холодных» спаев термопар. Температура «холодного» спая измеряется с помощью входящего в комплект калибратора датчика.
-
7.1.1.7 Ожидать установки температурного равновесия между температурами компенсации «холодного» спая ИВК и рабочего эталона не менее 1 минуты.
-
7.1.2 Проведение опробования (проверки работоспособности)
-
7.1.2.1 Провести опробование (проверку работоспособности) ИК согласно пункту 6.3.
-
-
7.1.3 Проведение поверки ИК.
-
7.1.3.1 Выполнить действия согласно пункту 6.2.
-
7.1.3.2 В меню «Настройки/Расчеты» в колонке «Допускаемая погрешность» задать значение допускаемой погрешности ИК - «0,1».
-
7.1.3.3 Подавать на вход ИК сигналы напряжения постоянного тока, соответствующего значениям температуры (по номинальной характеристике преобразования термоэлектрических преобразователей ХА) в диапазоне от -50 до +1370 °C.
-
-
7.1.4 Результаты поверки считать положительными, если значения приведенной (к ВП) погрешности измерений ИК находятся в допускаемых пределах ±0,1 %. В противном случае ИК бракуется и направляется на ремонт. После ремонта ИК подлежит внеочередной поверке в соответствии с данной МП.
-
7.1.5 Повторить действия по подпунктам 7.1.2...7.1.4 для всех ИК напряжения постоянного тока, соответствующего значениям температуры (с термоэлектрическим преобразователем ХА).
-
7.1.6 После проведения поверки всех ИК напряжения постоянного тока, соответствующего значениям температуры (с термоэлектрическим преобразователем ХА) подключить ПП и закрыть крышку БТП.
-
7.1.7 По результатам поверки ИК оформить протокол, к протоколу приложить копию свидетельства поверки калибратора многофункционального DPI 620 Genii.
-
7.2.1 Подготовка к поверке ИК.
-
7.2.1.1 Провести внешний осмотр ИВК согласно пункту 6.1.
-
7.2.1.2 Выбрать ИК по таблице А.1 приложения А.
-
7.2.1.3 Открыть крышку БТП и отсоединить ПП (термоэлектрический преобразователь) от БТП.
-
7.2.1.4 Подготовить к работе эталонное средство (калибратор многофункциональный DPI 620 Genii) согласно документации на него. Собрать схему определения MX ИК в соответствии с рисунком 9, для чего подключить эталонное средство к клеммам БТП в соответствии с таблицей А. 1 приложения А.

-
-
1 - Калибратор многофункциональный DPI 620 Genii (рабочий эталон);
-
2 - БТП;
-
3 - Терминальный блок ТВ-9214;
-
4 - Модуль ввода сигнала с термопары N1-9214;
-
5 - Шасси N1 CompactRIO-9066;
6-ПЭВМ
Рисунок 9 - Функциональная схема поверки ИК напряжения постоянного тока, соответствующего значениям температуры (с термоэлектрическим преобразователем ХК)
-
7.2.1.5 В соответствии с ИНСИ.425849.000.00 РО установить в файле конфигурации cfg_u08.xml для ИК подвергающихся поверки тип термоэлектрического преобразователя, для чего в ветке «SSDcfg» в поле «Conversion» написать латиницей «ТХК», в поле «CJCEnable» написать «1», в поле «Units» написать «Град. С», а в ветке «Channels» в поле «Ch_Unit» написать «Град. С». Сохранить файл конфигурации. Перезапустить ССД1 и ССД2 с помощью программной утилиты «Панель управления» в соответствии с ИНСИ.425849.000.00 РО.
-
7.2.1.6 Включить рабочий эталон в режиме моделирования сигнала термопар типа ТХК (L), с автоматической компенсацией ЭДС «холодного» спая. В данном режиме калибратор воспроизводит напряжение постоянного тока в милливольтовом диапазоне, соответствующее температуре (по номинальной характеристике преобразования термоэлектрических преобразователей ХК, согласно ГОСТ Р 8.585-2001) с учетом поправки на температуру «холодных» спаев термопар. Температура «холодного» спая измеряется с помощью входящего в комплект калибратора датчика.
-
7.2.1.7 Ожидать установки температурного равновесия между температурами компенсации «холодного» спая ИВК и рабочего эталона не менее 1 минуты.
-
7.2.2 Проведение опробования (проверки работоспособности)
-
7.2.2.1 Провести опробование (проверку работоспособности) ИК согласно пункту 6.3.
-
-
7.2.3 Проведение поверки ИК.
-
7.1.3.1 Выполнить действия согласно пункту 6.2.
-
7.2.3.2 В меню «Настройки/Расчеты» в колонке «Допускаемая погрешность» задать значение допускаемой погрешности ИК - «0,15».
-
7.2.3.3 Подавать на вход ИК сигналы напряжения постоянного тока, соответствующего значениям температуры (по номинальной характеристике преобразования термоэлектрических преобразователей ХК) в диапазоне от -50 до +670 °C.
7.2.4 Результаты поверки считать положительными, если значения приведенной (к ВП) погрешности измерений ИК находятся в допускаемых пределах ±0,15 %. В противном случае ИК бракуется и направляется на ремонт. После ремонта ИК подлежит внеочередной поверке в соответствии с данной МП.
-
7.2.5 Повторить действия по подпунктам 7.2.2...7.2.4 для всех ИК напряжения постоянного тока, соответствующего значениям температуры (с термоэлектрическим преобразователем ХК).
-
7.2.6 После проведения поверки всех ИК напряжения постоянного тока, соответствующего значениям температуры (с термоэлектрическим преобразователем ХК) подключить ПП и закрыть крышку БТП.
-
7.2.7 По результатам поверки ИК оформить протокол, к протоколу приложить копию свидетельства поверки калибратора многофункционального DPI 620 Genii.
-
7.3.1 Подготовка к поверке ИК.
-
7.3.1.1 Провести внешний осмотр ИВК согласно пункту 6.1.
-
7.3.1.2 Выбрать ИК по таблице А.1 приложения А.
-
7.3.1.3 Открыть крышку БТП и отсоединить ПП (термоэлектрический преобразователь) от БТП.
-
7.3.1.4 Подготовить к работе эталонное средство (калибратор многофункциональный DPI 620 Genii) согласно документации на него. Собрать схему определения MX ИК в соответствии с рисунком 10, для чего подключить эталонное средство к клеммам БТП в соответствии с таблицей А. 1 приложения А.

-
-
1 - Калибратор многофункциональный DPI 620 Genii (рабочий эталон);
2-БТП;
-
3 - Терминальный блок ТВ-9214;
-
4 - Модуль ввода сигнала с термопары N1-9214;
-
5 - Шасси N1 CompactRIO-9066;
6-ПЭВМ
Рисунок 10 - Функциональная схема поверки ИК напряжения постоянного тока
-
7.3.1.5 В соответствии с ИНСИ.425849.000.00 РО в файле конфигурации cfg_u08.xml для ИК подвергающихся поверки отключить преобразование, для чего в ветке «SSDcfg» в поле «Conversion» удалить все записи. Выключить компенсацию «холодного спая», написав «0», в поле «CJCEnable» в ветке «SSDcfg». Установить единицы измерения, написав «мВ» в ветке «SSDcfg» в поле «Units» и в ветке «Channels» в поле «ChUnit». Сохранить файл конфигурации. Перезапустить ССД1 и ССД2 с помощью программной утилиты «Панель управления» в соответствии с ИНСИ.425849.000.00 РО.
-
7.3.1.6 Включить рабочий эталон в режиме воспроизведения напряжения постоянного тока в милливольтовом диапазоне.
-
7.3.2 Проведение опробования (проверки работоспособности)
-
7.3.2.1 Провести опробование (проверку работоспособности) ИК согласно пункту 6.3.
-
-
7.3.3 Проведение поверки ИК.
-
7.3.3.1 Выполнить действия согласно пункту 6.2.
-
7.3.3.2 В меню «Настройки/Расчеты» в колонке «Допускаемая погрешность» задать значение допускаемой погрешности ИК - «0,05».
-
7.3.3.3 Подавать на вход ИК сигналы напряжения постоянного тока в диапазоне от -2 до +55 мВ.
-
-
7.3.4 Результаты поверки считать положительными, если значения приведенной (к ВП) погрешности измерений ИК находятся в допускаемых пределах ±0,05 %. В противном случае ИК бракуется и направляется на ремонт. После ремонта ИК подлежит внеочередной поверке в соответствии с данной МП.
-
7.3.5 Повторить действия по подпунктам 7.3.2...7.3.4 для всех ИК напряжения постоянного тока.
-
7.3.6 После проведения поверки всех ИК напряжения постоянного тока подключить ПП и закрыть крышку БТП.
-
7.3.7 По результатам поверки ИК оформить протокол, к протоколу приложить копию свидетельства поверки калибратора многофункционального DPI 620 Genii.
-
7.4.1 Подготовка к поверке ИК.
-
7.4.1.1 Провести внешний осмотр ИВК согласно пункту 6.1.
-
7.4.1.2 Выбрать ИК по таблице А.2 приложения А.
-
7.4.1.3 Отсоединить ПП (преобразователь расходов/оборотов) от клемм ВР-11.
-
7.4.1.4 Подготовить к работе эталонное средство (калибратор многофункциональный DPI 620 Genii) согласно документации на него. Собрать схему определения MX ИК в соответствии с рисунком 11, для чего подключить эталонное средство к клеммам ВР-11 в соответствии с таблицей А.2 приложения А.

-
-
1 - Калибратор многофункциональный DPI 620 Genii (рабочий эталон);
-
2 - Клемма ВР-11;
-
3 - Нормализатор сигнала FL157A;
-
4 - Терминальный блок N1-9924;
-
5 - Цифровой TTL модуль ввода/вывода N1-9401;
-
6 - Шасси N1 CompactRIO-9066;
7-ПЭВМ
Рисунок 11 - Функциональная схема поверки ИК частоты переменного тока
-
7.4.1.5 Включить рабочий эталон в режиме воспроизведения синусоидальных сигналов амплитудой 0,1 В.
-
7.4.2 Проведение опробования (проверки работоспособности)
-
7.4.2.1 Провести опробование (проверку работоспособности) ИК согласно пункту 6.3.
-
-
7.4.3 Проведение поверки ИК.
-
7.4.3.1 Выполнить действия согласно пункту 6.2.
-
7.4.3.2 В меню «Настройки/Расчеты» в колонке «Допускаемая погрешность» задать значение допускаемой погрешности ИК - «0,05».
-
7.4.3.3 Подавать на вход ИК сигналы частоты переменного тока в диапазоне от 10 до 30000 Гц.
-
-
7.4.4 Результаты поверки считать положительными, если значения приведенной (к ВП) погрешности измерений частоты переменного тока находятся в допускаемых пределах ±0,05 %. В противном случае ИК бракуется и направляется на ремонт. После ремонта ИК подлежит внеочередной поверке в соответствии с данной МП.
-
7.4.5 Повторить действия по подпунктам 7.4.2...7.4.4 для всех ИК частоты переменного тока.
-
7.4.6 После проведения поверки всех ИК частоты переменного тока подключить ПП к клеммам ВР-11.
-
7.4.7 По результатам поверки ИК оформить протокол, к протоколу приложить копию свидетельства поверки калибратора многофункционального DPI 620 Genii.
-
7.5.1 Подготовка к поверке ИК.
-
7.5.1.1 Провести внешний осмотр ИВК согласно пункту 6.1.
-
7.5.1.2 Выбрать ИК по таблице А.З приложения А.
-
7.5.1.3 Открыть крышку блока термосопротивлений (БТС) и отсоединить ПП (термопреобразователь сопротивления) от БТС.
-
7.5.1.4 Подготовить к работе эталонное средство (магазин сопротивления измерительный МСР-60М) согласно документации на него. Собрать схему определения MX ИК в соответствии с рисунком 12, для чего подключить эталонное средство к клеммам БТС в соответствии с таблицей А.З приложения А.

-
1 - Магазин сопротивления измерительный МСР-60М (рабочий эталон);
2-БТС;
-
3 - Измеритель сопротивления и температуры модульный N1-9216;
-
4 - Шасси N1 CompactRIO-9066;
5-ПЭВМ
Рисунок 12- Функциональная схема поверки ИК сопротивления постоянному току
1.52 Проведение опробования (проверки работоспособности)
-
7.5.2.1 Провести опробование (проверку работоспособности) ИК согласно пункту 6.3.
-
7.5.3 Проведение поверки ИК.
-
7.5.3.1 Выполнить действия согласно пункту 6.2.
-
7.5.3.2 В меню «Настройки/Расчеты» в колонке «Допускаемая погрешность» задать значение допускаемой погрешности ИК - «0,05».
-
7.5.3.3 Подавать на вход ИК сигналы сопротивления постоянному току в диапазоне от 80 до 200 Ом.
-
7.5.4 Результаты поверки считать положительными, если значение приведенной (к ВП) погрешности измерений сопротивления постоянному току тока находятся в допускаемых пределах ±0,05 %. В противном случае ИК бракуется и направляется на ремонт. После ремонта ИК подлежит внеочередной поверке в соответствии с данной МП.
-
7.5.5 Повторить действия по подпунктам 7.5.2...7.5.4 для всех ИК сопротивления постоянному току.
-
7.5.6 После проведения поверки всех ИК сопротивления постоянному току подключить ПП и закрыть крышку БТС.
-
7.5.7 По результатам поверки ИК оформить протокол, к протоколу приложить копию свидетельства поверки магазина сопротивления измерительного МСР-60М.
-
7.6.1 Подготовка к поверке ИК.
-
7.6.1.1 Провести внешний осмотр ИВК согласно пункту 6.1.
-
7.6.1.2 Выбрать ИК по таблице А. приложения А.
-
7.6.1.3 Открыть крышку блока датчиков давления (БДД) и отсоединить ПП (преобразователь давления) от БДД.
-
7.6.1.4 Подготовить к работе эталонное средство (калибратор-измеритель унифицированных сигналов прецизионный «ЭЛЕМЕР-ИКСУ-2012») согласно документации на него. Собрать схему определения MX ИК в соответствии с рисунком 13, для чего подключить эталонное средство к клеммам БДД в соответствии с таблицей А.4 приложения А.

-
1 - Калибратор-измеритель унифицированных сигналов прецизионный «ЭЛЕМЕР-ИКСУ-2012» (рабочий эталон);
2-БДД;
-
3 - Терминальный блок N1-9923;
-
4 - Модуль аналогового ввода сигналов N1-9205;
-
5 - Шасси N1 CompactRIO-9066;
6-ПЭВМ
Рисунок 13 - Функциональная схема поверки ИК силы постоянного тока
-
7.6.1.5 Включить рабочий эталон в режиме воспроизведения силы постоянного тока.
-
7.6.2 Проведение опробования (проверки работоспособности)
-
7.6.2.1 Провести опробование (проверку работоспособности) ИК согласно пункту 6.3.
-
-
7.6.3 Проведение поверки ИК.
-
7.6.3.1 Выполнить действия согласно пункту 6.2.
-
7.6.3.2 В меню «Настройки/Расчеты» в колонке «Допускаемая погрешность» задать значение допускаемой погрешности ИК - «0,05».
-
7.6.3.3 Подавать на вход ИК сигналы силы постоянного тока в диапазоне от 4 до 20 мА.
-
-
7.6.4 Результаты поверки считать положительными, если значение приведенной (к ВП) погрешности измерений силы постоянного тока находятся в допускаемых пределах ±0,05 %. В противном случае ИК бракуется и направляется на ремонт. После ремонта ИК подлежит внеочередной поверке в соответствии с данной МП.
-
7.6.5 Повторить действия по подпунктам 7.6.2...7.6.4 для всех ИК силы постоянного тока.
-
7.6.6 После проведения поверки всех ИК силы постоянного тока подключить ПП и закрыть крышку БДД.
-
7.6.7 По результатам поверки ИК оформить протокол, к протоколу приложить копию свидетельства поверки калибратора-измерителя унифицированных сигналов прецизионного «ЭЛЕМЕР-ИКСУ-2012».
-
8.1 Измеренные массивы значений zlk обрабатываются с помощью встроенных в программное обеспечение алгоритмов следующим образом:
-
8.1.1 Вычисляется среднее значение результатов измерений измеренной величины на каждой /-той ступени:
-
IX
z. — Л___
т ■ (1)
где т - количество точек в выборке (т=50).
-
8.1.2 Определяется индивидуальная преобразования в виде степенного полинома:
Xi =ао+ + ••• + (7\
где а° - коэффициенты аппроксимирующей функции преобразования.
-
8.1.3 Вычисляется среднее значение результатов измерений измеренной величины с учетом функции преобразования на каждой z-той ступени:
Hyik
у, =-—
где Ул =ао+^+- + аЛп
-
8.1.4 Для каждой z-той ступени вычисляется оценка систематической составляющей погрешности Дс':
<э
8.1.5. Определяются границы систематических погрешностей ‘ измеренной величины:
где АС1 - пределы допускаемой абсолютной погрешности рабочего эталона.
'' 7 на каждой z-тои ступени:
-
8.1.7 Оцениваются границы суммарной абсолютной погрешности измеренной величины на каждой z-той ступени следующим образом:
к-
8.1.7.1 Определяется
5, (А)
(7)
8.1.7.2 Если К > 8, то z
\=0,
(8)
Если К < 0,8, то Д' = 1
•5, (А)
(9)
Если К < 0.8, то Л' 1'
(9)
Если 0,8 < К < 8,0. то
г-5,(А“) + 0,
Sf(A°) +

(Ю)
где t - коэффициент Стьюдента. который определяется при доверительной вероятности Р=0.95 для числа степеней свободы w-1 в соответствии с ГОСТ Р 8.736-2011 (приложение Д).
8.1.8 Определяется погрешность ИК Л как максимальное значение суммарной абсолютной погрешности:
А = max А,
(Н)
8.1.9 Вычисляется приведенная погрешность У ИК

(12)
где х„ - нормирующее значение, которое зависит от выбранного метода определения погрешности.
-
9.1 Результаты поверки заносятся в протокол поверки (Приложение Б).
-
9.2 При положительных результатах поверки оформляется свидетельство о поверке. Знак поверки наносится в свидетельство о поверки в виде оттиска клейма.
-
9.3 В случае проведения поверки отдельных ИК из состава ИВК в соответствии с заявлением владельца СИ, в свидетельстве о поверке указывается информация об объеме проведенной поверки.
-
9.4 При отрицательных результатах поверки применение ИВК запрещается, оформляется извещение о непригодности к применению, с указанием причин забракования. /
Ведущий специалист-испытатель ООО «АСК Экспресс»
А.А. Горбачёв
Таблица А.1 - ИК напряжения постоянного тока, соответствующего значениям температуры (с термоэлектрическим преобразователем ХА), ИК напряжения постоянного тока, соответствующего значениям температуры (с термоэлектрическим преобразователем ХК), ИК напряжения постоянного тока (наименование измеряемого параметра - напряжение постоянного тока, соответствующее значениям
|
№ п/п |
Обозначение ИК в базе ПО «Метрология» |
Пин |
Контакты подключения | |
|
1 |
TempOOl |
1Т001 |
БТП-1 |
!+(+)/!-(-) |
|
2 |
Temp002 |
1Т002 |
БТП-1 |
2+(+)/2-(-) |
|
3 |
ТетрООЗ |
1Т003 |
БТП-1 |
3+(+)/3-(-) |
|
4 |
Тетр004 |
1Т004 |
БТП-1 |
4+(+)/4-(-) |
|
5 |
Тетр005 |
1Т005 |
БТП-1 |
5+ (+)/5 - (-) |
|
6 |
ТетрООб |
1Т006 |
БТП-1 |
6+(+)/6-(-) |
|
7 |
Тетр007 |
1Т007 |
БТП-1 |
7+(+)/7-(-) |
|
8 |
Тетр008 |
1Т008 |
БТП-1 |
8+ (+)/8 - (-) |
|
9 |
Тетр009 |
1Т009 |
БТП-1 |
9+(+)/9 — (-) |
|
10 |
ТетрО 10 |
1Т010 |
БТП-1: |
10+(+)/10-(-) |
|
11 |
ТетрО 11 |
1Т011 |
БТП-1: |
11+(+)/!!-(-) |
|
12 |
ТетрО 12 |
1Т012 |
БТП-1: |
12+ (+)/12 - (-) |
|
13 |
ТетрО 13 |
1Т013 |
БТП-1: |
13+ (+)/13 - (-) |
|
14 |
ТетрО 14 |
1Т014 |
БТП-1: |
14+ (+)/14-(-) |
|
15 |
ТетрО 15 |
1Т015 |
БТП-1: |
15+(+)/15 - (-) |
|
16 |
ТетрО 16 |
1Т016 |
БТП-1: |
16+ (+)/16-(-) |
|
17 |
ТетрО 17 |
1Т017 |
БТП-2: 1+ (+)/1 - (-) | |
|
18 |
ТетрО 18 |
1Т018 |
БТП-2: 2+ (+)/2 - (-) | |
|
19 |
ТетрО 19 |
1Т019 |
БТП-2: 3+ (+)/3 - (-) | |
|
20 |
Тетр020 |
1Т020 |
БТП-2: |
4+ (+)/4 - (-) |
|
21 |
Тетр021 |
1Т021 |
БТП-2: 5+ (+)/5 - (-) | |
|
22 |
Тетр022 |
1Т022 |
БТП-2: 6+ (+)/6 - (-) | |
|
23 |
Тетр023 |
1Т023 |
БТП-2: 7+ (+)/7 - (-) | |
|
24 |
Тетр024 |
1Т024 |
БТП-2: 8+ (+)/8 - (-) | |
|
25 |
Тетр025 |
1Т025 |
БТП-2: 9+ (+)/9 - (-) | |
|
26 |
Тетр026 |
1Т026 |
БТП-2: |
10+ (+)/10-(-) |
|
27 |
Тетр027 |
1Т027 |
БТП-2: |
11+(+)/11 -(-) |
|
28 |
Тетр028 |
1Т028 |
БТП-2: |
12+ (+)/12 -(-) |
|
29 |
Тетр029 |
1Т029 |
БТП-2: |
13+ (+)/13 -(-) |
|
30 |
ТетрОЗ 0 |
1Т030 |
БТП-2: |
14+ (+)/14 - (-) |
|
31 |
ТетрОЗ 1 |
1Т031 |
БТП-2: |
15+ (+)/15-(-) |
|
32 |
ТетрОЗ 2 |
1Т032 |
БТП-2: |
16+ (+)/16-(-) |
|
33 |
ТетрОЗ 3 |
1Т033 |
БТП-3 |
1+ (+)/!-(-) |
|
34 |
Тетр034 |
1Т034 |
БТП-3 |
2+(+)/2-(-) |
|
35 |
ТетрОЗ 5 |
1Т035 |
БТП-3 |
3+ (+)/3 - (-) |
|
36 |
ТетрОЗ 6 |
1Т036 |
БТП-3: 4+ (+)/4 - (-) | |
|
37 |
ТетрОЗ 7 |
1Т037 |
БТП-3 |
5+ (+)/5 - (-) |
|
38 |
ТетрОЗ 8 |
ПОЗ 8 |
БТП-3: 6+ (+)/6 - (-) | |
|
39 |
ТетрОЗ 9 |
1Т039 |
БТП-3 |
7+(+)/7-(-) |
|
40 |
Тетр040 |
1Т040 |
БТП-3 |
8+(+)/8-(-) |
|
41 |
Тетр041 |
1Т041 |
БТП-3: 9+ (+)/9 - (-) | |
|
42 |
Тетр042 |
1Т042 |
БТП-3: |
10+(+)/10-(-) |
|
43 |
Тетр043 |
1Т043 |
БТП-3: |
11+(+)/!!-(-) |
|
44 |
Тетр044 |
1Т044 |
БТП-3: |
12+(+)/12 - (-) |
|
45 |
Тетр045 |
1Т045 |
БТП-3: |
13+ (+)/13-(-) |
|
46 |
Тетр046 |
1Т046 |
БТП-3: |
14+(+)/14 - (-) |
|
47 |
Тетр047 |
1Т047 |
БТП-3: |
15+ (+)/15-(-) |
|
48 |
Тетр048 |
1Т048 |
БТП-3: |
16+ (+)/16-(~) |
|
49 |
Тетр049 |
1Т049 |
БТП-4 |
1+ (+)/!-(-) |
|
50 |
Тетр050 |
1Т050 |
БТП-4 |
2+ (+)/2 - (-) |
|
51 |
Тетр051 |
1Т051 |
БТП-4 |
3+(+)/3 — (-) |
|
52 |
Тетр052 |
1Т052 |
БТП-4 |
4+(+)/4-(-) |
|
53 |
Тетр053 |
1Т053 |
БТП-4 |
5+ (+)/5 - (-) |
|
54 |
Тетр054 |
1Т054 |
БТП-4 |
6+(+)/6-(-) |
|
55 |
Тетр055 |
1Т055 |
БТП-4 |
7+ (+)/7 - (-) |
|
56 |
Тетр056 |
1Т056 |
БТП-4 |
8+(+)/8-(-) |
|
57 |
Тетр057 |
1Т057 |
БТП-4 |
9+ (+)/9 - (-) |
|
58 |
Тетр058 |
1Т058 |
БТП-4: |
10+(+)/10-(-) |
|
59 |
Тетр059 |
1Т059 |
БТП-4: |
11+ (+)/11 -(-) |
|
60 |
ТетрОбО |
1Т060 |
БТП-4: |
12+(+)/12 - (-) |
|
61 |
Тетр061 |
1Т061 |
БТП-4: |
13+ (+)/13 -(-) |
|
62 |
Тетр062 |
1Т062 |
БТП-4: |
14+ (+)/14 - (-) |
|
63 |
ТетрОбЗ |
1Т063 |
БТП-4: |
15+(+)/15 — (-) |
|
64 |
Тетр064 |
1Т064 |
БТП-4: |
16+ (+)/16-(-) |
|
65 |
Тетр065 |
1Т065 |
БТП-5 |
1+(+)/1-(-) |
|
66 |
ТетрОбб |
1Т066 |
БТП-5 |
2+ (+)/2 - (-) |
|
67 |
Тетр067 |
1Т067 |
БТП-5 |
з+ (+)/з - (-) |
|
68 |
Тетр068 |
1Т068 |
БТП-5 |
4+ (+)/4 - (-) |
|
69 |
Тетр069 |
1Т069 |
БТП-5 |
5+ (+)/5 - (-) |
|
70 |
Тетр070 |
1Т070 |
БТП-5 |
6+ (+)/6 - (-) |
|
71 |
Тетр071 |
1Т071 |
БТП-5 |
7+ (+)/7 - (-) |
|
72 |
Тетр072 |
1Т072 |
БТП-5 |
8+ (+)/8 - (-) |
|
73 |
Тетр073 |
1Т073 |
БТП-5 |
9+ (+)/9 - (-) |
|
74 |
Тетр074 |
1Т074 |
БТП-5: |
10+ (+)/10 - (-) |
|
75 |
Тетр075 |
1Т075 |
БТП-5: |
11+ (+)/11 -(-) |
|
76 |
Тетр076 |
1Т076 |
БТП-5: |
12+ (+)/12 - (-) |
|
77 |
Тетр077 |
1Т077 |
БТП-5: |
13+(+)/13-(-) |
|
78 |
Тетр078 |
1Т078 |
БТП-5: |
14+ (+)/14 - (-) |
|
79 |
Тетр079 |
1Т079 |
БТП-5: |
15+(+)/15-(-) |
|
80 |
Тетр080 |
1Т080 |
БТП-5: |
16+ (+)/16 - (-) |
|
81 |
Тетр081 |
1Т081 |
БТП-6: 1+ (+)/1 - (-) | |
|
82 |
Тетр082 |
1Т082 |
БТП-6: 2+ (+)/2 - (-) | |
|
83 |
Тетр083 |
1Т083 |
БТП-6: 3+ (+)/3 - (-) | |
|
84 |
Тетр084 |
1Т084 |
БТП-6: 4+ (+)/4 - (-) | |
|
85 |
Тетр085 |
1Т085 |
БТП-6: 5+ (+)/5 - (-) | |
|
86 |
Тетр086 |
1T086 |
БТП-6: 6+ (+)/6 - (-) |
|
87 |
Тетр087 |
1T087 |
БТП-6: 7+ (+)/7 - (-) |
|
88 |
Тетр088 |
1T088 |
БТП-6: 8+ (+)/8 - (-) |
|
89 |
Тетр089 |
1T089 |
БТП-6: 9+ (+)/9 - (-) |
|
90 |
Тетр090 |
1T090 |
БТП-6: 10+ (+)/10-(-) |
|
91 |
Тетр091 |
1T091 |
БТП-6: ll+(+)/ll -(-) |
|
92 |
Тетр092 |
1T092 |
БТП-6: 12+ (+)/l 2 - (-) |
|
93 |
Тетр093 |
1T093 |
БТП-6: 13+ (+)/13-(-) |
|
94 |
Тетр094 |
1T094 |
БТП-6: 14+ (+)/14 - (-) |
|
95 |
Тетр095 |
1T095 |
БТП-6: 15+(+)/15-(-) |
|
96 |
Тетр096 |
1T096 |
БТП-6: 16+(+)/16-(-) |
|
97 |
Тетр097 |
2T001 |
БТП-7: 1+ (+)/l - (-) |
|
98 |
Тетр098 |
2T002 |
БТП-7: 2+ (+)/2 - (-) |
|
99 |
Тетр099 |
2T003 |
БТП-7: 3+ (+)/3 - (-) |
|
100 |
Тетр 100 |
2T004 |
БТП-7:4+ (+)/4 - (-) |
|
101 |
Тетр 101 |
2T005 |
БТП-7: 5+ (+)/5 - (-) |
|
102 |
Тетр 102 |
2T006 |
БТП-7: 6+ (+)/6 - (-) |
|
103 |
Tempi 03 |
2T007 |
БТП-7: 7+ (+)/7 - (-) |
|
104 |
Тетр 104 |
2T008 |
БТП-7: 8+ (+)/8 - (-) |
|
105 |
Тетр 105 |
2T009 |
БТП-7: 9+(+)/9-(-) |
|
106 |
Тетр 106 |
2T010 |
БТП-7: 10+ (+)/10- (-) |
|
107 |
Тетр 107 |
2T011 |
БТП-7: 11+ (+)/ll - (-) |
|
108 |
Tempi 08 |
2T012 |
БТП-7: 12+ (+)/l 2 - (-) |
|
109 |
Тетр 109 |
2T013 |
БТП-7: 13+(+)/13-(-) |
|
110 |
Tempi 10 |
2T014 |
БТП-7: 14+ (+)/14 - (-) |
|
111 |
Tempi 11 |
2T015 |
БТП-7: 15+ (+)/15-(-) |
|
112 |
Tempi 12 |
2T016 |
БТП-7: 16+(+)/16-(-) |
|
113 |
Tempi 13 |
2T017 |
БТП-8: 1+ (+)/l - (-) |
|
114 |
Tempi 14 |
2T018 |
БТП-8: 2+ (+)/2 - (-) |
|
115 |
Tempi 15 |
2T019 |
БТП-8: 3+ (+)/3 - (-) |
|
116 |
Tempi 16 |
2T020 |
БТП-8: 4+ (+)/4 - (-) |
|
117 |
Tempi 17 |
2T021 |
БТП-8: 5+ (+)/5 - (-) |
|
118 |
Tempi 18 |
2T022 |
БТП-8: 6+ (+)/6 - (-) |
|
119 |
Tempi 19 |
2T023 |
БТП-8: 7+ (+)/7 - (-) |
|
120 |
Temp 120 |
2T024 |
БТП-8: 8+ (+)/8 - (-) |
|
121 |
Tempi 21 |
2T025 |
БТП-8: 9+ (+)/9 - (-) |
|
122 |
Temp 122 |
2T026 |
БТП-8: 10+ (+)/10 - (-) |
|
123 |
Temp 123 |
2T027 |
БТП-8: 11+ (+)/ll - (-) |
|
124 |
Temp 124 |
2T028 |
БТП-8: 12+ (+)/12 - (-) |
|
125 |
Temp 125 |
2T029 |
БТП-8: 13+ (+)/13 -(-) |
|
126 |
Temp 126 |
2T030 |
БТП-8: 14+ (+)/14 - (-) |
|
127 |
Templ27 |
2T031 |
БТП-8: 15+ (+)/15 — (-) |
|
128 |
Tempi 28 |
2T032 |
БТП-8: 16+ (+)/16- (-) |
|
129 |
Tempi 29 |
2T033 |
БТП-9: 1+ (+)/l - (-) |
|
130 |
Temp 130 |
2T034 |
БТП-9: 2+ (+)/2 - (-) |
|
131 |
Tempi 31 |
2T035 |
БТП-9: 3+ (+)/3 - (-) |
|
132 |
Temp 132 |
2T036 |
БТП-9: 4+ (+)/4 - (-) |
|
133 |
Tempi 33 |
2T037 |
БТП-9: 5+ (+)/5 - (-) |
|
134 |
Tempi 34 |
2T038 |
БТП-9: 6+ (+)/6 - (-) | |
|
135 |
Tempi 35 |
2T039 |
БТП-9: |
7+ (+)/7 - (-) |
|
136 |
Tempi 36 |
2T040 |
БТП-9: |
8+(+)/8-(-) |
|
137 |
Tempi 37 |
2T041 |
БТП-9: |
9+(+)/9(.) |
|
138 |
Tempi 38 |
2T042 |
БТП-9: 10+ (+)/10-(-) | |
|
139 |
Tempi 39 |
2T043 |
БТП-9: 11+ (+)/ll -(-) | |
|
140 |
Temp 140 |
2T044 |
БТП-9: 12+ (+)/12 - (-) | |
|
141 |
Templ41 |
2T045 |
БТП-9: 13+ (+)/13 -(-) | |
|
142 |
Temp 142 |
2T046 |
БТП-9: 14+ (+)/14 - (-) | |
|
143 |
Temp 143 |
2T047 |
БТП-9: 15+(+)/15-(-) | |
|
144 |
Temp 144 |
2T048 |
БТП-9: 16+ (+)/16 - (-) | |
|
145 |
Temp 145 |
2T049 |
БТП-10 |
1+ (+)/1 - (-) |
|
146 |
Temp 146 |
2T050 |
БТП-10 |
2+ (+)/2 - (-) |
|
147 |
Temp 147 |
2T051 |
БТП-10 |
3+ (+)/3 - (-) |
|
148 |
Templ48 |
2T052 |
БТП-10 |
4+(+)/4-(-) |
|
149 |
Temp 149 |
2T053 |
БТП-10 |
5+ (+)/5 - (-) |
|
150 |
Temp 150 |
2T054 |
БТП-10 |
6+ (+)/6 - (-) |
|
151 |
Tempi 51 |
2T055 |
БТП-10 |
7+(+)/7-(-) |
|
152 |
Tempi 52 |
2T056 |
БТП-10 |
8+ (+)/8 - (-) |
|
153 |
Temp 153 |
2T057 |
БТП-10 |
9+ (+)/9 - (-) |
|
154 |
Tempi 54 |
2T058 |
БТП-10: |
10+ (+)/10-(-) |
|
155 |
Tempi 55 |
2T059 |
БТП-10: |
11+(+)/11 -(-) |
|
156 |
Temp 156 |
2T060 |
БТП-10: |
12+ (+)/12 - (-) |
|
157 |
Tempi 57 |
2T061 |
БТП-10: |
13+(+)/13-(-) |
|
158 |
Tempi 58 |
2T062 |
БТП-10: |
14+(+)/14-(-) |
|
159 |
Temp 159 |
2T063 |
БТП-10: |
15+(+)/15 - (-) |
|
160 |
Tempi 60 |
2T064 |
БТП-10: |
16+ (+)/16 -(-) |
|
161 |
Tempi 61 |
2T065 |
БТП-11 |
1+ (+)/!-(-) |
|
162 |
Temp 162 |
2T066 |
БТП-11 |
2+(+)/2 — (-) |
|
163 |
Temp 163 |
2T067 |
БТП-11 |
3+ (+)/3 - (-) |
|
164 |
Temp 164 |
2T068 |
БТП-11 |
4+ (+)/4 - (-) |
|
165 |
Temp 165 |
2T069 |
БТП-11 |
5+ (+)/5 - (-) |
|
166 |
Temp 166 |
2T070 |
БТП-11 |
6+ (+)/6 - (-) |
|
167 |
Temp 167 |
2T071 |
БТП-11 |
7+ (+)/7 - (-) |
|
168 |
Temp 168 |
2T072 |
БТП-11 |
8+ (+)/8 - (-) |
|
169 |
Temp 169 |
2T073 |
БТП-11 |
9+ (+)/9 - (-) |
|
170 |
Tempi 70 |
2T074 |
БТП-11: |
10+ (+)/10 - (-) |
|
171 |
Tempi 71 |
2T075 |
БТП-11: |
11+(+)/11 -(-) |
|
172 |
Temp 172 |
2T076 |
БТП-11: |
12+ (+)/12 - (-) |
|
173 |
Temp 173 |
2T077 |
БТП-11: |
13+(+)/13-(-) |
|
174 |
Temp 174 |
2T078 |
БТП-11: |
14+ (+)/14 (.) |
|
175 |
Tempi 75 |
2T079 |
БТП-11: |
15+(+)/15 -(-) |
|
176 |
Temp 176 |
2T080 |
БТП-11: |
16+ (+)/16 - (-) |
|
177 |
Tempi 77 |
2T081 |
БТП-12: 1+ (+)/1 -(-) | |
|
178 |
Tempi 78 |
2T082 |
БТП-12: 2+ (+)/2 - (-) | |
|
179 |
Temp 179 |
2T083 |
БТП-12 |
3+ (+)/3 - (-) |
|
180 |
Tempi 80 |
2T084 |
БТП-12: 4+ (+)/4 - (-) | |
|
181 |
Tempi 81 |
2T085 |
БТП-12 |
:5+(+)/5-(-) |
|
182 |
Тетр 182 |
2T086 |
БТП-12: 6+ (+)/6 - (-) | |
|
183 |
Тетр 183 |
2T087 |
БТП-12: 7+ (+)/7 - (-) | |
|
184 |
Тетр 184 |
2T088 |
БТП-12: 8+(+)/8-(-) | |
|
185 |
Tempi 85 |
2T089 |
БТП-12: 9+ (+)/9 - (-) | |
|
186 |
Tempi 86 |
2T090 |
БТП-12 |
10+(+)/10-(-) |
|
187 |
Tempi 87 |
2T091 |
БТП-12 |
11+(+)/11 -(-) |
|
188 |
Tempi 88 |
2T092 |
БТП-12 |
12+ (+)/12 - (-) |
|
189 |
Tempi 89 |
2T093 |
БТП-12 |
13+ (+)/13-(-) |
|
190 |
Temp 190 |
2T094 |
БТП-12 |
14+ (+)/14 - (-) |
|
191 |
Tempi 91 |
2T095 |
БТП-12 |
15+ (+)/15 -(-) |
|
192 |
Temp 192 |
2T096 |
БТП-12 |
16+ (+)/16-(-) |
Таблица А.2 - ИК частоты переменного тока (наименование измеряемого параметра параметров -частота переменного тока, соответствующая значениям расходов и оборотов)
|
№ п/п |
Обозначение ИК в базе ПО «Метрология» |
Пин |
Контакты подключения |
|
1 |
Freq001 |
1FQ002 |
МССД1: UF1 (+IN)/UF 1 (-IN) |
|
2 |
Freq002 |
1FQ003 |
МССД1: UF2(+IN)/UF2(-IN) |
|
3 |
Freq003 |
2FQ002 |
МССД2: UF3(+IN)/UF3(-IN) |
|
4 |
Freq004 |
2FQ003 |
МССД2: UF4(+IN)/UF4(-IN) |
Таблица А.З - ИК сопротивления постоянному току (наименование измеряемого параметра -сопротивление постоянному току, соответствующее значениям температуры)
|
№ п/п |
Обозначение ИК в базе ПО «Метрология» |
Пин |
Контакты подключения |
|
1 |
TermoresOOl |
1T097 |
БТС-1: RK1.1, RK1.2/RK1.3, RK1.4 |
|
2 |
Termores002 |
1T098 |
БТС-1: RK2.1, RK2.2/ RK2.3, RK2.4 |
|
3 |
Termores003 |
1T099 |
БТС-1: RK3.1, RK3.2/ RK3.3, RK3.4 |
|
4 |
Termores004 |
1T100 |
БТС-1: RK4.1, RK4.2/RK4.3, RK4.4 |
|
5 |
Termores005 |
1T101 |
БТС-1: RK5.1, RK5.2/ RK5.3, RK5.4 |
|
6 |
Termores006 |
1T102 |
БТС-1: RK6.1, RK6.2/ RK6.3, RK6.4 |
|
7 |
Termores007 |
1T103 |
БТС-1: RK7.1, RK7.2/ RK7.3, RK7.4 |
|
8 |
Termores008 |
1T104 |
БТС-1: RK8.1, RK8.2/RK8.3, RK8.4 |
|
9 |
Termores009 |
2T097 |
БТС-2: RK9.1, RK9.2/ RK9.3, RK9.4 |
|
10 |
TermoresOlO |
2T098 |
БТС-2: RK10.1, RK10.2/ RK10.3, RK10.4 |
|
11 |
TermoresOll |
2T099 |
БТС-2: RK11.1, RK11.2/ RK11.3, RK11.4 |
|
12 |
Termores012 |
2T100 |
БТС-2: RK12.1, RK12.2/ RK12.3, RK12.4 |
|
13 |
Termores013 |
2T101 |
БТС-2: RK13.1, RK13.2/ RK13.3, RK13.4 |
|
14 |
Termores014 |
2T102 |
БТС-2: RK14.1, RK14.2/ RK14.3, RK14.4 |
|
15 |
Termores015 |
2T103 |
БТС-2: RK15.1, RK15.2/ RK15.3, RK15.4 |
|
16 |
Termores016 |
2T104 |
БТС-2: RK16.1, RK16.2/ RK16.3, RK16.4 |
Таблица А.4 - ИК силы постоянного тока (наименование измеряемого параметра - сила постоянного тока, соответствующая значениям давления и перепада давления)
|
№ п/п |
Обозначение ИК в базе ПО «Метрология» |
Пин |
Контакты подключения |
|
1 |
PressOOl |
ЗР001 |
БДД-1: l(+)/GND(-) |
|
2 |
Press002 |
ЗР002 |
БДД-1: 2(+) / GND(-) |
|
3 |
Press003 |
3P003 |
БДЦ-1 |
: 3(+) / GND(-) |
|
4 |
Press004 |
3P004 |
БДЦ-1 |
: 4(4-) / GND(-) |
|
5 |
Press005 |
3P005 |
БДД-1 |
: 5(+) / GND(-) |
|
б |
Press006 |
3P006 |
БДД-1 |
: 6(+) / GND(-) |
|
7 |
Press007 |
3P007 |
БДЦ-1 |
: 7(+) / GND(-) |
|
8 |
PressOO8 |
3POO8 |
БДЦ-1 |
: 8(+) / GND(-) |
|
9 |
Press009 |
3P009 |
БДЦ-1 |
: 9(4-) / GND(-) |
|
10 |
PressOlO |
3P010 |
БДЦ-1 |
10(+) / GND(-) |
|
11 |
PressOll |
3P011 |
БДЦ-1 |
11(4)/GND(-) |
|
12 |
Press012 |
3P012 |
БДД-1 |
12(4-) / GND(-) |
|
13 |
Press013 |
3P013 |
БДЦ-1 |
13(4-) / GND(-) |
|
14 |
Press014 |
3P014 |
ВДД-1 |
14(4-) / GND(-) |
|
15 |
PressO15 |
3P015 |
БДЦ-1 |
15(+) / GND(-) |
|
16 |
Press016 |
3P016 |
БДД-1 |
16(4-) / GND(-) |
|
17 |
Press017 |
3P017 |
БДЦ-1 |
17(4-) / GND(-) |
|
18 |
PressO18 |
3P018 |
БДД-1 |
18(4-) / GND(-) |
|
19 |
Press019 |
3P019 |
БДД-1 |
19(4) / GND(-) |
|
20 |
Press020 |
3P020 |
БДД-1 |
20(+) / GND(-) |
|
21 |
Press021 |
3P021 |
БДД-1 |
21(4-) / GND(-) |
|
22 |
Press022 |
3P022 |
БДЦ-1 |
22(+) / GND(-) |
|
23 |
Press023 |
3P023 |
БДД-1 |
23(4) / GND(-) |
|
24 |
Press024 |
3P024 |
БДД-1 |
24(4-) / GND(-) |
|
25 |
Press025 |
3P025 |
БДД-1 |
25(4) / GND(-) |
|
26 |
Press026 |
3P026 |
БДД-1 |
26(4-) / GND(-) |
|
27 |
Press027 |
3P027 |
БДД-1 |
27(4-) / GND(-) |
|
28 |
Press028 |
3P028 |
БДД-1 |
28(4) / GND(-) |
|
29 |
Press029 |
3P029 |
БДЦ-1 |
29(4-) / GND(-) |
|
30 |
PressO3O |
3P030 |
БДЦ-1 |
30(4-) / GND(-) |
|
31 |
PressO31 |
3P031 |
БДЦ-1 |
31(4-) / GND(-) |
|
32 |
Press032 |
3P032 |
БДЦ-1 |
32(4-) / GND(-) |
|
33 |
PressO33 |
3P033 |
БДД-2: 1(+) / GND(-) | |
|
34 |
Press034 |
3P034 |
БДЦ-2: 2(4-) / GND(-) | |
|
35 |
PressO35 |
3P035 |
БДД-2: 3(+) / GND(-) | |
|
36 |
Press036 |
3P036 |
БДД-2: 4(4) / GND(-) | |
|
37 |
Press037 |
3P037 |
БДД-2: 5(4-) / GND(-) | |
|
38 |
PressO38 |
3P038 |
БДЦ-2: 6(+) / GND(-) | |
|
39 |
Press039 |
3P039 |
БДД-2: 7(+) / GND(-) | |
|
40 |
Press040 |
3P040 |
БДД-2: 8(+) / GND(-) | |
|
41 |
Press041 |
3P041 |
БДД-2: 9(+) / GND(-) | |
|
42 |
Press042 |
3P042 |
БДД-2: 10(4)/GND(-) | |
|
43 |
Press043 |
3P043 |
БДД-2: ll(+)/GND(-) | |
|
44 |
Press044 |
3P044 |
БДД-2: 12(+) / GND(-) | |
|
45 |
Press045 |
3P045 |
БДД-2: 13(+)/GND(-) | |
|
46 |
Press046 |
3P046 |
БДЦ-2: 14(4) / GND(-) | |
|
47 |
Press047 |
3P047 |
БДЦ-2: 15(4-) / GND(-) | |
|
48 |
Press048 |
3P048 |
БДД-2: 16(+)/GND(-) | |
|
49 |
Press049 |
3P049 |
БДД-2: 17(4-) / GND(-) | |
|
50 |
PressO5O |
3P050 |
БДД-2: 18(4-) / GND(-) | |
|
51 |
PressO51 |
3P051 |
БДД-2: 19(+)/GND(-) |
|
52 |
Press052 |
3P052 |
БДЦ-2: 20(4-) / GND(-) |
|
53 |
Press053 |
3P053 |
БДД-2: 21(+) / GND(-) |
|
54 |
Press054 |
3P054 |
БДД-2: 22(4) / GND(-) |
|
55 |
PressO55 |
3P055 |
БДД-2: 23(4) / GND(-) |
|
56 |
Press056 |
3P056 |
БДД-2: 24(4) / GND(-) |
|
57 |
Press057 |
3P057 |
БДЦ-2: 25(4) / GND(-) |
|
58 |
Press058 |
3P058 |
БДД-2: 26(4) / GND(-) |
|
59 |
Press059 |
3P059 |
БДД-2: 27(+) / GND(-) |
|
60 |
Press060 |
3P060 |
БДД-2: 28(4) / GND(-) |
|
61 |
Press061 |
3P061 |
БДД-2: 29(4) / GND(-) |
|
62 |
Press062 |
3P062 |
БДД-2: 30(4-) / GND(-) |
|
63 |
Press063 |
3P063 |
БДЦ-2: 31(4)/GND(-) |
|
64 |
Press064 |
3P064 |
БДД-2: 32(4) / GND(-) |
|
65 |
Press065 |
3P065 |
БДЦ-3: 1(4) / GND(-) |
|
66 |
Press066 |
3P066 |
БДД-3: 2(4) / GND(-) |
|
67 |
Press067 |
3P067 |
БДД-3: 3(4) / GND(-) |
|
68 |
Press068 |
3P068 |
БДЦ-3: 4(+) / GND(-) |
|
69 |
Press069 |
3P069 |
БДД-3: 5(4) / GND(-) |
|
70 |
Press070 |
3P070 |
БДЦ-3: 6(4) / GND(-) |
|
71 |
Press071 |
3P071 |
БДД-3: 7(4) / GND(-) |
|
72 |
Press072 |
3P072 |
БДД-3: 8(4) / GND(-) |
|
73 |
Press073 |
3P073 |
БДД-3: 9(4) / GND(-) |
|
74 |
Press074 |
3P074 |
БДД-3:10(4-) / GND(-) |
|
75 |
Press075 |
3P075 |
БДД-3: ll(+)/GND(-) |
|
76 |
Press076 |
3P076 |
БДЦ-3: 12(4-) / GND(-) |
|
77 |
Press077 |
3P077 |
БДЦ-3: 13(4-) / GND(-) |
|
78 |
Press078 |
3P078 |
БДЦ-3: 14(4-) / GND(-) |
|
79 |
Press079 |
3P079 |
БДД-3: 15(4-) / GND(-) |
|
80 |
Press080 |
3P080 |
БДЦ-3:16(4-) / GND(-) |
|
81 |
PressO81 |
3P081 |
БДЦ-3: 17(4-) / GND(-) |
|
82 |
Press082 |
3P082 |
БДЦ-3: 18(+)/GND(-) |
|
83 |
Press083 |
3PO83 |
БДД-3:19(4-) / GND(-) |
|
84 |
Press084 |
3P084 |
БДД-3: 20(4) / GND(-) |
|
85 |
Press085 |
3P085 |
БДЦ-3: 21(4)/GND(-) |
|
86 |
Press086 |
3P086 |
БДЦ-3: 22(+) / GND(-) |
|
87 |
Press087 |
3P087 |
БДД-3: 23(4) / GND(-) |
|
88 |
Press088 |
3P088 |
БДД-3: 24(4) / GND(-) |
|
89 |
Press089 |
3P089 |
БДЦ-3: 25(4) / GND(-) |
|
90 |
Press090 |
3P090 |
БДД-3: 26(4) / GND(-) |
|
91 |
Press091 |
3P091 |
БДД-3: 27(4) / GND(-) |
|
92 |
Press092 |
3P092 |
БДЦ-3: 28(4) / GND(-) |
|
93 |
Press093 |
3P093 |
БДД-3: 29(4) / GND(-) |
|
94 |
Press094 |
3P094 |
БДЦ-3: 30(4) / GND(-) |
|
95 |
Press095 |
3P095 |
БДЦ-3: 31(4-) / GND(-) |
|
96 |
Press096 |
3P096 |
БДД-3: 32(4) / GND(-) |
|
97 |
Press097 |
3P097 |
БДД-4: 1(4) / GND(-) |
|
98 |
Press098 |
3P098 |
БДЦ-4: 2(4) / GND(-) |
|
99 |
Press099 |
3P099 |
БДД-4: 3(+) / GND(-) |
|
100 |
Press 100 |
3P100 |
БДЦ-4: 4(+) / GND(-) |
|
101 |
PresslOl |
3P101 |
БДД-4: 5(+) / GND(-) |
|
102 |
Press102 |
3P102 |
БДД-4: 6(+) / GND(-) |
|
103 |
Press103 |
3P103 |
БДЦ-4: 7(+) / GND(-) |
|
104 |
Press104 |
3P104 |
БДД-4: 8(+) / GND(-) |
|
105 |
Press105 |
3P105 |
БДД-4: 9(+) / GND(-) |
|
106 |
Press 106 |
3P106 |
БДЦ-4: 10(4-) / GND(-) |
|
107 |
Press 107 |
3P107 |
БДД-4: ll(+)/GND(-) |
|
108 |
Press 108 |
3P108 |
БДД-4: 12(+) / GND(-) |
|
109 |
Press109 |
3P109 |
БДД-4: 13(4-) / GND(-) |
|
110 |
PressllO |
3P110 |
БДД-4:14(4-) / GND(-) |
|
111 |
Presslll |
3P111 |
БДД-4:15(4-) / GND(-) |
|
112 |
Pressll2 |
3P112 |
БДД-4: 16(4-) / GND(-) |
|
113 |
Pressll3 |
3P113 |
БДЦ-4: 17(4-) / GND(-) |
|
114 |
Pressll4 |
3P114 |
БДД-4:18(4-) / GND(-) |
|
115 |
Pressll5 |
3P115 |
БДЦ-4:19(4-) / GND(-) |
|
116 |
Pressll6 |
3P116 |
БДЦ-4: 20(4-) / GND(-) |
|
117 |
Pressll7 |
3P117 |
БДЦ-4: 21(4-) / GND(-) |
|
118 |
Pressll8 |
3P118 |
БДЦ-4: 22(+) / GND(-) |
|
119 |
Pressll9 |
3P119 |
БДД-4: 23(4-) / GND(-) |
|
120 |
Press 120 |
3P120 |
БДЦ-4:24(4-) / GND(-) |
|
121 |
Pressl21 |
3P121 |
БДЦ-4: 25(4-) / GND(-) |
|
122 |
Press122 |
3P122 |
БДД-4:26(4-) / GND(-) |
|
123 |
Pressl23 |
3P123 |
БДД-4: 27(4-) / GND(-) |
|
124 |
Press124 |
3P124 |
БДД-4: 28(4-) / GND(-) |
|
125 |
Press125 |
3P125 |
БДЦ-4: 29(4-) / GND(-) |
|
126 |
Press 126 |
3P126 |
БДЦ-4: 30(4-) / GND(-) |
|
127 |
Press 127 |
3P127 |
БДЦ-4: 31(4-) 1 GND(-) |
|
128 |
Press128 |
3P128 |
БДД-4: 32(4-) / GND(-) |
|
129 |
Press 129 |
3P129 |
БДЦ-5: 1(+) / GND(-) |
|
130 |
Press 130 |
3P130 |
БДЦ-5: 2(+) / GND(-) |
|
131 |
Pressl31 |
3P131 |
БДД-5: 3(+) / GND(-) |
|
132 |
Press 132 |
3P132 |
БДД-5: 4(+) / GND(-) |
|
133 |
Press133 |
3P133 |
БДД-5: 5(+) / GND(-) |
|
134 |
Press134 |
3P134 |
БДЦ-5: 6(+) / GND(-) |
|
135 |
Press135 |
3P135 |
БДЦ-5: 7(+) / GND(-) |
|
136 |
Press 136 |
3P136 |
БДД-5: 8(+) / GND(-) |
|
137 |
Press 137 |
3P137 |
БДД-5: 9(+) / GND(-) |
|
138 |
Pressl38 |
3P138 |
БДЦ-5: 10(4-) / GND(-) |
|
139 |
Press 139 |
3P139 |
БДД-5: ll(+)/GND(-) |
|
140 |
Press140 |
3P140 |
БДД-5: 12(4-) / GND(-) |
|
141 |
Press 141 |
3P141 |
БДД-5: 13(4-) / GND(-) |
|
142 |
Press142 |
3P142 |
БДД-5: 14(4-) / GND(-) |
|
143 |
Press 143 |
3P143 |
БДД-5: 15(+)/GND(-) |
|
144 |
Press144 |
3P144 |
БДЦ-5: 16(+) / GND(-) |
|
145 |
Press145 |
3P145 |
БДЦ-5: 17(4-) / GND(-) |
|
146 |
Press 146 |
3P146 |
БДД-5: 18(4-) / GND(-) |
|
147 |
Press147 |
3P147 |
БДЦ-5:19(4-) / GND(-) |
|
148 |
Press148 |
3P148 |
БДД-5: 20(4-) / GND(-) |
|
149 |
Press 149 |
3P149 |
БДД-5: 21 (+) / GND(-) |
|
150 |
Press150 |
3P150 |
БДД-5: 22(4-) / GND(-) |
|
151 |
Pressl51 |
3P151 |
БДД-5: 23(+) / GND(-) |
|
152 |
Press152 |
3P152 |
БДЦ-5: 24(4-) / GND(-) |
|
153 |
Press153 |
3P153 |
БДД-5: 25(4-) / GND(-) |
|
154 |
Press154 |
3P154 |
БДД-5: 26(+) / GND(-) |
|
155 |
Press155 |
3P155 |
БДД-5:27(4-) / GND(-) |
|
156 |
Press 156 |
3P156 |
БДД-5: 28(4-) / GND(-) |
|
157 |
Press157 |
3P157 |
БДД-5: 29(4-) / GND(-) |
|
М158 |
Press158 |
3P158 |
БДД-5: 30(4-) / GND(-) |
|
159 |
Press 159 |
3P159 |
БДД-5: 31(+) / GND(-) |
|
160 |
Press160 |
3P160 |
БДД-5: 32(4-) / GND(-) |
|
161 |
Pressl61 |
3P161 |
БДД-6: 1(+) / GND(-) |
|
162 |
Press 162 |
3P162 |
БДД-6: 2(4-) / GND(-) |
|
163 |
Press163 |
3P163 |
БДЦ-6: 3(+) / GND(-) |
|
164 |
Press164 |
3P164 |
БДЦ-6: 4(4-) / GND(-) |
|
165 |
Press165 |
3P165 |
БДЦ-6: 5(4-) / GND(-) |
|
166 |
Press 166 |
3P166 |
БДД-6: 6(+) / GND(-) |
|
167 |
Press 167 |
3P167 |
БДЦ-6: 7(4-) / GND(-) |
|
168 |
Press168 |
3P168 |
БДД-6: 8(4-) / GND(-) |
|
169 |
Press 169 |
3P169 |
БДД-6: 9(4-) / GND(-) |
|
170 |
Press170 |
3P170 |
БДД-6: 10(4-) / GND(-) |
|
171 |
Pressl71 |
3P171 |
БДД-6: 11(4-) / GND(-) |
|
172 |
Press172 |
3P172 |
БДД-6: 12(4-) / GND(-) |
|
173 |
Press 173 |
3P173 |
БДД-6: 13(4-)/GND(-) |
|
174 |
Press174 |
3P174 |
БДЦ-6: 14(+) / GND(-) |
|
175 |
Press175 |
3P175 |
БДЦ-6: 15(4-)/GND(-) |
|
176 |
Press176 |
3P176 |
БДД-6: 16(4-) / GND(-) |
|
177 |
Press 177 |
3P177 |
БДЦ-6: 17(4-) / GND(-) |
|
178 |
Press178 |
3P178 |
БДД-6: 18(4-) / GND(-) |
|
179 |
Press 179 |
3P179 |
БДЦ-6: 19(4-) / GND(-) |
|
180 |
Press 180 |
3P180 |
БДЦ-6: 20(4-) / GND(-) |
|
181 |
Pressl81 |
3P181 |
БДД-6: 21(4-) / GND(-) |
|
182 |
Press182 |
3P182 |
БДД-6: 22(4-) / GND(-) |
|
183 |
Press183 |
3P183 |
БДЦ-6: 23(4-) / GND(-) |
|
184 |
Press184 |
3P184 |
БДД-6: 24(4-) / GND(-) |
|
185 |
Press185 |
3P185 |
БДД-6: 25(4-) / GND(-) |
|
186 |
Press 186 |
3P186 |
БДД-6: 26(4-) / GND(-) |
|
187 |
Press 187 |
3P187 |
БДД-6: 27(4-) / GND(-) |
|
188 |
Pressl88 |
3P188 |
БДД-6: 28(4-) / GND(-) |
|
189 |
Press189 |
3P189 |
БДД-6: 29(4-) / GND(-) |
|
190 |
Press 190 |
3P190 |
БДЦ-6: 30(4-) / GND(-) |
|
191 |
Pressl91 |
3P191 |
БДД-6: 31(4-)/GND(-) |
|
192 |
Press 192 |
3P192 |
БДД-6: 32(4-) / GND(-) |
|
193 |
Press193 |
3P193 |
БДД-7: 1(4-) / GND(-) |
|
194 |
Press 194 |
3P194 |
БДД-7: 2(4-) / GND(-) |
|
195 |
Press195 |
3P195 |
БДД-7: 3(+) / GND(-) |
|
196 |
Press196 |
3P196 |
БДД-7: 4(+) / GND(-) |
|
197 |
Press197 |
3P197 |
БДЦ-7: 5(+) / GND(-) |
|
198 |
Press198 |
3P198 |
БДЦ-7: 6(+) / GND(-) |
|
199 |
Press199 |
3P199 |
БДЦ-7: 7(+) / GND(-) |
|
200 |
Press200 |
3P200 |
БДЦ-7: 8(+) / GND(-) |
|
201 |
Press201 |
3P201 |
БДД-7: 9(4) / GND(-) |
|
202 |
Press202 |
3P202 |
БДЦ-7: 10(+) / GND(-) |
|
203 |
Press203 |
3P203 |
БДД-7: ll(+)/GND(-) |
|
204 |
Press204 |
3P204 |
БДД-7: 12(4) / GND(-) |
|
205 |
Press205 |
3P205 |
БДЦ-7: 13(4) / GND(-) |
|
206 |
Press206 |
3P206 |
БДД-7: 14(4) / GND(-) |
|
207 |
Press207 |
3P207 |
БДД-7: 15(4) / GND(-) |
|
208 |
Press208 |
3P208 |
БДЦ-7: 16(4) / GND(-) |
|
209 |
Press209 |
3P209 |
БДД-7: 17(4-) / GND(-) |
|
210 |
Press210 |
3P210 |
БДД-7: 18(4) / GND(-) |
|
211 |
Press211 |
3P211 |
БДЦ-7: 19(4) / GND(-) |
|
212 |
Press212 |
3P212 |
БДД-7: 20(4) / GND(-) |
|
213 |
Press213 |
3P213 |
БДЦ-7: 21(4) / GND(-) |
|
214 |
Press214 |
3P214 |
БДД-7:22(4) / GND(-) |
|
215 |
Press215 |
3P215 |
БДД-7: 23(4) / GND(-) |
|
216 |
Press216 |
3P216 |
БДЦ-7: 24(4) / GND(-) |
|
217 |
Press217 |
3P217 |
БДЦ-7: 25(4) / GND(-) |
|
218 |
Press218 |
3P218 |
БДД-7: 26(4) / GND(-) |
|
219 |
Press219 |
3P219 |
БДЦ-7: 27(+) / GND(-) |
|
220 |
Press220 |
3P220 |
БДД-7: 28(+) / GND(-) |
|
221 |
Press221 |
3P221 |
БДЦ-7: 29(4) / GND(-) |
|
222 |
Press222 |
3P222 |
БДЦ-7: 30(4) / GND(-) |
|
223 |
Press223 |
3P223 |
БДД-7: 31(+) / GND(-) |
|
224 |
Press224 |
3P224 |
БДД-7: 32(4-) / GND(-) |
|
225 |
Press225 |
3P225 |
БДД-8: 1(+) / GND(-) |
|
226 |
Press226 |
3P226 |
БДД-8: 2(4) / GND(-) |
|
227 |
Press227 |
3P227 |
БДД-8: 3(4) / GND(-) |
|
228 |
Press228 |
3P228 |
БДД-8: 4(4) / GND(-) |
|
229 |
Press229 |
3P229 |
БДД-8: 5(4-) / GND(-) |
|
230 |
Press230 |
3P230 |
БДД-8: 6(4) / GND(-) |
|
231 |
Press231 |
3P231 |
БДД-8: 7(4) / GND(-) |
|
232 |
Press232 |
3P232 |
БДЦ-8: 8(4) / GND(-) |
Комплекс жмшерительно-вычяспителышй ЭИС У-08 (Методика поверкиИНСИ.42584Э.000.00 МП)
; ' " “ ! ■ ~ i i - — - ............."f"'- ;
ПРОТОКОЛ ...........................
поверки измерительного канала
1 Вад поверки:
2 Дата поверки:
3 Средства поверки
31 Рабочий эталон:
Нижний предел
Верхний предел

3 2 Вспомогательные средства:
|
j | ||||
|
4 Условия поверки: |
• ! i : | |||
|
Температура |
Относительная |
Атмосферное |
! |
i : j :: i ! ; г |
|
окружающего |
влажность |
давление, |
I j |
I ; |
|
воздуха, град, С |
воздуха, % |
мм ртст. |
........................................................i...................................................... |
( : |
|
; ; ! I | ||||
|
. i | ||||
5 Результаты экспериментальных исследований
5.1 Внешний осмотр: :............
5 2 Результаты опробования: ‘
I........................................

6
|
6.1 Условия иссле |
дования: | |||||||
|
Число ступеней измерений (контрольных точек) |
Число измерений в контрольной точке |
Число циклов | ||||||
|
6.2 Составляющие погрешности: | ||||||||
|
Hwep ступени |
Задаваемые эталонные сигналы, вед. йзм |
Погрешность эталона, в ед. изм. |
Измеренный сигнал ,в ед. изм |
по полиному, в ед. изм. |
Систематич погрешность, вед. иам |
СКО. в ед. изм. |
Неискпюч. СОСТ. СИСТ. погрешности, в ед. вам. |
Абсолютная погрешность, в ед. изм. |
|
6.3 Погрешность ИК: | ||||||
|
Номер диапазона |
Диапазон |
Форма предст. погрешности |
Норыирукицее »*тл» ***** |
Допускаемая погрешность |
Погрешность |
Ед. измер. погрешности |
7 Вывод
Приведенная к ... погрешность ИК.... находится в пределах А ... %, допускаемых согласно
методике поверки на Компга^ измеритедьно-вычислитепьный ЭИС У-08 (Методика поверки ИНСИ.425849.000.00 МП)
Приложение В (рекомендуемое)СПИСОК ССЫЛОК НА НОРМАТИВНО-ТЕХНИЧЕСКУЮ ДОКУМЕНТАЦИЮ
ОСТ 1 01021-93 «Стенды испытательные авиационные газотрубных двигателей. Общие требования».
ПР 50.2.006-94 «ГСИ. Порядок проведения поверки средств измерений».
ГОСТ 8.009-84 «ГСИ. Нормируемые метрологические характеристики средств измерений».
МИ 2440-97 «ГСИ. Методы экспериментального определения и контроля характеристик погрешности измерительных каналов измерительных систем и измерительных комплексов».
ГОСТ Р 8.596-2002 «ГСИ. Метрологическое обеспечение измерительных систем. Основные положения».
МИ 1317-2004 «ГСИ. Результаты и характеристики погрешностей измерений. Формы представления. Способы использования при испытаниях образцов продукции и контроля их параметров».
ГОСТ Р 8.736-2011 «ГСИ. Измерения прямые многократные. Методы обработки результатов измерений. Основные положения».
«Правила технической эксплуатации электроустановок потребителей»
ПОТ Р М-016-2001, РД 153-34.0-03.150-00 «Межотраслевые правила по охране труда (правила безопасности) при эксплуатации электроустановок».
ГОСТ 12.1.019-2009 «ССБТ. Электробезопасность. Общие требования и номенклатура видов защиты».
ГОСТ 12.1.038-82 «ССБТ. Электробезопасность. Предельно допустимые значения напряжений прикосновения и токов».
ГОСТ 12.1.030-81 «ССБТ Электробезопасность. Защитное заземление, зануление».
ГОСТ 12.2.007.0-75 «ССБТ. Изделия электротехнические. Общие требования безопасности».
ГОСТ 12.1.004-91 «ССБТ. Пожарная безопасность. Общие требования».
ГОСТ 8.027-2001 «ГСИ. Государственная поверочная схема для средств измерений постоянного электрического напряжения и электродвижущей силы».
ГОСТ 8.129-2013 «ГСИ. Государственная поверочная схема для средств измерений времени и частоты».
ГОСТ Р 8.764-2011 «ГСИ. Государственная поверочная схема для средств измерений электрического сопротивления».
ГОСТ 8.022-91 «ГСИ. Государственный первичный эталон и государственная поверочная схема для средств измерений силы постоянного электрического тока в диапазоне 1 • 10 '6-^ 30 А».
Приложение Г (рекомендуемое) ПРИНЯТЫЕ В ДОКУМЕНТЕ СОКРАЩЕННЫЕ ОБОЗНАЧЕНИЯАРМ - автоматизированное рабочее место;
БДД - блок датчиков давления;
БТП - блок термопарный;
БТС - блок термосопротивлений;
ВП - верхний предел диапазона измерений;
ИВК - комплекс измерительно-вычислительный;
ИЗ - измеряемое значение;
ИК - измерительный канал;
МП - методика поверки;
MX - метрологические характеристики;
ПО - программное обеспечение;
ПП - первичный преобразователь;
СИ - средство измерений;
ССД - система сбора данных.
Приложение Д (рекомендуемое) Основные MX ИВКТаблица Д.1 - Метрологические характеристики ИВК
|
Наименование измеряемого параметра |
Диапазон измерений |
Пределы допускаемой приведенной к верхнему пределу погрешности измерений |
Количество ИК |
|
ИК напряжения постоянного тока, соответствующего значениям температуры | |||
|
Напряжение постоянного тока, соответствующее значениям температуры (с термоэлектрическим преобразователем ХА) |
от -50 до +1370 °C* (от-1,889 до +54,819 мВ**) |
±0,1 % |
192 |
|
Напряжение постоянного тока, соответствующее значениям температуры (с термоэлектрическим преобразователем ХК) |
от -50 до +670 °C* (от -3,005 до +55,241 мВ**) |
±0,15% |
192 |
|
ИК напряжения постоянного тока | |||
|
Напряжение постоянного тока, соответствующее значениям температуры |
от -2 до +55 мВ |
±0,05 % |
192 |
|
ИК частоты переменного тока | |||
|
Частота переменного тока, соответствующая значениям расходов и оборотов |
от 10 до 30000 Гц |
±0,05 % |
4 |
|
ИК сопротивления постоянному току | |||
|
Сопротивление постоянному току, соответствующее значениям температуры |
от 80 до 200 Ом |
±0,05 % |
16 |
|
ИК силы постоянного тока | |||
|
Сила постоянного тока, соответствующая значениям давления и перепада давления |
от 4 до 20 мА |
±0,05 % |
232 |
Примечание - * с учетом компенсации «холодного спая» при ненулевой температуре ** дез уЧета компенсации «холодного спая» при ненулевой температуре
