Методика поверки «Система измерительная контроля параметров блоков "5" и рублевых приводов БРП-180.9500-0» (БРП-180.9500-0МП)
УТВЕРЖДАЮ Начальник ФГБУ

Инструкция
Система измерительная контроля параметров блоков «5» и рулевых приводов БРП-180.9500-0
Методика поверки
БРП-180.9500-0 МП
2018 г.
СОДЕРЖАНИЕ
Стр.
Приложение А - Схемы электрические структурные
1 ВВЕДЕНИЕ-
1.1 Настоящая методика поверки (далее по тексту - методика) устанавливает порядок проведения и оформления результатов поверки системы измерительной контроля параметров блоков «5» и рулевых приводов БРП-180.9500.0 (далее по тексту - система) и устанавливает методику первичной и периодических поверок.
-
1.2 Интервал между поверками - 1 год.
2.1 При проведении поверки выполнять операции, указанные в таблице 1. Таблица 1
Наименование операции |
№ пункта методики |
Проведение операции при | |
первичной поверке |
периодической поверке | ||
1 Внешний осмотр |
7.1 |
да |
да |
2 Опробование |
7.2 |
да |
да |
3 Проверка контрольной суммы исполняемого кода (цифрового идентификатора программного обеспечения (ПО)) |
7.4 |
да |
да |
4 Определение метрологических характеристик (MX) |
7.3 | ||
4.1 Определение погрешности измерений времени формирования команды привода «Готов +» и «Готов-» |
7.3.2 |
да |
да |
4.2 Определение погрешности измерения времени разарретирования и формирования сигнала СВР 5. |
7.3.3 |
да |
да |
4.3 Определение погрешности измерения времени формирования сигнала ПИ-1 |
7.3.4 |
да |
да |
4.4 Определение относительной погрешности измерения скорости изменения напряжения |
7.3.5 |
да |
да |
4.5 Определение абсолютной погрешности воспроизведения амплитуды управляющих сигналов |
7.3.6 |
да |
да |
4.6 Определение относительной и абсолютной погрешности измерений напряжения постоянного тока сигналов датчиков обратной связи (ДОС) |
7.3.7 |
да |
да |
4.7 Определение относительной погрешности измерений напряжения постоянного тока |
7.3.8 |
да |
да |
4.8 Определение абсолютной погрешности измерения разности фаз |
7.3.9 |
да |
да |
4.9 Определение абсолютной погрешности измерения силы постоянного тока |
7.3.10 |
да |
да |
Проведение поверки отдельных измерительных каналов из состава системы измерительной контроля параметров блоков 5 и рулевых приводов БРП-180.9500-0 возможно.
3 СРЕДСТВА ПОВЕРКИ3.1 Средства поверки приведены в таблице 2. Таблица 2
Номер пункта методики поверки |
Наименование и тип основных или вспомогательных средств поверки, номер документа, регламентирующего технические требования к рабочим эталонам или вспомогательным средствам. Разряд по государственной поверочной схеме и (или) метрологические и основные технические характеристики |
7.3.7, 7.3.8 |
Калибратор многофункциональный Fluke 5522А: диапазон воспроизведения напряжения постоянного тока от 0 до ± 1020 В, пределы допускаемой основной абсолютной погрешности воспроизведения напряжения постоянного тока ± 3,2-10’5 В, диапазон воспроизведения напряжений переменного тока от 0,001 до 1020 В, пределы допускаемой абсолютной погрешности воспроизведения напряжения переменного тока на частотах от 45 Гц до 10 кГц ± 1,4-10’4 В |
7.3.6 |
Мультиметр цифровой 34411 А: диапазон измерений напряжений постоянного тока от 0,1 до 1000 В, пределы допускаемой абсолютной погрешности измерений напряжений постоянного тока ± (0,0035%- иИЗм.+ 0,0005%- иПр.) , где иИЗм- измеренное значение, Unp. - значение предела измерений; диапазон измерений напряжений переменного тока от 0,1 до 750 В, пределы допускаемой абсолютной погрешности измерений напряжения переменного тока ± (0,01%- UH3M.+ 0,001%-Unp), диапазон измеряемых частот от 3 до 3 • 105 Гц |
7.3.5 |
Осциллограф цифровой запоминающий WaveJet 352А: полоса пропускания от 0 до 500 МГц, пределы допускаемой абсолютной погрешности измерения напряжения ± (1,5-10’2 -U + 0,5-10'2 -8Ко), где U - измеренное значение напряжения, 8 - количество делений по вертикали, Ко выраженное в В/дел.; диапазон измерений временных интервалов от 5 Ю’10до 50 с; пределы допускаемой абсолютной погрешности измерений временных интервалов ± (1-10’7 Тизм. ), где Тизм - измеренное значение временных интервалов |
7.3.2-7.3.5 |
Генератор сигналов произвольной формы 33622А: диапазон установки амплитуды сигнала от 0,01 до 10 В, диапазон установки частоты выходного сигнала от 110‘6Гц до 120МГц, разрешение 10'6Гц, диапазон задержки формирования импульсов относительно импульса запуска 0-1000 с, разрешение 1нс |
7.3.9 |
Измеритель разности фаз Ф2-34: диапазон измеряемых частот от 0,5 до 5 106 Гц, диапазон входных напряжений: непосредственно на входах 1 и 2 от 0,002 до 2 В, пределы измерений фазовых сдвигов от 0 до 360°, пределы основной абсолютной погрешности измерения фазовых сдвигов в диапазоне частот от 1 до 20 Гц не превышает ±0,1° |
7.3.10 |
Нагрузка электронная программируемая PEL-300: диапазон установки значений входного напряжения от 3 до 60 В, пределы допускаемой абсолютной погрешности установки значений входного напряжения ±0,12 В; диапазон установки значения выходного тока от 0,006 до 60 А, пределы допускаемой абсолютной погрешности установки входного тока ± (0,0016 -0,16) А. |
Вспомогательные средства поверки | |
7 |
Термогигрометр ИВА-6 А: диа пазон измерений относительной влажности от 0 до 98 %, пределы допускаемой основной абсолютной погрешности измерений относительной влажности (при температуре 23 °C) ±2 %; диапазон измерений температуры от минус 20 до 60 °C, пределы |
допускаемой абсолютной погрешности измерения температуры ±0,3 °C | |
7 |
Барометр-анероид метеорологический БАММ-1: диапазон измерений атмосферного давления от 80 до 106 кПа; пределы допускаемой абсолютной погрешности измерений атмосферного давления ±0,2 кПа |
Вспомогательное оборудование | |
7.2 |
Пульт технологический 180.9513-0 |
7.3.2-7.3.9 |
Пульт поверки ЛМАЕ.434631.001 |
-
3.2 При проведении поверки допускается применять другие средства измерений, удовлетворяющие по точности и диапазону измерений требованиям настоящей методики.
-
3.3 При поверке должны использоваться средства измерений утвержденных типов.
-
3.4 Используемые средства поверки должны быть поверены в соответствии с требованиями приказа Минпромторга России № 1815 от 02 июля 2015 г. и иметь действующее свидетельство о поверке (знак поверки).
-
3.5 Средства поверки должны быть внесены в рабочее помещение не менее чем за 12 часов до начала поверки.
-
4.1 При проведении поверки необходимо соблюдать требования техники безопасности, предусмотренные «Правилами технической эксплуатации электроустановок потребителей» и «ПОТ Р М-016-2001. РД 153-34.0-03.150-00. Межотраслевыми Правилами по охране труда (Правила безопасности) при эксплуатации электроустановок». ГОСТ 12.2.007.0-75, ГОСТ Р 12.1.019-2009, ГОСТ 12.2.091-2002 и требования безопасности, указанные в технической документации на применяемые эталоны и вспомогательное оборудование.
-
4.2 Любые подключения приборов проводить только при отключенном напряжении питания системы.
-
4.3 К поверке допускаются лица, изучившие руководство по эксплуатации (РЭ) на систему, знающие принцип действия используемых средств поверки и прошедшие инструктаж по технике безопасности (первичный и на рабочем месте) в установленном в организации порядке.
-
4.4 К поверке допускаются лица, освоившие работу с используемыми средствами поверки, изучившие настоящую методику и имеющие достаточную квалификацию.
-
4.5 Лица, участвующие в поверке системы, должны проходить обучение и аттестацию по технике безопасности и производственной санитарии при работе в условиях её размещения.
-
5.1 При проведении поверки должны соблюдаться следующие условия: температура окружающего воздуха, °C......................................................от 15 до 30;
относительная влажность воздуха , %........................................................от 30 до 80;
атмосферное давление, мм рт. ст. (кПа)...........................от 730 до 785 (от 97,3 до 104,6);
напряжение питания однофазной сети переменного тока
при частоте (50±1) Гц, В......................................................................от 200 до 230.
6 ПОДГОТОВКА К ПОВЕРКЕ-
6.1 При подготовке к поверке:
проверить наличие свидетельств (знаков поверки) о поверке эталонов и СИ; проверить целостность электрических цепей ИК;
включить питание измерительных преобразователей и аппаратуры системы;
перед началом поверки измерить и занести в протокол поверки условия окружающей среды (температура, влажность воздуха и атмосферное давление).
7 ПРОВЕДЕНИЕ ПОВЕРКИ-
7.1 Внешний осмотр
-
7.1.1 При внешнем осмотре проверить:
-
-
- отсутствие механических повреждений;
-
- исправность органов управления (четкость фиксации положения переключателей и кнопок, возможность установки переключателей в любое положение);
-
- отсутствие нарушений экранировки линий связи;
-
- отсутствие обугливания и следов разрушения и старения изоляции внешних токоведущих частей системы;
-
- отсутствие неудовлетворительного крепления разъемов;
-
- заземление электронных блоков системы;
-
- наличие товарного знака фирмы-изготовителя, заводского номера системы и состояние лакокрасочного покрытия;
-
7.1.2 Результаты внешнего осмотра считать положительными, если выполняются вышеперечисленные требования. В противном случае поверка не проводится до устранения выявленных недостатков.
-
7.2 Опробование
-
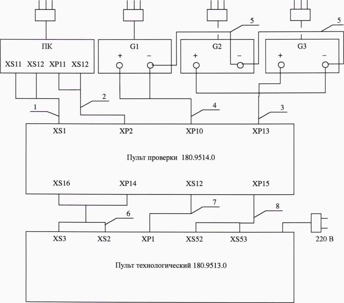
7.2.1 Собрать систему (рабочее место) для проведения комплексной проверки в соответствии с рисунком А 1 приложения А.
-
7.2.2 Провести комплексную проверку системы, без использования средств поверки, в следующей последовательности:
-
-
- убедится, что все тумблеры на пульте технологическом 180.9513-0 находятся в выключенном положении;
-
- включить источники постоянного тока Gl, G2, G3 и установить на источниках G1, G3 напряжение 27 В, а на источнике G2 напряжение 90В;
-
- на пульте проверки 180.9514-0 включить тумблер «27 В», должен начать мигать индикатор «27 В»;
-
- включить блок питания компьютера, включить системный блок компьютера, индикатор «27 В» на пульте проверки 180.9514-0 должен гореть не мигая. Включить монитор и принтер;
-
- на пульте проверки 180.9514-0 включить тумблер «~220 В», должен загореться индикатор «~220 В»;
-
- на пульте технологическом включить тумблер «~220 В», должны загореться светодиоды «5 В», «+15 В», «-15 В», «АРР», «Марр».
Примечание: выключение системы проводится в обратном порядке.
-
7.2.3 После загрузки компьютера на экране монитора появится стандартное окно «Рабочий стол». На «Рабочем столе» компьютера найти ярлык «180». Установить курсор на ярлык и дважды нажать левую клавишу «мыши». На экране монитора откроется главное окно программы.
Рисунок 1 - Главное окно программы
В левом верхнем углу окна программы «180» установить курсор на надпись «Тест», нажать левую клавишу «мыши», затем выбрать «атрибуты испытаний». В открывшимся окне «атрибуты испытаний» поочередно выбрать (поставить метки): тип проверки - «Комплексная проверка», тип изделия - «БРП» и «Имитатор» (поставить галочку).
После заполнения полей в данном окне нажать кнопку «Продолжить», на экране появится окно «Ход испытания», предлагающее отменить или продолжить испытания нажатием «Пуск» или «Отменить». При нажатии «Отменить» на экране появится главное окно программы.
Для запуска проверки нажать кнопку «Пуск». В окне сообщений в течение 2-х минут должны появляться сообщения о ходе проверки до завершения программы. Индикацию на пульте технологическом не контролировать.
Завершение работы обозначается появлением надписи «Проверка закончена» в поле команд оператору. В случае остановки программы, в поле сообщений будет указана причина остановки.
Закрыть окно «Ход испытаний» программы, для чего, курсором и левой клавишей «мыши» нажать кнопку «закрыть» или «X» в верхнем правом углу окна.
Откроется главное окно программы со списком проведенных проверок и информацией о последней проверке.
Вывести протокол на экран. Для этого, курсором и левой клавишей «мыши» нажать на строку проведенного испытания, а затем нажать на значок «Вывод протокола».
Откроется окно программы «Форма протокола».
Выбрать форму протокола. Для этого, курсором и левой клавишей «мыши» выбрать «Периодические испытания» затем нажать на кнопку «Создать».
Откроется окно программы «Протокол»
Результаты опробования считать положительными, если система запускается, и все параметры протокола соответствуют значению по ТУ.
-
7.3 Определение MX системы
-
7.3.1 Подготовка системы к поверке
-
После проведения опробования закрыть окно программы «180» и произвести выключение системы.
-
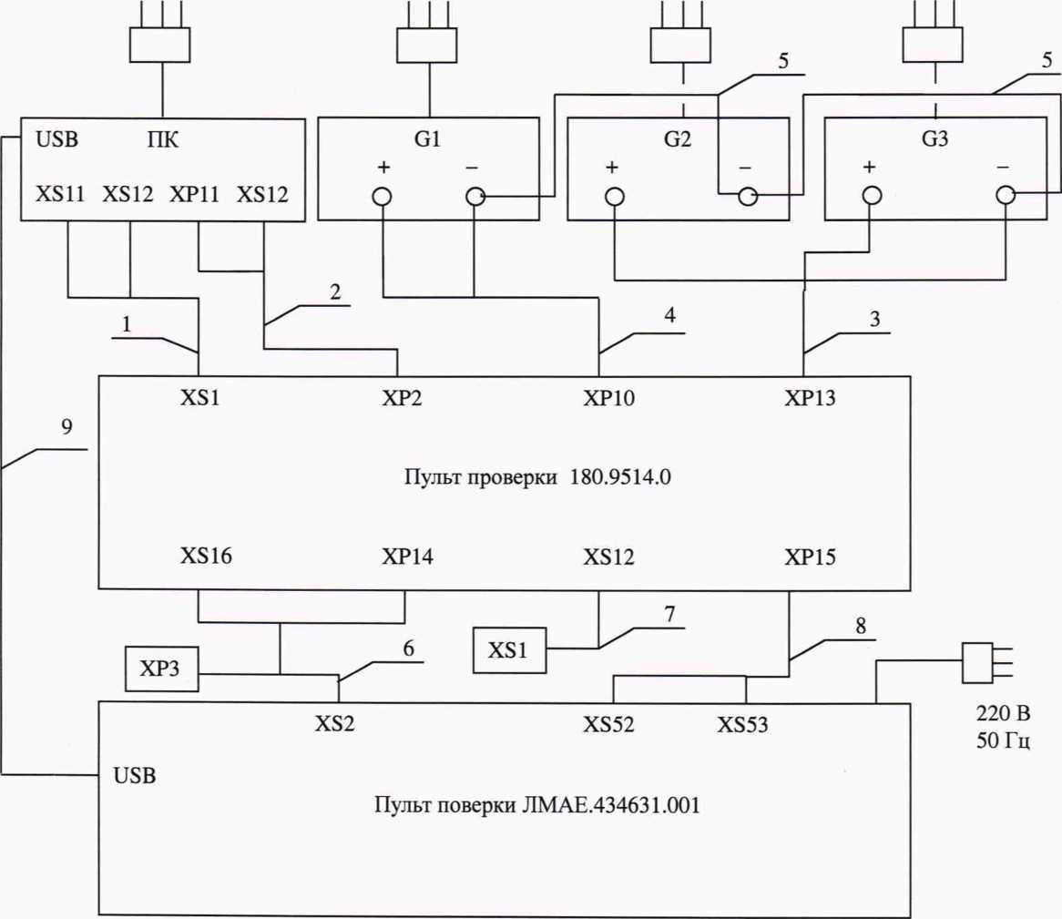
7.3.1.1 Собрать схему измерений для проведения поверки в соответствии с рисунком А2 приложения А.
-
7.3.1.2 Включить источники постоянного тока Gl, G2, G3 и установить на источниках Gl, G3 напряжение 27 В, а на источнике G2 напряжение 90В.
-
7.3.1.3 На пульте проверки 180.9514-0 включить тумблер «27 В», должен начать мигать индикатор «27 В».
-
7.3.1.4 Включить блок питания компьютера, включить системный блок компьютера, индикатор «27 В» на пульте проверки 180.9514-0 должен гореть не мигая. Включить монитор и принтер.
-
7.3.1.5 На пульте проверки 180.9514-0 включить тумблер «~220 В», должен загореться индикатор «~220 В».
-
7.3.1.6 На пульте поверки ЛМАЕ.434631.001 включить тумблер «~220 В», должен загореться индикатор «~220 В».
Примечание: выключение системы проводится в обратном порядке.
После загрузки компьютера на экране монитора появится стандартное окно «Рабочий стол».
-
7.3.1.7 На «Рабочем столе» компьютера найти ярлык «VympelTester». Установить
курсор на ярлык и дважды нажать левую клавишу «мыши». На экране монитора откроется окно «Ввод служебной информации» программы.__________

Рисунок 2 - Внешний вид окна «Ввод служебной информации» программы поверки
В окне ввода служебной информации программы поверки:
-
- ввести в строку «Поверитель» фамилию, имя и отчество проверяющего
-
- выбрать тип поверяемой системы в строке «Тип проверки» из всплывающих вариантов выбрать «БРП180»;
-
- ввести в строку «Заводской номер» заводской номер поверяемой системы;
-
- внести температуру окружающей среды, атмосферное давление и относительную влажность воздуха в помещении, где проводится поверка в окно «Условия поверки»;
После выполнения указанных действий нажать программную кнопку «ОК».
На экране монитора системы отобразится «Главное окно» программы поверки, внешний вид которого изображен на рисунке 3.

Рисунок 3 - Внешний вид «Главного окна» программы поверки
-
7.3.1.8 Установить курсор на программную кнопку «Проверка» и во всплывающем меню нажать программную кнопку «Начало», при этом откроется окно «Подготовка к проведению измерений», внешний вид которого показан на рисунке 4.
Рисунок 4 - Внешний вид окна «Подготовка к проведению измерений»
-
7.3.1.9 После выполнения требований, изложенных в окне «Подготовка к проведению измерений», нажать программную кнопку «Проверка» и во всплывающем меню нажать программную кнопку «Шаги». На экране монитора откроется окно «Этапы поверки», внешний вид которого показан на рисунке 5.
Определение погрешности измерений времени формирования команды привода «Готов +» и «Готов->
Определение погрешности измерения времени разарретирования и формирования сигнала СВР 5
Определение погрешности измерения времени формирования сигнала ПИ-1
Определение относительной по-грешности измерения скорости изменения напряжения
Определение абсолютной погрешности воспроизведения амплитуды управляющих сигналов
Определение относительной и абсолютной погрешности измерений напряжения постоянного тока сигналов датчиков обратной связи (ДОС) ►
Определение относительной и абсолютной погрешности измерений напряжения постоянного тока сигналов датчиков обратной связи (ДОС) 2 > Определение относительной погрешности измерений напряжения постоянного тока
Определение абсолютной погрешности измерения разности фаз
Определение абсолютной погрешности измерения силы постоянного тока
Рисунок 5 - Внешний вид окна «Этапы поверки»
Установить курсор на этап поверки, который предполагается исполнять и нажать левую кнопку манипулятора «мышь», при этом откроется список шагов проверки по выбранному этапу поверки. Для выполнения измерений по выбранному этапу поверки установить курсор на верхний из списка шаг поверки и нажать левую кнопку «мыши». Измерения проводить следуя указаниям на экране монитора системы.
Вид программного окна с указаниями поверителю представлен на рисунке 6.

Рисунок 6 - Программное окно с указаниями оператору
Программные окна выполнения поверки содержат программную кнопку «Назад» нажатие на которую позволяет повторить текущий шаг поверки.
-
7.3.2 Определение погрешности измерения времени формирования команд «Готов +» и «Готов -»
Собрать схему измерений в соответствии с рисунком 7.

-
1 Кабель коаксиальный
-
2 Нагрузка коаксиальная 50 Ом
Рисунок 7 - Схема определения погрешности измерения времени формирования команд «Готов +» и «Готов -».
-
7.3.2.1 На ПЭВМ из состава системы в программе «Vympel Tester» выбрать и запустить исполнение этапа определения относительной погрешности измерения времени формирования команд «Готов+» и «Готов-» в соответствии с п.7.3.1.9 МП. Следуя указаниям на экране монитора по установке параметров сигналов генератора 33622А и по управлению ходом поверки произвести измерения.
Измеренные значения параметров временной задержки формирования команд «Готов+» и «Готов-» определяются автоматически и заносятся в базу данных системы в виде таблиц 3 и 4.
Абсолютная погрешность измерений времени (Л) формирования команды «Готов +» автоматически вычисляется в соответствии с формулой 1:
dt= tu3M ~ td, МС (1)»
где гд - значение времени задержки импульсного сигнала, канала СЫ генератора относительно сигнала внешнего запуска, мс;
tH3M - значение времени задержки, измеренное системой относительно импульса запуска, мс.
Пределы допускаемой абсолютной погрешности измерений временных интервалов (Даоп) вычисляются в соответствии с формулой:
Ддоп— i (5* 10 2tA. +1), мс (2),
U - действительное значение временных интервалов.
Таблица 3.
Значение времени задержки импульсного сигнала, канала СЫ генератора ta, мс |
Значение времени, измеренное системой (tH3M), мс |
Погрешность измерений времени формирования команды «Готов+» At, мс |
Пределы абсолютной погрешности измерений, А доп., МС |
100 150 |
±6 ±8,5 |
200 |
±11 | ||
300 |
± 16 | ||
400 |
±21 | ||
500 |
±26 | ||
600 |
±31 |
Таблица 4.
Значение времени задержки импульсного сигнала |
Действительное значение времени задержки импульсного сигнала (Ch2) относительно (Chi) ta, мс |
Измерен ное значение 1изм» МС |
Погрешность измерений времени формирования команды «Готов-» At, мс |
Пределы абсолютной погрешности измерений, Ддоп.5 МС | |
СМ генератора tai, МС |
Ch2 генератора ta2, мс | ||||
30 |
20 |
±2 | |||
40 |
30 |
±2,5 | |||
60 |
50 |
±3,5 | |||
10 |
90 |
80 |
±5 | ||
ПО |
100 |
±6 | |||
160 |
150 |
±8,5 | |||
210 |
200 |
±11 |
Абсолютная погрешность измерения времени формирования команды «Готов-» (Л) автоматически вычисляется в соответствии с формулой 1.
где U - значение времени задержки фронта импульсного сигнала, канала СЬ2 генератора относительно фронта импульсного сигнала канала СМ генератора внешнего, мс,;
tH3M - значение времени задержки между фронтами, измеренное системой, мс.
Результаты поверки считать положительными, если:
диапазон измерения времени формирования команды «Готов+» от 100 до 600 мс; диапазон измерения времени формирования команды «Готов-» от 20 до 200 мс; абсолютная погрешность измерений времени формирования команд «Готов+» «Готов-» находится в пределах ± (5- 10'2Дд+1), мс.
-
7.3.3 Определение погрешности измерения времени разарретирования и формирования сигнала СВР5.
-
7.3.3.1 Собрать схему в соответствии с рисунком 7.
-
7.3.3.2 На ПЭВМ из состава системы в программе «Vympel Tester” выбрать и запустить выполнение этапа определения погрешности измерения времени разарретирования и формирования сигнала СВР5 в соответствии с п.7.3.1.9 МП . В соответствии с указаниями, отображаемыми на экране ПЭВМ, по установке параметров сигналов генератора 33622А и по управлению ходом поверки измерить значения времен разарретирования и формирования сигнала СВР5.
-
Абсолютная погрешность измерений времен разарретирования и формирования сигнала СВР5 (Л) автоматически вычисляется в соответствии с формулой 1.
где t4 - значение задержки выходного импульсного сигнала относительно импульса запуска для канала Chi генератора 33622А при определении погрешности времени разарретирования и разница между установленными временами задержки сигналов относительно синхроимпульса второго Ch2 и первого каналов Chi генератора при определении относительной погрешности времени формирования сигнала СВР5;
tH3M - значение времени разарретирования или времени формирования сигнала СВР5, измеренные системой.
Результаты поверки канала измерения времени разарретирования и формирования сигнала СВР5 автоматически заносятся в базу данных в виде таблиц 5 и 6.
Таблица 5
Задержка, установленная в канале Ch 1 ta, мс |
Измеренное системой значение времени разарретирования tH3M, мс |
Погрешность измерений времени разарретирования 5t, мс |
Пределы абсолютной погрешности измерений 8ДОп.. мс |
30 |
±2,5 | ||
50 |
±3,5 | ||
100 |
±6 | ||
500 |
±26 | ||
1000 |
±51 |
Таблица 6
Задержка, установленная в канале |
Действительное значение времени задержки Ch2 относительно Ch 1 ta, мс |
Измеренное значение времени формирования сигнала СВР 5, 1изм, МС |
Погрешность измерений времени формирования сигнала СВР5, 8t, мс |
Пределы абсолютной погрешности измерений 5доп-, МС | |
Chi, tai, мс |
Ch2, tjj2, мс | ||||
30 |
50 |
20 |
±2 | ||
50 |
80 |
30 |
±2,5 | ||
100 |
140 |
40 |
±3 | ||
500 |
560 |
50 |
±3,5 | ||
1000 |
1060 |
60 |
±4 |
Результаты поверки считать положительными, если:
-
- диапазон измерения времени разарретирования от 30 до 1000 мс;
-
- диапазон измерений времени формирования сигнала СВР5 от 20 до 60 мс;
-
- абсолютная погрешность измерений времени разарретирования и формирования сигнала СВР5 находится в пределах ± (5- 10’2ta+l) мс.
-
7.3.4 Определение погрешности измерения времени формирования сигнала ПИ-1
-
7.3.4.1 Собрать схему в соответствии с рисунком 8
-
-
1 Кабель коаксиальный
-
2 Нагрузка коаксиальная 50 Ом
Рисунок 8 - Схема определения погрешности измерений времени формирования сигнала ПИ-1.
-
7.3.4.2 На ПЭВМ из состава системы в программе «Vympel Tester” выбрать и запустить выполнение этапа определения погрешности измерения времени формирования сигнала ПИ-1 в соответствии с п.7.3.1.9 МП. В соответствии с указаниями, отображаемыми на экране монитора ПЭВМ, по установке параметров сигнала генератора 33622А и по управлению ходом поверки произвести измерение времени формирования сигнала ПИ-1.
Абсолютная погрешность измерения времени формирования сигнала ПИ-1 (Л) автоматически вычисляется в соответствии с формулой 1.
где Ь - значение задержки выходного импульсного сигнала относительно импульса запуска для канала Chi генератора 33622А;
tH3M - значение времени формирования сигнала ПИ-1, измеренное системой. Результаты поверки канала измерения времени формирования сигнала ПИ-1 автоматически заносятся в базу данных в виде таблицы 7.
Таблица 7
Задержка, установленная в канале Chi генератора импульсов t4, мс |
Измеренное значение времени формирования сигнала ПИ-1 Оизм), МС |
Значение погрешности измерений ПИ-1, St, мс |
Пределы абсолютной погрешности измерений 5ДОп., мс |
30 |
±2,5 | ||
50 |
±3,5 | ||
100 |
±6 | ||
150 |
±8,5 |
Результаты поверки считать положительными, если:
диапазон измерения времени формирования сигнала ПИ-1 от 30 до 150 мс;
абсолютная погрешность измерений времени формирования сигнала ПИ-1 находится в пределах ± (5- 10'2ta+l) мс.
-
7.3.5 Определение относительной погрешности измерения скорости изменения напряжения.
-
7.3.5.1 Собрать схему в соответствии с рисунком 9.
1 Кабель BNC- Banana
Рисунок 9 - Схема определения относительной погрешности измерения скорости изменения напряжения.
-
7.3.5.2 На ПЭВМ из состава системы в программе «Vympel Tester” выбрать и запустить выполнение этапа определения относительной погрешности измерения скорости изменения напряжения в соответствии с п.7.3.1.9 МП.
-
В соответствии с указаниями, отображаемыми на экране ПЭВМ, по установке параметров сигнала генератора 33622А и по управлению ходом поверки провести измерения значений скорости изменения напряжения для всех каналов (при переходе к следующему каналу ПЭВМ автоматически перепрограммирует коммутацию сигналов для пульта поверки).
Относительная погрешность измерений скорости изменений напряжения (<5V) автоматически вычисляется в соответствии с формулой 3:
^V = V“" Va-ioo% (3)
V„
где: Vd- действительное значение скорости изменения напряжения, В/с Уизм - значение скорости изменения напряжения измеренное системой, В/с.
Для симметричного сигнала треугольной формы (V), который определяется по формуле 4:
V=4-Um-(K/T) (4)
где V - скорость изменения напряжения для сигнала треугольной формы, В/с ит - амплитудное значение сигнала, В, измеряемые осциллографом WaveJet 352; Т- период повторения сигнала, с, измеряемый осциллографом WaveJet 352.
К - коэффициент связанный с крутизной преобразования ДОС, который равен 1,02 Результаты поверки каналов измерений скорости изменения напряжений автоматически заносятся в базу данных в виде таблицы 8.
Таблица 8
7.3.6 Определение абсолютной погрешности
воспроизведения
амплитуды
Наимено вание канала |
Номинальное значение Vd, В/с |
Измеренное значение V„3M, В/с |
Относительная погрешность измерений 8, % |
Пределы относительной погрешности измерений 8доп, % |
8р1 |
23,8 |
± 10 | ||
70 | ||||
105,4 | ||||
8р2 |
23,8 | |||
70 | ||||
105,4 | ||||
8рЗ |
23,8 | |||
70 | ||||
105,4 | ||||
8р4 |
23,8 | |||
70 | ||||
105,4 |
Результаты поверки считать положительными если:
диапазон измерения скорости изменения напряжения от 23,8 до 105,4 В/с, что соответствует угловой скорости от 70 до 310 градус/с
относительная погрешность измерения скорости изменения напряжений находится в пределах ± 10 %
управляющих сигналов.
-
7.3.6.1 Собрать схему в соответствии с рисунком 10.
1 Кабель измерительный коаксиальный
Рисунок 10 - Схема определения абсолютной погрешности воспроизведения амплитуды управляющих сигналов.
-
7.3.6.2 На ПЭВМ из состава системы в программе «Vympel Tester» выбрать и запустить выполнение этапа определения абсолютной погрешности воспроизведения амплитуды управляющих сигналов в соответствии с п.7.3.1.9 МП. В соответствии с указаниями оператору на экране монитора ПЭВМ по установке режимов работы мультиметра и по управлению ходом поверки провести измерения значений амплитуды управляющих сигналов.
При выполнении измерений последовательно занести, с учетом знака и размерности, результаты измерений значений 8зад.1тах, ЗзадЛтт, §зад.2тах, 8зад.2т1п, Ззад.Зтах, Ззад.Зтт, 8зад.4тах, 8зад.4тт в открывающуюся в нижней части экрана строку.
После введения очередного результата измерения нажать программную кнопку «Далее».
Абсолютная погрешность воспроизведения амплитуды управляющих сигналов (At/) автоматически вычисляется в соответствии с формулой 5:
At/=t/„-t/^ (5)
где UH - номинальное значение амплитуды напряжения управляющего сигнала, воспроизводимое системой;
UUM - напряжение измеренное мультиметром.
Внесенные результаты измерений и вычисленные значения погрешности воспроизведения амплитуды автоматически заносятся в таблицу 9.
Таблица 9
Наименован ие канала |
Установленное значение UH, В |
Измеренное значение UraM.. В |
Значение абсолютной погрешности AU, В |
Пределы погрешности воспроизведения At/, В |
8зад. 1 |
10 |
±0,1 | ||
минус 10 | ||||
бзад.2 |
10 |
±0,1 | ||
минус 10 | ||||
бзад.З |
10 |
±0,1 | ||
минус 10 | ||||
8зад.4 |
10 |
±0,1 | ||
минус 10 |
Результаты поверки считать положительными, если:
номинальные значения амплитуды воспроизводимых управляющих сигналов минус 10, 10 В;
абсолютная погрешность воспроизведения управляющих сигналов находится в
пределах ± 0,1 В
7.3.7 Определение относительной и абсолютной погрешности измерений напряжения постоянного тока сигналов ДОС.
-
7.3.7.1 Собрать схему в соответствии с рисунком 11.
1 Провод измерительный
Рисунок 11 - Схема определения относительной и абсолютной погрешности измерений напряжения постоянного тока датчиков обратной связи.
-
7.3.7.2 На ПЭВМ из состава системы в программе «Vempel Tester” выбрать и запустить выполнение этап определения относительной и абсолютной погрешности измерения напряжения постоянного тока сигналов ДОС в соответствии с п.7.3.1.9 МП. В соответствии с указаниями, отображаемыми на экране ПЭВМ, по установке параметров сигнала калибратора 5522А и по управлению ходом поверки провести измерения значений напряжения постоянного тока сигналов ДОС для всех трех каналов (при переходе к следующему каналу ПЭВМ автоматически перепрограммирует коммутирующие значения сигналов для пульта поверки).
Относительная погрешность измерений напряжения постоянного тока Ди) в диапазоне от минус 11 до минус 9 В и от 9 до 11 В автоматически вычисляется в соответствии с формулой 6:
Л. = U™~Uo .юо%, (6)
<Z>
где Ud- значение напряжения, установленное на калибраторе 5522А;
Uu3m - значение напряжения, измеренное системой.
Результаты измерений автоматически заносятся в базу данных в виде таблицы 10. Таблица 10
Наименова ние канала |
Действительное значение ид, В |
Измеренное значение иИЗм, В |
Значение погрешности измерений 8и, % |
Пределы погрешности измерений S;l0n, % |
Р1 |
9 |
±5 | ||
10 | ||||
11 | ||||
минус 9 | ||||
минус 10 | ||||
минус 11 | ||||
9 |
±5 |
Р2 |
10 | |||
11 | ||||
минус 9 | ||||
минус 10 | ||||
минус 11 | ||||
РЗ |
9 |
±5 | ||
10 | ||||
11 | ||||
минус 9 | ||||
минус 10 | ||||
минус 11 | ||||
Р4 |
9 |
±5 | ||
10 | ||||
11 | ||||
минус 9 | ||||
минус 10 | ||||
минус 11 |
Абсолютная погрешность измерений напряжения постоянного тока (AU) в диапазоне от минус 0,7 до минус 0,1В и от 0,1 до 0,7 В вычисляется в соответствии с формулой 7:
ли=ии3м-ид (7)
где Ud - действительное значение напряжения;
иигч - значение напряжения, измеренное системой.
Результаты измерений автоматически заносятся в базу данных в виде таблицы 11.
Таблица 11
Наименова ние канала |
Действительное значение ид, В |
Измеренное значение UH3m, В |
Значение погрешности измерений 5U, В |
Пределы погрешности измерений, 8иИзм, В |
Р1 |
0,1 |
±0,04 | ||
0,2 | ||||
0,4 | ||||
0,7 | ||||
минус 0,1 | ||||
минус 0,2 | ||||
минус 0,4 | ||||
минус 0,7 | ||||
Р2 |
0,1 |
±0,04 | ||
0,2 | ||||
0,4 | ||||
0,7 | ||||
минус 0,1 | ||||
минус 0,2 | ||||
минус 0,4 | ||||
минус 0,7 | ||||
РЗ |
0,1 |
±0,04 | ||
0,2 | ||||
0,4 | ||||
0,7 | ||||
минус 0,1 | ||||
минус 0,2 | ||||
минус 0,4 | ||||
минус 0,7 | ||||
Р4 |
0,1 |
±0,04 | ||
0,2 | ||||
0,4 | ||||
0,7 | ||||
минус 0,1 |
минус 0,2 | ||||
минус 0,4 | ||||
минус 0,7 |
Результаты поверки считать положительными, если:
- диапазон измерений напряжения постоянного тока сигналов ДОС от минус 11 до
минус 9 В и от 9 до 11 В;
-
- относительная погрешность измерений напряжения постоянного тока сигналов ДОС находится в пределах ± 5 %.
-
- диапазон измерений напряжения постоянного тока сигналов ДОС от минус 0,7 до минус 0,1 В и от 0,1 до 0,7В;
-
- абсолютная погрешность измерений напряжения постоянного тока сигналов ДОС находится в пределах ± 0,04 В
7.3.8 Определение относительной погрешности измерений напряжения постоянного тока.
-
7.3.8.1 Собрать схему в соответствии с рисунком 11
-
7.3.8.2 На ПЭВМ из состава БРП-180.9500-0 в программе “Vympel Tester” выбирают и запускают на выполнение этап определения MX каналов измерения напряжения постоянного тока в соответствии с п.7.3.1.9 МП.
В соответствии с указаниями, отображаемыми на экране ПЭВМ, по установке параметров сигнала калибратора и по управлению ходом поверки провести измерения значений напряжения каналами измерений напряжения постоянного тока для всех-двух каналов (при переходе к следующему каналу ПЭВМ автоматически перепрограммирует коммутацию сигналов для пульта поверочного).
Относительная погрешность измерений напряжения постоянного тока автоматически вычисляется в соответствии с формулой 6.
Результаты измерений автоматически заносятся в базу данных в виде таблицы 12.
ПИ1» (от 24 до 36 В); относительная погрешность измерения напряжений постоянного тока каналов «27В
ИП» и «U ПИ1» находится в пределах ± 5 %.
7.3.9 Определение абсолютной погрешности измерений разности фаз.
7.3.9.1 Собрать схему в соответствии с рисунком 12.
Таблица |
2 | |||
Наименование канала |
Действительное значение ид, В |
Измеренное значение UH3M, В |
Относительная погрешность измерений би , % |
Пределы погрешности измерений, 8ДОп, % |
27В ИП |
24 |
±5 | ||
27 | ||||
34 | ||||
ипи1 |
24 |
±5 | ||
27 | ||||
36 |
Результаты поверки считать положительными если: диапазоны измерений напряжения постоянного тока «27В ИП» (от 24 до 34 В) и «U

-
1 Кабель коаксиальный
-
2 тройниковый переход BNC
Рисунок 12 - Схема калибровки измерителя разности фаз
-
7.3.9.2 На ПЭВМ из состава системы в программе «Vympel Tester” выбрать и запустить выполнение этапа определения абсолютной погрешности измерения разности фаз в соответствии с п.7.3.1.9 МП. Следуя указаниям на экране монитора ПЭВМ системы по управлению измерителем разности фаз Ф2-34 выполнить установку нуля измерителя разности фаз Ф2-34.
7.3.9.3Собрать схему в соответствии с рисунком 13.

1 Кабель коаксиальный
Рисунок 13 - Схема определения абсолютной погрешности измерения разности фаз.
-
7.3.9.4 В соответствии с указаниями, отображаемыми на экране монитора ПЭВМ, произвести измерения значений разности фаз для всех четырех каналов (при переходе к следующему каналу ПЭВМ автоматически перепрограммирует коммутацию сигналов для пульта поверочного). Значения разности фаз, измеренное измерителем Ф2-34 минус 180 град., заносят в открывшуюся при каждом измерении строку на экране монитора.
Абсолютная погрешность измерения разности фаз (J#)) автоматически вычисляется ПЭВМ в соответствии с формулой 8:
Л(р — физы ~ <Рд, (8)
(Рд = (Рэт ~ 180, (9)
где (рд - действительные значения разности фаз, определяемые по формуле (9), градус (рэт - показания измерителя разности фаз Ф2-34, градус
(Ризм. - значения разности фаз измеренные системой, градус.
Результаты поверки каналов измерений разности фаз автоматически заносятся в базу
в пределах ± 3 град.
данных в виде таблицы 13. Таблица 13
Частота, Гц |
Наименован ие канала |
Действительные значения фд, град. |
Измеренные значения физм, град. |
Значение погрешности измерений 8ф, град. |
Пределы погрешности измерений 8ф, град. |
10 |
8зад.1; 8р1 |
±3 | |||
8зад.2; 8р2 | |||||
Ззад.З; 8рЗ | |||||
8зад.4; 8р4 | |||||
15 |
8зад.1; 8р1 |
±3 | |||
8зад.2; 8р2 | |||||
8зад.З; 8рЗ | |||||
зад.4; 8р4 | |||||
20 |
8зад.1; 8р 1 |
±3 | |||
8зад.2; 8р2 | |||||
8зад.З; 8рЗ | |||||
8зад.4; 8р4 |
Результаты поверки считать положительными если:
на частотах 10, 15, 20 Гц абсолютная погрешность измерения разности фаз находится
7.3.10 Определение абсолютной погрешности измерений силы постоянного тока.
-
7.3.10.1 Собрать схему в соответствии с рисунком 14.
1 Провод измерительный
Рисунок 14 - Схема определения абсолютной погрешности измерения силы постоянного тока.
-
7.3.10.2 На ПЭВМ из состава системы в программе «Vympel Tester” выбрать и запустить исполнение этапа определения абсолютной погрешности измерения силы постоянного тока в соответствии с п.7.3.1.9 МП. В соответствии с указаниями оператору, отображаемыми на экране ПЭВМ, провести измерения значений силы постоянного тока.
Абсолютная погрешность измерения силы постоянного тока (J/) вычисляется автоматически в соответствии с формулой 10:
41=1^1 д (10)
где 1и3м - значение силы тока, измеренное системой, А;
Id- значение силы тока, установленное по измерителю нагрузки электронной, А. Результаты измерений силы постоянного тока автоматически заносятся в базу данных в виде таблицы 14.
Таблица 14
Действительное значение Id, А |
Измеренное значение /и1м, А |
Значение погрешности измерений, А/, А |
Пределы погрешности измерений Маоп, А |
0,2 |
±0,2 | ||
1 | |||
2 | |||
4 |
Результаты поверки считать положительными, если: диапазон измерения силы постоянного тока от 0,2 до 4 А; абсолютная погрешность измерения силы постоянного тока находится в пределах
± 0,2А.
-
7.4 Вывод на печать протокола поверки
-
7.4.1 Закрыть программу поверки «Vympel Tester», нажав кнопку «X» в правом верхнем углу программной панели.
-
7.4.2 Установить курсор на ярлык «Vympel Reporter» и дважды нажать левую кнопку мыши.
-
Откроется программное окно «Отчеты», внешний вид которого показан на рисунке 15 tr~. Отчеты -

Рисунок 15 - Внешний вид окна «Отчеты»
-
7.4.3 В программном окне «Отчеты» установить параметры фильтра для выбора протокола поверки для чего:
-
- поставить галочку в строке «Тип проверки», при этом активируется строка выбора типа поверяемой системы;
-
- установить курсор на программную кнопку в строке выбора типа поверяемой системы и нажать левую кнопку мыши;
-
- из открывшегося списка выбрать измерительную систему, протокол поверки которой необходимо отправить на печать, установив на ее название курсор и нажав левую кнопку мыши;
-
- установить курсор на программную кнопку «Применить фильтр» и нажать левую кнопку мыши.
Откроется программное окно «Отчеты» после применения фильтра «Тип проверки», внешний вид которого показан на рисунке 16.

Рисунок 16 - Программное окно «Отчеты после применения фильтра «Тип проверки»
В открывшемся программном окне в виде таблицы отображен список всех поверок, проведенных для выбранного типа системы с указанием заводских номеров системы и даты проведения поверки.
-
- установить курсор на программную кнопку, расположенную на левом краю таблицы, нажать левую кнопку мыши и удерживая ее передвигать мышь вверх (в низ) для установки интересующей поверки в пределах экрана;
-
- установить курсор на интересующую поверку и нажать левую кнопку мыши.
Откроется программное окно «Протокол», внешний вид которого представлен на рисунке 17.

Рисунок 17 - Внешний вид программного окна «Протокол».
Нажать программную кнопку «Печать».
-
7.5 Проверка программного обеспечения (ПО)
-
7.5.1 Осуществить проверку соответствия следующих идентификационных данных ПО на соответствие указанным в формуляре:
-
идентификационное наименование ПО;
номер версии (идентификационный номер ПО);
цифровой идентификатор ПО; алгоритм вычисления идентификатора ПО.
-
7.5.2 Результаты проверки считать положительными, если идентификационные данные ПО соответствуют данным, указанным в формуляре.
-
8.1 При положительных результатах поверки на комплекс выдается свидетельство установленной формы.
-
8.2 На оборотной стороне свидетельства о поверке записываются результаты поверки.
-
8.3 В случае отрицательных результатов поверки, поверяемый комплекс к дальнейшему применению не допускается. На такой комплекс выдается извещение о его
непригодности к применению с указанием причин.

Начальник отдела
ФГБУ «ГНМЦ» Минобороны России
Начальник лаборатории
ФГБУ «ГНМЦ» Минобороны России
220 В
50 Гц
220 В
50 Гц
380 В
50Гц
220 В
50 Гц


1.
2.
-
3.
-
4.
-
5.
-
6.
-
7.
-
8.
Провод соединительный
Рисунок А 1 - Рабочее место для проведения комплексной проверки
220 В
50 Гц
380 В
50Гц
220 В
50 Гц
220 В
50 Гц


1.
2.
-
3.
-
4.
-
5.
-
6.
-
7.
-
8.
9.
Провод соединительный
-
180.9514- 480 - ХРЗ не задействован
-
180.9514- 510 - XS 1 не задействован
Провод USB
Рисунок А 2 - Рабочее место для проведения поверки системы измерительной