Методика поверки «Датчики давления малогабаритные КОРУНД» (МП КТЖЛ. 406234.003)
Генеральный директор

зам. директора ФГУП "ВНИИМС" производственной метрологии

.В. Иванникова
P’fi' 2016 г.
МЕТОДИКА ПОВЕРКИ
КТЖЛ. 406234.003 МП
2016 г.
Содержание
Стр.
Приложение. Схема включения датчиков при поверке
Общие сведения
Настоящая рекомендация распространяется на первичную и периодическую поверки датчиков давления малогабаритных КОРУНД, предназначенных для непрерывного измерения и преобразования величины измеряемого параметра - абсолютного и избыточного давления, в том числе разрежения, давления-разрежения, гидростатического давления и разности давлений жидких и газообразных сред, в унифицированный электрический выходной сигнал, цифровой сигнал на базе HART-прото кола, цифровой сигнал по стандарту RS 485 Modbus RTU.
Настоящая рекомендация разработана ООО "СТЭНЛИ" и Всероссийским научно-исследовательским институтом метрологической службы (ВНИИМС) Госстандарта России.
Утверждена ВНИИМС 7/.^?. 2016г.
Настоящая рекомендация распространяется на датчики давления малогабаритные КОРУНД, выпускаемые в соответствии с ГОСТ 22520-85 и по технической документации ООО “СТЭНЛИ”.
Интервал между поверками - 2 года;
Для датчиков с допускаемой приведенной основной погрешностью ±0,5% или ±1,0% - 5 лет.
1. Операции поверки-
1.1. При проведении поверки выполняют следующие операции:
-
- внешний осмотр - п. 5.1;
-
- опробование - п. 5.2;
-
- определение основной погрешности датчика - п. 5.3;
-
- определение вариации выходного сигнала датчика - п. 5.4.
-
2.1. При проведении поверки применяют средства, указанные в таблице 1.
Таблица 1
№ |
Средство поверки |
Основные метрологические и технические хаоактеоистики соедств повеоки |
1 |
Манометр абсолютного давления МПА-15 |
Пределы допускаемой основной абсолютной погрешности: +/- 6,65 Па в диапазоне 0-20 кПа; +/-13,3 Па в диапазоне 20 - 133 кПа; пределы допускаемой основной погрешности +/- 0,01% от действительного значения измеряемого давления в диапазоне 133 - 400 кПа |
2 |
Микроманометр МКМ-4 |
Класс точности 0,01. Диапазон измерений 0,1 - 4,0 кПа |
3 |
Микроманометр МКВ-250 |
Пределы измерений 0 - 2,5 кПа; класс точности 0,01 и 0,02 |
4 |
Портативный калибратор давления(избыточного, вакуумметрического и разности давлений) ПКД-10 |
Пределы измерений 0,01 - 100 кПа. Пределы допускаемой основной погрешности +/- 0,05 % от измеряемого давления |
5 |
Задатчик давления "Воздух- 1600" |
Пределы воспроизведения избыточного давления от 20 Па до 16 кПа. Пределы допускаемой основной погрешности в диапазоне от 20 до 500 Па +/-0,1 Па; свыше 500 Па и до 16 кПа - +/-0,02 % от задаваемого давления. В комплекте с блоком опорного давления (200, 300 Па и более) пределы воспроизведения разности давлений от 5 Па до 5 кПа; пределы допускаемой основной погрешности в диапазоне до 500 Па-+/- 0,14 Па |
6 |
Задатчик давления "Воздух- 1,6" |
Пределы воспроизведения избыточного давления от 1 до 160 кПа. Пределы допускаемой основной погрешности - +/- 0,02 %, +/- 0,05 % от задаваемого давления |
7 |
Задатчик давления "Воздух-2,5" |
Пределы воспроизведения избыточного давления от 2,5 до 250 кПа. Пределы допускаемой основной погрешности; +/- 0,02 %, +/- 0,05 % от задаваемого давления |
8 |
Задатчик давления "Воздух- 6,3" |
Пределы воспроизведения избыточного давления от 10 до 630 кПа. Пределы допускаемой основной погрешности: +/- 0,02%, +/- 0,05% |
9 |
Задатчик вакуумметрического давления "Воздух-0,4В" |
Пределы воспроизведения разрежения от - 0,8 до - 40 кПа. Пределы допускаемой основной абсолютной погрешности +/- 0,08 Па в диапазоне измерений 0,8 -4,0 кПа. Пределы допускаемой основной погрешности в диапазоне измерений 4-40 кПа: +/- 0,02%, +/- 0,05% от задаваемого давления |
10 |
Манометр грузопоршневой МП-2,5 I и II разрядов; ГОСТ 8291-83 |
Пределы допускаемой основной погрешности: +/-0,02%, +/- 0,05% от измеряемого давления в диапазоне измерений от 25 кПа до 0,25 МПа |
11 |
Манометр грузопоршневой МП-6 I и II разрядов; ГОСТ 8291-83 |
Пределы допускаемой основной погрешности: +/-0,02%, +/- 0,05% от измеряемого давления в диапазоне измерений от 0,04 до 0,6 МПа |
12 |
Манометр грузопоршневой МП-60 I и II разрядов; ГОСТ 8291-83 |
Пределы допускаемой основной погрешности: +/- 0,02%, +/- 0,05% от измеряемого давления в диапазоне измерений от 0,1 до 6 МПа |
13 |
Манометр грузопоршневой МП-600 I и II разрядов; ГОСТ 8291-83 |
Пределы допускаемой основной погрешности: +/- 0,02%, +/- 0,05% от измеряемого давления в диапазоне измерений от 1 до 60 МПа |
14 |
Манометр грузопоршневой МП-2500 II разряда; ГОСТ 8291-83 |
Пределы допускаемой основной погрешности +/- 0,05% от измеряемого давления в диапазоне измерений от 25 до 250 МПа |
15 |
Манометр грузопоршневой МВП-2,5;ГОСТ 8291-83 |
Пределы измерений избыточного давления 0 - 0,25 МПа; вакуумметрического давления (разрежения) 0 -0,1 МПа. Пределы допускаемой основной погрешности: +/- 5 Па при давлении (избыточном или вакуумметрическом) в пределах 0-0,01 МПа и +/-0,05% от измеряемого значения при давлении свыше 0,01 МПа |
16 |
Задатчик вакуумметрического давления "Метран-503" |
Пределы воспроизведения разрежения от минус 0,6 до минус 60 кПа. Пределы допускаемой основной абсолютной погрешности +/- 0,6 Па в диапазоне измерений 0,6 - 4 кПа. Пределы допускаемой основной погрешности в диапазоне измерений 4-60 кПа +/-0,02% от задаваемого давления |
17 |
Барометр М67 |
Пред, измер. 610 - 900 мм рт. ст. ПГ-;+/- 0,8 мм рт. ст. |
18 |
Вакуумметр теплоэлектрический ВТБ-1 |
Пределы измерений 0,002 - 750 мм рт. ст. |
19 |
Манометр для точных измерений МТИ |
Пределы измерений от 0,25 до 160 МПа. Класс точности 0,6 |
20 |
Вакуумметр для точных измерений ВТИ |
Пределы измерений 0-0,1 МПа. Класс точности 1 |
21 |
Датчик давления - эталон Корунд-001М |
Верхний предел измерения 100 кПа, или 1 МПа, или 10 МПА, или 100 МПа. Предел основной допускаемой погрешности 0,1 или 0,15%. |
22 |
Термометр ртутный стеклянный лабораторный |
Пределы измерений 0 - 55 °C. Цена деления шкалы 0,1 °C. Пределы допускаемой погрешности +/- 0,2 °C |
23 |
Образцовая катушка сопротивления Р331 |
Класс точности 0,01. Сопротивление 100 Ом |
24 |
Мера электрического сопротивления однозначная МС 3006 |
Класс точности 0,001. Сопротивление от 1 Ом до 100 кОм |
25 |
Магазин сопротивлений Р 33, ГОСТ 23737-79 |
Класс точности 0,2. Сопротивление до 99999,9 Ом |
26 |
Магазин сопротивлений Р4831 |
Класс точности 0,02 . Сопротивление до 111111,1 Ом |
27 |
Вольтметр универсальный В7- 54/3. ГОСТ Р 51350-99 |
Верхний предел измерений напряжения постоянного тока 200 В. Предел допускаемой основной погрешности измерения напряжения постоянного тока +/-0,0015% от U + 2 единицы младшего разряда, где U -значение измеряемого напряжения. Цена единицы младшего разряда 100 мкВ при измерении напряжения постоянного тока в пределах 2 В |
28 |
Вольтметр универсальный цифровой GW Instek GDM78251A |
Верхний предел измерения напряжения постоянного тока 1000 В. Предел допускаемой основной погрешности 0.012 % + 5 ед. мл. разряда. Цена единицы младшего разряда 100 мкВ при измерении напряжения постоянного тока в пределах 2 В |
29 |
Компаратор напряжения постоянного тока Р 3003 Ml |
Класс точности 0,001. Верхний предел измерений 2,121111 В |
30 |
Источник постоянного тока Б5-8 или Б5-45 |
Наибольшее значение напряжения на выходе 50 В. Допускаемое отклонение +/- 0,5 % от установленного значения напряжения |
31 |
Модем HART/USB |
Преобразователь сигналов HART в сигналы интерфейса USB для связи датчика с персональным компьютером через его стандартный последовательный порт |
32 |
Портативный HART-коммуникатор НС-275 фирмы Rosemount или аналогичный |
Устройство для связи с датчиком по цифровому каналу и для обмена данными по HART-протоколу |
33 |
Модем на базе стандартного интерфейса RS 485 для связи датчика с комьютером |
Устройство для связи с датчиком по цифровому протоколу на базе RS 485 |
34 |
Персональный компьютер |
IBM PC с операционной системой Windows ХР или выше |
-
2.2. Допускается применять другие средства поверки, технические и метрологические характеристики которых не уступают данным, указанным в таблице 1.
-
3.1. При проведении поверки соблюдают общие требования безопасности при работе с датчиками давления (см., например, ГОСТ 22520-85), а также требования по безопасности эксплуатации применяемых средств поверки, указанные в технической документации на эти средства.
-
4.1. При проведении поверки соблюдают следующие условия:
-
1) Температура окружающего воздуха 23 +/- 2 °C.
-
2) Относительная влажность окружающего воздуха 30 - 80%.
-
3) Давление в помещении, где проводят поверку (далее - атмосферное давление), в пределах 84 - 106,7 кПа или 630 - 800 мм рт. ст.
-
4) Напряжение питания постоянного тока в пределах 12 - 36 В. Номинальное значение напряжения питания и требования к источнику питания - в соответствие с технической документацией на датчик.
Отклонение напряжения питания от номинального значения не более ±2%, если иное не указано в технической документации на датчик.
-
5) Сопротивление нагрузки при поверке датчиков:
-
- с аналоговым выходным сигналом 4 - 20 и 0 - 20 мА - 100 Ом;
-
- с аналоговым выходным сигналом 0 - 5 мА - 200 Ом;
-
- с цифровым выходным сигналом - в соответствии с технической документацией на датчик.
-
6) Рабочая среда - воздух или нейтральный газ при поверке датчиков с верхними пределами измерений, не превышающими 2,5 МПа, и жидкость при поверке датчиков с верхними пределами измерений более 2,5 МПа. Допускается использовать жидкость при поверке датчиков с верхними пределами измерений от 0,4 до 2,5 МПа при условии тщательного заполнения жидкостью всей системы поверки. Допускается использовать воздух или нейтральный газ при поверке датчиков с верхними пределами измерений более 2,5 МПа при условии соблюдения соответствующих правил безопасности.
-
7) Колебания давления окружающего воздуха, вибрация, тряска, удары, наклоны, магнитные поля (кроме земного) и другие воздействия, влияющие на работу и метрологические характеристики датчика, должны отсутствовать.
-
8) Импульсную линию, через которую подают измеряемое давление, допускается соединять с дополнительными сосудами, емкость каждого из которых не более 50 литров.
-
4.2. При поверке датчиков разности давлений с приемными камерами для подвода большего давления ("плюсовая" камера) и меньшего давления ("минусовая" камера), значение измеряемой величины (разности давлений) устанавливают, подавая соответствующее значение избыточного давления в "плюсовую" камеру датчика. При этом "минусовая" камера сообщается с атмосферой.
При поверке датчиков разности давлений с малыми пределами измерений для уменьшения влияния на результаты поверки не устраненных колебаний давления окружающего воздуха "минусовая" камера датчика может соединяться с измерительной камерой эталона, сообщающейся с атмосферой, если это предусмотрено в конструкции СИ. При поверке датчиков разности давлений в "минусовой" камере может поддерживаться постоянное опорное давление, создаваемое другим эталоном или основным задатчиком измеряемой величины с дополнительным блоком опорного давления.
При поверке датчиков разрежения и датчиков давления-разрежения значение измеряемой величины допускается устанавливать, подавая с противоположной стороны чувствительного элемента датчика соответствующее значение избыточного давления, если это предусмотрено конструкцией датчика.
-
4.3. Перед проведением поверки датчиков выполняют следующие подготовительные работы:
выдерживают датчик не менее 3 ч при температуре, указанной в п. 4.1, если иное не указано в технической документации на датчик;
-
- выдерживают датчик не менее 0,5 ч при включенном питании;
-
- устанавливают датчик в рабочее положение с соблюдением указаний технической документации;
-
- проверяют на герметичность в соответствии с п. п. 4.3.1 - 4.3.4 систему, состоящую из соединительных линий для передачи давления, эталонных СИ и вспомогательных средств для задания и передачи измеряемой величины.
-
4.3.1. Проверку герметичности системы, предназначенной для поверки датчиков давления, разности давлений, разрежения с верхними пределами измерений менее 100 кПа и датчиков абсолютного давления с верхними пределами измерений более 250 кПа, проводят при значениях давления (разрежения), равных верхнему пределу измерений поверяемого датчика.
Проверку герметичности системы, предназначенной для поверки датчиков давления-разрежения, проводят при давлении, равном верхнему пределу измерений избыточного давления.
Проверку герметичности системы, предназначенной для поверки датчиков разрежения с верхним пределом измерений 100 кПа, проводят при разрежении, равном 0,9 - 0,95 значения атмосферного давления.
Проверку герметичности системы, предназначенной для поверки датчиков абсолютного давления с верхними пределами измерений 250 кПа и менее, проводят в соответствии с п.
-
4.3.3.
-
4.3.2. При проверке герметичности системы, предназначенной для поверки датчиков, указанных в п. 4.3.1, устанавливают заведомо герметичный датчик или любое другое средство измерений с погрешностью измерений не более 2,5% от значений давления, соответствующих требованиям п. 4.3.1, и позволяющее зафиксировать 0,5% изменение давления от заданного значения.
Создают в системе давление, установившееся значение которого соответствует требованиям п. 4.3.1, после чего отключают источник давления. Если в качестве эталонного СИ применяют грузопоршневой манометр, то его колонку и пресс также отключают.
Систему считают герметичной, если после трехминутной выдержки под давлением, равным или близким верхнему пределу измерений датчика, не наблюдают падения давления (разрежения) в течение последующих 2 минут. При необходимости время выдержки под давлением может быть увеличено.
Допускается изменение давления (разрежения) в системе, обусловленное изменением температуры окружающего воздуха и рабочей среды в пределах +/-0,5... 1 °C.
-
4.3.3. Проверку герметичности системы, предназначенной для поверки датчиков абсолютного давления с верхними пределами измерений 250 кПа и менее, проводят следующим образом.
Устанавливают в системе заведомо герметичный датчик или любое другое средство измерений абсолютного давления, отвечающее требованиям к СИ в соответствии с п. 4.3.2. Создают в системе абсолютное давление не более 0,07 кПа и поддерживают его в течение 2 -3 минут, после чего отключают устройство, создающее абсолютное давление, и эталонное СИ при необходимости (например, отключают колонки грузопоршневого манометра).
После 3 минут выдержки изменение давления не должно превышать 0,5% верхнего предела измерений поверяемого датчика. Допускается поправка при изменении температуры окружающего воздуха и рабочей среды.
-
4.3.4, Проверку герметичности системы рекомендуется проводить при давлении (разрежении), соответствующем наибольшему давлению (разрежению) из ряда верхних пределов измерений поверяемых датчиков.
-
5.1. Внешний осмотр
При внешнем осмотре датчика устанавливают:
-
- соответствие его внешнего вида технической документации и отсутствие видимых дефектов;
-
- наличие клеммных колодок и (или) разъемов для внешних соединений, устройства для регулировки "нуля", клемм контроля выходного сигнала и др.;
-
- наличие дополнительных выходных устройств - электрических аналоговых или цифровых индикаторов и (или) других устройств, предусмотренных технической документацией на датчик;
-
- наличие на корпусе датчика таблички с маркировкой, соответствующей паспорту или документу, его заменяющему;
-
- наличие РЭ, если это предусмотрено при поверке датчика, паспорта или документа, его заменяющего.
-
5.2. Опробование
-
5.2.1. При опробовании проверяют герметичность и работоспособность датчика, функционирование устройства корректора "нуля". Работоспособность датчика проверяют, изменяя измеряемую величину от нижнего до верхнего предельных значений. При этом должно наблюдаться изменение выходного сигнала. Работоспособность датчиков давления-разрежения проверяют только при избыточном давлении; работоспособность датчиков разрежения с верхним пределом измерений 100 кПа проверяют при изменении разрежения до значения 0,9 атмосферного давления (не менее).
-
5.2.2. Проверку функционирования устройства корректора "нуля" выполняют следующим образом. Задав одно (любое) значение измеряемой величины в пределах, оговоренных руководством по эксплуатации, корректором "нуля" возвращают выходной сигнал (показания индикатора) к первоначальному значению. Затем сбрасывают измеряемую величину и при атмосферном давлении на входе в датчик корректором "нуля" вновь устанавливают выходной сигнал (показания индикатора) в соответствии с исходными значениями.
-
5.2.3 Проверку герметичности датчика рекомендуется совмещать с операцией определения его основной погрешности.
Методика проверки герметичности датчика аналогична методике проверки герметичности системы (п. п. 4.3.1 - 4.3.4), но имеет следующие особенности:
-
- изменение давления (разрежения) определяют по изменению выходного сигнала или по изменению показаний цифрового индикатора поверяемого датчика, включенного в систему (п. 4.3.2);
- в случае обнаружения негерметичности системы с установленным поверяемым датчиком следует раздельно проверить герметичность системы и датчика.
5.3. Определение основной погрешности
-
5.3.1. Основную погрешность датчика определяют по одному из способов:
-
1. По эталону СИ на входе датчика устанавливают номинальные значения входной измеряемой величины (например, давления), а по другому эталону измеряют соответствующие значения выходного аналогового сигнала (тока или напряжения). При поверке датчика по его цифровому сигналу к выходу подключают приемное устройство, поддерживающее соответствующий цифровой коммуникационный протокол для считывания информации при установленных номинальных значениях входной измеряемой величины.
-
2. В обоснованных случаях по эталонуу СИ устанавливают номинальные значения выходного аналогового сигнала (тока или напряжения) или устанавливают номинальные значения цифрового сигнала датчика, а по другому эталонуу СИ измеряют соответствующие значения входной величины (например, давления).
Примечания:
-
1. При поверке датчиков с HART-сигналом к выходу подключают портативный HART-коммуникатор, например "Rosemount НС-275", или HART-модем с программным обеспечением для связи с персональным компьютером и считывания информации с цифрового выхода датчика. Могут использоваться другие устройства для считывания информации и управления датчиками по другим коммуникационным протоколам, предусмотренным технической документацией на датчики.
-
2. При поверке датчиков с цифровым сигналом RS485 к выходу подключают модем RS485/USB с программным обеспечением для связи с персональным компьютером и считывания информации с цифрового выхода датчика. Могут использоваться другие устройства для считывания информации и управления датчиками по другим коммуникационным протоколам, предусмотренным технической документацией на датчики.
-
3. При поверке датчиков с релейным выходом (реле давления) поверяемый датчик и датчик - эталон подключаются к одному источнику давления. Выход релейного датчика подключается к кнопке “НОЬО”(“удержание”) цифрового вольтметра. Вход цифрового вольтметра подключается к эталону- резистору (приложение, схема 11).
-
4. При определении основной погрешности датчика показания его цифрового индикатора не учитываются.
-
5. Поверка датчиков с несколькими выходными сигналами, соответствующими одной и той же входной измеряемой величине, производится по одному из этих сигналов (аналоговому или цифровому), если иное не предусмотрено технической документацией на поверяемый датчик.
-
5.3.2. Схемы включения датчиков для измерения выходного сигнала при проведении поверки (п.5.3.1, способы 1 и 2) приведены в Приложении.
Эталоны входной величины (давления) включают в схему поверки в соответствии с их руководством по эксплуатации.
-
5.3.3. Устанавливают следующие критерии достоверности поверки:
Реал< - наибольшая вероятность, при которой любой дефектный экземпляр датчика может быть ошибочно признан годным;
(°’m)ea - отношение возможного наибольшего значения модуля основной погрешности экземпляра датчика, который может быть ошибочно признан годным, к пределу допускаемой основной погрешности.
Допускаемые значения критериев достоверности поверки: Рвам= 0,20 и (crrn)ga=l,25.
-
5.3.4. Устанавливают следующие параметры поверки:
т - число поверяемых точек в диапазоне измерений, т > 5; в обоснованных случаях и при отсутствии эталонных СИ с необходимой дискретностью воспроизведения измеряемой величины допускается уменьшать число поверяемых точек до 4 или 3;
п - число наблюдений при экспериментальном определении значений погрешности в каждой из поверяемых точек при изменениях входной измеряемой величины от меньших значений к большим (прямой ход) и от больших значений к меньшим (обратный ход), п = 1; в обоснованных случаях и в соответствии с технической документацией на датчик допускается увеличивать число наблюдений в поверяемых точках до 3 или 5, принимая при этом среднеарифметическое значение результатов наблюдений за достоверное значение в данной точке;
ук - абсолютное значение отношения контрольного допуска к пределу к допускаемой основной погрешности;
ар - отношение предела допускаемой погрешности эталонных СИ, применяемых при поверке, к пределу допускаемой основной погрешности поверяемого датчика.
Значения ук и ар выбирают по таблице 2 (п. 5.3.5) в соответствии с принятыми критериями достоверности поверки.
-
5.3.5. Выбор эталонных СИ для определения основной погрешности поверяемых датчиков осуществляют исходя из технических возможностей и технико-экономических предпосылок с учетом критериев достоверности поверки (п. 5.3.3) и в соответствии с таблицей 2.
Параметры и критерии достоверности поверки Таблица 2
OLp |
0,2 |
0,25 |
0,33 |
0,4 |
0,5 |
Yx |
0,94 |
0,93 |
0,91 |
0,82 |
0,70 |
р 1 вам |
0,20 |
0,20 |
0,20 |
0,10 |
0,05 |
(^т^ва |
1,14 |
1,18 |
1,24 |
1,22 |
1,20 |
Примечание. Таблица 2 составлена в соответствии с критериями достоверности поверки поп. 5.3.3 и согласно МИ 187-86 "ГСИ. Критерии достоверности и параметры методик поверки" и МИ 188-86 "ГСИ. Установление значений параметров методик поверки".
-
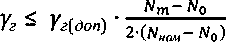
5.3.6. При выборе эталонных СИ для определения погрешности поверяемого датчика (в каждой поверяемой точке) соблюдают следующие условия:
где:
Р - входная измеряемая величина - разность давлений (перепад давления) для датчиков разности давлений, предназначенных для измерения расхода рабочей среды;
Рт - верхний предел измерений или диапазон измерений поверяемого датчика;
- расчетное значение выходного сигнала в цифровом формате;
Nm, No - соответственно верхнее и нижнее предельное значение выходного сигнала в цифровом формате.
-
5.3.8. Поверку датчиков с программным обеспечением выбора функции преобразования входной измеряемой величины в соответствии с одним из видов (5 - 6,9 -1 1) производят при программной установке линейно возрастающей зависимости выходного сигнала (5) или (9), если иное не предусмотрено технической документацией на датчик.
После выполнения поверки датчик может быть перепрограммирован в соответствии с требуемой функцией преобразования входной измеряемой величины.
Перед определением основной погрешности соблюдают требования п. 4.3 и, при необходимости, корректируют значения выходного сигнала, соответствующие нижнему и верхнему предельным значениям измеряемой величины. Эту корректировку выполняют после подачи и сброса измеряемой величины, значения которой устанавливают:
-
- для датчиков давления-разрежения - в пределах 50 - 100% от верхнего предела измерений в области избыточного давления;
-
- для датчиков абсолютного давления с верхним пределом измерений до 0,25 МПа включительно - в пределах от атмосферного давления до 80 - 100% верхнего предела измерений;
-
- для остальных датчиков - в пределах 80 - 100% верхнего предела измерений.
При периодической поверке и в случае ее совмещения с операцией проверки герметичности датчика корректировку значений выходного сигнала выполняют после выдержки датчика при давлении (разрежении) в соответствии с условиями п. 4.3.1, п. 4.3.2.
Установку выходного сигнала выполняют с максимальной точностью, обеспечиваемой устройством корректора датчика и разрешающей способностью эталонных СИ. Погрешность установки "нуля" (без учета погрешности эталонных СИ) не должна превышать 0,2 - 0,3 предела допускаемой основной погрешности поверяемого датчика, если иное не указано в технической документации.
Значение выходного сигнала, соответствующее нижнему предельному значению измеряемой величины, рассчитывают по одной из формул (5-7,9-11), полагая Р = 0 для датчиков давления-разрежения и датчиков разности давлений, для остальных датчиков -полагая Р = Рп (для стандартных условий Р = 0).
-
5.3.9. Основную погрешность определяют при m значениях измеряемой величины (п. 5.3.4), достаточно равномерно распределенных в диапазоне измерений, в том числе при значениях измеряемой величины, соответствующих нижнему и верхнему предельным значениям выходного сигнала.
Интервал между значениями измеряемой величины не должен превышать: 30% диапазона измерений при т = 5 (основной вариант поверки); 40% диапазона измерений при
-
1. При поверке датчика с выходным аналоговым сигналом постоянного тока, значения которого контролируют непосредственно в мА:
+
(1)
где:
АР - предел допускаемой абсолютной погрешности эталонного СИ, контролирующего входную величину (давление, кПа, МПа);
Рт - верхний предел измерений (или диапазон измерений) поверяемого датчика, кПа, МПа;
Д;- предел допускаемой абсолютной погрешности эталонного СИ, контролирующего электрический выходной сигнал датчика, мА;
1т , 10 - соответственно нижнее и верхнее предельные значения выходного сигнала датчика:
-
- для датчиков с выходным сигналом 4 - 20мА 10 =4 мА, 1т =20 мА;
-
- для датчиков с выходными сигналами 0 - 5 и 0 - 20 мА 10 = 0, 1т= 5 мА и 1т = 20 мА соответственно;
ар - то же, что в п. 5.3.4;
у - предел допускаемой основной погрешности поверяемого датчика, % от нормирующего значения.
За нормирующее значение принимают: для датчиков давления-разрежения - сумму абсолютных значений верхних пределов измерений в области избыточного давления и в области разрежения; для остальных датчиков - верхний предел измерений входной измеряемой величины, если иное не предусмотрено технической документацией на датчики.
Для датчиков с нижним предельным значением измеряемой величины, численно равным нулю, диапазон измерения численно равен верхнему пределу измерений. В этом случае основная погрешность датчика, выраженная в процентах от нормирующего значения, численно равна основной погрешности, выраженной в процентах от диапазона изменения выходного сигнала датчика с линейной функцией преобразования измеряемой величины.
-
2. При поверке датчиков с выходным аналоговым сигналом постоянного тока, значения которого контролируются по падению напряжения на эталоне- сопротивлении в Вольтах
яр • У
(2)
где:
Др, Рт - то же, что в формуле (1);
Ди - предел допускаемой абсолютной погрешности эталонного СИ, и контролирующего выходной сигнал датчика по падению напряжения на эталоне- сопротивлении, В;
Дг - предел допускаемой абсолютной погрешности эталона- сопротивления, Ом;
R.)m - значение эталона-сопротивления, Ом;
Um, Uo - соответственно верхнее и нижнее предельные значения напряжений в В на эталоне- сопротивлении, определяемые по формулам:
^т ’ Рэт И ^0 ^0 ' Рэт
При поверке датчиков с выходным аналоговым сигналом постоянного напряжения, значения которого контролируются непосредственно эталонным СИ в Вольтах (Uo = 0):

(3)
где:
Др, Рт- то же, что в формуле (1);
Ди - предел допускаемой абсолютной погрешности эталона, контролирующего выходной сигнал напряжения на выходе датчика, В;
Дг - предел допускаемой абсолютной погрешности эталона- сопротивления, Ом;
При поверке датчика с выходным цифровым сигналом:
(4)
где все обозначения те же, что и в формулах (1) и (2).
-
5.3.7. Расчетные значения выходного сигнала поверяемого датчика для заданного номинального значения входной измеряемой величины определяют по формулам (4 - 12):
1. Для датчиков с линейно возрастающей зависимостью выходного сигнала постоянного тока (/) от входной измеряемой величины (Р):

(5)
где:
/р - расчетное значение выходного сигнала постоянного тока (мА);
Р - номинальное значение входной измеряемой величины; для датчиков давления-разрежения значение Р в области разрежения подставляется в формулу (5) со знаком минус;
Рп - нижний предел измерений для всех датчиков, кроме датчиков давления-разрежения, для которых значение Рп численно равно верхнему пределу измерений в области разрежения Рт(_) и в формулу (5) подставляется со знаком минус;
1т, Ab Рт - ТО же, что и в формуле (1).
Для стандартных условий нижний предел измерений всех поверяемых датчиков избыточного давления, абсолютного давления, разрежения, разности давлений и датчиков давления-разрежения равен нулю.
2. Для датчиков с линейно убывающей зависимостью выходного сигнала постоянного тока от входной измеряемой величины:

(6)
-
3. Для датчиков с выходным сигналом постоянного тока, значения которого контролируют по падению напряжения на эталоне- сопротивлении R3m:
(7)
где:
ир - расчетное значение падения напряжения на эталоне- сопротивлении;
/р - расчетное значение выходного сигнала постоянного тока, определяемое по формулам (5-6).
Для датчиков с линейно возрастающей зависимостью выходного сигнала постоянного напряжения от входной измеряемой величины:

(8)
где:
ир - расчетное значение выходного сигнала постоянного напряжения;
Um - верхнее предельное значение напряжения выходного сигнала.
-
4. Для датчиков с выходным информационным сигналом в цифровом формате: - с линейно возрастающей функцией преобразования:
(9)
где:
/Vp- расчетное значение выходного сигнала в цифровом формате;
Nm, No - соответственно верхнее и нижнее предельные значения выходного информационного сигнала датчика в цифровом формате;
T’n, Р - то же, что и в формуле (5);
- с линейно убывающей функцией преобразования:

(Ю)
- с функцией преобразования по закону квадратного корня:


(Н)
т = 4; 60% диапазона измерений при т = 3.
Основную погрешность определяют при значении измеряемой величины, полученном при приближении к нему как со стороны меньших значений (при прямом ходе), так и со стороны больших значений (при обратном ходе).
Перед поверкой при обратном ходе датчик выдерживают в течение 1 минуты при верхнем предельном значении измеряемой величины, которому соответствует предельное значение выходного сигнала. Датчики давления-разрежения допускается выдерживать только при верхнем пределе измерений в области избыточного давления.
При периодической поверке основную погрешность определяют в два цикла: до корректировки диапазона изменения выходного сигнала и после корректировки диапазона. Второй цикл допускается не проводить, если основная погрешность уд < ук- у.
При поверке датчиков с верхним пределом измерения в области разрежения, равном ЮОкПа допускается устанавливать значение разрежения в области (0,90...0,95)% от атмосферного давления Рб, если Рб < ЮОкЯа. Расчетное значение выходного сигнала при установленном значении разрежения определяют по формуле (5) или (9).
При поверке датчиков абсолютного давления с верхними пределами измерений 0,25 МПа и выше основную погрешность определяют по методике, изложенной в п. 5.3.10, с соблюдением условий, изложенных в п. п. 5.3.8, 5.3.9. По методике п. 5.3.10 допускается определять основную погрешность датчиков абсолютного давления с верхними пределами измерений ниже 0,25 МПа, но не менее 0,1 МПа.
-
5.3.10. Определение основной погрешности датчиков абсолютного давления с верхними пределами измерений 0,25 МПа (допускается 0,1 МПа) и выше проводят с использованием эталонных СИ разрежения и избыточного давления (например, МВП - 2,5; "Воздух-0,4В"; "Воздух-6,3"; МП - 6; МП - 60 и др.).
В этом случае поверку датчика выполняют при подаче избыточного давления и разрежения, расчетные значения которых определяют с учетом действительного значения атмосферного давления в помещении, где проводят поверку.
Расчетные значения выходного сигнала датчика с линейно возрастающей функцией преобразования определяют по формулам:
-
- для датчиков с токовым выходным сигналом:
1р= 10+ (Н)
рт(а)
-
- для датчиков с цифровым выходным сигналом:
NP= /V„+ (W„- (12)
где:
/р, 1т, /о, Np, Nm, No - то же, что в формулах (5), (9).
Рбар ~ измеренное барометром атмосферное давление в помещении проведения поверки, МПа;
Рт(а) ' верхний предел измерений датчика абсолютного давления, МПа;
- избыточное давление,подаваемое в датчик, МПа;
-разрежение, создаваемое в датчике; значение разрежения в МПа подставляют в формулы (11) и (12) со знаком минус.
Расчетные значения избыточного давления и разрежения вычисляют по формулам:
РМ= Ра~ Рбар (13)
Р^= Рбар~ Ра (14)
где:
Ра - номинальное значение абсолютного давления, МПа.
Вблизи нуля абсолютного давления датчик поверяют, создавая на его входе разрежение:
P(m_j = (0,9 ... 0,95) • Рбар (15)
при котором расчетное значение выходного сигнала определяют по формуле:
/р= /о+ (/m- (16)
rm(a)
Значения выходного сигнала в цифровом формате (N) или выходного сигнала в виде напряжения постоянного тока (U) определяют по формуле такой же структуры, заменяя обозначения тока I на обозначение N или U соответственно.
Расчетные значения выходного сигнала при атмосферном давлении на входе датчика определяют по формуле:
1р= /о+ Gm" 1о)~- (17)
рт(а)
Максимальное значение избыточного давления Р, при котором расчетное значение выходного сигнала 1р = 1т, определяют по формуле:
(18)
Рт(+) Рт(а) Рбар
При поверке датчиков с верхними пределами измерений Рт^ < 2,5 МПа значение атмосферного давления Рбар определяют с погрешностью не более чем:
^баР -
СГр
Р т(а)
100
где:
Дбар - абсолютная погрешность, МПа;
ар, у - то же, что и в п.п. 5.3.4, 5.3.6;
Лп(а) ’ верхний предел измерения поверяемого датчика.
При поверке датчиков с верхними пределами измерений Рт^ > 2,5 МПа в формулы (11-18) допускается подставлять значение Рбар = 0,1МПа, если атмосферное давление находится в пределах 0,093 - 0,102 МПа.
В зависимости от верхних пределов измерений поверяемых датчиков их основную погрешность определяют при m значениях измеряемой величины в соответствии с таблицей 3 и с учетом требований п. 5.3.9.
Таблица 3
Верхний предел измерений, МПа |
Число поверяемых точек, т | |
В области Рбар < Ра |
В области Рбар > Ра | |
0,1 |
3 |
- |
0,16 |
2 |
2 |
0,25 |
1 |
3 |
От 0,4 до 2,5 |
1 |
4 |
Свыше 2,5 |
- |
5 |
Перед поверкой корректором "нуля" датчика устанавливают выходной сигнал на расчетное значение, соответствующее разрежению Р(т-)> в указанных пределах (15). Расчетное значение выходного сигнала определяют по формуле (16). Допускается устанавливать выходной сигнал на расчетное значение, определяемое по формуле (17), при атмосферном давлении.
-
5.3.11. Основную погрешность уд в % нормирующего значения (п. 5.3.6) вычисляют по приведенным ниже формулам.
При поверке датчиков по способу 1 (п.5.3.1):
уд= -ЮО 1т~ 1о |
(20) |
= _Ц-Цр_ . Гс) ит-и0 |
(21) |
N- Nn | |
уд = -----2- • 100 Nm-N0 |
(22) |
где:
/ - значение выходного сигнала постоянного тока, полученное экспериментально при номинальном значении измеряемой величины, мА;
U - значение падения напряжения на эталоне- сопротивлении, полученное экспериментально при измерении выходного сигнала и номинальном значении входной измеряемой величины (давления), В;
N - значение выходного сигнала датчика в цифровом формате, полученное экспериментально при номинальном значении измеряемой величины.
Остальные обозначения те же, что в формулах (5, 6, 9).
Для датчиков с выходным сигналом напряжения можно использовать формулу (21), подставляя Uo = О
При поверке датчиков по способу 2 (п.5.3.1):
yd = £z^™.1Oo (23)
Pm
где:
Р - значение входной измеряемой величины (давления), полученное экспериментально при номинальном значении выходного сигнала, кПа, МПа;
Рном - номинальное значение измеряемой величины при номинальном значении выходного сигнала, кПа, МПа;
Рт - сумма абсолютных значений верхних пределов измерений датчиков давления-разрежения (Рт = Рт(+) + |^т(-)|). Для остальных датчиков - верхний предел измерений, кПа, МПа. Вычисления уд выполняют с точностью до второго знака после запятой.
-
5.4. Определение вариации
-
5.4.1. Вариацию выходного сигнала определяют при каждом поверяемом значении измеряемой величины, кроме значений, соответствующих нижнему и верхнему пределам измерений, поданным, полученным экспериментально при определении основной погрешности (п. 5.3).
-
5.4.2. Вариацию выходного сигнала уг в % нормирующего значения (п. 5.3.6) вычисляют по приведенным ниже формулам.
При поверке датчиков по способу 1 (п. 5.3.1):
Уг =

и- 1/*|
Uo
■ 100
Уг =
IN-N4
Nm-No
■ 100
-
(24)
-
(25)
-
(26)
где:
7,7* - значения выходного сигнала постоянного тока, полученные экспериментально при одном и том же номинальном значении входной измеряемой величины при прямом и обратном ходе соответственно, мА;
U, U* - значенияпадения напряжения на эталоне-сопротивлении, полученные экспериментально при измерениях выходного сигнала и при одном и том же номинальном значении входной измеряемой величины при прямом и обратном ходе соответственно, В;
N, N* - значения выходного сигнала датчика в цифровом формате, полученные экспериментально при одном и том же номинальном значении входной измеряемой величины при прямом и обратном ходе соответственно.
Остальные обозначения - те же, что в формулах (5, 6, 9).
При проверке датчиков по способу 2 (п.5.3.1):
У = ■ 100 (27)
где:
Р, Р* - значения входной измеряемой величины (давления), полученные экспериментально при прямом и обратном ходе и при одном и том же номинальном значении выходного сигнала, кПа, МПа;
Рт - то же, что в формуле (23).
-
5.5. Результаты поверки датчиков с линейной функцией преобразования
-
5.5.1. Датчик признают годным при первичной поверке, если на всех поверяемых точках модуль основной погрешности уд < ук ‘ 1/1, а значение вариации уг в каждой точке измерений не превышает предела ее допускаемого значения.
-
5.5.2. Датчик признают негодным при первичной поверке, если хотя бы в одной поверяемой точке модуль основной погрешности уд > ук ■ |у|, или значение вариации уг превышает предел ее допускаемого значения.
5.5.3 Датчик признают годным при периодической поверке, если на всех поверяемых точках при первом или втором цикле поверки выполняются условия, изложенные в п. 5.5.1.
-
5.5.4. Датчик признают негодным при периодической поверке если:
-
- при первом цикле поверки хотя бы в одной поверяемой точке модуль основной погрешности |yj > (<5m)eamax' |у|, или значение вариации у превышает предел ее допускаемого значения;
-
- при втором цикле поверки хотя бы в одной поверяемой точке модуль основной погрешности |уд| > ук ■ |у| или значение вариации у, превышает предел ее допускаемого значения;
Обозначения: (5m)gamax - поп. 5.3.3; ук - по п. 5.3.4; у-по п. 5.3.6.
-
5.5.5. Допускается вместо вычислений по экспериментальным данным значений основной погрешности уд и вариации уг контролировать их соответствие предельно допускаемым значениям.
-
5.5.6. Вариацию выходного сигнала датчиков не определяют, если предел ее допускаемого значения не превышает 0,5 предела допускаемой основной погрешности.
-
5.6. Результаты поверки датчиков с неизменной (жестко запрограммированной) функцией преобразования измеряемой величины по закону квадратного корня.
-
5.6.1. Датчик признают годным при первичной поверке по способу 1 (п. 5.3.1), если на всех поверяемых точках модуль основной погрешности у , выраженной в % диапазона изменения выходного сигнала, не превышает пределов допускаемых значении в соответствии с условием (28), а значение вариации уг не превышает пределов ее допускаемых значений в соответствии с условием (29).
2-(N,/cw- Wo)
(28) (29)
где:
NH0M - номинальное значение выходного сигнала в поверяемой точке в цифровой форме.
у - предел допускаемой основной погрешности в % верхнего предела измерений поверяемого датчика;
Уг[доп) • пределдопускаемого значения вариации в % верхнего предела измерений поверяемого датчика.
Основную погрешность у0 и вариацию уг определяют в интервале значений выходного сигнала (30), если иное не указано в технической документации на датчик.
(30),
-
5.6.2. Датчик признают негодным при первичной поверке, если хотя бы в одной поверяемой точке не выполняются условия (28) и (29).
-
5.6.3. Датчик признают годным при периодической поверке, если на всех поверяемых точках при первом или втором цикле поверки выполняются условия (28) и (29).
-
5.6.4. Датчик признают негодным при периодической поверке если при первом цикле поверки хотя бы в одной поверяемой точке модуль основной погрешности |yd|, выраженной в % от диапазона изменения выходного сигнала, превышает пределы допускаемых значений (31) или значения вариации у, превышают пределы допускаемых значений (29):
(31)
-
5.7. Поверка датчиков с релейным выходом проводится по схеме XX приложения. Давление плавно увеличивается на входе поверяемого и датчика-эталона до срабатывания реле в выбранной точке диапазона измерения. В момент срабатывания показания цифрового вольтметра фиксируются по сигналу реле поверяемого датчика.
-
5.7.1. Датчик признается годным, если условие (32) выполняется в нескольких (3 - 5) точках диапазона измерения поверяемого датчика:
где:
Руст - установленное значение точки срабатывания датчика с релейным выходом;
РНОЛ1 - давление, зафиксированное образцовым датчиком;
|у| - пределы основной допускаемой погрешности датчика с релейным выходом;
Р„ОЛ1 определяется по выходной характеристике датчика-эталона с нижним пределом измерения Ро = 0:
РпМ, = Рт ■ (33)
'т 'о
где:
1ном - выходной ток датчика- эталона в момент срабатывания, фиксируемый цифровым вольтметром по падению напряжения на эталоне - резисторе;
При невыполнении условия (32) хотя бы водной точке диапазона измерения поверяемый датчик признается негодным.
6. Оформление результатов-
6.1 Датчик давления Корунд прошедший поверку с положительным результатом, признается годным и допускается к применению. На него оформляется свидетельство о поверке в соответствии с Приказом № 1815 Минпромторга России от 02 июля 2015 г. и (или) ставится знак поверки в паспорт и делается соответствующая запись в разделе «Свидетельство о поверке».
-
6.2 При отрицательных результатах поверки, в соответствии с Приказом № 1815 Минпромторга России от 02 июля 2015 г., оформляется извещение о непригодности. Датчики к дальнейшей эксплуатации не допускают.
Главный инженер ООО «СТЭНЛИ»
Д.И. Моисеев
А.И. Гончаров
Начальник лаборатории 207.1
Схемы включения датчиков при поверкеСхема 1. Включение датчика с аналоговым сигналом 4-20 мА, измеряемого непосредственно миллиамперметром.

Р - входная измеряемая величина, устанавливаемая задатчиком давления в соответствие с табл. 1 п.2.1;
mA - миллиамперметр в соответствие с табл.1 п.2.1.;
Идол - нагрузочное сопротивление в соответствие с табл. 1 п.2.1. Величина сопротивления должна соответствовать п.4.1, п/п 5).
Схема 2. Включение датчика с аналоговым сигналом 4-20 мА, измеряемого через падение напряжения на эталоне резисторе вольтметром.

Р - входная измеряемая величина устанавливаемая задатчиком давления в соответствие с табл. 1 п.2.1;
mA - миллиамперметр в соответствие с табл. 1 п.2.1.;
R.3T - эталонное нагрузочное сопротивление (например, катушка сопротивления) в соответствие с табл. 1 п.2.1. Величина сопротивления должна соответствовать п.4.1, п/п 5).
Схема 3. Включение датчика с аналоговым выходным сигналом 0-5 мА или 0-20 мА, измеряемого измеряемого непосредственно миллиамперметром.

Р - входная измеряемая величина устанавливаемая задатчиком давления в соответствие с табл. 1 п.2.1;
А - миллиамперметр в соответствие с табл. 1 п.2.1.;
Кдоп - нагрузочное сопротивление (например, катушка сопротивления) в соответствие с табл. 1 п.2.1. Величина сопротивления должна соответствовать п.4.1, п/п 5).
Схема 4. Включение датчика с аналоговым сигналом 0-5 мА или 0-20 мА, измеряемого через падение напряжения на эталоне- резисторе вольтметром.

Р - входная измеряемая величина устанавливаемая задатчиком давления в соответствие с табл. 1 п.2.1;
mA - миллиамперметр в соответствие с табл. 1 п.2.1.;
Rot - эталонное нагрузочное сопротивление (например, катушка сопротивления) в соответствие с табл. 1 п.2.1. Величина сопротивления должна соответствовать п.4.1, п/п 5).
Схема 5. Включение датчика с аналоговым сигналом 0-5 В или 0-10 В, измеряемого непосредственно вольтметром.

Р - входная измеряемая величина устанавливаемая задатчиком давления в соответствие с табл. 1 п.2.1;
V - вольтметр в соответствие с табл. 1 п.2.1.;
Схема 6, Включение датчика с цифровым сигналом на базе протокола HART и считывании информации по цифровому каналу при помощи коммуникатора.

Р - входная измеряемая величина устанавливаемая задатчиком давления в соответствие с табл. 1 п.2.1;
Н - HART коммуникатор в соответствие с табл.1 п.2.1.
Схема 7. Включение датчика с цифровым сигналом на базе протокола HART и считывании информации по цифровому каналу при помощи HART модема и персонального компьютера.

Р - входная измеряемая величина, устанавливаемая задатчиком давления в соответствие с табл. 1 п.2.1;
HART/USB - Преобразователь сигналов HART в сигналы интерфейса USB для связи датчика с персональным компьютером через его стандартный последовательный порт в соответствие с табл. 1 п.2.1;
ПК - персональный компьютер соответствие с табл. 1 п.2.1 .
Схема 8. Включение датчика на базе протокола HART при считывании информации по цифровому каналу при помощи HART модема и персонального компьютера, а также измерении аналогового сигнала посредством регистрации падения напряжения на эталоне резисторе.
V

Р - входная измеряемая величина, устанавливаемая задатчиком давления в соответствие с табл. 1 п.2.1;
V- вольтметр в соответствие с табл. 1 п.2.1;
Rot - эталон - нагрузочное сопротивление (например, катушка сопротивления) в соответствие с табл. 1 п.2.1. Величина сопротивления должна соответствовать п.4.1, п/п 5); Идол - дополнительный резистор или магазин сопротивления. Величина Идол подбирается исходя из формулы Кэт + Идол = 2500м;
HART/USB - Преобразователь сигналов HART в сигналы интерфейса USB для связи датчика с персональным компьютером через его стандартный последовательный порт в соответствие с табл. 1 п.2.1;
ПК - персональный компьютер соответствие с табл. 1 п.2.1 .
Схема 9. Включение датчика на базе протокола HART при считывании информации по цифровому каналу при помощи HART модема и персонального компьютера, а по аналоговому токовому каналу - непосредственно миллиамперметром.

Р - входная измеряемая величина, устанавливаемая задатчиком давления в соответствие с табл. 1 п.2.1;
А - миллиамперметр в соответствие с табл. 1 п.2.1;
1<доп - нагрузочное сопротивление (например, катушка сопротивления) в соответствие с табл. 1 п.2.1. Величина сопротивления должна соответствовать п.4.1, п/п 5);
HART/USB - Преобразователь сигналов HART в сигналы интерфейса USB для связи датчика с персональным компьютером через его стандартный последовательный порт (табл. 1 п.2.1); ПК - персональный компьютер соответствие с табл. 1 п.2.1.
Схема 10. Включение датчика с цифровым выходным сигналом на базе протокола ModBus при считывании информации по цифровому каналу с помощью модема на базе интерфейса RS-485 и персонального компьютера.

Р - входная измеряемая величина, устанавливаемая задатчиком давления в соответствие с табл. 1 п.2.1;
RS485/USB - модем на базе интерфейса RS485 для для связи датчика с персональным компьютером через USB порт в соответствие с табл. 1 п.2.1;
ПК - персональный компьютер соответствие с табл. 1 п.2.1.
Схема 11. Включение датчика с дискретным выходным сигналом

Р - входная измеряемая величина, устанавливаемая задатчиком давления в соответствие с табл. 1 п.2.1;
Д-ДС - датчик с дискретным сигналом замыкания (размыкания);
ВЦ - вольтметр цифровой GW Instek GDM78251А имеющий функцию «HOLD»;
ОД - эталон - датчик давления в соответствие с табл. 1 п.2.1;
R.3T- эталон нагрузочного сопротивления (например, катушка сопротивления) в соответствие с табл. 1 п.2.1. Величина сопротивления должна соответствовать п.4.1. п/п 5).
Схема 12. Подключение к эталону измеряемой величины

ЭЗ - эталон (давление, разрежение, разность давлений) в соответствии с табл. 1 п.2.1
Схема 13. Подключение к датчику -эталону.

ОД - эталон (давление, разрежение, разность давлений) в соответствие с табл. 1 п.2.1; ИВ - Источник измеряемой величины (давление, разрежение, разность давлений) в соответствие с табл. 1 п.2.1;