Методика поверки «Плотномеры ПЛОТ-3» (МП № 2302-0060-2012)
УТВЕРЖДАЮ
Зам.

Е.П. Кривцов
геля ГЦИ СИ
Менделеева"
2012г.
Плотномеры ПЛОТ-3
МЕТОДИКА ПОВЕРКИ
МП №2302-0060-2012
Руководитель лаборатории вязкости и плотности

«22» мая 2012 г.
.С. Снегов
Санкт-Петербург
2012
Содержание
2.ПЕРВИЧНАЯ И ПЕРИОДИЧЕСКАЯ ПОВЕРКА В УСЛОВИЯХ ЛАБОРАТОРИИ
-
6. ТРЕБОВАНИЯ БЕЗОПАСНОСТИ И ТРЕБОВАНИЯ К КВАЛИФИКАЦИИ ПОВЕРИТЕЛЯ 6
9.ОБРАБОТКА РЕЗУЛЬТАТОВ ИЗМЕРЕНИЙ
10. ПОВЕРКА ПЛОТНОМЕРОВ МОДИФИКАЦИИ ПЛОТ-3Б и ПЛОТ-3Б-2 НА МЕСТЕ
11. ОФОРМЛЕНИЕ РЕЗУЛЬТАТОВ ПОВЕРКИ
1. ОБЛАСТЬ ПРИМЕНЕНИЯ-
1.1 Настоящая методика поверки распространяется на плотномеры ПЛОТ-3 модификаций ПЛОТ-3М, ПЛОТ-3Б, ПЛОТ-3Б-2, выпускаемых по АУТП.414122.006 ТУ и ПЛОТ-3Б-1Р, ПЛОТ-3Б-1П выпускаемых по АУТП.414122.006 ТУ1, (далее по тексту -плотномеры) и устанавливает методику их первичной и периодической поверки.
-
1.2 Первичная поверка плотномеров выполняется в условиях лаборатории.
-
1.3 Периодическую поверку плотномеров модификации ПЛОТ-3М, ПЛОТ-3Б и ПЛОТ-3Б-2 допускается проводить в условиях эксплуатации без демонтажа плотномеров:
- модификации ПЛОТ-3М в соответствии с МИ2816-2011 (только канал измерения плотности);
-модификаций ПЛОТ-3Б и ПЛОТ-3Б-2 в соответствии с разделом 9 настоящей методики поверки.
-
1.4 Межповерочный интервал:
- для модификаций ПЛОТ-3М, ПЛОТ-3Б и ПЛОТ-3Б-2 - 2 года;
- для модификаций ПЛОТ-3Б-1П и ПЛОТ-3Б-1Р - 1 год;
2.ПЕРВИЧНАЯ И ПЕРИОДИЧЕСКАЯ ПОВЕРКА В УСЛОВИЯХ ЛАБОРАТОРИИ-
2.1 Определение абсолютной погрешности канала измерения плотности производят методом сличения показаний поверяемого плотномера с результатом измерения плотности отобранной пробы поверочной жидкости, полученным на лабораторном анализаторе плотности с пределами абсолютной погрешности ± 0,1 кг/м3 при одинаковых значениях температуры (и давления - для исполнения плотномера с с диапазоном измерения плотности от 420 до 700 кг/м3).
-
2.2 Определение относительной погрешности канала измерения кинематической вязкости производят методом сличения показаний поверяемого плотномера с результатом измерения кинематической вязкости отобранной пробы поверочной жидкости, полученным на лабораторном анализаторе вязкости с пределами абсолютной погрешности измерения вязкости не более ± 0,3 % при одинаковых значениях температуры.
-
2.3 Определение абсолютной погрешности канала измерения
3.1 При проведении поверки должны быть выполнены следующие операции: Таблица 1
Наименование операции |
Номер пункта документа по поверке |
Внешний осмотр |
8.1 |
Опробование |
8.2 |
Определение метрологических характеристик |
8.3 |
Обработка результатов измерений |
9 |
Оформление результатов поверки |
11 |
-
3.2 При получении отрицательного результата при проведении любой из операций, поверка должна быть прекращена.
-
4.1 Поверочные жидкости.
-
4.1.1 Поверка канала измерения плотности.
-
-при проведении поверки изделия с диапазоном измерения плотности от 420 до 700 кг/м3:
Таблица 2
Наименование |
ГОСТ или ТУ |
Необходимое количество, не менее, дм3 |
Жидкость № 1: Имитатор сжиженного углеводородного газа 1-го разряда в баллоне постоянного давления поршневого типа Р1К, Р4К, БП-ПТ-1 или анало гичном |
ГСО-СУГ-ПА №9386-2009 |
1л |
Жидкость № 2: нефрас С2 80/120 или топливо ТС-1 |
ТУ 38.401-67-108-92 ГОСТ 10227-86 |
1л 1л |
-при проведении поверки изделия с диапазоном измерения плотности от 630 до 1010 кг/м3:
Таблица 3
Наименование |
ГОСТ или ТУ |
Необходимое количество, л |
Жидкость № 2: нефрас С2 80/120 |
ТУ 38.401-67-108-92 |
1л |
или топливо ТС-1 |
ГОСТ 10227-86 |
1л |
Жидкость № 3: топливо марки Т-6 |
ГОСТ 12308-89 |
1л |
или масло трансформаторное ГК |
ТУ 38.1011025-85 с изм. 1-4 |
1л |
-при проведении поверки изделия с диапазоном измерения плотности от 950 до 1600 кг/м3:
Таблица 4
Наименование |
ГОСТ или ТУ |
Необходимое количество, не менее, дм3 |
Жидкость № 3: топливо марки Т-6 или масло трансформаторное ГК |
ГОСТ 12308-89 ТУ 38.1011025-85 с изм. 1-4 |
1л 1л |
Жидкость № 4: углерод четыреххлористый ХЧ. |
ГОСТ 20288-74 |
1л |
4.1.2 Поверка канала измерения вязкости.
Таблица 5
Наименование |
ГОСТ или ТУ |
Необходимое количество, не менее, дм3 |
Жидкость № 5: | ||
топливо марки Т-6 или масло трансформаторное ГК |
ГОСТ 12308-89 ТУ 38.1011025-85 с изм. 1-4 |
1л 1л |
Жидкость № 6: Масло индустриальное И-20А |
ГОСТ 20799-88 |
1л |
Жидкость № 7: масло индустриальное И-50А |
ГОСТ 20799-88 |
1л |
-
4.2 При проведении поверки изделия должны быть применены следующие средства измерений и вспомогательное оборудование:
-
- лабораторный анализатор плотности с пределами абсолютной погрешности измерения плотности не более ± 0,1 кг/м3, в диапазоне измерения плотности от 630 кг/м3 до 1600 кг/м3;
-
- анализатор плотности жидкости модели DMA HP в комплекте с анализатором DMA, серии не ниже DMA 4100 (DMA 4100 M), госреестр СИ №39787-08, с пределами абсолютной погрешности измерения плотности не более ± 0,1 кг/м3, в диапазоне температур от минус 10 до +150 0С и давлении до 15 МПа.
-
- преобразователь давления (DPI 705) с относительной погрешностью измерения избыточного давления не более 0,4 % в диапазоне (0-15) МПа или манометр типа МО.
-
- баллон с азотом по ГОСТ949-73, снабженный редуктором с диапазоном задаваемого давления (0-15) МПа.
-
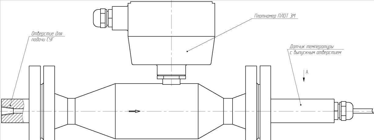
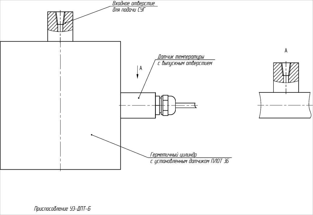
- приспособления У3-ПТВ и У3-ДПТ-Б (см. приложения И, К) для установки плотномеров для поверки на ГСО-СУГ-ПА №9386-2009
-
- система подачи образца жидкости в измерительную ячейку DMA HP на основе трубок, запорных кранов, заливной горловины из нержавеющей стали, фитингов для подключения к измерительной ячейке анализатора в соответствии со схемой приложения Л.
-
- вискозиметр Штабингера SVM 3000, (диапазон измерений вязкости 0-100000 мПа*с, относительная погрешность измерения вязкости 0,3%);
Примечание: допускается вместо вискозиметра Штабингера SVM 3000 применять набор стеклянных капиллярных вискозиметров типа ВНЖ и вспомогательное оборудование в соответствии с ГОСТ 33.
-
- термометр лабораторный электронный ЛТ-300, погрешность измерения 0,05 °С;
-
- вольтметр универсальный цифровой В7-34А,
-
- магазин сопротивления Р4831 - 3 шт.;
-
- штатив лабораторный;
-
- стакан полипропиленовый емкостью 1,0 л (допускается применение другой емкости диаметром (105-120) мм и высотой не менее 130 мм);
-
- компьютер;
-
- принтер.
-
4.3 Допускается применение других средств поверки с характеристиками, не уступающими указанным. Все средства поверки должны быть поверены (аттестованы) органами метрологической службы.
-
4.4 Вспомогательные материалы, используемые при проведении промывки чувствительного датчика плотномера - нефрас С2 80/120 ТУ 38.401-67-108-92.
-
5.1 При проведении поверки должны соблюдаться следующие условия:
- температура воздуха - (20 ± 5) °C;
- относительная влажность окружающего воздуха - (30 - 80) %;
- атмосферное давление от 86 до 106 кПа.
6. ТРЕБОВАНИЯ БЕЗОПАСНОСТИ И ТРЕБОВАНИЯ К КВАЛИФИКАЦИИ ПОВЕРИТЕЛЯ 6.1 Требования по взрывозащитеПлотномеры ПЛОТ-3 относится к классу 01 по ГОСТ 12.2.007.0-75.
При испытаниях и в эксплуатации к работе с плотномерами, средствами измерений и испытательным оборудованием допускаются лица, прошедшие инструктаж по технике безопасности и изучившие документацию на плотномеры и используемые средства измерения и оборудование.
6.2 Перед включением в сеть все приборы должны быть заземлены; сечение заземляющего проводника должно быть не менее 1,5 мм2. 6.3 При работе с плотномером, средствами измерения и испытательным оборудованием следует руководствоваться требованиями безопасности по ГОСТ 2.2.007.0.-75, ГОСТ 12.3.019-80. 6.4 Жидкости, применяемые при поверке плотномеров, представляют собой горючие жидкости, их пары с воздухом образуют взрывоопасные смеси. 6.5 Предельно-допустимая концентрация (ПДК) нефтепродуктов в воздухе помещения - 300 мг/м3, класс опасности по степени воздействия на человека - 4. 6.6 Помещения, в которых производятся работы с нефтепродуктами, должны быть оборудованы приточно-вытяжной вентиляцией, индивидуальными средствами пожаротушения (углекислотные огнетушители, кошма, песок), пожарной сигнализацией и иметь запасной выход. 6.7 В случае превышения концентрации паров ПДК необходимо воспользоваться средством индивидуальной защиты (фильтрующий противогаз марки А), работы прекратить и проветрить помещение. 6.8 Все работы по монтажу и демонтажу плотномеров необходимо производить при отключенном напряжении питания и в строгом соответствии с “Правилами устройства электроустановок (ПУЭ)”, “Правилами технической эксплуатации электроустановок потребителей” (ПТЭ) и “Правилами техники безопасности при эксплуатации электроустановок потребителей (ПТБ)”. 6.9 К проведению поверки и обработке результатов измерений допускаются лица с образованием не ниже среднетехнического, имеющие опыт работы в проведении поверки и знакомые с требованиями правил безопасности при работе с нефтепродуктами. 7. ПОДГОТОВКА К ПОВЕРКЕПеред проведением поверки необходимо выполнить следующие подготовительные работы:
7.1 Ознакомиться с руководством и эксплуатационной документацией на средства поверки. 7.2 Для плотномеров модификации ПЛОТ-3М установить заглушку согласно сборочному чертежу (приложение Г). Внутреннюю поверхность корпуса плотномера (вместе с заглушкой) после сборки промыть нефрасом, затем толуолом и просушить на воздухе, при этом необходимо обратить внимание на чистоту деталей в зоне чувствительного элемента. 7.3 Для плотномеров модификаций ПЛОТ-3Б, ПЛОТ-3Б2, ПЛОТ-3Б-1П и ПЛОТ-3Б-1Р установить датчик ДПТ-Б-2 в центр полипропиленового стакана согласно рисунку приложения Д. Расстояние от дна должно быть (55 ± 5) мм 7.4 Приспособление с установленным плотномером (датчиком плотномера) после сборки промыть нефрасом и просушить на воздухе, при этом необходимо обратить внимание на чистоту деталей в зоне чувствительного элемента.ВНИМАНИЕ! Механическое повреждение чувствительного элемента плотномера (вибратора) или его загрязнение приводит к выходу из строя всего изделия.
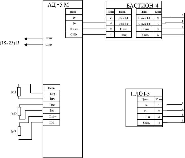
7.5 Соединить эл. схему плотномера с взаимодействующими и контрольноизмерительными приборами согласно схемам, изображенным:на рисунке приложения А для модификаций ПЛОТ-3М, ПЛОТ-3Б и ПЛОТ-3Б-2 исполнения R (RS-485);
на рисунке приложения Б или В для модификаций ПЛОТ-3М ПЛОТ-3Б и ПЛОТ-3Б-2 исполнения T (4-20 мА).
Примечание. Плотномеры модификаций ПЛОТ-3Б-1П и ПЛОТ-3Б-1Р автономные приборы. Подключение к контрольно измерительным приборам не требуется.
7.6 Жидкости, используемые при поверке, плотномеров и средства поверки должны находиться не менее 4-х часов до начала аттестации и поверки при условиях по разделу 4 настоящей методики.-
7.7 Поверка плотномеров с диапазоном измерения плотности от 420 до 700 кг/м3 должна проводиться на жидкости №1 в приспособлении У3-ПТВ (У3-ДПТ-Б) (приложения Ж, З) при использовании анализатора плотности DMA HP. Приспособление для поверки должно быть герметичным и выдерживать избыточное давление не менее 2,1 МПа. В приспособление должны быть установлены преобразователь давления и термометр.
Проверить комплектность поверяемого плотномера в соответствии с паспортом, наличие технической документации, а также соответствие заводских номеров составных частей заводским номерам, записанным в паспорте.
Проверить целостность пломбировки, покрытий и окраски, убедиться в отсутствии наружных повреждений составных частей. Не допускается наличие трещин, сколов на корпусах составных частей.
Проверить наличие маркировки на составных частях путем сличения с маркировкой, указанной в руководстве по эксплуатации
8.2 Опробование 8.2.1 Подготовить поверяемый плотномер в соответствии с разделом 7 настоящей методики поверки. 8.2.2 Включить плотномер и контрольно-измерительные приборы (для плотномеров модификаций ПЛОТ-3М ПЛОТ-3Б и ПЛОТ-3Б-2 исполнения R) и проверить наличие связи и отсутствие неисправностей в режимах “Проверка связи с ПЛОТ-3” и “Тестирование узлов ПЛОТ-3”. 8.2.3 Плотномеры модификаций ПЛОТ-3М и ПЛОТ-3Б исполнения Т проверить следующим образом:-на магазинах сопротивления М1...М3 установить значение сопротивления 500,00 Ом. Включить адаптер АД-5 (АД-5М). С помощью вольтметра измерить напряжение на магазинах сопротивления. Напряжение должно быть в пределах от 2 до 10 В.
-
8.2.4 Плотномеры модификаций ПЛОТ-3Б-1П и ПЛОТ-3Б-1Р включить и проверить прохождение контроля. На индикаторе при этом отображается информация о предприятии-разработчике. По окончании контроля на индикаторе должно отобразиться значение температуры окружающего воздуха и сообщение «вне диапазона» или «грязный вибратор» (датчик ДПТ-Б-2 находится в воздухе).
-
8.2.5 Проверка соответствия номера версии встроенного программного обеспечения.
-
8.2.5.1 Для модификаций ПЛОТ-3М и ПЛОТ-3Б соединить приборы по схеме, приведенной на рисунке 1 АУТП.414122.006 ТУ. Включить компьютер, адаптер АД-3 и источник питания плотномера. Запустить рабочую программу “plot-3.exe”. Запустить плотномер ПЛОТ-3 в режим работы с коэффициентами необходимо выбрать датчик, а затем пункт меню Режим - Работа с коэффициентами или нажать кнопку «Работа с коэффициентами». Нажать кнопку «Чтение коэффициентов из ППЗУ». В правой верхней части окна отобразиться номер версии программного обеспечения плотномера.
-
8.2.5.2 Для модификаций ПЛОТ-3Б-1П и ПЛОТ-3Б-1Р подсоединить приборы к компьютеру с помощью USB - кабеля. Запустить программу plot3b1.exe. Нажать кнопку «Чтение данных из ПЛОТ-3Б-1». В окне программы отобразиться номер версии программного обеспечения плотномера.
-
Номер версий встроенного программного обеспечения приведен в таблице 6.
Таблица 6
Наименование программного обеспечения |
Идентификационное наименование программного обеспечения |
Номер версии (идентификационный номер) программного обеспечения |
Программа ПЛОТ-3М, ПЛОТ-3Б |
plot5100.hex |
5.1.0 |
Программа ПЛОТ-3Б-1Р, интерфейс USB-BULK |
plot3978-plmeas343.bin |
3.4.3 |
Программа ПЛОТ-3Б-1П, интерфейс USB-BULK |
plot3978-plmeas345.bin |
3.4.5 |
Программа ПЛОТ-3Б-1Р, интерфейс USB-HID |
plot550-plmeas351.bin |
3.5.1 |
Программа ПЛОТ-3Б-1П, интерфейс USB-HID |
plot550-plmeas353.bin |
3.5.3 |
Результаты опробования положительные, если явных видимых нарушений не обнаружено.
-
8.3 Определение метрологических характеристик.
-
8.3.1 Определение абсолютной погрешности канала измерения плотности исполнения плотномеров модификаций ПЛОТ-3М, ПЛОТ-3Б или ПЛОТ-3Б-2 с диапазоном измерения плотности от 420 до 700 кг/м3.
-
8.3.1.1 Установить плотномер в приспособление У3-ДПТ-Б (У3-ПТВ) (приложения И, К). Внутренняя полость приспособления и чувствительный элемент плотномера должны быть предварительно промыты растворителем и высушены. Поместить приспособление с установленным плотномером в вытяжной шкаф. Выполнить подключения фитингов поршневого баллона постоянного давления к фиттингам приспособления У3-ДПТ-Б (У3-ПТВ). Подключить подающие трубопроводы редуктора баллона с сжатым азотом к газовому клапану поршневого баллона. Задать на редукторе баллона с азотом давление выходящего газа
-
-
-
1,4 МПа. Подключить подающий трубопровод измерительной ячейки анализатора DMA HP к верхнему выпускному клапану приспособления. Открыть выпускной клапан секции жидкого газа поршневого баллона и полностью заполнить внутреннюю полость приспособления, подводящих трубопроводов и измерительную ячейку анализатора DMA HP жидкой фазой газа. Контроль полноты заполнения произвести приоткрыв запорный клапан выводящего трубопровода измерительной ячейки анализатора DMA HP. При этом через клапан должна выходить жидкая фаза газа.
ВНИМАНИЕ! Заполнение и выпуск газа из приспособления должен выполняться только в вытяжном шкафу при включенной вытяжной вентиляции.
ВНИМАНИЕ! Пары пропана чрезвычайно огнеопасны, вдыхание паров может принести вред здоровью. Пары могут самовоспламениться.
После заполнения полостей закрыть все клапаны.
-
8.3.1.2 Перед проведением измерений выдержать заполненное жидкой фазой газа приспособление с установленным плотномером не менее 1 (одного) часа при температуре окружающего воздуха.
-
8.3.1.3 Включить питание плотномера и анализатора DMA HP. После выдержки не менее 10 мин. зафиксировать показания давления газа по данным преобразователя давления, температуры газа по данным термометра приспособления. Задать температуру измерений анализатора DMA HP, соответствующую температуре газа в приспособлении по данным термометра. После установления заданной температуры зафиксировать показания плотности жидкой фазы газа по данным анализатора DMA HP.
-
8.3.1.4 При поверке плотномеров модификаций ПЛОТ-3М, ПЛОТ-3Б или ПЛОТ-3Б-2 исполнения R и модификаций ПЛОТ-3Б-1П и ПЛОТ-3Б-1Р установить режим "Измерение". Списать с экрана дисплея компьютера (индикатора плотномера) измеренное значение плотности жидкости ри и измеренное значение температуры жидкости ta. Результаты измерений записать протокол испытаний по форме приложения Е.
-
8.3.1.5 При поверке модификаций плотномера ПЛОТ-3М, ПЛОТ-3Б или ПЛОТ-3Б-2 с аналоговым выходным сигналом (исполнение T) при помощи вольтметра измерить напряжение на магазинах сопротивления М1, М2, М3. Результаты измерений при контроле метрологических характеристик записывать в протокол испытаний по форме приложения Е.
Выключить питание плотномера.
Зафиксировать показания давления газа по данным преобразователя давления, температуры газа по данным термометра термометра приспособления после окончания измерений. Задать температуру измерений анализатора DMA HP, соответствующую температуре газа в приспособлении по данным термометра. После установления заданной температуры зафиксировать показания плотности жидкой фазы газа по данным анализатора DMA HP.
Включить вытяжную вентиляцию. Отсоединить подающий трубопровод измерительной ячейки от верхнего клапана приспособления. Открыть верхний выпускной клапан приспособления и медленно, избегая сильного понижения температуры и образования льда выпустить газ в вытяжное устройство.
ВНИМАНИЕ! Заполнение и выпуск газа из приспособления должен выполняться только в вытяжном шкафу при включенной вытяжной вентиляции.
ВНИМАНИЕ! Пары пропана чрезвычайно огнеопасны, вдыхание паров может принести вред здоровью. Пары могут самовоспламениться.
-
8.3.1.6 Заполнить приспособление с установленным плотномером жидкостью №2 при температуре (20 ± 5) °С и выдержать при температуре окружающего воздуха в течение 1 часа.
Примечание. После удаления из приспособления сжиженного пропана допускается промывку и просушку внутренней полости приспособления не выполнять.
-
8.3.1.7 Включить питание плотномера. После выдержки не менее 10 мин. зафиксировать показания температуры жидкости по данным термометра лабораторного электронного ЛТ-300.
-
8.3.1.8 При поверке плотномеров модификаций ПЛОТ-3М, ПЛОТ-3Б или ПЛОТ-3Б-2 исполнения R и модификаций ПЛОТ-3Б-1П и ПЛОТ-3Б-1Р установить режим "Измерение". Списать с экрана дисплея компьютера (индикатора изделия) измеренное значение плотности жидкости ри и измеренное значение температуры жидкости ta. Результаты измерений записать протокол испытаний по форме приложения Е.
-
8.3.1.9 При поверке плотномеров модификаций ПЛОТ-3М, ПЛОТ-3Б или ПЛОТ-3Б-2 с аналоговым выходным сигналом (исполнение Т) при помощи вольтметра измерить напряжение на магазинах сопротивления М1, М2, М3. Результаты измерений при контроле метрологических характеристик записывать в протокол испытаний по форме приложения Е.
Выключить питание плотномера.
Зафиксировать показания температуры жидкости по данным термометра лабораторного электронного ЛТ-300 изделия после окончания измерений.
-
8.3.1.10 Слить жидкость из приспособления в емкость для хранения жидкости. В процессе слива жидкости из приспособления отобрать пробу жидкости в количестве не менее 50 см3.
-
8.3.1.11 Промыть датчик и приспособление в соответствии с требованиями п.п. 7.4 настоящей методики поверки.
-
8.3.1.12 Выполнение измерений плотности эталонным лабораторным анализатором.
-
8.3.2 Поверка каналов измерений плотности исполнений плотномеров с диапазонами измерения плотности (630 - 1100) кг/м3 и (950 - 1600) кг/м3.
-
8.3.2.1 Для проведения поверки датчики плотномеров модификаций ПЛОТ-3Б, ПЛОТ-3Б-2 ПЛОТ-3Б-1П или ПЛОТ-3Б-1Р поместить в полипропиленовый стакан в соответствии с Приложением Д.
-
8.3.2.2 Для проведения поверки модификации ПЛОТ-3М на фланец изделия установить технологическую заглушку в соответствии с Приложением Г.
-
8.3.2.3 Заполнить полипропиленовый стакан с датчиком или корпус плотномера модификации ПЛОТ-3М с установленной заглушкой первой поверочной жидкостью (№2 или №3 в соответствии с таблицей №3 или таблицей №4) при температуре (20 ± 5) °С и выдержать при температуре окружающего воздуха в течение 1 часа.
-
8.3.2.4 Выполнить измерения в соответствии с методикой, изложенной в пп.7.3.1.7-
-
-
7.3.1.12 настоящей Методики поверки.
-
8.3.2.5 Заполнить полипропиленовый стакан с датчиком или корпус плотномера модификации ПЛОТ-3М с установленной заглушкой второй поверочной жидкостью (№2 или №3 в соответствии с таблицей №3 или таблицей №4) при температуре (20 ± 5) °С и выдержать при температуре окружающего воздуха в течение 1 часа.
-
8.3.2.6 Выполнить измерения в соответствии с методикой, изложенной в пп.8.3.1.7-
-
8.3.1.12 настоящей Методики поверки.
-
8.3.3 Поверка канала измерения вязкости.
-
8.3.3.1 Заполнить полипропиленовый стакан с датчиком плотномера модификации ПЛОТ-3Б, ПЛОТ-3Б-2 ПЛОТ-3Б-1П или ПЛОТ-3Б-1Р или корпус плотномера модификаций ПЛОТ-3М с установленной заглушкой первой поверочной жидкостью (№5) в соответствии с таблицей №5 при температуре (20 ± 5) °С и выдержать при температуре окружающего воздуха в течение 1 часа.
-
8.3.3.2 Включить питание плотномера. После выдержки не менее 10 мин. зафиксировать показания температуры жидкости по данным термометра лабораторного электронного ЛТ-300.
-
8.3.3.3 При поверке плотномеров модификаций ПЛОТ-3М, ПЛОТ-3Б или ПЛОТ-3Б-2 исполнения R и модификаций ПЛОТ-3Б-1П и ПЛОТ-3Б-1Р установить режим "Измерение". Списать с экрана дисплея компьютера (индикатора изделия) измеренное значение вязкости жидкости vи и измеренное значение температуры жидкости tn. Результаты измерений записать протокол испытаний по форме приложения Е.
-
8.3.3.4 При поверке плотномеров модификаций ПЛОТ-3М, ПЛОТ-3Б или ПЛОТ-3Б-2 с аналоговым выходным сигналом (исполнение T) при помощи вольтметра измерить напряжение на магазинах сопротивления М2, М3. Результаты измерений при контроле метрологических характеристик записывать в протокол испытаний по форме приложения Е.
-
Выключить питание плотномера.
Зафиксировать показания температуры жидкости по данным термометра лабораторного электронного ЛТ-300 после окончания измерений.
-
8.3.3.5 Слить жидкость из приспособления в емкость для хранения жидкости. В процессе слива жидкости из приспособления отобрать пробу жидкости в количестве не менее 50 см3.
-
8.3.3.6 Промыть и просушить датчик или корпус плотномера модификации ПЛОТ-3М в соответствии с требованиями пп. 7.4 настоящей методики поверки.
-
8.3.3.7 Выполнить измерение вязкости отобранной пробы жидкости эталонным лабораторным анализатором вязкости SVM-3000 в соответствии с требованиями руководства по эксплуатации, при температуре, определенной по формуле 1, п. 8.1 настоящей методики поверки. (Допускается выполнять измерения вязкости с применением стеклянных капиллярных вискозиметров типа ВПЖ в соответствии с методикой ГОСТ 33)
-
8.3.3.8 Выполнить измерения вязкости поверочных жидкостей №6 и №7 в соответствии с п.п.8.3.3.1-8.3.3.7 настоящей методики поверки.
где р и, р д - значения плотности жидкости, по данным поверяемого плотномера и эталонного лабораторного плотномера соответственно;
где v и, v д - значения вязкости жидкости, по данным поверяемого плотномера и анализатора SVM-300 (или измеренное по ГОСТ33) соответственно;
v макс- максимальное значения вязкости (200 мм2/с)
где t и, t д - значения температуры жидкости, по данным поверяемого плотномера и эталонного термометра лабораторного электронного ЛТ-300 соответственно;
Результаты вычислений записать в протокол по форме приложения Е.
9.2 Обработку результатов измерения для плотномеров модификаций ПЛОТ-3М, ПЛОТ-3Б или ПЛОТ-3Б-2 с аналоговым выходным сигналом (исполнение Т) проводить следующим образом: 9.2.1 Рассчитать измеренное плотномером значение плотности жидкости по формуле: U1р р = р н + (---------0,25) х (р в - р н), [кг/м3]; (4)
8
где р р - измеренное значение плотности жидкости, [кг/м3];
р н, р В - нижнее и верхнее граничные значения калиброванного диапазона измерений плотности жидкости (из паспорта на плотномер), [кг/м3];
U1 - измеренное значение напряжения на магазине сопротивления М1, [В]. Определить дополнительную погрешность измерения плотности по формуле: Др доп = ± 0,0025 х (р В - р н), [кг/м3] (5)
Определить пределы допустимой абсолютной погрешности измерения плотности с учетом дополнительной погрешности по формуле:
Лрmax = ± (0,3+ |Дрдоп|), [кг/м3]
Лрmax = ± (0,5+ |Дрдоп|), [кг/м3]
Лрmax = ± (1,0+ |Дрдоп|), [кг/м3]
исполнения
исполнения
исполнения
Определить значение абсолютной погрешности измерения плотности по формуле: Др = р Р - р Д , [кг/м3] (7)
Результаты вычислений записать в протокол по форме приложения Е.
9.2.2 Рассчитать измеренное плотномером значение температуры жидкости по формуле:
для
(6)
для
для
U2
t р = t н + (---------0,25) х (t в-t н) [°C],
(8)
8
где t р - измеренное значение температуры жидкости, °C t н,- t в - нижнее и верхнее граничные значения калиброванного диапазона измерений температуры жидкости из паспорта на плотномер, [°C];
U2 - измеренное значение напряжения на магазине сопротивления М2, [в] Определить дополнительную погрешность измерения температуры по формуле:
Дt доп = ± 0,0025 х (t в - t н), [°C]
Определить пределы допустимой абсолютной погрешности измерения температуры с учетом дополнительной погрешности по формуле:
Дt max = ± (0,2 + Д доп|),, [°C]
Определить абсолютную погрешность измерения температуры по формуле:
Результаты вычислений записать в протокол по форме приложения Е.
U3
v р = v н + (----------0,25) х ( v в - v н ) [мм2/с],
8
где v Р - измеренное значение вязкости, [мм2/с],
v н, v в - нижнее и верхнее граничные значения калиброванного диапазона измерений вязкости жидкости из паспорта на плотномер, [мм2/с],
U3 - измеренное значение напряжения на магазине сопротивления М3, [в]
Определить дополнительную погрешность измерения вязкости по формуле:
Av доп. = ± 0,0025 x ( v в - v н ), [мм2/с], (13)
Определить пределы допустимой абсолютной погрешности измерения вязкости с учетом дополнительной погрешности по формуле:
Sv max. = ± [|SVnpeg|/100*VMakc + |AVgon.|]*100/VMakc, [%] (14)
где Svmax. - максимальное значение приведенной погрешности измерения
вязкости жидкости с учетом дополнительной погрешности преобразования в токовый сигнал;
Svпред - предел приведенной погрешности измерения вязкости жидкости (1,5 или 3 %) [%];
Vмакс - верхний предел диапазона измерений вязкости жидкости (200 мм2/с) [мм2/с];
Avдоп - дополнительная погрешность измерения вязкости по формуле (13) Определить относительную приведенную погрешность измерения вязкости по формуле:
Sv = (v Р - v д)*100^макс, [%]
(15)
Результаты обработки записать в протокол по форме приложения Е.
9.3 Поверяемый плотномер модификаций ПЛОТ-3М, ПЛОТ-3Б или ПЛОТ-3Б-2 исполнения R и модификаций ПЛОТ-3Б-1П и ПЛОТ-3Б-1Р считается годным, если значения погрешностей, полученные при вычислении по формулам (1), (2) и (3) соответственно для всех точек измерений, удовлетворяют следующим требованиям:At|
AP
AP
AP
Av
Av
-
< ± 0,2 °C;
-
< ± 0,3 кг/м3 - для изделия исполнения “А”;
-
< ± 0,5 кг/м3 - для изделия исполнения “Б”;
-
< ± 1,0 кг/м3 - для изделия исполнения “В”;
-
< ± 1,5 % - для изделия исполнения “1”;
-
< ± 3,0 % - для изделия исполнения “2”.
-абсолютная погрешность измерения плотности Ap, рассчитанная по формуле (7) находится в пределах Apmax, рассчитанных по формуле (6);
-абсолютная погрешность измерения температуры At, рассчитанная по формуле 11находится в пределах At max, рассчитанных по формуле 10;
-приведенная погрешность измерения вязкости Sv, рассчитанная по формуле 15 находится в пределах Av max, рассчитанных по формуле 14.
10. ПОВЕРКА ПЛОТНОМЕРОВ МОДИФИКАЦИИ ПЛОТ-3Б и ПЛОТ-3Б-2 (только для исполнений плотномеров с диапазоном измерения плотности от 680 до 1600 кг/м3)-
10.1 Определение абсолютной погрешности канала измерения плотности модификации ПЛОТ-3Б и ПЛОТ-3Б-2 на месте эксплуатации производят методом сличения показаний поверяемого плотномера с результатом измерения плотности отобранной пробы жидкости, полученным на лабораторном анализаторе плотности с пределами абсолютной погрешности измерения плотности не более ± 0,1 кг/м3.
При проведении поверки выполняют следующие операции:
Наименование операции |
Номер пункта методики поверки |
Опробование |
10.7.1 |
Определение метрологических характеристик: |
10.7.2 |
Обработка результатов измерений |
10.7.3 |
При получении отрицательного результата при проведении любой из операций, поверка должна быть прекращена.
10.3 СРЕДСТВА ПОВЕРКИПри проведении поверки применяют следующие средства поверки:
10.3.1Плотномер ПЛОТ-3Б-1П-20А-15 АУТП.414122.006 ТУ с пределами допускаемой погрешности измерений плотности не более ± 0,3 кг/м3 в диапазоне плотности от 680 до 1010 кг/м3 и с пределами допускаемой погрешности измерений температуры не более ± 0,2 ° С в диапазоне температур от 5 до 35 °С. 10.3.2 Плотномер ПЛОТ-3Б-1П-30А-15 АУТП.414122.006 ТУ с пределами допускаемой погрешности измерений плотности не более ± 0,3 кг/м3 в диапазоне плотности от 950 до 1600 кг/м3 и с пределами допускаемой погрешности измерений температуры не более ± 0,2 ° С в диапазоне температур от 5 до 35 °С.-
10.3.3 Лабораторный анализатор плотности с пределами абсолютной погрешности измерения плотности не более ± 0,1 кг/м3, в диапазоне измерения плотности от 630 кг/м3 до 1600 кг/м3;
-
10.3.4 Термометр лабораторный электронный ЛТ-300 (погрешность измерения температуры ± 0,05 0С).
-
10.3.5 Для промывки и просушки плотномера ПЛОТ-3Б-1П используют следующие приборы и материалы:
-
□ промывочные жидкости: спирт этиловый ректификованный технический по ГОСТ 18300, нефрас по ГОСТ 8505 или бензин-растворитель для резиновой промышленности по ТУ 38-401-67-108-92;
-
□ стакан Н-1-1000 (800) ПП (без шкалы);
-
□ пылесос (фен) электрический бытовой или источник сухого сжатого воздуха;
-
□ салфетки хлопчатобумажные, ветошь.
-
10.3.6 Все средства поверки должны иметь действующие свидетельства о поверке.
-
10.3.7 Допускается применение других средств поверки с аналогичными или лучшими характеристиками, типы которых утверждены.
-
10.5.1 При проведении поверки соблюдают следующие условия:
от 5 до 35; от 5 до 35;
от 15 до 35; до 100 без конденсации;
от 30 - 80 .
-□ температура окружающего воздуха, °С
-
- □ температура измеряемой среды, °С
-
- температура в помещении, где проводят измерения плотности отобранной пробы жидкости на лабораторном анализаторе плотности, а также промывку, продувку воздухом плотномера ПЛОТ-3Б-1П, °С
-
- относительная влажность окружающего воздуха,%
-
- атмосферное давление от 86 до 106 кПа.
-
10.6.1 В соответствии с монтажным чертежем, или по другим данным, устанавливают уровень установки плотномера ПЛОТ-3Б или датчика плотномера модификации ПЛОТ-3Б-2 в резервуаре.
-
10.6.2 В резервуар на тот же уровень погружают датчик плотномера ПЛОТ-3Б-1П АУТП.414122.006 ТУ.
Проверяют прохождение информационных сигналов из поверяемого плотномера на устройство отображения информации (УОИ) и достоверность прочитанных мгновенных значений плотности и температуры жидкости. При измерении плотности жидкости вычисляют среднее значение плотности жидкости в резервуаре за назначенный интервал времени (2 минуты) и оценивают его достоверность. Разница между максимальным и минимальным значением по плотности не должна превышать ± 0,2 кг/м3. Разница между максимальным и минимальным значением по температуре не должна превышать ± 0,1 °С.
Вычисляют разницу показаний по температуре с эталонного и поверяемого плотномера, которая не должна превышать ± 0,4 °С. При большей разнице необходимо приблизить эталонный плотномер к испытуемому, если после приближения разница показаний превышает ± 0,4 °С, то поверку прекратить.
10.7.2. Определение метрологических характеристик
-
10.7.2.1 Отобрать точечную пробу контролируемой жидкости из резервуара с уровня установки плотномера ПЛОТ-3Б или датчика ПЛОТ-3Б-2, ± 0,1 м. Пробу отбирать по возможности максимально ближе по горизонтали к поверяемому плотномеру. Объем отбираемой пробы не менее 2 дм3. При отборе пробы соблюдают требования ГОСТ2517 к отбору точечных проб из резервуаров. В момент отбора пробы зафиксировать и записать в протокол поверки показания плотности, кинематической вязкости и температуры жидкости по данным поверяемого ПЛОТ-3. В течении 5-ти минут после извлечения контейнера с пробой на поверхность измерить температуру контролируемой жидкости в пробе термометром ЛТ-300. Показания термометра записать в протокол поверки. После окончания измерений температуры перелить жидкость из пробоотборника в лабораторную стеклянную посуду с герметичной крышкой, крышку закрыть. Вместимость посуды должна соответствовать требованиям Руководств по эксплуатации на эталонный лабораторный плотномер и на лабораторный анализатор вязкости SVM3000 к количеству образца для измерений. При заполнении посуды жидкостью в посуде не должно остаться воздушного пространства для исключения испарения легких фракций.
-
10.7.2.3 В соответствии с требованиями Руководства по эксплуатации на лабораторный анализатор вязкости SVM3000 установить температуру измерений, соответствующую измеренному значению температуры отобранной пробы и выполнить измерение кинематической вязкости жидкости.
-
10.7.3 Обработка результатов измерений
-
10.7.3.1 Абсолютную погрешность плотномера исполнения R при измерении температуры определяют по формуле:
At = tn-tir) (16)
где At- абсолютная погрешность измерения температуры, °С;
ta - температура в момент отбора пробы по данным поверяемого плотномера, °С; tm - температура в отобранной пробе по данным эталонного плотномера, °С;
-
10.7.3.2 Абсолютную погрешность плотномера исполнения R при измерении плотности определяют по формуле:
Ар = ри - риэ (17)
где Ар - абсолютная погрешность измерения плотности, кг/м3;
ри - значение плотности при температуре отбора пробы по данным поверяемого плотномера, кг/м3,
риэ - значение плотности при температуре отбора пробы по данным эталонного плотномера, кг/м3,
-
10.7.3.3 Абсолютную погрешность плотномера исполнения R при измерении кинематической вязкости определяют по формуле:
Av = vи - уиэ (17)
где Av - абсолютная погрешность измерения кинематической вязкости, мм2/с;
ри - значение кинематической вязкости при температуре отбора пробы по данным поверяемого плотномера, кг/м3,
уиэ - значение кинематической вязкости при температуре отбора пробы по данным
эталонного анализатора вязкости SVM3000, мм2/с;
10.7.3.4 Результаты заносят в протокол поверки (по форме приложения Е).-
10.7.3.6 Абсолютная погрешность измерения температуры, рассчитанная по формуле (16 ) для каждого измерения при поверке, не должна превышать ± 0,2 °С.
-
10.7.3.7 Абсолютная погрешность измерения плотности плотномером, исполнения R рассчитанная по формуле (17) для каждого измерения плотности при поверке, не должна превышать значений, указанных в п. 9.3 настоящей методики поверки.
-
10.7.3.8 Относительная погрешность измерений вязкости не должна превышать пределов, указанных в п. 9.3 настоящей методики поверки.
-
10.7.3.5 Обработку результатов измерения для плотномеров модификаций ПЛОТ-3М, ПЛОТ-3Б или ПЛОТ-3Б-2 с аналоговым выходным сигналом (исполнение Т) выполняют в соответствии с п.9.2 настоящей методики поверки.
-
10.7.3.8 Абсолютная погрешность измерения плотности, вязкости и температуры плотномером с аналоговым выходным сигналом (исполнения Т), рассчитанная в соответствии с алгоритмом п. 9.2 настоящей методики поверки не должна превышать значений, указанных в п. 9.4 настоящей методики поверки
- оформляют свидетельство в соответствии с ПР 50.2.006;
- оформляют запись в паспорте плотномера в таблице “Данные о поверке поверочными органами” и удостоверяют ее клеймом поверителя;
11.2 При отрицательных результатах поверки плотномер к дальнейшему применению не допускают, свидетельство аннулируют и выдают извещение о непригодности в соответствии с ПР 50.2.006, оформляют запись в паспорте о непригодности изделия и гасят клеймо поверителя.Схема электрическая соединений плотномера исполнения R при поверке

Цепь |
Цв£Т |
DATA- |
Белый |
DATA + |
Желт. |
+ 2IB |
Зел. |
Обш |
Сорим. |
Конт |
Цепь |
4 |
Usx 1-3 |
з |
Usx.l-l |
2 |
+ Unin |
1 |
О&Ц |
Цепь |
Конт |
Ubnx.I-2 |
7 |
Usbixl-I |
S |
+ UnwT |
5 |
Общ |
6 |
Цепь |
Конт |
RxD |
2 |
TxD |
3 |
GND |
5 |
DTR |
4 |
DSR |
6 |
RTS |
7 |
CTS |
в |
Цепь |
Конт |
DATA - |
I |
DATA + |
2 |
+ Ilnur |
3 |
Общ |
4 |
X1 X4 - клеммники EK500V-02P
Х5 - клеммник ЕК500А-04Р
Схема электрическая соединений
плотномера ПЛОТ-3 * -Т с адаптером АД-5 при поверке
АД- 5 “ПЛОТ-3”
Х2
220 В, 50 Гц
Х1
М1
М2
М3

« I1,I2, I3»
Конт. |
Цепь |
1 |
I1+ |
2 |
I - |
3 |
I 2+ |
4 |
I - |
5 |
I 3+ |
6 |
I - |
7 | |
8 |
+ 24 В |
9 |
Общ. |
Цепь |
Конт |
D+ |
1 |
D- |
2 |
3 | |
4 | |
5 | |
Контроль |
6 |
+ 15 В |
7 |
8 | |
GND |
9 |

Х3
«ППЭВМ»
Цепь |
Конт. |
1 | |
RxD |
2 |
TxD |
3 |
4 | |
GND |
5 |
7 | |
8 | |
9 |
Конт |
Цепь |
3 |
Uex 1-1 |
4 |
Uex 1-2 |
2 |
U пт |
1 |
Общ. |
БАСТИОН-4
Цепь |
Конт |
U вых 1-1 |
8 |
U вых 1-2 |
7 |
U пит |
5 |
Общ. |
6 |
ПЛОТ-3
Цепь |
Конт |
D- |
1 |
D+ |
2 |
+ U п |
3 |
Общ. |
4 |
4
Х1 ... Х3- розетка DB-9F
М1, М2, М3 - магазины сопротивлений МСР - 60 (сопротивления нагрузки (500,00 Ом) токовых сигналов по плотности, температуре и вязкости, соответственно)
Схема электрическая соединений
* -Т с адаптером АД-5М при поверке
плотномера ПЛОТ-3

М1, М2, М3 - магазины сопротивлений МСР - 60 (сопротивления нагрузки (500,00 Ом) токовых сигналов по плотности, температуре и вязкости, соответственно)
Заполнение изделия ПЛОТ-3М жидкостью при проведении поверки

Установка изделий ПЛОТ-3Б, ПЛОТ-3Б-1 П и ПЛОТ-3Б-1Р при поверке
Датчик ДПТ-Б-2 изделия ПЛОТ-3Б-1П,
ПЛОТ-3Б-1Р или плотномер ПЛОТ-3Б
штатив
Уровень жидко
сти
Полипропиленовый стакан
ПРИЛОЖЕНИЕ ЕПРОТОКОЛ
первичной периодической поверки плотномера №______________
нужное подчеркнуть от __ __________ 20___ г.
-
1 Тип плотномера ПЛОТ-3 ____________ зав. №_________________
Адаптер АД-5___ зав. №_________________
-
2 Условия поверки:
-температура окружающей среды______________°С
-относительная влажность воздуха __________%
-атмосферное давление ___________________кПа
-
3 Поверочная жидкость ____________ ГОСТ (ТУ) ____________________
-
4 Поверочная жидкость ____________ ГОСТ (ТУ) ____________________
-
5 Поверочная жидкость ____________ ГОСТ (ТУ) ____________________
-
6 Внешний осмотр.
Плотномер соответствует (не соответствует) требованиям методики п. 0
6 Опробование
Плотномер соответствует требованиям (не соответствует) методики п. 0
-
7 Результаты измерений и обработки результатов измерений
Жид кость
Ui
ри
рд
Ар
Ард
U2
tu
tg
At
Atg
U3
vu
vg
5v
5vg
В
кг/м3
В
°С
В
мм2/с
%
Заключение:
Плотномер ______________требованиям п. ___ методики поверки и признан годным к
эксплуатации
Поверитель _______________/____________________
“______”________________ 20 г.
м.п.
ПРИЛОЖЕНИЕ ЖУстановка плотномера ПЛОТ-3М в приспособление У3-ПТВ



Приспособление ЧЗ-ПТВ


I
Сжатый газ азот

DMA 5000
= 315.321 кг/м3 = 52 32 0С

У3-ПТВ
(У3 ДПТ-Б)
26