Методика поверки «Корректоры объема газа температурные ГЕЛИОС-Т» (СТРА.408843.001 МП)
СОГЛАСОВАНО:
УТВЕРЖДАЮ:
Заместитель генерального директора по метрологии Ф^У «Ростовский ЦСМ»

ВА. Романов
ООО «НПЦ <
А.А. Воробьев
09
2015г.
Корректоры объема газа температурные «ГЕЛИОС-Т»
МЕТОДИКА ПОВЕРКИ
СТРА.408843.001 МП л р-А5 10Ь*(.£> г. Санкт-Петербург 2015г.
Настоящая методика поверки распространяется на корректоры объема газа температурные «ГЕЛИОС-Т» (в дальнейшем - корректоры) и устанавливает методы и средства их поверки.
Поверка корректоров проводится поэлементно.
Межповерочный интервал - 4 года.
1 Операции поверки
При проведении поверки корректора должны быть выполнены операции указанные в
таблице 1.1;
Таблица 1.1
Наименование операции |
Номер пункта методики поверки |
Первичная поверка |
Периодическая поверка |
поверка вычислителя |
б |
+ |
+ |
поверка термометра сопротивления |
7 |
+ |
+ |
проверка комплектности корректора |
8 |
+ |
+ |
оформление результатов поверки корректора |
9 |
+ |
+ |
2 Средства поверки
При проведении поверки рекомендуется применять средства измерений и вспомогательное оборудование, указанные в таблице 2.1:
Таблица 2,1 - Оборудования, используемое при поверке усилителя
Наименование средств поверки |
Основные технические характеристики |
Пункты методики поверки |
магазин сопротивлений Р4831 |
(0- 1106) Ом, кл 0,02 |
6 |
Термометр сопротивления платиновый эталонный ПТС-10М |
от минус 196 до плюс 660 °C, 1 разряд |
7 |
Термостат нулевой TH 12,0 °C |
ПГ ±0,02 °C |
7 |
Термостат жидкостный прецизионный переливного типа ТПП-1 |
от минус 75 до плюс 300 °C, ПГ ±0,01 °C |
7 |
Измеритель-регулятор температуры многоканальный прецизионный МИТ 8 |
от минус 200 до плюс 625 °C, ПГ ±0,0035 °C |
7 |
Мегаомметр М 4100 |
от 0 до 25000 МОм, ПГ ±10 % |
7 |
переключатель кнопочный с нормально-разомкнутыми контактами без фиксации |
- |
6 |
персональный компьютер и программное обеспечение «Gel i os» |
- |
6,7 |
Примечания
|
-
3 Требования безопасности
-
3.1 При поверке необходимо соблюдать правила эксплуатации электроустановок и требования эксплуатационной документации на поверяемые и применяемое оборудование.
-
3.2 Лица, допускаемые к поверке усилителей, должны быть ознакомлены с руководством по эксплуатации на поверяемое оборудование и на средства поверки.
-
3.3 Перед поверкой средства измерений, которые подлежат заземлению, должны быть надежно заземлены. Подсоединение зажимов защитного заземления к контуру заземления должно производиться ранее других соединений, а отсоединение - после всех отсоединений.
-
-
4 Условия поверки
Если не оговорено иное, то условия поверки должны соответствовать:
-
- температура окружающего воздуха, °C 20 ± 5;
-
- относительная влажность воздуха, не более, % 95;
-
- атмосферное давление, кПа 84 -106,7;
-
5 Подготовка к проведению поверки
Перед проведением поверки необходимо выполнить следующие операции:
-
- подготовить средства поверки к проведению измерений в соответствии с их эксплуатационной документацией;
-
- проверить наличие действующих свидетельств о поверке на средства поверки.
-
6 Поверка вычислителя
После ремонта или замены термометра сопротивления операция поверки вычислителя может не выполняться (на усмотрение пользователя).
-
6.1 При проведении поверки должны быть выполнены следующие операции:
-
- внешний осмотр (2.4.1);
-
- опробование (2.4.2);
-
- определение метрологических характеристик (2.4.3);
-
- оформление результатов поверки (2.4.4).
-
6.2 Условия проведения поверки и подготовки к ней
-
6.2.1 При проведении поверки должны быть соблюдены следующие условия:
-
-
- температура окружающего воздуха, °C 20 ± 5;
-
- относительная влажность воздуха, не более, % 95;
-
- атмосферное давление, кПа 84-106,7;
-
- отсутствие механической вибрации и переменных магнитных полей напряженностью более 400 А/м.
-
6.2.2 Подготовка средств поверки и оборудования должна быть выполнена в соответствии с их эксплуатационными документами.
-
6.2.2.1 Подготовка корректоров модификации 1.
-
При подготовке должны быть выполнены следующие операции:
-
- снимите верхнюю крышку корпуса вычислителя, открутив крепежные винты;
-
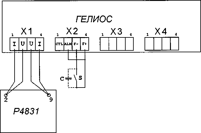
- соберите схему поверки корректоров согласно рисунку А1 приложения А;
-
- подключите к вычислителю компьютер, войдите в режим редактирования параметров настройки вычислителя и установите значения параметров в соответствии с таблицей 1.
Примечание - Схема подключения компьютера, порядок установки режима редактирования
и значений параметров настройки приведены в руководстве по эксплуатации корректора. Таблица 1
Параметр |
Значение параметра |
Количество параметров индикации (п) |
8 |
Начальное значение объема в рабочих условиях (V), м3 |
0 |
Начальное значение объема в стандартных условиях (Vc), м3 |
0 |
Давление газа (Р), бар |
1,600 |
Барометрическое давление (Рб), бар |
1,000 |
Коэффициент сжимаемости (К) |
0,700 |
Вес импульса (В), м3 |
100 |
-
- после завершения установки значений параметров выйдите из режима редактирования.
-
6.2.2.2 Подготовка корректоров модификации 2.
При подготовке должны быть выполнены следующие операции:
-
- соберите схему поверки корректоров согласно рисунку А2 приложения А;
-
- подключите к вычислителю компьютер и установите вычислитель в режим поверки.
Примечание - Схема подключения компьютера приведена в руководстве по эксплуатации корректора, порядок установки режима поверки приведен в описании программного обеспечения «Gelios».
-
6.2.3 При проведении поверки должны соблюдаться требования безопасности, приведенные в эксплуатационной документации применяемых средств поверки и оборудования.Средства поверки
-
6.3 При проведении поверки должны применяться следующие средства поверки и оборудование:
-
- магазин сопротивлений Р4831, диапазон сопротивлений (0 - 106) Ом, класс точности 0,02;
-
- переключатель кнопочный с нормально-разомкнутыми контактами без фиксации;
-
- компьютер (операционная система не ранее Windows-98) и программное обеспечение (ПО) «Gelios».
Порядок работы с ПО приведен в его описании.
Допускается применение других средств воспроизведения сопротивления, метрологические характеристики которых удовлетворяют установленным требованиям.
-
6.4 Операции поверки
-
6.4.1 Внешний осмотр.
-
При внешнем осмотре должно быть установлено соответствие вычислителя следующим требованиям:
-
- качество маркировки вычислителя с точки зрения ее правильного восприятия;
-
- отсутствие механических повреждений корпуса вычислителя, которые могут оказать влияние на его работу, и дефектов индикатора, затрудняющих считывание информации.
Вычислители, не удовлетворяющие указанным требованиям, к дальнейшему проведению поверки не допускаются.
-
6.4.2 Опробование.
При опробовании должны быть выполнены следующие операции:
-
- установите на магазине значение сопротивления, равное 442 Ом;
-
- проверьте, что представление цифр и символов на табло (индикаторе) вычислителя производится без искажений;
-
- проверьте:
-
• для модификации 1 соответствие значений параметров Р, Рб, К и В, отображаемых на табло, значениям, приведенным в таблице 1;
-
• для модификации 2 соответствие значений параметров Р, Рб, К и В, отображаемых на мониторе компьютера, значениям, приведенным в таблице 1.
Вычислители, не удовлетворяющие указанным требованиям, к дальнейшему проведению поверки не допускаются.
-
6.4.3 Определение метрологических характеристик.
-
6.4.3.1 Определение метрологических характеристик вычислителей корректоров
-
модификации 1.
При определении метрологических характеристик должны быть выполнены следующие операции:
-
- установите значение сопротивления на магазине согласно п. 1 таблицы 2 и, не ранее, чем
через 30 с, дважды (с интервалом не менее 1 с) нажмите кнопку S; Таблица 2
№ п/п |
Сопротивление магазина, Ом |
Диапазон допустимых изменений показаний | ||
температуры, °C |
объема в рабочих условиях, м3 |
объема в стандартных условиях, м3 | ||
1 |
442,00 |
-29,45...-29,65 |
200 |
881,25....886,55 |
2 |
615,06 |
59,3...59,5 |
200 |
643,18... 647,06 |
- определите, не ранее, чем через 30 с, показания вычислителя по температуре, рабочему и стандартному объемам;
-
- занесите показания вычислителя в протокол поверки (форма протокола произвольная);
-
- по указанной выше методике, предварительно установив значение сопротивления на магазине согласно п. 2 таблицы 2, определите соответствующие показания вычислителя.
-
- занесите в протокол поверки показания вычислителя по температуре и результаты измерений объемов V и Vc, которые определяются как разность текущих и предыдущих показаний соответствующих объемов.
Вычислитель считается прошедшим поверку с положительными результатами, если его показания соответствуют допустимым диапазонам изменений, указанным в таблице 2.
-
6.4.3.2 Определение метрологических характеристик вычислителей корректоров модификации 2.
Операция поверки выполняется в последовательности, предусмотренной ПО «Gelios».
При определении показаний вычислителей корректоров модификации 2 результаты измерений представляются на монитор автоматически и выводятся в виде протокола поверки на носитель принтера.
Вычислитель считается прошедшим поверку с положительными результатами, если его показания соответствуют допустимым диапазонам изменений, указанным в таблице 2.
-
6.4.4 Оформление результатов поверки.
Результаты поверки оформляют протоколом поверки с обязательным указанием результата поверки: соответствует/несоответствует.
Вычислитель пломбируется путем нанесение оттиска поверительного клейма на пломбировочную мастику. Место пломбирования указано в 5.4 руководства по эксплуатации корректоров.
-
7 Поверка термометра сопротивления
Поверка термометра сопротивления проводится согласно ГОСТ 8.461-2009.
Примечания.
-
1. При проведении первичной поверки корректора при выпуске из производства операция не выполняется, если корректор укомплектован поверенным термометром.
-
2. После ремонта или замены вычислителя операция поверки термометра может не выполняться (на усмотрение поверителя).
-
8 Проверка комплектности корректора
При выполнении операции поверки должно быть установлено:
-
- наличие документа, подтверждающего поверку термометра (паспорта или свидетельства о поверке);
-
- соответствие характеристик термометра следующим требованиям: номинальная статическая характеристика Pt500 (а=0,00385 °C'1 по ГОСТ Р 8.625-2006 или Wioo=l,385 по ГОСТ 6651-2009), класс допуска любой, кроме класса С;
-
- соответствие заводского номера корректора, указанного на вычислителе, и заводского номера термометра, указанного в его паспорте (при его наличии, иначе указанного в его свидетельстве о поверке) номерам, указанным в паспорте (при его наличии) корректора;
Примечание - При отсутствии паспорта корректора номера корректора (вычислителя) и термометра указывают в свидетельстве о поверке корректора.
Корректор считается прошедшим поверку с положительными результатами, если его комплектность соответствует установленным требованиям.
-
9 Оформление результатов поверки корректора.
Корректор считается прошедшим поверку с положительными результатами, если выполнены требования разделов 2-4 настоящей методики.
Положительные результаты поверки оформляют соответствующей записью в паспорте корректора, при отсутствии паспорта выдают свидетельство о поверке в установленной форме. Датой текущей поверки корректора является наиболее ранняя дата поверки его составной части: вычислителя или термометра сопротивления.
При отрицательных результатах поверки хотя бы одной составной части корректора или при несоответствии комплектности корректора требованиям раздела 4 выдают извещение о непригодности корректора к применению с указанием причины несоответствия.
Приложение А (Обязательное)

Рисунок А1. Схема поверки вычислителя корректоров модификации 1.

Рисунок А2. Схема поверки вычислителя корректоров модификации 2.
Примечание - Конденсатор С (неэлектролитический, емкостью 0,1 - 0,15 мкФ) подключается в случае, если при замыкании переключателя S наблюдается эффект «дребезга» контактов.
6