Методика поверки «РАСХОДОМЕРЫ СЧЕТЧИКИ ЭЛЕКТРОМАГНИТНЫЕ PCM - 05» (МП. МН 789-2001)
СИСТЕМА ОБЕСПЕЧЕНИЯ РЕСПУБЛИКИ
ЕДИНСТВА ИЗМЕРЕНИЙ БЕЛАРУСЬ


РАСХОДОМЕРЫ - СЧЕТЧИКИ
ЭЛЕКТРОМАГНИТНЫЕ
Р С М - 0 5 Методика поверки МП. МН 789-2001(Взамен МП.МН 789 - 2000)
Разработчик:
Начальник технического ueHipa
ООО «АРВАС», к.т.н.

В.И. Бакаленко
« _____2001 г.

Содержание
Вводная часть..............................................................................................
-
5 Условия поверки........................................................................................
-
6 Подготовка к поверке..................................................................................
-
7 Проведение поверки....................................................................................
Приложение А (обязательное) Схемы подключения расходомеров
Приложение Б (обязательное) Принципиальная электрическая схема
Приложение В (рекомендуемое) Формы протоколов поверки расходомеров
Приложение Г (справочное) Последовательность операций при проведении поверки.....
Приложение Д (справочное) Места клеймения и пломбирования расходомеров
Библиография

Вводная часть
Настоящая методика поверки (далее - МП) распространяется на расходомеры-счетчики электромагнитные РСМ-05 (далее - расходомеры), изготавливаемые СООО «АРВАС» по ТУ РБ 14746967.040-99 и устанавливает методы и средства их первичной, периодической и внеочередной поверок.
МП разработана в соответствии с ТКП 8.003.
Расходомеры предназначены для измерения расхода и (или) объема электропроводных жидкостей (питьевой воды, жидких пищевых продуктов) в системах автоматического контроля, управления и учета воды и теплоносителя.
В состав расходомеров входят:
-
- электромагнитный первичный преобразователь расхода (далее - ППР);
-
- промежуточный преобразователь микропроцессорный (далее - ППМ);
-
- по заказу термопреобразователь сопротивления (далее - ТС) или комплект ТС.
В состав расходомеров РСМ-05.05С, РСМ-05.05СМ, РСМ-05.07 и РСМ-05.07М термопреобразователи сопротивления не входят.
В МП приняты следующие сокращения:
Qi - наименьшее значение расхода, при котором погрешность расходомера не превышает максимальные допускаемые значения;
Q2 - наибольшее значение расхода в интервале между постоянным и минимальным значениями расхода, при котором диапазон расхода разделяется на две области: верхнюю и нижнюю, каждая из которых характеризуется собственным значением границ максимальной допускаемой погрешности;
Q3 - наибольшее значение расхода в нормированных условиях эксплуатации, при котором расходомер работает в пределах максимальной допускаемой погрешности.
При применении в сфере законодательной метрологии расходомеры подлежат обязательной первичной государственной поверке при выпуске из производства, периодической поверке при эксплуатации или хранении через установленные межповерочные интервалы, а также внеочередной поверке после ремонта.
Межповерочный интервал - не более 48 месяцев.
Межповерочный интервал при применении в сфере законодательной метрологии в Республике Беларусь - не более 48 месяцев.
1 Нормативные ссылки
В настоящей МП использованы ссылки на следующие технические нормативные правовые акты в области технического нормирования и стандартизации (далее - ТИПА):
ТКП 8.003-2011 Система обеспечения единства измерений Республики Беларусь. Поверка средств измерений. Правила проведения работ
ТКП 181-2009 Правила технической эксплуатации электроустановок потребителей
ТКП 427-2012 Правила техники безопасности при эксплуатации электроустановок
ГОСТ EN 1434-1-2018 Теплосчетчики. Часть 1. Общие требования
ГОСТ ISO 4064-1-2017 Счетчики холодной и горячей воды. Часть 1. Метрологические и технические требования
ГОСТ 8.461-2009 Государственная система обеспечения единства измерений. Термопреобразователи сопротивления из платины, меди и никеля. Методика поверки
ГОСТ 6651-2009 Государственная система обеспечения единства измерений. Термопреобразователи сопротивления из платины, меди и никеля. Общие технические требования и методы
испытаний
ГОСТ 23737-79 Меры электрического сопротивления. Общие технические

уу > •£?
//Отдел
/ Rx»»«eatow \ ■
! ивфвр-'*®®’®*.. h
Примечание - При пользовании настоящей МП целесообразно проверить действие ТИПА по каталогу, составленным по состоянию на 1 января текущего года, и по соответствующим информационным указателям, опубликованным в текущем году. Если ссылочные ТИПА заменены (изменены), то при пользовании настоящей МП следует руководствоваться замененными (измененными) ТИПА. Если ссылочные ТИПА отменены без замены, то положение, в котором дана ссылка на них, применяется в части, не затрагивающей эту ссылку.
2 Операции поверки
2.1 При проведении поверки выполняют операции, указанные в таблице 1. Таблица 1 - Операции поверки
Наименование операции |
Номер пункта методики поверки |
Обязательность проведения операции | |||||
для исполнения расходомера РСМ-05. |
при поверке | ||||||
01 03 ОЗС ОЗСМ |
05 |
05С 05СМ |
07 07М |
первичной |
периодической | ||
1 |
2 |
3 |
4 |
5 |
6 |
7 |
8 |
1 Внешний осмотр |
7.1 |
+ |
+ |
+ |
+ |
+ |
+ |
2 Проверка герметичности и прочности ППР |
7.2 |
+ |
+ |
+ |
+ |
+ |
+ |
3 Проверка электрического сопротивления изоляции электродов ППР |
7.2.1 |
+ |
+ |
+ |
+ |
+ |
+ |
4 Проверка электрического сопротивления изоляции цепей питания ППР и ППМ |
7.2.2 |
+ |
+ |
+ |
+ |
+ |
+ |
5 Опробование |
7.3 |
+ |
+ |
+ |
+ |
+ |
+ |
6 Поверка измерительных преобразователей температуры |
7.8 |
+ |
+ |
- |
- |
+ |
+ |
7 Определение метрологических характеристик | |||||||
7.1 Определение относительной погрешности расходомера при измерении среднего объемного расхода |
7.4 |
+ |
+ |
+ |
+ |
+ |
+ |
7.2 Определение относительной погрешности при измерении объема жидкости |
7.5 |
+ |
- |
- |
- |
+ |
+ |
7.3 Определение абсолютной погрешности при преобразовании сигналов от ТС |
7.6 |
+ |
+ |
- |
- |
+ |
+ |
7.4 Определение относительной погрешности при измерении разности температур |
7.7 |
- |
+ |
- |
- |
+ |
+ |
7.5 Определение приведенной погрешности при преобразовании сигналов от датчиков давления с токовым выходом |
7.9 |
- |
+ |
- |
- |
+ |
+ |
7.6 Определение относительной погрешности при вычислении массового расхода (без учета погрешности ТС) |
7.10 |
+ |
- |
- |
- |
+ |
+ |
7.7 Определение относительной погрешности при вычислении масс ы жидкости (без учета погрешности ТС) |
7.11 |
+ |
- |
- |
- |
#'• М- |
* -ч тдс.л э- |
X докуяеитавяв» / г?
-\&
Г

Окончание таблицы 1
1 |
2 |
3 |
4 |
5 |
6 |
7 |
8 |
7.8 Определение приведенной погрешности при преобразовании измеренного значения среднего объемного расхода в сигнал постоянного тока |
7.12 |
+ |
- |
- |
- |
+ |
+ |
7.9 Определение приведенной погрешности при преобразовании температуры в сигнал постоянного тока |
7.13 |
4- |
- |
- |
- |
+ |
+ |
7.10 Определение относительной погрешности при преобразовании среднего объемного расхода в частотный выходной сигнал |
7.14 |
+ |
+ |
+ |
+ |
+ |
+ |
7.11 Определение относительной погрешности при преобразовании измеренного объема в импульсный выходной сигнал |
7.15 |
+ |
+ |
+ |
+ |
+ |
+ |
7.12 Определение относительной погрешности при измерении времени |
7.16 |
+ |
- |
- |
- |
+ |
+ |
Примечание
|
3 Средства поверки
Окончание таблицы 2
Калибратор программируемый П320 |
Диапазон калиброванных выходных напряжений от 10‘5 до 103 В, токов от 10‘9 до 10'1 А |
[4] |
Гигрометр психрометрический ВИТ-2 |
Диапазон измерений относительной влажности от 20 % до 90 %, диапазон измерений температуры от 15 °C до 40 °C, пределы абсолютной погрешности измерения температуры ±0,2 °C |
[5] |
Барометр-анероид метеорологический БАММ-1 |
Диапазон измерений от 80 до 106 кПа, пределы допускаемой абсолютной погрешности: основной ±0,2 кПа, дополнительной ±0,5 кПа |
[6] |
Мультиметр прецизионный Fluke 8508А |
Диапазон измерений от 0 до 2 кОм, пределы допускаемой погрешности ±(10ppm + 0,3ppm от значения предела измерений) |
[7] |
Примечание
|
4 Требования безопасности
-
4.1 При проведении поверки должны соблюдаться требования безопасности, предусмотренные ТКП 181 и ТКП 427.
-
4.2 К проведению поверки допускаются лица, изучившие эксплуатационную документацию на расходомер и применяемые средства поверки, а также прошедшие инструктаж по технике безопасности.
-
4.3 Все подключения средств поверки к расходомеру необходимо производить при отключенном напряжении питания.
5 Условия поверки
-
5.1 При проведении поверки должны соблюдаться следующие условия:
-
- поверочная жидкость - вода;
-
- температура поверочной жидкости от 15 °C до 35 °C;
-
- температура окружающего воздуха от 15 °C до 25 °C (от 18 °C до 25 °C при применении прецизионного мультиметра);
-
- относительная влажность окружающего воздуха от 30 % до 80 %;
-
- атмосферное давление от 86 до 106 кПа;
-
- напряжение питания от 195,5 до 253,0 В (от 30,6 до 39,6 В);
-
- частота сети питания от 49 до 51 Гц;
-
- внешние электрические и магнитные поля (кроме поля Земли), влияющие на работу расходомеров, отсутствуют;
-
- вибрация и тряска, влияющие на работу расходомеров и средств измерений, отсутствуют;
-
- прямолинейный участок трубопровода не менее трех диаметров условного прохода до плоскости электродов установленного ППР и одного - после.
6 Подготовка к поверке
-
6.1 Подготовка к проведению поверки включает следующие операции:
-
- должны быть изучены правила технической безопасности;
-
- проверить наличие паспорта на поверяемый расходомер;
-
- проверить соответствие комплектности согласно паспорта;
-
- подготовить средства поверки и вспомогательные средства поверки к работе в соответствии с эксплуатационной документацией на них;
-
- проверить наличие действующих свидетельств о поверке (калибровке) на средства поверки или отметок о поверке;
-
- проверить соблюдение условий по разделу 5 настоящей МП.
-
7 Проведение поверки
7.1 Внешний осмотр
При проведении внешнего осмотра должно быть установлено:
-
- наличие пломб предприятия-изготовителя;
-
- отсутствие дефектов, препятствующих чтению надписей, маркировки и снятию показаний с индикатора ППМ;
-
- отсутствие на корпусе расходомеров трещин, сколов и других повреждений;
-
- отсутствие повреждений сетевого шнура и герметичных вводов;
-
- отсутствие трещин фторопласта ППР;
-
- отсутствие внутри прибора незакрепленных деталей и посторонних предметов.
7.2 Проверка герметичности и прочности ППР
ППР устанавливают на испытательный стенд. В течение 1 минуты плавно повышают давление до 2,56 МПа. Время испытания - 5 минут.
Расходомеры считают выдержавшими испытание, если не обнаружено наличие физических повреждений, наружных утечек и манометр стенда не зафиксировал падения давления.
7.3 Опробование
Опробование включает следующие операции:
-
- установка расходомеров на измерительный участок поверочной расходомерной установки в соответствии с требованиями паспорта на расходомер и инструкции по эксплуатации расходомерной установки, заполнение внутреннего объема ППР водой и выдержку при расходе 50 % Q3 в течение 15 минут;
-
- проверка функционирования расходомеров РСМ-05.01, РСМ-05.03, РСМ-05.03С и РСМ-05.03СМ переключением режимов работы с помощью кнопок управления;
-
- проверка работоспособности интерфейса RS-485 (RS-232C) путём сличения значений установленных параметров (DN, сетевой адрес, Q3, тип ТС) и выводимых на экран монитора ПК (кроме РСМ-05.07 и РСМ-05.07М). Расходомеры считают прошедшими испытания, если в процессе испытаний не обнаружено разночтений между информацией, выводимой на монитор ПК и установленными параметрами расходомера;
-
- проверка установки значения объёмного расхода на ноль и отсутствия импульсов на импульсном выходе при отсутствии расхода поверочной жидкости наблюдают по отсутствию сигнала на частотомере;
Ценный
СХОД0Ыип,. да&чегиои aaW’iaa“*;t
И
-
- проверка работоспособности расходомера при изменении расхода в диапазона изменением расхода через ППР в пределах установленного диапазо
- проверка возможности измерения расхода при изменении направления потока жидкости (для расходомеров, в паспорте которых имеется отметка о возможности измерения реверсивного потока). Расходомеры считают прошедшими испытания, если при изменении направления потока на выводах F+ и F" расходомера присутствует частотный выходной сигнал, а величина напряжения на выводах FR+ и FR- расходомера составляет от 0 до 0,8 В (при направлении потока, совпадающем с направлением стрелки на корпусе расходомера, величина напряжения на выводах FR+ и FR- составляет от 9 до 14.В).
-
7.2.1 Проверку электрического сопротивления изоляции электродов ППР производят мегаомметром с номинальным напряжением 500 В. Внутренняя поверхность канала ППР должна быть сухой и чистой. Испытания проводят при отключённом ППМ от ППР. Один зажим мегаомметра с обозначением "ЗЕМЛЯ" соединить с корпусом, а другой - с каждым из электродов ППР.
Расходомеры считают выдержавшими испытания, если значение сопротивления изоляции электродов не менее 100 МОм.
-
7.2.2 Проверку электрического сопротивления изоляции цепей питания ППР и ППМ относительно корпуса (защитного экрана) ППР и ППМ соответственно производят мегаомметром. Мегаомметр подключают между замкнутыми накоротко проводами цепи питания ППМ и корпусом.
Расходомеры считают выдержавшими испытания, если измеренное значение сопротивления изоляции составляет не менее 40 МОм.
При проведении испытаний по определению электрического сопротивления изоляции отсчет показаний по мегаомметру производят по истечению одной минуты после приложения испытательного напряжения.
7.4 Определение относительной погрешности расходомера при измерении среднего объем ного расхода
Средства поверки подключают к расходомерам в соответствии с приложением А.
Для расходомеров модификаций РСМ-05.01, РСМ-05.03, РСМ-05.05, РСМ-05.03С, РСМ-05.05С и РСМ-05.07 точки поверки указаны в таблице 3 с учетом диаметра условного прохода ППР.


Для расходомеров модификаций РСМ-05.03СМ, РСМ-05.05СМ и РСМ-05.07М точки поверки указаны в таблице 4 с учетом диаметра условного прохода ППР.
Таблица 3 - Точки поверки
DN, мм |
Точки поверки, м3/ч | ||||||
РСМ-05.01, РСМ-05.03, РСМ-05.05 |
PCM-05.03C, PCM-05.05C, РСМ-05.07 | ||||||
1 |
2 |
3 |
4 |
1 |
2 |
3 | |
2% Gmaxl |
4% Cmaxl |
90 % Gmaxi |
90 % GmaX2 |
1%Q3 |
4%Q3 |
90 % Q3 | |
15 |
0,06 |
0,12 |
2,70 |
5,40 |
0,06 |
0,24 |
5,40 |
25 |
0,16 |
0,32 |
7,20 |
14,40 |
0,16 |
0,64 |
14,40 |
32 |
0,30 |
0,60 |
13,50 |
27,00 |
0,30 |
1,20 |
27,00 |
40 |
- |
- |
- |
- |
0,40 |
1,60 |
36,00 |
50 |
0,60 |
1,20 |
27,00 |
54,00 |
0,60 |
2,40 |
54,00 |
80 |
1,60 |
3,20 |
72,00 |
144,00 |
1,60 |
6,40 |
144,00 |
100 |
3,00 |
6,00 |
135,00 |
270,00* |
3,00 |
12,00 |
270,00* |
150 |
6,00 |
12,00 |
270,00* |
- |
6,00 |
24,00 |
540,00* |
Примечание
1 Установку расхода жидкости, соответствующего выбранной контрольной точке, следует осуществлять с погрешно не более ±5 % от расчетного значения;
* Если расходомерная установка не воспроизводит расходов, соответствующих точке поверки, то для расходо чиком потока DN 100 и 150 мм допускается проведение поверки на максимальном воспроизводимом поверо кой расходе при условии, что значение расхода не менее 180 м3/ч (±5 %).
Таблица 4 - Точки поверки
DN, мм |
Точки поверки, м3/ч | |||||
РСМ-05.05СМ, РСМ-05.07М |
РСМ-05.03СМ |
РСМ-05.05СМ, РСМ-05.07М |
РСМ-05.03СМ |
РСМ-05.03СМ, РСМ-05.05СМ, РСМ-05.07М | ||
1 |
2 |
3 |
4 | |||
Qi |
Q2 |
4 % Q3 |
90 % Q3 | |||
15 |
0,01575 |
0,0315 |
0,0252 |
0,0504 |
0,252 |
5,67 |
25 |
0,04 |
0,08 |
0,064 |
0,128 |
0,64 |
14,40 |
32 |
0,0625 |
0,125 |
0,10 |
0,20 |
1,00 |
22,50 |
40 |
0,10 |
0,20 |
0,16 |
0,32 |
1,60 |
36,00 |
50 |
0,1575 |
0,315 |
0,252 |
0,504 |
2,52 |
56,70 |
80 |
0,40 |
0,80 |
0,64 |
1,28 |
6,40 |
144,00 |
100 |
0,625 |
1,25 |
1,00 |
2,00 |
10,00 |
225,00* |
150 |
1,575 |
3,15 |
2,52 |
5,04 |
25,20 |
567,00* |
Примечание 1 Установку расхода жидкости, соответствующего выбранной контрольной точке, следует осуществлять с погрешностью не более ±5 % от расчетного значения (+5 % для точки поверки 1 (Qi)); * Если расходомерная установка не воспроизводит расходов, соответствующих точке поверки, то для расходомеров с датчиком потока DN 100 и 150 мм допускается проведение поверки на максимальном воспроизводимом поверочной установкой расходе при условии, что значение расхода не менее 180 м3/ч (±5 %). |
Относительную погрешность расходомера при измерении среднего объемного расхода %, определяют путем сравнения значений объемного расхода, измеренных поверяемым расходомером и расходомерной установкой по формуле (1) при проведении операции поверки методом сличения, по формуле (2) при поверке объемным методом.

(1)
где Qv - значение среднего объемного расхода, измеренное поверяемым расходомером, м3/ч; Qo - значение среднего объемного расхода, измеренное расходомерной установкой, м3/ч. Рекомендуемый интервал времени однократного измерения не менее 120 с.

(2)
3.1 При проведении поверки должны применяться средства поверки, указанные в таблице 2. Таблица 2 - Средства поверки
Наименование |
Технические характеристики |
Обозначение ТИПА |
Установка поверочная для счетчиков жидкости |
Диапазон измерений от 0,015 до 630,0 м3/ч. Допускаемая относительная погрешность ±0,3 % (±0,15 % для РСМ-05.05С, РСМ-05.05СМ, РСМ-05.03С и РСМ-05.03СМ с пределами 8ov = ±0,5 %) |
По действующим ТИПА |
Мегаомметр Е6-16 |
Номинальное напряжение 500 В, относительная погрешность ±20 % |
[1] |
Магазин сопротивлений Р4831 |
Диапазон измерений от0,021 до 111 111,1 Ом класс 0,02/2-10‘б, 3 разряд |
ГОСТ 23737 |
Пресс проверки герметичности |
Диапазон измерений от 0,5 до 3,0 МПа, манометр кл. т. 1,5 |
По действующей НД |
Миллиамперметр Щ-300 |
Диапазон измерений от 0,001 до 1 000 В, класс точности (0,2/0,1 - 0,05/0,02) Диапазон измерений от 100 нА до 1 А, класс точности (0,2/0,1 - 0,1/0,04) |
[2] |
Секундомер электронный СТЦ-2 |
Погрешности измерения интервалов времени не превышают Д=±(15-10’6-Т+С), где Т-значение измеряемого интервала времени, С=1 при цене деления 1 с, С=0,01 при цене деления 0,01 с |
[3] //&/'Отдел il Pi техничеС' |

’X ‘ инфор"

где Vo - значение объема, измеренное расходомерной установкой, м3;
" значение интервала времени однократного измерения, с.
Количество измерений в каждой точке поверки равно трем.
Расходомеры считают прошедшими поверку, если относительная погрешность при измерении среднего объемного расхода в каждой точке поверки, не превышает пределов, прив ных в таблицах 5 и 6 в соответствии с модификацией расходомера.

Отдел научно технической
. _ ! цнфор«аиии..
i н нормативно» дф
Модификация расходомера |
РСМ-05.01, РСМ-05.03 |
РСМ-05.05 |
РСМ-05.05С, РСМ-05.07 |
РСМ-05.03С | ||||||||||
Номер точки поверки |
1 |
2 |
3 |
4 |
1 |
2 |
3 |
4 |
1 |
2 |
3 |
1 |
2 |
3 |
Пределы относительной погрешности, % |
±3 |
±1,0 |
±1,0 |
±1,0 |
±4,0 |
±2,0 |
±2,0 |
±2,0 |
±1,8 |
±1,0* |
±0,8* |
±3,0 |
±1,0* |
±1* |
Примечание * По заказу (указывается в паспорте) пределы относительной погрешности при измерении среднего объемного расхода для расходомеров модификаций РСМ-05.05С и РСМ-05.03С во 2-ой и 3-ей точках поверки составляют ±0,5 %. |
Таблица 6 - Пределы относительной погрешности
Модификация расходомера |
РСМ-05.03СМ |
РСМ-05.05СМ, РСМ-05.07М | ||||||
Номер точки поверки |
1 |
2 |
3 |
4 |
1 |
2 |
3 |
4 |
Пределы относительной погрешности, % |
±2,0 |
±2,0 |
±1,0* |
±1,0* |
±5,0 |
±1,8 |
±0,9* |
±0,8* |
Примечание * По заказу (указывается в паспорте) пределы относительной погрешности при измерении среднего объемного расхода для расходомеров модификаций РСМ-05.05СМ и РСМ-05.03СМ в 3-ей и 4-ой точках поверки составляют ±0,5 %. |
7.5 Определение относительной погрешности при измерении объема жидкости
Определение относительной погрешности при измерении объема жидкости проводят совместно с п. 7.4 для расходомеров модификаций РСМ-05.01, РСМ-05.03, РСМ-О5.ОЗС и РСМ-05.03СМ.
Относительную погрешность при измерении объема жидкости 8V, %, определяют по формуле

(3)
где Vu - значение объема, измеренное поверяемым расходомером, м3; Vo - значение объема, измеренное расходомерной установкой, м3. - для метода сличения: Vo = Q0 • Тиы, Тизм не менее 120 с;
- для объемного метода: Vo = Vo - объём рабочего эталона.
Расходомеры считают прошедшими поверку, если относительная погрешность при измере
нии объема жидкости не превышает пределов, приведенных в таблицах 5 и 6.

, / гехяичес»’»»
||>х! ивдо?язв*Я7
7.6 Определение абсолютной погрешности при преобразовании сигналов от ТС
Данную операцию поверки выполняют для расходомеров модификаций РСМ-05.01, РСМ-05.05, РСМ-05.03, РСМ-05.03С и РСМ-05.03СМ.
В соответствии с выбранной градуировочной характеристикой применяемого ТС на магазине сопротивлений установить соответствующие значения сопротивлений согласно таблице 7.
Абсолютную погрешность при преобразовании сиг налов от ТС Аг, °C, определяют по формуле
= (4)
где tu - значение температуры, измеренное поверяемым расходомером, °C;
tp - расчетное значение температуры, приведенное в таблице 7.
Таблица 7 - Расчетные значения температуры
Точка поверки |
Расчетное значение температуры tp, °C |
Сопротивление ТС, Ом | |||||
Pt’ 100 |
Pt 100 |
Pt’ 500* |
Pt 500* |
Си’ 100* |
Си 100* | ||
1 |
10 |
103,96 |
103,90 |
519,80 |
519,50 |
104,28 |
104,26 |
2 |
80 |
131,38 |
130,90 |
656,90 |
654,50 |
134,24 |
134,08 |
3 |
145 |
156,32 |
155,46 |
781,60 |
777,30 |
162,06 |
161,77 |
Примечание 1 Допускается устанавливать значения сопротивлений с отклонением ±5 % от указанных; *кроме расходомеров модификации РСМ-05.05. |
Расходомеры считают прошедшими поверку, если абсолютная погрешность при преобразовании сигналов от ТС не превышает ±(0,2+0,001 -t) °C.
Аналогичным образом для расходомеров модификации РСМ-05.05 определяют абсолютную погрешность при преобразовании сигналов от ТС второго канала измерения температуры.
7.7 Определение относительной погрешности при измерении разности температур
Определение относительной погрешности при измерении разности температур (без учета погрешности комплекта ТС) проводят для расходомеров модификации РСМ-05.05.
Устанавливают на магазинах сопротивлений значения в соответствии с таблицей 8.
При проведении поверки расходомеров на территории Российской Федерации, установка значений сопротивлений в контрольных точках производится по показаниям подключенного к мере сопротивления мультиметра, обеспечивающего измерение действительного значения сопротивления с погрешностью не более 0,002 % Ом. Схема подключения мультиметра к мере сопротивления приведена на рисунке А.5 приложения А.
Относительную погрешность при измерении разности температур 8^, %, определяют по формуле

•100, (5)
где Дги - значение разности температур, измеренное поверяемым расходомером, °C; Аг - расчетное значение разности температур, приведенное в таблице 8, °C.
Отдел научно-11 $ ! техя«чесвоН | >s [ aa$s'P’i3,H!‘*a
\*.\ доку«е»“*”“ V.'VX ’ тг

Точка поверки |
tl, °C |
t2, °C |
At₽, °C |
Сопротивление термопреобразователей, Ом | |||
tl |
t2 | ||||||
Pt’100 |
Pt 100 |
Pt’100 |
Pt 100 | ||||
1 |
60 |
57 |
3 |
123,60 |
123,24 |
122,43 |
122,09 |
2 |
80 |
70 |
10 |
131,38 |
130,90 |
127,50 |
127,08 |
3 |
145 |
10 |
135 |
156,32 |
155,46 |
103,96 |
103,90 |
Примечание
1 Допускается устанавливать значения Atp с отклонением ±5 % от указанных.
Расходомеры считают прошедшими поверку, если относительная погрешность при измерении разности температур не превышает ±2 % для 1-ой точки поверки и +1 % - для 2-ой и 3-ей точек поверки.
7.8 Поверка измерительных преобразователей температуры
Поверка термопреобразователей сопротивления проводится по ГОСТ 8.461 на соответствие классам допуска А, В или С по ГОСТ 6651.
Поверка входящих в состав расходомера комплектов ТС, зарегистрированных в Государственном реестре средств измерений Республики Беларусь как средства измерения с установленными для них собственными межповерочными интервалами, выполняется в сроки и по методикам поверки на эти изделия, утвержденным и согласованным в установленном порядке или согласно технических нормативных правовых актов на соответствующие изделия.
7.9 Определение приведенной погрешности при преобразовании сигналов от датчиков давления с токовым выходом
Определение приведенной погрешности при преобразовании сигналов от датчиков давления с токовым выходом выполняют для расходомеров модификации РСМ-05.05.
Подают с калибратора на входы +11, -II и +12, -12 (см. рисунок А.З) ток, пропорциональный значениям избыточного давления (см. таблицу 9).
Таблица 9 - Расчетные значения тока
Диапазон изменения выходного сигнала дат-чика давления, мА |
Расчётное значение тока, мА | ||
1 |
2 |
3 | |
0-5 |
0,00 |
2,5 |
5,0 |
4-20 |
4,00 |
12,0 |
20,0 |
Приведенную погрешность при преобразовании сигналов от датчиков давления с токовым выходом ур, %, определяют по формуле
Гр
(Р -Р \
•100,
р
\ max J
где Ри - значение давления, измеренное поверяемым расходомером, МПа; Рр - расчетное значение давления, МПа.
Расчетное значение давления Рр, МПа, определяют по формуле где Ртт - максимальное значение измеряемого давления, Ртт =1,6 МПа;
Ашп)/(Дпах Anin)>

I - значение тока калибратора, мА;
Anax > Anin “ максимальное и минимальное значение выходного тока, мА.
Расходомеры считают прошедшими поверку, если приведенная погрешность при преобразовании сигналов от датчиков давления с токовым выходом для каждого канала измерения не превышает ±0,5 %.
7.10 Определение относительной погрешности при вычислении массового расхода (без учета погрешности ТС)
Определение относительной погрешности при вычислении массового расхода (без учета погрешности ТС) выполняют совместно с п. 7.4 в точках поверки 1, 2 и 3 согласно таблице 3 для расходомеров модификаций РСМ-05.01, РСМ-05.03, РСМ-05.03С и в точках 1, 3 и 4 согласно таблице 4 для расходомеров модификации РСМ-О5.ОЗСМ.
В соответствии с типом применяемых ТС, установить на магазине сопротивлений сопротивление, соответствующее 150 °C.
Относительную погрешность при вычислении массового расхода 6QM, %, определяют пу
тем сравнения значений массового расхода, вычисленных поверяемым расходомером и расходомерной установкой по формуле
&QM

(8)
где QM - значение массового расхода, вычисленное поверяемым расходомером, т/ч;
Qp - расчетное значение массового расхода, т/ч.
Расчетное значение массового расхода Qp, т/ч, для метода сличения определяют по формуле
2,=(й,-р)/1000, (9)
где Qo - значение среднего объемного расхода, измеренное расходомерной установки, м3/ч; р - значение плотности воды при t=150 °C и давлении 1,6 МПа (917,72 кг/м3 см. ГСССД 98-86).
Расчетное значение массового расхода Qp, т/ч, для объемного метода определяют по формуле
e, = (36oop;/rm)p/iooo, (Ю)
где Vo - значение объема, измеренное расходомерной установкой, м3;
А«« ' значение интервала времени однократного измерения, с.
Расходомеры считают прошедшими поверку, если относительная погрешность при вычислении массового расхода (без учета погрешности ТС) не превышает значений, приведенных в таблице 10.
Таблица 10 - Пределы относительной погрешности при вычислении массового расхода (без уче
та
Модификация расходомера |
РСМ-05.01, РСМ-05.03 и РСМ-05.03С |
РСМ-05.03СМ | ||||
Номер точки поверки |
1 |
2 |
3 |
1 | ||
Пределы относительной погрешности, % |
±3,5 |
±1,5 |
±1,5 |
±3,5^ |

1!Ифор.«ан»и нормативна

7.11 Определение относительной погрешности при вычислении массы жидкости (без учета погрешности ТС)
Определение относительной погрешности при вычислении массы жидкости (без учета погрешности ТС) выполняют для расходомеров модификаций РСМ-05.01, РСМ-05.03, РСМ-05.03С и РСМ-05.03СМ совместно с п. 7.10.
Относительную погрешность при вычислении массы жидкости 6М, %, определяют по фор
муле

(И)
где Ми - значение массы, вычисленное поверяемым расходомером, т;
Мр - расчетное значение массы, т.
Расчетное значение массы Мр, т, определяют по формуле
Л/,=(И,.р)/1000,
(12)
Расходомеры считают прошедшими поверку, если относительная погрешность при вычислении массы (без учета погрешности ТС) не превышает значений, приведенных в таблице 10.
Примечание - Если в установке в качестве эталонного средства измерений используется эталонный массовый расходомер либо установка реализует метод статического взвешивания, за значение Мр принимается измеренное эталоном значение массы.
7.12 Определение приведенной погрешности при преобразовании измеренного значения среднего объемного расхода в сигнал постоянного тока
Определение приведенной погрешности при преобразовании измеренного значения среднего объемного расхода в сигнал постоянного тока выполняют для расходомеров модификаций РСМ-05.01, РСМ-05.03, РСМ-05.03С и РСМ-05.03СМ совместно с п. 7.4.
Приведенную погрешность при преобразовании измеренного значения среднего объемного расхода в сигнал постоянного тока , %, определяют по формуле
Г/ =

•100,
(13)
где 1и - измеренное значение выходного тока, мА;
1р - расчетное значение выходного тока, мА.
Расчетное значение выходного тока 1р, мА, определяют по формуле

(14)
где Qv - значение среднего объемного расхода в контрольной точке, м3/ч; 0шах - значение верхнего предела измерения, м3/ч;

Zmin, /тах - минимальное и максимальное значения выходного тока, мА.
Расходомеры считают прошедшими поверку, если приведенная погрешность при преобразовании измеренного значения среднего объемного расхода в сигнал постоянного тока не превышает ±1,0% во всех точках поверки.
7.13 Определение приведенной погрешности при преобразовании температуры в сигнал постоянного тока
Определение приведенной погрешности при преобразовании температуры в сигнал постоянного тока выполняют совместно с п. 7.6.
Приведенную погрешность при преобразовании температуры в сигнал постоянного тока ППМ yt, %, определяют по формуле

100,
(15)
где 1и - измеренное значение выходного тока, мА;
1р - расчетное значение выходного тока, мА.
Расчетное значение выходного тока 1р, мА, определяют по формуле

(16)
где tp - значение температуры, соответствующее контрольной точке, °C;
rmax - значение верхнего предела измерения температуры, °C, (rmax =150 °C);
/min, А™ ' минимальное и максимальное значения выходного тока, мА.
Расходомеры считают прошедшими поверку, если приведенная погрешность при преобразовании температуры в сигнал постоянного тока не превышает ±1,0 % во всех точках поверки.
7.14 Определение относительной погрешности при преобразовании среднего объемного расхода в частотный выходной сигнал
Определение относительной погрешности при преобразовании среднего объемного расхода в частотный выходной сигнал выполняют совместно с п. 7.4. Подключают к выводам F+ и F “ расходомера частотомер и устанавливают его в режим измерения частоты.
Относительную погрешность при преобразовании среднего объемного расхода в частотный выходной сигнал 5f, %, определяют по формуле

100,
(17)
где fu - значение частоты на выходе расходомера, Гц; f - расчётное значение частоты, Гц.
Расчётное значение частоты fp, Гц, определяют по формуле где Qo - значение среднего объемного расхода, измеренное расходомерной установкой, м3/ч;

Q3 - наибольшее значение расхода в соответствии с номинальным диаметром расходомера, м3/ч; /тах - значение частоты, соответствующее верхнему пределу измерения, Гц.
Расходомеры модификаций РСМ-05.01, РСМ-05.03 и РСМ-05.03С считают прошедшими поверку, если относительная погрешность при преобразовании среднего объемного расхода в частотный выходной сигнал не превышает ±3,5 % в 1-ой точке поверки и ±1,5 % во всех остальных точках поверки.
Пределы относительной погрешности при преобразовании среднего объемного расхода в частотный выходной сигнал расходомеров модификаций РСМ-05.05, РСМ-05.03СМ,
РСМ-05.05С, РСМ-05.05СМ, РСМ-05.07 и РСМ-05.07М приведены в таблицах 5 и 6.
7.15 Определение относительной погрешности при преобразовании измеренного объема в импульсный выходной сигнал
Определение относительной погрешности при преобразовании измеренного объема в импульсный выходной сигнал выполняют совместно с п. 7.4.
-
7.15.1 Для расходомеров модификаций РСМ-05.01 и РСМ-05.03 операцию поверки выполняют в точке 90 % Gmaxi.
Подключают к выводам расходомера N+ и N" частотомер и устанавливают его в режим счёта импульсов. Весовой коэффициент Kv, л/имп, устанавливается согласно таблице 11. Таблица 11 - Значения весового коэффициента в соответствии с диаметром
DN, мм |
15 |
25 |
32 |
40 |
50 |
80 |
100 |
150 |
Ку, л/имп |
0,5 |
2,5 |
2,5 |
5,0 |
5,0 |
10,0 |
10,0 |
10,0 |
Относительную погрешность при преобразовании измеренного объема в импульсный выходной сигнал , %, определяют по формуле

(19)
где Nu - значение количества импульсов, измеренное частотомером, шт.; N - расчетное значение количества импульсов, шт.
Расчетное значение количества импульсов N, шт., определяют по формуле

1000


(20)
где Го - значение объема, измеренное расходомерной установкой м3;
К, - весовой коэффициент из таблицы 11 в зависимости от номинального диаметра расходомера, л/имп.
Расходомеры модификаций РСМ-05.01 и РСМ-05.03 считают прошедшими поверку, если относительная погрешность при преобразовании измеренного объема в импульсный выходной сигнал не превышает ±1,0 %.
-
7.15.2 Для расходомеров модификаций РСМ-05.03С, РСМ-05.03СМ, РСМ-05.05СМ, РСМ-05.07 и РСМ-05.07М выполняют одним из двух приведеннь в контрольной точке 4 % Q3, для расходомеров модификации РСМ-05.05 в точке
е_адад®в\^
t мег.
1ческ°11
ржании „ормативнии
Для расходомеров модификации РСМ-05.07 допускается проводить поверку одновременно двух каналов.
В контрольной точке выполняется три измерения.
Метод 1 (с изменением весового коэффициента импульса Ку).
Рекомендуется использовать при поверке на расходомерных установках с объемным или массовым методом измерения расхода. Операция поверки выполняется по методике п. 7.15.1.
Устанавливаемое в расходомерах значение Ку должно удовлетворять условию: Ку > Qo/24.
Рекомендуемые значения Ку в зависимости от DN ППР приведены в таблице 12. Таблица 12 - Значения весового коэффициента в соответствии с диаметром
DN, мм, и Ау.л/имп. | |||||||
15 |
25 |
32 |
40 |
50 |
80 |
100 |
150 |
0,01 |
0,03 |
0,05 |
0,07 |
0,1 |
0,3 |
0,5 |
1 |
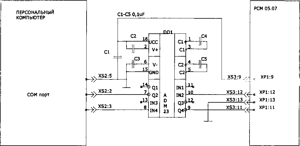
Установка Ку осуществляется по интерфейсам RS-485 или RS-232C через преобразователь (принципиальная электрическая схема преобразователя и электрическая схема подключений приведены в приложении Б) при помощи персонального компьютера (ПК) и программного обеспечения для конфигурирования расходомера.
Минимально необходимый объем жидкости, пропускаемый через ППР при одном измерении, должен быть таким, чтобы набрать не менее 250 импульсов.
Примечание: для уменьшения методической погрешности измерения рекомендуемый объем жидкости, пропускаемой через ППР при одном измерении, должен быть таким, чтобы набрать не менее 500 импульсов.
Относительную погрешность при преобразовании измеренного объема в импульсный выходной сигнал определяют по формуле (19).
По окончании проведения операции поверки Ку устанавливается согласно указанному в паспорте на расходомер.
Метод 2 (без изменения весового коэффициента Ку).
Рекомендуется использовать при поверке на расходомерных установках, у которых используется метод сличения с показаниями образцового расходомера.
Начало измерения синхронизируется по времени с началом очередного импульса на выходе поверяемого расходомера. Время проведения измерения должно быть не менее, чем период следования импульсов и не менее 120 с в случае автоматической синхронизации по времени.
Если на поверочной установке невозможна автоматическая синхронизация, то допускается ручная синхронизация с допуском ±1 с. В этом случае время проведения измерения должно быть не менее 300 с.
Окончание измерения также синхронизируется во времени с началом очередного импульса на выходе поверяемого расходомера.
Относительную погрешность при преобразовании измеренного объема в импульсный выходной сигнал SN, %, определяют по формуле

-1 -100
7
(21)
Расходомеры считают прошедшими поверку, если относительная погрешность при преобразовании измеренного объема в импульсный выходной сигнал не превышает пределов, приведенных в таблицах 5 и 6.
7.16 Определение относительной погрешности при измерении времени

л мег.
Определение относительной погрешности при измерении времени выпол домеров модификаций РСМ-05.01, РСМ-05.03, РСМ-05.03С и РСМ-05.03СМ.
( информ»^

Подключают частотомер к выводам Т+ и Т поверяемого расходомера (см. приложение А).
Относительную погрешность при измерении времени 8Т, %, определяют по формуле
^-1 -100, т
\ * л У
где Ти - значение периода тактового генератора расходомера, с;
То - расчетное значение периода, с (Тв = 1,0000 с. Для расходомеров модификаций РСМ-05.03С и РСМ-05.03СМ То = 1,953125*10'3 с).
Расходомеры считают прошедшими поверку, если относительная погрешность при измерении времени не превышает ±0,01 %.
8 Оформление результатов поверки
-
8.1 Результаты поверки заносят в протокол, рекомендуемая форма которого приведена в приложении В.
-
8.2 Если расходомер по результатам поверки признан пригодным к применению, то на него выдается Свидетельство о поверке, форма Свидетельства о поверке приведена в ТКП 8.003 (приложение Г), а также наносится поверительное клеймо и клеймо-наклейка на лицевую панель ППМ (см. приложение Д).
-
8.3 Если расходомер по результатам поверки признан непригодным к применению, то поверительное клеймо гасится, Свидетельство о поверке аннулируется, выписывается Заключение о непригодности. Форма Заключения о непригодности приведена в ТКП 8.003 (приложение Д).
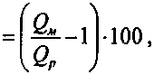
Приложение А
(обязательное)
Схемы подключения расходомеров

-
1 - прибор комбинированный цифровой Щ-300;
-
2 - частотомер;
-
3 - магазин сопротивлений;
-
4 - секундомер электронный СТЦ-2;
-
5 - преобразователь интерфейсов ADAM 4522.
Примечание - Выходы XS3 (N+, N"), XS4 (F+, F") и выход таймера (Т+, Т’) подключаются в зависимости от поверяемого параметра.
Рисунок А. 1 - Схема подключения расходомеров модификации РСМ-05.01

л мег

-
1 - прибор комбинированный цифровой Щ-300;
-
2 - частотомер;
-
3 - магазин сопротивлений;
-
4 - секундомер электронный СТЦ-2;
-
5 - преобразователь интерфейсов ADAM 4522.
Примечание: Выходы XS3 (NT, N’), XS4 (F+, F‘) и выход таймера (Т+, Т) подключаются в зависимости от поверяемого параметра.
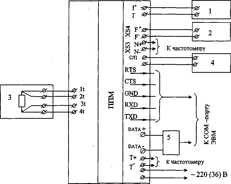
Рисунок А.2 - Схема подключения расходомеров модификаций РСМ-05.03, РСМ-05.03С и РСМ-05.03СМ

и
,,„хВиче

-
1 - частотомер;
-
2 - магазин сопротивлений;
-
3- калибратор;
-
4- преобразователь интерфейсов.
Примечание:
-
1. В РСМ-05.05С и РСМ-05.05СМ отсутствуют каналы измерения температуры и давления (обведены пунктиром). Магазины сопротивлений 2 и калибратор 3 не подключаются;
-
2. Тип выходного сигнала: импульсный (N+, N’) или частотный (F+, F*) устанавливается перемычкой на плате ППМ в зависимости от поверяемого параметра.
Рисунок А.З - Схема подключения расходомеров модификаций РСМ-05.05, РСМ-05.05С и РСМ-О5.О5СМ

с?/ Отдел i ’ технически’-ИНфвР*а“"^;
ме

Рисунок А.4 - Схема подключения расходомеров модификаций РСМ-05.07 и РСМ-05.07М

/ Отдел научн»-( технической информаиИИ.
\ Н нормативной
Мера сопротивления

Прецизионный мультиметр
Рисунок А.4 - Схема подключения прецизионного мультиметра

II технической
lbs I ННЙОрМаи1,И„ V.S\ н нор«итик«ои ХуХД документ»п1,и
Приложение Б
(обязательное)
Принципиальная электрическая схема

Рисунок Б. 1 - Принципиальная электрическая схема преобразователя RS-232C и электрическая схема подключений расходомеров модификаций РСМ-05.07 и РСМ-05.07М к ПК

оУ Отдел научно- ' технической Янфор*аиии.. 2
и нормативной J ф
Приложение В
(рекомендуемое)
Формы протоколов поверки расходомеров ПРОТОКОЛ № поверки расходомера РСМ-05.___
Заводской номер:___________
DN:_________
Изготовитель:__________
Принадлежит:__________
Организация, проводившая поверку:__________
Поверка проведена по:__________
А.1 Средства поверки
Таблица А. 1
Наименование средства измерений, тип |
Заводской номер/срок очередной поверки |
А.2 Условия поверки:
-
- температура воды__________°C
-
- температура окружающего воздуха_________°C
-
- относительная влажность воздуха__________%
-
- атмосферное давление__________кПа
А.З Результаты поверки
А.3.1 Внешний осмотр:
А.З.2 Опробование:
А.3.3 Определение метрологических характеристик
Таблица А.З - Определение относительной погрешности при вычислении массового расхода и

Таблица А.2 - Определение относительной погрешности расходомера при измерении среднего объемного расхода и объема, при преобразовании его в токовый и частотный выходные сигналы
Qo, M/4 |
Qv, M/4 |
8qv> % |
Vo, m3 |
v„, m3 |
5v, % |
^QVmax, 8vmax> % |
In. mA |
I₽. mA |
Yi, % |
Ylmax) % |
fn, Гц |
Гц |
8f. % |
8fmax> % | |
2% Gmuxl |
±3,0 |
±1,0 |
±3,5 | ||||||||||||
4% Gmaxl |
±1,0 |
±1,5 | |||||||||||||
90% Gmaxl |
±1,0 |
±1,5 | |||||||||||||
90% Gmax2 |
±1,0 |
±1,5 | |||||||||||||
Таблица А.4 - Определение абсолютной погрешности при преобразовании сигналов от ТС и при преобразовании температуры в сигнал постоянного тока[
°C |
1и, °C |
At, °C |
°C |
1и, мА |
1р> мА |
Yt> % |
Ytmax> % |
10 |
±0,21 |
±1,0 | |||||
80 |
±0,28 | ||||||
145 |
±0,345 |
Относительная погрешность при измерении времени .......... < 0,01 %
Заключение: расходомер___________________МП. МН 789-2001
соответствует/не соответствует
Свидетельство (Заключение о непригодности) №__________________________________
Поверитель: _____________ _____________
подпись Ф.И.О.
Дата:___________________

ПРОТОКОЛ № поверки расходомера РСМ-05.05
Заводской номер:__________
DN:_________
Изготовитель:___________
Принадлежит:__________
Организация, проводившая поверку:
Поверка проведена по:__________
А.1 Средства поверки
Таблица А. 1
Наименование средства измерений, тип |
Заводской номер/срок очередной поверки |
А.2 Условия поверки:
-
- температура воды ______°C
_°С
%
-
- температура окружающего воздуха__
-
- относительная влажность воздуха___
-
- атмосферное давление__________кПа
А.З Результаты поверки
А.3.1 Внешний осмотр:
А.З.2 Опробование:
А.3.3 Определение метрологических характеристик
Таблица А.2 - Определение относительной погрешности расходомера при измерении среднего объемного расхода и при преобразовании его в частотный (импульсный) выходной сигнал
Qo, м3/ч |
Qv, м3/ч |
8qv, % |
Vo, M3 |
Vh, m3 |
5v, % |
^QVmax, 8vmax, % |
Np, ИМП |
N„, ИМП |
8n> % |
^Nmax % |
fa, Гц |
fp, Гц |
8f. % |
Sfmaxj % | |
2% Gmaxl |
±4,0 |
±4,0 |
±4,0 | ||||||||||||
4% Gmaxl |
±2,0 |
±2,0 |
±2,0 | ||||||||||||
90% Gmaxl | |||||||||||||||
90% Gmax2 | |||||||||||||||
Таблица А.З - Определение приведенной погрешности при преобразовании сигналов от датчиков давления с токовым выходом, при преобразовании сигналов от ТС и погрешности при измерении разности
P|H> МПа |
Pip, МПа |
Yip» % |
?2h> МПа |
^2р» МПа |
Y2p» % |
Ypmaxj % |
tp, °C |
°C |
^2и» °C |
Atb °C |
At2, °C |
A^mix» °C |
Atp, °C |
AtH, °C |
% |
^Atma X» % |
±0,5 |
10 |
±0,21 |
3 |
±2,0 | ||||||||||||
80 |
±0,28 |
10 |
±1,0 | |||||||||||||
145 |
±0,345 |
135 |
Относительная погрешность при измерении времени
Заключение: расходомер___________________МП.
соответствует/не соответствует
Свидетельство (Заключение о непригодности) №___
Поверитель: _____________

подпись
Дата:

л s
техническом аформаиии и нормативно»
ПРОТОКОЛ№
поверки расходомера РСМ-05.03С
Заводской номер:__________
DN:
Изготовитель:
Принадлежит:__________
Организация, проводившая поверку:__________
Поверка проведена по:__________
А.1 Средства поверки
Таблица А. 1
Наименование средства измерений, тип |
Заводской номер/срок очередной поверки |
А.2 Условия поверки:
-
- температура воды__________°C
-
- температура окружающего воздуха
-
- относительная влажность воздуха
-
- атмосферное давление__________кПа
А.З Результаты поверки
А.3.1 Внешний осмотр:
А.З.2 Опробование:
А.3.3 Определение метрологических характеристик
Таблица А.2 - Определение относительной погрешности расходомера при измерении среднего объемного расхода и объема и при ni
_°С
%
его в токовый и частотный выходные сигналы
О», м3/ч |
Qv, м3/ч |
5qv, % |
Vo, м3 |
vH, м3 |
5у, % |
SQVmax, §Vmax, % |
1и. мА |
Ip. мА |
Yi, % |
Ylmax» % |
fn, Гц |
fp> Гц |
5f. °/o |
Sfinaxj % | |
1 % Оз | |||||||||||||||
±3,0 |
±3,5 | ||||||||||||||
4% Оз | |||||||||||||||
±1,0 |
±1,0 |
±1,5 | |||||||||||||
90 | |||||||||||||||
% |
±1,0 |
±1,5 | |||||||||||||
Оз |
Таблица А.З - Определение относительной погрешности при вычислении массового расхода и массы и
при преобразовании измеренного объема в импульсный сигнал
Ом, т/ч |
Qp, т/ч |
Sqm, % |
Mh,t |
Mp,t |
8M, % |
Np, имп |
N„, имп |
8n, % |
Таблица А.4 - Определение абсолютной погрешности при преобразовании сигналов от ТС и при преобра-зовании температуры в сигнал постоянного тока
tp, °C |
°C |
At, °C |
Atmax, °C |
Ih, mA |
Ip. mA |
Yt, % |
Ytmaxj % |
10 |
±0,21 |
±1,0 | |||||
80 |
±0,28 | ||||||
145 |
±0,345 |
Относительная погрешность при измерении времени .......... 0,01 %
Заключение: расходомер____________________МП. МН 789-2001
соответствует/не соответствует
Свидетельство (Заключение о непригодности) №________________________
Поверитель: _____________ _________
подпись Ф.И.О.
Дата:___________________

«иическв**
ПРОТОКОЛ№
поверки расходомера РСМ-05.03СМ
Заводской номер:__________
DN:_________
Изготовитель:___________
Принадлежит:__________
Организация, проводившая поверку:__________
Поверка проведена по:__________
А. 1 Средства поверки
Таблица А. 1
Наименование средства измерений, тип |
Заводской номер/срок очередной поверки |
А.2 Условия поверки:
-
- температура воды__________°C
-
- температура окружающего воздуха_________°C
-
- относительная влажность воздуха__________%
-
- атмосферное давление__________кПа
А.З Результаты поверки
А.3.1 Внешний осмотр:
А.З.2 Опробование:
А.3.3 Определение метрологических характеристик

Отдел научна-
?/ техническом и норяа1ягй»»: /«/

Таблица А.2 - Определение относительной погрешности расходомера при измерении среднего объемного расхода и объема и при преобразовании его в токовый и частотный выходные сигналы
Qo, м3/ч |
Qv, м3/ч |
8qv, % |
Vo, m3 |
Vh, m3 |
5v, % |
8<}vmax, 8vmax, % |
k mA |
Ip-mA |
Yb % |
Ylmax, % |
fn, Гц |
fp, Гц |
8f. % |
8ftnax, % | |
Q. |
±2,0 |
±1,0 |
±2,0 | ||||||||||||
q2 |
±2,0 |
±2,0 | |||||||||||||
4% Q3 |
±1,0 . |
±1,0 | |||||||||||||
90 % Q3 |
±1,0 |
±1,0 | |||||||||||||
Таблица А.З - Определение относительной погрешности при вычислении массового расхода и массы и при преобразовании измеренного объема в импульсный сигнал
Qm, t/4 |
Qp, т/ч |
8qm, % |
Ми,т |
Мр,т |
8m, % |
Np, имп |
N„, имп |
8n, % |
Таблица А.4 - Определение абсолютной погрешности при преобразовании сигналов от ТС и при преобразовании температуры в сигнал постоянного тока,
tp, °C |
°C |
At, °C |
Atm ax, °C |
1и, мА |
Ip, mA |
Yt, % |
Ytmax? % |
10 |
±0,21 |
±1,0 | |||||
80 |
±0,28 | ||||||
145 |
±0,345 |
Относительная погрешность при измерении времени .......... <0,01%
Заключение: расходомер___________________МП. МН 789-2001
соответствует/не соответствует
Свидетельство (Заключение о непригодности) №__________________________________
Поверитель: _____________ '________
подпись Ф.И.О.
Дата:___________________

п на\чн«-
:.хниче«оп
Л/?
ПРОТОКОЛ№
поверки расходомера РСМ-05.05С
Заводской номер:__________
DN:_________
Изготовитель:___________
Принадлежит:__________
Организация, проводившая поверку:__________
Поверка проведена по:__________
А. 1 Средства поверки
Таблица АЛ
Наименование средства измерений, тип |
Заводской номер/срок очередной поверки |
А.2 Условия поверки:
-
- температура воды__________°C
-
- температура окружающего воздуха_________°C
-
- относительная влажность воздуха__________%
-
- атмосферное давление__________кПа
А.З Результаты поверки
А.3.1 Внешний осмотр:
А.3.2 Опробование:
А.3.3 Определение метрологических характеристик
Таблица А.2 - Определение относительной погрешности расходомера при измерении среднего объемного расхода и при преобразовании его в частотный выходной сигнал
Q, м3/ч |
Qo, М/Ч |
Qv, м/ч |
8qv, % |
^QVmax, % |
fp, Гц |
fw, Гц |
8f, % |
Sfmaxj % |
1%Q3 |
±1,8 |
±1,8 | ||||||
4%Q3 |
±1,0 |
±1,0 | ||||||
90 % Q3 |
±0,8 |
±0,8 | ||||||
Таблица А.З - Определение относительной погрешности при преобразовании измеренного объема в импульсный выходной сигнал______________________________________________
Q, м3/ч |
NH, имп |
Kv, л/имп |
Vo, mj |
8n, % |
^Nmax, % | |
4 % Q3 |
±1,0 | |||||
Заключение: расходомер____________________МП. МН 789-2001
соответствует/не соответствует
Свидетельство (Заключение о непригодности) №
Поверитель: ________
Ф.И.О.

венный й
i о^Отдел научно-ll>s I -■

подпись
Дата:____________________
ПРОТОКОЛ№ поверки расходомера РСМ-05.05СМ
Заводской номер:__________
DN:_________
Изготовитель:__________
Принадлежит:__________
Организация, проводившая поверку:
Поверка проведена по:__________
А.1 Средства поверки
Таблица А.1
Наименование средства измерений, тип |
Заводской номер/срок очередной поверки |
А.2 Условия поверки:
-
- температура воды__________°C
_°С
%
-
- температура окружающего воздуха__
-
- относительная влажность воздуха___
-
- атмосферное давление__________кПа
А.З Результаты поверки
А.3.1 Внешний осмотр:
А.3.2 Опробование:
А.3.3 Определение метрологических характеристик
Таблица А.2 - Определение относительной погрешности расходомера при измерении среднего объемного расхода и при преобразовании его в частотный выходной сигнал
Q, м3/ч |
Qo, nt/ч |
Qv, М/Ч |
Sqv, % |
$QVmax, % |
fp, Гц |
Гц |
8f, % |
Sfmax, % |
Qi |
±5,0 |
±5,0 | ||||||
Q2 |
±1,8 |
±1,8 | ||||||
4 % Q3 |
±0,9 |
±0,9 | ||||||
90 % Q3 |
±0,8 |
±0,8 | ||||||
Таблица А.З - Определение относительной погрешности при преобразовании измеренного объема в импульсный выходной сигнал_____________________________________________
Q,m3/4 |
NH, имп |
Kv, л/имп |
Vo, Mj |
V„, mj |
5n, % |
Зытах, % |
4 % Q3 |
±0,9 | |||||
Заключение: расходомер___________________МП. МН 789-2001
соответствует/не соответствует
Свидетельство (Заключение о непригодности) №______________
Поверитель: _____________
Ф.И.О.

----
Отдел научно ; техническом
■ ииформа“м1,е Н5А н нормативно». \\О.\ 1окументаиИВ

ПОДПИСЬ
Дата:___________________
ПРОТОКОЛ№ поверки расходомера РСМ-05.07
Заводской номер:___________
DN:_________
Изготовитель:___________
Принадлежит:__________
Организация, проводившая поверку:__________
Поверка проведена по:__________
А.1 Средства поверки
Таблица А.1
Наименование средства измерений, тип |
Заводской номер/срок очередной поверки |
А.2 Условия поверки:
-
- температура воды__________°C
-
- температура окружающего воздуха_________°C
-
- относительная влажность воздуха__________%
-
- атмосферное давление__________кПа
А.З Результаты поверки
А.3.1 Внешний осмотр:
А.З.2 Опробование:
А.3.3 Определение метрологических характеристик

Таблица А.2 - Определение относительной погрешности расходомера при измерении среднего объемного расхода и при преобразовании его в частотный выходной сигнал_____________
Q, м3/ч |
Q°» м7ч |
Qv, м3/ч |
Sqv, % |
§QVmax> % |
fp, Гц |
fw, Гц |
5f, % |
Sfmaxj % | |
Первый канал |
1 % Q3 |
±1,8 |
±1,8 | ||||||
4 % Q3 |
±1,0 |
±1,0 | |||||||
90 % Q3 |
±0,8 |
±0,8 | |||||||
Второй канал |
1 % Q3 |
±1,8 |
±1,8 | ||||||
4 % Q3 |
±1,0 |
±1,0 | |||||||
90 % Q3 |
±0,8 |
±0,8 | |||||||
Таблица А.З - Определение относительной погрешности при преобразовании измеренного объе-ма в импульсный выходной сигнал
Q, м3/ч |
NH, имп |
Kv, л/имп |
Vo, mj |
5n, % |
^Nmax, % | ||
4 % Q3 |
Первый канал |
±1,0 | |||||
Второй канал | |||||||
Заключение: расходомер____________________МП. МН 789-2001
соответствует/не соответствует
Свидетельство (Заключение о непригодности) №__________________________________
Поверитель: _____________ _____________
подпись Ф.И.О.
Дата:___________________

ПРОТОКОЛ№
поверки расходомера РСМ-05.07М
Заводской номер:__________
DN:_________
Изготовитель:___________
Принадлежит:__________
Организация, проводившая поверку:__________
Поверка проведена по:__________
А.1 Средства поверки
Таблица А. 1
Наименование средства измерений, тип |
Заводской номер/срок очередной поверки |
А.2 Условия поверки:
-
- температура воды__________°C
-
- температура окружающего воздуха_________°C
-
- относительная влажность воздуха__________%
-
- атмосферное давление__________кПа
А.З Результаты поверки
А.3.1 Внешний осмотр:
А.З.2 Опробование:
А.3.3 Определение метрологических характеристик

■г мел
Таблица А.2 - Определение относительной погрешности расходомера при измерении среднего объемного расхода и при преобразовании его в частотный выходной сигнал______________
Q, м3/ч |
Qo> м3/ч |
Qv> м3/ч |
8qv, % |
^QVmax, % |
fp> Гц |
f„, Гц |
5f, % |
Sfinax» % | |
Первый канал |
Qi |
±5,0 |
±5,0 | ||||||
Q2 |
±1,8 |
±1,8 | |||||||
4%Q3 |
±0,9 |
±0,9 | |||||||
90 % Q3 |
±0,8 |
±0,8 | |||||||
Второй канал |
Qi |
±5,0 |
±5,0 | ||||||
q2 |
±1,8 |
±1,8 | |||||||
4 % Q3 |
±0,9 |
±0,9 | |||||||
90 % Q3 |
±0,8 |
±0,8 | |||||||
1 |
Таблица А.З - Определение относительной погрешности при преобразованииизмеренного объе-ма в импульсный выходной сигнал
Q, м3/ч |
N„, имп |
Kv, л/имп |
Vo, м3 |
V„, м3 |
Sn, % |
SNmax, % | |
4 % Q3 |
Первый канал |
±0,9 | |||||
Второй канал | |||||||
Заключение: расходомер___________________МП. МН 789-2001
соответствует/не соответствует
Свидетельство (Заключение о непригодности) №__________________________________
Поверитель: ____________ _____________
подпись Ф.И.О.
Дата:___________________

Приложение Г
(справочное)
Последовательность операций при проведении поверки
Последовательность операций при проведении поверки расходомеров модификаций РСМ-05.03, РСМ-05.03С и РСМ-05.03СМ
-
1 Собирают схему подключений в соответствии с приложением А.
-
2 Входят в режим «Поверка» замкнув контакты «К». При этом расходомер переходит в
режим ожидания сигнала «С/П». Для РСМ-05.03С входят в режим «ПОВЕРКА» нажав одновременно кнопки [<- | |-> индикаторе появляется надпись:
ПОВЕРКА
ПО РАСХОДУ
Затем нажать кнопку

-
3 Если производится поверка расходомеров модификаций РСМ-05.01, РСМ-05.03 и РСМ-05.03С, на индикаторе появляется надпись:
ПОВЕРКА
СТАРТ 4 ОТМЕНА к
-
4 Выполнение п. 7.4, 7.5,7.10.
-
4.1 Устанавливают расход в соответствии с таблицами 5 и 6.
-
4.2 Переводят установку в режим измерения в соответствии с эксплуатационной документацией.
-
Передний фронт сигнала «С/П» запускает расходомер в режим отсчета протекшего объема. По заднему фронту сигнала «С/П» отсчет прекращается, процессор расходомера вычисляет средний объемный расход путем деления измеренного объема на интервал времени и выводит полученное значение в окне меню:
G, мЛ3/ч |
ххххххх |
G, т/ч |
ххххххх |
При нажатии на кнопку |~» | на индикатор выводится значение измеренного объема и
массы:
V, мл3 |
хх,ххххх |
М, т |
хх,ххххх |
-
4.3 По окончанию сигнала «С/П» на частотный выход выдается частота, пропорциональная измеренному значению среднего расхода.
-
4.4 После снятия показаний нажимают кнопку |<_ I что переводит расходомер в режим ожидания сигнала «С/П», и повторяют измерения. —
-
4.5 Для выхода из режима «Поверка» замыкают контакты «К». Для РСМ-0 из режима «Поверка», нажав одновременно кнопки |<- |и |-> |.
Приложение Д
(справочное)
Места клеймения и пломбирования расходомеров
Место нанесения знака по верки в виде клейма-наклейки

Рисунок А.1. Расходомеры модификаций
РСМ-05.05С, РСМ-05.05СМ, РСМ-05.07 и
РСМ-05.07М
Рисунок А.2. Расходомеры модификаций
РСМ-05.03С и РСМ-05.03СМ

Библиография
-
[1] ЯЫ2.722.011 ТУ
-
[2] ТУ 25-04.3717-79
-
[3] ТУ 25-1801.214-90
-
[4] ТУ 25-04.3781-79
-
[5] ТУ 25-11.1645-84
-
[6] ТУ 25-11.1513-79
-
[7] РБ 03 13 6070 16
Мегаомметры Е6-16. Технические условия
Прибор комбинированный цифровой Щ300. Технические условия
Секундомеры электронные с таймерным выходом СТЦ-2. Технические условия
Калибратор программируемый П320. Технические условия Гигрометр психрометрический типа ВИТ. Технические условия
Барометр-анероид метеорологический БАММ-1. Технические условия
Мультиметры прецизионные Fluke 8508А
/ц/ОТДеЛ
Ж

Лист регистрации изменений
Лист регистрации изменений | |||||||||
Изм. |
Номера листов (ст] |
раниц) |
Всего листов (страниц) в докум. |
№ докум. |
Входящий № сопроводительного до^ум. и дата |
Поди. |
Дата / | ||
измененных |
замене-ных |
новых |
аннулированных | ||||||
— |
.— |
39 |
Ж | ||||||
3J | |||||||||

>тдел научно-технической \
L>s ' информации^ I IE гЛ \ и нормативной /ф// документации )[
