Методика поверки «ГСИ. Трансформаторы тока ТФНД-110М-II» (ИЦРМ-МП-226-20)
УТВЕРЖДАЮ
Технический директор ООО «ИЦРМ»
Государственная система обеспечения единства измерений
Трансформаторы тока ТФНД-110М-ПМетодика поверки
ИЦРМ-МП-226-20
г. Москва
2020 г.
Содержание-
1.1 Настоящая методика поверки устанавливает методы и средства первичной и периодической поверок трансформаторов тока ТФНД-ИОМ-П (далее - трансформаторы тока), изготовленных Коммандитным обществом «Запорожский завод высоковольтной аппаратуры» (КО «ЗЗВА»), Украина.
-
1.2 Интервал между поверками - 4 года.
-
1.3 Метрологические характеристики трансформаторов тока приведены в таблицах 1 и 2.
Таблица 1 - Пределы допускаемых относительной и абсолютной погрешностей трансформаторов для соответствующих заводских номеров в диапазоне от 10 до 120 % номинального первичного тока
|
Заводские номера |
Номинальный первичный ток, % от номинального значения |
Пределы допускаемой относительной погрешности трансформаторов при измерении тока, % |
Пределы допускаемой абсолютной погрешности трансформаторов при измерении угла сдвига фаз, ’ |
|
1213;1240 |
10 |
±1,0 |
±60 |
|
20 |
±0,75 |
±50 | |
|
от 100 до 120 |
±0,5 |
±40 | |
|
28; 30; 31; 33; 35; 39; 40; 249; 266;272; 279; 290; 399;760; 1922; 2003; 2009;2227; 2231;2383; 2384;2386; 2387;4749; 4754 |
10 |
±1,0 |
±60 |
|
20 |
±0,75 |
±45 | |
|
от 100 до 120 |
±0,5 |
±30 |
Таблица 2 - Метрологические характеристики
|
Наименование характеристики |
Значение |
|
Номинальное напряжение UH0M, кВ |
110 |
|
Номинальный первичный ТОК Ином., А |
1000;2000 |
|
Номинальный вторичный ток Ьном, А |
5 |
|
Номинальная вторичная нагрузка S2hom с индуктивно-активным коэффициентом мощности cos ср2 = 0,8, В -А |
20 |
|
Номинальная частота переменного тока, Гц |
50 |
-
2.1 При проведении поверки выполняют операции, указанные в таблице 3.
Таблица 3 - Операции поверки
|
Наименование операции |
Номер пункта методики поверки |
Проведение операции при первичной и периодической поверке |
|
Внешний осмотр |
8.1 |
Да |
|
Проверка сопротивления изоляции |
8.2 |
Да |
|
Наименование операции |
Номер пункта методики поверки |
Проведение операции при первичной и периодической поверке |
|
Размагничивание |
8.3 |
Да |
|
Проверка правильности обозначения контактных зажимов и выводов |
8.4 |
Да |
|
Определение метрологических характеристик |
8.5 |
Да |
-
2.2 Последовательность проведения операций поверки обязательна.
-
2.3 При получении отрицательного результата в процессе выполнения любой из операций поверки трансформатор тока бракуют и его поверку прекращают.
-
3.1 При проведении поверки рекомендуется применять средства поверки, приведенные в таблице 4.
-
3.2 Применяемые средства поверки должны быть исправны, средства измерений поверены и иметь действующие документы о поверке. Испытательное оборудование должно быть аттестовано.
-
3.3 Допускается применение аналогичных средств поверки, обеспечивающих определение метрологических характеристик поверяемых средств измерений с требуемой точностью, установленной Приказом Федерального агентства по техническому регулированию и метрологии от 27.12.2018 г. № 2768.
Таблица 4 - Средства поверки
|
Номер пункта методик и поверки |
Наименование и тип (условное обозначение) средства поверки; обозначение нормативного документа, регламентирующего технические требования, и (или) метрологические и основные технические характеристики средства поверки |
Рекомендуемый тип средства поверки и его регистрационный номер в Федеральном информационном фонде |
|
8.2 |
Мегомметр с характеристиками по ГОСТ 7746-2015 |
- |
|
8.3 |
Понижающий силовой трансформатор с регулирующим устройством, обеспечивающим диапазон регулирования от 1 до 120% номинального тока поверяемого трансформатора тока и установку этого тока с погрешностью, не выходящей за пределы ± 10 %; трансформатор тока класса точности не ниже 5 по ГОСТ 7746-2015; амперметр класса точности не ниже 5 по ГОСТ 8711-93; вольтметр амплитудных значений класса точности 10 по ГОСТ 8711-93; нагрузочный резистор (значение сопротивления указано в п. 8.3.3 настоящей методики поверки) |
|
Номер пункта методик и поверки |
Наименование и тип (условное обозначение) средства поверки; обозначение нормативного документа, регламентирующего технические требования, и (или) метрологические и основные технические характеристики средства поверки |
Рекомендуемый тип средства поверки и его регистрационный номер в Федеральном информационном фонде |
|
8.4 |
Понижающий силовой трансформатор по п. 8.3 | |
|
Рабочие эталоны - трансформаторы (компараторы) тока 1-го и 2-го разрядов согласно Приказу Федерального агентства по техническому регулированию и метрологии от 27.12.2018 г. № 2768 |
Трансформатор тока измерительный переносной ТТИП-5000/5 (регистрационный номер в Федеральном информационном фонде 39854-08) | |
|
Прибор сравнения токов с допускаемой погрешностью по току в пределах от ±0,03 до ±0,001 % и по фазовому углу от ±3,0 до ±0,Г |
Прибор электроизмерительный эталонный многофункциональный «Энергомонитор-3.1 КМ» (регистрационный номер в Федеральном информационном фонде 52854-13) | |
|
Нагрузочное устройство поверяемого трансформатора тока (вторичная нагрузка) с погрешностью сопротивления нагрузки при cos <р = 0,8, не выходящей за пределы ±4% Эквивалент нагрузки с амперметром и вольтметром по п. 8.3 |
Магазины нагрузок МР 3027 (регистрационный номер в Федеральном информационном фонде 34915-07) | |
|
8.5 |
Средства поверки по п. 8.4 |
Средства поверки по п. 8.4 |
-
4.1 К проведению поверки допускаются лица, изучившие настоящую методику, эксплуатационную документацию на трансформаторы тока и средства поверки.
-
4.2 К проведению поверки допускаются лица, являющиеся специалистами органа метрологической службы, юридического лица или индивидуального предпринимателя, аккредитованного на право поверки, непосредственно осуществляющие поверку средств измерений электрических величин, прошедшие инструктаж по технике безопасности и имеющие действующее удостоверение на право работы на электроустановках напряжением до 1000 В и группу по электробезопасности не ниже III.
-
5.1 При проведении поверки должны быть соблюдены требования безопасности, установленные ГОСТ 12.3.019-80, «Правилами техники безопасности, при эксплуатации электроустановок потребителей», «Межотраслевыми правилами по охране труда (правилами безопасности) при эксплуатации электроустановок». Также должны быть соблюдены требования безопасности, изложенные в эксплуатационных документах на применяемые средства поверки.
-
5.2 Средства поверки, которые подлежат заземлению, должны быть надежно заземлены. Подсоединение зажимов защитного заземления к контуру заземления должно производиться ранее других соединений, а отсоединение - после всех отсоединений.
-
6.1 При проведении поверки должны соблюдаться следующие условия:
-
- температура окружающей среды (25±10) °C;
-
- атмосферное давление от 85 до 105 кПа;
-
- относительная влажность воздуха от 30 до 80 %.
-
7.1 Перед проведением поверки необходимо выполнить следующие подготовительные работы:
-
- выдержать трансформатор тока в условиях окружающей среды, указанных в п. 6.1, не менее 2 ч, если он находился в климатических условиях, отличающихся от указанных в п. 6.1;
-
- подготовить к работе средства поверки согласно указаниям, приведенным в эксплуатационной документации на них.
-
8.1 Внешний осмотр
При проведении внешнего осмотра трансформатора тока устанавливают его соответствие следующим требованиям:
-
- контактные зажимы или выводы первичной и вторичной обмоток должны быть исправны и снабжены маркировкой;
-
- отдельные части трансформатора тока должны быть прочно закреплены;
-
- на табличке трансформатора тока должны быть четко указаны его паспортные данные.
Результаты считаются положительными, если соблюдаются вышеупомянутые требования.
-
8.2 Проверка сопротивления изоляции
Сопротивление изоляции обмоток у трансформаторов тока проверяют для каждой обмотки между соединенными вместе контактными выводами обмоток и корпусом при помощи мегомметра на 1000 В - для вторичных обмоток трансформаторов тока и на 2500 В - для первичных обмоток трансформаторов тока.
Значения сопротивления изоляции должны быть не менее:
-
- 3000 МОм - для первичных обмоток трансформаторов;
-
- 50 МОм - для вторичных обмоток трансформаторов.
-
8.3 Размагничивание
-
8.3.1 Схема размагничивания приведена на рисунке 1. Размагничивание проводят на переменном токе при частоте 50 Гц.
-
о
Гр - регулирующее устройство (автотрансформатор); Тп - понижающий силовой трансформатор; Тх - поверяемый трансформатор тока; Тв - вспомогательный трансформатор тока; R - резистор
Рисунок 1 - Пример схемы размагничивания трансформатора тока
-
8.3.2 У трансформаторов тока с несколькими вторичными обмотками, каждая из которых размещена на отдельном магнитопроводе, размагничивают каждый магнитопровод. Допускается размагничивание различных магнитопроводов выполнять одновременно.
-
8.3.3 Трансформаторы тока размагничивают одним из указанных ниже способов.
Первый способ. Вторичную обмотку замыкают на резистор мощностью не менее 250 Вт и сопротивлением R. Ом, рассчитываемым (с отклонением в пределах ±10%) по формуле:
'ном
где Дом - номинальный вторичный ток поверяемого трансформатора тока, А.
Если поверяемый трансформатор тока имеет несколько вторичных обмоток, каждая из которых расположена на своем магнитопроводе, то обмотки, расположенные на остальных магнитопроводах, замыкают накоротко.
Через первичную обмотку пропускают номинальный ток, затем плавно (в течение одной-двух минут) уменьшают его до значения, не превышающего 2 % от номинального.
Второй способ. Через первичную обмотку трансформатора тока при разомкнутой вторичной обмотке пропускают ток, равный 10 % от номинального значения первичного тока, затем плавно снижают его до значения, не превышающего 0.2 % от номинального.
Третий способ. Через вторичную обмотку трансформатора тока при разомкнутой первичной обмотке пропускают ток, равный 10 % от номинального значения вторичного тока, затем плавно снижают его до значения, не превышающего 0,2 % от номинального.
-
8.3.4 Если при токе в первичной обмотке, составляющем 10% от номинального значения, амплитудное напряжение на вторичной обмотке превышает 75 % от напряжения, указанного в ГОСТ 7746-2015 при испытании межвитковой изоляции, то размагничивание начинают при меньшем значении тока, при котором напряжение, индуктируемое (8.3.3, второй способ) или прикладываемое к вторичной обмотке (8.3.3, третий способ), не превышает указанного.
-
8.4 Проверка правильности обозначения контактных зажимов и выводов
-
8.4.1 Схемы поверки приведены на рисунках 2-4. Правильность обозначения контактных зажимов и выводов определяют по схеме поверки, выбранной для определения погрешностей по 8.5.


-
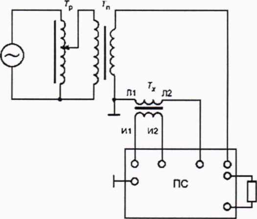
— сеть (генератор); Тр- регулирующее устройство (автотрансформатор); Т1} - понижающий силовой трансформатор; Тх - поверяемый трансформатор тока; Л|, Л2 - контактные зажимы первичной обмотки; Иь И2 - контактные зажимы вторичной обмотки; Z- нагрузка;
ПС - прибор сравнения
Рисунок 2 - Схема поверки с использованием компаратора первичного и вторичного токов

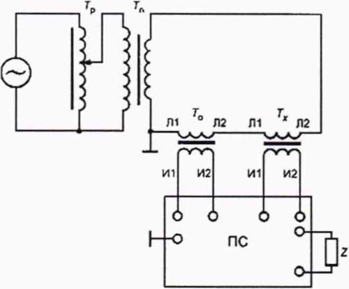
— сеть (генератор); Тр - регулирующее устройство (автотрансформатор); Тп - понижающий силовой трансформатор; То - рабочий эталон; Гх - поверяемый трансформатор тока; Лi, Л2 — контактные зажимы первичной обмотки: Hi, И2 - контактные зажимы вторичной обмотки;
Z - нагрузка; ПС - прибор сравнения
Рисунок 3 - Схема поверки с использованием рабочего эталона и прибора сравнения (компаратора вторичных токов)


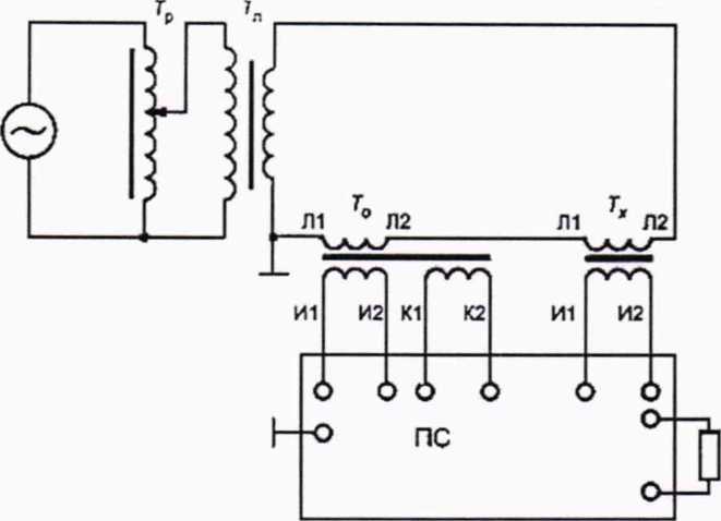
— сеть (генератор); Тр - регулирующее устройство (автотрансформатор); Тп - понижающий силовой трансформатор; То - рабочий эталон; Т* - поверяемый трансформатор тока;
Л1, Лг - контактные зажимы первичной обмотки; Иь И? - контактные зажимы вторичной обмотки; Ki, К2 - контактные зажимы дополнительной вторичной обмотки; Z - нагрузка; ПС - прибор сравнения
Рисунок 4 - Схема поверки с использованием рабочего эталона, выполненного по схеме двухступенчатого трансформатора тока
-
8.4.2 Поверяемый трансформатор тока и рабочий эталон включают в соответствии с маркировкой контактных зажимов по выбранной схеме поверки (см. рисунки 2-4). Затем плавно увеличивают первичный ток до значения, составляющего от 5 до 10% от номинального. В случае правильной маркировки выводов на приборе сравнения токов можно определить соответствующие значения погрешностей поверяемого трансформатора тока. При неправильном обозначении контактных зажимов и выводов поверяемого трансформатора тока угловая погрешность, отображаемая на приборе сравнения, будет равна (180±3)°. В этом случае трансформатор тока дальнейшей поверке не подлежит и к применению не допускается.
Примечание - Допускается проводить проверку правильности обозначения выводов другими методами.
-
8.5 Определение токовой и угловой погрешностей
-
8.5.1 Токовые и угловые погрешности трансформаторов тока определяют в соответствии со схемами поверки, указанными на рисунках 2-4 при значениях первичного тока и нагрузки, указанных в 8.5.2. Соединение приборов для измерительной схемы по рисункам 2-4 осуществляют в соответствии с требованиями руководства по эксплуатации применяемого прибора сравнения токов. Номинальное значение нагрузки устанавливают до начала измерений. Последовательность выполнения измерений - от минимального значения тока с последующим его увеличением до максимального.
-
8.5.2 Погрешности определяют при значениях первичного тока, составляющих 10, 20 и 100 % от номинального значения первичного тока поверяемого трансформатора и при номинальной нагрузке, а также при значении первичного тока, равного 120% от номинального значения первичного тока поверяемого трансформатора, и нагрузке, равной нижнему пределу диапазона нагрузок равного 25 %.
-
Примечание
1 Допускается заменять номинальную нагрузку на нагрузку, превышающую номинальную, но не более чем на 25 %, а нагрузку, соответствующую нижнему пределу диапазона нагрузок, - на любую нагрузку, не превышающую этого предела. Если при изменении нагрузки погрешности трансформаторов тока превысят предельно допускаемые значения, проводят повторное определение погрешностей при нагрузках, равных номинальной и нижнему пределу диапазона нагрузок.
-
8.5.3 По заявке потребителя поверку трансформаторов тока, находящихся в эксплуатации, допускается проводить при иных значениях тока и вторичной нагрузки, отличающихся от указанных в настоящей методике поверки.
-
8.5.5 Если номинальный первичный ток поверяемого трансформатора Лном> А, отличается от номинального первичного тока эталонного трансформатора /1ном.эт, А, необходимо выполнить следующие операции:
-
8.5.5.1 На эталонном трансформаторе установить номинальный первичный ток, соответствующий номинальному первичному току поверяемого трансформатора, округленному в большую сторону до ближайшего нормированного значения номинального первичного тока эталонного трансформатора.
-
8.5.5.2 При помощи регулирующего устройства последовательно подать испытательные сигналы в соответствии с таблицей 5.
Таблица 5 - Пределы допускаемых погрешностей вторичных обмоток для измерений и учета
|
Заводские номера |
Номинальный первичный ток, % от номинального значения |
Пределы допускаемой относительной погрешности трансформаторов при измерении тока, % |
Пределы допускаемой абсолютной погрешности трансформаторов при измерении угла сдвига фаз,' |
|
1213; 1240 |
10 |
±1,0 |
±60 |
|
20 |
±0,75 |
±50 | |
|
100 |
±0,5 |
±40 | |
|
120 |
±0,5 |
±40 | |
|
28; 30; 31; 33; 35; 39; 40; 249; 266;272; 279; 290; 399;760; 1922; 2003; 2009; 2227; 2231; 2383; 2384; 2386; 2387; 4749; 4754 |
10 |
±1,0 |
±60 |
|
20 |
±0,75 |
±45 | |
|
100 |
±0,5 |
±30 | |
|
120 |
±0,5 |
±30 |
-
8.5.5.3 Считать значения абсолютной погрешности трансформаторов при измерении угла сдвига фаз 21$, на приборе сравнения для каждого испытательного сигнала.
-
8.5.5.4 Зафиксировать измеренные значения вторичных токов эталонного /2эт, А, и поверяемого 12, А, трансформаторов на приборе сравнения в режиме амперметра для каждого испытательного сигнала.
-
8.5.5.5 Рассчитать значения первичных токов эталонного /1ЭТ, А, и поверяемого /ь А, трансформаторов тока по формулам:
Лэт ^ном.эт ’ ^2эт
(2)
(3)
где ином эт - коэффициент трансформации эталонного трансформатора; пном _ коэффициент трансформации поверяемого трансформатора.
-
8.5.5.6 Рассчитать относительную погрешность трансформаторов при измерении тока 6f, %, по формуле:

(4)
-
8.5.6 Полученные значения относительной погрешности при измерении тока и абсолютной погрешности при измерении угла сдвига фаз поверяемых трансформаторов тока не должны превышать пределов допускаемых погрешностей, указанных в таблице 5.
-
9.1 Положительные результаты поверки трансформатора тока оформляют свидетельством о поверке по форме, установленной в документе «Порядок проведения поверки средств измерений, требования к знаку поверки и содержанию свидетельства о поверке», утвержденному приказом Минпромторга России от 2 июля 2015 г. №1815, и нанесением знака поверки.
-
9.2 Знак поверки наносится на свидетельство о поверке и (или) в паспорт.
-
9.3 Отрицательные результаты поверки трансформатора тока оформляют извещением о непригодности по форме, установленной в документе «Порядок проведения поверки средств измерений, требования к знаку поверки и содержанию свидетельства о поверке», утвержденному приказом Минпромторга России от 2 июля 2015 г. № 1815, свидетельство о предыдущей поверке аннулируют, а трансформатор тока не допускают к применению.
Заместитель начальника отдела испытаний и поверки средств измерений ООО «ИЦРМ»
Инженер ООО «ИЦРМ»
Ю. А. Винокурова
К. Н. Поляков
