Методика поверки «КАЛИБРАТОРЫ ТОКОВОЙ ПЕТЛИ РЗУ-420» (МП КУВФ.411181.002)
ООО «Производстве*Eiное Объединение ОВЕН»

03
СИ ФГУП «вниимс»
В. Н. Яншин
2012 г.
КАЛИБРАТОРЫ ТОКОВОЙ ПЕТЛИ РЗУ-420
МЕТОДИКА ПОВЕРКИ
КУВФ.411181.002МТ1
Москва
СОДЕРЖАНИЕ-
9 Оформление результатов поверки
КУВФ.411181.002МП
Лист
2
Изм.
Лист
№ до кум.
Подпись
Дата
1 ОБЛАСТЬ ПРИМЕНЕНИЯ
Настоящая методика распространяется на калибраторы токовой петли РЗУ-420 (далее - приборы) пр-ва ООО «Производственное Объединение ОВЕН», г. Москва и устанавливает методику их первичной и периодической поверок.
Межповерочный интервал - 2 года.
2 НОРМАТИВНЫЕ ССЫЛКИ
HP 50.2.006-94 Государственная система обеспечения единства измерений. Порядок проведения поверки средств измерений.
ПР 50.2.012-94 Государственная система обеспечения единства измерений. Порядок аттестации поверителей средств измерений.
ГОСТ 12.3.019-80 Система стандартов безопасности труда. Испытания и измерения электрические. Общие требования безопасности.
ГОСТ Р 52931-2008 Приборы контроля и регулирования технологических процессов. Общие технические условия.
ГОСТ 26.011-80 Средства измерений и автоматизации. Сигналы тока и напряжения электрические непрерывные входные и выходные.
При поверке должны производиться операции, указанные в Таблице 1.
Таблица 1 - Операции поверки
Наименование операции |
Номер пункта методики поверки |
Проведение операции при | |
первичной поверке |
периодической поверке | ||
1. Внешний осмотр |
8.2 |
Да |
Да |
2. Проверка электрического сопротивления изоляции |
8.3 |
Да |
Да |
3. Опробование и подтверждение соответствия программного обеспечения |
8.4 |
Да |
Да |
4. Определение метрологических характеристик |
8.5 |
Да |
Да |
-
4.1 Средства измерений, используемые в качестве эталонных мер, должны иметь технические характеристики, обеспечивающие поверку в диапазоне измерений поверяемого прибора.
-
4.2 Измерительная цепь (включая эталонные меры), при помощи которой поверяют
приборы, должна обеспечивать такую точность измерений, при которой верно неравенство: < ^Дя , гДе ^п~ предел допускаемого абсолютного значения основной
погрешности поверяемого прибора.
-
4.3 Для определения основных погрешностей прибора необходимо применять следующие средства поверки.
-
4.3.1 При определении основной приведенной погрешности в режиме воспроизведения силы постоянного тока:
-
- миллиамперметр постоянного тока: диапазон входных сигналов от 0 до 25 мА; класс точности не хуже 0,01 (например, калибратор-измеритель унифицированных сигналов
КУВФ.411181.002МП |
Лист | |||||
3 | ||||||
Изм. |
Лист |
№ до кум. |
Подпись |
Дата |
эталонный ИКСУ-2000);
-
- резистор (360 ±10) Ом и мощностью 1 Вт (например, резистор МЛТ-1-360 Ом ± 5 %);
или:
-
- вольтметр постоянного тока с диапазонами входных сигналов постоянного напряжения от 0 до 10 В, класс точности не хуже 0,005/0,001 (например, вольтметр универсальный Щ31, приборы для поверки вольтметров В1-12 и В1-18, компаратор напряжений РЗООЗ);
-
- мера электрического сопротивления однозначная 100 Ом класс точности не хуже 0,01 (например, катушка электрического сопротивления Р331, мера электрического сопротивления однозначная МСЗ006);
-
- резистор (360 ± 10) Ом и мощностью 1 Вт (например, резистор МЛТ-1-360 Ом ± 5 %).
-
4.3.2 При определении основной приведенной погрешности в режиме измерения силы постоянного тока:
-
- источник тока постоянного напряжения с диапазоном выходного сигнала от 0 до 25 мА; класс точности не хуже 0,025 (например, калибратор-измеритель унифицированных сигналов эталонный ИКСУ-2000);
или:
-
- вольтметр постоянного тока с диапазонами входных сигналов постоянного напряжения от 0 до 10 В, класс точности не хуже 0,005/0,001 (например, вольтметр универсальный Щ31, прибор для поверки вольтметров, дифференциальный вольтметр В1-12, прибор для поверки вольтметров и калибраторов В1-18, компаратор напряжений РЗООЗ);
-
- мера электрического сопротивления однозначная 100 Ом класс точности не хуже 0,01 (например, катушка электрического сопротивления Р331, мера электрического сопротивления однозначная МСЗ006);
-
- мера сопротивления многозначная: диапазон выходных сопротивлений 0,001 Ом - 10 кОм; класс точности не более 0,02 (например, магазин сопротивлений Р4831, МСР-60М);
-
- источник напряжения постоянного тока с максимальным выходным напряжением 30 В, обеспечивающим постоянство напряжения, при котором за время определения основной погрешности прибора на одной отметке изменение тока, выраженное в процентах не должна превышать х/ю уп , где уп - предел допускаемого значения приведенной основной погрешности поверяемого прибора (например, источники питания постоянного тока Б5-44А, Б5-45, Б5-47, Б5-48, Б5-49)
-
4.3.3 При определении основной приведенной погрешности в режиме измерения напряжения постоянного тока:
- источник напряжения постоянного тока с диапазонами выходных сигналов постоянного напряжения от 0 до 30 В, класс точности не хуже 0,02 (например, прибор для поверки вольтметров, дифференциальный вольтметр В1-12, прибор для поверки вольтметров и калибраторов В1-18, компаратор напряжений РЗООЗ, калибратор программируемый П320, компаратор напряжений постоянного тока Р3017).
-
4.4 Мегаомметр для измерения сопротивления изоляции с номинальным напряжением 100 В и диапазоном измерений до 500 Ом, класс точности 1,0 (например, М4100/1).
-
4.5 Допускается применять другие средства поверки, в том числе автоматизированные, удовлетворяющие требованиям настоящей методики.
-
4.6 Средства поверки должны быть исправны и поверены в соответствии с ПР50.2.006.
КУВФ.411181.002МП
Лист
4
Изм.
Лист
№ до кум.
Подпись
Дата
-
5 ТРЕБОВАНИЯ БЕЗОПАСНОСТИ И ТРЕБОВАНИЯ К КВАЛИФИКАЦИИ ПОВЕРИТЕЛЕЙ
-
5.1 При проведении поверки необходимо соблюдать требования ГОСТ 12.3.019 - 92, «Правил технической эксплуатации электроустановок потребителей», «Правил техники безопасности при эксплуатации электроустановок потребителей».
-
5.2 К работе с прибором допускаются лица, изучившие РЭ на прибор, знающие принцип действия используемых средств измерений и прошедшие инструктаж по технике безопасности (первичный и на рабочем месте) в установленном в организации порядке.
-
5.4 К поверке допускаются лица, освоившие работу с прибором и используемыми эталонами, изучившими настоящую рекомендацию, аттестованных в соответствии с ПР 50.2.012 и имеющих достаточную квалификацию для выбора методики поверки и выбора соответствующих эталонов (и.и. 4.3.1.. .4.3.3 настоящей инструкции).
6 УСЛОВИЯ ПОВЕРКИ-
6.1 При проведении поверки соблюдают следующие условия:
-
- температура окружающего воздуха, °C 20 ± 5;
-
- относительная влажность окружающего воздуха, % 30 - 80;
-
- атмосферное давление, кПа 84,0 - 106,7;
-
- напряжение питания, В 220+}°;
-
- частота питающей сети, Гц 50 ± 1.
-
6.2 Средства поверки и поверяемые приборы должны быть защищены от вибраций и ударов.
-
7.1 Подготовить к работе поверяемый прибор в соответствии с указаниями, изложенными в Руководстве по эксплуатации (далее по тексту - РЭ) прибора.
Прибор включают на предварительный прогрев не менее чем за 0,5 мин до начала поверки.
-
7.2 Подготовить к работе средства поверки в соответствии с распространяющимися на них эксплуатационными документами.
-
7.3 Управление работой прибора при поверке, задание его программируемых параметров должны производиться в соответствии с указаниями РЭ на прибор.
-
8 ПРОВЕДЕНИЕ ПОВЕРКИ
Все действия с прибором (программирование и т.д.) должны производиться в соответствии с руководством по эксплуатации.
-
8.1 Метрологические характеристики, подлежащие определению
Таблица 2 - Характеристики калибраторов в режиме воспроизведения силы тока
Воспроизведение силы постоянного тока3) |
От 0,2 до 25 мА |
«Грубо» |
0,1 | |
«Точно» |
0,01 |
КУВФ.411181.002МП |
Лист | |||||
5 | ||||||
Изм. |
Лист |
№ до кум. |
Подпись |
Дата |
Наименование режима работы |
Диапазон воспроизведения силы тока |
Дискретность установки воспроизводимого тока |
Пределы допускаемой основной приведенной1) погрешности2), % | |
Режим работы |
Дискретность, мА | |||
Функциональный генератор (прямоугольная, пилообразная, треугольная, косинусоидальная формы выходного тока) |
От 0,2 до 25 мА |
«Грубо» |
0,1 |
± 1 |
«Точно» |
0,01 |
Примечания: 1) - Погрешность приведена к диапазону 4-20 мА. За нормирующее значение при определении приведенной погрешности принята разность между верхним (20 мА) и нижним значением (4 мА) диапазона воспроизведения.
-
2) - При воспроизведении силы тока в интервалах от 0,2 до 4 мА и от 20 до 25 мА погрешность не нормируется.
-
3) - Возможно плавное или ступенчатое изменение значения выходного тока.
Таблица 4 - Характеристики калибраторов в режиме измерения силы постоянного тока
Диапазон измерений
Значение единицы младшего разряда
От 0,2 до 25 мА
0,001 мА
Примечания: Т) - Погрешность приведена к диапазону 4-20 мА. За нормирующее значение при определении приведенной погрешности принята разность между верхним (20 мА) и нижним значением (4 мА) диапазона измерений.
Таблица 3 - Характеристики калибраторов в режиме измерения напряжения постоянного тока
От 1 до 30 В |
0,01 В |
Примечания: 1) - Погрешность приведена к диапазону измерений. За нормирующее значение при определении приведенной погрешности принята разность между верхним (30 В) и нижним значением (1 В) диапазона измерений.
2-* - При измерении силы тока в интервалах от 0,2 до 4 мА и от 20 до 25 мА погрешность не нормируется.
Длительность периода воспроизводимого сигнала
в режиме функционального генератора, с от 0,1 до 99
Коэффициент заполнения в режиме функционального генератора, % от 1 до 99
-
8.2 Внешний осмотр
-
8.2.1 При проведении внешнего осмотра должно быть проверено соответствие прибора следующим требованиям:
-
- прибор должен быть представлен на поверку с эксплуатационной документацией, входящей в комплект поставки прибора (паспорт и РЭ).
КУВФ.411181.002МП |
Лист | |||||
6 | ||||||
Изм. |
Лист |
№ до кум. |
Подпись |
Дата |
-
- прибор должен быть чистым и не иметь механических повреждений на корпусе и лицевой панели;
-
- прибор не должен иметь механических повреждений измерительных выводов;
-
- на приборе должна быть маркировка, соответствующая РЭ.
-
8.1.2 При обнаружении механических дефектов, а также несоответствия маркировки эксплуатационной документации определяется возможность проведения поверки и дальнейшего использования прибора.
-
8.3 Проверка электрического сопротивления изоляции
-
8.3.1 Определение электрического сопротивления изоляции токоведущих цепей поверяемого прибора производить между цепью внешнего питания и корпусом, между цепью внешнего питания и измерительной цепью прибора по методике, изложенной в ГОСТ Р 52931, в климатических условиях, приведенных в и. 6.1 настоящей МП.
-
Прибор перед испытанием покрывают сплошной, плотно прилегающей к поверхности металлической фольгой таким образом, чтобы расстояние ее от зажимов испытуемой цепи было не менее 20 мм, при этом необходимо закоротить клеммы цепи внешнего питания между собой и клеммы измерительной цепи прибора между собой.
Поочередно подключают зажимы мегаомметра к контактам цепи внешнего питания и к металлической фольге, и цепи внешнего питания и к контактам измерительной цепи.
Проверка электрического сопротивления изоляции производится испытательным напряжением 100 В.
-
8.3.2 Прибор считают выдержавшим испытание, если измеренное сопротивление изоляции не менее 20 МОм.
-
8.4 Опробование и подтверждение соответствия программного обеспечения
-
8.4.1 Для подготовки прибора к поверке необходимо:
-
-
- подключить сетевой адаптер к разъему прибора, а затем к сети 220 В, 50 Гц;
-
- в случае питания прибора от гальванических элементов, установить элементы в батарейный отсек соблюдая полярность;
-
- подключить прилагаемые измерительные выводы (щупы) к гнездам прибора.
-
8.4.2 Подтверждение соответствия программного обеспечения._
При нажатии и удержании кнопки управления питанием « И » более 1 сек, на экране появится наименование прибора и номер версии (идентификационный номер) встроенного программного обеспечения прибора.
Результат подтверждения соответствия программного обеспечения считается положительным, если полученные идентификационные данные программного обеспечения средства измерений (номер версии (идентификационный номер) программного обеспечения) соответствуют идентификационным данным, указанным в разделе «Метрологические и технические характеристики» описания типа средства измерений.
После отпускания кнопки прибор готов к работе.
-
8.4.3 Перед проведением поверки выполнить следующие действия:
•UPW
последовательно нажимая клавишу «
» убедиться, что на экране прибора правильно (в соответствии с РЭ) отображаются сообщения о каждом режиме работы прибора.
Прибор готов к поверке.
Изм. |
Лист |
№ до кум. |
Подпись |
Дата |
КУВФ.411181.002МП

-
8.5 Определение метрологических характеристик
При первичной поверке приборов значения основной приведенной погрешности определяют в точках 0, 50 и 100 % диапазона воспроизведения (измерений).
При периодической поверке основную приведенную погрешность определяют в точках, соответствующих 0, 25, 50, 75, 100 % диапазона воспроизведения (измерений).
При определении основной приведенной погрешности в режиме функционального генератора необходимо задать:
-
- минимальное значение тока - 0,2 мА;
-
- длительность периода функции - 40 с;
-
- коэффициент заполнения - 90 %.
8.5.1 Определение основной приведенной погрешности прибора в режиме
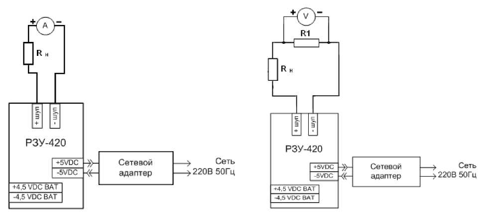
воспроизведения силы постоянного тока. Собрать схему по рисунку 1.

а) б)
а) при использовании в качестве эталона миллиамперметра постоянного тока.
б) при использовании в качестве эталона вольтметра постоянного тока и эталонной
меры электрического сопротивления.
А - миллиамперметр; V - вольтметр; R1 -мера сопротивления однозначная 100 Ом; RH - резистор (360 ±10) Ом.
Рисунок 1
При определении погрешности по схеме рисунок 1а).
Последовательно устанавливая на выходе поверяемого прибора значения силы постоянного тока, соответствующие значениям в контрольных точках, зафиксировать по показаниям миллиамперметра установившиеся значения для каждой из этих точек.
Рассчитать основную приведенную погрешность по формуле 1.
норм ,
где, y1 - основная приведенная погрешность воспроизведения (измерения) сигнала, %;
Аизм - сгенерированное (измеренное) поверяемым прибором значение сигнала на выходе (входе), (мА; В);
Ауст - измеренное (установленное) значение сигнала на эталонном СИ (мА; В);
Анорм - нормирующее значение, равное разнице между верхней и нижней границами диапазона воспроизведения (измерения) сигнала (мА; В)
КУВФ.411181.002МП |
Лист | |||||
8 | ||||||
Изм. |
Лист |
№ до кум. |
Подпись |
Дата |
При определении погрешности по схеме рисунок 16).
Последовательно устанавливая на выходе поверяемого прибора значения силы постоянного тока, соответствующие значениям в контрольных точках, зафиксировать по показаниям вольтметра постоянного тока установившиеся значения для каждой из этих точек.
Примечание - При определении основной приведенной погрешности в режиме функционального генератора, зафиксировать измерение приращений (отклонений) напряжения при помощи вольтметра В1-18.
Действительное значение силы постоянного тока определяют измерением падения напряжения на сопротивлении R1 при помощи вольтметра постоянного тока и рассчитывают по формуле 2:
_ U
(2)
где I - значение силы постоянного тока, мА;
U - напряжение по показаниям вольтметра постоянного тока, мВ;
R - сопротивление эталонной меры электрического сопротивления R1, Ом. Рассчитать основную приведенную погрешность по формуле 1.
Прибор признается годным, если наибольшее из рассчитанных значений основной приведенной погрешности не превышает уп.
-
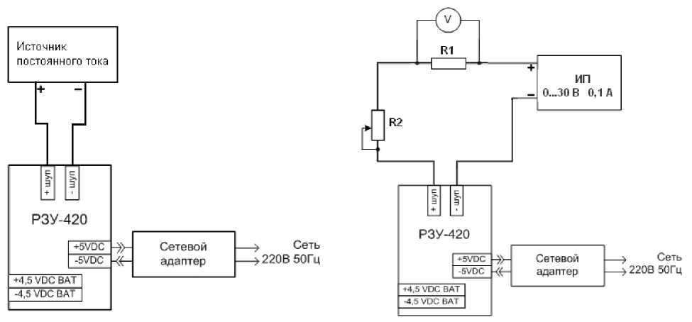
8.5.2 Определение основной приведенной погрешности прибора в режиме
измерения силы постоянного тока. Собрать схему по рисунку 2.

а) б)
а) при использовании в качестве эталона источника постоянного тока.
б) при использовании в качестве эталона вольтметра постоянного тока и эталонной меры электрического сопротивления.
V - вольтметр; R1 -мера сопротивления однозначная 100 Ом; ИП - источник постоянного напряжения;
R2 - мера сопротивления многозначная (магазин сопротивлений).
Рисунок 2
КУВФ.411181.002МП |
Лист | |||||
9 | ||||||
Изм. |
Лист |
№ до кум. |
Подпись |
Дата |
При определении погрешности по схеме рисунок 2а).
Последовательно устанавливая на выходе источника постоянного тока, значения силы постоянного тока, соответствующие значениям в контрольных точках, зафиксировать по показаниям поверяемого прибора установившиеся значения для каждой из этих точек.
Рассчитать основную приведенную погрешность по формуле 1.
При определении погрешности по схеме рисунок 26) на источнике постоянного напряжения установить напряжение 24 В.
Изменяя значения сопротивлений на мере сопротивления (магазине сопротивлений) задают значения силы постоянного тока, соответствующие контрольным точкам по показаниям поверяемого прибора.
Зафиксировать установившиеся значения для каждой из этих точек по показаниям поверяемого прибора и вольтметра постоянного тока.
Действительное значение силы постоянного тока определяют измерением падения напряжения на сопротивлении R1 при помощи вольтметра постоянного тока и рассчитывают по формуле 2.
Рассчитать основную приведенную погрешность по формуле 1.
Прибор признается годным, если наибольшее из рассчитанных значений основной приведенной погрешности не превышает уп.
-
8.5.3 Определение основной приведенной погрешности прибора в режиме измерения напряжения постоянного тока.
Собрать схему по рисунку 3.

Рисунок 3
Последовательно устанавливая на выходе источника напряжения постоянного тока, величины напряжений, соответствующие контрольным точкам, зафиксировать по показаниям поверяемого прибора установившиеся значения для каждой из этих точек.
Рассчитать основную приведенную погрешность по формуле 1.
Прибор признается годным, если наибольшее из рассчитанных значений основной приведенной погрешности не превышает Yn .
КУВФ.411181.002МП |
Лист | |||||
10 | ||||||
Изм. |
Лист |
№ до кум. |
Подпись |
Дата |
-
9.1 Результаты поверки оформляются протоколом по форме, установленной метрологической службой, проводящей поверку.
-
9.2 Положительные результаты первичной поверки оформляются записью в паспорте с нанесением оттиска поверительного клейма.
-
9.3 При положительном результате периодической поверки выдается свидетельства о поверке в соответствии с ПР 50.2.006.
-
9.4 При отрицательных результатах поверки прибора к эксплуатации не допускается, свидетельство о предыдущей поверке аннулируется и выдается извещение о непригодности
КУВФ.411181.002МП
Лист
11
Изм.
Лист
№ до кум.
Подпись
Дата