Методика поверки «Монитор медицинский ММ-18И» (МРБ МП.2511-2015)
Открытое акционерное общество «ИНТЕГРАЛ»-управляющая компания холдинга «ИНТЕГРАЛ»
СОГЛАСОВАНО
УТВЕРЖДАЮ Директор БелГИМ

И.о. главного инженера
ОАО «ИНТЕГРАЛ»-управляющая компания холдинйэ-^ЙШШ^^,
■ 2<xZ'
Система обеспечения единства измерений Республики Беларусь
МОНИТОР МЕДИЦИНСКИЙ «ММ-18И»
Методика поверки
ФШЮГ. 941118.006 МП
МРБ Mnjw-
РАЗРАБОТЧИК
Главный метролог «-управляющая Дин га «ИНТЕГРАЛ» С.С.Трус

комп
20
Директор НТЦ ЭТ
ОАО «ИНТЕГРАЛ»-управляющая компания холдинга^ ИНТЕ ГРАП» М .Басалыга
ZZTZZZZZo
г. Минск
Настоящая методика поверки распространяется на монитор медицинский «ММ-18И» (далее - монитор) ТУ BY 100386629.177-2015 и устанавливает правила и процедуру их поверки при производстве, в период эксплуатации и после проведения ремонта.
Межповерочный интервал 12 месяцев.
Поверку мониторов проводят юридические лица государственной метрологической службы или аккредитованные поверочные лаборатории других юридических лиц, получивших право поверки средств измерений, предназначенных для применения в сфере законодательной метрологии решением Госстандарта, область аккредитации которых обеспечивает техническую компетентность при проведении работ по оказанию услуг по поверке мониторов.
1 Операции поверки
1.1 При проведении поверки должны быть выполнены операции, указанные в таблице 1.
Инв.№ подл. I Подп. и дата | Взам. инв № | Инв. Na дубл. | Подп. и дата
Таблица 1 - Операции поверки мониторов
Наименование операции |
Номер пункта методики поверки |
Проведение операции при | |
первичной поверке |
периодической поверке | ||
1 |
2 |
3 |
4 |
1 Внешний осмотр |
7.1 |
Да |
Да |
2 Опробование |
7.2 |
Да |
Да |
3 Определение метрологических характеристик канала электрокардиограммы (далее - ЭКГ) |
7.3 |
Да |
Да |
3.1 Определение диапазона входных напряжений |
7.3.1 |
Да |
Да |
3.2 Определение относительной погрешности измерения входного напряжения |
7.3.2 |
Да |
Да |
3.3 Определение нелинейности |
7.3.3 |
Да |
Да |
3.4 Определение относительной погрешности установленной чувствительности |
7.3.4 |
Да |
Да |
3.5 Определение входного импеданса |
7.3.5 |
Да |
Нет |
3.6 Определение коэффициента ослабления синфазных сигналов |
7.3.6 |
Да |
Нет |
3.7 Определение напряжения внутренних шумов, приведенных к входу |
7.3.7 |
Да |
Нет |
3.8 Определение неравномерности амплитудно-частотной характеристики (далее - АЧХ) |
7.3.8 |
Да |
Да |
3.9 Определение относительной погрешности измерения интервалов времени |
7.3.9 |
Да |
Нет |
3.10 Определение относительной погрешности установки скорости отображения |
7.3.10 |
Да |
- |
3.11 Определение постоянной времени |
7.3.11 |
Да X к0 -----м |
Подп.
№ докум.
Лист
Изм.
ФШЮГ.941118.006 ПМ

Продолжение таблицы 1
1 |
2 |
3 |
4 |
3.12 Определение относительной погрешности регистрации калибровочного сигнала |
7.3.12 |
Да |
Да |
3.13 Определение диапазона измерения частоты сердечных сокращений (далее - ЧСС) (по каналу измерения ЭКГ) и абсолютной погрешности измерения ЧСС |
7.3.13 |
Да |
Да |
4 Определение метрологических характеристик канала неинвазивного измерения артериального давления (далее - НИАД) |
7.4 |
Да |
Да |
5 Определение метрологических характеристик канала инвазивного измерения артериального давления (далее - ИАД) |
7.5 |
Да |
Да |
6 Определение метрологических характеристик канала измерения температуры |
7.6 |
Да |
Да |
Инв.№ подл. | Подп. и дата | Взам. инв. № | Инв. № дубл. | Подп. и дата
4 | |||
Изм. |
Лист |
№ докум. |
Подп. |

-
2 Средства поверки
-
2.1 Средства измерений, эталоны и вспомогательные средства, применяемые при проведении поверки, приведены в таблице 2.
Таблица 2 - Перечень средств поверки
Номер пункта методики поверки
Наименование и тип (условное обозначение) эталонов и вспомогательных средств поверки, их метрологические и основные технические характеристики, обозначение технических нормативных правовых актов (далее - ТИПА)
1
2
7.3.1
Генератор функциональный ГФ-05
Технические характеристики:
-
- диапазон рабочих частот от 10-4 до 600 Гц;
-
- диапазон выходных напряжений от 0,03*10-3 до 10 В;
-
- относительная погрешность напряжения входного сигнала: ±1,0% для
1 мВ; ±1,5% для 0,3; 0,4; 0,5; 0,6; 0,7; 0,8; 1,5, 2,0; 3,0; 4,0; 5,0; 6,0; 7,0; 8,0; 9,0; 10 мВ; ±3,0% для 0,1; 0,2 мВ; ±9,5% для 0,03; 0,05 мВ;
-
- относительная погрешность установки значений частоты в пределах +-0,1 %
7.3.1 -7.3.4;
7.3.8-7.3.13
Частотомер электронно-счетный 43-63 ТУ 4-89 ДЛИ 2.721.007 ТУ. Технические характеристики:
-
- диапазон измеряемых частот:
а) синусоидальных от 0,1 Гц до 1500 МГц;
б) импульсных сигналов от 0,1 Гц до 200 МГц (0,1-10 В);
-
- напряжение входного сигнала:
а) в диапазоне 0,1 Гц-1000 МГц от 0,03 до 10 В эфф.;
б) в диапазоне 1000-1500 МГц от 30 мкВт до 10 мВт;
-
- погрешность измерения частоты не более ± 5-10’7 ± 1 ед. сч.;
-
- диапазон измеряемых периодов сигнала от 0,1 мкс до W4 с;
-
- диапазон измеряемых длительностей импульсов от 0,1 до 104 с
7.3.1-7.3.13
-
-
Комплекс измерительный многофункциональный УНИПРО ТУ РБ 190007888.001-2000.
Генератор сигналов произвольной формы В-131.
Технические характеристики:
-
- диапазоны выходного напряжения формируемых сигналов:
а) от минус 2 до плюс 2 В (±1 В) при работе на нагрузку 1 кОм (50 Ом);
б) 8 от минус 8 до плюс 8 В (±4 В) при работе на нагрузку 1 кОм (50 Ом);
-
- разрешение по напряжению;
а) в диапазоне от минус 2 до плюс 2 В - 0,25 мВ;
б) в диапазоне от минус 8 до плюс 8 В - 1 мВ;
-
- основная относительная погрешность формирования амплитуды сигнала синусоидальной формы в диапазоне амплитуд от 0,15 до 4 В: ±1,0 % в полосе частот от 0,1 Гц до 1 МГц; ±2,5 % в полосе частот от 1 МГц до 10 МГц (при работе на нагрузку сопротивлением 50 Ом);
-
- основная относительная погрешность формирования амплитуды сигналов прямоугольной и треугольной формы размахом от 0,1 до 4 В: ±2 % в диапазоне частот от 0,1 Гц до 1 МГц (при работе на нагрузку сопротивлением 50 Ом);
-
- основная относительная погрешность установки частоты сигналов синусоидальной, треугольной и прямоугольной формы - ±0,002 % во всем диапазоне частот
\
_ ---- |
„ХИнст' | |||||
ФШЮГ.941118.006 ПМ |
4 | |||||
Изм. |
Лист |
Ns докум. |
Подп. |
Инв.№ подл. I Подл, и дата | Взам. инв. № | Инв. № дубл. |Подл, и дата
Продолжение таблицы 2 | |
1 |
2 |
7.3.1 - 7.3.5, 7.3.8-7.3.13 |
Блок для поверки электрокардиографов БПП1 (далее - блок БПП1). Технические характеристики:
|
7.3.2-7.3.11 |
Лупа измерительная ЛИ-3-10х ТУ РБ 14541426.020-99. Технические характеристики:
|
Линейка металлическая измерительная ГОСТ 427-75. Технические характеристики:
| |
7.3.6, 7.3.7 |
Блок для поверки электрокардиографов БПП2 (далее - блок БПП2). Технические характеристики:
а) по входу N - (51 ±2,55) кОм; б) по входу R - Rmin - (50±2,5) Ом, Rmax - (51 ±2,55) кОм; в) по всем остальным каналам Rmin не более 0,5 Ом, г) Rmax - (51 ±2,55) кОм. Генератор ГЗ-112/1 ЕХ3.268.042ТУ. Технические характеристики: -диапазон частот от 10 Гц до 10 МГц;
а) от 10 Гц до 1 МГц - ±(2+30/fH)%, где fH - установленное по шкале значение частоты, Гц; б) от 1 до 10 МГц - ±3 %. Усилитель ГЗ-112/1 ЕХ3.268.042ТУ. Технические характеристики:
Вольтметр ВЗ-38Б ТУ 4-ЯЫ2.710.087-01ТУ-86. Технические характеристики:
|
7.4, 7.5 |
Калибратор давления JOFRA НРС600 002С:
|
7.6 |
Устройство термостатирующее измерительное «Термостат А2» ТУ РБ 14789681.004-00. Технические характеристики:
|
--------------——-I |
Лист | ||||
ФШЮГ.941118.006 ПМ X - |
5 |
Продолжение таблицы 2
1 |
2 |
Измеритель температуры эталонный ИТЭ. Технические характеристики:
а) ± 0, 010 К (от 193,15 К до 273,16 К); б) ± 0,010 °C (от 0 до 231,928 °C); в) ± 0,030 °C (от 231,928 до 419,527 °C); пределы допускаемой абсолютной погрешности измерения сопротивления (100 Ом) - не более ±0, 0015 Ом;
|
-
2.2 Допускается применение других средств поверки, не указанных в таблице 2, но обеспечивающих определение метрологических характеристик монитора с требуемой точностью.
-
2.3 Эталоны и вспомогательные средства измерений, применяемые при проведении поверки, должны иметь действующее поверительное клеймо и Свидетельство о поверке. Вспомогательные средства поверки должны соответствовать требованиям ТИПА на них.
-
2.4 При получении отрицательного результата, после выполнения любой из операций, поверку прекращают. Монитор, не прошедший поверку, возвращают заказчику для проведения диагностики и ремонта
Инв.№ подл. I Подп. и дата | Взам. инв. № | Инв. № дубл. | Подп. и дата
Изм.
Лист
№ докум.
Подп.
3 Требования к квалификации поверителей
-
3.1 К проведению поверки монитора допускаются лица, аттестованные в качестве поверителей в порядке, установленном Госстандартом Республики Беларусь.
4 Требования безопасности
-
4.1 При проведении поверки соблюдают требования по обеспечению безопасности выполнения работ в соответствии с ТКП 181-2009. Поверку проводят в соответствии с требованиями безопасности, изложенными в руководстве по эксплуатации монитора и в эксплуатационной документации на средства поверки.
-
4.2 ЗАПРЕЩАЕТСЯ поверять мониторы:
-
- некомплектные;
-
- имеющие механические повреждения корпуса;
-
- имеющие повреждения соединительных кабелей.
5 Условия поверки
-
5.1 При проведении поверки нормальные условия поверки должны соответствовать ГОСТ 20790-93:
-
- температура окружающего воздуха (2015) °C;
-
- относительная влажность воздуха (60115) % при температуре воздуха (20±5) °C;
-
- атмосферное давление (101,3±4) кПа (760130) мм рт. ст.
ВНИМАНИЕ: ВСЕ ВНЕШНИЕ ПОДКЛЮЧЕНИЯ ДОЛЖНЫ ПРОИЗВОДИТЬСЯ ПРИ ВЫКЛЮЧЕННОМ МОНИТОРЕ.
Примечание - Если перед началом поверки монитор находился в условиях отличных от условий указанных в 5.1, то его необходимо выдержать в течение 24 ч в помещении с нормальными климатическими условиями.
Инв.№ подл. I Подл, и дата | Взам. инв. № | Инв. Ns дубл. | Подп. и дата
6 Подготовка к поверке
-
6.1 Перед проведением операций поверки необходимо:
-
- ознакомиться с эксплуатационной документацией на монитор, подготовить его к работе в соответствии с эксплуатационной документацией;
-
- установить средства измерений, позволяющие в процессе проведения поверки контролировать изменения влияющих факторов (температуры, барометрического давления, влажности окружающей среды);
-
- подготовить к работе средства поверки в соответствии с требованиями, изложенными в эксплуатационной документации на них.
7 Проведение поверки
-
7.1 Внешний осмотр
-
7.1.1 При внешнем осмотре монитора проверяют:
-
-
- соответствие комплектности монитора эксплуатационной документации на монитор;
-
- отсутствие механически повреждений, влияющих на работоспособность монитора;
-
- состояние защитно-декоративных покрытий, наличие и четкость маркировки;
-
- прочность крепления и исправность функционирования всех кнопок;
-
- чистоту электродных отведений, датчиков и соединительных кабелей.
-
7.1.2 Допускается проводить поверку монитора без запасных частей и принадлежностей, не влияющих на его работоспособность и на результаты поверки.
7.2 Опробование
Изм.
——
Лист
№ докум.
Подп.
V,ay'*0.'
. ..riiA \ **
-
—-^7ФШЮГ.941118.006 ni\K^g.^s^

-
7.2.1 Включить питание монитора нажатием кнопки «%» на лицевой панели. После включения питания монитор переходит в режим самотестирования. В случае исправного состояния, после окончания самотестирования, выдается одиночный звуковой сигнал. На экране должна отображаться информационная страница.
-
7.2.2 Проверка монитора на герметичность пневмосистемы проводится в следующем порядке:
-
- подключите манжету для неинвазивного измерения давления из комплекта монитора к штуцеру на мониторе;
-
- оберните манжету вокруг недеформируемого цилиндра соответствующего размера;
-
- в окне меню НИАД «МЕНЮ НИАД» выберите пункт «Пров» (кнопку «Пров» нажать и удерживать не менее 5 с);
-
- переведите монитор в режим проверки утечки - нажмите на «УТЕЧКИ».
Если результат по утечке воздуха удовлетворительный, то отображается сообщение «НЕТ УТЕЧКИ», если монитором будет выявлена утечка, то появиться сообщение «ЕСТЬ УТЕЧКА».
7.3 Определение метрологических характеристик канала ЭКГ
Проверку метрологических характеристик канала ЭКГ проводят по ГОСТ 19687-89. В меню ЭКГ все установки измерения ЭКГ, если они не оговорены особо при определении параметров, должны быть установлены в положения в соответствии с таблицей 3.
Инв.№ подл. I Подп. и дата | Взам. инв. № | Инв. №дубл. | Подл, и дата
Таблица 3 - Положения установок для измерения ЭКГ
Установка |
Значение |
В меню параметров ЭКГ | |
Тип Отвед |
«5 пров» или «10 пров» |
Источник |
ЭКГ |
Анализ аритм |
ВЫКЛ |
Анализ ST |
ВЫКЛ |
В меню кривой ЭКГ | |
Фильтр |
РАСШИР |
Перед проверкой параметров ЭКГ монитор подвергается испытанию на допустимые перегрузки по входному напряжению в каждом регистрирующем канале гармоническим сигналом размахом (1±0,05) В и частотой (50±2,5) Гц, приложенным менаду отводящими электродами в течение времени не менее 10 с.
После испытаний на перегрузки выполнить тест работоспособности монитора:
-
- включить монитор, дождаться окончания процесса загрузки монитора, убедиться в том, что дисплей монитора отображает информационную страницу с окнами измерительных параметров;
-
- выключить монитор.
-
7.3.1 Определение диапазона входных напряжений
-
7.3.1.1 Диапазон входных напряжений проверяют используя блок для поверки электрокардиографов БПП1 (далее - блок БПП1) и функциональный генератор ГФ-05 или комплекс измерительный многофункциональный УНИПРО (далее - комплекс УНИПРО). Проверку выполняют в соответствии со схемой, приведенной на рисунке Б.2.1 (приложение Б), в последовательности:
- в меню ЭКГ ручкой-манипулятором монитора устанавливают л^Йвйие^ 2(п'.'что>\ соответствует масштабу (чувствительности) 2,0 см/мВ (20 мм/мВ); Дг/\
----------------------------------------------------------------------- V. ФШЮГ.941118.006 ПМ |
Лист | ||||
8 | |||||
Изм. |
Лист |
№ докум. |
Подп. |
-
- на вход монитора, через блок БПП1, с генератора подают гармонический сигнал с частотой 10,0 Гц и размахом напряжения выходного сигнала 0,03 мВ. Изображение сигнала на экране монитора не должно иметь видимых искажений;
-
- ручкой-манипулятором монитора, в меню ЭКГ, устанавливают усиление 0,5, что соответствует масштабу (чувствительности) 0,5 см/мВ (5,0 мм/мВ);
-
- с генератора подают гармонический сигнал частотой 10 Гц, размах напряжения выходного сигнала 5,0 мВ. Изображение сигнала на экране монитора не должно иметь видимых искажений.
-
7.3.2 Определение относительной погрешности измерения входного напряжения
-
7.3.2.1 Относительную погрешность измерения напряжения определяют в каждом канале, используя блок БПП1 и комплекс УНИПРО, в соответствии со схемой, приведенной на рисунке Б.2.1 (приложение Б).
-
7.3.2.2 На вход канала ЭКГ с генератора (через блок БПП1) подают меандр частотой 10,0 Гц. Размах напряжения сигнала генератора устанавливают по таблице 4, соответственно установленному значению усиления (чувствительности).
-
7.3.2.3 Одновременно с сигналом подают напряжение смещения ±(300±30) мВ от встроенного источника. Подключение источника смещения и смену его полярности выполняют переключателем П2.
Инв.№ подл. | Подп. и дата | Взам? инв. Ns | Инв. № дубл. | Подп. и дата
Примечание - В меню установки усиления имеется вспомогательный режим «АВТО». В этом режиме автоматически устанавливается необходимый коэффициент усиления по критерию отображения на экране (или на ленте печатающего устройства) сигнала максимального размаха неискаженной формы. Метрологические требования не предъявляются.
Таблица 4 - Параметры входного сигнала
Установленное усиление/масштаб, см/мВ
Чувствительность, SHom, мм/мВ
Размах напряжения сигнала генератора, мВ
0,25/0,25 см/мВ
2,5
0,8; 4,0
0,5/0,5 см/мВ
5,0
0,4; 2,0; 4,0
1/1 см/мВ
10,0
0,2; 1,0; 2,0
2/2 см/мВ
20,0
0,1; 0,5; 1,0
4/4 см/мВ
40,0
0,05; 0,25; 0,5
-
7.3.2.4 В соответствии с таблицей 4 последовательно устанавливают коэффициент усиления канала ЭКГ монитора и соответствующее значение сигнала генератора. Регистрируют сигналы на устройстве печати.
При помощи измерительной линейки (далее - линейка) и измерительной лупы (далее -лупа) определяют линейный размер размаха регистрируемого сигнала на распечатке.
-
7.3.2.5 Относительную погрешность измерения напряжения SU, в процентах, определяют по формуле
Л -Чизм _ugx.loo
и
ивх
где иизм= hM3M/SH0M - размах измеренного монитором напряжения, мВ; Ьизм - линейный размер размаха регистрируемого сигнала, мм; Shom - номинальное значение установленной чувствительности, мм/мВ; Ubx - размах сигнала, подаваемого на вход ЭКГ монитора, мВ.
Относительная погрешность измерения напряжения должна быть:
-
- в диапазоне от 0,1 до 0,5 мВ - не более ±15 %;
-
- в диапазоне от 0,5 до 4,0 мВ - не более ±7 %.
----------- ’-■’’Ч
Пист
№ докум.
Подп.
I
К
—
ФШЮГ.941118.006 ПМ
■V*
■ •.’А
А\Л
Лйст
-
-
7.3.3 Определение нелинейности
-
7.3.3.1 Проверку нелинейности проводят в каждом регистрирующем канале в соответствии со схемой, приведенной на рисунке Б.2.2 (приложение Б). В качестве генератора G используется комплекс УНИПРО.
-
7.3.3.2 На вход ЭКГ монитора подают гармонический сигнал частотой (40±0,8) Гц, с такой амплитудой, чтобы получить размах сигнала на изображении в центре эффективной ширины -10 мм и сигнал прямоугольной формы частотой (2±0,1) Гц с амплитудой, которую плавно (или дискретно) увеличивают для смещения регистрируемого сигнала из центра до краев эффективной ширины изображения. При этом в меню монитора установить:
-
- коэффициент усиления ЭКГ «УСИЛ» равным 1 (чувствительность 10 мм/мВ);
-
- скорость движения кривой - 50 мм/с.
-
7.3.3.3 Размах регистрируемого гармонического сигнала при его смещении из центра к краям (но не выходя за них) эффективной ширины не должен изменяться более чем на ± 1 мм.
-
7.3.3.4 Нелинейность п, %, вычисляют по формуле
п = (2)
в
где hH0M - номинальный размер размаха сигнала на изображении (записи), мм; hM3M ~ линейный размер размаха регистрируемого сигнала, мм; В - эффективная ширина изображения (записи), мм.
Значение нелинейности должно находиться в пределах ±2,5 %.
Инв.№ подл. I Подп. и дата | Взам. инв. № | Инв. № дубл. |Подл, и дата
7.3.4 Определение относительной погрешности установки чувствительности
-
7.3.4.1 Относительную погрешность установки чувствительности определяют используя блок БПП1 и комплекс УНИПРО, в соответствии со схемой, приведенной на рисунке Б.2.1 (приложение Б).
-
7.3.4.2 Подают на вход монитора при помощи комплекса УНИПРО гармонический сигнал частотой (10±0,2) Гц и размахом (2±0,03) мВ при чувствительности 10 мм/мВ (коэффициент усиления ЭКГ «УСИЛ» равен 1).
-
7.3.4.3 Регистрируют не менее пяти периодов входного сигнала.
-
7.3.4.4 Измерения повторяют для чувствительности (2,5 и 5) мм/мВ, 20 мм/мВ, 40 мм/мВ и входных сигналов с размахом соответственно 4 мВ; 1 мВ; 0,5 мВ с погрешностью ±1,5 % соответственно.
-
7.3.4.5 При помощи измерительной лупы ЛИ-3-10Х и (или) измерительной линейки определяют линейный размер размаха регистрируемого сигнала.
-
7.3.4.6 Вычисляют измеренную чувствительность SM3M, мм/мВ, по формуле
Sm3M ~ ^ИЗМ / UBX, (3)
где hM3M - линейный размер размаха регистрируемого сигнала, мм;
UBX - размах входного сигнала, мВ.
-
7.3.4.7 Относительную погрешность установки чувствительности (8S), %, вычисляют по формуле

$ном $изм
$изм

(4)
где Бизм - значение действующей чувствительности, мм/мВ; SH0M - значение установленной чувствительности, мм/мВ.
Относительная погрешность установки чувствительности не должна превышать ±5 %.
7.3.5 Определение входного импеданса

•к
Изм. |
Лист |
№ докум. |
Подп. |
-
7.3.5.1 Проверку входного импеданса ZBX проводят по каждому отводящему электроду, согласно таблицы 5, используя блок БПП1 в соответствии со схемой, приведенной на рисунке Б.2.2 (приложение Б).
Таблица 5 - Проверка отведений
Проверяемые отведения |
Отводящие электроды кабеля ЭКГ | |
сР1 |
сР2 | |
I |
L |
Все другие отводящие электроды |
II |
F | |
aVR |
R | |
Vi (для i = 1- 6) |
Ci (для i = 1- 6) |
-
7.3.5.2 На проверяемый вход монитора подается постоянное напряжение ±(300±30) мВ с последовательно включенным импедансом Z2 на блок БПП1 и без него.
-
7.3.5.3 На вход монитора подают при помощи комплекса УНИПРО гармонический сигнал частотой (10±0,02) Гц и размахом (2±0,06) мВ. На мониторе в меню ЭКГ установить: «ФИЛЬТР» - «СТАНД» или «УЗКИЙ».
-
7.3.5.4 Измеряют при помощи измерительной линейки и (или) измерительной лупы ЛИ-3-1 ОХ линейный размер размаха регистрируемого сигнала Нш в миллиметрах без последовательно включенного импеданса Z2 на блоке БПП1 (тумблер П2) и линейный размер размаха регистрируемого сигнала Ни2 в миллиметрах при последовательно включенном импедансе.
-
7.3.5.5 Входной импеданс ZBX, МОм, вычисляют по формуле
ZBX=
Инв.№ подл. I Подп. и дата | Взам. инв. Na | Инв. № дубл. |Подл, и дата
HU2
HU1 ~ HU2
где Z2 - последовательно включенный импеданс (Z2=2,2 МОм); Hui - размах регистрируемого сигнала без включенного Z2, мм; Ни2 - размах регистрируемого сигнала с включенным Z2, мм.
(5)
Значение входного импеданса должно быть не менее 5 МОм.
7.3.6 Определение коэффициента ослабления синфазных сигналов
7.3.6.1 Определение коэффициента ослабления синфазных сигналов Кс осуществляют в соответствии со схемой, приведенной на рисунке Б.3.1 (приложение Б) используя блок БПП2, в следующей последовательности:
-
- на мониторе в меню кривой ЭКГ установить: «ФИЛЬТР» - «СТАНД», коэффициент усиления 2 (чувствительность - 20 мм/мВ);
-
- подают от комплекса УНИПРО на вход канала ЭКГ монитора гармонический сигнал частотой (50±2,5) Гц, имеющий среднеквадратическое значение напряжения (20±0,6) В;
-
- емкость Ст на блоке БПП2 регулируют таким образом, чтобы суммарная емкость (Ст+Сх) в устройстве БПП2 равнялась СЗ, что соответствует установлению напряжения на выводе А блока БПП2, равным (10±1) В. Это условие проверяют на частоте сигнала (5±0,5) кГц при отключенном мониторе от блока БПП2 при помощи осциллографа с входным импедансом не менее 2 МОм.
Примечание - При проверке Кс допускается подавать сигнал меньшего напряжения (на выводе А устанавливают напряжение, равное половине подаваемого от комплекса УНИПРО) при условии, что максимальный сигнал будет хорошо виден при регистрации; .
ФШЮГ.941118.006 ПМ
Изм.
Лист
№ докум.
Подп.
Лист
-
-
- подсоединяют монитор к блоку БПП2 и регистрируют сигнал частотой 50 Гц по всем отведениям, размыкая поочередно переключатель hi блока БПП2, оставляя остальные переключатели в замкнутом положении;
-
- проверку проводят при одновременной подаче постоянного напряжения ±(300±30) мВ на соответствующий вход проверяемого канала.
-
7.3.6.2 Линейный размер размаха регистрируемого сигнала hM3M, мм, измеряют при помощи измерительной линейки и (или) измерительной лупы ЛИ-3-1 ОХ.
-
7.3.6.3 Коэффициент ослабления синфазных сигналов Кс, для максимального зарегистрированного сигнала вычисляют по формуле
где Uc - размах напряжения на выводе А при отключенном кабеле отведений, В, (ис =2^-ю);
Ьизм - линейный размер размаха зарегистрированного сигнала, мм;
SHOm - номинальная установленная чувствительность, установленная в меню (коэффициент усиления) ЭКГ, мм/мВ.
Коэффициент ослабления синфазных сигналов должен быть не менее 100000.
7.3.7 Определение напряжения внутренних шумов приведенного к входу
-
7.3.7.1 Определение напряжения внутренних шумов иш проводят в соответствии со схемой, приведенной на рисунке Б.3.1 (приложение Б), с применением блока БПП2, в следующей последовательности:
-
- определение напряжения внутренних шумов осуществляют при чувствительности
20 мм/мВ (коэффициент усиления 2) и скорости развертки 50 мм/с;
-
- регистрацию проводят в течение 10 с при подключенных Z1 в блоке БПП2 к входам монитора, при отключенном комплексе УНИПРО и конденсаторе СЗ, заземленном выводе А и разомкнутом переключателе П1 в блоке БПП2.
Инв.№ подл. I Подп. и дата | Взам. инв. № | Инв. Ns дубя. | Подл, и дата
Напряжение внутренних шумов иш, мкВ, вычисляют по формуле
"изм.ш _ -|q3
$ном
(7)
где Ьизм ш - измеренный лупой на записи линейный размер максимального размаха шума, исключая ширину линии отображения, мм (единичные выбросы размахом более 1,5 мм, появляющиеся реже одного раза в секунду, не учитывают); Shom - значение установленной чувствительности, мм/мВ.
Напряжение внутренних шумов не должно превышать 20 мкВ.
7.3.8 Определение неравномерности АЧХ
7.3.8.1 Определение неравномерности АЧХ проводят в каждом канале, используя блок БПП1, в соответствии со схемой, приведенной на рисунке Б.2.1 (приложение Б), в следующей
последовательности:
-
- установить фильтр ЭКГ «ФИЛЬТР» - «РАСШИР»;
-
- установить коэффициент усиления ЭКГ «УСИЛ» равным 2 (чувствительность 20 мм/мВ);
-
- подать при помощи комплекса УНИПРО на вход монитора гармонический сигнал размахом (1 ± 0,015) мВ с частотами 0,5; 2,0; 10; 25; 40; 50; 60; 75 Гц;
-
- для удобства измерений при частотах сигнала от 0,5 до 5 Гц скорость движения волновой кривой (скорость развертки) устанавливают 12,5 мм/с, при частотахj^JXUlo 40 Гц -25 мм/с; при частотах от 40 до 75 Гц - 50 мм/с;
о I
------------Чч&лс:—/Лист
Изм.
Лист
Ns докум.
Подп.
-
при помощи измерительной линейки и (или) измерительной лупы ЛИ-3-1 ОХ определяют линейный размер размаха синусоиды на дисплее (записи) для всех устанавливаемых значений частот;
-
- неравномерность АЧХ 3f, %, вычисляют по формуле
jf=ivA.1Oo%, (8)
h0
где hf - линейный размер размаха синусоиды на указанном выше диапазоне частот, мм; h0-линейный размер размаха синусоиды на опорной частоте 10 Гц, мм.
Неравномерность АЧХ должна находиться:
-
- для диапазона частот от 0,5 до 60 Гц включительно - от минус 10 % до плюс 5 %;
-
- для диапазона частот от 60 до 75 Гц включительно - от минус 30 % до плюс 5 %.
-
7.3.9 Определение относительной погрешности измерения интервалов времени
-
7.3.9.1 Проверку относительной погрешности измерения интервалов времени 8т проводят для всех скоростей развертки, используя блок БПП1, в соответствии со схемой, приведенной на рисунке Б.2.1 (приложение Б), в следующей последовательности:
-
- на вход монитора при помощи комплекса УНИПРО подают сигнал прямоугольной формы размахом (0,5±0,015) мВ;
-
- частоту следования сигнала с погрешностью ±1,5 % выбирают равной 0,1 номинального значения установленной скорости развертки в соответствии с таблицей 6;
-
- записывают не менее 20 периодов сигнала на выбранной скорости.
Таблица 6 - Частоты сигнала
Значения установленной скорости носителя записи, мм/с |
Частота следования сигнала, Гц |
12,5 |
1,25 |
25,0 |
2,50 |
50,0 |
5,00 |
Инв.№ подл. | Подп. и дата | Взам. инв. Ng | Инв. № дубл. | Подл, и дата
-
7.3.9.2 На записи при помощи измерительной линейки и (или) измерительной лупы ЛИ-3-10Х измеряют длину одного, пяти и десяти полупериодов сигнала.
-
7.3.9.3 Относительную погрешность измерения интервала времени 8т, %, вычисляют по формуле
(9)
где 1изм - длина (в миллиметрах) измеренного отрезка записанного сигнала, содержащий соответственно один, пять и десять полупериодов сигнала, соответствующих измеренным интервалам ТИЗМ = 0,1; 0,5; 1,0 с;
10 - длина отрезка носителя записи, мм, соответствующая интервалам времени Тном = 0,1; 0,5; 1,0 с.
Относительная погрешность измерения интервала времени не должна превышать ±7 %.
-
7.3.10 Определение скорости отображения
Определение скорости отображения и относительной погрешности установки скорости отображения проводят используя блок БПП1 и генератор G, в соответствии со схемой, приведенной на рисунке Б.2.1 (приложение Б), путем подачи на вход монитора сигнала прямоугольной формы размахом (0,5±0,015) мВ. Частоту следования сигнала (f) с погрешностью ±1,5 % выбирают равной 0,1 номинального значения установленной скорости:
-
12,5 или 25 мм/с. Регистрируют не менее 20 периодов сигнала.
-
7.3.10.1 В удобном месте записи при помощи измерительнад^^^йтеи,, и (или) измерительной лупы ЛИ-3-10Х поочередно измеряют отрезок, сода^щйг*о^4ф^о 15 периодов отображаемого сигнала. Д?/ л
is J
ш 4

Лист | |||||
ФШЮГ.941118.006 х |
13 | ||||
Изм. |
Лист |
№ докум. |
Подп. |
-
7.3.10.2 Рассчитывают действующее значение скорости отображения vM3M, мм/с, по формуле
Lf
(10)
уизм = •
п
где L - измеренный отрезок длины отображаемого сигнала, мм; f - частота подаваемого сигнала, Гц;
п - число периодов на измеренном отрезке L.
-
7.3.10.3 Относительную погрешность установки скорости отображения 8V, %, вычисляют по формуле
5V = >зм ->ом 100%[ (11)
VHOM
где уизм - измеренное значение скорости движения носителя записи, мм/с; vHom - номинальное значение установленной скорости отображения, мм/с.
Относительная погрешность установки скорости отображения не должна превышать ±5 %.
1нв.№ подл. I Подп. и дата | Взам. инв. № | Инв. № дубл. | Подл, и дата
-
7.3.11 Определение постоянной времени
-
7.3.11.1 Постоянную времени т определяют по каждому входу канала ЭКГ при чувствительности 5 мм/мВ, с помощью блока БПП1, в соответствии со схемой, приведенной на рисунке Б.2.1 (приложение Б);
-
- установить фильтр ЭКГ «ФИЛЬТР» - «РАСШИР»;
-
- по очереди подают на входы канала ЭКГ монитора сигнал прямоугольной формы размахом 4 мВ и длительностью не менее 5 с;
-
- регистрируют сигнал на ПУ. Изображение переходной характеристики на записи для каждого входа канала должно быть монотонным, обращенным в сторону нулевой линии;
-
- измеряют при помощи линейки длительность 1т переходной характеристики, соответствующей времени затухания сигнала до уровня 0,37 (без учёта выбросов).
-
- постоянную времени т, в секундах, определяют по формуле
V
(12)
где 1т - измеренный отрезок, соответствующий т, мм; v - установленная скорость носителя записи, мм/с. Постоянная времени должна быть не менее 3,2 с.
-
7.3.12 Определение относительной погрешности регистрации калибровочного сигнала
-
7.3.12.1 Определение относительной погрешности регистрации калибровочного сигнала проводят, используя блок БПП1, в соответствии со схемой, приведенной на рисунке Б.2.1 (приложение Б), путем регистрации внешнего сигнала в каждом канале в следующей последовательности.
-
7.3.12.2 Прямоугольный импульс (или последовательность импульсов) размахом (1 ±0,015) мВ и длительностью не менее 200 мс при помощи генератора подают на вход ЭКГ монитора.
-
7.3.12.3 Производят запись внешнего сигнала и внутреннего калибровочного сигнала. ------- ------”1ки и.лупы по
кк\
»аучно-______________Q, Ч --
Д*куЯП:lUfiiiII
Линейный размер размаха регистрируемого сигнала измеряют при помощи линей! переднему фронту без учёта выброса и нулевой линии.
й(
——----------—-—
---- Wk.
No ПЛ1А/М
Полп.
Инв.№ подл. I Подп. и дата | Взам. инв. № | Инв. Na дубл. | Поди, и дата
-
7.3.12.4 Относительную погрешность регистрации калибровочного сигнала 8ur, в процентах, вычисляют по формуле
^=Чг^-100 <13>
где Ьк - линейный размер размаха регистрируемого сигнала, мм;
he - линейный размер размаха входного сигнала, мм.
Относительная погрешность регистрации калибровочного сигнала не должна превышать ±5 %.
-
7.3.13 Определение диапазона и абсолютной погрешности измерения ЧСС
-
7.3.13.1 Абсолютную погрешность измерения ЧСС определяют используя комплекс УНИПРО и блок БПП1 в соответствии со схемой, приведенной на рисунке Б.2.1 (приложение Б).
-
7.3.13.2 На вход монитора подают, при помощи комплекса УНИПРО, электрокардиографический сигнал частотой 30 сокр./мин (0,5 Гц), размахом 1 мВ при чувствительности 10 мм/мВ (коэффициент усиления ЭКГ «УСИЛ» равен 1), в меню пациента «ПАЦИЕНТ» устанавливают возраст «ВЗРОС».
-
7.3.13.3 Через минуту фиксируют показания монитора, измеряющего частоту подаваемых колебаний.
-
7.3.13.4 Измерения повторяют для электрокардиографического сигнала частотой 60 сокр./мин, 120 сокр./мин, 250 сокр./мин, 300 сок./мин.
-
7.3.13.5 Вычисляют для каждого значения ЧСС абсолютную погрешность измерения ЧСС Af, сокр./мин, по формуле
Af = fn-fa, (14)
где fn - значение ЧСС, измеренное монитором, сокр./мин;
fa - значение частоты сигнала, установленное на УНИПРО, пер./мин.
-
7.3.13.6 Установить в меню пациента «ПАЦИЕНТ» возраст «НЕОНАТ.» и повторить измерения 7.3.13.2-7.3.13.5 для электрокардиографического сигнала частотой 60 сокр./мин, 120 сокр./мин, 250 сокр./мин, 300 сокр./мин и 350 сокр./мин.
Абсолютная погрешность измерения ЧСС должна быть не более ±2 сокр./мин или 1 % в диапазоне от 30 до 350 сокр./мин.
-
7.4 Определение абсолютной погрешности НИАД
-
7.4.1 Подать питание 230 В на монитор и включить его
Подключить к монитору калибратор давления JOFRA НРС600 002С (далее - калибратор давления), как показано на рисунке 1. Калибратор давления является рабочим эталоном для задания давления в пневмосистеме монитора. Установить в меню пациента «ПАЦИЕНТ»» возраст «ВЗРОС».
В меню НИАД «МЕНЮ НИАД» выбрать «ПРОВЕРКА»», далее выбрать «МАНОМЕТР» -режим манометра («ПРОВЕРКА»» держать не менее 5 с).
Определение абсолютной погрешности измерения давления проводить, задавая давление в пневмосистеме монитора калибратором давления. Измерения проводить по три раза для каждого из следующих значений: 15; 50; 100; 150; 200; 250 мм рт. ст. Абсолютную погрешность определяют при значении измеряемой величины, полученной при приближении к нему от больших значений к меньшим (при обратном ходе). Результаты фиксировать.
Примечание - При проведении испытания стараться не создавать резких перепадов давления калибратором давления, т.к. монитор может выйти из режима манометра.
Изм. |
Лист |
№ докум. |
Подп. |

А2

Инв.№ подл. | Подп. и дата | Взам. инв. № | Инв. № дубл. | Подп. и дата
где А1 - калибратор давления;
А2 - поверяемый монитор.
Рисунок 1 - Схема проверки канала НИАД
-
7.4.2 Установить в меню пациента «ПАЦИЕНТ»» возраст «НЕОНАТ.».
В меню НИАД «МЕНЮ НИАД», выбрать «ПРОВЕРКА»», далее выбрать «МАНОМЕТР» -режим манометра («ПРОВЕРКА»» держать не менее 5 с).
Измерения проводить по три раза для каждого из следующих значений; 15; 25; 50; 70; 110; 135 мм рт. ст. Абсолютную погрешность определяют при значении измеряемой величины, полученной при приближении к нему от больших значений к меньшим (при обратном ходе). Результаты фиксировать.
Примечание - При проведении испытания стараться не создавать резких перепадов давления калибратором давления, т.к. монитор может выйти из режима манометра.
Абсолютная погрешность измерения АР, мм рт. ст., определяется как наибольшая по абсолютному значению разность между показаниями монитора и заданными значениями с калибратора давления и рассчитывается по формуле
А Р - Ризм. - Рэт, (15)
где Ризм. - измеренное значение давления монитором, мм рт. ст.;
Рэт - заданное значение давления с калибратора давления, мм рт. ст.
Абсолютная погрешность измерения давления должна находиться в пределах ±3 мм рт. ст.
-
7.5 Определение абсолютной погрешности ИАД
-
7.5.1 Проверку абсолютной погрешности ИАД необходимо проводить по всем каналам ИАД.
-
7.5.2 Определение абсолютной погрешности ИАД необходимо проводить используя трансдьюссер ИАД MEDEX с удлинителем и колпаком.
-
7.5.3 Собрать схему в соответствии с рисунком 2, подключив к монитору калибратор давления и трансдьюссер ИАД MEDEX с удлинителем и колпаком. Калибратор давления является рабочим эталоном для задания давления в пневмосистеме монитора.
-
7.5.4 Перед подачей давления проводят установку «0» и калибровку канала ИАД
Для установки «0» на мониторе выберите меню «ОБНУЛЕНИЕ» в окне ИАД монитора для вызова окна, приведенного на рисунке 3.

АЗ

где А1 - трансдьюссер ИАД MEDEX с удлинителем и колпаком;
А2 - калибратор давления;
АЗ - монитор.
Рисунок 2 - Схема проверки канала ИАД
Выберите <ИАД1/ИАД2 НОЛЬ> для запуска процедуры обнуления. При успешном выполнении обнуления появится сообщение «ИАД1/ИАД2 ОК».
Инв.№ подл. I Подп. и дата | Взам. инв. № | Инв. №дубл. | Подп. и дата
Примечания
-
1 Так как преобразователь (трансдьюссер) нуждается в прогреве для достижения наилучшей точности, рекомендуется обнулять систему через 15 мин после подсоединения преобразователя к системе.
-
2 Перед запуском процедуры, давление в преобразователе должно быть равно атмосферному давлению.
Для калибровки канала ИАД задать давление эталоном 100 мм рт. ст. (либо нажать и удерживать кнопку на трансдьюссере). В меню ИАД нажать кнопку «КАЛИБРОВКА», установить калибровку на давление 100 мм рт. ст. («ИАД УСТ В» - «100»), затем нажать -«ВЫПОЛНИТЬ», при этом необходимо поддерживать задаваемое манометром давление 100 мм рт. ст. (либо удерживать кнопку на трансдьюссере).
При успешном выполнении калибровки ИАД допускается проверять параметры канала ИАД монитора.
7.5.5 Задать давление на датчике трансдьюссера ИАД MEDEX монитора калибратором давления. Измерения проводить по три раза для каждого из следующих значений: 300; 250; 200; 150; 100; 50; 0; минус 10; минус 20; минус 30; минус 40; минус 50 мм рт. ст. Абсолютную погрешность определяют при значении измеряемой величины, полученной при приближении к нему от больших значений к меньшим (при обратном ходе). Результаты фиксировать.
Абсолютная погрешность измерения ДР, мм рт. ст., определяется как наибольшая по абсолютному значению разность между показаниями проверяемого монитора и заданными значениями с калибратора давления и рассчитывается по формуле
где Ризм. - измеренное значение давления монитором, мм рт. ст.;
Рэт - заданное значение давления с калибратора давления, / л
Изм.
Лист
№ докум.
Подп.
ФШЮГ.941118.006 ПМ
(16)

ИАД/ ОБНУЛЕНИЕ | ||
<ИАД1: НОЛЬ» |
12/09/2012 11:17 |
nrz ЖДИТЕ... |
<ИАД2: НОЛЬ» |
Г~~1 выход |
Рисунок 3- Окно обнуления ИАД (ИАД/ОБНУЛЕНИЕ)
Инв.№ подл. | Подп.‘ и дата [ Взам. инв. № | Инв. Na дубл. | Подл, и дата
Абсолютная погрешность измерения давления должна находиться в пределах ±2 мм рт. ст.
-
7.6 Определение абсолютной погрешности измерения температуры
-
7.6.1 Определение абсолютной погрешности измерения температуры проводят при следующих значениях температуры: 32,0 °C; 34,0 °C; 36,0 °C; 38,0 °C; 40,0 °C; 42,0 °C; 43,0 °C.
После установления в термостате заданной температуры датчики температуры монитора и датчик эталонного измерителя температуры помещают в устройство термостатирующее измерительное «Термостат А2» (далее - устройство «Термостат А2»), погрузив датчики температуры монитора и датчик эталонного измерителя температуры в рабочую среду на одинаковую глубину, не менее 14 см. Датчики температуры монитора погружать в рабочую среду термостата раздельно.
Не менее чем через 15 мин после установления в термостате заданной температуры фиксируют показания монитора и эталонного измерителя температуры.
Измерения выполняют для каждого значения температуры по три раза.
Абсолютную погрешность измерения температуры АТ, °C, в каждой точке проверки определяют как разность значений результатов трех измерений проверяемого монитора и эталонного измерителя температуры по формуле
ДТ| = ТП!-ТЭь (17)
где Тщ - значение температуры в точке.проверки, измеренное монитором, °C; Тэ, - действительное значение температуры в точке поверки, °C.
Абсолютная погрешность измерения температуры должна быть не более ±0,1 °C.
8 Оформление результатов поверки
-
8.1 Результаты поверки заносят в протокол, форма которого приведена в приложении А.
-
8.2 На монитор, признанный годным по результатам поверки, выдается Свидетельство о поверке в соответствии с ТКП 8:003-2011 или производится соответствующая запись в эксплуатационной документации. На монитор наносится поверительное клеймо.
При отрицательных результатах поверки выдается заключение о непригодности в соответствии с ТКП 8.003-2011 с указанием всех причин несоответствия. При этом знак поверки гасится, а предыдущее Свидетельство о поверке аннулируется.
Указанные мониторы могут предъявляться на повторную поверку после ремонта.

Приложение А
(рекомендуемое)
Форма протокола поверки
ПРОТОКОЛ №____
поверки медицинского монитора «ММ-18И» зав. №__________
изготовленного ______________________________________________, принадлежащего
изготовитель
организация-владелец прибора
При поверке, проведенной_____________________________________________________
наименование организации, проводившей поверку по методике поверки _____________________________________________________________
сведения о методике поверки
применялись следующие средства поверки:
Наименование и тип (условное обозначение) эталонов и вспомогательных средств поверки |
Заводской номер (серийный номер) |
Дата очередной поверки |
Инв.Ns подл. I Подл, и дата | Взам. инв. Na | Инв. Na дубл. | Подп. и дата
Условия поверки:
-
- температура окружающего воздуха -_____°C;
-
- атмосферное давление -________кПа ( мм рт. ст );
-
- относительная влажность воздуха -_________%;
Результаты поверки
А.1 Внешний осмотр
А.2 Опробование
Результат по утечке в пневмосистеме____________________.
Вывод:_______________________
А.З Определение метрологических характеристик канала ЭКГ
А.3.1 Диапазон входных напряжений
А.3.1.1 Форма сигнала на дисплее соответствует (не соответствует) форме входного сигнала.
А.З. 1.2 Изображение сигнала не имеет (имеет) видимых искажений.
Изм. |
Лист |
№ докум. |
Подп. |
ФШЮГ.941118.006 ПМ

А 3.2 Относительная погрешность измерений входного напряжения
Входное напряжение, мВ |
0,8 |
I 4,0 |
0,4 |
^0“ |
| 4,0 |
0,2 |
| 1.0 |
| 2,0 |
0,1 |
| 0,5 |
| 1.0 |
0,05 |
| 0,25 |
| 0,5 | |
Чувствительность, мм/мВ |
2,5 |
5 |
10 |
20 |
40 | ||||||||||
Отведение I | |||||||||||||||
Относительная погрешность измерения напряжения |
+ ЗООмВ* | ||||||||||||||
-ЗООмВ* | |||||||||||||||
Отведение II | |||||||||||||||
Относительная погрешность измерения напряжения |
+ ЗООмВ* | ||||||||||||||
-ЗООмВ* | |||||||||||||||
Отведение III | |||||||||||||||
Относительная погрешность измерения напряжения |
+ ЗООмВ* | ||||||||||||||
- ЗООмВ* | |||||||||||||||
Отведение V | |||||||||||||||
Относительная погрешность измерения напряжения |
+ ЗООмВ* | ||||||||||||||
- ЗООмВ* | |||||||||||||||
Отведение aVR | |||||||||||||||
Относительная погрешность |
+ ЗООмВ* | ||||||||||||||
измерения напряжения |
- ЗООмВ* | ||||||||||||||
Отведение aVF | |||||||||||||||
Относительная погрешность |
+ ЗООмВ* | ||||||||||||||
измерения напряжения |
- ЗООмВ* | ||||||||||||||
Отведение aVL | |||||||||||||||
Относительная погрешность |
+ ЗООмВ* | ||||||||||||||
измерения напряжения |
- ЗООмВ* | ||||||||||||||
Отведение С2 | |||||||||||||||
Относительная погрешность измерения напряжения |
+ ЗООмВ* | ||||||||||||||
- ЗООмВ* | |||||||||||||||
Отведение С3 | |||||||||||||||
Относительная погрешность |
+ ЗООмВ* | ||||||||||||||
измерения напряжения |
-ЗООмВ* | ||||||||||||||
Отведение С4 | |||||||||||||||
Относительная погрешность |
+ ЗООмВ* | ||||||||||||||
измерения напряжения |
-ЗООмВ* | ||||||||||||||
Отведение С5 | |||||||||||||||
Относительная погрешность |
+ ЗООмВ* | ||||||||||||||
измерения напряжения |
-ЗООмВ* |

Инв.№ подл. I Подп. идата I Взам. инв. № I Инв. №дубл. I Подл, и дата
Изм. |
Лист |
№ докум. |
Подп. |
ФШЮГ.941118.006 ПМ

Продолжение А 3.2
Входное напряжение, мВ |
0,8 | 4,0 |
0,4 | 2,0 | 4,0 |
0,2 | 1,0 | 2,0 |
О о сл о |
0,051 0,25 | 0,5 | ||||||||||
Чувствительность, мм/мВ |
2,5 |
5 |
10 |
20 |
40 | ||||||||||
Отведение С6 | |||||||||||||||
Относительная погрешность измерения напряжения |
+ ЗООмВ* | ||||||||||||||
-ЗООмВ* | |||||||||||||||
Пределы допускаемой относительной погрешности измерения напряжения, %:
|
± 15 ±7 | ||||||||||||||
* Постоянное напряжение на входе, мВ |
Вывод _______________________________________________________
А.3.3 Нелинейность
Амплитуда синуса, мВ |
Амплитуда меандра, мВ |
^homi ММ |
1%зм, ММ |
В, мм |
п, % |
Вывод,
Инв.№ подл. I Подп. и дата | Взам, инв. № | Инв. № дубл. | Подп. и дата
А.3.4 Относительная погрешность установки чувствительности
Чувствительность, мм/мВ |
2,5 |
5 |
10 |
20 |
40 |
Входное напряжение, мВ |
4,0 |
4,0 |
2,0 |
1,0 |
0,5 |
Отведение I | |||||
Относительная погрешность установки чувствительности | |||||
Отведение II | |||||
Относительная погрешность установки чувствительности | |||||
Отведение II | |||||
Относительная погрешность установки чувствительности | |||||
Отведение V | |||||
Относительная погрешность установки чувствительности | |||||
Отведение aV |
R | ||||
Относительная погрешность установки чувствительности | |||||
Отведение aV | |||||
Относительная погрешность установки чувствительности |
й |
Изм. |
Лист |
№ докум. |
Подп. |
ФШЮГ.941118.006 ПМ

Продолжение А 3.4
Отведение aV | |||||
Относительная погрешность установки чувствительности | |||||
Отведение С2 | |||||
Относительная погрешность установки чувствительности | |||||
Отведение СС | |||||
Относительная погрешность установки чувствительности | |||||
Отведение О | |||||
Относительная погрешность установки чувствительности | |||||
Отведение С5 | |||||
Относительная погрешность установки чувствительности | |||||
Отведение С6 | |||||
Относительная погрешность установки чувствительности | |||||
Пределы допускаемой относительной погрешности установки чувствительности, % |
Вывод___________________________________________________________
А.3.6 Коэффициент ослабления синфазных сигналов
Отведение 1 |
Отведение II |
Отведение III |
Отведение V |
Отведение aVR |
Отведение aVL |
Отведение aVF |
Отведение С2 |
Отведение СЗ |
Отведение С4 |
Отведение С5 |
Отведение С6 | ||
Значение коэффициента ослабления синфазных сигналов |
+ ЗООмВ* | ||||||||||||
- ЗООмВ* | |||||||||||||
Минимальное значение коэффициента ослабления, ДБ | |||||||||||||
* Постоянное напряжение на входе, мВ |
Вывод__________
А.3.7 Напряжение внутренних шумов, приведенных ко входу
Вывод _______________________________________
Инв.№ подл. I Подл, и дата | Взам. инв. № | Инв. № дубл. | Подп. и дата
А.3.8 Неравномерность АЧХ
Частота входного сигнала, Гц |
0,5 |
2,0 |
10,0 |
25,0 |
40,0 |
50,0 |
60,0 |
75,0 | |
Неравномерность АЧХ, % |
Отведение 1 | ||||||||
Отведение! 1 | |||||||||
Отведение III | |||||||||
Отведение V | |||||||||
Отведение aVR | |||||||||
Отведение aVF | |||||||||
Отведение aVL | |||||||||
Отведение С2 | |||||||||
Отведение СЗ | |||||||||
Отведение С4 | |||||||||
Отведение С5 | |||||||||
Отведение С6 |
Вывод_____________________________________________
А.3.9 Относительная погрешность измерения интервалов времени
Номинальное значение скорости развертки, мм/с |
Относительная погрешность измерения интервала времени, % |
Пределы относительной погрешности измерения интервалов времени, % |
12,5 | ||
25,0 | ||
50,0 |
ОтД'"1 iio'.i \ Ш ] |
'■ v л |
Диет | |||||
ФШЮГ.941118.006 ПМ |
.. |
23 | ||||
Изм. |
Лист |
№ докум. |
Подп. |
Вывод ___________________________________________
А.3.10 Скорость отображения
Номинальное значение скорости, мм/с |
Измеренное значение скорости развертки, мм/с |
Измеренное значение скорости носителя записи, мм/с |
Относительная погрешность установки скорости развертки |
Относительная погрешность установки скорости носителя записи |
Пределы относительной погрешности установки скорости носителя записи (скорости развертки), % |
12,5 |
±5 | ||||
25,0 |
Вывод_____________________________________________
А.3.11 Постоянная времени
Постоянная времени тнорм (норма), с, не менее - 3,2
Постоянная времени измеренная тизм с -_______
Вывод_______________________________
А.3.12 Относительная погрешность регистрации калибровочного сигнала
Инв.№ подл. I Подп. и дата | Взам. инв. № | Инв.№ дубл. | Подп. и дата
Размах регистрируемого сигнала внутреннего калибратора hKl мм |
Размах регистрируемого внешнего сигнала he, мм |
Относительная погрешность регистрации калибровочного сигнала бик, % |
Допустимое значение относительной погрешности, % |
Вы вод_______________________________________________
А.3.13 Абсолютная погрешность ЧСС
Установленное значение частоты сигнала f3, Гц |
Установленное значение ЧСС, сокр./мин |
Значение ЧСС, измеренное монитором fn, сокр/мин |
Абсолютная погрешность измерения ЧСС Af, сокр./мин |
0,50 |
30 | ||
1,00 |
60 | ||
2,00 |
120 | ||
4,17 |
250 | ||
5,00 |
300 | ||
6,17 |
350 |
Вывод.
Изм. |
Лист |
№ докум. |
Подп. |
ФШЮГ.941118.006 ПМ

А. 3.14 Абсолютная погрешность НИАД
Режим измерения |
Заданное давление, Рэт, мм рт. ст. |
Показания монитора, Ризм , ммрт. ст. |
Абсолютная погрешность, А Р, мм рт. ст. | ||||
1 |
2 |
3 |
1 |
2 |
3 | ||
Взрослый |
15 | ||||||
50 | |||||||
100 | |||||||
150 | |||||||
200 | |||||||
250 | |||||||
Новорожденный |
15 | ||||||
25 | |||||||
50 | |||||||
70 | |||||||
110 | |||||||
135 |
Вывод _________________________________________
Инв.№ подл. I Подл, и дата | Взам. инв. № | Инв. №дубл. | Подл, и дата
Изм.
А.3.15 Абсолютная погрешность ИАД
Заданное давление, мм рт. ст |
Показания монитора, мм рт. ст. |
Абсолютная погрешность, мм рт. ст. | ||||
1 |
2 |
3 |
1 |
2 |
3 | |
Минус 50 | ||||||
минус 40 | ||||||
минус 30 | ||||||
минус 20 | ||||||
минус 10 | ||||||
0 | ||||||
50 | ||||||
100 | ||||||
150 | ||||||
200 | ||||||
250 | ||||||
300 |
Вывод
А.3.16 Абсолютная погрешность измерения температуры
Лист
№ докум.
Подл.
$ э уА и ■
ФШЮГ.941118.006 ПМ
а'
.и
А.."’
z У

Заданная температура, °C |
Показания измерителя температуры эталонного, Тэь °C |
Показания монитора, Тщ, °C |
Абсолютная погрешность измерения температуры, ДТЬ °C |
Номер датчика | ||||||
32 | ||||||||||
34 | ||||||||||
36 | ||||||||||
38 | ||||||||||
40 | ||||||||||
42 | ||||||||||
43 |
Вывод_____________________________________________
А.3.17 Напряжение внутренних шумов
Допустимое значение напряжения внутренних шумов иш доп
Проверяемые отведения |
I |
II |
aVR |
V |
С2 |
СЗ |
С4 |
С5 |
С6 |
Значение линейного размера максимального размаха шума ш, мм | |||||||||
Значение напряжения внутренних шумов иш |
Вывод_____________________________________________

Заключение - Монитор медицинский «ММ-18И», в области требований методики поверки к применению______________________________________________________________________•
пригоден (непригоден)
Поверку провел______________________ ______________ ______________________
должность подпись расшифровка подписи
________ _____________ ___________________________г.
Лист | |||||
ФШЮГ.941118.006 ПМ |
26 | ||||
Изм. |
Лист |
№ докум. |
Подп. |

Приложение Б
(рекомендуемое)
Схемы для поверки параметров ЭКГ монитора
Б. 1 Схемы поверки диапазона регистрируемых сигналов, погрешности чувствительности, погрешности измерения напряжения, погрешности скорости движения носителя записи, погрешности калибровочного сигнала, постоянной времени и АЧХ, измерения интервалов времени (блок БПП1) приведены на рисунках Б.2.1, Б.2.2.
Б.2 Схема определения коэффициента ослабления и напряжения внутренних шумов (блок БПП2) приведена на рисунке Б.3.1
Б.З Схема определения постоянного тока в цепи пациента (блок БППЗ), приведена на рисунке Б.4.1.
БПП1
Инв № подл. | Подп. и дата | Взам. инв. № | Инв. № дубл. | Подп. и дата
А.3.5 Входной импеданс
Отведения |
Отведение I |
Отведение II |
Отведение V |
Отведение aVR |
Отведение С2 |
Отведение СЗ i__________________________________________________________________________________________________________ |
Отведение С4 |
Отведение С5 |
Отведение С6 | |
Значение входного импеданса, МОм |
+ 300м В* | |||||||||
- ЗООмВ* | ||||||||||
Минимальное значение входного импеданса, МОм |
5 МОм | |||||||||
* Постоянное напряжение на входе, мВ |
Вывод_________________________________________
Изм. |
Лист |
№ докум. |
Подп. |
с I
I i !
/
/Лист
Инв.№подлГТ Подп. и дата | Взам. инв. № | Инв.№дубл. | Подп. и дата

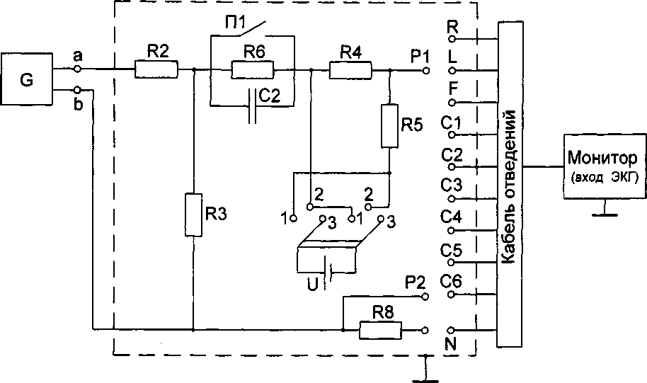
где G - генератор функциональный ГФ-05 (либо комплекс УНИПРО);
Hz - частотомер электронно-счетный 43-63;
R1 - (51 ± 2,55) кОм;
R2-(100 ±0,1) кОм;
R3 - (100 ± 0,1) Ом;
R4 - (51 ± 2,55) Ом;
R5 - величина сопротивления подбирается для получения напряжения + (300 ± 30) мВ на резисторе R4 в зависимости от напряжения источника U;
R6 - в пределах (0,62-3,0) Мом с погрешностью + 5 %;
R7 - (10 ± 0,5) кОм;
R8-(100±5) Ом;
С1 - К10-17Б-(47 ± 4,7) нФ;
С2 - выбирают в пределах от 4,7 до 1,0 нФ в соответствии с используемым номинальным значением R6;
СЗ-(100± 10) пФ;
Z1 - параллельно соединенные R1 и С1;
Z2 - параллельно соединенные R6 и С2;
U - источник постоянного напряжения, обеспечивающий напряжение смещения
± (300 ± 30) мВ на резисторе R4.
Примечание - b и bi - нулевой провод выхода генераторов.
Рисунок Б.2.1 - Схема поверки диапазона регистрируемых сигналов (бло£|Й^11)
Изм.
Лист
№ докум.
Подп.
ФШЮГ941118.006 ПМ

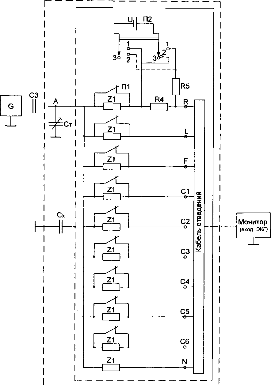
БПП1

Примечание - позиционные обозначения и их номиналы см. рисунок 1.
Рисунок Б.2.2 - Схема определения нелинейности и входного импеданса (блок БПП1)
Инв. № подл. | Подл, и дата | Взам. инв. № | Инв. №дубл. | Подп. и дата
:v. '' .....'" / 2 |
/Лист | ||||
ФШЮГ.941118.006 ПМ - |
28 | ||||
Изм. |
Лист |
№ докум. |
Подп. |
Инв.№подл. I ' Подп. и дата | Взам. инв. № | Инв. №дубл. | Подп. и дата
Изм.
БПП2

Примечание - позиционные обозначения и их номиналы см. рисунок 1.
Рисунок Б.3.1 - Схема определения коэффициента ослабления ]^^мййТртн<фния внутренних шумов (блокБПП2) \
Лист
№ докум.
Подп.
ФШЮГ.941118.006 ПМ

ЛИСТ РЕГИСТРАЦИИ ИЗМЕНЕНИЙ
Изменение |
Номера листов (страниц) |
Всего листов (страниц) в документе |
Номер документа |
Подпись |
Дата | |||
измененных |
замененных |
новых |
аннулиро -ванных | |||||
Причина и краткое содержание изменения:
Ф.И О. инициатора:
Причина и краткое содержание изменения:
Ф.И.О. инициатора:
Причина и краткое содержание изменения: |
Ф.И.О. инициатора:
Инв.№ подл. I Подп. и дата | Взам. инв. № | Инв. № дубл. | Подо, и дата
Причина и краткое содержание изменения:
Причина и краткое содержание изменения:
Пыгт |
Mo nnifVM |
Подп |
Ф.И.О. инициатора:
Ф.И.О. инициатора:
ФШЮГ.941118.006 ПМ

30