Методика поверки «Газоанализаторы Thermo Scientific модель 60i» (МП 205-10-2017)
УТВЕРЖДАЮ
Заместитель директора
метрологии
«ВНИИМС»
В.Н. Иванникова
2017 г.
Газоанализаторы Thermo Scientific модель 60i
Методика поверки
МП 205-10-2017
Москва 2017 г.
Настоящая методика поверки распространяется на газоанализаторы Thermo Scientific модель 60i фирмы «Thermo Fisher Scientific», США, (далее - газоанализаторы) и устанавливает методику их первичной и периодической поверок.
Интервал между поверками - 1 год.
-
1 ОПЕРАЦИИ И СРЕДСТВА ПОВЕРКИ
1.1 При проведении поверки выполняют операции и используют средства поверки, указанные в таблице 1.
Таблица 1.
|
NN п/п |
Наименование операции |
Номер пункта инструкции |
Наименование основных и вспомогательных средства поверки; номер документа, регламентирующего технические требования к средству; основные технические характеристики |
|
1. |
Внешний осмотр |
5.1. | |
|
2. |
Опробование |
5.2. | |
|
3. |
Определение метрологических характеристик |
5.3. |
ГСО № 10546-2014 СО в азоте; ГСО № 10546-2014 SO2 в азоте;
ГСО № 10532-2014 О2 в азоте; ГСО № 10547-2014 СО2 в азоте; ГСО № 10547-2014 NO в азоте; ГСО № 10547-2014 NO2 в азоте;
Ротаметр РМА-063 ГУЗ, ТУ4213-002-48318935-99. диапазон измерений от 0 до 0,063 м 7ч. приведенная погрешность ± 2,5 % Редукторы для чистых газов нерж, сталь (тип FMD 502-16 BCF3 фирмы GCE-DruVa, Германия или аналогичный) Азот газообразный в баллонах под давлением особой чистоты по ГОСТ 9293-74. |
Примечание - Допускается применять другие средства поверки, в т. ч. генераторы газовых смесей других типов и ГСО состава газовых смесей, метрологические характеристики которых обеспечивают приготовление поверочных газовых смесей (ПГС) с характеристиками, соответствующими приведенным а таблице 2-1 приложения 2, включая применение для поверки ГСО газовых смесей без применения генераторов газовых смесей.
-
1.2 Поверку проводят для каждого определяемого компонента из перечня в соответствии со спецификацией газоанализатора. При периодической поверке газоанализаторов, предназначенных для измерения нескольких веществ, допускается, на основании письменного заявления владельца СИ, проведение поверки для меньшего числа измерительных каналов (веществ) в соответствии с назначением газоанализатора.
-
1.3 Поверку по проводят в поддиапазоне (поддиапазонах) измерений, соответствующем назначению средства измерений. После изменения настраиваемого диапазона измерений применение СИ допускается только после поверки для вновь настроенного диапазона.
-
1.4 Если при проведении той или иной операции поверки получают отрицательный результат, дальнейшую поверку прекращают.
-
2 ТРЕБОВАНИЯ БЕЗОПАСНОСТИ
-
2.1 При проведении поверки выполняют:
-
- правила устройства и безопасности эксплуатации сосудов, работающих под давлением;
-
- правила техники безопасности при эксплуатации электроустановок.
-
2.2 Помещение, в котором проводят поверку, оборудуют приточно-вытяжной вентиляцией.
-
3 УСЛОВИЯ ПОВЕРКИ
-
3.1 При проведении поверки соблюдают следующие условия:
-
- температура окружающего воздуха (20 ± 5) °C;
-
- относительная влажность окружающего воздуха от 20 до 90%;
-
- напряжение питания, В 220 (+}о)%‘
-
4 ПОДГОТОВКА К ПОВЕРКЕ
-
4.1 Перед проведением поверки выполняют следующие подготовительные работы:
-
1) средства поверки и поверяемые газоанализаторы подготавливают к работе в соответствии с требованиями их технической документации;
-
2) ГСО состава газовых смесей в баллонах выдерживают в помещении, в котором проводят поверку, в течение 24 часов;
-
3) пригодность ГСО должна быть подтверждена паспортами на них;
-
4) включают приточно-вытяжную вентиляцию.
-
5 ПРОВЕДЕНИЕ ПОВЕРКИ
-
5.1 Внешний осмотр
При внешнем осмотре устанавливают:
-
1) соответствие комплектности поверяемого газоанализатора требованиям технической документации фирмы-изготовителя;
-
2) отсутствие повреждений газоанализатора, влияющих на его работоспособность.
-
5.2 Опробование
Опробование газоанализатора выполняют в соответствии с Руководством по эксплуатации прибора. Сообщения о неисправности прибора должны отсутствовать.
Проверяются идентификационных данных ПО газоанализаторов.
Информация о программном обеспечении газоанализатора находится в меню «Diagnostics» - «Program Version».
Результат проверки считается положительным, если отображаемые идентификационные данные соответствуют указанным значениям:
версия ПО: Не ниже 02.02.09.349
-
5.3 Определение метрологических характеристик
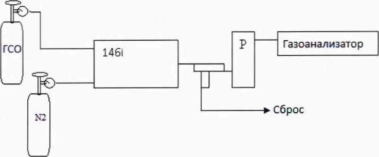
5.3.1. При использовании генератора-разбавителя прибор подключают в соответствии со схемой (рис. 1).

ГСО - баллон с ГСО состава газовой смеси;
N2 - баллон с газом-разбавителем (азот);
146i - генератор газовых смесей типа 1461;
Р - ротаметр (при необходимости).
Рис. 1 - Схема подачи ПГС с применением генератора газовых смесей
5.3.2. Поверочные газовые смеси приведены в приложении А.
-
5.3.3 В газоанализаторах Thermo Scientific модель 60i реализована возможность представления результатов измерений в единицах объёмной доли, млн’1 и массовой концентрации. мг/м'. При проведении поверки показания газоанализатора должны отображаться в единицах объемной доли, млн’1 (ppm) или %.
Примечание - Пересчёт значений единиц объёмной доли в единицы массовой концентрации осуществляется автоматически для условий 20 °C и 760 мм рт. ст. по формуле С=Х М / Vm, где X -значение объемной доли компонента, млн1, С- массовая концентрация компонента, мг/м3; М - молярная масса компонента, г/моль: Vm - молярный объём газа-разбавителя - азота или воздуха равный 24,04 или 24.06, соответственно, при условиях 20 °C и 101,3 кПа (по ГОСТ 12.1.005-88), дм’/моль.
5.3.4. Пределы допускаемой погрешности для газоанализаторов приведены в таблице 1-1 приложения 1.
5.3.5 На вход газоанализатора подают соответствующие ПГС (таблица 2-1 приложение 2) в последовательности № 1 - № 2 - № 3 - № 2 - № 1 - № 3.
Фиксируют показания газоанализатора Си по индикации на дисплее для каждой ПГС и определяют значения приведенной погрешности измерений по формуле (1) или относительной noi'peuiHocTH по формуле (2)
•100
(1)
|С,-СД|
<?0=!- -----100 (2)
где Си - измеренное значение объемной доли определяемого компонента % или млн’1. Сд - действительное значение объемной доли компонента в ПГС, % или млн’1. Cm(tx и Стт - соответственно верхняя и нижняя граница поддиапазона измерений газоанализатора. % или млн’1.
5.3.6. Полученные значения основной погрешности газоанализаторов не должны превышать значений, приведенных в таблице 1-1 приложения 1.
6. ОФОРМЛЕНИЕ РЕЗУЛЬТАТОВ ПОВЕРКИ
-
6.1 Результаты поверки газоанализаторов Thermo Scientific модель 60i оформляются протоколом произвольной формы и свидетельством о поверке установленной формы в соответствии с «Порядком проведения поверки средств измерений, требования к знаку поверки и содержанию свидетельства о поверке», утвержденном Приказом Минпромторга РФ№ 1815 от 02.07.2015 г.
-
6.2 В свидетельстве указывают сведения о компонентах и поддиапазонах измерений, для которых выполнена поверка.
-
6.3 Знак поверки наносят на переднюю панель газоанализатора.
-
6.4 На газоанализаторы, не удовлетворяющие требованиям настоящей методики, выдают извещение о непригодности с указанием причин в соответствии с Порядком проведения поверки средств измерений, требования к знаку поверки и содержанию свидетельства о поверке (утв. приказом Министерства промышленности и торговли РФ от 2 июля 2015 г. № 1815).
-
6.5 После ремонта газоанализаторы подвергают поверке.
Начальник отдела ФГУП «ВНИИМС» С.В. Вихрова
Старший научный сотрудник
ФГУП «ВНИИМС»
Е.Г. Оленина
Приложение 1
Таблица 1-1
|
Определяемый компонент |
Диапазон показаний объемной доли компонента |
Цена наименьшего разряда показаний |
Диапазон измерений объемной доли компонента |
Пределы допускаемой основной погрешности | |
|
Приведенной, у,% |
Относительной, 5, % | ||||
|
о2 |
От 0 до 25 % |
0,01 % |
От 0 до 2,0 % |
±5 |
- |
|
От 0 до 25 % |
±3 |
- | |||
|
СО2 |
От 0 до 25 % |
0,01 % |
От 0 до 5,0 % включ. |
±5 |
- |
|
Св. 5,0 до 25 % включ. |
- |
±5 | |||
|
СО |
От 0 до 2500 млн'1 |
0,1 млн'1 |
От 0 до 10 млн'1 включ. |
±10 |
- |
|
Св. 10 до 100 млн'1 включ. |
- |
±10 | |||
|
Св. 100 до 2500 млн'1 включ. |
- |
±7 | |||
|
no2 |
От 0 до 500 млн'1 |
0,1 млн'1 |
От 0 до 10 млн'1 включ |
± 15 |
- |
|
Св. 10 до 100 млн'1 включ. |
- |
± 15 | |||
|
Св. 100 до 500 млн"1 включ. |
- |
± 10 | |||
|
NO |
От 0 до 2000 млн'1 |
0,1 млн’1 |
От 0 до 10 млн'1 включ. |
± 15 |
- |
|
Св. 10 до 100 млн'1 включ. |
- |
± 15 | |||
|
Св. 100 до 2000 млн'1 включ. |
- |
± 10 | |||
|
SO2 |
От 0 до 10000 млн'1 |
0,1 млн'1 |
От 0 до 20 млн’1 включ. |
± 10 |
- |
|
Св. 20 до 500 млн'1 включ. |
- |
± 10 | |||
|
Св. 500 до 10000 млн'1 включ. |
±8 | ||||
Приложение 2 Поверочные газовые смеси
-
1 Условия и порядок приготовления поверочных газовых смесей (ПГС) - в соответствии с РЭ на применяемые генераторы.
-
2 Действительное значение объемной доли (массовой концентрации) компонента и его погрешность определяют в соответствии с РЭ генератора газовых смесей.
Таблица 2-1
|
Определяемый компонент |
Диапазон показаний объемной доли компонента |
Диапазон измерений объемной доли компонента |
Ед. измерений |
Значение объемной доли компонента | ||
|
ПГС № 1 |
ПГС № 2 |
ПГС № 3 | ||||
|
о2 |
От 0 до 25 % |
От 0 до 2,0 % |
% |
0 |
1,0±0,1 |
1,9±0,1 |
|
От 0 до 25 % |
% |
0 |
12,5±1,3 |
23,7±1,3 | ||
|
СО2 |
От 0 до 25 % |
От 0 до 5,0 % включ. |
% |
0 |
2,50±0,25 |
4,75±0,25 |
|
Св. 5,0 до 25 % включ. |
% |
6±1 |
15±1 |
24±1 | ||
|
СО |
От 0 до 2500 млн’1 |
От 0 до 10 млн’1 включ. |
млн'1 |
0 |
5,0±0,5 |
9,5±0,5 |
|
Св. 10 до 100 млн’1 включ. |
млн'1 |
14,5±4,5 |
55±4,5 |
95,5±4,5 | ||
|
Св. 100 до 2500 млн’1 включ. |
млн’1 |
220±120 |
1300±120 |
2380±120 | ||
|
no2 |
От 0 до 500 млн’1 |
От 0 до 10 млн’1 включ |
млн'1 |
0 |
5,0±0,5 |
9,5±0,5 |
|
Св. 10 до 100 млн’1 включ. |
млн'1 |
14,5±4,5 |
55±4,5 |
95,5±4,5 | ||
|
Св. 100 до 500 млн'1 включ. |
млн’1 |
120±20 |
300±20 |
480±20 | ||
|
NO |
От 0 до 2000 млн'1 |
От 0 до 10 млн’1 включ. |
млн’1 |
0 |
5,0±0,5 |
9,5±0,5 |
|
Св. 10 до 100 млн’1 включ. |
млн'1 |
14,5±4,5 |
55±4,5 |
95,5±4,5 | ||
|
Св. 100 до 2000 млн'1 включ. |
млн’1 |
195±95 |
1050±95 |
1905±95 | ||
|
SO2 |
От 0 до 10000 млн’1 |
От 0 до 20 млн'1 включ. |
млн’1 |
0 |
10±1 |
19±1 |
|
Св. 20 до 500 млн’1 включ. |
млн’1 |
44±24 |
260±24 |
476±24 | ||
|
Св. 500 до 10000 млн’1 включ. |
млн’1 |
975±475 |
5250±475 |
9525±475 | ||
Примечания:
-
1. В качестве ПГС № 1 с номинальным значением объемной доли 0 млн'1 (%) применяют азот газообразный в баллонах под давлением особой чистоты по ГОСТ 9293-74.
-
2. Погрешность действительного значения объемной доли компонента ПГС не должна превышать /2 от погрешности измерений газоанализатора в точке поверки.
