Методика поверки «Преобразователи напряжения измерительные AP6200» (А3009.0327.МП-2020)
УТВЕРЖДАЮ
Технический директор
ООО «ИЦРМ»
Трансформаторы тока АМТ
Методика поверкиИЦРМ-МП-082-20 г. Москва
2020 г.
Содержание-
1.1 Настоящая методика поверки устанавливает методы и средства первичной и периодической поверок трансформаторов тока АМТ для обмоток с классами точности по ГОСТ Р МЭК 61869-2-2015 (далее - трансформаторы), изготовленных TRENCH Germany GmbH, Германия.
-
1.2 Трансформаторы подлежат поверке с периодичностью, устанавливаемой потребителем с учётом режимов и интенсивности эксплуатации, но не реже одного раза в 8 лет.
-
1.3 На первичную поверку следует предъявлять трансформаторы до ввода в эксплуатацию, а также после ремонта.
-
1.4 На периодическую поверку следует предъявлять трансформаторы в процессе эксплуатации и хранения.
-
1.5 Основные метрологические характеристики представлены в Приложении А.
2.1 Операции, выполняемые при поверке трансформатора, и порядок их выполнения приведены в таблице 1.
Таблица 1 - Операции поверки
|
Наименование операции |
Номер пункта методики поверки |
Проведение операции при | |
|
первичной поверке |
периодической поверке | ||
|
1. Внешний осмотр |
8.1 |
Да |
Да |
|
2. Проверка сопротивления изоляции |
8.2 |
Да |
Да |
|
3. Размагничивание0 |
8.3 |
Да |
Да |
|
4. Проверка правильности обозначения контактных зажимов и выводов |
8.4 |
Да |
Да |
|
5. Определение токовой и угловой погрешностей |
8.5 |
Да |
Да |
|
6. Определение коэффициента остаточной намагниченности Xr2) |
8.6 |
Да |
Да |
|
7. Определение постоянной времени вторичного контура Д3) |
8.7 |
Да |
Да |
|
8. Определение погрешности в переходном режиме короткого замыкания4) |
8.8 |
Да |
Да |
’ - данную операцию проводить не требуется для защитных обмоток классов точности TPY, TPZ.
-
2) - проверка выполняется для защитных обмоток классов точности PR (только при нормировании), TPY, TPZ.
-
3) - проверка выполняется для защитных обмоток классов точности PR (только при нормировании), TPY.
-
4) - проверка выполняется для защитных обмоток классов точности ТРХ, TPY, TPZ.
-
2.2 Последовательность проведения операций поверки обязательна.
-
2.3 При получении отрицательного результата в процессе выполнения любой из операций поверки трансформаторы бракуют и его поверку прекращают.
-
3.1 При проведении поверки рекомендуется применять средства поверки, приведённые в таблице 2.
Таблица 2
|
Номер пункта методики поверки |
Наименование типа (условное обозначение) средства поверки; обозначение нормативного документа, регламентирующего технические требования, и(или) метрологические и основные технические характеристики средства поверки |
Рекомендуемый тип средства поверки и его регистрационный номер в Федеральном информационном фонде |
|
8.2 |
Мегомметр с характеристиками по ГОСТ 7746 |
Установка для проверки параметров электрической безопасности GPT-79803. Регистрационный номер в Федеральном информационном фонде 50682-12. |
|
8.3 |
Понижающий силовой трансформатор с регулирующим устройством, обеспечивающим диапазон регулирования от 1 % до 120 % номинального тока поверяемого трансформатора тока и установку этого тока с погрешностью, не выходящей за пределы ±10 %; трансформатор тока класса точности не ниже 5 по ГОСТ Р МЭК 61869-2-2015; амперметр класса точности не ниже 5 по ГОСТ 8711; вольтметр амплитудных значений класса точности 10 по ГОСТ 8711; нагрузочный резистор (значение сопротивления указано в 8.3) |
ЛАТР (диапазон напряжений вторичной обмотки от 0 до 255 В, мощность 2,5 кВ А); Мультиметр цифровой Fluke 87V. Регистрационный номер в Федеральном информационном фонде 33404-12; Вольтметр универсальный цифровой GDM-78261. Регистрационный номер в Федеральном информационном фонде 52669-13. |
|
8.4 |
Понижающий силовой трансформатор по п. 8.3 рабочие эталоны - трансформаторы (компараторы) тока 1-го и 2-го разрядов согласно Приказу Госстандарта от 27.12.2018 г. № 2768 «Об утверждении Государственной поверочной схемы для средств измерений коэффициентов преобразования силы электрического тока» прибор сравнения токов с допускаемой погрешностью по току в пределах от ±0,03 % до ±0,001 % и по фазовому углу от ±3,0' до ±0,1' нагрузочное устройство поверяемого трансформатора тока (вторичная нагрузка) с погрешностью сопротивления нагрузки при cos#> = 0,8, не выходящей за пределы ±4 % |
Трансформатор тока измерительный лабораторный ТТИП-5000/5. Регистрационный номер в Федеральном информационном фонде 27007-04; Прибор измерительный эталонный многофункциональный Энергомонитор-3.1 КМ. Регистрационный номер в Федеральном информационном фонде 52854-13; Источник тока регулируемый «ИТ5000» (диапазон выходного тока от 0 до 6000 А); Магазин нагрузок МР 3027. Регистрационный номер в Федеральном информационном фонде 34915-07. |
|
8.5 |
Средства поверки по п. 8.4 | |
|
8.6, 8.7, 8.8 |
Анализаторы трансформаторов тока СТ Analyzer, регистрационный номер в Федеральном информационном фонде № 40316-08 | |
|
8.2-8.8 |
Термогигрометр электронный «CENTER» модель 313, регистрационный номер в Федеральном информационном фонде №22129-09 | |
-
3.1 Применяемые средства поверки должны быть исправны, средства измерений поверены и иметь действующие документы о поверке, испытательное оборудование аттестовано и иметь действующее документы об аттестации.
-
3.3 Допускается применение аналогичных средств поверки, обеспечивающих определение метрологических характеристик поверяемых весов с требуемой точностью, установленной Приказом Госстандарта от 27.12.2018 г. № 2786 «Об утверждении Государственной поверочной схемы для средств измерений коэффициентов преобразования силы электрического тока».
-
4.1 К проведению поверки допускают лица, изучившие эксплуатационные документы поверяемых трансформаторов и применяемых средств поверки.
-
4.2 Поверитель должен пройти инструктаж по технике безопасности и иметь действующее удостоверение на право работы в электроустановках с напряжением до и выше 1000 В с квалификационной группой по электробезопасности не ниже III.
-
5.1 При проведении поверки должны быть соблюдены требования безопасности, установленные ГОСТ 12.3.019-80, «Правилами техники безопасности, при эксплуатации электроустановок потребителей», «Межотраслевыми правилами по охране труда (правилами безопасности) при эксплуатации электроустановок». Должны быть соблюдены также требования безопасности, изложенные в эксплуатационных документах на трансформаторы и применяемых средств измерений.
-
5.2 Средства поверки, которые подлежат заземлению, должны быть надежно заземлены. Подсоединение зажимов защитного заземления к контуру заземления должно производиться ранее других соединений, а отсоединение - после всех отсоединений.
-
5.3 Перед любыми переключениями в цепях схем поверки следует убедиться, что питание источника силы переменного тока отключено и ток в первичной цепи поверяемого трансформатора отсутствуют. Отключение питания проводят при помощи коммутационного устройства, расположенного до регулятора напряжения или непосредственно после него.
-
6.1 При проведении поверки должны соблюдаться следующие условия применения:
-
- температура окружающего воздуха от +15 до +35 °C;
-
- относительная влажность воздуха от 30 до 80 %.
-
7.1 Перед проведением поверки необходимо выполнить следующие подготовительные работы:
-
- провести технические и организационные мероприятия по обеспечению безопасности проводимых работ в соответствии с действующими положениями ГОСТ 12.2.007.0-75;
-
- выдержать трансформаторы в условиях окружающей среды, указанных в п.6.1, не менее 2 ч, если они находились в климатических условиях, отличающихся от указанных в п.6.1;
-
- подготовить к работе средства измерений, используемые при поверке, в соответствии с руководствами по их эксплуатации.
-
8.1 Внешний осмотр
-
8.1.1 При внешнем осмотре устанавливают соответствие трансформаторов тока следующим требованиям:
-
-
- контактные зажимы или выводы первичной и вторичной обмоток должны быть исправны и снабжены маркировкой;
-
- отдельные части трансформаторов тока должны быть прочно закреплены;
-
- болт для заземления, если он предусмотрен конструкцией, должен иметь обозначение в соответствии с требованиями ГОСТ 21130;
-
- корпус трансформатора не должен иметь дефектов, приводящих к утечке заполняющей его жидкой или газовой изоляционной среды;
-
- короткозамыкатель, если он предусмотрен конструкцией, должен быть исправен;
-
- на табличке трансформатора должны быть четко указаны его паспортные данные.
Если при внешнем осмотре обнаружены дефекты по приведенному перечню, то трансформатор к дальнейшим операциям поверки не допускается.
-
8.2 Проверка сопротивления изоляции
-
8.2.1 Сопротивление изоляции обмоток у трансформаторов тока, предназначенных для эксплуатации в цепях с напряжением более 30 В, проверяют для каждой обмотки между соединенными вместе контактными выводами обмоток и корпусом при помощи мегомметра на 1000 В - для вторичных и промежуточных обмоток трансформаторов тока всех классов напряжения, а также для первичных обмоток трансформаторов тока на класс напряжения менее 1 кВ и мегомметра на 2500 В - для первичных обмоток трансформаторов тока классов напряжения 1 кВ и выше.
-
Значения сопротивления изоляции должны быть не менее:
-
- 20 МОм - для вторичных обмоток трансформаторов на номинальное напряжение 0,66 кВ;
-
- 50 МОм - для вторичных обмоток трансформаторов на номинальные напряжения 3 кВ и выше;
-
- 3000 МОм - для первичных обмоток трансформаторов на номинальные напряжения 110-220 кВ;
-
- 5000 МОм - для первичных обмоток трансформаторов на номинальные напряжения 330 кВ и выше.
-
8.3 Размагничивание
-
8.3.1 Схема размагничивания приведена на рисунке 1. Размагничивание проводят на переменном токе при частоте 50 Гц. Трансформаторы с номинальной частотой 60 Гц допускается размагничивать при номинальной частоте.

-
Тр - регулирующее устройство (автотрансформатор); Тп - понижающий силовой трансформатор; Тх - поверяемый трансформатор тока; Тв - вспомогательный трансформатор тока; R- резистор
Рисунок 1 - Пример схемы размагничивания трансформатора тока
-
8.3.2 У трансформаторов тока с несколькими вторичными обмотками, каждая из которых размещена на отдельном магнитопроводе, размагничивают каждый магнитопровод. Допускается размагничивание различных магнитопроводов выполнять одновременно.
-
8.3.3 Трансформаторы тока размагничивают одним из указанных ниже способов.
Первый способ. Вторичную обмотку замыкают на резистор мощностью не менее 250 Вт и сопротивлением R, Ом, рассчитываемым (с отклонением в пределах ±10 %) по формуле:
R = (1)
*ном
где /ном - номинальный вторичный ток поверяемого трансформатора тока, А
Если поверяемый трансформатор тока имеет несколько вторичных обмоток, каждая из которых расположена на своем магнитопроводе, то обмотки, расположенные на остальных магнитопроводах, замыкают накоротко.
Через первичную обмотку пропускают номинальный ток, затем плавно (в течение одной-двух минут) уменьшают его до значения, не превышающего 2 % от номинального.
Второй способ. Через первичную обмотку трансформатора тока при разомкнутой вторичной обмотке пропускают ток, равный 10 % от номинального значения первичного тока, затем плавно снижают его до значения, не превышающего 0,2 % от номинального;
Третий способ. Через вторичную обмотку трансформатора тока при разомкнутой первичной обмотке пропускают ток, равный 10 % от номинального значения вторичного тока, затем плавно снижают его до значения, не превышающего 0,2 % от номинального.
-
8.3.4 Если при токе в первичной обмотке, составляющем 10 % от номинального значения, амплитудное напряжение на вторичной обмотке превышает 75 % от напряжения, указанного в ГОСТ Р МЭК 61869-2-2015 при испытании межвитковой изоляции, то размагничивание начинают при меньшем значении тока, при котором напряжение, индуктируемое (8.3.3, второй способ) или прикладываемое к вторичной обмотке (8.3.3, третий способ), не превышает указанного.
Примечание - При поверке трансформаторов тока на предприятии-изготовителе (при выпуске из производства) или при ремонте допускается совмещать размагничивание с испытанием межвитковой изоляции или измерением тока намагничивания.
-
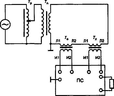
8.4 Проверка правильности обозначения контактных зажимов и выводов
-
8.4.1 Схема поверки приведены на рисунке 2.

-
— сеть (генератор); Тр - регулирующее устройство (автотрансформатор); Тп - понижающий силовой трансформатор; Го - рабочий эталон; Тх - поверяемый трансформатор тока; Ль Лг - контактные зажимы первичной обмотки; Иь Иг - контактные зажимы вторичной обмотки; Z - нагрузка; ПС - прибор сравнения
Рисунок 2 - Схема поверки с использованием рабочего эталона и прибора сравнения (компаратора вторичных токов)
-
8.4.2 Поверяемый трансформатор тока и рабочий эталон включают в соответствии с маркировкой контактных. Затем плавно увеличивают первичный ток до значения, составляющего 5 %-10 % от номинального. В случае правильной маркировки выводов на приборе измерительном эталонном многофункциональном Энергомонитор-3.1 КМ (далее по тексту - Энерго-монитор-3.1 КМ) можно определить соответствующие значения погрешностей поверяемого трансформатора тока. При неправильном обозначении контактных зажимов и выводов или неисправности поверяемого трансформатора тока угловая погрешность, отображаемая на дисплее Энергомонитора-3.1 КМ будет равна -180°±30°. В этом случае трансформатор тока дальнейшей поверке не подлежит и к применению не допускается.
Примечание - Допускается проводить проверку правильности обозначения выводов другими методами (например, метод с использованием гальванометра и источника постоянного напряжения).
-
8.5 Определение погрешностей
-
8.5.1 Подготовить основные средства поверки (трансформатор тока измерительный лабораторный ТТИ-5000.5 (далее по тексту - ТТИ-5000) прибор измерительный эталонный многофункциональный Энергомонитор-3.1 КМ, магазин нагрузок MP3027 и вспомогательное оборудование представленное в таблице 3, а также поверяемые трансформаторы в соответствии с их эксплуатационной документацией.
-
8.5.2 Собрать схему, представленную на рисунке 5.

-
Рисунок 5 - Структурная схема определения погрешностей
-
8.5.3 Погрешности определяют:
а) для трансформаторов тока классов 0,2S и 0,5S по ГОСТ Р МЭК 61869-2-2015 - при значениях первичного тока, составляющих 1; 5; 20; 100 и 120 % от номинального значения, и при номинальной нагрузке, а также при значении первичного тока 100 % или 120 % от номинального значения и нагрузке, равной нижнему пределу диапазона нагрузок, установленному для соответствующих классов точности;
б) для трансформаторов тока классов точности от 0,1 до 1 по
ГОСТ Р МЭК 61869-2-2015 - при значениях первичного тока, составляющих 5 %; 20 %; 100 % от номинального значения и при номинальной нагрузке, а также при значении первичного тока, равного 120 %, и нагрузке, равной нижнему пределу диапазона нагрузок по
ГОСТ Р МЭК 61869-2-2015;
в) для трансформаторов тока классов точности от 3 до 10 по ГОСТ Р МЭК 61869-2-2015 - при значениях первичного тока 100 % или 120 % от номинального значения и нагрузке, равной 50 % ее номинального значения, но не менее нижнего предела нагрузки, установленного для соответствующего класса точности, а также при значении первичного тока 50 % от номинального значения и номинальной нагрузке;
г) для трансформаторов тока классов точности 5Р, 5PR и ЮР, 10PR по ГОСТ Р МЭК 61869-2-2015 - при номинальном токе и номинальной нагрузке.
д) для трансформаторов тока классов точности ТРХ, TPY, TPZ по ГОСТ Р МЭК 61869-2-2015 - при номинальном токе и номинальной нагрузке.
Примечания
1 Погрешности трансформаторов тока, у которых 25 % от номинального значения нагрузки более 15 В А, определяют при значениях нагрузки 15 В -А и значении первичного тока, равного 100 % от номинального значения тока.
-
8.5.4 Пределы токовой погрешности и угловой погрешности указаны в пунктах 5.6.201 для измерительных обмоток и 5.6.202 для защитных обмоток.
-
8.5.5 Погрешности встроенных и шинных трансформаторов тока допускается определять с первичной обмоткой, которую создают пропусканием витков провода через центральное отверстие, при всех значениях номинальных ампервитков. Число витков такой первичной обмотки определяют из условия равенства ее ампервитков номинальному значению первичного тока. Витки должны располагаться в соответствии с технической документацией поверяемого трансформатора тока.
-
8.5.6 Погрешности трансформаторов тока номинальной частотой 60 Гц допускается определять на частоте 50 Гц при наличии соответствующих требований в технической документации поверяемых трансформаторов тока.
-
8.6 Определение коэффициента остаточной намагниченности Kr
-
8.6.1 Определение Kr проводят при помощи анализатора трансформаторов тока СТ Analyzer (далее - СТ Analyzer). Поверяемый трансформатор подключают к СТ Analyzer согласно эксплуатационным документам (далее - ЭД). Производят настройку анализатора. В меню СТ Analyzer устанавливают стандарт измерения 61869-2 и выбирают необходимый класс точности защитной обмотки. Далее заносят в СТ Analyzer требуемые параметры из паспорта на трансформатор.
-
8.6.2 В меню СТ Analyzer запускают процесс измерения.
-
Результат считают положительным, если значение коэффициента остаточной намагниченности Kr не превышает 10 %.
-
8.7 Проверка постоянной времени вторичного контура Ts
-
8.7.1 Постоянная времени вторичного контура Ts может быть определена двумя методами.
-
Первый метод. Для определения Ts применяют СТ Analyzer. Допускается проводить определение данной характеристики совместно с определением Kr. При определение Ts отдельно, выполняют пункты методики поверки 8.6.1 и 8.6.2.
Второй метод. Альтернативно Ts может быть определена согласно следующих формул приведенных ниже.
Если угловая погрешность &<р выражена в градусах, то применяют формулу:
2 ■ л ■ fR- tan(A^)
где fR - номинальная частота, Гц.
Если угловая погрешность выражена в минутах, то применяют формулу:
П = (3)
Результат считают положительным, если постоянная времени вторичного контура Ts определенная при поверке не отличается более чем на ±30 % от заявленной в паспорте.
-
8.8 Определение погрешности в переходном режиме короткого замыкания
-
8.8.1 На СТ Analyzer необходимо установить стандарт измерения 61869-2, выбрать необходимый класс точности. Затем установить значения параметров согласно инструкции к СТ Analyzer и паспорту на трансформатор.
-
8.8.2 Произвести измерения с помощью СТ Analyzer.
-
Результат считают положительным, если погрешность в переходном режиме короткого замыкания ё определенная при поверке не более ±10 %.
9 ОФОРМЛЕНИЕ РЕЗУЛЬТАТОВ ПОВЕРКИ-
9.1 Положительные результаты поверки трансформатора оформляют свидетельством о поверке по форме, установленной в документе «Порядок проведения поверки средств измерений, требования к знаку поверки и содержанию свидетельства о поверке», утвержденному приказом Минпромторга России от 2 июля 2015 г. № 1815, и нанесением знака поверки.
-
9.2 Знак поверки наносится на свидетельство о поверке и на элемент трансформатора, указанный в описании типа.
-
9.3 При отрицательных результатах поверки трансформатор не допускается к применению до выяснения причин неисправностей и их устранения. После устранения обнаруженных неисправностей проводят повторную поверку, результаты повторной поверки - окончательные.
-
9.4 Отрицательные результаты поверки счетчика оформляют извещением о непригодности по форме, установленной в документе «Порядок проведения поверки средств измерений, требования к знаку поверки и содержанию свидетельства о поверке», утвержденному приказом Минпромторга России от 2 июля 2015 г. № 1815, свидетельство о предыдущей поверке аннулируют, а трансформатор не допускают к применению.
Начальник отдела комплексного метрологического обеспечения инновационных проектов у
А. В. Гладких
ООО «ИЦРМ»
Инженер ООО «ИЦРМ»

М. И. Чернышова
Метрологические характеристики
Таблица А.1 - Метрологические характеристики
|
Характеристика |
Значение для модификации | ||||||
|
АМТ-123/3-5 |
АМТ-145/3-5 |
АМТ-123/3-6 |
АМТ-145/3-6 |
АМТ-170/1 |
АМТ-245/1 |
АМТ-С73263-А93 | |
|
Номинальное напряжение, кВ |
110 |
110 |
110 |
110 |
110;150 |
220 |
330;500 |
|
Наибольшее рабочее напряжение, кВ |
126 |
145 |
126 |
145 |
126;170 |
252 |
362;550 |
|
Номинальный первичный ток, А |
от 200 до 40 |
00 | |||||
|
Номинальный вторичный ток, А |
1;5 | ||||||
|
Класс точности вторичных обмоток по ГОСТ 7746-2015:
|
0,2; 0,2S; 0,5; 0,5S; 1 5Р; ЮР | ||||||
|
Класс точности вторичных обмоток по ГОСТ Р МЭК 61869-2-2015:
|
0,2; 0,2S; 0,5; 0,5S; 1 5Р; ЮР; 5PR; 10PR; ТРХ; TPY; TPZ | ||||||
|
Номинальная вторичная нагрузка с индуктивноактивным коэффициентом мощности cos (р2=^,^> для обмоток с классами точности по ГОСТ 7746-2015, В-А:
|
от 2,5 до 100 от 2,5 до 100 | ||||||
|
Номинальная вторичная нагрузка с индуктивноактивным коэффициентом мощности cos </>2=0,8 для обмоток с классами точности по ГОСТ Р МЭК 61869-2-2015, В А:
|
от 2,5 до 100 от 2,5 до 100 | ||||||
Продолжение таблицы 1
|
Характеристика |
Значение для модификации | ||||||
|
АМТ-123/3-5 |
АМТ-145/3-5 |
АМТ-123/3-6 |
АМТ-145/3-6 |
АМТ-170/1 |
АМТ-245/1 |
АМТ-С73263- А93 | |
|
Номинальный коэффициент безопасности приборов, вторичных обмоток для измерений |
от 10 до 40 | ||||||
|
Номинальная предельная кратность вторичных обмоток для защиты с классами точности по ГОСТ 7746-2015 |
от 5 до 15 | ||||||
|
Номинальная предельная кратность вторичных обмоток для защиты с классами точности 5Р; ЮР; 5PR; 10PR по ГОСТ Р МЭК 61869-2-2015 |
от 5 до 15 | ||||||
|
Номинальная частота переменного тока, Гц |
50; 60 | ||||||
13
