Методика поверки «Калибраторы температуры "ЭЛЕМЕР-КТ-150К", "ЭЛЕМЕР-КТ-200К", "ЭЛЕМЕР-КТ-500К", "ЭЛЕМЕР-КТ-650К"» (НКГЖ.405173.003-01МП)
УТВЕРЖДАЮ
УТВЕРЖДАЮ
Иванникова
2020 г.
Заместитель директора
по
___В.М. Окладников
2020 г.

«вниимс»
Генеральный директор
ООО НПП «ЭЛЕМЕР»
вй
/Ь г ь /7
-
5 о ♦
{02500^^^
КАЛИБРАТОРЫ ТЕМПЕРАТУРЫ «ЭЛ ЕМЕР-КТ-150К», «ЭЛ ЕМЕ Р-КТ-200К», «ЭЛЕМЕР-КТ-500К», «ЭЛЕМЕР-КТ-650К»
Методика поверки
НКГЖ.405173.003-01 МП г. Москва 2020 г.
СОДЕРЖАНИЕ-
1.1 Настоящая методика поверки распространяется на калибраторы температуры «ЭЛЕ-МЕР-КТ-150К», «ЭЛЕМЕР-КТ-200К», «ЭЛЕМЕР-КТ-500К», «ЭЛЕМЕР-КТ-650К» (далее по тексту' - калибраторы) и устанавливает методы и средства их первичной и периодической поверок.
-
1.2 Настоящая методика поверки может быть применена при калибровке калибраторов.
-
1.3 Интервал между поверками:
-
- один год для калибраторов с индексом заказа А.
-
- два года для калибраторов с индексом заказа В.
-
2.1 При проведении поверки выполняют операции, указанные в таблице 1.
Таблица 1 - Операции поверки
Наименование операции |
Номер пункта методики поверки |
Проведение операции при | |
первичной поверке |
периодической поверке | ||
1 Внешний осмотр |
8.1 |
Да |
Да |
2 Проверка электрической прочности изоляции |
8.2 |
Да |
Нет |
3 Проверка электрического сопротивления изоляции |
8.3 |
Да |
Нет |
4 Опробование и подтверждение программного обеспечения |
8.4 |
Да |
Да |
5 Определение абсолютной погрешности воспроизведения заданной температуры и нестабильности поддержания температуры в термостата -рующем блоке |
8.5 |
Да |
Да |
6 Определение нестабильности поддержания температуры в сменном блоке сравнения за 30 мин |
8.6 |
Ж |
Да |
7 Определение неравномерности температуры по высоте рабочей зоны в термостатирующем блоке |
8.7 |
Да |
Нет |
8 Определение неравномерности температуры по высоте рабочей зоны в сменном блоке сравнения |
8.8 |
Ж |
Нет |
9 Определение разности воспроизводимых температур в каналах термостатирующего блока |
8.9 |
Да |
Нет |
10 Определение разности воспроизводимых температур в каналах сменного блока |
8.10 |
Да |
Нет |
11 Определение основной абсолютной погрешности измерения сопротивления постоянному току ИМКТ* |
8.11 |
Да |
Да |
12 Определение основной абсолютной погрешности измерения напряжения постоянного тока ИМКТ* |
8.12 |
Да |
Да |
13 Определение основной абсолютной погрешности измерения силы постоянного тока ИМКТ” |
8.13 |
Да |
Да |
14 Определение дополнительной абсолютной погрешности измерения сигналов преобразователей термоэлектрических при использовании компенсационного кабеля КИ №04 ТП* |
8.14 |
Да |
Нет |
15 Определение дополнительной абсолютной погрешности измерения сигналов преобразователей термоэлектрических при использовании компенсационного кабеля * |
8.15 |
Да |
Нет |
16 Оформление результатов поверки |
9 |
Да |
Да |
Примечание - * Для калибраторов с ИМКТ. |
-
3.1 При проведении поверки рекомендуется применять средства поверки, приведенные в таблице 2.
-
3.2 Применяемые средства поверки должны быть исправны, средства измерений - поверены и иметь действующие документы о поверке. Испытательное оборудование должно быть аттестовано.
Таблица 2 - Средства поверки
№ |
Наименование средства поверки |
Номер пункта методики поверки |
Рекомендуемый тип средства поверки и его регистрационный номер в Федеральном информационном фонде или метрологические характеристики |
Основные средства поверки | |||
1 |
Термометр сопротивления платиновый эталонный ЭТС-1К |
8.4-8.15 |
№ 73672-18 (Диапазон измерений: от 0,01 до +660.323 °C. доверительные границы абсолютной погрешности при вероятности 0.95 при тем перату ре. °C. не более: 0.01 ±0.002 °C, 29.7646 ±0.002 °C, 156.5985 ±0,005 °C. 231.928 ±0.005 °C, 419.527 ±0,01 °C, 660,323 ±0,01 °C) |
2 |
Термометр сопротивления платиновый эталонный ПТС-10М |
8.4-8.15 |
№ 11804-99 (Диапазон измерений: от -196 до +0.01 °C. доверительные границы абсолютной погрешности при вероятности 0.95 при температуре. °C, не более -196 ±0,01 °C, 0 ±0,002 °C) |
3 |
Термопреобразователи сопротивления ТС-1388/14. ТС-1388 |
8.4-8.15 |
№ 58808-14 |
4 |
Термостат нулевой ТН-1М или сосуд Дьюара с льдо-водяной смесью |
8.14. 8.15 |
Воспроизводимая температура: 0 °C, нестабильность: ±0.01 °C |
5 |
Система поверки термопреобразовалей автоматизированная АСПТ |
8.5-8.15 |
№ 19973-06 (Диапазон измерений: от 0 до 30 Ом. пределы допускаемой основной абсолютной погрешности: ±610"4 Ом. Диапазон измерений: от 0 до 300 Ом. пределы допускаемой основной абсолютной погрешности: ±(110<' R+110'3) Ом) |
6 |
Термометр цифровой эталонный ТЦЭ-005 |
8.4-8.15 |
№ 40719-15 (Диапазон измерений: от 0 до 25 Ом. пределы допускаемой основной абсолютной погрешности: ±3-10"4 Ом. Диапазон измерений: от 25 до 100 Ом. пределы допускаемой основной абсолютной погрешности: : ±0,0003• R/25 Ом. Диапазон измерений: от 0 до 100 Ом. пределы допускаемой основной абсолютной погрешности: ±5-10-4 Ом. Диапазон измерений: от 100 до 375 Ом. пределы допускаемой основной абсолютной погрешности: ±5-10‘6 R Ом.) |
№ |
Наименование средства поверки |
Номер пункта методики поверки |
Рекомендуемый тип средства поверки и его регистрационный номер в Федеральном информационном фонде или метрологические характеристики |
7 |
Меры электрического сопротивления однозначные МС-3050М |
8.4, 8.11,8.13 |
№ 46843-11 (Номинальные значения сопротивлений: 15, 50, 750. 1000. 1500 Ом, класс точности 0.001) |
8 |
Меры электрического сопротивления МС 3050Т |
8.4-8.15 |
№ 42649-09 (Номинальные значения сопротивлений. Ом: 10, 25 (30), 100, 150. 250 (300). Класс точности: 0.0005) |
9 |
Компараторы напряжения РЗООЗ |
8.4-8.15 |
№ 7476-91 |
10 |
Вольтметры универсальные В7-78 |
8.4-8.15 |
№52147-12 |
И |
Калибратор-измеритель унифицированных сигналов прецизионный «ЭЛЕМЕР-ИКСУ-2012» |
8.4-8.15 |
№ 56318-14 (Диапазон воспроизведения и измерений тока: от 0 до 25 мА. пределы допускаемой основной абсолютной погрешности: ±(10 41 + 1)мкА) |
Вспомогательные средства поверки (оборудование) | |||
12 |
Установка для проверки электрической безопасности GPI-745A |
8.2 |
№46633-11 |
13 |
Мегаомметр Ф4102/1 -1М |
8.3 |
№ 9225-88 |
14 |
Преобразователь давления измерительный АИР-20/М2-Н модель 030 |
6 |
№63044-16 |
15 |
Преобразователи температуры и влажности измерительные РОСА-10 |
6 |
№ 27728-09 |
16 |
Соединительные кабели КИ №01 ТС. КИ №03 ХА, КИ №03 ХК, КИ №04 ТП, КИ №06 U1, КИ №08 12 (из комплекта поставки калибраторов) |
8.4-8.15 |
- |
Компьютер | |||
17 |
ПК |
8.4-8.15 |
Персональный компьютер (интерфейс Ethernet; объем оперативной памяти не менее 1 Гбайт; объем жесткого диска не менее 10 Гбайт; дисковод для чтения CD-ROM; операционная система Windows) с установленным программным обеспечением |
18 |
Программное обеспечение (ПО) |
8.4-8.15 |
KTconfig АРМ ПТП Настройка ТЦЭ |
|
-
4.1 К проведению поверки допускаются лица, изучившие настоящую методику, паспорта. руководство оператора на калибраторы и средства поверки.
-
4.2 К проведению поверки допускаются лица, являющиеся специалистами органа метрологической службы, юридические лица или индивидуальные предпринимателя, аккредитованные на право поверки, непосредственно осуществляющие поверку средств измерений.
-
4.3 Поверитель должен пройти инструктаж по технике безопасности.
-
5.1 При проведении поверки необходимо соблюдать:
-
- требования безопасности, которые предусматривают «Правила технической эксплуатации электроустановок потребителей» и «Правила по охране труда при эксплуатации электроустановок» (ПОТЭУ (2014));
-
- указания по технике безопасности, приведенные в эксплуатационной документации на эталонные средства измерений и средства испытаний;
-
- указания по технике безопасности, приведенные в паспортах на калибраторы.
К проведению поверки допускаются лица, аттестованные на право проведения поверки данного вида средств измерений и прошедшие инструктаж по технике безопасности.
6 УСЛОВИЯ ПОВЕРКИ-
6.1 При проведении поверки должны соблюдаться следующие условия:
-
- температура окружающего воздуха, °C от плюс 15 до плюс 25;
-
- относительная влажность воздуха, % от 30 до 80;
-
- атмосферное давление. кПа (мм рт.ст.) от 84.0 до 106,7 (от 630 до 800);
-
- напряжение питания переменного тока. В 220±4,4;
-
- частота переменного тока. Гц 50±1;
-
- внешние электрические и магнитные поля должны отсутствовать или находиться в пределах. не влияющих на работу калибраторов:
-
- вибрация, тряска, удары, влияющие на работу калибраторов, должны отсутствовать.
-
6.2 Средства поверки должны быть защищены от вибраций и ударов, от внешних магнитных и электрических полей.
-
7.1 Перед проведением поверки выполняют следующие подготовительные работы:
-
- изучают эксплуатационные документы на поверяемые калибраторы, а также руководства по эксплуатации на применяемые средства поверки:
-
- выдерживают калибраторы в условиях окружающей среды, указанных в п. 6.1, не менее 4 ч;
-
- подготавливают к работе средства поверки и выдерживают во включенном состоянии в соответствии с указаниями руководств по эксплуатации.
-
8.1 Внешний осмотр
-
8.1.1 При внешнем осмотре проверяют комплектность, устанавливают правильность маркировки, отсутствие механических повреждений, коррозии, нарушений покрытий, надписей и других дефектов, которые могут повлиять на работу7 калибраторов и на качество поверки.
-
При наличии дефектов покрытий, влияющих на работоспособность калибраторов, несоответствия комплектности, маркировки определяют возможность дальнейшего применения калибраторов.
-
8.1.2 У каждого калибратора проверяют наличие паспорта с отметкой ОТК.
Результаты внешнего осмотра считают положительными, если отсутствуют механические повреждения, маркировка и комплектность соответствуют требованиям эксплуатационной документации, в наличии имеется паспорт с отметкой ОТК.
-
8.2 Проверка электрической прочности изоляции
-
8.2.1 Проверку электрической прочности изоляции производят с помощью установки для проверки электрической безопасности GPI-745A (далее - установка), позволяющей поднимать напряжение равномерно ступенями, не превышающими 10 % значения испытательного напряжения, в следующей последовательности:
-
-
1) подключают установку к «ЭЛЕМЕР-КТ-150К», «ЭЛЕМЕР-КТ-200К», «ЭЛЕМЕР-КТ-500К», «ЭЛЕМЕР-КТ-650К» согласно руководствам по эксплуатации.
-
2) Заземляют используемые приборы.
-
3) Подготавливают «ЭЛЕМЕР-КТ-150К», «ЭЛЕМЕР-КТ-200К», «ЭЛЕМЕР-КТ-500К», «ЭЛЕМЕР-КТ-650К» и установку в соответствии с их руководствами по эксплуатации. Включают установку.
-
4) Подают испытательное напряжение практически синусоидальной формы частотой от 45 до 65 Гц при температуре окружающего воздуха (20±5) °C и относительной влажности от 30 до 80 %:
-
- 660 В между корпусом калибратора и контактами для подсоединения сетевого напряжения;
-
- 120 В между измерительными цепями (ИМКТ) и корпусом.
Испытательное напряжение следует повышать, начиная с нуля или со значения, не превышающего номинальное напряжение цепи, до испытательного в течение не более 30 с.
Погрешность измерения испытательного напряжения не должна превышать ±5 %.
-
5) Изоляцию выдерживают под действием испытательного напряжения в течение
1 мин. Затем напряжение снижают до нуля или значения, не превышающего номинальное, после чего установку отключают.
Результаты считают положительными, если не произошло пробоев и поверхностного перекрытия изоляции.
-
8.3 Проверка электрического сопротивления изоляции
-
8.3.1 Проверку электрического сопротивления изоляции производят с помощью мегаомметра Ф4102/1-1М в следующей последовательности:
-
-
1) подключают мегаомметр к «ЭЛЕМЕР-КТ-150К», «ЭЛЕМЕР-КТ-200К», «ЭЛЕМЕР-КТ-500К», «ЭЛЕМЕР-КТ-650К» согласно их руководствам по эксплуатации.
-
2) Заземляют используемые приборы.
-
3) Подготавливают «ЭЛЕМЕР-КТ-150К», «ЭЛЕМЕР-К Г-200К», «ЭЛЕМЕР-КТ-500К», «ЭЛЕМЕР-КТ-650К» и мегаомметр в соответствии с их руководствами по эксплуатации. Включают мегаомметр.
-
4) Подают испытательное напряжение между корпусом калибратора и контактами для подсоединения сетевого напряжения.
Результаты считают положительными, если электрическое сопротивление изоляции не менее 20 МОм.
-
8.4 Опробование и подтверждение соответствия программного обеспечения
-
8.4.1 Опробование
-
8.4.1.1 Подсоединяют к клеммам заземления калибраторов контур заземления.
-
8.4.1.2 Подключают калибраторы к сети.
-
8.4.1.3 У «ЭЛЕМЕР-КТ-500К», «ЭЛЕМЕР-КТ-650К» устанавливают переключатель «БЛОКИРОВКА» в положение «ВКЛ.».
-
8.4.1.4 Включают переключатель «СЕТЬ».
-
8.4.1.5 После загрузки ПО калибратор выходит на режим измерения текущей температуры (закладка «Регулирование»).
-
-
Индицируемая калибратором температура должна быть близкой к комнатной.
-
8.4.1.6 С помощью сенсорного экрана задают температуру 50 °C и нажимают кнопку «Включить регулятор».
-
8.4.1.7 У «ЭЛЕМЕР-КТ-500К», «ЭЛЕМЕР-КТ-650К» устанавливают переключатель «БЛОКИРОВКА» в положение «ВЫКЛ.».
-
8.4.1.8 Включается нагрев. Температура калибратора должна возрастать.
-
8.4.2 Подтверждение соответствия программного обеспечения
-
8.4.2.1 Подтверждение соответствия внутреннего программного обеспечения проводят в следующей последовательности:
-
-
1) включают калибратор, выбирают через главное меню калибратора страницу «Настройки», закладку «Сведения».
-
2) Фиксируют номер версии и идентификационное наименование встроенного ПО.
Результаты считают положительными, если наименование и номер версии встроенного ПО совпадают с данными, представленными в описании типа.
-
8.4.2.2 Подтверждение соответствия внешнего программного обеспечения проводят в следующей последовательности:
-
1) включают персональный компьютер и загружают программное обеспечение.
-
2) В появившемся окне фиксируют номер версии и идентификационное наименование внешнего ПО.
Результаты считают положительными, если наименование и номер версии внешнего ПО совпадают с данными, представленными в описании типа.
8.5 Определение абсолютной погрешности воспроизведения заданной температуры и нестабильности поддержания температуры в термостатирующем блоке
-
8.5.1 Измерения проводят в точках, указанных в таблице 3. через 20 минут после выхода калибраторов на рабочий режим.
Таблица 3
Модификация |
Диапазон воспроизводимых температур, °C |
Поверяемая точка. °C |
«ЭЛЕМЕР-КТ-150К» |
от -54 до +150 |
от -54 до -50; от +50 до +60; от +145 до +150 |
«ЭЛЕМЕР-КТ-200К» |
от -10 до +200 |
от -10 до -5; от +90 до +1101 от +195 до +200 |
«ЭЛЕМЕР-КТ-500К» |
от +28 до +500 |
от +28 до +32; от +240 до +260; от +490 до +500 |
«ЭЛЕМЕР-КТ-650К» |
от +28 до +650 |
от +28 до +32; от +290 до +310; от +630 до +650 |
-
8.5.2 Эталонный термометр помещают в канал термостатирующего блока калибратора с меткой «О» соответствующего диаметра. Проводят серию из N=10 измерений температуры эталонном термометром Ток и калибратором Тк с интервалом 3 мин.
При поверке с использованием системы поверки термопреобразовалей автоматизированной АСПТ (далее - АСПТ) или термометра цифрового эталонного ТЦЭ-005 (далее - ТЦЭ) устанавливают количество программных усреднений от 15 до 20. При использовании других средств поверки за Ток принимают среднее значение за 15 измерений.
-
8.5.3 Определяют минимальное Tomin и максимальное Томах значения температуры, измеренной эталонном термометром.
-
8.5.4 Погрешность воспроизведения заданной температуры ATd определяют по формуле
N
дт°=^’2(Тк_т°к)- (81)к=1
-
8.5.5 Нестабильность поддержания температуры ATv определяют по формуле
1
ДТу = 2 ’ (Томах “ TOmin)- (8.2)
-
8.5.6 Результаты считают положительными, если вычисленные значения ATd и ATv не превышают предела допускаемой абсолютной погрешности воспроизведения заданной температуры и допускаемого значения нестабильности поддержания температуры в термостатирую-щем блоке соответственно.
-
8.6 Определение нестабильности поддержания температуры в сменном блоке сравнения за 30 мин
-
8.6.1 Определение нестабильности поддержания температуры в сменном блоке сравнения проводят согласно п. 8.5 с применением эталонного термометра, помещенного в канал соответствующего диаметра сменного блока сравнения.
-
8.6.2 Результаты считают положительными, если вычисленные значения нестабильности ATv не превышают допускаемого значения нестабильности поддержания температуры в сменном блоке сравнения.
-
8.7 Определение неравномерности температуры по высоте рабочей зоны в термостати-рующем блоке
-
8.7.1 Перед измерениями устанавливают настройку зон «КТ» (в соответствии с «Руководством оператора»).
Измерения проводят в канале диаметром 6,5 мм.
-
8.7.2 Термопреобразователь сопротивления (тестовый термометр), используемый для измерения неравномерности температуры, должен иметь длину чувствительного элемента не более 5 мм, диаметр 6 мм. глубину погружения не менее 250 мм.
-
8.7.3 Эталонный и тестовый термометры помещают в каналы соответствующего диаметра так. чтобы они касались дна каналов.
-
8.7.4 Тестовый термометр последовательно устанавливают на высотах h. равных 0, 30. 60 и 80 мм от дна канала. После стабилизации температуры в каждой точке проводят серию из N=10 измерений температур эталонным Ток и тестовым Тк термометрами.
-
8.7.5 Для каждой из высот вычисляют среднее значение величины по формуле
N
T(h)=N’S(Tk_Tok)- (83)к=1
-
8.7.6 Неравномерность по высоте от 0 до 60 мм вычисляют по формуле
ATH=|-(Tmax-Tmin), (8.4)
где Tmin, Tmax - минимальное и максимальное значения из Т(0). Т(30), Т(60).
-
8.7.7 Неравномерность по высоте от 0 до 80 мм вычисляют по формуле (8.4)
где Tmin, Tmax - минимальное и максимальное значения из Т(0), Т(30), Т(60), Т(80).
-
8.7.8 Результаты считают положительными, если измеренные значения неравномерности не превышают допускаемых значений неравномерности температуры по высоте рабочей зоны в термостатирующем блоке.
-
8.8 Определение неравномерности температуры по высоте рабочей зоны в сменном блоке сравнения
-
8.8.1 Перед измерениями в «ЭЛЕМЕР-КТ-500К/М2» и «ЭЛЕМЕР-КТ-650К/М2» устанавливают настройку зон «ТБС» (если она предусмотрена в данном калибраторе по заказу) (в соответствии с «Руководством оператора»).
-
8.8.2 Измерения проводят согласно п. 8.7.
-
8.8.3 Результаты считают положительными, если вычисленное значение неравномерности не превышает допускаемого значения неравномерности температуры по высоте рабочей зоны в сменном блоке сравнения.
-
-
8.9 Определение разности воспроизводимых температур в каналах термостатирующего блока
-
8.9.1 Перед измерениями устанавливают настройку зон «КТ» (в соответствии с «Руководством оператора»).
-
8.9.2 Измерения проводят в каналах диаметром 6.5 мм.
-
8.9.3 Термопреобразователь сопротивления (тестовый термометр), используемый для измерения, должен иметь длину чувствительного элемента от 40 до 50 мм, диаметр 6 мм, глубину погружения не менее 250 мм.
-
8.9.4 Эталонный термометр помещают в канал соответствующего диаметра.
-
8.9.5 Тестовый термометр последовательно помещают в каналы соответствующего диаметра. После стабилизации температуры проводят серию из N=10 измерений температур эталонным Ток и тестовым Тк термометрами и вычисляют среднее значение величины по формуле
-
-
N
дт=г2(Тк_т°к)- (85)к=1
-
8.9.6 Разность температур в каналах вычисляют по формуле
ATR=(Tmax-Tmin), (8.6)
где Tmin, Tmax - минимальное и максимальное значения ДТ.
-
8.9.7 Результаты считают положительными, если вычисленное значение разности температур в каналах ATr не превышает допускаемого значения разности температур в каналах термостатирующего блока.
-
8.10 Определение разности воспроизводимых температур в каналах сменного блока сравнения
-
8.10.1 Перед измерениями в «ЭЛЕМЕР-КТ-500К/М2» и «ЭЛЕМЕР-КТ-650К/М2» устанавливают настройку зон «ТБС» (если она предусмотрена в калибраторе по заказу) (в соответствии с «Руководством оператора»).
-
8.10.2 Определение разности воспроизводимых температур в сменном блоке сравнения проводят согласно п. 8.9.
-
8.10.3 Результаты считают положительными, если вычисленное значение разности температур не превышает допускаемого значения разности температур в каналах сменного блока сравнения.
-
-
8.11 Определение основной абсолютной погрешности измерения сопротивления постоянному току ИМКТ
-
8.11.1 На закладке «Настройки», странице «Общие настройки» нажимают кнопку «Поверка ИМКТ».
-
8.11.2 В новом окне на подстранице «Настройки» записывают все необходимые для формирования протокола данные. Здесь же выбирают режим измерения «Сопротивление» и задают значения допустимого дрейфа и времени готовности. Рекомендуемые значения: 0,001 %/мин и 10 мин соответственно.
-
8.11.3 На подстранице «МЭСО» вводят параметры мер электрического сопротивления.
-
8.11.4 Переходят на подстраницу «Измерение».
-
8.11.5 В таблице включают канал 1 и нажимают кнопку «ПУСК».
-
8.11.6 После записи параметров появляются две «линейки»: с номинальными значениями сопротивлений мер. при которых проводится поверка и с перечнем каналов, к которым подключена мера сопротивления. Текущее номинальное значение выделено желтым цветом.
-
8.11.7 К каналу 1 калибратора с помощью кабеля КИ №01 ТС в соответствии с рисунком А.1 приложения А подключают меру электрического сопротивления номинальным значением 10 Ом по четырехпроводной схеме.
-
8.11.8 В связанной с этим номиналом ячейке линейки каналов выбирают «Канал 1». В остальных ячейках устанавливают «Нет».
-
8.11.9 В столбце «Эталон, Ом» вводят фактическое значение меры сопротивления. Если на подстранице «МЭСО» были введены значения параметров, то значения эталонов появляются автоматически.
-
8.11.10 После наступления готовности нажимают кнопку «Принять» для фиксирования результата измерений.
-
8.11.11 Нажимают кнопку «>» и переходят к измерению следующего значения сопротивления. При этом предыдущая ячейка в линейке сопротивлений изменяет цвет на зеленый.
-
8.11.12 Повторяют п. 8.11.7-8.11.10 для сопротивлений 25 (30), 100.250(300), 750,1000, 1500 Ом.
-
8.11.13 Повторяют п. 8.11.5 - 8.11.12 для каналов 2, 3. 4.
-
8.11.14 Нажимают кнопку «СТОП».
-
8.11.15 На подстранице «Результаты» нажимают кнопки «С формировать протокол» и «Сохранить».
-
8.11.16 Результаты считают положительными, если полученные погрешности измерения сопротивления постоянному току не превышают пределов основных абсолютных погрешностей измерения сопротивления постоянному току ИМКТ.
-
8.12 Определение основной абсолютной погрешности измерения напряжения постоян
ного тока ИМКТ
-
8.12.1 На закладке «Настройки», странице «Общие настройки» нажимают кнопку «Поверка ИМКТ».
-
8.12.2 В новом окне на подстранице «Настройки» записывают все необходимые для формирования протокола данные. Здесь же выбирают режим измерения «Напряжение» и задают значения допустимого дрейфа и времени готовности. Рекомендуемые значения: 0.001 мВ/мин и 5 мин соответственно.
-
8.12.3 Переходят на подстраницу «Измерение».
-
8.12.4 В таблице включают канал 1 и нажимают кнопку7 «ПУСК». После записи параметров появляется «линейка» с номинальными значениями напряжений, при которых проводится поверка. Текущее номинальное значение выделено желтым цветом.
-
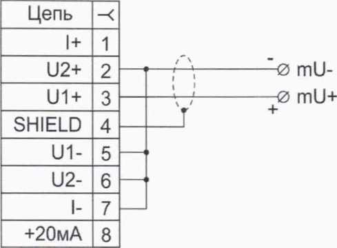
8.12.5 К каналу 1 калибратора с помощью кабеля КИ №06 U1 в соответствии с рисунком А.5 приложения А подключают выход компаратора напряжений РЗООЗ.
-
8.12.6 Задают значение выходного напряжения минус 100 мВ.
-
8.12.7 В столбце «Эталон. мВ» вводят фактическое значение напряжения.
-
8.12.8 После наступления готовности нажимают кнопку «Принять» для фиксирования результата измерений.
-
8.12.9 Нажимают кнопку «>» и переходят к измерению следующего значения напряжения. При этом предыдущая ячейка в линейке напряжения изменяет цвет на зеленый.
-
8.12.10 Повторяют п. 8.12.6 - 8.12.9 для значений напряжения минус 50.0.25. 50. 75,100 мВ.
-
8.12.11 Повторяют п. 8.12.4 - 8.12.10 для каналов 2, 3, 4.
-
8.12.12 Нажимают кнопку' «СТОП».
-
8.12.13 На подстранице «Результаты» нажимают кнопки «Сформировать протокол» и «Сохранить».
-
8.12.14 Результаты считают положительными, если полученные погрешности измерения напряжения постоянного тока не превышают пределов основных абсолютных погрешностей измерения напряжения постоянного тока ИМКТ.
-
8.1 з Определение основной абсолютной погрешности измерения силы постоянного тока
имкт
-
8.13.1 На закладке «Настройки», странице «Общие настройки» нажимают кнопку «Поверка ИМКТ».
-
8.13.2 В новом окне на подстранице «Настройки» записывают все необходимые для формирования протокола данные. Здесь же выбирают режим измерения «Ток» и задают значения допустимого дрейфа и времени готовности. Рекомендуемые значения: 0,001 мА/мин и 5 мин соответственно.
-
8.13.3 Переходят на подстраницу «Измерение».
-
8.13.4 В таблице включают канал 1 и нажимают кнопку «ПУСК». После записи параметров появляется «линейка» с номинальными значениями тока, при которых проводится поверка. Текущее номинальное значение выделено желтым цветом.
-
8.13.5 К каналу 1 калибратора с помощью кабеля КИ №08 12 в соответствии с рисунком А.7 приложения А подключают меру электрического сопротивления МС 3050М номинальным значением 50 Ом. вольтметр В7-78. ИКСУ-2012, настроенный в режиме эмуляции тока.
-
8.13.6 Задают с помощью ИКСУ-2012 эмулируемое значение тока 4 мА.
-
8.13.7 С помощью вольтметра В7-78 измеряют напряжение U на мере электрического сопротивления и рассчитывают значение тока 1к по формуле
1К = (8.7)
кк
где Rk - действительное значение меры электрического сопротивления МС 3050М.
-
8.13.8 В столбце «Эталон. мА» вводят вычисленное значение тока.
-
8.13.9 После наступления готовности нажимают кнопку «Принять» для фиксирования результата измерений.
-
8.13.10 Нажимают кнопку « >» и переходят к измерению следующего значения тока. При этом предыдущая ячейка в линейке тока изменяет цвет на зеленый.
-
8.13.11 Повторяют п. 8.13.6 - 8.13.10 для значений тока 12, 20 мА.
-
8.13.12 Повторяют п. 8.13.4 - 8.13.11 для каналов 2, 3. 4.
-
8.13.13 Нажимают кнопку' «СТОП».
-
8.13.14 На подстранице «Результаты» нажимают кнопки «Сформировать протокол» и «Сохранить».
-
8.13.15 Результаты считают положительными, если полученные погрешности измерения силы постоянного тока не превышают пределов основных абсолютных погрешностей измерения силы постоянного тока ИМКТ.
-
8.14 Определение дополнительной абсолютной погрешности измерения сигналов преобразователей термоэлектрических при использовании компенсационного кабеля КИ №04 ТП
-
8.14.1 К каналу 1 калибратора подключают соединительный кабель КИ №04 ТП в соответствии с рисунком А.4 приложения А.
-
8.14.2 На закладке «Параметры поверки», странице «ТП» устанавливают тип выходного сигнала «ТПА-Т». НСХ - «ТХА(К)».
-
8.14.3 На странице «Точки поверки» устанавливают выбор типа точки - «Нет».
-
8.14.4 Замыкают медным проводом электрические клеммы компенсационной колодки кабеля КИ №04 ТП. помещают ее в тонкий полиэтиленовый пакет и погружают в термостат нулевой на глубину не менее 200 мм.
-
8.14.5 Переходят на закладку «Измерения и поверка», страницу «Измерения» и через 20 мин считывают значение измеренной температуры Т.
-
8.14.6 Результаты считают положительными, если измеренные значения температуры Т не превышают пределов допускаемой дополнительной абсолютной погрешности измерений сигналов преобразователей термоэлектрических при использовании компенсационного кабеля КИ №04 ТП.
-
8.15 Определение дополнительной абсолютной погрешности измерения сигналов преобразователей термоэлектрических при использовании компенсационного кабеля КИ №03 ХА. КИ №03 ХК
-
8.15.1 Определение дополнительной абсолютной погрешности измерения сигналов преобразователей термоэлектрических при использовании компенсационного кабеля КИ №03 ХА. КИ №03 ХК проводят согласно п. 8.14. но отдельно для кабеля КИ №03 ХА и КИ №03 ХК с изменением НСХ с ТХА(К) на TXK(L) (п. 8.14.2). Свободные концы кабелей предварительно замыкают.
-
8.15.2 Результаты считают положительными, если измеренные значения температуры Т не превышают пределов допускаемой дополнительной абсолютной погрешности измерений сигналов преобразователей термоэлектрических при использовании компенсационного кабеля КИ №03 ХА. КИ №03 ХК.
-
9.1 Положительные результаты поверки калибраторов температуры «ЭЛЕМЕР-КТ-150К», «ЭЛЕМЕР-К Г-200К», «ЭЛЕМЕР-КТ-500К», «ЭЛЕМЕР-КТ-650К» оформляют свидетельством о поверке по форме, установленной в документе «Порядок проведения поверки средств измерений, требования к знаку поверки и содержанию свидетельства о поверке», утвержденном приказом Министерства промышленности и торговли Российской Федерации от 2 июля 2015 г. № 1815 и документе «Изменения, которые вносятся в приказ Министерства промышленности и торговли Российской Федерации от 2 июля 2015 г. № 1815», утвержденном приказом Министерства промышленности и торговли Российской Федерации от 28 декабря 2018 года № 5329 и нанесением знака поверки.
-
9.1.1 Знак поверки наносится на свидетельство о поверке.
-
-
9.2 При отрицательных результатах поверки «ЭЛЕМЕР-КТ-150К», «ЭЛЕМЕР-КТ-200К», «ЭЛЕМЕР-КТ-500К», «ЭЛЕМЕР-КТ-650К» не допускаются к применению до выяснения причин неисправностей и их устранения.
После устранения обнаруженных неисправностей проводят повторную поверку, результаты повторной поверки - окончательные.
-
9.3 Отрицательные результаты поверки «ЭЛЕМЕР-КТ-150К», «ЭЛЕМЕР-КТ-200К», «ЭЛЕМЕР-КТ-500К», «ЭЛЕМЕР-КТ-650К» оформляют извещением о непригодности по форме, установленной в документе «Порядок проведения поверки средств измерений, требования к знаку поверки и содержанию свидетельства о поверке», утвержденном приказом Министерства промышленности и торговли Российской Федерации от 2 июля 2015 г. № 1815 и документе «Изменения, которые вносятся в приказ Министерства промышленности и торговли Российской Федерации от 2 июля 2015 г. № 1815», утвержденном приказом Министерства промышленности и торговли Российской Федерации от 28 декабря 2018 года № 5329, свидетельство о предыдущей поверке аннулируют, а «ЭЛЕМЕР-КТ-150К», «ЭЛЕМЕР-КТ-200К», «ЭЛЕМЕР-КТ-500К», «ЭЛЕМЕР-КТ-650К» не допускают к применению.
Разработчики настоящей методики:
Начальник ОЭРИ »
ООО НПП «ЭЛЕМЕР»
В. Крюков
Начальник отдела 207
ФГУП «ВНИИМС»

ПРИЛОЖЕНИЕ А
Схемы электрических соединений
Цепь |
-ч |
1+ |
1 |
U2+ |
2 |
U1 + |
3 |
SHIELD |
4 |
U1- |
b |
U2- |
6 |
I- |
7 |
+20мА |
8 |

Рисунок А.1 - Соединительный кабель КИ №01 ТС для подключения термопреобразователей сопротивления по четырехпроводной схеме подключения
Цепь |
-ч |
I+ |
1 |
U2+ |
2 |
U1 + |
3 |
SHIELD |
4 |
U1- |
5 |
U2- |
6 |
I- |
/ |
+20мА |
8 |

Рисунок А.2 - Соединительный кабель КИ №02 ТС для подключения термопреобразователей сопротивления по трехпроводной схеме подключения
Продолжение приложения А
Цепь |
-Ч |
1+ |
1 |
U2+ |
2 |
U1+ |
3 |
SHIELD |
4 |
U1- |
5 |
U2- |
6 |
I- |
/ |
+20мА |
8 |

Компенсационный кабель
Рисунок А.З - Соединительный кабель КИ №03 ХА. КИ №03 ХК для подключения термопреобразователей термоэлектрических с НСХ ТХА(К) и TXK(L).
Компенсационный кабель с компенсатором холодного спая, установленным в разъеме
Цепь |
-< |
I+ |
1 |
U2+ |
2 |
U1+ |
3 |
SHIELD |
4 |
U1- |
5 |
U2- |
6 |
I- |
/ |
+20мА |
8 |
Pt100

Компенсационная колодка
Рисунок А.4 - Соединительный кабель КИ №04 ТГ1 для подключения термопреобразователей термоэлектрических. Компенсатор холодного спая установлен в компенсационной колодке
Продолжение приложения А

Рисунок А.5 - Соединительный кабель КИ №06 U1 для измерения напряжения от минус 100 до плюс 100 мВ
Цепь |
-< |
1+ |
1 |
U2+ |
2 |
U1 + |
3 |
SHIELD |
4 |
U1- |
5 |
U2- |
6 |
I- |
7 |
+20мА |
8 |
ТПУ | |
+ |
Рисунок А.6 - Соединительный кабель КИ №08 12 для питания термопреобразователей с унифицированным токовым сигналом от 4 до 20 мА и измерения этого сигнала.

ИМКТ
ЦЕПЬ |
X |
I+ |
1 |
U2+ |
2 |
U1 + |
3 |
SHIELD |
4 |
U1- |
5 |
U2- |
6 |
I- |
7 |
+20мА |
8 |
У- |
ЦЕПЬ |
1 |
0 |
2 |
и, R |




*, Черн

! I
V Оранж. МС3050М, Кабель КИ №08 I2 15 Ом
ИКСУ-2012
У- |
ЦЕПЬ |
СОМ | |
lout-»- |
Рисунок А.7 - Подключение ИМКТ к ИКСУ-2012 и вольтметру В7-78 при поверке измерения тока от 4 до 20 мА
страница 21 из 21