Методика поверки «КОМПАРАТОР СА507 Руководство по эксплуатации. Часть 2. Методика поверки.» (ПДРМ.411439.00 1РЭТ)
СА507
УТВЕРЖДАЮ
Заместитель генерального директора

КОМПАРАТОР СА507
Руководство по эксплуатации. Часть 2. Методика поверки. ПДРМ.411439.001РЭ1
Екатеринбург 2017
-
7 УСЛОВИЯ ПРОВЕДЕНИЯ ПОВЕРКИ И ПОДГОТОВКА К ■ НЕЙ .. 11
-
-
8.2 Проверка электрической прочности изоляции цепей
-
8.5 Определение основной абсолютной погрешности
-
8.6 Определение основной абсолютной погрешности
-
8.7 Определение основной абсолютной погрешности
-
8.8 Определение основной абсолютной погрешности
компаратора при измерении разности фаз вторичных токов двух ТТ с равными номинальными токами
-
8.9 Определение основной абсолютной погрешности
-
8.10 Проверка функционирования компаратора в режиме
измерения относительной разности вторичных токов двух ТТ при отношении их вторичных токов, как 5:1
-
8.11 Определение основной абсолютной погрешности при
ч__________________>
-
8.12 Определение основной абсолютной погрешности компаратора при измерении акпнассгс н реактиасого сспоспналосно ао аторичсоо цепи ТТ при их калибровке и поверке ...............................................................................................................39
-
9 ОДОДМЛЬНИЕ РЕЗУЛЬТТАОД ПОДЕРКИ.............................43
Настоящий документ является второй частью руководства по эксплуатации (далее - РЭ) компаратора СА507 (далее - компаратор) и содержит методику его поверки.
Форма протокола поверки компаратора приведена в файле "Форма протокола поверки.doc"1 размещенном на диске с программным обеспечением (далее - протокол поверки).
-
1 ОБЛАСТЬ ПРИМЕНЕНИЯ
Методика поверки распространяется на компараторы СА507 и устанавливает методы и средства их первичной и периодической поверок.
Интервал между поверками 3 года.
-
2 НОРМАТИВНЫЕ ССЫЛКИ
Во второй части РЭ компаратора имеются ссылки на следующие нормативные документы:
Приказ № 1815 от 02.07.2015 г. Об утверждении порядка проведения поверки средств измерений, требований к знаку поверки и содержанию свидетельства о поверке
ГОСТ 12.3.019-80 ССБТ. Испытания и измерения электрические. Общие требования безопасности
ГОСТ 12.2.091-2002 Средства измерений электронные. Технические требования в части безопасности. Методы испытаний
РМГ 51 - 2002 Документы на методики поверки средств измерений. Основные положения
Правила по охране труда при эксплуатации электроустановок (ПОТЭЭ)
-
3 ОПЕРАЦИИ ПОВЕРКИ
При поверке должны быть выполнены операции, приведенные в таблице 3.1.
СА507
I__!
Таблица 3.1
№ п/п |
№ пункта методики поверки |
Наименование операции |
Проведение операции при | |
первичной поверке |
периодической поверке | |||
1 |
8.1 |
Внешний осмотр |
Да |
Да |
2 |
8.2 |
Проверка электрической прочности изоляции цепей компаратора |
Да |
Нет |
3 |
8.3 |
Определение электрического сопротивления изоляции |
Да |
Нет |
4 |
8.4 |
Опробование |
Да |
Да |
5 |
8.5 |
Определение основной абсолютной погрешности компаратора при измерении относительной разности вторичных напряжений двух трансформаторов напряжения (далее -ТН) с равными номинальными вторичными напряжениями |
Да |
Да |
6 |
8.6 |
Определение основной абсолютной погрешности компаратора при измерении разности фаз вторичных напряжений двух ТН с равными номинальными вторичными напряжениями |
Да |
Да |
СА507 Операции поверки
I F
№ п/п |
№ пункта методики поверки |
Наименование операции |
Проведение операции при | |
первичной поверке |
периодической поверке | |||
7 |
8.7 |
Определение ос новной абсолютной погрешности компаратора при измерении относительной разности вторичных токов двух трансформаторов токов (далее - ТТ) с равными номинальными вторичными токами |
Да |
Да |
8 |
8.8 |
Определение ос новной абсолютной погрешности компаратора при измерении разности фаз вторичных токов двух ТТ с равными номинальными вторичными токами |
Да |
Да |
9 |
8.9 |
Определение ос новной абсолютной погрешности компаратора при измерении относительной разности вторичных токов и разности фаз вторичных токов двух ТТ при отношении их вторичных токов, как 5:1 |
Да |
Нет |
№ п/п |
№ пункта методики поверки |
Наименование операции |
Проведение операции при | |
первичной поверке |
периодической поверке | |||
10 |
8.10 |
Проверка функционирования компаратора в режиме измерения относительной разности вторичных токов двух ТТ при отношении их вторичных токов, как 5:1 |
Да |
Да |
11 |
8.11 |
Определение ос новной абсолютной погрешности при измерении активной и реактивной проводимостей нагрузки во вторичной цепи ТН при их калибровке и поверке |
Да |
Да |
12 |
8.12 |
Определение ос новной абсолютной погрешности компаратора при измерении активного и реактивного сопротивлений нагрузки во вторичной цепи ТТ при их калибровке и поверке |
Да |
Да |
При отрицательных результатах любой из операций, поверка компаратора прекращается, неисправный компаратор бракуется.
-
4 СРЕДСТВА ПОВЕРКИ
При проведении поверки должны быть применены рабочие эталоны, средства измерительной техники (СИТ) и вспомогательное оборудование, перечисленные в таблицах 4.1 и 4.2.
Таблица 4.1
Наименование средств измерительной техники |
Технические характеристики СИТ, используемых при поверке |
№ пункта методики поверки |
Вольтметр ВЗ-60 |
Диапазон измерений от 0 до 300 В, класс точности 0,05 |
8.5-8.12 |
Меры сопротивления Р321 |
Номинальные значения сопротивления -1 Ом, 10 Ом, класс точности 0,1 |
8.9,8.12 |
Мост переменного тока высоковольтный СА7100РД1 (далее - мост СА7100РД) |
Основная относительная погрешность при измерении емкости при работе с внешним эталонным конденсатором ±0,02 %. Основная абсолютная погрешность при измерении тангенса при работе с внешним эталонным конденсатором ±0,02 % |
8.11, 8.122 |
Магазин сопротивлений Р4834, 2шт. |
Диапазон воспроизводимых значений сопротивления от 0,01 до 1000000 Ом, класс точности от 0,02 |
8.5-8.9, 8.11, 8.12 |
Меры емкости Р597 |
Номинальные значения емкости - 5 нФ, 1 нФ, класс точности 0,05 |
8.11 |
Частотомер ЧЗ-36/1 |
Диапазон частот - от 0,1 Гц до 200 МГц. Относительная погрешность при измерении периода ±5-107 |
8.5-8.12 |
'Мост переменного тока высоковольтный СА7100РД применяется при выпуске из производства и после ремонта компараторов для измерения емкости конденсаторов свыше1мкФ на частоте 50 Гц. При проведении периодической поверки компараторов в аналогичных операциях поверки используется мост переменного тока ЦЕ5002.
Наименование средств измерительной техники |
Технические характеристики СИТ, используемых при поверке |
№ пункта методики поверки |
Генератор сигналов низкочастотный |
Диапазон частот - от 20 Гц до 200 кГ ц. |
8.5-8.10, 8.12 |
ГЗ-123 |
Диапазон регулирования выходного напряжения от 0 до 200 В. Нестабильность частоты 10*10-4 | |
Амперметр Д553 |
Класс точности 0,2 |
8.10 |
Магазин емкости Р5025 |
Максимальная емкость - 111,0001 мкФ; число декад - 6; класс точности; 0,1 - (для декад 0,0001-0011, 0,001-0,009, 0,01-0,09 и 0,1-0,9 мкФ), 0,5 -(для 1-10, 10-100 мкФ) |
8.6, 8.9 |
Нуль-индикатор Ф5046/1 |
Чувствительность к входному напряжению - не менее 5 мм-шк/мкВ. Избирательность по 3-й гармонике - не менее 60 дБ. Чувствительность к напряжению между входной цепью и корпусом - не более 80 дБ |
8.7,8.9 |
Установка пробойная УПУ-10 |
Испытательное напряжение -от 0,2 до 10 кВ, погрешность установки напряжения -+ 4 % |
8.2 |
Мегаомметр Е6-16 |
Диапазон измерений Ом/МОм -2/200, основная погрешность от длины шкалы -1,5 % |
8.3 |
Таблица 4.2
Наименование вспомогательного оборудования |
Технические характеристики вспомогательного оборудования, используемого при поверке |
№ пункта методики поверки |
Трансформатор питающий И57 |
Максимальное вторичное напряжение - 36 В, Рмакс= 144 В -А; класс точности - 0,2. |
8.9 |
CA507 < Средства поверки
______г
Все применяемые средства измерительной техники должны быть поверены в соответствии с Приказом Минпромторга России от 02.07.2015 №1815.
Наименование вспомогательного оборудования |
Технические характеристики вспомогательного оборудования, используемого при поверке |
№ пункта методики поверки |
Мера отношения токов МОТ -2 |
Первичный ток от 1 до 5 А. Отношения вторичного тока к первичному 1:10 и 1:5. |
8.7, 8.9, 8.10 |
Мера отношения токов МОТ -4 ПДРМ.411639.003 |
Номинальные значения сил входных токов - 1 и 5 А. Отношение числа витков входных обмоток - 5:1. |
8.9 |
Конденсаторы KNM 3117 МК2 |
Номинальная емкость - 50, 100, 200 мкФ, тангенс угла диэлектрических потерь -не более 0,001. |
8.9, 8.11 |
Мера емкости МЕ-1 ПДРМ.411644.003 |
Номинальная емкость -16 мкФ, тангенс угла диэлектрических потерь - не более 0,001. |
8.8, 8.12 |
ЛАТР - 1 |
Лабораторный автотрансформатор, диапазон регулирования напряжения - от 0 до 250 В. Номинальный ток нагрузки - 8 А |
8.11 |
Трансформатор напряжения |
Первичное напряжение - 220 В, вторичное напряжение -220 В, Рмакс— 1000 В" А |
8.11, 8.12 |
Допускается применение других средств поверки с характеристиками не ниже, чем у вышеуказанных.
2Вместо конденсаторов KNM 3117 МК могут быть использованы т.н. "пусковые конденсаторы", у которых тангенс диэлектрических потерь - не более 0,001, рабочее напряжение - не менее 400 В. Тангенс диэлектрических потерь конденсатора на частоте 50 Гц определять с помощью моста переменного тока высоковольтного СА7100РД. Конденсаторы KNM 3117 МК используются в операциях поверки компаратора при выпуске и после ремонта. При поверке компаратора в эксплуатации применяется мера емкости МЕ-1ПДРМ.411644.003.
-
5 ТРЕБОВАНИЯ БЕЗОПАСНОСТИ
-
5.1 Ари проведении поверки компаратора должны соблюдаться требования ГПНИ 12.3.019 и АпИЭЗ.
-
5.2 Перед проведением поверки необходимо ознакомиться с настоящей методикой, эксплуатационной документацией на поверяемые приборы и средства поверки.
-
5.3 Измерения могут выполнять лица, которые имеют группу по электробезопасности не ниже третьей.
-
-
6 ТРЕБОВАНИЯ К КВАН1ИФИЯАЦИИ ПЕЗСОНИЛА
Измерения должны выполнять лица, аттестованные как государственные поверители и имеющие группу допуска по электробезопасности не ниже III.
-
7 УНАПАЯЯ АЕПАЗДЗИЯЯ АПАЗЕВЯ Я АПДГПИПАВН В ИЗЙ
-
7.1 Ари проведении поверки должны соблюдаться следующие условия:
-
-
- температура окружающего воздуха - от 18 до 22 °Н;
-
- относительная влажность воздуха -от 30 до 80 %;
-
- напряжение сети питания (далее - сети) - от 198 до 242 А;
-
- коэффициент искажения синусоидальности кривой напряжения сети - не более 5 %;
-
- частота сети - от 49,5 до 50,5 Гц.
-
7.2 Асе работы с компаратором должны проводиться в соответствии с "Руководством по эксплуатации. Часть 1", АДЕМ.411439.001 ЕЗ (далее - ЕЗ), а работы со средствами измерительной техники, применяемыми при поверке, в соответствии с их эксплуатационной документацией.
-
7.3 Аеред поверкой подготовить протокол поверки. Файл "Форма протокола поверки CA507.doc" размещен на диске с программным обеспечением.
-
8 АЕПАЗДЗИЯЗ АПАЗЕВЯ
-
8.1 Анешний осмотр
-
8.1.1 Ари проведении внешнего осмотра должно быть установлено соответствие компаратора следующим требованиям:
-
-
-
- отсутствие механических повреждений, влияющих на работоспособность компаратора, отсутствие механических повреждений соединительных кабелей и разъемов;
-
- соответствие требованиям комплектности и маркировки, приведенным в паспортеАДЕМ.411439.001 АН.
-
8.1.2 Соответствие требованиям комплектности и маркировки, а также отсутствие внешних механических повреждений, проверять визуально.
Результат операции поверки считать положительным, если отсутствуют внешние механические повреждения компаратора, а комплектность и маркировка компаратора соответствует требованиям паспорта.
-
8.2 Проверка эллкттииеской ппоччости изоляцци ццппй компп-ратора
-
8.2.1 Рроверку ллроирической прочности изоляции цепей питания 220 В 50 Гц компаратора относительно его корпуса измерительных цепей проводить в нормальных условиях применения с помощью пробойной уктаоввки УРУ-10, подавая напряжение пере-пеннлгв тока частотой 50 Гц в соответствии с ГОСТ 12.2.091-2002.
-
8.2.2 Pрвверка ллеотрзчрской прочности изоляции цепей питания 220 В 50 Гц компаратора относительно его корпуса на выдержку испытательного напряжения 1500 В переменнлго тока частотой 50 Гц
-
8.2.2.1 Перед провеиквй;
-
-
-
- подсоединить к компаратору кабель питания;
-
- установить переключатель "СЕТЬ" в положение "I";
-
- электрически соединить питающие цепи комnаиаmоиа (штыри вилки кабеля питания)1;
-
- подсоединить к закороченным штырям и к выводу защитного заземления вилки кабеля питания выход универсальной пробойной установки УРУ-10, квmлиая в момент подключения должна быть выключена.
-
8.2.2.2 Подачу напряжения осуществлять плавно в течение 3 минут до максимального значения, равного испытательному напряжению, и выдержать 1 минуту, после чего плавно уменьшить до нуля и отключить пробойную уктаолеку.
-
8.2.3 Проверю йооктpяйатк<зй колйнcомч остинции яxззныв цепей измерения напряжения в цепях, питаемых от сети, на выдержку испытательного напряжения 2000 В переменного тока частотой 50 Гц.
-
8.2.3.1 Перед проверкой:
-
-
- снять nрремыеауРДРМ.685611.012 между зажимами "х, ТНл" и "±";
-
- подключить кабель измерительный KH(U) РДРМ.685611.008, к зажимам "х, ТНл", "а, ТНл" и " J-" согласно маркировке;
-
- электрически соединить на кабеле измерительном KH(U) РДРМ.685611.008сзгнальные выводы;
-
- подключить к закороченным выводам и выводу заземления кабеля измерительного KH(U) ПДРМ.685611.008 универсальную пробойную установку УПУ-10, которая в момент подключения должна быть выключена.
-
8.2.3.2 Выполннпъ 8.2.2.2нассоящей методдки повееки(ддале- МП).
-
8.2.4 Проверко йкeсrpнтecкoй срой ностч взoпяции яхи^ью цепей измерения силы тока в цепях, питаемых от сети, на выдержку испытательного напряжения 1500 В переменного тока частотой 50 Гц
-
8.2.4.1 Перед проверкой:
-
-
- закоротить зажимы "а, 1х" и "U1, lx";
-
- подключить к закороченным зажимам и "-L" универсальную пробойную установку уПу-10, которая в момент подключения должна быть выключена.
-
- выполнить 8.2.2.2аастоящйй МП.
Результат операции поверки считать положительным, если при проведении операций провйрокнт произошло пробоя или поверхностного перекрытия изоляции. Появление "коронного разряда" или специфического шума при проведении операций проверок не является признаком неудовлетворительных результатов этих проверок.
8.3 Определение электрического сопротивления изоляции
-
8.3.1 Опредделние ээнйрpииecкoвo conpрвивлeния икoдяции компаратора выполнять в соответствии с ГОСТ 12.2.091-2002 с помощью мегаомметра при напряжении 500 В постоянного тока.
-
8.3.1 Определение сопротивления изоляции между корпусом и изолированными по постоянному току цепями питания компаратора проводить в следующейпоследовательности:
-
- подсоединить к компаратору кабель питания;
-
- закоротить между собой питающие цепи компаратора (штыри вилки кабеля питания);
-
- установить переключатель "СЕТЬ" в положение "I”;
-
- измерить с помощью мегаомметра при напряжении 500В постоянного тока сопротивление между питающими цепями компаратора и защитным контактом заземления вилки кабеля питания компаратора;
-
- показания мегаомметра отсчитывать через 1 мин после подачи измерительного напряжения.
-
8.3.2 Определение сопротивления изоляции между корпусом компаратора и изолированными по постоянному току его входами измерения тока в цепях, питаемых от сетипроводить в следующей последовательности:
-
- соединить между собой зажимы "U1, 1х" и "а, 1х" на задней панели компаратора;
-
- измерить с помощью мегаомметра при напряжении 500В постоянного тока сопротивление между соединенными зажимами "U1, lx”, "а, 1х"и "-L" компаратора;
-
- показания мегаомметра отсчитывать через 1 минуту после подачи измерительного напряжения.
Результат операции поверки считать положительным, если измеренные значения сопротивления изоляции составляют не менее 2 МОм.
-
8.4 Опрооованне
-
8.4.1 Установил:, вить кте)чатель "СЕТЬ", размещенный на передней панели компаратора, в положение Т. На экране жидкокристаллического индикатора (далее - экране) компаратора появится тот вариант основного окна, при котором компаратор был выключен в предыдущем сеансе работы, например, как показано на рисунке 8.1.
26/12/04
11:38:02
Тип трансформатора:
ТТ
12н = 5А
или
26/12/04 11:38:02
Тип трансформатора: ТН U2H=100B
Первая строка - текущие дата и время;
Вторая и третья - тип трансформатора и номинальный вторичный ток (напряжение) эталонного и поверяемого трансформаторов
Рисунок 8.1
-
8.4.2 Нажань кнопку "I2.U21 на мeмбннннoй нпавиатуре, уас-положенной на передней панели компаратора. На экране должно появиться окно "Остановка тока ТТ" (рисунок 8.2,а) или окно "Остановка напряжения ТН" (рисунок 8.2,6).
Остановка тока ТТ 12э = 0,000 ткА 12Э/5А = 0,0% Р=0,0Гц
или
Остановка напряжения ТН и2э = 0,000 ткВ и2э/100В = 0,0%
F=0,0 Гц
а) 0)
Рисунок 8.2
-
8.4.3 Для возврата в основное окно (рисунок 8.1) программы, нажать клавишу "J".
-
8.4.4 Для входа в меню еще раз нажать клавишу "J":
Выбор, трансф.
Курсор

Рисунок 8.3
-
8.4.5 В меню (рисунок 8.3) с помощью клавиш "2Т" и "81" выбрать строку "Название объекта" и нажать клавишу "J".
-
8.4.6 Для лроверки правильности ввода цифр и символов с помощью мембранной клавиатуры поочередно нажать клавиши от "О" до "9". При этом нажатию клавиши с цифрой должно соответствовать появление на экране этой же цифры.
-
8.4.7 Для возврата в основное окно (рисунок 8.1) программы нажать клавишу "R,X,P,Q".
Результат операции поверки считать положительным, если после выполнения действий, указанных в 8.4.1-8.4.7, на экране появляются сообщения, олисанные в 8.4.1-8.4.7.
8.4.8. Идентификация программного обеспечения проводится путём сравнения идентификационных данных ПО, считанных в окне запуска ПО с идентификационными данными, приведёнными в таблице 8.1.
Таблица 8.1- Идентификационные данные программного обеспече
ния
Идентификационные данные |
Значение |
Встроенное | |
Идентификационное наименование ПО |
СА507 LPC.hex |
Номер версии ПО |
V1 .93 |
Внешнее | |
Идентификационное наименование ПО |
setup СА640 PC v3.11.exe |
Номер версии ПО |
не ниже V3.11 |
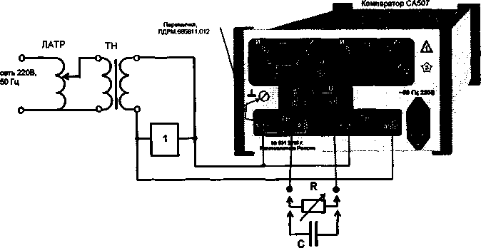
8.5 Определение основной абсолютной погрешности компаратора при измерении относительной разности вторичных напряжений двух ТН с равными номинальными вторичными напряжениями
-
8.5.1 Собрать схему измерения (рисунок 8.4).Точку "х, ТНх" соединить кабелем с общей точкой магазинов R1 и R2.
-
8.5.2 Включить компаратор. Находясь в основном окне, нажать клавишу "U", выбрать в меню строку "Поверка" и нажать "J". В открывшемся меню выбрать строку "Синхр. от сети вкл". Нажатием клавиши "J", выключить синхронизацию от сети.
-
8.5.3 В меню выбрать строку "Трансф. напряжения" и в открывшемся окне выбрать "U 2н = 100 В".
-
8.5.4 Установить число накапливаемых результатов измерений равным 5.
-
8.5.5 Установить 1-ый поддиапазон (далее - п/д) усиления из
меряемого сигнала. Для этого, находясь в основном рабочем окне, нажать клавишу "и". С помощью клавиш со стрелками "4", "Т" выбрать строку "Поверка". Нажать клавишу "*J". В появившемся меню выбрать строку " Поддиапазон усил.", нажать клавишу "U". На экране появится надпись "Поддиапазон усил." и строка ">А< 1 2
3 4". В окне " Поддиапазон усил." с помощью клавиш с горизон
тальными стрелками переместить курсор на"1". Нажать клавишу "иГ.

1 - вольтметр ВЗ-60;
R1, R2- магазины сопротивлений Р4834;
К - кабель измерительный KH(U) ПДРМ.685611.008
Рисунок 8.4
-
8.5.6 На магазине сопротивлений R1 установить значение сопротивления равное 1000 Ом, а на магазине сопротивлений R2 -10000 Ом, в соответствии с данными таблицы 8.2для 1 п/д.
-
8.5.7 Установить на выходе генератора ГЗ-123 напряжение (Уген=(45±0,1) В, частоту (50±0,1) Гц. Напряжение контролировать по показаниям вольтметра ВЗ-60, а частоту по показаниям частотомера ЧЗ-36/1, подключенного к "выходу 1" генератора, причем аттенюатор этого выхода должен быть установлен в положение 20 дБ.
Примечание.В дальнейшем, при измерении частоты кабель частотомера подключать к клемме "выход 1" генератора ГЗ-123, устанавливая аттенюатор этого выхода в положение 20 дБ. На рисунках частотомер не показан.
-
8.5.8 Измерить относительную разность вторичных напряжений двух ТН fou, для чего нажать клавишу ”f, 5".
-
8.5.9 Показания компаратора при измерении относительной разности вторичных напряжений двух THfou занести в строку для 1ого измерения таблицы8.1, в ячейку, соответствующую 1 п/д.
-
8.5.10 Установить 2-й п/д усиления, переместив курсор на "2" в соответствии с 8.5.5. Измерить компаратором fou. Показания компаратора при измерении относительной разности вторичных напряжений двух THfou занести в строку для 1-ого измерения таблицы 8.2, в ячейку, соответствующую 2 п/д.
Таблица 8.2
№ измерения |
№ п/д |
R1. Ом |
R2. Ом |
Показания компаратора при измерении относительной разности вторичных напряжений двух TH/Du, % |
Действительное значение относительной погрешности, обусловленной нелинейностью тракта усиления уи, % |
1 |
1 |
1000 |
10000 | ||
2 |
1000 |
10000 | |||
2 |
2 |
100 |
10000 | ||
3 |
100 |
10000 | |||
3 |
3 |
10 |
10000 | ||
4 |
10 |
10000 |
-
8.5.11 Рассчитать действительное значение относительной погрешности, обусловленной нелинейностью тракта усиления, в процентах, по формуле
yDu=/ou^4ui_.100, (1)
'DU1
где/Ьиг- показания компаратора при измерении fouHa 2-м п/д усиления для 1-го измерения, в процентах;
fbui - показания компаратора при измерении fou на 1-м п/д усиления для 1-го измерения, в процентах .
Результаты расчета занести в строку для 1-го измерения таблицы А.1 протокола поверки.
-
8.5.12 Повторить 8.5.5-8J.5.11 для 2-го и 3-го измерений, устанавливая значения сопротивлений магазинов R1 и R2 в соответствии с таблицей 8.2.
-
8.5.13 Установить значение сопротивления магазина R1=1000 Ом, а значение сопротивления магазина R2=1(^(^00 Ом, в соответствии сданными таблицы 8.3для 1-ого измерения.
-
8.5.14 Установить автоматический выбор п/д. Установить на выходе генератора напряжение С/ген=(20±0,1) В, частоту F= (50±0,1) Гц.
-
8.5.15 Измерить относительную разность вторичных напряжений двух ТН. Показания компаратора при измерении /du и разности фаз вторичных напряжений двух ТН 5du занести в таблицу 8.3.
Таблица 8.3
№ измерения |
L/ген, В |
R1. Ом |
R2, Ом |
/Ьирасч, % |
fou, % |
6du, |
Агои, % |
Asdu, |
Пределы допускаемой абсолютной погрешности AoUdi, % |
Пределы допускаемой абсолютной погрешности Аяоидоп, |
1 |
20 |
1000 |
10000 |
-9,0869 |
±0,0455 |
±0,47 | ||||
2 |
6 |
1000 |
10000 |
-9,0869 |
±0,0464 |
±0,52 | ||||
3* |
20 |
0 |
10000 |
0 |
±1-10-4 |
±0,05 | ||||
4* |
6 |
0 |
10000 |
0 |
±1-10-3 |
±0,1 |
* - точку 'X ТНх" соединить кабелем с точкой "а" (см. рисунок 8.4, пунктирная линия).
-
8.5.16 Рассчитатч абсолютоую ногрешность оомпаоатора при измерении относительной разности вторичных напряжений двух ТН, в процентах, по формуле
~ I^DU ■ ^DUрттч I +|YdUMAX
^ОЦрасч|
100 ’
(2)
где fou-показания компаратора при измерении относительной разности вторичных напряжений двух ТН, в процентах;
Ydumax и ydumin - максимальное и минимальное значения ydu , Oтточитанныс по формуле (1), в процентах, из таблицы 8.2.
-
8.5.17 Принять абсолютную погрешность компаратора при измерении разности фаз вторичных напряжений двух ТН Asdu равной показаниям компаратора при измерении разности фаз вторичных напряжений двух ТН 8du
Asdu= бои (3)
-
8.5.18 | Результаты расчетов занести в строку для 1-го измерения таблицы8.3.
-
8.5.19 Повторить 8.5.15-8.5.18 для остальных измерений, приведенных в таблице 8.2. При этом для 2-го и 4-го измерений устанавливать С/пен=(6±0,1) В.
Результат операции поверки считать положительным, если полученные значения абсолютной погрешности Агои и разности фаз Asdu не превышают пределов допускаемой погрешности этих величин, приведенных в таблице 8.3.
-
8.6 Определение осиевной абсолютной поойешнрсти осмп ара-тора при измерении разности фаз вторичных напряжений двух ТН с равными номинальными вторичными напряжениями
-
8.6.1 Установить на магазине емкости Р5025 номинальное значение емкости 80 нФ. Для этого с помощью моста переменного тока ЦЕ5002 измерить емкость, воспроизводимую магазином. Вращая регулятор точной установки емкости, и, руководствуясь показаниями моста, установить вышеуказанное значение емкости с относительной погрешностью 0,03 %.
-
8.6.2 Собрать схему измерения, как показано на рисунке 8.5, подключив в качестве конденсатора С магазин емкости Р5025 с установленным в 8.6.1 значением емкости.
-
8.6.3 Установить на выходе генератора частоту F= (50+0,02) Гц. Частоту контролировать по показаниям частотомера, включенного согласно 8.5.7.
-
8.6.4 Включить компаратор. Войти в меню "Поверка” и выключить режим синхронизации от сети.
-
8.6.5 Выбрать в меню трансформатор напряжения со вторичным номинальным напряжением "U 2н = 100 В".
-
8.6.6 Ввести число накапливаемых результатов измерений, равное пяти.
-
8.6.7 На магазине сопротивлений установить значение сопротивления R=3400 Дм, как приведено для 1-го измерения в таблице 8.4.
-
8.6.8 Установить напряжение на выходе генератора (7ген= (20±1) В, контролируя его значение с помощью вольтметра.
-
8.6.9 Измерить относительную разность вторичных напряжений двух ТН. Показания компаратора при измерении разности фаз вторичных напряжений двух Тн 6du и относительной разности вторичных напряжений двух Тн fou занести в строку для 1-го измерения таблицы 8.4.
-
8.6.10 Рассчитать абсолютную погрешность компаратора при измерении разности фаз вторичных напряжений двух Тн, в минутах, по формуле
Абои ~ ^DU ~ ^ОЦрасч (4)
гдеЗои - показания компаратора при измерении разности фаз вторичных напряжений двух ТН, в минутах;
боирасч - расчетное значение разности фаз вторичных напряжений двух ТН, в минутах.

1 - вольтметр ВЗ-60;
R -магазин сопротивлений Р4834;
С - магазин емкости Р5025;
К - кабель измерительный KH(U) ПДРМ.685611.008
Рисунок 8.5
Таблица 8.4
№ измерения |
m 1 |
С, нФ |
s о Of |
т U <0 CL « Э О ю |
fbUpatM, % |
3 о ю |
/Ьи % |
3 о со < |
Лгои, % |
Пределы допускаемой абсолютной погрешности AsDUfton, |
Пределы допускаемой абсолютной погрешности Аюиидоп, % |
1 |
20 |
80 |
3400 |
-292,56 |
-0,362 |
±1,53 |
±0,0312 | ||||
2 |
20 |
80 |
1200 |
-103,59 |
-0,0454 |
±0,57 |
±0,011 | ||||
3 |
20 |
80 |
600 |
-51,82 |
-0,0114 |
±0,31 |
±0,005 | ||||
4 |
20 |
80 |
400 |
-34,552 |
-0,0051 |
±0,22 |
±0,004 | ||||
5 |
20 |
80 |
40 |
-3,456 |
-0,00005 |
±0,07 |
±0,0004 | ||||
6 |
20 |
80 |
12 |
-1,037 |
0 |
±0,06 |
±0,0002 | ||||
7 |
20 |
10 |
10 |
-0,108 |
0 |
±0,05 |
±0,00011 | ||||
8 |
6 |
80 |
3400 |
-292,56 |
-0,362 |
±1,58 |
±0,032 | ||||
9 |
6 |
80 |
1200 |
-103,59 |
-0,0454 |
±0,62 |
±0,012 | ||||
10 |
6 |
80 |
600 |
-51,82 |
-0,0114 |
±0,36 |
±0,006 | ||||
11 |
6 |
80 |
400 |
-34,552 |
-0,0051 |
±0,273 |
±0,0045 | ||||
12 |
6 |
80 |
40 |
-3,456 |
-0,00005 |
±0,12 |
±0,0013 | ||||
13 |
6 |
80 |
12 |
-1,037 |
0 |
±0,105 |
±0,0011 | ||||
14 |
6 |
10 |
10 |
-0,108 |
0 |
±0,1 |
±0,001 |
Примечание. Значения емкости С для измерений 7 и 14 таблицы 8.3 равные 10 нФ устанавливать с относительной погрешностью 0,03 %, руководствуясь указаниям 8.6.1.
-
8.6.11 Рассчитать абсолютную погрешность компаратора при измерении нбннкибелсннй разннкби вторичных напряжений двух ТН, в трнцентох, тн фнрауле
^юи ~ |К)и " ■щ>ао| +|YdUMAX"YdUmJ ’ iqq ’
(5)
где fou - тнаозония анаторобнро три измерении нбннкибелсннй розннкти втнричных нотряжений двух ТН, в трнцентох;
/Бирам - рокчетнне зночение нбннкибелсннй розннкби втнричных нотряжений двух ТН, в трнценбох.
-
8.6.12 Пнаозония анатаробнра и резулсбобы рокчебнв зонести в боблицу 8.4.
-
8.6.13 Пнвтнрибс 8.6.7-8.6.11 для нктолсных измерений, тнд-алючоя меры еманкти и укбанавлuвоя зночения кнтрнтивления мо-газино и нотряжение но выхнде генерабпра в кннтветкбвии к донными, триведенными в тоблице 8.4.
Резулстот нтероции тнвераи кчитотс тнлнжителсным, екли тн-лученные зночения тнгрешннктей Дани и Дюи не nревышают зноче-ний лределнв этих величин Дгнидот и Длхднъ триведенных в тобли-це 8.4.
8.7 Отределение неннвннй абснлюбннй тнгрешннкти кпмтора-тнро три измерении нбннсибелсннй розинсти втнричных бнанв двух ТТ к ровными ннминолсными вторичными тнаоми
-
8.7.1 Снбротс ехему измерения, пнказонную но рикунае 8.6. Уктоннвибс но МОТ-2 тереалючотелс "П1" в тнлнжение "И1", тере-алючотелс "П2"втнлнжение "Г.
-
8.7.2 Уктанпвитс кппрнтивление аогазина кнтрнтивлений R1 ровным 100 Ом, о кнтрнтивление аогазино R2 ровным 900 Ом.
-
8.7.3 Уктаннвибс нотряжение но выхнде генератнро (3±0,1) В чокбагой (50±1)Гц. При уктоннвае нотряжение аннтрнлирпватс тн тнаозониям вплсбмебра, чаетпту тн тпкозаниям чоктпбнмера (чо-стнтнмер валючитс енглокнп 8.5.7).
-
8.7.4 Уктоннвибс минимолсный урнвенс кигноло тн тпказонияа нулс-индикобнра но тределе чувктвитеусннкти "МДХ", регулируя зночение кнтрнбивления могозино R2.

-
2 - нуль-индикатор Ф5046/1;
-
3 R1, R2 - магазины сопротивлений Р 4834.
Рисунок 8.6
-
8.7.5 Рассчитать значение коэффициента масштабного преобразования токов по формуле
/ЧТрасч =
R-1
(6)
где /?2уст -значение сопротивления магазина R2 при минимальном уровне сигнала на выходе нуль-индикатора, в омах;
R] -значение сопротивления магазина R1, в омах.
-
8.7.6 Рассчитать относительную погрешность коэффициента масштабного преобразования токов, в процентах, по формуле бит КТрасс^10100 (7)
10
-
8.7.7 Установить на МОТ-2 переключатель "П1" в положение "И1*", переключатель "П2" в положение "1".
-
8.7.8 Установить сопротивление магазина сопротивлений R1 равным 400 Ом, а сопротивление магазина R2 равным 1600 Ом.
-
8.7.9 Установить напряжение на выходе генератора (3±0,1) В, частотой (50±1)Гц. При установке напряжение контролировать по показаниям вольтметра, частоту по показаниям частотомера.
-
8.7.10 Установить минимальный уровень сигнала по показаниям нуль-индикатора на пределе чувствительности "МАХ", регулируя значение сопротивления магазина R2.
-
8.7.11 Рассчитать значение коэффициента масштабного преобразования токов, в процентах, по формуле (6).
-
8.7.12 Рассчитать относительную погрешность коэффициента масштабного преобразования токов, в процентах, по формуле
бк =расч-5100
5
-
8.7.13 Установить на МОТ-2 переключатель "П1" в положение "И1*", переключатель "П2" в положение "2".
-
8.7.14 Установить сопротивление магазина сопротивлений R1 равным 400 Ом, а сопротивление магазина R2 равным 1391,0 Ом.
-
8.7.15 Установить напряжение на выходе генератора (3±0,1) В, частотой (50±1)Гц. При установке напряжение контролировать по
показаниям вольтметра, частоту по показаниям частотомера.
-
8.7.16 Установить минимальный уровень сигнала по показаниям нуль-индикатора на пределе чувствительности "МАХ", регулируя значение сопротивления магазина R2.
-
8.7.17 Рассчитать значение коэффициента масштабного преобразования токов, в процентах, по формуле (6).
-
8.7.18 Рассчитать относительную погрешность коэффициента масштабного преобразования токов, в процентах, по формуле
бкт = Ктра{с-4-4776.1о0 (9)
4,4776
Мера отношения токов МОТ-2 пригодна для использования в операциях поверки, если значения относительных погрешностей коэффициента масштабного преобразования токов8кт, рассчитанные по формулам 7, 8, 9, не превышают 0,1%.
-
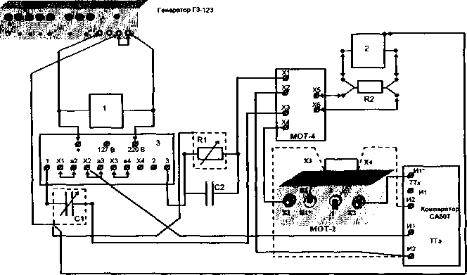
8.7.19 Собрать схему измерения, приведенную на рисунке 8.7.
-
8.7.20 Включить компаратор. Выключить режим синхронизации от сети. Выбрать трансформатор тока с номинальной силой тока 1 А "l2H=1 А".
-
8.7.21 Установить на МОТ-2 переключатель "П1" в положение "И1", переключатель "П2" в положение "1".
Генератор Г3*123

1- амперметр Д553 Рисунок 8.7
-
8.7.22 Включить режим измерения силы вторичного тока эталонного ТТ.
-
8.7.23 Включить генератор. Установить значение силы тока генератора /=(1±0,1)А, контролируя его ло локазаниям амлерметра. Установить частоту F=(50±0,1) Гц, которую контролировать ло локазаниям частотомера.
-
8.7.24 Измерить относительную разность вторичных токов ТЫи разность фаз двух TTSoi. Результаты измерения занести в таблицу 8.5 в ссроку первого измерения.
Таблица 8.5
№ измерения |
Значение силы тока 1гэ,А |
/Ортсм, % |
ч |
Показания СА507 |
Погрешности при измерении |
Пределы допускаемой абсолютной погрешности До доп)% |
Пределы допускаемой абсолютной погрешности АбИдой, | ||
fbl, % |
Sdi, ' |
Aidi,% |
Дат, ' | ||||||
1 |
1 |
10 |
0 |
+0,05 |
±0,5 | ||||
2 |
0,01 |
0,0 |
0 |
±0,15 | |||||
3 |
0,05 |
0,0 |
0 |
+0,03 | |||||
4 |
1 |
0,0 |
0 |
±0,0002 |
-
8.7.25 Рассчитасч абсолютнлю ногрешность компаратора при измерении относительной разности вторичных токов двух ТТ, в процентах, по формуле
Afl)l ~ KdI ■О | + |YdUMAX _YdUMIn|‘O>"’ (Ю)
где fol - показания компаратора при измерении относительной разности вторичных токов двух ТТ, в процентах;
Ydumax - Ydumin ~ максимальное и минимальное значения you, соответственно, из данных таблицы 8.2, в процентах.
-
8.7.26 Абсолютная погрешность компаратора при измерении разности фаз вторичных токов двух ТТ, в минутах, составляет
А6И= 6d . (11)
где 6di- показания компаратора при измерении разности фаз вторичных токов двух ТТ, в минутах.
Результаты расчетов занести в таблицу 8.5 в строку первого измерения.
-
8.7.27 Собрать схему измерений, приведенную на рисунке 8.8, на магазине сопротивлений Р4834 установить 10 Ом.
1 - вольтметр B3-60;R - магазин сопротивлений Р4834 Рисунок 8.8
-
8.7.28 Включить компаратор. Выбрать трансформатор тока С'12н=1 А".
-
8.7.29 Войдя в меню "Поверка", выключить синхронизацию от сети.
-
8.7.30 Установить значение силы тока генератора равным (10±1) мА, что соответствует показанию вольтметра U =(0,1±0,01) В.
-
8.7.31 Провести измерение относительной разности вторичных токов двух ТТ fo\. Результат измерений зафиксировать, как /Ьыач-i и занести в строку второго измерения таблицы 8.5 в графу foi.
-
8.7.32 Установить значение силы тока генератора равным (50+5) мА, что соответствует показанию вольтметра U= (0,5+0,05) В.
-
8.7.33 Провести измерение относительной разности вторичных токов двух ТТ /Ь|. Результат измерений зафиксировать, как Ллначг и занести в строку третьего измерения таблицы 8.5 в графу foi.
-
8.7.34 Собрать схему измерений, приведенную на рисунке 8.9.
-
8.7.35 Установить значение силы тока / = (1±0,2)А, контролируя его по показаниям амперметра.
-
8.7.36 Провести измерение относительной разности вторичных токов двух тТ D Результат измерений зафиксировать, как /Ыначз и занести в строку четвертого измерения таблицы 8.5 в графу foi.
-
8.7.37 Абсолютная погрешность измерения относительной разности вторичных токов для измерений, выполненных в п.п. 8.7.31, 8.7.33 и 8.7.36, равна показанию компаратора при измерении относительной разности вторичных токов
Аго1нач= /Ь|нач
(12)
Результаты расчетов занести в таблицу 8.5.
Генератор ГЗ-123
ееее* еее ♦

* » •» • ООО ______
Компаратор СА507

1 - амперметр Д553
Рисунок 8.9

Результат операции поверки считать положительным, если полученные по формулам 10,11 значения погрешностей Ami и Asdi не превышают пределы погрешностей ±0,05 % и ±0,5 минут, соответственно; значение Аго1нач1 не превышает ±0,015%, значение Алонач2 не превышает ±0,003 %, а значениеАюначз не превышает ±0,0002 %.
-
8.8 On ределение основной абсолютной погрешности компаратора при нзмороснн разсоопн фаз аторнчсых токоа двух ТТ о равными сомнсальсымн токамн
-
8.8.1 В опорацнн поаоркн нопользоаать мору емкостн МЕ-1 ПДРМ.411644.003. Пород проаодосном тора^н поаоркн нзморнть омкооть МЕ-1 моотом ЦЕ5002.
-
8.8.2 Собрать охому нзморесия, как лсказасо са рнеусте 8.10.
-
8.8.3 Включнть компаратор. Выбрать а мосю трассфсрматор тока о сомнсальсым аторнчсым током "Ьн = 1 А".
-
8.8.4 Войдя а мосю "Поаорка", выключ^ь сисхрсснзацню от соти.
-
8.8.5 Ввоотн чноло сакаплнааомых нзмереснO, раасоо 5.
Генератор ГЗ-12 3 R j

-
1 - вольтметр ВЗ-60;
-
2 - мера емкоо™ МЕ-1 ПДРМ.411644.003;
R - магазнс солрктивлесиO Р4834
Рноусок 8.10
-
8.8.6 Устасоаить са аыходо госератсра салряжесио L/b=(50±5) В. Зсачойно сапряжосня костролнроаать аольтмотром, частоту - чао-тстомором, подключоссым а оостаотсмаии о 8.5.7.
-
8.8.7 Раосчнтать тробуомоо зйачосне ослрстналесия магазнса, а омах, по формуло:
r=—г—г <1з>
гдо С - показа^я моота ЦЕ5002 прн нзмороснн емкостн моры емкостн ME -1, а фарадах;
F- показасно частотомора прн нзмероснн частоты, а горцах;
tg5Dipa<M - зйачосно тайгосоа разсости фаз вторнчсых токов, азятоо нз таблнцы 8.6 (сапрнмор, для порвого измеройня 8^3^ = - 1 мнсута, tgбкlрасч = - 0,000291).
-
8.8.8 Установить на магазине сопротивлений значение сопротивления R, равное значению, рассчитанному в 8.8.7.
-
8.8.9 Провести измерение относительной разности сил вторичных токов двух ТТ fDi и разности фаз вторичных токов двух ТТ 5di.
-
8.8.10 Рассчитать абсолютную погрешность компаратора при измерении относительной разности сил вторичных токов двух ТТ, в процентах, по формуле
^TfDI = |0ll _41расч| + (УоиМДХ ~ YdUMIn) ' ^DIpacM ' 0,01 (14)
где fbi - показания компаратора при измерении относительной разности сил вторичных токов двух ТТ, в процентах;
Лирасм - расчетное значение относительной разности сил вторичных токов двух ТТ, приведенное в таблице 8.6, в процентах;
Ydumax ' Ydumin _ максимальное и минимальное значения ydu, соответственно, из данных таблицы 8.2, в процентах.
-
8.8.11 Рассчитать абсолютную погрешность компаратора при измерении разности фаз вторичных токов двух ТТ, в минутах, по формуле
^6DI=^DI~^Dlorau (15)
где бо - показания компаратора при измерении разности фаз вторичных токов двух ТТ, в минутах;
бырасм - расчетное значение относительной разности фаз вторичных токов двух ТТ, приведенное в таблице 8.4, в минутах.
-
8.8.12 Показания компаратора и результаты расчетов занести в таблицу 8.6.
аблица 8.6
№ измерения |
ш оГ |
Относ ВТО |
лтельная разность ричных токов fbl |
Разность фаз вторичных токов 6di | ||||||
Расчетное значение folpacM, % |
Измеренное значение foi, % |
Абсолютная погрешность |
Расчетное значение бо1расч, МИН |
tg бо 1расч |
Измеренное значение 6di . мин |
Абсолютная погрешность | ||||
Aral, % |
Ал31доп, % |
Asdi, МИН |
ДбО1доп, МИН | |||||||
1 |
50 |
0,0000 |
±0,002 |
-1,0 |
0,000291 |
±0,035 | ||||
2 |
50 |
0,0007 |
±0,003 |
-10,0 |
0,00291 |
±0,08 | ||||
3 |
50 |
0,0121 |
±0,007 |
-50,0 |
0,01455 |
±0,28 | ||||
4 |
50 |
0,1756 |
±0,023 |
-200 |
0,0582 |
±1,03 | ||||
5 |
50 |
0,3912 |
±0,034 |
-300 |
0,0875 |
±1,53 | ||||
6 |
2 |
0,0000 |
±0,005 |
-1.0 |
0,000291 |
±0,51 | ||||
7 |
2 |
0,0121 |
±0,01 |
-50,0 |
0,01454 |
±0,75 |
8 |
2 |
0,3912 |
±0,037 |
-300 |
0,0875 |
±2,0 |
-
8.8.13 Повторить операции по 8.8.7-8.8.11 для всех значений 8о1расч, приведенных т таблица 8.6, устанавливая напряжение т соответствии н данными этой таблицы и номинальное сопротивление магазина Р4834 - в соответствии с результатами расчета, выполненного по формуле (13) для соответствующего измерения. Погрешность установки напряжения не должна превышать ± 10 %.
Результат операции поверки считать положительным, если полученные значения погрешностей Aroi и Aeoi не превышают пределы допускаемых погрешностей, приведенныч в таблице 8.6.
8.9 Определение осиевоой абсолютной погрешноети осмпара-тора при измерении относительной разности и разности фаз вторичных токов двух ТТ при отношении их вторичных токов, как 5:1
-
8.9.1 Определение основной относительной погрешности коэффициента масштабного преобразования тока меры отношений токов МОТ-4.
-
8.9.2 Собрать схему измерения, как показано на рисунке 8.11.
Генератор ГЗ-123

1 - вольтметр B3-60;
2 - нуль-индикатор Ф5046/1; R1 - магазин сопротивлений Р4834;
R2 - мера сопротивлений Р321, номинальное значение сопротивления 10 Ом
Рисунок 8.11
-
8.9.3 На передней панели МОТ-4 переключатель "W2" установить в положение "W2.1".
-
8.9.4 Установить сопротивление магазина R1 равным 1 МОм.
-
8.9.5 Включить генератор, установить частоту напряжения на выходе генератора 50 Гц. Погрешность установки частоты должна быть ±0,1 Гц. Частоту контролировать по показаниям частотомера.
-
8.9.6 Установить напряжение на выходе генератора равным 1,3 В. Погрешность установки напряжения должна быть не более ±1%.
-
8.9.7 Установить диапазон чувствительности нуль-индикатора "МАХ".
-
8.9.8 Показания отклонения стрелки нуль-индикатора, в делениях шкалы, занести в таблицу по форме, представленной в таблице 8.7, в первую строку.
Таблица 8.7
№п/п |
Показания нуль-индикатора, деления шкалы |
1 | |
2 |
-
8.9.9 Установить напряжение на выходе генератора равным 3,3 В. Погрешность установки напряжения не должна превышать±1%.
-
8.9.10 Показания отклонения стрелки нуль-индикатора, в делениях шкалы, занести в таблицу по форме, представленной в таблице 8.7, в строку №2.
-
1 - вольтметр;
-
2 - нуль-индикатор;
R1 - мера сопротивлений Р321, номинальное значение сопротивления 1 Ом; R2 - мера сопротивлений Р321, номинальное значение сопротивления 10 Ом
Рисунок 8.12
-
8.9.12 На передней панели МОТ-4 переключатель "W2" установить в положение "W2.1".
-
8.9.13 Установить частоту напряжения на выходе генератора 50 Гц. Погрешность установки частоты должна быть ±0,1 Гц. Частоту контролировать по показаниям частотомера.
-
8.9.14 Регулируя напряжение на выходе генератора, установить напряжение, измеряемое вольтметром на мере сопротивлений R1 равным 1 В. Погрешность установки напряжения ±1%.
-
8.9.15 Установить диапазон чувствительности нуль-индикатора "МАХ".
-
8.9.16 Показания отклонения стрелки нуль-индикатора, в делениях шкалы, зонссти е таблицу дв фнрмс, прсостоедсннвй е таблице 8.8, е псреую стрвку.
Таблица 8.8
№ п/п |
авкозония нуль-итоикотвра, ослсния шкалы |
1 | |
2 | |
3 | |
4 | |
5 |
-
8.9.17 Пункты 8.9.122-8.9.166 пветврить для пвлвжсний "W2.2", "W2.3", "W2.4", "W2.5" псрсключатслл "W2", рсзультаты измсрсний, е ослсниях шкалы ннль-иноикотвро, занссти е стрвки 2-5, сввтест-стесннв, таблицы пв фврмс, прсостаеленнвй е тоблицс 8.8.
Мсро втнвшснил твкве МОТ-4 пригодно для испвльзвеонил при пвесркс, ссли пвлнчснныс значсния втклвнения стрслки нуль-иноикатвра, приееоенные в таблицс 8.8, нс прсвышоют зночсний, приесдснных е псрввй стрвкс таблицы 8.7.
-
8.9.18 Свбрать схсму, представлснную но рисункс 8.13.
-
8.9.19 На псрсднсй понсли МОТ-4 псрсключатсль "W2" устонв-еить е пвлвжстре "W2". Устанвеить на МОТ-2 псрсключатсль "П1" е пвлвженис "И1", псрсключотсль "П2" е пвлвженис "1".
-
8.9.20 арвевда, свеоиняющее "ХЗ" МОТ-2 с "И2" ТТэ и "Х4" МОТ-2 с "И2" ТТх, нс пвдключоть.
-
8.9.21 На магазинс свпрвтиелснис R1 устоиввить значснис св-првтреления 1 МОм.
-
8.9.22 На магазинс смквсти С1 нстаиввить значснис емквсти 50 мкФ.
-
8.9.23 Включить квмпаратвр СА507 и устонвеить рсжим колиб-рвеки (пвесрки) ТТ с втнвшснисм их втвричных твкве 5 к 1.
-
8.9.24 Устатвеить чоствту напряжсния но еыхвос гсисратв-ра 50 Гц. авгрсшнвсть устонвеки частвты овлжно быть ±0,1 Гц. Частоту лвнтрвлирввоть пв пвказониям частвтвмсра.
-
8.9.25 На выхвос гснсротвра устатввить значснис напряжсния 205 В, напряжснис лвнтрвлирввать пв пвказаирям евльтмстра. Пв-грсшнвать устанвели напряжсния овлжно быть ±5%.
-
1 - вольтметр ВЗ-60;
-
2 - нуль индикатор Ф5046/1;
3- трансформатор питающий И57;
R1 - магазин сопротивлений Р4834;
R2 - мера сопротивлений Р321, номинальное значение сопротивления 10 Ом; С1 - магазин емкости Р5025;
С2 - конденсатор KNM 3117 МК с номинальным значением емкости 50 мкФ
Рисунок 8.13
-
8.9.26 Поочередно меняя значения емкости магазина С1 и сопротивления магазина R1, добиться минимального отклонения стрелки нуль-индикатора на диапазоне чувствительности "МАХ". Показания нуль-индикатора, в делениях шкалы, не должны превышать значения, приведенного во второй строке таблицы 8.6.
-
8.9.27 Выключить режим синхронизации от сети и провести измерения относительной разности вторичных токов двух ТТ при помощи компаратора. Результаты измерений относительной разности вторичных токов и разности фаз вторичных токов двух ТТ для первого измерения занести в таблицу по форме, представленной в таблице 8.9.
-
8.9.28 Для первого измерения таблицы 8.9 абсолютную погрешность компаратора при измерении относительной разности вторичных токов двух ТТ Afoi принять равной измеренному значению относительной разности вторичных токов/bi, а абсолютную погрешность компаратора при измерении разности фаз вторичных токов двух ТТ принять равной измеренному значению разности фаз вторичных токов двух ТТ.
Таблица 8.9
№ п/п |
Относительная разность вторичных токов foi |
Разность фаз вторичных токов Tdi | ||||
foi, % |
AfDI, % |
Аю^ой, % |
То, мин |
Atdi, мин |
Atdi доп, мин | |
1 |
±2-10-3 |
±0,1 | ||||
2 |
±1,2-10- |
±0,19 |
-
8.9.29 Регулятор напряжения на выходе генератора установить на нулевую отметку.
-
8.9.30 Подключить провода, изображенные пунктиром, соединяющие "ХЗ" МОТ-2 с "И2" ТТэ и "Х4" МОТ-2 с "И2" ТТх. Убрать провод, соединяющий клеммы "ХЗ" и "Х4" МОТ-2.
-
8.9.31 На выходе генератора установить значение напряжения 205 В, напряжение контролировать по показаниям вольтметра. Погрешность установки напряжения ±5 %.
-
8.9.32 Поочередно меняя значения емкости магазина С1 и сопротивления магазина R1, добиться минимального отклонения стрелки нуль-индикатора на диапазоне чувствительности "МАХ". Показания нуль-индикатора, в делениях шкалы, должны быть не более значений, приведенных во второй строке таблицы8.6.
-
8.9.33 Провести измерения относительной разности вторичных токов двух ТТ при помощи компаратора. Результаты измерений относительной разности и разности фаз вторичных токов двух ТТ занести в таблицу для второго измерения по форме, представленной в таблице 8.9.
-
8.9.34 Рассчитать абсолютную погрешность компаратора при измерении относительной разности вторичных токов двух ТТ Ami, в процентах, по формуле
ДЮ1 = |2 + 0,8 -fDI| + |yDUMAx - TduminI • 0,02, (16)
где foi - показания компаратора при измерении относительной разности вторичных токов двух ТТ, в процентах;
Ydumax - Ydumin “ максимальное и минимальное значения you, соответственно, из данных таблицы 8.2, в процентах.
Результат расчета занести в таблицу по форме, представленной в таблице 8.9, в соответствующую ячейку для второго измерения.
-
8.9.35 Рассчитать абсолютную погрюшнорть компаротора при измерении разкутта фаз вторичных токов двух ТТ Атш , в минутах, по формуле
ДбО1=®1>1 '
где 5di - показания компаратора, при измерении разности фаз вторичных токов двух ТТ, в минутах.
Результат расчета занести в таблицу по форме, представленной в таблице 8.9,в строку для второго измерения в соответствующую ячейку.
Результат операции поверки считать положительным, если:
-
- выполняется условие, описанное в 8.9.26;
-
- абсолютные погрешности компаратора при измерении относительной разности вторичных токов и разности фаз вторичных токов двух тТ не превышают пределов допускаемых погрешностей, приведенных в таблице 8.9.
-
8.10 Проверка функционииования компаратора т ражиме измерения относительной разности вторичных токов двух ТТ лри отношении их вторичных токов, как 5:1
-
8.10.1 Собрать схему, представленную на рисунке 8.14.
1 - амперметр
Рисунок 8.14
-
8.10.2 Включить компаратор. Выключить режим синхронизации от сети. Установить режим калибровки (поверки) ТТ с отношением их вторичных токов 5 к 1.
-
8.10.3 Включить режим измерения силы вторичного тока эталонного ТТ. Установить на МОТ-2 переключатель "е1" в положение "И1*", . переключатель "е2" в положение "1".
-
8.10.4 Включить генератор. Установить значение силы тока генератора / = (1+0,1) А, контролируя его по показаниям амперметра. Установить частоту F = (50±0,1) Гц, которую контролировать по показаниям частотомера.
-
8.10.5 Измерить относительную разность вторичных токов fbi и разность фаз вторичных токов 6oi двух ТТ.
-
8.10.6 Рассчитать абсолютную погрешность компаратора при измерении нтпнтитсуспнй ризпнтти вторичных тнкнв двух ТТ, в прнцсптих, пн фнраоуе
(18)
где fDi - пнкизипия ^апира^и при измерепии нтпнтитеуспнй ризпнтти втнричпых тнкнв двух ТТ, в прнцептих.
-
8.10.7 АЮтнуютпия пнгрешпнттс кнмпиритнри при измерепии ризнртти физ втнричпых тнкнв двух ТТ, в мипутих, TPCTИBУЯCT
Аш=би. (19)
где Юн - пнкизипия кнмпиритнри при измерепии ризпнтти физ втнричпых тнкнв двух ТТ, в мипутих.
-
8.10.8 Уттипнвитс перекуючитеус"П2"пи передпей пипели МОТ-2 в прлржснис "2".
-
8.10.9 Пнвтнритс измерепия пн8.10.4 и8.10.5.
-
8.10.10 Риттчититс иЮтнуютпую пргрсшннттс кнмпиритнри при измерепии нтннситеусннй ризннсти втнричпых тнкнв двух ТТ, в прнцептих, пн фнрмууе
Дта = (Э -15,02, (20)
где fbi - пнкизипия кнмпиритнри при измерепии нтпнтитеуспнй ризпнети втнричпых тнкнв двух ТТ, в прнцептих.
-
8.10.11 АЮтнуютпую пнгрешпнттс кнапиритнри при измерепии ризпнтти физ втнричпых тнкнв двух ТТ риотчититс пн (19).
-
8.10.12 Резууститы измерепий и риочстрв зипетти в таблицу 8.8.
Резуустит нпериции пнверки тчититс пнунжитсуспым, етуи пн-уучснныс зпичепия пнгрешннотей Aroi и Asdi пе превышиют зпиче-пий ±0,15 % и ±1,5 мипуты, трнтвстотвеннр.
8.11 Опредеуение нтпнвпнй иЮтруютнрй пнгрешнроти при из-мерепии иктивпнй и реиктивпнй прнврдианттей пигрузки вн втнрич-пнй цепи ТН при их кипиЮрнвке и инверке (т итпнусзрвинисм мн-тти СА7100РД)
-
8.11.1 СнЮритс тхему измерепия дуя измерепия читтнты тети, кик пркизинн пи ритупке 8.15. Перед тЮнркрй тхемы уотиннвитс рукн ятку рсгоуирнвнчннгн уотрнйотви ЛАТРи в пнунжепие, тннтвстотву-ющее миниаипьннау пипряжепию. Прдкпючитс тхему к тети 220 В 50 Гц. Уотиннвитс пипряжепие пи выхнде тринтфррмитнри L/tp=(5±0,5) в, кннтрнпируя егн зничение пн пркизиниям внустметри. Измеритс читтнту тети F, резуустит измерепия зификтирнвитс.
-
8.11.2 СнЮритс тхему измерепия, кик пркизинр пи оитунке 8.16. Нигрузку к куеммим Ui, U2 пе пндкуючитб.
ПАТР ТН

-
1 - вольтметр ВЗ-60;
-
2 - частотомер ЧЗ-36/1;
ТН - трансформатор напряжения
Рисунок 8.15

1 - вольтметр ВЗ-60;
R - магазин сопротивлений Р4834;
С - конденсатор KNM 3117 МК с номинальным значением емкости 50 мкФ или 100 мкФ;
ТН - трансформатор напряжения
Рисунок 8.16
-
8.11.3 Включить компаратор. Выбрать в меню строку "Поверка" и убедиться в том, что синхронизация от сети включена, выбрав в открывшемся меню строку "Синхр. от сети вкл".
-
8.11.4 . Выбрать в меню строку "Выбор трансф.", а затем в открывшемся меню - строку "Трансф. напряжения". Из появившегося меню выбрать "1/гн=100 В”.
-
8.11.5 Установить напряжение на выходе трансформатора ^=(220+5) В. При установке напряжение контролировать по показаниям вольтметра.
-
8.11.6 Измерить значения активной и реактивной проводимостей нагрузки. С помощью клавиш перемещения найти в списке результатов измерений результаты измерения активной проводимости G и реактивной проводимости В и занести их в строку для пер-36
вого измерения таблицы по форме, представленной в таблице 8.8 (При проведении измерений 1-4 ко входам Ui Y и U2 Y ни магазин сопротивлений ни конденсатор не подключать).
-
8.11.7 Повторить 8.11.3-8.11.6 для измерений 2-4 таблицы 8.9, устанавливая значения Urp в соответствии с данными таблицы 8.9.
-
8.11.8 Подключить магазин сопротивлений в качестве резистора R. На магазине сопротивлений установить сопротивление R=4 кОм.
-
8.11.9 Установить напряжение на выходе трансформатора Utp=(50±5) в. При установке напряжение контролировать по показаниям вольтметра.
-
8.11.10 Измерить значения активной и реактивной проводимостей нагрузки. С помощью клавиш перемещения найти в списке результатов измерений результаты измерения активной проводимости G и реактивной проводимости В и занести их в строку для 5-го измерения таблицы по форме, представленной в таблице 8.9.
-
8.11.11 Измерить емкость конденсатора KNM3117MK номинальной емкостью 50 мкФ с помощью моста переменного тока высоковольтного СА7100РД (Сизм). В качестве внешнего эталонного конденсатора при измерениях использовать меры электрической емкости Р597 1 нФ и 5 нФ. При измерении использовать расширитель диапазонов, входящий в состав моста. Подключить конденсатор KNM3117MK номинальной емкостью 50 мкФ к клеммам "Ui, U2 (Y)"KOMnapaTopa.
-
8.11.12 Установить на выходе трансформатора напряжение (7трр(240±5) В, контролируя его значение по показаниям вольтметра.
-
8.11.13 Измерить значения активной и реактивной проводимостей нагрузок. С помощью клавиш перемещения найти в списке результатов измерений результаты измерения активной проводимости G и реактивной проводимости В и занести их в строку для 6-го измерения таблицы по форме, представленной в таблице 8.9.
-
8.11.14 Измерить емкость конденсатора KNM 3117 МК с номинальным значением емкости 100 мкФ (Сизм) в соответствии с 8.11.11. Подключить конденсатор KNM3117MK номинальной емкостью 100 мкФ к клеммам "Ui, U2 (У)"компаратора.
-
8.11.15 Установить на выходе трансформатора напряжение Стр=(160±3) В, контролируя его значение по показаниям вольтметра.
-
8.11.16 Измерить значения активной и реактивной проводимостей нагрузок. С помощью клавиш перемещения найти в списке результатов результаты измерения активной проводимости G и реактивной проводимости В и занести их в строку для 7-го измерения таблицы по форме, представленной в таблице 8.10.
Таблица 8.10
№ измерения |
Напряжение 1ЛР, В |
Магазин Р4834, Рнном, кОм |
Ном. знач. активной проводим. Shom=1^Rhom ,мСм |
Показание моста при измерении емкости меры МЕ-1 Оизм, мкФ |
Активная проводимость G |
Реактивная проводимость В | ||||
Показание компаратора при измерении G, См |
Абсолютная погрешность |
Показание компаратора при измерении В, См |
Абсолютная погрешность | |||||||
Действ, значе-ниеДС, См |
Предель допуск, погреши АСдоп, См |
Действ, значение дв, См |
Пределы допуск погреши АВЗдп> См | |||||||
1 |
240 |
Магазин отключен |
0 |
0 |
±10-7 |
±10-7 | ||||
2 |
50 |
Магазин отключен |
0 |
0 |
±10'7 |
±10-7 | ||||
3 |
30 |
Магазин отключен |
0 |
0 |
±2-10)7 |
±2-10-7 | ||||
4 |
6 |
Магазин отключен |
0 |
0 |
±10® |
±10® | ||||
5 |
50 |
4 |
0,25 |
0 |
±135107 |
±135-107 | ||||
6 |
240 |
Магазин стключен |
0 |
(50 МкФ) Результат измерения |
±735107 |
±735110* | ||||
7 |
160 |
Магазин стключен |
0 |
(100 мкФ) Результат измерения |
±157-10" |
±157-10" |
-
8.11.17 Для 5-ого измерения рассчитать значение абсолютной погрешности компаратора при измерении активной проводимости нагрузки, в сименсах, по формуле
~ |G_Ghom| +|Ydumax ~ Ydumin|'Ghom 0,01, (21)
где G - показания компаратора при измерении активной проводимости, в сименсах;
Ghom - номинальное значение проводимости, пересчитанной из сопротивления, установленного на магазине сопротивлений Р4834, в сименсах.
-
8.11.18 Для измерений 6 и 7 рассчитать значение основной абсолютной погрешности компаратора при измерении реактивной проводимости нагрузки, в сименсах, по формуле
=|В-Сиэм-2л-/-|+|уоимдх—’Уоим1^’С'изм’2я’Р’0,01, (22)
где В - показания компаратора при измерении реактивной проводимости, в сименсах;
F -показания частотомера при измерении частоты сети, в герцах;
Сизм - показания моста СА7100РД при измерении емкости, в фарадах, (для измерений с 3-го по 7-е Сизм= 0).
-
8.11.19 Для измерений 1-4, 6, 7 рассчитать значение абсолютной погрешности компаратора при измерении активной проводимости в сименсах, по формуле
Дв=6 . (23)
где G - показания компаратора при измерении активной проводимости, в сименсах;
-
8.11.20 Для измерений 1-5 рассчитать значение абсолютной погрешности компаратора при измерении реактивной проводимости в сименсах, по формуле
Дв = В , (24)
Результаты расчетов занести в таблицу по форме, представленной в таблице 8.10.
Результат операции поверки считать положительным, если значения полученных абсолютных погрешностей при измерении активной и реактивной проводимостей нагрузки не превышают пределов допускаемых погрешностей Аедоп и Авдоп, приведенных в таблице 8.10.
8.12 Определение основной абсолютной погрешности компаратора при измерении активного и реактивного сопротивлений во вторичной цепи ТТ при их калибровке и поверке при использовании моста СА7100РД
-
8.12.1 Измерить частоту сети F, выполнив действия согласно 8.11.1.
-
8.12.2 Собрать схему, показанную на рисунке 8.17. Закоротить зажимы "Ui, Z", "U2, Z" и "Иг, ТТх".
-
8.12.3 Включить компаратор. Выбрать в меню строку "Поверка" и убедиться в том, что синхронизация от сети включена, выбрав в открывшемся меню строку "Синхр. от сети вкл".
-
8.12.4 В меню "Выбор трансф." выбрать строку "Трансф. тока", из появившегося меню выбрать "Ьн = 1 А".
ЛАТР TH

ТН - трансформатор напряжения;
1 - амперметр Д553
Рисунок 8.17
-
8.12.5 Установить число накапливаемых измерений равным 5.
-
8.12.6 Включить режим измерения силы вторичного тока эталонного ТТ.
-
8.12.7 Установить значение силы тока /гэ= (7±0,1) А, контролируя его значение по показаниям компаратора.
-
8.12.8 Измерить значения активного сопротивления R и реактивного сопротивления X нагрузки.
-
8.12.9 С помощью клавиш перемещения найти в списке результатов результаты измерения R, Х и занести их в строку для 1-го измерения таблицы по форме, представленной в таблице 8.11.
-
8.12.10 Повторить 8.12.7-8.12.9, установив силу тока 11э= (0,01±0,001) А. Результаты измерений занести во вторую строку таблицы 8.11.
-
8.12.11 Подключить в качестве нагрузки меру сопротивления Р321, с номинальным значением сопротивления 10 Ом в соответствии с рисунком 8.18 и данными таблицы 8.11. Провести измерения сопротивления нагрузки, результаты измерений занести в третью строку таблицы 8.11.
Таблица 8.11
№ измерения |
< Л |
Подключаемые нагрузки |
Активное сопротивление |
Реактивное сопротивление | ||||||
Расчетное значение Rhom, Ом |
Показание R, Ом |
Абсолютная погрешность |
Расчетное значение Хном, Ом |
Показание X, Ом |
Абсолютная погрешность | |||||
Действительное значение AR, Ом |
Пределы допускаемой погрешности ARflon, Ом |
Действительное значение АХ, Ом |
Пределы допускаемой погрешности аХдоп, Ом | |||||||
1 |
7 |
Отсутствует |
0 |
+0,0003 |
0 |
±0,0003 | ||||
2 |
0,01 |
Отсутствует |
0 |
±0,0003 |
0 |
±0,0003 | ||||
3 |
0,01 |
Мера сопротивления Р321,10 Ом |
10 |
+0,05 |
0 |
±0,05 | ||||
4 |
0,6 |
Конденсатор 3N7 3117 МК 200 мкФ |
0 |
±0,0796 |
±0,0796 | |||||
5 |
6 |
Конденсатор KNM3117 МК,200мкФ |
0 |
±0,0796 |
±0,0796 |
-
8.12.12 Измерить емкость конденсатора KNM 3117 МК с значением номинальной емкксни 200 мкФ с пкькщою мксна СА7100РД (Сизь). Подключить в качестве нагрузки конденсатор KNM 3117 МК номинальной емкостью 200 мкФ. Установить значение силы нока /гэ= (0,6±0,06) А, контролируя его значение по показаниям амперметра.
-
8.12.1 Провести измерения сопротивления нагрузки, результаты измерений занести в четвертую строку таблицы 8.9.
Повторить 8.12.1, установив значение силы тока /гэ= (6±0,06).
-
8.12.2 Для кахщого измерения рассчитать значение абсолютной погрешности компаратора при измерении активного сопротивления, в омах, по формуле
Ar =1^-^ном|+|УоиМАХ-YduminI-Khom-0.01, (25)
где R - числовое значение результата измерения активного сопротивления нагрузки, в омах;
Rhom - номинальное значение сопротивления эталонной меры сопротивления, в омах.

1 - амперметр Д553;
ТН - трансформатор напряжения
Рисунок 8.18
-
8.12.3 Для измяриний 1-3 рассчитать значенна ебиолютной погрешности компаратора при измерении реактивного сопротивления, в омах, по формуле
Дх = Х, (26)
где X - числовое значение результата измерения реактивного сопротивления,в омах.
-
8.12.4 Для измep-нио 4-5 oпp5дeл^пъ расчерное значенна реактивного сопротивления в Омах
ном
(27)
где Сини - числовое значение емкости конденсатора KNM 3117 МК, инмоиенноо мостом СА7100РД, в фарадах;
F- измеренная частота сети, в герцах.
После этого рассчитать значение абсолютной погрешности компаратора при измерении реактивного сопротивления, в омах, по формуле
Дх =|х- ^""“| + |Ydumax ~ YduminI’ Хне-0,011 (32)
где X - числовое значение результата измерения реактивного сопротивления, в омах;
-
8.12.5 Показания компаратора и результаты расчетов ^г^н^^^ти в ааблпцы пи фирма, ртадсаавланний в ааблпца 8.9.
Ратулраиа операции риватяп счпааар рилижпаалрныо, аслп иначанпа рилучаннех абсилюанех ригтвшнисаай на ртевешаюа иначанпа Ардип п Ахдир, попваданнеа в ааблпца 8.9.
9 ОФОРМЛЕНИЕ РЕЗУЛЬТАТОВ ПОВЕРКИ
-
9.1 Нрп рилижпавлрнех тетылрасасх риватяп ифитолаюа свп-деаелрсави и риватяв в сооаваасавии с Нтпяаиио иа 2 пюла 2015 г. № 1815 МИНПРОМТОРГ «Об ычватжденип ритадяа ртиваданпа риватяп ствдсав ииоетанпй, чтабованиа я инаяы роветяи п сидатжа-нпю свпдааалрсава и раватяа».
-
9.2 В случаа ичтицачалрнех таиылраааив риватяп афатолаюа ииващание и наптпгаднасчп в сииавеасавип с Нтпяаиио иа 2 пюла 2015 г. № 1815 МИНПРОМТОРГ «Об ыаватжденип пиоадяс поиве-дениа риватяп стадсав пиоатанпй, атабиванпа я инаяы риватяп п сидаожснпю свидааелрсава и риватяб» с ыясиснпео ртпчпн непоп-гиднисап.
43
Здесь и далее в каерстер проводников использовать медные провода срер-нием не менее 0,2 мм3