Методика поверки «Системы С 099» (СДАИ.402161.036МП)
УТВЕРЖДАЮ
АО «НИИФИ»

Системы С 099
МЕТОДИКА ПОВЕРКИ
СДАИ.402161.036МП
Вводная частьНастоящая методика поверки распространяется на системы С 099, предназначенных для контроля высокочастотных измерения осевых и радиальных биений валов турбонасосных агрегатов двигательных установок и преобразования их в аналоговый выходной сигнал и цифровой последовательный код по интерфейсу RS 485.
Система состоит из первичного преобразователя измерительного первичного (ПИП) с кабельной перемычкой и преобразователя промежуточного (ПП).
1 Операции поверки1.1 При проведении поверки должны выполняться операции, указанные в таблице 1. Таблица 1
Наименование операции |
Номер пунк-та методики по поверке |
Проведение операции при | |
первичной поверке |
периодической поверке | ||
1 Контроль начального и конечного значения выходного сигнала |
6.1 |
да |
да |
2 Контроль приведенной погрешности |
6.2 |
да |
да |
Рекомендованный интервал между поверками 2 года.
-
1.2 При получении отрицательного результата при проведении любой операции поверка прекращается.
-
2.1 При проведении поверки рекомендуется применять средства поверки, указанные в таблице 2.
Таблица 2
Наименование и тип основного или вспомогательного средства поверки |
Основные метрологические характеристики |
1 Индикатор часового типа ИЧ-10 |
Диапазон от 0 до 10 мм, погрешность ±0,01мм |
2 Источник питания постоянного тока Б5-71/4М |
Диапазон от 0,2 до 75 В, погрешность ±(0,008UyCT+0,l)B, диапазон от 0,1 до 4 А, погрешность ±(0,02Imax+0,05) А |
3 Вольтметр универсальный В 7-16А |
Диапазон от 0 до 1000 В, погрешность ±(0,05/0,05-0,1/0,1)% |
4 Устройство для воспроизведения перемещений Вт 2.787.062 |
Диапазон измерений от 0 до 16 мм |
-
2.2 Допускается замена средств поверки, указанных в таблице 2, другими средствами поверки с равным или более высоким классом точности.
-
3.1 При проведении поверки необходимо соблюдать общие требования безопасности по ГОСТ 12.3.019-80 и требования на конкретное поверочное оборудование.
-
4.1 Все операции при проведении поверки, если нет особых указаний, должны проводиться в нормальных климатических условиях:
-
- температура воздуха от 15 °C до 35 °C;
-
- относительная влажность воздуха от 45 % до 75 %;
-
- атмосферное давление от 8,6-104 до 10,6-104 Па (от 645 до 795 мм рт.ст.).
Примечание - При температуре воздуха выше 30 °C относительная влажность не должна превышать 70%.
5 Подготовка к поверке-
5.1 Перед проведением поверки испытательные установки, стенды, аппаратура и электроизмерительные приборы должны иметь формуляры (паспорта) и соответствовать стандартам или техническим условиям на них.
-
5.2 Не допускается применять средства поверки, срок обязательных поверок которых истек.
-
5.3 Предварительный прогрев контрольно-измерительных приборов должен соответствовать требованиям технических описаний и инструкций по эксплуатации на них.
-
5.4 Контрольно-измерительные приборы должны быть надежно заземлены с целью исключения влияния электрических полей на результаты измерений.
-
5.5 Все операции по поверке, если нет особых указаний, проводить после прогрева системы напряжением питания в течение 1 мин.
-
5.6 В процессе поверки системы менять средства измерений не рекомендуется.
-
5.7 Порядок проведения испытаний должен соответствовать порядку изложения видов испытаний в таблице 1.
-
6.1 Контроль начального и конечного значения выходного сигнала
-
6.1.1 Установить ПИП и имитатор на устройство Вт 2.787.062 согласно Вт .787.062ТО, предварительно протерев хлопчатобумажной тканью рабочие, рабочие, обращенные друг к другу, поверхности ПИП и имитатора.
-
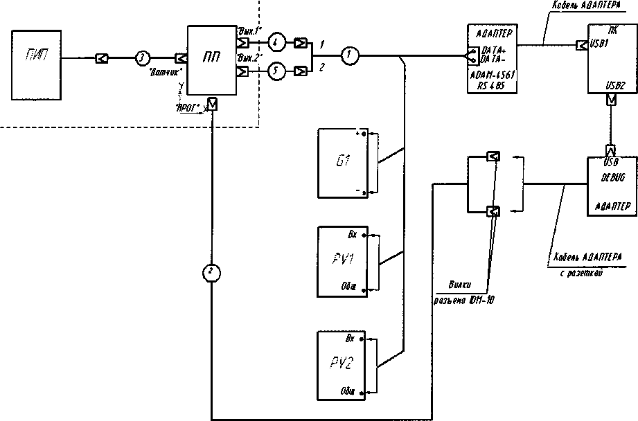
6.1.2 Собрать схему согласно рисунку 1.
-
6.1.3 Включить измерительные приборы и прогреть их в течение времени, установленного инструкцией по эксплуатации на эти приборы, откалибровать их.
-
6.1.4 Подать на систему с G1 напряжение постоянного тока (27±0,5) В и выдержать систему под напряжением в течение 5 мин.
-
6.1.5 Запустить рабочую программу «S 099 Control Panel jay» на персональном компьютере.
-
6.1.6 Перемещая подвижную часть устройства, подвести имитатор к рабочему торцу ПИП до соприкосновения. Установить шкалу индикатора в нулевое положение. Переместить подвижную часть устройства на величину 0,1 мм. Зафиксировать значения выходных сигналов каждого из 3-х выходов системы для зазора 0,1 мм по приборам PV1, PV2 и по экрану компьютера.
Начальное значение выходного сигнала должно быть (0,25±0,20) В, (80±40) единиц.
Результаты занести в таблицы по форме таблиц 4.9.1, 4.9.2.
-
6.1.7 Переместить имитатор с помощью устройства в сторону увеличения зазора и зафиксировать значения выходных сигнала по приборам PV1, PV2 и по экрану компьютера в градуировочных точках в соответствии с таблицей 4.9.2.
Величину перемещений задавать индикатором ИЧ 10.
Результаты занести в таблицы по форме таблицы А. 1.
Конечное значение выходного сигнала должно быть (6-0,5) В, (1000± 40)
-
6.1.8 Переместить имитатор с помощью устройства в обратном направлении и зафиксировать значение выходного сигнала по приборам PV1, PV2 и по экрану компьютера в градуировочных точках в соответствии с таблицей 4.9.2.
Контроль задаваемого перемещения осуществлять по индикатору ИЧ 10.
-
6.1.9 Повторить операции по пп.4.9.7,4.9.8 еще один раз.
Результаты контроля занести в таблицу по форме таблицы А.2.
-
6.1.10 Результаты испытаний считать положительными, если начальное значение выходного сигнала соответствует значению - (0,25±0,20) В , (80±40) ед., конечное значение выходного сигнала - (6-0,5) В, (1000±40) ед. В.
Сисп-емоС 099

G1 - источник питания постоянного тока Б5-71/4М; PV1, PV2 - вольтметр универсальный цифровой В7-16А; ПК - персональный компьютер;
-
1 - кабель МКНИ.685611.928;
-
2 - кабель МКНИ.685611.927;
-
3 - кабель СДАИ.685611.802;
-
4 - кабель СДАИ.685611.818;
-
5 - кабель СДАИ.685611.818-01.
Рисунок. 1- Схема контроля параметров системы
-
4 - кабель СДАИ.685611.818;
-
5 -кабель СДАИ.685611.818-01.
Рисунок. 1- Схема контроля параметров системы
-
6.2 Контроль приведенной погрешности
6.2.1 Используя результаты измерений по пп.4.9.6 - 4.9.9, рассчитать значение основной приведенной погрешности по формуле:
7=17=1 ,--------------+ Уг>о6р.р -ioo% |
где ^Doep.p =1-10'6;
p=i
m - число точек градуирования;
п - число повторений измерений в каждой точек;
к - коэффициент, учитывающий доверительную вероятность. К= 1,96; ....... I - степень полинома, 1 = 1;
N - нормирующее значение выходного сигнала, N = Ум - Уо;
У о, У к - усредненные значения выходного сигнала, соответствующие начальному и конечному значению величины перемещения, соответственно
-
6.2.2 результаты расчета основной приведенной погрешности занести в таблицу А.2.
-
6.2.3 Значение приведенной погрешности должно находится в пределах ± 1 %.
-
7 Оформление результатов поверки
7.1 Результаты поверки оформить в соответствии с Приказом Министерства промышленности и торговли РФ от 2 июля 2015 г. №1815 «Об утверждении Порядка проведения поверки средств измерений, требования к знаку поверки и содержанию свидетельства о поверке».
Приложение А
Формы таблиц для регистрации результатов поверки
Таблица А.1 - Результаты контроля выходного сигнала - начального и конечного
Заводской номер |
Выход |
Значение выходного сигнала системы, В, (единиц) | |||
в начальной точке |
в конечной точке | ||||
норма по ТУ |
действительное значение |
норма по ТУ |
действительное значение | ||
1 |
0,25±0,20 В |
(6-0,5) В | |||
2 | |||||
3 |
(80±40) ед. |
(1000±40) ед. |
Таблица А.2 - Результаты определения градуировочной характеристики
Заводской |
Номер |
Величина |
Значение выходного сигнала, В |
Значение основной погрешности, % | ||||
номер |
градуировочной |
перемещения, |
1 цикл |
2 цикл |
норма по ТУ |
действительное | ||
точки,j |
мм |
прямой ход |
обратный ход |
прямой ход |
обратный ход |
значение | ||
1 2
11 |
0,1 0,4 0,7 1.0 1.3 1,6 1,9 2,2 2,5 2,8 3,1 |
не более 1 |