Методика поверки «Анализатор фотометрический MCS300P-Ex » (МП 205-09-2020)
УТВЕРЖДАЮ
директора метрологии

Н.В. Иванникова
2020 г.
Анализатор фотометрический MCS300P-Ex
Методика поверки
МП 205-09-2020 г. Москва
2020 г.
Настоящая методика поверки распространяется на анализатор фотометрический MCS300P-Ex (далее - анализатор), фирма «SICK AG», Германия, и устанавливает методику его первичной и периодической поверки.
Интервал между поверками - 1 год.
1 ОПЕРАЦИИ ПОВЕРКИ1.1 При проведении поверки выполняют операции, указанные в таблице 1. Таблица 1
Наименование операции |
Номер пункта методики поверки |
Проведение операции при поверке | |
первичной |
периодической | ||
1 Внешний осмотр |
6.1 |
Да |
Да |
2 Опробование: - проверка установки режимных параметров; |
6.2 6.2.1 |
Да |
Да |
- подтверждение соответствия программного обеспечения |
6.2.2 |
Да |
Да |
3 Определение метрологических характеристик: - определение относительной погрешности и проверка диапазонов измерений |
6.3 6.3.1 |
Да |
Да |
-
1.2 Если при проведении той или иной операции поверки получен отрицательный результат, дальнейшее выполнение поверки прекращают.
-
2.1 При проведении поверки применяют следующие средства поверки:
-
- ГСО состава газовых смесей - рабочие эталоны 1-го разряда в соответствии с приказом Росстандарта № 2664 от 14.12.2018 г.:
- ГСО 10531-2014 состава CO-N2; CO2-N2 в баллонах под давлением;
-
- термогигрометр TESTO мод. 608-Н1 (per. № 53505-13), диапазон измерений температуры от 0 до +50 °C, абсолютная погрешность ±0,5 °C, диапазон измерений относительной влажности от 15 до 85 %, абсолютная погрешность ±3 %;
-
- барометр-анероид БАММ-1 (per. № 5738-76), диапазон измерений от 80 до 106 кПа, абсолютная погрешность ±0,2 кПа.
-
2.2 Допускается применение аналогичных средств поверки, обеспечивающих определение метрологических характеристик поверяемого СИ с требуемой точностью.
-
2.3 Допускается проведение периодической поверки отдельных измерительных каналов на основании письменного заявления владельца СИ, с обязательным указанием в свидетельстве о поверке информации об объеме проведенной поверки.
-
2.4 Все используемые средства поверки должны иметь действующие свидетельства о поверке, ГСО-ПГС в баллонах под давлением - действующие паспорта.
-
3.1 При проведении поверки соблюдают следующие условия:
-
- температура окружающего воздуха, °C
20±5
от 30 до 80
101,3±4 220±22
50±1
-
- относительная влажность воздуха, %
-
- атмосферное давление, кПа
-
- напряжение переменного тока, В
-
- частота переменного тока, Гц
-
4.1 При проведении поверки соблюдают требования безопасности, приведенные в Руководстве по эксплуатации анализатора и в эксплуатационной документации на средства поверки.
-
4.2 Помещение, в котором проводят поверку, должно быть оборудовано приточновытяжной вентиляцией.
-
5.1 Перед проведением поверки выполняют следующие подготовительные работы:
-
- анализатор подготавливают к работе в соответствии с требованиями руководства по эксплуатации;
-
- проверяют наличие паспортов и сроки годности ГСО состава газовых смесей;
-
- баллоны с газовыми смесями выдерживают в помещении, в котором проводят поверку, в течение 24 ч, поверяемый анализатор - в течение 2 ч;
-
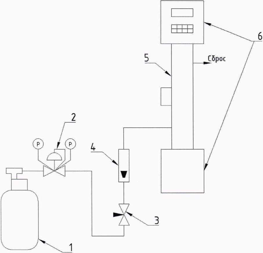
- баллон с ПГС подсоединяют к анализатору в соответствии со схемой, изображенной на рисунке Б. 1 Приложения Б;
-
- включают приточно-вытяжную вентиляцию.
-
6.1 Внешний осмотр
При внешнем осмотре устанавливают:
-
- отсутствие повреждений, влияющих на работоспособность анализатора;
-
- соответствие комплектности и маркировки анализатора требованиям технической документации;
-
- исправность органов управления и настройки.
Анализатор считают выдержавшим внешний осмотр, если выполнены указанные выше требования.
-
6.2 Опробование
-
6.2.1 Проверка установки режимных параметров
Проверку установки режимных параметров (самотестирование прибора) проводят в автоматическом режиме в следующем порядке:
-
- включают электрическое питание анализатора;
-
- после включения электропитания автоматически запускается программа диагностики состояния анализатора (тестирование).
Результаты проверки считают положительными, если после окончания тестирования на панели управления отображаются режимные параметры измерений.
-
6.2.2 Подтверждение соответствия программного обеспечения
Программное обеспечение анализатора идентифицируется по запросу пользователя в меню Диагностика/Инф. о приборе. На панели управления должны отображаться идентификационные данные ПО (рис. 1): наименование (строка 1) и версия (строка 4) программного обеспечения.

Рисунок 1 - Отображение идентификационных данных ПО
Результат проверки считают положительным, если отображаемые идентификационные данные соответствуют приведенным в Описании типа:
Идентификационные данные (признаки) |
Значение |
Идентификационное наименование ПО |
SRU TANECO |
Номер версии (идентификационный номер) ПО |
YWC3 |
Цифровой идентификатор ПО |
недоступен |
6.3 Определение метрологических характеристик
-
6.3.1 Определение относительной погрешности и проверка диапазонов измерений
Определение относительной погрешности проводят по каждому измерительному каналу при поочередной подаче на анализатор поверочных газовых смесей (ПГС) в последовательности № 1-2-3-2-1-3 и регистрации показаний анализатора.
Номинальные значения содержания определяемых компонентов ПГС приведены в таблицах А.1 и А.2 Приложения А.
Подсоединяют согласно схеме, приведенной на рисунке Б.1, баллон с ПГС № 1.
Вентилем точной регулировки устанавливают расход поверочной газовой смеси равный (0,5±0,1) дм3/мин.
После стабилизации показаний по поверяемому каналу (через 3-5 минут после подачи ПГС) фиксируют значение содержания измеряемого компонента, отображаемое на дисплее анализатора.
Относительную погрешность (<5q, %) в каждой точке поверки рассчитывают по формуле (1)
„ си-сп 80 = и д-100 (1)где Си - измеренное значение содержания определяемого компонента в ПГС, мг/м3, объемная доля, %;
Cj - действительное значение содержания определяемого компонента в ПГС, мг/м3, объемная доля, %.
Результаты определения относительной погрешности считают положительными, если полученные значения не превышают:
-
- по каналу СО ±10%;
-
- по каналу СО2 ±5 %.
-
7.1 Результаты поверки анализатора заносят в протокол произвольной формы.
-
7.2 Положительные результаты поверки анализатора оформляют выдачей свидетельства о поверке в соответствии с «Порядком проведения поверки средств измерений, требования к знаку поверки и содержанию свидетельства о поверке» (утв. приказом Министерства промышленности и торговли РФ от 2 июля 2015 г. № 1815).
-
7.3 Анализатор, не удовлетворяющий требованиям настоящих рекомендаций, к эксплуатации не допускается. Свидетельство о поверке изымают и выдают извещение о непригодности с указанием причин в соответствии с «Порядком проведения поверки средств измерений, требования к знаку поверки и содержанию свидетельства о поверке» (утв. приказом Министерства промышленности и торговли РФ от 2 июля 2015 г. № 1815).
-
7.4 Знак поверки наносится на свидетельство о поверке и заверяется подписью поверителя.
Начальник отдела ФГУП «ВНИИМС»
С.В. Вихрова
Инженер 3 категории ФГУП «ВНИИМС»
Д.Р. Камаев
(обязательное)
Метрологические характеристики поверочных газовых смесей (ПГС), используемых при поверке анализатора фотометрического MCS300P-ExТаблица А.1 - ПГС, используемые при поверке анализатора
Поверочный компонент |
Номинальное значение массовой концентрации СО, допускаемые относительные отклонения от номинального значения, мг/м3 |
Источник получения ПГС | ||
ПГС № 1 |
ПГС № 2 |
ПГС № 3 | ||
Оксид углерода (СО) |
20±2 |
127±13 |
227±23 |
ГСО 10531-2014 |
Таблица А.2 - ПГС, используемые при поверке анализатора
Поверочный компонент |
Номинальное значение объемной доли СО2, допускаемые относительные отклонения от номинального значения, % |
Источник получения ПГС | ||
ПГС № 1 |
ПГС № 2 |
ПГС № 3 | ||
Диоксид углерода (СО2) |
2,1 ±0,1 |
15,3±0,5 |
28,5±0,9 |
ГСО 10531-2014 |
Примечание.
Пересчет значений объемной доли X , %, в единицы массовой концентрации С, мг/м3, проводится по формуле
^ 0,01-У-Л/-103
Km.10’3
где С - массовая концентрация СО, мг/м3;
М - молярная масса СО, г/моль;
Vm - молярный объём идеального газа, равный 24,06, при температуре 20 °C и давлении
-
101,3 кПа, дм3/моль.
(обязательное)
Схема подачи газовых смесей, используемых при поверке анализатора

1 - баллон с ПГС; 2 - редуктор баллонный; 3 - вентиль точной регулировки;
4 - индикатор расхода (ротаметр); 5 - измерительная кювета; 6 - анализатор
Рисунок Б.1 - Схема подачи газовых смесей из баллонов под давлением на вход анализатора