Методика поверки «ГСИ. Газоанализаторы SIPROCESS GA 700 » (МП 242-2343-2019 )
Федеральное государственное унитарное предприятие
«Всероссийский научно-исследовательский и неги гут метрологии им. Д.И. Менделеева» ФГУП «ВНИИМ им. Д.И. Менделеева»
УТВЕРЖДАЮ
И.о. директора
Д.И. Менделеева»
Пронин
Государственная система обеспечения единства измерений Газоанализаторы SIPROCESS GA700 Методика поверки
МП 242-2343-2019
Заместитель руководителя научно-исследовательского отдела государственных эталонов в области физико-химических измерений ФГУП "ВЙЙЙМ.йм. Д.И. Менделеева" *'-/ U А.В. Колобова

р 1-й категории
А.Л. Матвеев
г. Санкт-Петербург 2019 г.
Настоящая методика поверки распространяется на газоанализаторы SIPROCESS GA700, выпускаемые фирмой «Siemens AG», Германия, производственная площадка «Siemens S.A.S.», Франция, и устанавливает методы их первичной поверки до ввода в эксплуатацию и после ремонта и периодической поверки в процессе эксплуатации.
Методикой поверки предусмотрена возможность проведения поверки отдельных измерительных каналов и (или) на меньшем числе диапазонов измерений.
Интервал между поверками - один год.
1 Операции поверки-
1.1 При проведении поверки должны быть выполнены операции, указанные в таблице 1.
Таблица 1 - Операции поверки
Наименование операции |
Номер пункта методики поверки |
Обязательность проведения | |
при первичной поверке |
при периодической поверке | ||
1 Внешний осмотр |
6.1 |
да |
да |
2 Опробование |
6.2 |
да |
да |
3 Подтверждение соответствия программного обеспечения |
6.3 |
да |
да |
4 Определение метрологических характеристик |
6.4 | ||
4.1 Определение основной погрешности |
6.4.1 |
да |
да |
4.2 Определение вариации показаний |
6.4.2 |
да |
нет |
4.3 Определение времени установления показаний |
6.4.3 |
да |
нет |
-
1.2 Если при проведении той или иной операции получен отрицательный результат, дальнейшая поверка прекращается.
-
1.3 Допускается проведение поверки отдельных измерительных каналов и (или) диапазонов измерений газоанализатора в соответствии с заявлением владельца газоанализатора, с обязательным указанием в свидетельстве о поверке информации об объеме проведенной поверки.
-
2.1 При проведении поверки применяют средства, указанные в таблице 2.
Таблица 2 - Средства поверки
Номер пункта методики поверки |
Наименование эталонного средства измерений или вспомогательного средства поверки, номер документа, регламентирующего технические требования к средству, основные метрологические и технические характеристики |
6 |
Прибор комбинированный Testo 622, диапазон измерений температуры от минус 10 до плюс 60 °C, относительной влажности от 10 до 95 %, атмосферного давления от 300 до 1200 гПа |
Секундомер механический СОПпр, ТУ 25-1894.003-90, класс точности 2 | |
6.4 |
Ротаметр РМ-А-0,063Г УЗ, ГОСТ 13045-81, верхняя граница диапазона измерений объемного расхода 0,063 м3/ч, кл. точности 4* |
Вентиль точной регулировки ВТР-1 (или ВТР-1-М160), диапазон рабочего давления (0-150) кгс/см2, диаметр условного прохода 3 мм * | |
Вольтметр цифровой универсальный В7-65, ТУ РБ 14559587.038, диапазон измерения силы постоянного тока до 2 А; силы переменного тока до 2 А; сопротивления постоянному току 2 ГОм; постоянного напряжения до 1000 В; переменного напряжения до 700 В |
Номер пункта методики поверки |
Наименование эталонного средства измерений или вспомогательного средства поверки, номер документа, регламентирующего технические требования к средству, основные метрологические и технические характеристики |
6.4 |
Редуктор баллонный кислородный одноступенчатый БКО-50-4 по ТУ 3645-026-00220531-95 * или Редуктор баллонный одноступенчатый “Go Regulator” серии PR-1 (нержавеющая сталь 316L), диапазон регулирования давления на выходе от 0 до 7 кгс/см2* |
Трубка медицинская поливинилхлоридная (ПВХ) по ТУ6-01-2-120-73, 6><1,5 мм * или Трубка фторопластовая по ТУ 6-05-2059-87, диаметр условного прохода 5 мм, толщина стенки 1 мм * | |
Аргон газообразный высокой чистоты по ТУ 2114-005-05798345-2009 | |
Водород газообразный чистый 1 сорт по ГОСТ Р 51673-2000 | |
Кислород газообразный особой чистоты по ТУ 2114-001-05798345-2007 | |
Азот особой чистоты сорт 1 по ГОСТ 9293-74 в баллоне под давлением | |
Стандартные образцы газовых смесей в баллонах под давлением (характеристики приведены в Приложении А) |
-
2.2 Все средства измерений, кроме отмеченных знаком «*» в таблице 2, должны иметь действующие свидетельства о поверке, стандартные образцы состава в баллонах под давлением -действующие паспорта.
-
2.3 Допускается использование других средств поверки, обеспечивающих определение метрологических характеристик газоанализаторов с требуемой точностью Ч
-
3.1 Помещение, в котором проводят поверку, должно быть оборудовано приточновытяжной вентиляцией. Не допускается сбрасывать ГС в атмосферу рабочих помещений.
-
3.2 Содержание вредных компонентов в воздухе рабочей зоны должно соответствовать требованиям ГОСТ 12.1.005-88.
-
3.3 При работе с ГС с объемной долей кислорода свыше 23 %, жировое загрязнение газового тракта должно быть исключено.
-
3.4 Должны выполняться требования техники безопасности для защиты персонала от поражения электрическим током согласно классу I ГОСТ 12.2.007.0-75.
-
3.5 Требования техники безопасности при эксплуатации ГС в баллонах под давлением должны соответствовать федеральным нормам и правилам в области промышленной безопасности "Правила промышленной безопасности опасных производственных объектов, на которых используется оборудование, работающее под избыточным давлением" (утверждены приказом Ростехнадзора № 116 от 25.03.2014 г.).
-
- температура окружающей среды, °C 20±5;
-
- диапазон относительной влажности окружающей среды, % от 30 до 80;
-
- атмосферное давление, кПа 100±3,3;
-
- расход ГС (если не указано иное), дм3/мин 0,6 ±0,1;
’> Допускается использование стандартных образцов состава газовых смесей (ГС), не указанных в настоящей методике поверки, при выполнении следующих условий:
-
- номинальное значение и пределы допускаемого отклонения содержания определяемого компонента в ГС должны соответствовать указанному для соответствующей ГС из приложения А;
-
- отношение погрешности, с которой устанавливается содержание компонента в ГС к пределу допускаемой основной погрешности поверяемого газоанализатора, должно быть не более 1/3.
-
- механические воздействия, внешние электрические и магнитные поля (кроме магнитного поля Земли), влияющие на метрологические характеристики, должны быть исключены.
Перед проведением поверки выполняют следующие подготовительные работы:
-
1) проверяют комплектность газоанализатора в соответствии с его эксплуатационной документацией (при первичной поверке);
-
2) подготавливают газоанализатор к работе в соответствии с требованиями с его эксплуатационной документации;
-
3) проверяют наличие паспортов и сроки годности ГС;
-
4) баллоны с ГС выдерживают в помещении, в котором проводят поверку, в течение не менее 24 ч, поверяемые газоанализаторы - 3 ч;
-
5) подготавливают к работе средства поверки в соответствии с требованиями их эксплуатационной документации.
-
6.1 Внешний осмотр
-
6.1.1 При внешнем осмотре устанавливают соответствие газоанализаторов следующим требованиям:
-
комплектность должна соответствовать требованиям эксплуатационной документации (проверяется при первичной поверке);
внешние повреждения, влияющие на работоспособность, должны отсутствовать;
органы управления должны быть исправны;
надписи на лицевой панели должны быть четкими;
маркировка должна соответствовать требованиям эксплуатационной документации.
-
6.1.2 Газоанализаторы считают выдержавшими внешний осмотр, если они соответствуют указанным выше требованиям.
-
6.2 Опробование
-
6.2.1 При опробовании проводят проверку общего функционирования газоанализатора в следующем порядке:
-
-
1) включают электрическое питание газоанализатора;
-
2) выдерживают газоанализатор во включенном состоянии в течение времени прогрева;
-
3) фиксируют показания дисплея газоанализатора.
-
6.2.2 Результат опробования считают положительным, если по окончанию времени прогрева отсутствует сигнализация об отказах, на дисплей газоанализатора выводится измерительная информация.
6.3 Подтверждение соответствия программного обеспечения
-
6.3.1 Для проверки соответствия ПО выполняют следующие операции:
-
- проводят визуализацию идентификационных данных ПО газоанализатора (номер версии встроенного ПО отображается на дисплее при включении газоанализатора);
-
- сравнивают полученные данные с идентификационными данными, установленными при проведении испытаний для целей утверждения типа и указанными в Описании типа газоанализаторов (приложение к Свидетельству об утверждении типа).
-
6.3.2 Результат подтверждения соответствия ПО считают положительным, если идентификационные данные соответствуют указанным в Описании типа газоанализаторов (приложение к Свидетельству об утверждении типа).
-
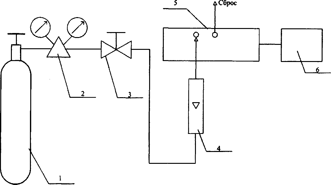
1 - источник ГС (баллон или генератор);
-
2 - редуктор баллонный (только при подаче от баллона под давлением)
-
3 - вентиль точной регулировки (только при подаче от баллона под давлением);
-
4 - индикатор расхода (ротаметр);
-
5 - газоанализатор (показан условно, задняя панель);
-
6 - вольтметр универсальный, подключенный к аналоговому выходу газоанализатора.
Рисунок 1 - Схема подачи ГС на газоанализаторы при проведении поверки
6.4 Определение метрологических характеристик
-
6.4.1 Определение основной погрешности газоанализатора
Определение основной погрешности газоанализатора проводят в следующем порядке:
-
1) На вход газоанализатора подают ГС (таблицы А.1 - А.З Приложения А, соответственно определяемому компоненту и диапазону измерений) согласно рисунку 1 в последовательности:
-
- №№ 1-2-3-2-1-3 - при первичной поверке;
-
- №№ 1-2-3 - при периодической поверке.
-
3) Фиксируют установившиеся значения показаний газоанализатора по поверяемому измерительному каналу:
-
- по показаниям дисплея газоанализатора;
-
- по показаниям измерительного прибора, подключенного к аналоговому выходу газоанализатора (при его наличии).
-
4) Рассчитывают значение содержания определяемого компонента в i-ой ГС по значению выходного токового сигнала по формуле, для аналогового выходного сигнала в диапазоне от 4 до 20 мА
(1)
где Ij - установившееся значение выходного токового сигнала газоанализатора при подаче i-ой ГС, мА;
Св - верхний предел диапазона измерений газоанализатора, объемная доля, % или млн'1.
для аналогового выходного сигнала в диапазоне от 0 до 20 мА

(2)
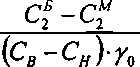
3) Значение основной приведенной погрешности газоанализатора, , %, рассчитывают по формуле

(3)
где Ci - результат измерений объемной доли определяемого компонента при подаче i-й ГС, % или млн'1;
С’ - действительное значение объемной доли определяемого компонента в i-й ГС, % или млн'1.
Св, Сн - верхняя и нижняя границы поверяемого диапазона измерений для которого нормированы пределы допускаемой приведенной погрешности, объемная доля определяемого компонента, % или млн'1.
Результат определения основной приведенной погрешности считают положительными, если основная погрешность газоанализатора во всех точках поверки не превышает пределов допускаемой основной приведенной погрешности (таблицы Б.1 - Б.З Приложения Б) для соответствующего диапазона измерений.
-
6.4.2 Определение вариации показаний газоанализатора
Определение вариации показаний газоанализатора допускается проводить одновременно с определением основной погрешности по п. 6.4.1 при подаче ГС № 2.
Значение вариации показаний, в долях от пределов основной приведенной погрешности, i9y, рассчитывают по формуле

•100,
(4)
где С2, С2 - результат измерений содержания определяемого компонента при подходе к
точке поверки 2 со стороны больших и меньших значений, объемная доля определяемого компонента, % или млн'1;
у0 - пределы допускаемой основной приведенной погрешности для поверяемого
измерительного канала газоанализатора, %.
Результат считают положительным, если вариация показаний газоанализатора не превышает 0,5 в долях от пределов допускаемой основной погрешности.
-
6.4.3 Определение времени установления показаний
Определение времени установления показаний по уровню 0,9 допускается проводить одновременно с определением основной погрешности по п.6.4.1 при подаче ГС №1 и ГС № 3 в следующем порядке:
-
1) подать на газоанализатор ГС № 3, зафиксировать установившееся значение показаний поверяемого измерительного канала газоанализатора;
-
2) рассчитать значение, равное 0,9 от показаний газоанализатора, полученных в п. 1);
-
3) подать на газоанализатор ГС № 1, дождаться установления показаний газоанализатора по поверяемому измерительному каналу (отклонение показаний от нулевых не должно превышать 0,5 в долях от пределов допускаемой основной абсолютной погрешности), затем, не подавая ГС на газоанализатор продуть газовую линию ГС № 3 в течение не менее 3 мин., подать ГС на газоанализатор и включить секундомер. Зафиксировать время достижения показаниями газоанализатора значения, рассчитанного на предыдущем шаге.
Результат считают положительным, если время установления показаний по уровню 0,9 не превышает 5 с (для аналитических модулей OXYMAT 7 и CALOMAT 7) и 20 с (для аналитического модуля ULTRAMAT 7).
7 Оформление результатов поверки-
7.1 При проведении поверки оформляют протокол результатов поверки произвольной формы.
-
7.2 Результатом поверки является подтверждение пригодности средства измерений к применению или признание средства измерений непригодным к применению. Если газоанализатор по результатам поверки признан пригодным к применению, то результаты поверки удостоверяются знаком поверки, наносимым на свидетельство о поверке.
-
7.3 Если газоанализатор по результатам поверки признан непригодным к применению, выписывается извещение о непригодности установленной формы.
Приложение А
(обязательное) Характеристики ГС, используемых при проведении поверки газоанализаторов
Таблица А.1 - Характеристики ГС, используемых для поверки газоанализатора с аналитическим модулем OXYMAT 7
Кислород (Ог)
Определяемый компонент
Диапазон измерений объемной доли определяе-мого компонента, % |
Номинальное значение объемной доли определяемого компонента в ГС, пределы допускаемого отклонения, млн"1 |
Относительная погрешность аттестации, % |
Номер ГС по реестру ГСО или источник ГС1} | ||
ГС№1 |
ГС №2 |
ГС№3 | |||
от 0 до 0,5 |
азот |
О.ч., сорт 1-й по ГОСТ 9293-74 | |||
0,25 % ± 7 % отн. |
±3 |
ГСО 10532- 2014 (O2/N2) | |||
0,47 % ± 5 % отн. |
±1,5 |
ГСО 10531- 2014 (O2/N2) | |||
от 0 до 1,0 |
азот |
О.ч., сорт 1-й по ГОСТ 9293-74 | |||
0,5 %± 7 % отн. |
±3 |
ГСО 10532- 2014 (O2/N2) | |||
0,95 % ± 5 % отн. |
±1,5 |
ГСО 10531- 2014 (O2/N2) | |||
от 0 до 2,0 |
азот |
О.ч., сорт 1-й по ГОСТ 9293-74 | |||
1,0 %± 5 % отн. |
±1,5 |
ГСО 10531- 2014 (O2/N2) | |||
1,9% ±5 % отн. |
±1 |
ГСО 10531- 2014 (O2/N2) | |||
от 0 до 5,0 |
азот |
О.ч., сорт 1-й по ГОСТ 9293-74 | |||
2,5 %± 7 % отн. |
±2,5 |
ГСО 10532- 2014 (O2/N2) | |||
4,7 % ± 5 % отн. |
±1 |
ГСО 10531- 2014 (O2/N2) | |||
от 0 до 10 |
азот |
О.ч., сорт 1-й по ГОСТ 9293-74 | |||
5 % ± 5 % отн. |
±2,5 |
ГСО 10532- 2014 (O2/N2) | |||
9,5 % ± 5 % отн. |
±1 |
ГСО 10531- 2014 (O2/N2) |
Определяемый компонент |
Диапазон измерений объемной доли определяе-мого компонента, % |
Номинальное значение объемной доли определяемого компонента в ГС, пределы допускаемого отклонения, млн'1 |
Относительная погрешность аттестации, % |
Номер ГС по реестру ГСО или источник ГС *> | ||
ГС№1 |
ГС №2 |
ГС№3 | ||||
Кислород (Ог) |
от 0 до 30 |
азот |
О.ч., сорт 1-й по ГОСТ 9293-74 | |||
15 %± 3 % отн. |
±0,6 |
ГСО 10531- 2014 (O2/N2) | ||||
29 % ± 3 % отн. |
±0,4 |
ГСО 10531-2014 (O2/N2) | ||||
от 0 до 50 |
азот |
О.ч., сорт 1-й по ГОСТ 9293-74 | ||||
25 % ± 3 % отн. |
±0,4 |
ГСО 10531- 2014 (O2/N2) | ||||
48 % ± 3 % отн. |
±0,4 |
ГСО 10531- 2014 (O2/N2) | ||||
от 0 до 100 |
азот |
О.ч., сорт 1-й по ГОСТ 9293-74 | ||||
50 % ± 3 %отн. |
±0,4 |
ГСО 10531- 2014 (O2/N2) | ||||
97 % ± 0,5 % отн. |
±0,2 |
ГСО 10532-2014 (O2/N2) | ||||
от 95 до 100 |
95,5 %± 0,5 % отн. |
±0,1 |
ГСО 10531- 2014 (O2/N2) | |||
97,5 %± 0,5 % отн. |
±0,1 |
ГСО 10531- 2014 (O2/N2) | ||||
99,5 %± 0,07 % отн. |
±0,05 |
ГСО 10532- 2014 (O2/N2) | ||||
от 98 до 100 |
98,5 %± 0,5 % отн. |
±0,04 |
ГСО 10530-2014 (O2/N2) | |||
99 %± 0,5 % отн. |
±0,04 |
ГСО 10530-2014 (O2/N2) | ||||
99,9 % ± 0,05 % отн. |
±0,02 |
ГСО 10531- 2014 (O2/N2) | ||||
от 99 до 100 |
99,05 %± 0,05 % отн. |
99,5 % ± 0,05 % отн. |
99,9 %± 0,05 % отн. |
±0,02 |
ГСО 10531- 2014 (O2/N2) | |
от 99,5 до 100 |
99,55 % ± 0,05 % отн. |
99,75 % ± 0,05 % отн. |
99,9 % ± 0,05 % отн. |
±0,02 |
ГСО 10531- 2014 (O2/N2) |
Определяемый компонент |
Диапазон измерений объемной доли определяе-мого компонента, % |
Номинальное значение объемной доли определяемого компонента в ГС, пределы допускаемого отклонения, млн1 |
Относительная погрешность аттестации, % |
Номер ГС по реестру ГСО или источник ГС *> | ||
ГС№ 1 |
ГС №2 |
ГС№3 | ||||
Примечания:
|
Таблица А.2 - Характеристики ГС, используемых для поверки газоанализатора с аналитическим модулем ULTRAMAT 7
Определяемый компонент |
Диапазон измерений объемной доли определяе-мого компонента |
Номинальное значение объемной доли определяемого компонента в ГС, пределы допускаемого отклонения, млн’1 |
Относительная погрешность аттестации, % |
Номер ГС по реестру ГСО или источник ГС1} | ||
ГС№1 |
ГС №2 |
ГС№3 | ||||
Оксид углерода (СО) |
от 0 до 10 млн’1 |
азот |
В.ч. по ТУ 2114-004-05798345-2009 | |||
5 млн’1 ± 20 % отн. |
±8 |
ГСО 10532- 2014 (CO/N2) | ||||
8,3 млн’1 ± 20 % отн. |
±4 |
ГСО 10531-2014 (CO/N2) | ||||
от 0 до 50 млн’1 |
азот |
В.ч. по ТУ 2114-004-05798345-2009 | ||||
25 млн’1 ± 10 % отн. |
±5 |
ГСО 10532-2014 (CO/N2) | ||||
45 млн’1 ± 10 % отн. |
±2,5 |
ГСО 10531-2014 (CO/N2) | ||||
от 0 до 250 млн'1 |
азот |
О.ч., сорт 1-й по ГОСТ 9293-74 | ||||
125 млн’1 ± 10% отн. |
225 млн’1 ± 10% отн. |
±2,5 |
ГСО 10531-2014 (CO/N2) |
Определяемый компонент |
Диапазон измерений объемной доли определяе-мого компонента |
Номинальное значение объемной доли определяемого компонента в ГС, пределы допускаемого отклонения, млн’1 |
Относительная погрешность аттестации, % |
Номер ГС по реестру ГСО или источник ГС 1} | ||
ГС№1 |
ГС №2 |
ГС № 3 | ||||
Оксид углерода (СО) |
от 0 до 500 млн’1 |
азот |
О.ч., сорт 1-й по ГОСТ 9293-74 | |||
250 млн’1 ± 10 % отн. |
450 млн’1 ± 10% отн. |
±2,5 |
ГСО 10531- 2014 (CO/N2) | |||
от 0 до 1000 млн'1 |
азот |
О.ч., сорт 1-й по ГОСТ 9293-74 | ||||
500 млн’1 ± 10 % отн. |
900 млн’1 ± 10 % отн. |
±2,5 |
ГСО 10531- 2014 (CO/N2) | |||
от 0 до 0,5 % |
азот |
О.ч., сорт 1-й по ГОСТ 9293-74 | ||||
0,25 % ± 7 % отн. |
±3 |
ГСО 10532- 2014 (CO/N2) | ||||
0,47 % ± 5 % отн. |
±1,5 |
ГСО 10531- 2014 (CO/N2) | ||||
от 0 до 1,0 % |
азот |
О.ч., сорт 1-й по ГОСТ 9293-74 | ||||
0,5 %± 7 % отн. |
±3 |
ГСО 10532- 2014 (CO/N2) | ||||
0,95 % ± 5 % отн. |
±1,5 |
ГСО 10531-2014 (CO/N2) | ||||
от 0 до 2,0 % |
азот |
О.ч., сорт 1-й по ГОСТ 9293-74 | ||||
1 %±7% отн. |
±3 |
ГСО 10532- 2014 (CO/N2) | ||||
1,9 %± 5 % отн. |
±1 |
ГСО 10531- 2014 (CO/N2) | ||||
от 0 до 5,0 % |
азот |
О.ч., сорт 1-й по ГОСТ 9293-74 | ||||
2,5 %± 7 % отн. |
±2,5 |
ГСО 10532- 2014 (CO/N2) | ||||
4,7 % ± 5 % отн. |
±1 |
ГСО 10531-2014 (CO/N2) | ||||
от 0 до 10 % |
азот |
О.ч., сорт 1-й по ГОСТ 9293-74 | ||||
5%±7% отн. |
±2,5 |
ГСО 10532-2014 (CO/N2) | ||||
9,5 % ± 5 % отн. |
±1 |
ГСО 10531- 2014 (CO/N2) |
Определяемый компонент |
Диапазон измерений объемной доли определяемого компонента |
Номинальное значение объемной доли определяемого компонента в ГС, пределы допускаемого отклонения, млн'1 |
Относительная погрешность аттестации, % |
Номер ГС по реестру ГСО или источник ГС 0 | ||
ГС№1 |
ГС №2 |
ГС№3 | ||||
Оксид углерода (СО) |
от 0 до 30 % |
азот |
О.ч., сорт 1-й по ГОСТ 9293-74 | |||
15 %± 3 %отн. |
±0,6 |
ГСО 10531-2014 (CO/N2) | ||||
29 % ± 3 % отн. |
±0,4 |
ГСО 10531- 2014 (CO/N2) | ||||
от 0 до 50 % |
азот |
О.ч., сорт 1-й по ГОСТ 9293-74 | ||||
25 % ± 3 % отн. |
±0,4 |
ГСО 10531- 2014 (CO/N2) | ||||
48%±3 % отн. |
±0,2 |
ГСО 10531- 2014 (CO/N2) | ||||
от 0 до 100 % |
азот |
О.ч., сорт 1-й по ГОСТ 9293-74 | ||||
50 % ± 3 % отн. |
±0,4 |
ГСО 10531-2014 (CO/N2) | ||||
99 % ± 0,5 % отн. |
±0,2 |
ГСО 10532- 2014 (CO/N2) | ||||
от 95 до 100 % |
95,5 %± 0,5 % отн. |
±0,1 |
ГСО 10531- 2014 (CO//N2) | |||
97,5 %± 0,5 % отн. |
±0,1 |
ГСО 10531- 2014 (CO//N2) | ||||
99,5 %± 0,07 % отн. |
±0,05 |
ГСО 10532- 2014 (CO//N2) | ||||
от 98 до 100 % |
98,5 % ± 0,5 % отн. |
±0,04 |
ГСО 10530- 2014 (CO//N2) | |||
99 % ± 0,5 % отн. |
±0,04 |
ГСО 10530-2014 (CO//N2) | ||||
99,9 %± 0,05 % отн. |
±0,02 |
ГСО 10531- 2014 (CO//N2) | ||||
от 99 до 100 % |
99,05 % ± 0,05 % отн. |
99,5 % ± 0,05 % отн. |
99,9 % ± 0,05 % отн. |
±0,02 |
ГСО 10531- 2014 (CO//N2) | |
от 99,5 до 100 % |
99,55 % ± 0,05 % отн. |
99,75 %± 0,05 % отн. |
99,9 % ± 0,05 % отн. |
±0,008 |
ГСО 10530- 2014 (CO//N2) |
Определяемый компонент |
Диапазон измерений объемной доли определяемого компонента |
Номинальное значение объемной доли определяемого компонента в ГС, пределы допускаемого отклонения, млн'1 |
Относительная погрешность аттестации, % |
Номер ГС по реестру ГСО или источник ГС !) | ||
ГС№ 1 |
ГС №2 |
ГС№3 | ||||
Диоксид углерода (СОг) |
от 0 до 5 млн"1 |
азот |
В.ч. по ТУ 2114-004-05798345-2009 | |||
2,5 млн'1 ± 20 % отн. |
4,1 млн'1 ± 20 % отн. |
±8 |
ГСО 10532- 2014 (CO2/N2) | |||
от 0 до 10 млн'1 |
азот |
В.ч. по ТУ 2114-004-05798345-2009 | ||||
5 млн'1 ± 20 % отн. |
±8 |
ГСО 10532-2014 (CO2/N2) | ||||
8,3 млн'1 ± 20 % отн. |
±4 |
ГСО 10531- 2014 (CO2/N2) | ||||
от 0 до 50 млн'1 |
азот |
В.ч. по ТУ 2114-004-05798345-2009 | ||||
25 млн'1 ± 10 % отн. |
45 млн'1 ± 10 % отн. |
±5 |
ГСО 10532- 2014 (CO2/N2) | |||
от 0 до 250 млн'1 |
азот |
О.ч., сорт 1-й по ГОСТ 9293-74 | ||||
125 млн'1 ± 10 % отн. |
±5 |
ГСО 10532- 2014 (CO2/N2) | ||||
225 млн'1 ± 10% отн. |
±2,5 |
ГСО 10531-2014 (CO2/N2) | ||||
от 0 до 500 млн'1 |
азот |
О.ч., сорт 1-й по ГОСТ 9293-74 | ||||
250 млн'1 ± 10 % отн. |
±5 |
ГСО 10532- 2014 (CO2/N2) | ||||
450 млн'1 ± 10 % отн. |
±2,5 |
ГСО 10531-2014 (CO2/N2) |
Определяемый компонент |
Диапазон измерений объемной доли определяемого компонента |
Номинальное значение объемной доли определяемого компонента в ГС, пределы допускаемого отклонения, млн'1 |
Относительная погрешность аттестации, % |
Номер ГС по реестру ГСО или источник ГС | ||
ГС№ 1 |
ГС №2 |
ГС№3 | ||||
Диоксид углерода (СОг) |
от 0 до 1000 млн'1 |
азот |
О.ч., сорт 1-й по ГОСТ 9293-74 | |||
500 млн'1 ± 10 % отн. |
±5 |
ГСО 10532- 2014 (CO2/N2) | ||||
900 млн'1 ± 10% отн. |
±2,5 |
ГСО 10531- 2014 (CO2/N2) | ||||
от 0 до 0,5 % |
азот |
О.ч., сорт 1-й по ГОСТ 9293-74 | ||||
0,25 % ± 7 % отн. |
±3 |
ГСО 10532- 2014 (CO2/N2) | ||||
0,47 % ± 5 % отн. |
±1,5 |
ГСО 10531- 2014 (CO2/N2) | ||||
от 0 до 1,0% |
азот |
О.ч., сорт 1-й по ГОСТ 9293-74 | ||||
0,5 %± 7 %отн. |
±3 |
ГСО 10532- 2014 (CO2/N2) | ||||
0,95 %± 5 % отн. |
±1,5 |
ГСО 10531-2014 (CO2/N2) | ||||
от 0 до 2,0 % |
азот |
О.ч., сорт 1-й по ГОСТ 9293-74 | ||||
1 % ± 7 % отн. |
±3 |
ГСО 10532- 2014 (CO2/N2) | ||||
1,9 % ± 5 % отн. |
±1 |
ГСО 10531- 2014 (CO2/N2) | ||||
от 0 до 5,0 % |
азот |
О.ч., сорт 1-й по ГОСТ 9293-74 | ||||
2,5 % ± 7 % отн. |
±2,5 |
ГСО 10532-2014 (CO2/N2) | ||||
4,7 % ± 5 % отн. |
±1 |
ГСО 10531- 2014 (CO2/N2) | ||||
от 0 до 10 % |
азот |
О.ч., сорт 1-й по ГОСТ 9293-74 | ||||
5 % ± 7 % отн. |
±2,5 |
ГСО 10532- 2014 (CO2/N2) | ||||
9,5 % ± 5 % отн. |
±1 |
ГСО 10531- 2014(CO2/N2) |
Определяемый компонент |
Диапазон измерений объемной доли определяе-мого компонента |
Номинальное значение объемной доли определяемого компонента в ГС, пределы допускаемого отклонения, млн’1 |
Относительная погрешность аттестации, % |
Номер ГС по реестру ГСО или источник ГС | ||
ГС№ 1 |
ГС №2 |
ГС№3 | ||||
Диоксид углерода (СОг) |
от 0 до 30 % |
азот |
О.ч., сорт 1-й по ГОСТ 9293-74 | |||
15 %± 3 % отн. |
±0,6 |
ГСО 10531- 2014 (CO2/N2) | ||||
29 % ± 3 % отн. |
±0,4 |
ГСО 10531-2014 (CO2/N2) | ||||
от 0 до 50 % |
азот |
О.ч., сорт 1-й по ГОСТ 9293-74 | ||||
25%±3 % отн. |
±0,4 |
ГСО 10531- 2014 (CO2/N2) | ||||
48 % ± 3 % отн. |
±0,2 |
ГСО 10531- 2014 (CO2/N2) | ||||
от 0 до 100 % |
азот |
О.ч., сорт 1-й по ГОСТ 9293-74 | ||||
50 % ± 3 % отн. |
±0,4 |
ГСО 10531- 2014 (CO2/N2) | ||||
99 % ± 0,5 % отн. |
±0,2 |
ГСО 10532- 2014 (CO2/N2) | ||||
от 95 до 100 % |
95,5 %± 0,5 % отн. |
±0,1 |
ГСО 10531-2014 (CO2/N2) | |||
97,5 %± 0,5 % отн. |
±0,1 |
ГСО 10531- 2014 (CO2/N2) | ||||
99,5 % ± 0,07 % отн. |
±0,05 |
ГСО 10532- 2014 (CO2/N2) | ||||
от 98 до 100 % |
98,5 %± 0,5 % отн. |
±0,04 |
ГСО 10530-2014 (CO2/N2) | |||
99 %± 0,5 % отн. |
±0,04 |
ГСО 10530-2014 (CO2/N2) | ||||
99,9 %± 0,05 % отн. |
±0,02 |
ГСО 10531- 2014 (CO2/N2) | ||||
от 99 до 100 % |
99,05 % ± 0,05 % отн. |
99,5 %± 0,05 % отн. |
99,9 % ± 0,05 % отн. |
±0,02 |
ГСО 10531-2014 (CO2/N2) | |
от 99,5 до 100 % |
99,55 %± 0,05 % отн. |
99,75 %± 0,05 % отн. |
99,9 %± 0,05 % отн. |
±0,008 |
ГСО 10530- 2014 (CO2/N2) |
Определяемый компонент |
Диапазон измерений объемной доли определяемого компонента |
Номинальное значение объемной доли определяемого компонента в ГС, пределы допускаемого отклонения, млн’1 |
Относительная погрешность аттестации, % |
Номер ГС по реестру ГСО или источник ГС ’> | ||
ГС№ 1 |
ГС №2 |
ГС№3 | ||||
Метан (СН4) |
от 0 до 50 млн’1 |
азот |
О.ч., сорт 1-й по ГОСТ 9293-74 | |||
25 млн’1 ± 10 % отн. |
45 млн’1 ± 10 % отн. |
±5 |
ГСО 10532-2014 (CH4/N2) | |||
от 0 до 250 млн’1 |
азот |
О.ч., сорт 1-й по ГОСТ 9293-74 | ||||
125 млн’1 ± 10 % отн. |
±5 |
ГСО 10532- 2014 (CH4/N2) | ||||
225 млн’1 ± 10% отн. |
±2,5 |
ГСО 10531- 2014 (CH4/N2) | ||||
от 0 до 500 млн’1 |
азот |
О.ч., сорт 1-й по ГОСТ 9293-74 | ||||
250 млн'1 ± 10 % отн. |
±5 |
ГСО 10532- 2014 (CH4/N2) | ||||
450 млн’1 ± 10 % отн. |
±2,5 |
ГСО 10531- 2014 (CH4/N2) | ||||
от 0 до 1000 млн’1 |
азот |
О.ч., сорт 1-й по ГОСТ 9293-74 | ||||
500 млн’1 ± 10% отн. |
900 млн’1 ± 10 % отн. |
±2,5 |
ГСО 10531- 2014 (CH4/N2) | |||
от 0 до 0,5 % |
азот |
О.ч., сорт 1-й по ГОСТ 9293-74 | ||||
0,25 %± 7% отн. |
±3 |
ГСО 10532- 2014 (CH4/N2) | ||||
0,47 %± 5 % отн. |
±1,5 |
ГСО 10531- 2014 (CH4/N2) | ||||
от 0 до 1,0% |
азот |
О.ч., сорт 1-й по ГОСТ 9293-74 | ||||
0,5 %± 7 % отн. |
±3 |
ГСО 10532-2014 (CH4/N2) | ||||
0,95 % ± 5 % отн. |
±1,5 |
ГСО 10531- 2014 (CH4/N2) |
Определяемый компонент |
Диапазон измерений объемной доли определяемого компонента |
Номинальное значение объемной доли определяемого компонента в ГС, пределы допускаемого отклонения, млн'1 |
Относительная погрешность аттестации, % |
Номер ГС по реестру ГСО или источник ГС 0 | ||
ГС№ 1 |
ГС №2 |
ГС№3 | ||||
Метан (СН4) |
от 0 до 2,0 % |
азот |
О.ч., сорт 1-й по ГОСТ 9293-74 | |||
1 %±7% отн. |
±3 |
ГСО 10532- 2014 (CH4/N2) | ||||
1,9 % ± 5 % отн. |
±1 |
ГСО 10531- 2014 (CH4/N2) | ||||
от 0 до 5,0 % |
азот |
О.ч., сорт 1-й по ГОСТ 9293-74 | ||||
2,5 % ± 7 % отн. |
±2,5 |
ГСО 10532-2014 (CH4/N2) | ||||
4,7 % ± 5 % отн. |
±1 |
ГСО 10531- 2014 (CH4/N2) | ||||
от 0 до 10 % |
азот |
О.ч., сорт 1-й по ГОСТ 9293-74 | ||||
5 % ± 7 % отн. |
±2,5 |
ГСО 10532-2014 (CH4/N2) | ||||
9,5 % ± 5 % отн. |
±1 |
ГСО 10531- 2014 (CH4/N2) | ||||
от 0 до 30 % |
азот |
О.ч., сорт 1-й по ГОСТ 9293-74 | ||||
15 %± 3 % отн. |
±0,6 |
ГСО 10531- 2014 (CH4/N2) | ||||
29 % ± 3 % отн. |
±0,4 |
ГСО 10531- 2014 (CH4/N2) | ||||
от 0 до 50 % |
азот |
О.ч., сорт 1-й по ГОСТ 9293-74 | ||||
25 % ± 5 % отн. |
±1 |
ГСО 10532- 2014 (CH4/N2) | ||||
48%±3 % отн. |
±0,2 |
ГСО 10531-2014 (CH4/N2) | ||||
от 0 до 100 % |
азот |
О.ч., сорт 1-й по ГОСТ 9293-74 | ||||
50 % ± 5 % отн. |
±1 |
ГСО 10532- 2014 (CH4/N2) | ||||
99 % ± 0,5 % отн. |
±0,2 |
ГСО 10532-2014 (CH4/N2) |
Определяемый компонент |
Диапазон измерений объемной доли определяемого компонента |
Номинальное значение объемной доли определяемого компонента в ГС, пределы допускаемого отклонения, млн'1 |
Относительная погрешность аттестации, % |
Номер ГС по реестру ГСО или источник ГС 0 | ||
ГС№1 |
ГС №2 |
ГС№3 | ||||
Метан (СН4) |
от 95 до 100 % |
95,5 %± 0,5 % отн. |
±0,1 |
ГСО 10531- 2014 (CH4/N2) | ||
97,5 %± 0,5 % отн. |
±0,1 |
ГСО 10531- 2014 (CH4/N2) | ||||
99,5 % ± 0,07 % отн. |
±0,05 |
ГСО 10532-2014 (CH4/N2) | ||||
от 98 до 100 % |
98,5 %± 0,5 % отн. |
±0,04 |
ГСО 10530- 2014 (CH4/N2) | |||
99 %± 0,5 % отн. |
±0,04 |
ГСО 10530-2014 (CH4/N2) | ||||
99,9 %± 0,05 % отн. |
±0,02 |
ГСО 10531- 2014 (CH4/N2) | ||||
от 99 до 100% |
99,05 % ± 0,05 % отн. |
99,5 %± 0,05 % отн. |
99,9 % ± 0,05 % отн. |
±0,02 |
ГСО 10531- 2014 (CH4/N2) | |
от 99,5 до 100 % |
99,55 % ± 0,05 % отн. |
99,75 % ± 0,05 % отн. |
99,9 % ± 0,05 % отн. |
±0,008 |
ГСО 10530- 2014 (CH4/N2) | |
Этилен (С2Н4) |
от 0 до 300 млн'1 |
азот |
О.ч., сорт 1-й по ГОСТ 9293-74 | |||
150 млн'1 ± 20 % отн. |
250 млн'1 ± 20 % отн. |
±5 |
ГСО 10542-2014 (C2H4/N2) | |||
от 0 до 500 млн'1 |
азот |
О.ч., сорт 1-й по ГОСТ 9293-74 | ||||
250 млн'1 ± 20 % отн. |
410 млн'1 ± 20 % отн. |
±5 |
ГСО 10541-2014 (C2H4/N2) | |||
от 0 до 1000 млн'1 |
азот |
О.ч., сорт 1-й по ГОСТ 9293-74 | ||||
500 млн'1 ± 20 % отн. |
830 млн'1 ± 20 % отн. |
±5 |
ГСО 10541-2014 (C2H4/N2) |
Определяемый компонент |
Диапазон измерений объемной доли определяе-мого компонента |
Номинальное значение объемной доли определяемого компонента в ГС, пределы допускаемого отклонения, млн'1 |
Относительная погрешность аттестации, % |
Номер ГС по реестру ГСО или источник ГС | ||
ГС№1 |
ГС №2 |
ГС№3 | ||||
Этилен (С2Н4) |
от 0 до 0,5 % |
азот |
О.ч., сорт 1-й по ГОСТ 9293-74 | |||
0,25 % ± 7 % отн. |
0,46 % ± 7 % отн. |
±4 |
ГСО 10541-2014 (C2H4/N2) | |||
от 0 до 1,0% |
азот |
О.ч., сорт 1-й по ГОСТ 9293-74 | ||||
0,5 % ± 7 % отн. |
0,93 % ± 7 % отн. |
±4 |
ГСО 10541-2014 (C2H4/N2) | |||
от 0 до 2,0 % |
азот |
О.ч., сорт 1-й по ГОСТ 9293-74 | ||||
1,0 %± 7 % отн. |
±4 |
ГСО 10541-2014 (C2H4/N2) | ||||
1,9 % ± 7 % отн. |
±3 |
ГСО 10541-2014 (C2H4/N2) | ||||
от 0 до 5,0 % |
азот |
О.ч., сорт 1-й по ГОСТ 9293-74 | ||||
2,5 % ± 7 % отн. |
±3 |
ГСО 10541-2014 (C2H4/N2) | ||||
4,7 % ± 5 % отн. |
±1,5 |
ГСО 10540-2014 (C2H4/N2) | ||||
от 0 до 10 % |
азот |
О.ч., сорт 1-й по ГОСТ 9293-74 | ||||
5%±7% отн. |
±3 |
ГСО 10541- 2014 (C2H4/N2) | ||||
9,5 % ± 5 % отн. |
±1,5 |
ГСО 10540-2014 (C2H4/N2) |
Определяемый компонент |
Диапазон измерений объемной доли определяемого компонента |
Номинальное значение объемной доли определяемого компонента в ГС, пределы допускаемого отклонения, млн’1 |
Относительная погрешность аттестации, % |
Номер ГС по реестру ГСО или источник ГС 0 | ||
ГС№1 |
ГС №2 |
ГС№3 | ||||
Этилен (С2Н4) |
от 0 до 30 % |
азот |
О.ч., сорт 1-й по ГОСТ 9293-74 | |||
15 % ± 5 % отн. |
±2,5 |
ГСО 10541-2014 (C2H4/N2) | ||||
29 % ± 2 % отн. |
±0,8 |
ГСО 10540-2014 (C2H4/N2) | ||||
от 0 до 50 % |
азот |
О.ч., сорт 1-й по ГОСТ 9293-74 | ||||
25%±5 %отн. |
±1,5 |
ГСО 10541-2014 (C2H4/N2) | ||||
49 % ± 2 % отн. |
±0,8 |
ГСО 10540-2014 (C2H4/N2) | ||||
от 0 до 100 % |
азот |
О.ч., сорт 1-й по ГОСТ 9293-74 | ||||
50 % ± 5 % отн. |
±1,5 |
ГСО 10541-2014 (C2H4/N2) | ||||
97 %± 0,5 % отн. |
±0,2 |
ГСО 10544-2014 (C2H4/N2) | ||||
от 95 до 100 % |
95,5 % ± 0,5 % отн. |
97,5 % ± 0,5 % отн |
±0,1 |
ГСО 10543-2014 (C2H4/N2) | ||
99,5 % ± 0,07 % отн. |
±0,05 |
ГСО 10544-2014 (C2H4/N2) | ||||
от 98 до 100 % |
98,5 %± 0,5 % отн. |
99 % ± 0,5 % отн. |
±0,1 |
ГСО 10543-2014 (C2H4/N2) | ||
99,9 %± 0,05 % отн. |
±0,05 |
ГСО 10544-2014 (C2H4/N2) | ||||
от 99 до 100 % |
99,05 %± 0,05 % отн. |
99,5 % ± 0,05 % отн. |
99,9 % ± 0,05 % отн. |
±0,02 |
ГСО 10543-2014 (C2H4/N2) | |
от 99,5 до 100 % |
99,55 %± 0,05 % отн. |
99,75 %± 0,05 % отн. |
99,9 % ± 0,05 % отн. |
±0,02 |
ГСО 10543-2014 (C2H4/N2) |
Определяемый компонент |
Диапазон измерений объемной доли определяе-мого компонента |
Номинальное значение объемной доли определяемого компонента в ГС, пределы допускаемого отклонения, млн'1 |
Относительная погрешность аттестации, % |
Номер ГС по реестру ГСО или источник ГС 0 | ||
ГС№ 1 |
ГС №2 |
ГС№3 | ||||
Диоксид серы (SO2) |
от 0 до 50 млн'1 |
азот |
О.ч., сорт 1-й по ГОСТ 9293-74 | |||
25 млн'1 ± 10 % отн. |
±5 |
ГСО 10547- 2014 (SO2/N2) | ||||
45 млн'1 ± 10 % отн. |
±2,5 |
ГСО 10546- 2014 (SO2/N2) | ||||
от 0 до 250 млн'1 |
азот |
О.ч., сорт 1-й по ГОСТ 9293-74 | ||||
125 млн'1 ± 10 % отн. |
±5 |
ГСО 10547- 2014 (SO2/N2) | ||||
220 млн'1 ± 10% отн. |
±2,5 |
ГСО 10546- 2014 (SO2/N2) | ||||
от 0 до 500 млн'1 |
азот |
О.ч., сорт 1-й по ГОСТ 9293-74 | ||||
250 млн'1 ± 10 % отн. |
±5 |
ГСО 10547- 2014 (SO2/N2) | ||||
450 млн'1 ± 10% отн. |
±2,5 |
ГСО 10546- 2014 (SO2/N2) | ||||
от 0 до 1000 млн'1 |
азот |
О.ч., сорт 1-й по ГОСТ 9293-74 | ||||
500 млн'1 ± 10 % отн. |
900 млн'1 ± 10 % отн. |
±2,5 |
ГСО 10546- 2014 (SO2/N2) | |||
от 0 до 0,5 % |
азот |
О.ч., сорт 1-й по ГОСТ 9293-74 | ||||
0,25 %± 7% отн. |
±3 |
ГСО 10547- 2014 (SO2/N2) | ||||
0,47 % ± 5 % отн. |
±1,5 |
ГСО 10546- 2014 (SO2/N2) | ||||
от 0 до 1,0 % |
азот |
О.ч., сорт 1-й по ГОСТ 9293-74 | ||||
0,5 % ± 7 % отн. |
±3 |
ГСО 10547- 2014 (SO2/N2) | ||||
0,95 % ± 5 % отн. |
±1,5 |
ГСО 10546-2014 (SO2/N2) |
Определяемый компонент |
Диапазон измерений объемной доли определяемого компонента |
Номинальное значение объемной доли определяемого компонента в ГС, пределы допускаемого отклонения, млн'1 |
Относительная погрешность аттестации, % |
Номер ГС по реестру ГСО или источник ГС1} | ||
ГС№ 1 |
ГС №2 |
ГС№3 | ||||
Диоксид серы (SO2) |
от 0 до 2,0 % |
азот |
О.ч., сорт 1-й по ГОСТ 9293-74 | |||
1,0 %± 7 % отн. |
±3 |
ГСО 10547- 2014 (SO2/N2) | ||||
1,9 %± 5 % отн. |
±1 |
ГСО 10546-го 14 (SO2/N2) | ||||
от 0 до 5,0 % |
азот |
О.ч., сорт 1-й по ГОСТ 9293-74 | ||||
2,5 % ± 7 % отн. |
±2,5 |
ГСО 10547- 2014 (SO2/N2) | ||||
4,7 %± 5 % отн. |
±1 |
ГСО 10546- 2014 (SO2/N2) | ||||
от 0 до 10 % |
азот |
О.ч., сорт 1-й по ГОСТ 9293-74 | ||||
5%±7% отн. |
±2,5 |
ГСО 10547-2014 (SO2/N2) | ||||
9,5 %± 5 % отн. |
±1 |
ГСО 10546-2014 (SO2/N2) | ||||
от 0 до 30 % |
азот |
О.ч., сорт 1-й по ГОСТ 9293-74 | ||||
15 %± 3 % отн. |
±0,6 |
ГСО 10546- 2014 (SO2/N2) | ||||
29 % ± 3 % отн. |
±0,4 |
ГСО 10546-2014 (SO2/N2) | ||||
от 0 до 50 % |
азот |
О.ч., сорт 1-й по ГОСТ 9293-74 | ||||
25 % ± 3 % отн. |
±0,4 |
ГСО 10546- 2014 (SO2/N2) | ||||
48 % ± 3 % отн. |
±0,2 |
ГСО 10546-го 14 (SO2/N2) | ||||
от 0 до 100 % |
азот |
О.ч., сорт 1-й по ГОСТ 9293-74 | ||||
50 % ± 3 % отн. |
±0,4 |
ГСО 10546-гО 14 (SO2/N2) | ||||
97 % ± 0,5 % отн. |
±0,2 |
ГСО 10547- 2014 (SO2/N2) |
Определяемый компонент |
Диапазон измерений объемной доли определяе-мого компонента |
Номинальное значение объемной доли определяемого компонента в ГС, пределы допускаемого отклонения, млн’1 |
Относительная погрешность аттестации, % |
Номер ГС по реестру ГСО или источник ГС 0 | ||
ГС№ 1 |
ГС №2 |
ГС№3 | ||||
Диоксид серы (SO2) |
от 95 до 100 % |
95,5 %± 0,5 % отн. |
97,5 %± 0,5 % отн. |
±0,1 |
ГСО 10546- 2014 (SO2/N2) | |
99,5 % ± 0,07 % отн. |
±0,05 |
ГСО 10547- 2014 (SO2/N2) | ||||
от 98 до 100% |
98,5 %± 0,5 % отн. |
99 %± 0,5 % отн. |
±0,04 |
ГСО 10545- 2014 (SO2/N2) | ||
99,9 % ± 0,07 % отн. |
±0,02 |
ГСО 10546-гО 14 (SO2/N2) | ||||
от 99 до 100 % |
99,1 %± 0,07 % отн. |
99,5 % ± 0,07 % отн. |
99,9 % ± 0,07 % отн. |
±0,02 |
ГСО 10546- 2014 (SO2/N2) | |
от 99,5 до 100 % |
99,1 %± 0,07 % отн. |
99,5 %± 0,07 % отн. |
99,9 % ± 0,07 % отн. |
±0,02 |
ГСО 10546- 2014 (SO2/N2) | |
Оксид азота (NO) |
от Одо 100 млн’1 |
азот |
О.ч., сорт 1-й по ГОСТ 9293-74 | |||
50 млн’1 ± 10 % отн. |
±5 |
ГСО 10547- 2014 (NO/N2) | ||||
90 млн’1 ± 10 % отн. |
±2,5 |
ГСО 10546- 2014 (NO/N2) | ||||
от 0 до 250 млн'1 |
азот |
О.ч., сорт 1-й по ГОСТ 9293-74 | ||||
125 млн’1 ± 10% отн. |
±5 |
ГСО 10547- 2014 (NO/N2) | ||||
220 млн'1 ± 10 % отн. |
±2,5 |
ГСО 10546-2014 (NO/N2) | ||||
от 0 до 500 млн’1 |
азот |
О.ч., сорт 1-й по ГОСТ 9293-74 | ||||
250 млн’1 ± 10 % отн. |
±5 |
ГСО 10547- 2014 (NO/N2) | ||||
450 млн’1 ± 10 % отн. |
±2,5 |
ГСО 10546-го 14 (NO/N2) |
Определяемый компонент |
Диапазон измерений объемной доли определяе-мого компонента |
Номинальное значение объемной доли определяемого компонента в ГС, пределы допускаемого отклонения, млн'1 |
Относительная погрешность аттестации, % |
Номер ГС по реестру ГСО или источник ГС 1) | ||
ГС№ 1 |
ГС №2 |
ГС№3 | ||||
Оксид азота (NO) |
от 0 до 1000 млн'1 |
азот |
О.ч., сорт 1-й по ГОСТ 9293-74 | |||
500 млн'1 ± 10 % отн. |
±5 |
ГСО 10547- 2014 (NO/Ni) | ||||
900 млн'1 ± 10 % отн. |
±2,5 |
ГСО 10546- 2014 (NO/Ni) | ||||
от 0 до 0,5 % |
азот |
О.ч., сорт 1-й по ГОСТ 9293-74 | ||||
0,25 % ± 7 % отн. |
0,46 % ± 5 % отн. |
±3 |
ГСО 10547- 2014 (NO/Nz) | |||
от 0 до 1,0 % |
азот |
О.ч., сорт 1-й по ГОСТ 9293-74 | ||||
0,5 %± 7 % отн. |
±3 |
ГСО 10547- 2014 (NO/N2) | ||||
0,95 %± 5 % отн. |
±1,5 |
ГСО 10546- 2014 (NO/Nz) | ||||
от 0 до 2,0 % |
азот |
О.ч., сорт 1-й по ГОСТ 9293-74 | ||||
1,0 %± 7 % отн. |
±3 |
ГСО 10547-2014 (NO/N2) | ||||
1,9 %± 5 % отн. |
±1 |
ГСО 10546- 2014 (NO/N2) | ||||
от 0 до 3,0 % |
азот |
О.ч., сорт 1-й по ГОСТ 9293-74 | ||||
1,5 %± 7 %отн. |
±2,5 |
ГСО 10547- 2014 (NO/N2) | ||||
2,8 %± 5 % отн. |
±1 |
ГСО 10546-2014 (NO/N2) | ||||
Оксид диазота (N2O) |
от 0 до 50 млн'1 |
азот |
В.ч. по ТУ 2114-004-05798345-2009 | |||
25 млн'1 ± 10 % отн. |
45 млн'1 ± 10 % отн. |
±5 |
ГСО 10532-2014 (N2O/N2) | |||
от 0 до 250 млн'1 |
азот |
О.ч., сорт 1-й по ГОСТ 9293-74 | ||||
125 млн'1 ± 10% отн. |
225 млн'1 ± 10 % отн. |
±5 |
ГСО 10532- 2014 (N2O/N2) |
Определяемый компонент |
Диапазон измерений объемной доли определяемого компонента |
Номинальное значение объемной доли определяемого компонента в ГС, пределы допускаемого отклонения, млн'1 |
Относительная погрешность аттестации, % |
Номер ГС по реестру ГСО или источник ГС1} | ||
ГС№1 |
ГС №2 |
ГС№3 | ||||
Оксид диазота (N2O) |
от 0 до 500 млн'1 |
азот |
О.ч., сорт 1-й по ГОСТ 9293-74 | |||
250 млн'1 ± 10 % отн. |
450 млн'1 ± 10% отн. |
±5 |
ГСО 10532-2014 (N2O/N2) | |||
от 0 до 1000 млн'1 |
азот |
О.ч., сорт 1-й по ГОСТ 9293-74 | ||||
500 млн'1 ± 10 % отн. |
900 млн'1 ± 10 % отн. |
±5 |
ГСО 10532- 2014 (N2O/N2) | |||
от 0 до 0,5 % |
азот |
О.ч., сорт 1-й по ГОСТ 9293-74 | ||||
0,25 %± 7 % отн. |
0,46 % ± 7 % отн. |
±3 |
ГСО 10532-2014 (N2O/N2) | |||
от 0 до 1,0% |
азот |
О.ч., сорт 1-й по ГОСТ 9293-74 | ||||
0,5 %± 7 % отн. |
0,93 % ± 7 % отн. |
±3 |
ГСО 10532- 2014 (N2O/N2) | |||
от 0 до 2,0 % |
азот |
О.ч., сорт 1-й по ГОСТ 9293-74 | ||||
1 % ± 7 % отн. |
±3 |
ГСО 10532- 2014 (N2O/N2) | ||||
1,86 %± 7 % отн. |
±2,5 |
ГСО 10532-2014 (N2O/N2) | ||||
от 0 до 5,0 % |
азот |
О.ч., сорт 1-й по ГОСТ 9293-74 | ||||
2,5 %± 7 % отн. |
4,6 % ± 7 % отн. |
±2,5 |
ГСО 10532-2014 (N2O/N2) | |||
от 0 до 10 % |
азот |
О.ч., сорт 1-й по ГОСТ 9293-74 | ||||
5 % ± 7 % отн. |
±2,5 |
ГСО 10532- 2014 (N2O/N2) | ||||
9,5 % ± 5 % отн. |
±1 |
ГСО 10531- 2014 (N2O/N2) |
Определяемый компонент |
Диапазон измерений объемной доли определяе-мого компонента |
Номинальное значение объемной доли определяемого компонента в ГС, пределы допускаемого отклонения, млн’1 |
Относительная погрешность аттестации, % |
Номер ГС по реестру ГСО или источник ГС 0 | ||
ГС№ 1 |
ГС №2 |
ГС№3 | ||||
Оксид диазота (N2O) |
от 0 до 30 % |
азот |
О.ч., сорт 1-й по ГОСТ 9293-74 | |||
15%±5 % отн. |
±2 |
ГСО 10532-2014 (N2O/N2) | ||||
28 % ± 5 % отн. |
±1 |
ГСО 10532-2014 (N2O/N2) | ||||
от 0 до 50 % |
азот |
О.ч., сорт 1-й по ГОСТ 9293-74 | ||||
25%±5 % отн. |
±1 |
ГСО 10532-2014 (N2O/N2) | ||||
48%±3 % отн. |
±0,2 |
ГСО 10531- 2014 (N2O/N2) | ||||
от 0 до 100 % |
азот |
О.ч., сорт 1-й по ГОСТ 9293-74 | ||||
50 % ± 3 %отн. |
±0,4 |
ГСО 10531- 2014 (N2O/N2) | ||||
99 %± 0,5 % отн. |
±0,2 |
ГСО 10532- 2014 (N2O/N2) | ||||
от 95 до 100 % |
95,5 %± 0,5 % отн. |
±0,1 |
ГСО 10531- 2014 (N2O/N2) | |||
97,5 %± 0,5 % отн. |
±0,1 |
ГСО 10531- 2014 (N2O/N2) | ||||
99,5 % ± 0,07 % отн. |
±0,05 |
ГСО 10532- 2014 (N2O/N2) | ||||
от 98 до 100 % |
98,5 %± 0,5 % отн. |
99 %± 0,5 % отн |
±0,1 |
ГСО 10531- 2014 (N2O/N2) | ||
99,9 % ± 0,07 % отн. |
±0,05 |
ГСО 10532- 2014 (N2O/N2) | ||||
от 99 до 100 % |
99,05 %± 0,05 % отн. |
99,5 %± 0,05 % отн. |
99,9 % ± 0,05 % отн. |
±0,02 |
ГСО 10531- 2014 (N2O/N2) | |
от 99,5 до 100 % |
99,55 % ± 0,05 % отн. |
99,75 %± 0,05 % отн. |
99,9 %± 0,05 % отн. |
±0,02 |
ГСО 10531- 2014 (N2O/N2) | |
Аммиак (NH3) |
от 0 до 100 млн’1 |
азот |
О.ч., сорт 1-й по ГОСТ 9293-74 | |||
50 млн’1 ± 10 % отн. |
±5 |
ГСО 10547- 2014 (NH3/N2) | ||||
90 млн’1 ± 10 % отн. |
±2,5 |
ГСО 10546- 2014 (NH3/N2) |
Определяемый компонент |
Диапазон измерений объемной доли определяе-мого компонента |
Номинальное значение объемной доли определяемого компонента в ГС, пределы допускаемого отклонения, млн'1 |
Относительная погрешность аттестации, % |
Номер ГС по реестру ГСО или источник ГС 0 | ||
ГС№ 1 |
ГС №2 |
ГС№3 | ||||
Аммиак (NH3) |
от 0 до 250 млн'1 |
азот |
О.ч., сорт 1-й по ГОСТ 9293-74 | |||
125 млн'1 ± 10 % отн. |
±5 |
ГСО 10547-2014 (NH3/N2) | ||||
220 млн'1 ± 10% отн. |
±2,5 |
ГСО 10546-2014 (NH3/N2) | ||||
от 0 до 500 млн'1 |
азот |
О.ч., сорт 1-й по ГОСТ 9293-74 | ||||
250 млн'1 ± 10 % отн. |
±5 |
ГСО 10547- 2014 (NH3/N2) | ||||
450 млн'1 ± 10% отн. |
±2,5 |
ГСО 10546- 2014 (NH3/N2) | ||||
от 0 до 1000 млн'1 |
азот |
О.ч., сорт 1-й по ГОСТ 9293-74 | ||||
500 млн'1 ± 10 % отн. |
±5 |
ГСО 10547-2014 (NH3/N2) | ||||
900 млн'1 ± 10% отн. |
±2,5 |
ГСО 10546- 2014 (NH3/N2) | ||||
от 0 до 0,5 % |
азот |
О.ч., сорт 1-й по ГОСТ 9293-74 | ||||
0,25 % ± 7 % отн. |
0,46 % ± 5 % отн. |
±3 |
ГСО 10547- 2014 (NH3/N2) | |||
от 0 до 1,0 % |
азот |
О.ч., сорт 1-й по ГОСТ 9293-74 | ||||
0,5 % ± 7 % отн. |
±3 |
ГСО 10547-2014 (NH3/N2) | ||||
0,95 % ± 5 % отн. |
±1,5 |
ГСО 10546- 2014 (NH3/N2) | ||||
от 0 до 2,0 % |
азот |
О.ч., сорт 1-й по ГОСТ 9293-74 | ||||
1,0 %± 7 % отн. |
±3 |
ГСО 10547- 2014 (NH3/N2) | ||||
1,9 %± 5 % отн. |
±1 |
ГСО 10546- 2014 (NH3/N2) |
Определяемый компонент |
Диапазон измерений объемной доли определяемого компонента |
Номинальное значение объемной доли определяемого компонента в ГС, пределы допускаемого отклонения, млн1 |
Относительная погрешность аттестации, % |
Номер ГС по реестру ГСО или источник ГС 0 | ||
ГС№1 |
ГС №2 |
ГС№3 | ||||
Аммиак (NH3) |
от 0 до 5,0 % |
азот |
О.ч., сорт 1-й по ГОСТ 9293-74 | |||
2,5 % ± 7 % отн. |
4.6 % ± 7 % отн. |
±2,5 |
ГСО 10547- 2014 (NH3/N2) | |||
от 0 до 10 % |
азот |
О.ч., сорт 1-й по ГОСТ 9293-74 | ||||
5%±7% отн. |
±2,5 |
ГСО 10547-2014 (NH3/N2) | ||||
9,5 % ± 5 % отн. |
±1 |
ГСО 10546- 2014 (NH3/N2) | ||||
от 0 до 30 % |
азот |
О.ч., сорт 1-й по ГОСТ 9293-74 | ||||
15 % ± 5 % отн. |
±2 |
ГСО 10547-2014 (NH3/N2) | ||||
28%±5 % отн. |
±1 |
ГСО 10547- 2014 (NH3/N2) | ||||
от 0 до 50 % |
азот |
О.ч., сорт 1-й по ГОСТ 9293-74 | ||||
25%±3 % отн. |
±0,4 |
ГСО 10546- 2014 (NH3/N2) | ||||
48 % ± 3 % отн. |
±0,2 |
ГСО 10546-2014 (NH3/N2) | ||||
от 0 до 100 % |
азот |
О.ч., сорт 1-й по ГОСТ 9293-74 | ||||
50 % ± 3 % отн. |
±0,4 |
ГСО 10546- 2014 (NH3/N2) | ||||
97 %± 0,5 % отн. |
±0,2 |
ГСО 10547- 2014 (NH3/N2) | ||||
от 95 до 100 % |
95,5 % ± 0,5 % отн. |
97,5 %± 0,5 % отн. |
±0,1 |
ГСО 10546-2014 (NH3/N2) | ||
99,5 % ± 0,07 % отн. |
±0,05 |
ГСО 10547-2014 (NH3/N2) | ||||
от 98 до 100 % |
98,5 %± 0,5 % отн. |
99 % ± 0,5 % отн. |
±0,1 |
ГСО 10546-2014 (NH3/N2) | ||
99,9 %± 0,07 % отн. |
±0,05 |
ГСО 10547-2014 (NH3/N2) |
Определяемый компонент |
Диапазон измерений объемной доли определяе-мого компонента |
Номинальное значение объемной доли определяемого компонента в ГС, пределы допускаемого отклонения, млн'1 |
Относительная погрешность аттестации, % |
Номер ГС по реестру ГСО или источник ГС ’> | ||
ГС№1 |
ГС №2 |
ГС№3 | ||||
Аммиак (NH3) |
от 99 до 100 % |
99,1 %± 0,07 % отн. |
99,5 %± 0,07 % отн. |
99,9 % ± 0,07 % отн. |
±0,02 |
ГСО 10546- 2014 (NH3/N2) |
от 99,5 до 100 % |
99,1 %± 0,07 % отн. |
99,5 % ± 0,07 % отн. |
99,9 % ± 0,07 % отн. |
±0,02 |
ГСО 10546- 2014 (NH3/N2) | |
Примечания:
|
Таблица А.З - Характеристики ГС, используемых для поверки газоанализатора с аналитическим модулем CALOMAT 7
Определяемый компонент
Водород (Ог) в азоте (N2)
Диапазон измерений объемной доли определяе-мого компонента, % |
Номинальное значение объемной доли определяемого компонента в ГС, пределы допускаемого отклонения, млн'1 |
Относительная погрешность аттестации, % |
Номер ГС по реестру ГСО или источник ГС 0 | ||
ГС№1 |
ГС №2 |
ГС№3 | |||
от 0 до 0,5 |
азот |
О.ч., сорт 1-й по ГОСТ 9293-74 | |||
0,25 % ± 7 % отн. |
0,46 % ± 7 % отн. |
±3 |
ГСО 10532- 2014 (H2/N2) | ||
от 0 до 1,0 |
азот |
О.ч., сорт 1-й по ГОСТ 9293-74 | |||
0,5 %± 7 % отн. |
±3 |
ГСО 10532- 2014 (H2/N2) | |||
0,85 % ± 5 % отн. |
±1,5 |
ГСО 10531- 2014 (H2/N2) | |||
от 0 до 2,0 |
азот |
О.ч., сорт 1-й по ГОСТ 9293-74 | |||
1,0% ±7 % отн. |
±3 |
ГСО 10532-2014 (H2/N2) | |||
1,9 %± 5 % отн. |
±1 |
ГСО 10531- 2014 (H2/N2) |
Определяемый компонент |
Диапазон измерений объемной доли определяемого компонента, % |
Номинальное значение объемной доли определяемого компонента в ГС, пределы допускаемого отклонения, млн'1 |
Относительная погрешность аттестации, % |
Номер ГС по реестру ГСО или источник ГС 1} | ||
ГС№ 1 |
ГС №2 |
ГС№3 | ||||
Водород (Ог) в азоте (N2) |
от 0 до 5,0 |
азот |
О.ч., сорт 1-й по ГОСТ 9293-74 | |||
2,5 %± 7 %отн. |
±2,5 |
ГСО 10532- 2014 (H2/N2) | ||||
4,7 % ± 5 % отн. |
±1 |
ГСО 10531- 2014 (H2/N2) | ||||
от 0 до 10 |
азот |
О.ч., сорт 1-й по ГОСТ 9293-74 | ||||
5%±5% отн. |
±2,5 |
ГСО 10532- 2014 (H2/N2) | ||||
9,5 %± 5 % отн. |
±1 |
ГСО 10531- 2014 (H2/N2) | ||||
от 0 до 30 |
азот |
О.ч., сорт 1-й по ГОСТ 9293-74 | ||||
15 %± 3 % отн. |
±0,6 |
ГСО 10531- 2014 (H2/N2) | ||||
29%±3 % отн. |
±0,4 |
ГСО 10531- 2014 (H2/N2) | ||||
от 0 до 50 |
азот |
О.ч., сорт 1-й по ГОСТ 9293-74 | ||||
25 % ± 3 % отн. |
±0,4 |
ГСО 10531- 2014 (H2/N2) | ||||
48%±3 % отн. |
±0,4 |
ГСО 10531- 2014 (H2/N2) | ||||
от 0 до 100 |
азот |
О.ч., сорт 1-й по ГОСТ 9293-74 | ||||
50 % ± 3 % отн. |
±0,4 |
ГСО 10531- 2014 (H2/N2) | ||||
97 % ± 0,5 % отн. |
±0,2 |
ГСО 10532- 2014 (H2/N2) | ||||
от 95 до 100 |
95,5 % ± 0,5 % отн. |
±0,1 |
ГСО 10531- 2014 (H2/N2) | |||
97,5 %± 0,5 % отн. |
±0,1 |
ГСО 10531- 2014 (H2/N2) | ||||
99,5 %± 0,07 % отн. |
±0,05 |
ГСО 10532- 2014 (H2/N2) | ||||
от 99 до 100 |
99,1 %± 0,05 % отн. |
99,5 % ± 0,05 % отн. |
99,9 % ± 0,05 % отн. |
±0,02 |
ГСО 10531- 2014 (H2/N2) |
Определяемый компонент |
Диапазон измерений объемной доли определяемого компонента, % |
Номинальное значение объемной доли определяемого компонента в ГС, пределы допускаемого отклонения, млн’1 |
Относительная погрешность аттестации, % |
Номер ГС по реестру ГСО или источник ГС 0 | ||
ГС№1 |
ГС №2 |
ГС№3 | ||||
Водород (Ог) в азоте (N2) |
от 99,5 до 100 |
99,5 % ± 0,05 % отн. |
99,7 % ± 0,05 % отн. |
99,9 % ± 0,05 % отн. |
±0,02 |
ГСО 10531- 2014 (H2/N2) |
Водород (Ог) в аргоне (Аг) |
от 0 до 0,5 |
аргон |
В.ч. по ТУ 2114-005-05798345-2009 | |||
0,25 % ± 7 % отн. |
0,46 % ± 7 % отн. |
±3 |
ГСО 10532-2014 (Нг/Аг) | |||
от 0 до 1,0 |
аргон |
В.ч. по ТУ 2114-005-05798345-2009 | ||||
0,5 %± 7 % отн. |
±3 |
ГСО 10532- 2014 (Нг/Аг) | ||||
0,95 % ± 5 % отн. |
±1,5 |
ГСО 10531- 2014 (Нг/Аг) | ||||
от 0 до 2,0 |
аргон |
В.ч. по ТУ 2114-005-05798345-2009 | ||||
1,0% ±7 % отн. |
±3 |
ГСО 10532- 2014 (Нг/Аг) | ||||
1,9 %± 5 % отн. |
±1 |
ГСО 10531- 2014 (Нг/Аг) | ||||
от 0 до 5,0 |
аргон |
В.ч. по ТУ 2114-005-05798345-2009 | ||||
2,5 %± 7 % отн. |
±2,5 |
ГСО 10532- 2014 (Нг/Аг) | ||||
4,7 %± 5 % отн. |
±1 |
ГСО 10531- 2014 (Нг/Аг) | ||||
от 0 до 10 |
аргон |
В.ч. по ТУ 2114-005-05798345-2009 | ||||
5%±5% отн. |
±2,5 |
ГСО 10532- 2014 (Нг/Аг) | ||||
9,5 %± 5 % отн. |
±1 |
ГСО 10531- 2014 (Нг/Аг) |
Определяемый компонент |
Диапазон измерений объемной доли определяемого компонента, % |
Номинальное значение объемной доли определяемого компонента в ГС, пределы допускаемого отклонения, млн'1 |
Относительная погрешность аттестации, % |
Номер ГС по реестру ГСО или источник ГС 0 | ||
ГС№ 1 |
ГС №2 |
ГС№3 | ||||
Водород (Ог) в аргоне (Аг) |
от 0 до 30 |
аргон |
В.ч. по ТУ 2114-005-05798345-2009 | |||
15 %± 3 % отн. |
±0,6 |
ГСО 10531-2014 (Нг/Аг) | ||||
29 % ± 3 % отн. |
±0,4 |
ГСО 10531-2014 (Нг/Аг) | ||||
от 0 до 50 |
аргон |
В.ч. по ТУ 2114-005-05798345-2009 | ||||
25 % ± 3 % отн. |
±0,4 |
ГСО 10531- 2014 (Нг/Аг) | ||||
48%±3 % отн. |
±0,4 |
ГСО 10531- 2014 (Нг/Аг) | ||||
от 0 до 100 |
аргон |
В.ч. по ТУ 2114-005-05798345-2009 | ||||
50 % ± 3 % отн. |
±0,4 |
ГСО 10531-2014 (Нг/Аг) | ||||
97 % ± 0,5 % отн. |
±0,2 |
ГСО 10532- 2014 (Нг/Аг) | ||||
от 95 до 100 |
95,5 %± 0,5 % отн. |
±0,1 |
ГСО 10531- 2014 (Нг/Аг) | |||
97,5 %± 0,5 % отн. |
±0,1 |
ГСО 10531- 2014 (Нг/Аг) | ||||
99,5 % ± 0,07 % отн. |
±0,05 |
ГСО 10532- 2014 (Нг/Аг) | ||||
от 99 до 100 |
99,1 %± 0,05 % отн. |
99,5 % ± 0,05 % отн. |
99,9 % ± 0,05 % отн. |
±0,02 |
ГСО 10531- 2014 (Нг/Аг) | |
от 99,5 до 100 |
99,5 %± 0,05 % отн. |
99,7 % ± 0,05 % отн. |
99,9 % ± 0,05 % отн. |
±0,02 |
ГСО 10531- 2014 (Нг/Аг) | |
Гелий (Не) в азоте (N2) |
от 0 до 1,0 |
азот |
О.ч., сорт 1-й по ГОСТ 9293-74 | |||
0,5 %± 7 % отн. |
±3 |
ГСО 10532- 2014 (He/Nz) | ||||
0,95 % ± 5 % отн. |
±1,5 |
ГСО 10531- 2014 (He/Nz) |
Определяемый компонент |
Диапазон измерений объемной доли определяемого компонента, % |
Номинальное значение объемной доли определяемого компонента в ГС, пределы допускаемого отклонения, млн'1 |
Относительная погрешность аттестации, % |
Номер ГС по реестру ГСО или источник ГС 0 | ||
ГС№ 1 |
ГС №2 |
ГС№3 | ||||
Гелий (Не) в азоте (N2) |
от 0 до 2,0 |
азот |
О.ч., сорт 1-й по ГОСТ 9293-74 | |||
1,0 % ± 7 % отн. |
±3 |
ГСО 10532- 2014 (He/N2) | ||||
1,9% ±5 % отн. |
±1 |
ГСО 10531- 2014 (He/N2) | ||||
от 0 до 5,0 |
азот |
О.ч., сорт 1-й по ГОСТ 9293-74 | ||||
2,5 %± 7 %отн. |
±2,5 |
ГСО 10532- 2014 (He/N2) | ||||
4,7 % ± 5 % отн. |
±1 |
ГСО 10531- 2014 (He/N2) | ||||
от 0 до 10 |
азот |
О.ч., сорт 1-й по ГОСТ 9293-74 | ||||
5%±5% отн. |
±2,5 |
ГСО 10532- 2014 (He/N2) | ||||
9,5 %± 5 % отн. |
±1 |
ГСО 10531- 2014 (He/N2) | ||||
от 0 до 30 |
азот |
О.ч., сорт 1-й по ГОСТ 9293-74 | ||||
15%±3 %отн. |
±0,6 |
ГСО 10531- 2014 (He/N2) | ||||
29%±3 % отн. |
±0,4 |
ГСО 10531- 2014 (He/N2) | ||||
от 0 до 50 |
азот |
О.ч., сорт 1-й по ГОСТ 9293-74 | ||||
25 % ± 3 % отн. |
±0,4 |
ГСО 10531- 2014 (He/N2) | ||||
48 % ± 3 % отн. |
±0,4 |
ГСО 10531- 2014 (He/N2) | ||||
от 0 до 100 |
азот |
О.ч., сорт 1-й по ГОСТ 9293-74 | ||||
50 % ± 3 % отн. |
±0,4 |
ГСО 10531- 2014 (He/N2) | ||||
97 % ± 0,5 % отн. |
±0,2 |
ГСО 10532- 2014 (He/N2) |
Определяемый компонент |
Диапазон измерений объемной доли определяемого компонента, % |
Номинальное значение объемной доли определяемого компонента в ГС, пределы допускаемого отклонения, млн'1 |
Относительная погрешность аттестации, % |
Номер ГС по реестру ГСО или источник ГС | ||
ГС№1 |
ГС №2 |
ГС№3 | ||||
Гелий (Не) в азоте (N2) |
от 95 до 100 |
95,5 %± 0,5 % отн. |
±0,1 |
ГСО 10531-2014 (He/N2) | ||
97,5 %± 0,5 % отн. |
±0,1 |
ГСО 10531-2014 (He/N2) | ||||
99,5 % ± 0,07 % отн. |
±0,05 |
ГСО 10532- 2014 (He/N2) | ||||
от 99 до 100 |
99,1 %± 0,05 % отн. |
99,5 %± 0,05 % отн. |
99,9 % ± 0,05 % отн. |
±0,02 |
ГСО 10531-2014 (He/N2) | |
Гелий (Не) в аргоне (Аг) |
от 0 до 1,0 |
аргон |
В.ч. по ТУ 2114-005-05798345-2009 | |||
0,5 % ± 7 % отн. |
±3 |
ГСО 10532-2014 (Не/Аг) | ||||
0,95 % ± 5 % отн. |
±1,5 |
ГСО 10531-2014 (Не/Аг) | ||||
от 0 до 2,0 |
аргон |
В.ч. по ТУ 2114-005-05798345-2009 | ||||
1,0 %± 7 % отн. |
±3 |
ГСО 10532- 2014 (Не/Аг) | ||||
1,9 %± 5 % отн. |
±1 |
ГСО 10531- 2014 (Не/Аг) | ||||
от 0 до 5,0 |
аргон |
В.ч. по ТУ 2114-005-05798345-2009 | ||||
2,5 %±7 % отн. |
±2,5 |
ГСО 10532- 2014 (Не/Аг) | ||||
4,7 %± 5 % отн. |
±1 |
ГСО 10531- 2014 (Не/Аг) | ||||
от 0 до 10 |
аргон |
В.ч. по ТУ 2114-005-05798345-2009 | ||||
5%±5% отн. |
±2,5 |
ГСО 10532- 2014 (Не/Аг) | ||||
9,5 % ± 5 % отн. |
±1 |
ГСО 10531- 2014 (Не/Аг) |
Определяемый компонент |
Диапазон измерений объемной доли определяемого компонента, % |
Номинальное значение объемной доли определяемого компонента в ГС, пределы допускаемого отклонения, млн’1 |
Относительная погрешность аттестации, % |
Номер ГС по реестру ГСО или источник ГС ’> | ||
ГС№ 1 |
ГС №2 |
ГС№3 | ||||
Гелий (Не) в аргоне (Аг) |
от 0 до 30 |
аргон |
В.ч. по ТУ 2114-005-05798345-2009 | |||
15 %± 3 % отн. |
±0,6 |
ГСО 10531- 2014 (Не/Аг) | ||||
29 % ± 3 % отн. |
±0,4 |
ГСО 10531- 2014 (Не/Аг) | ||||
от 0 до 50 |
аргон |
В.ч. по ТУ 2114-005-05798345-2009 | ||||
25%±3 % отн. |
±0,4 |
ГСО 10531- 2014 (Не/Аг) | ||||
48%±3 % отн. |
±0,4 |
ГСО 10531-2014 (Не/Аг) | ||||
от 0 до 100 |
аргон |
В.ч. по ТУ 2114-005-05798345-2009 | ||||
50%±3 % отн. |
±0,4 |
ГСО 10531- 2014 (Не/Аг) | ||||
97 %± 0,5 % отн. |
±0,2 |
ГСО 10532- 2014 (Не/Аг) | ||||
от 95 до 100 |
95,5 % ± 0,5 % отн. |
±0,1 |
ГСО 10531- 2014 (Не/Аг) | |||
97,5 % ± 0,5 % отн. |
±0,1 |
ГСО 10531- 2014 (Не/Аг) | ||||
99,5 % ± 0,07 % отн. |
±0,05 |
ГСО 10532- 2014 (Не/Аг) | ||||
от 99 до 100 |
99,1 %± 0,05 % отн. |
99,5 %± 0,05 % отн. |
99,9 %± 0,05 % отн. |
±0,02 |
ГСО 10531- 2014 (Не/Аг) | |
Гелий (Не) в водороде (Н2) |
от 0 до 1,0 |
водород |
1 сорт по ГОСТР 51673-2000 | |||
0,5 % ± 7 % отн. |
±3 |
ГСО 10532-2014 (Не/Н2) | ||||
0,95 % ± 5 % отн. |
±1,5 |
ГСО 10531-2014 (Не/Н2) |
Определяемый компонент |
Диапазон измерений объемной доли определяемого компонента, % |
Номинальное значение объемной доли определяемого компонента в ГС, пределы допускаемого отклонения, млн'1 |
Относительная погрешность аттестации, % |
Номер ГС по реестру ГСО или источник ГС | ||
ГС№ 1 |
ГС №2 |
ГС№3 | ||||
Гелий (Не) в водороде (Н2) |
от 0 до 2,0 |
водород |
1 сорт по ГОСТР 51673-2000 | |||
1,0 %± 7 % отн. |
±3 |
ГСО 10532- 2014 (Не/Н2) | ||||
1,9 %± 5 % отн. |
±1 |
ГСО 10531-2014 (Не/Н2) | ||||
от 0 до 5,0 |
водород |
1 сорт по ГОСТР 51673-2000 | ||||
2,5 % ± 7 % отн. |
±2,5 |
ГСО 10532-2014 (Не/Н2) | ||||
4,7 % ± 5 % отн. |
±1 |
ГСО 10531- 2014 (Не/Н2) | ||||
от 0 до 10 |
водород |
1 сорт по ГОСТР 51673-2000 | ||||
5%±5% отн. |
±2,5 |
ГСО 10532-2014 (Не/Н2) | ||||
9,5 % ± 5 % отн. |
±1 |
ГСО 10531-2014 (Не/Н2) | ||||
от 0 до 30 |
водород |
1 сорт по ГОСТР 51673-2000 | ||||
15 %± 3 % отн. |
±0,6 |
ГСО 10531-2014 (Не/Н2) | ||||
29%±3 % отн. |
±0,4 |
ГСО 10531- 2014 (Не/Н2) | ||||
от 0 до 50 |
водород |
1 сорт по ГОСТР 51673-2000 | ||||
25 % ± 3 % отн. |
±0,4 |
ГСО 10531-2014 (Не/Н2) | ||||
48 % ± 3 % отн. |
±0,4 |
ГСО 10531- 2014 (Не/Н2) | ||||
от 0 до 100 |
водород |
1 сорт по ГОСТР 51673-2000 | ||||
50 % ± 3 % отн. |
±0,4 |
ГСО 10531-2014 (Не/Н2) | ||||
97 % ± 0,5 % отн. |
±0,2 |
ГСО 10532-2014 (Не/Н2) |
Определяемый компонент |
Диапазон измерений объемной доли определяемого компонента, % |
Номинальное значение объемной доли определяемого компонента в ГС, пределы допускаемого отклонения, млн’1 |
Относительная погрешность аттестации, % |
Номер ГС по реестру ГСО или источник ГС 0 | ||
ГС№ 1 |
ГС №2 |
ГС№3 | ||||
Гелий (Не) в водороде (Н2) |
от 95 до 100 |
95,5 %± 0,5 % отн. |
±0,1 |
ГСО 10531-2014 (Не/Н2) | ||
97,5 %± 0,5 % отн. |
±0,1 |
ГСО 10531- 2014 (Не/Н2) | ||||
99,5 % ± 0,07 % отн. |
±0,05 |
ГСО 10532-2014 (Не/Н2) | ||||
от 99 до 100 |
99,1 %± 0,05 % отн. |
99,5 % ± 0,05 % отн. |
99,9 % ± 0,05 % отн. |
±0,02 |
ГСО 10531- 2014 (Не/Н2) | |
Аргон (Аг) в азоте (N2) |
от 0 до 5,0 |
азот |
О.ч., сорт 1-й по ГОСТ 9293-74 | |||
2,5 % ± 7 % отн. |
±2,5 |
ГСО 10532- 2014 (Ar/N2) | ||||
4,7 % ± 5 % отн. |
±1 |
ГСО 10531-2014 (Ar/N2) | ||||
от 0 до 10 |
азот |
О.ч., сорт 1-й по ГОСТ 9293-74 | ||||
5%±5% отн. |
±2,5 |
ГСО 10532- 2014 (Ar/N2) | ||||
9,5 % ± 5 % отн. |
±1 |
ГСО 10531- 2014 (Ar/N2) | ||||
от 0 до 30 |
азот |
О.ч., сорт 1-й по ГОСТ 9293-74 | ||||
15 %± 3 % отн. |
±0,6 |
ГСО 10531- 2014 (Ar/N2) | ||||
29%±3 % отн. |
±0,4 |
ГСО 10531- 2014 (Ar/N2) | ||||
от 0 до 50 |
азот |
О.ч., сорт 1-й по ГОСТ 9293-74 | ||||
25 % ± 3 % отн. |
±0,4 |
ГСО 10531-2014 (Ar/N2) | ||||
48 % ± 3 % отн. |
±0,4 |
ГСО 10531- 2014 (Ar/N2) | ||||
от 0 до 100 |
азот |
О.ч., сорт 1-й по ГОСТ 9293-74 | ||||
50%±3 % отн. |
±0,4 |
ГСО 10531-2014 (Ar/N2) | ||||
97 %± 0,5 % отн. |
±0,2 |
ГСО 10532- 2014 (Ar/N2) |
Определяемый компонент |
Диапазон измерений объемной доли определяемого компонента, % |
Номинальное значение объемной доли определяемого компонента в ГС, пределы допускаемого отклонения, млн'1 |
Относительная погрешность аттестации, % |
Номер ГС по реестру ГСО или источник ГС 0 | ||
ГС№ 1 |
ГС №2 |
ГС № 3 | ||||
Аргон (Аг) в азоте (N2) |
от 95 до 100 |
95,5 % ± 0,5 % отн. |
±0,1 |
ГСО 10531- 2014 (Ar/N2) | ||
97,5 %± 0,5 % отн. |
±0,1 |
ГСО 10531- 2014 (Ar/N2) | ||||
99,5 %± 0,07 % отн. |
±0,05 |
ГСО 10532- 2014 (At/N2) | ||||
Аргон (Аг) в кислороде (Ог) |
от 0 до 5,0 |
кислород |
О.ч. по ТУ 2114-001-05798345-2007 | |||
2,5 %± 7 % отн. |
±2,5 |
ГСО 10532- 2014 (Аг/О2) | ||||
4,7 % ± 5 % отн. |
±1 |
ГСО 10531- 2014 (Аг/Ог) | ||||
от 0 до 10 |
кислород |
О.ч. по ТУ 2114-001-05798345-2007 | ||||
5%±5% отн. |
±2,5 |
ГСО 10532- 2014 (Аг/Ог) | ||||
9,5 % ± 5 % отн. |
±1 |
ГСО 10531-2014 (Аг/Ог) | ||||
от 0 до 30 |
кислород |
О.ч. по ТУ 2114-001-05798345-2007 | ||||
15 %± 3 % отн. |
±0,6 |
ГСО 10531- 2014 (Аг/Ог) | ||||
29 % ± 3 % отн. |
±0,4 |
ГСО 10531- 2014 (Аг/Ог) | ||||
от 0 до 50 |
кислород |
О.ч. по ТУ 2114-001-05798345-2007 | ||||
25%±3 % отн. |
±0,4 |
ГСО 10531- 2014 (Аг/Ог) | ||||
48%±3 % отн. |
±0,4 |
ГСО 10531- 2014 (Аг/Ог) | ||||
от 0 до 100 |
кислород |
О.ч. по ТУ 2114-001-05798345- 2007 | ||||
50 % ± 3 % отн. |
±0,4 |
ГСО 10531-2014 (Аг/Ог) | ||||
97 % ± 0,5 % отн. |
±0,2 |
ГСО 10532- 2014 (Аг/Ог) |
Определяемый компонент |
Диапазон измерений объемной доли определяе-мого компонента, % |
Номинальное значение объемной доли определяемого компонента в ГС, пределы допускаемого отклонения, млн’1 |
Относительная погрешность аттестации, % |
Номер ГС по реестру ГСО или источник ГС 0 | ||
ГС№1 |
ГС №2 |
ГС№3 | ||||
Аргон (Аг) в кислороде (Ог) |
от 95 до 100 |
95,5 % ± 0,5 % отн. |
±0,1 |
ГСО 10531-2014 (Аг/Ог) | ||
97,5 %± 0,5 % отн. |
±0,1 |
ГСО 10531-2014 (Аг/Ог) | ||||
99,5 %± 0,07 % отн. |
±0,05 |
ГСО 10532-2014 (Аг/Ог) | ||||
Метан (СН4) в аргоне (Аг) |
от 0 до 5,0 |
аргон |
В.ч. по ТУ 2114-005-05798345-2009 | |||
2,5 %± 7 % отн. |
±2,5 |
ГСО 10532-2014 (СН4/Аг) | ||||
4,7 %± 5 % отн. |
±1 |
ГСО 10531- 2014 (СНд/Аг) | ||||
от 0 до 10 |
аргон |
В.ч. по ТУ 2114-005-05798345-2009 | ||||
5%±5% отн. |
±2,5 |
ГСО 10532- 2014 (СН4/Аг) | ||||
9,5 % ± 5 % отн. |
±1 |
ГСО 10531-2014 (СН4/Аг) | ||||
от 0 до 30 |
аргон |
В.ч. по ТУ 2114-005-05798345-2009 | ||||
15 % ± 3 % отн. |
±0,6 |
ГСО 10531-2014 (СН4/Аг) | ||||
29 % ± 3 % отн. |
±0,4 |
ГСО 10531-2014 (СН4/Аг) | ||||
от 0 до 50 |
аргон |
В.ч. по ТУ 2114-005-05798345-2009 | ||||
25 % ± 3 % отн. |
±0,4 |
ГСО 10531-2014 (СН4/Аг) | ||||
48 % ± 3 % отн. |
±0,4 |
ГСО 10531- 2014 (СН4/Аг) | ||||
от 0 до 100 |
аргон |
В.ч. по ТУ 2114-005-05798345-2009 | ||||
50 % ± 3 % отн. |
±0,4 |
ГСО 10531- 2014 (СН4/Аг) | ||||
97 % ± 0,5 % отн. |
±0,2 |
ГСО 10532- 2014 (СН4/Аг) |
Определяемый компонент |
Диапазон измерений объемной доли определяе-мого компонента, % |
Номинальное значение объемной доли определяемого компонента в ГС, пределы допускаемого отклонения, млн1 |
Относительная погрешность аттестации, % |
Номер ГС по реестру ГСО или источник гс1) | ||
ГС№1 |
ГС №2 |
ГС№3 | ||||
Метан (СН4) в аргоне (Аг) |
от 95 до 100 |
95,5 %± 0,5 % отн. |
±0,1 |
ГСО 10531- 2014 (СН4/АГ) | ||
97,5 % ± 0,5 % отн. |
±0,1 |
ГСО 10531-2014 (CHj/Ar) | ||||
99,5 % ± 0,07 % отн. |
±0,05 |
ГСО 10532- 2014(СН4/Аг) | ||||
Метан (СНд) в азоте (N2) |
от 0 до 5,0 |
азот |
О.ч., сорт 1-й по ГОСТ 9293-74 | |||
2,5 %± 7 % отн. |
±2,5 |
ГСО 10532- 2014 (CH4/N2) | ||||
4,7 % ± 5 % отн. |
±1 |
ГСО 10531- 2014 (CH4/N2) | ||||
от 0 до 10 |
азот |
О.ч., сорт 1-й по ГОСТ 9293-74 | ||||
5%±5% отн. |
±2,5 |
ГСО 10532- 2014 (CH4/N2) | ||||
9,5 %± 5 % отн. |
±1 |
ГСО 10531- 2014 (CH4/N2) | ||||
от 0 до 30 |
азот |
О.ч., сорт 1-й по ГОСТ 9293-74 | ||||
15 %± 3 % отн. |
±0,6 |
ГСО 10531- 2014 (CH4/N2) | ||||
29 % ± 3 % отн. |
±0,4 |
ГСО 10531- 2014 (CH4/N2) | ||||
от 0 до 50 |
азот |
О.ч., сорт 1-й по ГОСТ 9293-74 | ||||
25 % ± 3 %отн. |
±0,4 |
ГСО 10531- 2014 (CH4/N2) | ||||
48%±3 % отн. |
±0,4 |
ГСО 10531-2014 (CH4/N2) | ||||
от 0 до 100 |
азот |
О.ч., сорт 1-й по ГОСТ 9293-74 | ||||
50 % ± 3 % отн. |
±0,4 |
ГСО 10531- 2014 (CH4/N2) | ||||
97 %± 0,5 % отн. |
±0,2 |
ГСО 10532- 2014 (CH4/N2) |
Определяемый компонент |
Диапазон измерений объемной доли определяемого компонента, % |
Номинальное значение объемной доли определяемого компонента в ГС, пределы допускаемого отклонения, млн'1 |
Относительная погрешность аттестации, % |
Номер ГС по реестру ГСО или источник ГС 0 | ||
ГС№ 1 |
ГС №2 |
ГС№3 | ||||
Метан (СН4) в азоте (N2) |
от 95 до 100 |
95,5 %± 0,5 % отн. |
±0,1 |
ГСО 10531- 2014 (CH4/N2) | ||
97,5 %± 0,5 % отн. |
±0,1 |
ГСО 10531-2014 (CH4/N2) | ||||
99,5 % ± 0,07 % отн. |
±0,05 |
ГСО 10532- 2014 (CH4/N2) | ||||
Диоксид углерода (СОг) в азоте (N2) |
от 0 до 5,0 |
азот |
О.ч., сорт 1-й по ГОСТ 9293-74 | |||
2,5 % ± 7 % отн. |
±2,5 |
ГСО 10532- 2014 (CO2/N2) | ||||
4,7 % ± 5 % отн. |
±1 |
ГСО 10531- 2014 (CO2/N2) | ||||
от 0 до 10 |
азот |
О.ч., сорт 1-й по ГОСТ 9293-74 | ||||
5%±5% отн. |
±2,5 |
ГСО 10532-2014 (CO2/N2) | ||||
9,5 %± 5 % отн. |
±1 |
ГСО 10531-2014 (CO2/N2) | ||||
от 0 до 30 |
азот |
О.ч., сорт 1-й по ГОСТ 9293-74 | ||||
15 % ± 3 % отн. |
±0,6 |
ГСО 10531- 2014 (CO2/N2) | ||||
29%±3 % отн. |
±0,4 |
ГСО 10531- 2014 (CO2/N2) | ||||
от 0 до 50 |
азот |
О.ч., сорт 1-й по ГОСТ 9293-74 | ||||
25 % ± 3 % отн. |
±0,4 |
ГСО 10531- 2014 (CO2/N2) | ||||
48%±3 % отн. |
±0,4 |
ГСО 10531- 2014 (CO2/N2) | ||||
от 0 до 100 |
азот |
О.ч., сорт 1-й по ГОСТ 9293-74 | ||||
50 % ± 3 % отн. |
±0,4 |
ГСО 10531- 2014 (CO2/N2) | ||||
97 % ± 0,5 % отн. |
±0,2 |
ГСО 10532- 2014 (CO2/N2) |
Определяемый компонент |
Диапазон измерений объемной доли определяемого компонента, % |
Номинальное значение объемной доли определяемого компонента в ГС, пределы допускаемого отклонения, млн'1 |
Относительная погрешность аттестации, % |
Номер ГС по реестру ГСО или источник ГС !) | ||
ГС№ 1 |
ГС №2 |
ГС№3 | ||||
Диоксид углерода (СОг) в азоте (N2) |
от 95 до 100 |
95,5 % ± 0,5 % отн. |
±0,1 |
ГСО 10531- 2014 (CO2/N2) | ||
97,5 %± 0,5 % отн. |
±0,1 |
ГСО 10531- 2014 (CO2/N2) | ||||
99,5 % ± 0,07 % отн. |
±0,05 |
ГСО 10532- 2014 (CO2/N2) | ||||
Примечания:
|
Приложение Б
(обязательное) Основные метрологические характеристики газоанализаторов
Таблица Б.2 - Основные метрологические характеристики газоанализаторов с аналитическим мо-дулем ULTRAMAT 7 Определяемый компонент
Оксид углерода (СО)
Диапазон измерений объемной доли определяемого компонента1) |
Пределы допускаемой основной 2) приведенной3) погрешности, % |
от 0 до 10 млн'1 |
±20 |
от 0 до 50 млн'1 |
±10 |
от 0 до 250 млн'1 |
±5 |
от 0 до 500 млн'1 |
±5 |
от 0 до 1000 млн'1 |
±5 |
от 0 до 0,5 % |
±5 |
от 0 до 1,0 % |
±4 |
от 0 до 2,0 % |
±4 |
от 0 до 5,0 % |
±4 |
от Одо 10% |
±3 |
от 0 до 30 % |
±2 |
от 0 до 50 % |
±1 |
от 0 до 100 % |
±1 |
от 95 до 100 % |
±4 |
от 98 до 100 % |
±4 |
от 99 до 100 % |
±4 |
от 99,5 до 100 % |
±5 |
Таблица Б.1 — Основные метрологические характеристики газоанализаторов с аналитическим мо-дулем OXYMAT 7
Определяемый компонент |
Диапазон измерений объемной доли определяемого компонента, %1} |
Пределы допускаемой основной 2) приведенной3) погрешности, % |
Кислород (О2) |
от 0 до 0,5 |
±8 |
от 0 до 1,0 |
±6 | |
от 0 до 2,0 |
±4 | |
от 0 до 5,0 |
±4 | |
от 0 до 10 |
±4 | |
от 0 до 30 |
±2 | |
от 0 до 50 |
±1 | |
от 0 до 100 |
±1 | |
от 95 до 100 |
±4 | |
от 98 до 100 |
±4 | |
от 99 до 100 |
±6 | |
от 99,5 до 100 |
±8 | |
Допускается поставка газоанализаторов с диапазоном измерений, не указанным в таблице, при этом пределы допускаемой основной приведенной погрешности для такого диапазона выбирают в соответствии с указанным в таблице для ближайшего меньшего диапазона измерений (или ближайшей меньшей разности между верхним и нижним пределами диапазона измерений для газоанализаторов с нижним пределом диапазона измерений, отличным от нуля).
|
Определяемый компонент |
Диапазон измерений объемной доли определяемого компонента1^ |
Пределы допускаемой основной 2) приведенной3) погрешности, % |
Диоксид углерода (СО2) |
от 0 до 5 млн'1 |
±25 |
от 0 до 10 млн'1 |
±20 | |
от 0 до 50 млн'1 |
±15 | |
от 0 до 250 млн'1 |
±8 | |
от 0 до 500 млн'1 |
±8 | |
от 0 до 1000 млн'1 |
±8 | |
от 0 до 0,5 % |
±5 | |
от Одо 1,0 % |
±4 | |
от 0 до 2,0 % |
±4 | |
от 0 до 5,0 % |
±4 | |
от Одо 10% |
±3 | |
от 0 до 30 % |
±2 | |
от 0 до 50 % |
±1 | |
от 0 до 100 % |
±1 | |
от 95 до 100% |
±4 | |
от 98 до 100 % |
±4 | |
от 99 до 100 % |
±4 | |
от 99,5 до 100 % |
±5 | |
Метан (СНд) |
от 0 до 50 млн'1 |
±15 |
от 0 до 250 млн'1 |
±10 | |
от 0 до 500 млн'1 |
±10 | |
от 0 до 1000 млн'1 |
±5 | |
от 0 до 0,5 % |
±5 | |
от 0 до 1,0 % |
±4 | |
от 0 до 2,0 % |
±4 | |
от 0 до 5,0 % |
±4 | |
от 0 до 10 % |
±4 | |
от 0 до 30 % |
±2 | |
от 0 до 50 % |
±2 | |
от Одо 100% |
±2 | |
от 95 до 100 % |
±4 | |
от 98 до 100 % |
±4 | |
от 99 до 100 % |
±4 | |
от 99,5 до 100 % |
±5 | |
Этилен (С2Н4) |
от 0 до 300 млн'1 |
±15 |
от 0 до 500 млн'1 |
±15 | |
от 0 до 1000 млн'1 |
±15 | |
от 0 до 0,5 % |
±15 | |
от 0 до 1,0 % |
±10 | |
от 0 до 2,0 % |
±10 | |
от 0 до 5,0 % |
±7 | |
от 0 до 10 % |
±5 | |
от 0 до 30 % |
±4 | |
от 0 до 50 % |
±2 | |
от Одо 100% |
±2 | |
от 95 до 100 % |
±7 | |
от 98 до 100 % |
±10 | |
от 99 до 100 % |
±10 |
Определяемый компонент |
Диапазон измерений объемной доли определяемого компонента^ |
Пределы допускаемой основной 2>> приведенной погрешности, % |
Этилен (С2Н4) |
от 99,5 до 100 % |
±15 |
Диоксид серы (SO2) |
от 0 до 50 млн’1 |
±10 |
от 0 до 250 млн’1 |
±8 | |
от 0 до 500 млн’1 |
±8 | |
от 0 до 1000 млн'1 |
±5 | |
от 0 до 0,5 % |
±5 | |
от 0 до 1,0 % |
±4 | |
от 0 до 2,0 % |
±4 | |
от 0 до 5,0 % |
±4 | |
от 0 до 10 % |
±4 | |
от 0 до 30 % |
±2 | |
от 0 до 50 % |
±1 | |
от Одо 100% |
±1 | |
от 95 до 100 % |
±4 | |
от 98 до 100 % |
±4 | |
от 99 до 100% |
±4 | |
от 99,5 до 100 % |
±5 | |
Оксид азота (NO) |
от 0 до 100 млн’1 |
±10 |
от 0 до 250 млн’1 |
±10 | |
от 0 до 500 млн’1 |
±8 | |
от 0 до 1000 млн’1 |
±8 | |
от 0 до 0,5 % |
±8 | |
от Одо 1,0% |
±6 | |
от 0 до 2,0 % |
±6 | |
от 0 до 3,0 % |
±6 | |
Оксид диазота, закись азота (N2O) |
от 0 до 50 млн’1 |
±20 |
от 0 до 250 млн’1 |
±20 | |
от 0 до 500 млн’1 |
±20 | |
от 0 до 1000 млн'1 |
±20 | |
от 0 до 0,5 % |
±15 | |
от Одо 1,0% |
±10 | |
от 0 до 2,0 % |
±10 | |
от 0 до 5,0 % |
±7 | |
от 0 до 10 % |
±5 | |
от 0 до 30 % |
±4 | |
от 0 до 50 % |
±2 | |
от 0 до 100 % |
±1 | |
от 95 до 100 % |
±7 | |
от 98 до 100% |
±10 | |
от 99 до 100% |
±10 | |
от 99,5 до 100 % |
±15 | |
Аммиак (NH3) |
от 0 до 100 млн’1 |
±10 |
от 0 до 250 млн’1 |
±10 | |
от 0 до 500 млн’1 |
±8 | |
от 0 до 1000 млн’1 |
±8 | |
от 0 до 0,5 % |
±8 | |
от 0 до 1,0 % |
±8 | |
от 0 до 2,0 % |
±8 |
Определяемый компонент |
Диапазон измерений объемной доли определяемого компонента1) |
Пределы допускаемой основной 2) приведенной3) погрешности, % |
Аммиак (NH3) |
от 0 до 5,0 % |
±7 |
от 0 до 10 % |
±5 | |
от 0 до 30 % |
±4 | |
от 0 до 50 % |
±2 | |
от 0 до 100 % |
±1 | |
от 95 до 100 % |
±7 | |
от 98 до 100 % |
±10 | |
от 99 до 100 % |
±10 | |
от 99,5 до 100 % |
±15 | |
Допускается поставка газоанализаторов с диапазоном измерений, не указанным в таблице, при этом пределы допускаемой основной приведенной погрешности для такого диапазона выбирают в соответствии с указанным в таблице для ближайшего меньшего диапазона измерений (или ближайшей меньшей разности между верхним и нижним пределами диапазона измерений для газоанализаторов с нижним пределом диапазона измерений, отличным от нуля). Программное обеспечение газоанализатора обеспечивает возможность отображения результатов измерений в единицах массовой концентрации определяемого компонента, пересчет выполняется автоматически для условий 20 °C, 101,3 кПа.
|
Таблица Б.З - Основные метрологические характеристики газоанализаторов с аналитическим мо-дулем CALOMAT 7
Определяемый компонент / фоновый компонент |
Диапазон измерений объемной доли определяемого компонента, |
Пределы допускаемой основной 2) приведенной3) погрешности, % |
Водород (Н2) / азот (N2) или аргон (Аг) |
от 0 до 0,5 |
±10 |
от Одо 1,0 |
±7 | |
от 0 до 2,0 |
±5 | |
от 0 до 5,0 |
±5 | |
от 0 до 10 |
±4 | |
от 0 до 30 |
±2 | |
от 0 до 50 |
±1 | |
от 0 до 100 |
±1 | |
от 95 до 100 |
±5 | |
от 99 до 100 |
±5 | |
от 99,5 до 100 |
±10 | |
Гелий (Не) / азот (N2) или ар-гон (Аг) или водород (Нг) |
от Одо 1,0 |
±5 |
от 0 до 2,0 |
±4 | |
от 0 до 5,0 |
±4 | |
от 0 до 10 |
±2 | |
от 0 до 30 |
±2 | |
от 0 до 50 |
±1 | |
от 0 до 100 |
±1 | |
от 95 до 100 |
±4 | |
от 99 до 100 |
±10 |
Определяемый компонент / фоновый компонент |
Диапазон измерений объемной доли определяемого компонента, %1J |
Пределы допускаемой основной 2) приведенной3) погрешности, % |
Аргон (Аг) / азот (N2) или кислород (Ог) |
от 0 до 5,0 |
±5 |
от Одо 10 |
±4 | |
от 0 до 30 |
±2 | |
от 0 до 50 |
±2 | |
от 0 до 100 |
±1 | |
от 95 до 100 |
±5 | |
Метан (СНд) / азот (N2) или ар-гон (Аг) |
от 0 до 5,0 |
±5 |
от 0 до 10 |
±4 | |
от 0 до 30 |
±2 | |
от 0 до 50 |
±2 | |
от 0 до 100 |
±1 | |
от 95 до 100 |
±5 | |
Диоксид углерода (СОг) / в азоте (N2) |
от 0 до 5,0 |
±5 |
от 0 до 10 |
±4 | |
от 0 до 30 |
±2 | |
от 0 до 50 |
±2 | |
от 0 до 100 |
±1 | |
от 95 до 100 |
±5 | |
Допускается поставка газоанализаторов с диапазоном измерений, не указанным в таблице, при этом пределы допускаемой основной приведенной погрешности для такого диапазона выбирают в соответствии с указанным в таблице для ближайшего меньшего диапазона измерений (или ближайшей меньшей разности между верхним и нижним пределами диапазона измерений для газоанализаторов с нижним пределом диапазона измерений, отличным от нуля).
|
47