Методика поверки «Счетчики однофазные статические АГАТ 2» (ПФ2.720.022 МП)
ФГУП вниимс
_ В.Н. Яншин -// 2015 г.
СЧЕТЧИКИ ОДНОФАЗНЫЕ СТАТИЧЕСКИЕ АГАТ 2
МЕТОДИКА ПОВЕРКИ
ПФ2.720.022 МП
ВВЕДЕНИЕ
Настоящая методика поверки распространяется на счетчики однофазные статические АГАТ 2 классов точности 1,0 (далее-счетчики). Счетчики предназначены для измерения и учета активной электрической энергии в сетях переменного тока частотой 50 Гц в условиях умеренного климата. Настоящая методика поверки устанавливает порядок проведения его первичной и периодической поверки.
Счетчик АГ АТ 2 должен соответствовать требованиям ГОСТ 31818.11 -2012, ГОСТ 31819.21-2012 и техническим условиям ТУ 4228-002-66313781-2015.
Счетчик должен подвергаться поверке, интервал между поверками - 16 лет.
1 ОПЕРАЦИИ И СРЕДСТВА ПОВЕРКИ-
1.1 При проведении поверки счетчика должны быть выполнены следующие операции, указанные в таблицеТ
Таблица 1. Операции поверки.
|
Наименование операции |
Номер пункта методики поверки |
Проведение поверки | |
|
Первичная поверка |
Периодическая поверка | ||
|
1 Внешний осмотр |
4.1 |
Да |
Да |
|
2 Проверка электрической прочности изоляции |
4.2 |
Да |
Нет |
|
3 Опробование |
4.3 |
Да |
Да |
|
4 Проверка показаний ЖКИ |
4.4 |
Да |
Да |
|
5 Проверка отсутствия самохода |
4.5 |
Да |
Да |
|
6 Проверка порога чувствительности |
4.6 |
Да |
Да |
|
7 Проверка основной погрешности счетчика |
4.7 |
Да |
Да |
|
8 Проверка погрешности часов |
4.8 |
Да |
Да |
|
9 Проверка соответствия программного обеспечения счетчика |
4.9 |
Да |
Да |
-
1.2 При проведении поверки счетчика должны быть применены средства поверки с характеристиками, указанными в таблице 2.
Таблица 2. Средства поверки.
|
Рекомендуемое оборудование |
Требуемые параметры |
Кол-во, шт. |
|
1 Прибор для испытания электрической прочности изоляции УПУ-10 |
Испытательное напряжение до 4 кВ, погрешность установки напряжения ± 5 % |
1 |
|
2 Испытательный генератор микросекундных импульсов ИГМ8.1 |
Импульсное напряжение до 8 кВ |
1 |
|
3 Секундомер СОС пр-25-2 |
Емкость шкалы не менее 15 мин, погрешность ± 0,2 с |
1 |
|
4 Стенд для поверки однофазных счетчиков с шунтом МТЕ G3-22.40 или ЭТАЛОГИР 3000 или К 68001, эталонный счетчик ТЕСТГИР ДЗООО |
Измерение основной погрешности счетчиков классов 1,0 и 2,0; номинальное напряжение 230 В; ток 0,025 - 60 А |
1 |
|
5 Стенд - рабочее место инициализации счетчика (РМИ) Э 302 34 000 |
Считывание информации по тарифным зонам и цифровому интерфейсу | |
|
6. Компьютер с установленной программой верхнего уровня |
Возможность выхода в интернет для связи ntp-сервером точного времени | |
|
Примечание. При испытаниях допускается использовать другие средства измерения и оборудование аналогичное по своим техническим и метрологическим характеристикам и обеспечивающее заданные режимы испытаний. | ||
-
1.3 Допускается выборочная первичная поверка счетчиков. При этом объем выборки счетчиков из партии, подвергаемых первичной поверке, определяется в соответствии с ГОСТ 24660-81 «Статистический приемочный контроль по альтернативному признаку на основе экономических показателей».
-
2.1 Лица, устанавливающие счетчик, должны быть аттестованы по электробезопасности с присвоением группы электробезопасности не ниже III.
-
2.2 Перед установкой и подключением счетчика необходимо обесточить электрическую сеть, отключив автоматы-выключатели сети и вывернув все сетевые предохранители.
-
2.3 Поверку проводить с закрытым кожухом.
-
3 УСЛОВИЯ ПРОВЕДЕНИЯ ПОВЕРКИ И ПОДГОТОВКА К НЕЙ
-
3.1 При проведении поверки должны быть соблюдены следующие условия:
-
-
1) температура окружающего воздуха, °C 23 ± 5;
-
2) относительная влажность воздуха, % 30 - 80;
-
3) атмосферное давление, кПа 70 - 106,7;
-
4) частота измерительной сети, Гц 50 ± 0,5;
-
5) форма кривой напряжения и тока измерительной сети - синусоидальные с коэффициентом несинусоидальности напряжения не более 5 %.
-
3.2 Перед определением основной погрешности, счетчик должен находиться под номинальным напряжением и номинальным током на менее 10 мин.
-
3.3 Допускается совмещать операции по поверке счетчика: время выдержки и проведение опробования работы счетчика, проверку времени изменения показаний суммирующих устройств.
-
3.4 Внимание! Шунтовые счетчики АГАТ 2 имеют связанные цепи тока и напряжения, оказывающие при большем числе счетчиков значительное влияние на погрешность друг друга.
При определении основной погрешности шунтовых счетчиков подключенных к поверочной установке, содержащей разделительные измерительные трансформаторы напряжения для каждого счетчика, количество одновременно подключаемых счетчиков определяется мощностью установки.
При определении основной погрешности шунтовых счетчиков подключенных к поверочной установке, не содержащей разделительные измерительные трансформаторы для каждого счетчика, допускается одновременно подключать не более 3 (трех) счетчиков.
Счетчики, у которых вместо шунта используется трансформатор тока, должны быть подключены к поверочной установке без разделительных трансформаторов. Количество одновременно подключаемых счетчиков определяется только мощностью установки.
4 ПРОВЕДЕНИЕ ПОВЕРКИ-
4.1 Внешний осмотр.
При проведении внешнего осмотра должно быть установлено соответствие счетчика следующим требованиям:
а) счетчики, выпущенные из производства или ремонта, должны иметь схему подключения;
б) корпус должен быть целым, не иметь трещин;
в) смотровое окно должно быть прозрачным, без царапин и коробления поверхности;
г) все узлы и детали должны быть надежно закреплены и не должны иметь повреждений;
д) шлицы на винтах зажимной платы не должны иметь повреждений, резьба винтов должна обеспечивать надежное крепление проводов;
е) надписи на крышке зажимной платы и щитке должны быть четкими и ясными;
ж) на щитке должны быть четко обозначены заводской номер счетчика и год его выпуска;
з) наклейка на крышке зажимной платы должна быть надежно приклеена, не иметь задиров и надрывов.
-
4.2 Проверка электрической прочности изоляции.
-
4.2.1 При проверке электрической прочности изоляции, погрешность установки прибора не должна превышать 5 %.
-
4.2.2 Изоляция между соединенными вместе следующими цепями: тока, напряжения, телеметрическими выходами, и "землей" должна выдерживать импульсное напряжение, форма кривой которого и характеристика генератора должны быть в соответствии ГОСТ 27918, а амплитудное значение импульсного напряжения должно быть 6 кВ. При проведении испытаний импульсное напряжение прикладывают 10 раз одной полярности, затем столько же другой полярности. Минимальное время между импульсами должно быть 3 с. Проверка проводится с помощью испытательного генератора микросекундных импульсов ИГМ 8.1. Во время проведения испытаний не должно возникать искрения и пробивного разряда.
-
Примечание: пункт 4.2.2 выполняется для поставки счетчиков по контракту в те страны для которых этот пункт испытаний является обязательным или по особому требованию ЗАКАЗЧИКОВ (Покупателей).
Счетчики выдержали проверку прочности изоляции, если не произошло пробоя изоляции.
-
4.2.3 Изоляция между соединенными вместе цепями тока, напряжения и телеметрическими выходами соединенными с "землей", в соответствии с ГОСТ 31819.21-2012, должна выдерживать испытательное напряжение практически синусоидальной формы 4 кВ переменного тока частотой (45-65) Гц. Проверка проводится с помощью прибора для испытания электрической прочности УПУ-10. Во время проведения испытаний не должно возникать искрения и пробивного разряда.
Счетчики выдержали проверку прочности изоляции, если не произошло пробоя изоляции.
-
4.3 Опробование работы счетчика.
-
4.3.1 Опробование проводят при номинальном напряжении и максимальном токе нагрузки. При этом должен мигать индикатор функционирования счетчика и изменять свои показания счетный механизм.
-
-
4.4 Проверка времени изменения показаний счетного механизма.
-
4.4.1 Проверку времени изменения показаний проводить при номинальном напряжении и максимальном токе на установке МТБ G3-22.40, измеряя время смены показаний счетного механизма на 1 кВт ч. Измерения проводят с помощью секундомера СОС пр-28-2.
-
4.4.2 Результат поверки считают положительным, если время изменения показаний на 1 кВт ч равно:
-
-
- для тока 1Макс= 50 А (счетчик АГАТ 2/50) - 5 мин. 27 с ± 5 с;
-
- для тока 1маКс= 60 А (счетчика АГАТ 2/60) - 4 мин. 33 с.± 5 с.
-
4.5 Проверка отсутствия самохода.
-
4.5.1 Подключить счетчик к стенду МТБ G3-22.40.
-
4.5.2 Проверку отсутствия самохода проводить при значении напряжения 115 % от номинального и при отсутствии тока в цепи тока.
-
4.5.3. В течении 1 часа проводить наблюдение за состоянием индикатора функционирования, срабатывающего с частотой основного передающего устройства. Результат поверки положительный, если индикатор сработает не более одного раза за время наблюдения.
-
4.6 Проверка чувствительности.
-
4.6.1 Проверку чувствительности проводят измерением относительной погрешности методом эталонного счетчика на установке ПШС-16 при значениях информативных параметров, указанных в таблице 3.
-
Таблица 3.
|
Информативные параметры входного сигнала | |||
|
Класс точности |
Напряжение, % от номинального значения |
Ток, А |
Коэффициент мощности, COS ф |
|
1 |
100 |
0,02 |
1.0 |
Проверку проводить наблюдением за индикатором, срабатывающем с частотой основного передающего устройства в течение 15 мин.
Счетчик выдержал испытание, если за время наблюдения индикатор сработает не менее одного раза.
-
4.7 Определение основной погрешности счетчика.
-
4.7.1 Определение основной погрешности счетчика на установке МТБ G3-22.40 проводят методом эталонного счетчика при значении информативных параметров входного сигнала, указанных в таблице 4.
-
Основную погрешность определяют по показаниям основного передающего устройства.
Результат поверки считают положительным, если основная погрешность счетчика не превышает предела допускаемого значения основной погрешности, приведенной в таблице 4.
Таблица 4.
|
Номер испыта-ния |
Информативные параметры входного сигнала |
Предел допускаемого значения основной погрешности, % для счетчиков класса точности |
Число импульсов основного передающего устройства | |||
|
Напряжение % от Ином |
Сила тока % от 1ном |
Коэффициент мощности, coscp |
1 |
2 | ||
|
1 |
100 |
5 |
1,0 |
±1,5 |
±2,5 |
2 |
|
2 |
10 |
0,5 (инд) | ||||
|
0,8 (емк) |
- | |||||
|
3 |
1,0 |
±1,0 |
±2,0 |
5 | ||
|
4 |
20 |
0,5 (инд) | ||||
|
5 |
0,8 (емк) |
- | ||||
|
100 |
1,0 |
±2,0 | ||||
|
0,8 (емк) |
- | |||||
|
0,5 (инд) |
±2,0 | |||||
|
6 |
100 |
1макс |
1,0 |
±1,0 |
±2,0 |
15 |
|
7 |
0,5 (инд) |
10 | ||||
|
0,8 (емк) |
- | |||||
Примечание - Проверку основной погрешности счетчиков СОЭ-55/ШТ—по цепи нулевого провода проводить по таблице 4: номер испытания 2-7.
-
4.8 Проверка допускаемой погрешности часов. Проверку проводить при нормальных условиях для определения погрешности часов:
Подключить счётчик при помощи преобразователя интерфейса к персональному компьютеру согласно схеме подключения. Включить компьютер и синхронизировать время компьютера с сервером точного времени, например ntpl.vniifitri.ru (http://www.vniiftri.ru/index.php/ru/services/22-ntp). Подать на счетчик напряжение UH0M- При помощи сервисного программного обеспечения (например, «mConfig») синхронизировать время и дату счётчика с временем персонального компьютера.
Выдержать включенный в нормальных условиях счетчик в течение не менее 3 суток. Подключить счётчик при помощи преобразователя интерфейса к персональному компьютеру согласно схеме подключения. Включить компьютер и синхронизировать время компьютера с сертифицированным сервером точного времени, например ntpl.vniiftri.ru (http://www.vniiftri.ru/index.php/ru/services/22-ntp). При помощи программы сервисного программного обеспечения (например, «mConfig») сравнить текущее время и дату счетчика и компьютера. Значение расхождения часов счетчика и компьютера Дисп за количество суток п. Вычислить основную погрешность часов счетчика по формуле:
Дт — Лисп / а
Результат поверки считается положительным, если значение погрешности Дт не превышает значение ±0,5 с/сут.
-
4.9 Проверка соответствия программного обеспечения счетчика.
Проверка соответствия программного обеспечения счетчика проводится путём считывания с ЖКИ и при осуществлении доступа к счетчику программой «mConfig». Номер версии и контрольная сумма программного обеспечения счетчика автоматически выводятся на ЖКИ в течение 3-х секунд после подачи напряжения на силовые клеммы счетчика.
Результат проверки соответствия программного обеспечения счетчиков считают положительным, если полученные идентификационные данные программного обеспечения соответствуют указанным в разделе «Программное обеспечение» описания типа.
5 ОФОРМЛЕНИЕ РЕЗУЛЬТАТОВ ПОВЕРКИ-
5.1 Результаты выполнения операций поверки заносятся в протокол составленный в произвольной форме.
Счетчик, прошедший поверку с положительным результатом, признают годным. Его пломбируют и наносят оттиск поверительного клейма.
-
5.2 Результаты поверки счетчика при выпуске из производства и ремонта предприятие-изготовитель оформляет записью в паспорте с навешиванием пломбы на винт крепления кожуха с основанием (с нанесением оттиска поверочного клейма).
-
5.3 Счетчик, прошедший поверку с отрицательным результатом, бракуют и выписывают извещение о его непригодности. При этом клеймо гасят, пломбу предыдущей поверки снимают, сам счетчик направляют в ремонт или выписывают извещение о непригодности с указанием причины брака.
Генеральный директор

К.С. Рокотян
контрольная сумма программного обеспечения счетчика автоматически выводятся на ЖКИ в течение 3-х секунд после подачи напряжения на силовые клеммы счетчика.
Результат проверки соответствия программного обеспечения счетчиков считают положительным, если полученные идентификационные данные программного обеспечения соответствуют указанным в разделе «Программное обеспечение» описания типа.
5 ОФОРМЛЕНИЕ РЕЗУЛЬТАТОВ ПОВЕРКИ-
5.1 Результаты выполнения операций поверки заносятся в протокол составленный в произвольной форме.
Счетчик, прошедший поверку с положительным результатом, признают годным. Его пломбируют и наносят оттиск поверительного клейма.
-
5.2 Результаты поверки счетчика при выпуске из производства и ремонта предприятие-изготовитель оформляет записью в паспорте с навешиванием пломбы на винт крепления кожуха с основанием (с нанесением оггиска поверочного клейма).
-
5.3 Счетчик, прошедший поверку с отрицательным результатом, бракуют и выписывают извещение о его непригодности. При этом клеймо гасят, пломбу предыдущей поверки снимают. сам счетчик направляют в ремонт или выписывают извещение о непригодности с указанием причины брака.
Генеральный директор



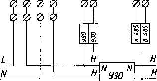
Схемы подключения
Варианты исполнения корпуса «1», «4»
Варианты исполнения корпуса «2»

к.
13 4 5 6 7 8 9

Варианты исполнения корпуса «3»

схемы подключения к персональному компьютеру
Схема подключения счетчика с интерфейсом «RS-485» к ПК
Схема подключения счетчика с интерфейсом « RS-232u » к ПК

Счётчик выпускается предприятием изготовителем с базовой настройкой - функционирование испытательного импульсного выхода на контактах «Общий/ТМ» («GND»). При подаче сигнала цифрового интерфейса на клемму «R» испытательный сигнал автоматически отключается и включается режим интерфейса.
ЛИСТ РЕГИСТРАЦИИ ИЗМЕНЕНИЙ
|
Изм. |
Номера листов (страниц) |
Всего листов, страниц в до-кум. |
№ докум. |
Входящий № сопрово-ди-тельного документа и дата |
Поди. |
Дата | |||
|
Измененный |
Замененный |
Новый |
Аннулированный | ||||||
10
