Методика поверки «МОДУЛИ ИЗМЕРЕНИЯ СИГНАЛОВ ВИБРАЦИИ И НАПРЯЖЕНИЯ МЦП» (ВАРБ.411711.133 Д)
РАЗРАБОТАНО
УТВЕРЖДАЮ

Генеральный директор ООО «Ассоциация В ACT»

Заместитель директора метрологии ФГУП «ВНИИМС»
Иванникова
» 2018 г.
ВАРБ.411711.133 Д
2018 год
лист 2 листов 26 ГОСУДАРСТВЕННАЯ СИСТЕМА ОБЕСПЕЧЕНИЯ ЕДИНСТВА ИЗМЕРЕНИЙ
МОДУЛИ ИЗМЕРЕНИЯ СИГНАЛОВ ВИБРАЦИИ И НАПРЯЖЕНИЯ МЦП
МЕТОДИКА ПОВЕРКИ
Дата введения "..........." ........................ 2018 г.
Настоящая методика поверки распространяется на модули измерения сигналов вибрации и напряжения МЦП (далее-МЦП), изготовленные по техническим условиям ВАРБ 411711.133 ТУ, и устанавливает методы и средства первичной и периодической поверки.
Межповерочный интервал - 3 года.
1. ОПЕРАЦИИ ПОВЕРКИ-
1.1. Поверка МЦП производится в следующей последовательности:
-
• на первом этапе производится поверка МЦП по электрическому сигналу.
-
• на втором этапе, производится поверка МЦП с вибропреобразователями, входящими в комплект поставки (с акселерометрами серии 600 (per. №70728-18) фирмы «РСВ Piezotronics, Inc», США и вибропреобразователями серии АР20ХХ (per. № 59379-14) производства ООО «ГлобалТест» с номинальными значениями коэффициентов преобразования 1 и 10,2 мВ/(м с'2)), при отсутствии в комплекте поставки вибропреобразователей поверка по второму этапу не производится или производится по эквивалентному электрическому сигналу.
-
• При проведении поверки должны быть выполнены операции, указанные в таблице 1-1.
-
1.2. При проведении поверки должен использоваться персональный компьютер со следующим предустановленным программным обеспечением:
-
• 64 разрядная ОС
-
• 64 разрядная виртуальная машина JAVA
-
• СУБД - PostgreSQL версия 9.6
-
• ПО управления СУБД - Pgadmin3.
Программное обеспечение для проведения поверки поставляется в комплекте с МЦП, и может быть установлено на любой компьютер, удовлетворяющий следующим требованиям:
-
• процессор не хуже core 15;
-
• оперативная память не менее 4 Gb;
-
• жесткий диск ёмкостью не менее 100 Гб;
-
• разъём USB не ниже 2.0.
Таблица 1.1. Перечень испытаний№
Наименование испытаний
Номер пункта методики
Наименование средств поверки и их характеристики
Проведение операций при
первич. поверке
периодич. поверке
1.
Внешний осмотр
6.1.
да
да
2.
Идентификация программного обеспечения
6.2.
да
да
3.
Опробование
6.3.
да
да
4.
Подготовка к проведению поверки (проверка ПВТ-16)
6.4.
Генератор сигналов сложной формы со сверхнизким уровнем искажений DS360 Диапазон частот от 0,001 до 200000 Гц; погрешность установки частоты ±(25*10‘ 6 *ДГц]±4* 10"3[Гц]) %; диапазон уровней выходного сигнала (Размах) 10*10"6 до 40,0 В; погрешность установки уровней ±1 %; уровень гармонических искажений минус 106 дБ;
Мультиметр Agilent 34411 А; Диапазон измерений постоянного и переменного напряжения 0 - 1000 В; рабочий диапазон частот измерения напряжения от 3 Гц до 300 кГц;
диапазон измерений силы постоянного и переменного тока от 0 до ЗА; рабочий диапазон частот измерения тока от 3 Гц до 10 кГц; диапазон измерения сопротивления от 0 до 1000 МОм;
диапазон измерения емкости от 0 до 10 мкФ; диапазон измерения частоты от 3 Гц до 300 кГц; базовая погрешность 0,003 %
да
да
5.
Определение допускаемой относительной погрешности измерений напряжения (СКЗ) переменного тока
7.1.
Генератор сигналов сложной формы со сверхнизким уровнем искажений DS360 Диапазон частот от 0,001 до 200000 Гц; погрешность установки частоты ±(25* 10" 6 *ДГц]±4* 10"3[Гц]) %; диапазон уровней выходного сигнала (Размах) 10* 10"6 до 40,0 В; погрешность установки уровней ±1 %; уровень гармонических искажений минус 106 дБ;
да
нет
6.
Определение допускаемой относительной погрешности при измерении СКЗ спектральных составляющих напряжения
7.2.
Генератор сигналов сложной формы со сверхнизким уровнем искажений DS360 Диапазон частот от 0,001 до 200000 Гц; погрешность установки частоты ±(25* 10" 6 хДГц]±4*10"3[Гц]) %; диапазон уровней выходного сигнала (Размах) 10* 10"6 до 40,0 В; погрешность установки уровней ±1 %; уровень гармонических искажений минус 106 дБ;
да
да
7.
Определение допускаемой относительной погрешности измерений частоты вращения
7.3.
Генератор сигналов сложной формы со сверхнизким уровнем искажений DS360 Диапазон частот от 0,001 до 200000 Гц; погрешность установки частоты ±(25 * 10" 6 *ДГц]±4* 10"3[Гц]) %; диапазон уровней выходного сигнала (Размах) 10* 10"6 до 40,0 В; погрешность установки уровней ±1 %; уровень гармонических искажений минус 106 дБ;
да
да
8.
Определение действительных коэффициентов преобразования вибропреобразователей
7.4.
поверочная вибрационная установка 2-го разряда по ГОСТ Р 8.800-2012
да
да
9.
Определение пределов допускаемой относительной погрешности измерений параметров вибрации *
7.5
Генератор сигналов сложной формы со сверхнизким уровнем искажений DS360 Диапазон частот от 0,001 до 200000 Гц; погрешность установки частоты ±(25 х 1 О' 6 хf|Гц]+4*10'3[Гц]) %; диапазон уровней выходного сигнала (Размах) 10* 10'6 до 40,0 В; погрешность установки уровней ±1 %; уровень гармонических искажений минус 106 дБ
Поверочная вибрационная установка 2-го разряда по ГОСТ Р 8.800-2012
да
да
* Поверка по п.п. 7.4 - 7.5 проводятся при наличии в предоставленном на поверку комплекте вибропреобразователей. Поверка производится в диапазоне рабочих амплитуд и частот подключаемого вибропреобразователя. При отсутствии в комплекте поставки вибропреобразователя, поверка по данным пунктам не производится или производится по эквивалентному электрическому сигналу в соответствии с заявлением владельца СИ, с обязательным указанием в свидетельстве о поверке и/или в формуляре информации об объеме проведенной поверки.
ПРИМЕЧАНИЕ. Допускается проведение поверки отдельных измерительных каналов из состава СИ в соответствии с заявлением владельца СИ, с обязательным указанием в свидетельстве о поверке и/или в формуляре информации об объеме проведенной поверки.
ПРИМЕЧАНИЕ. Допускается применение аналогичных средств поверки, обеспечивающих определение метрологических характеристик поверяемых модулей МЦП с требуемой точностью.
2. УСТАНОВКА ПРОГРАММНОГО ОБЕСПЕЧЕНИЯВ случае отсутствия установленного программного обеспечения для целей проведения поверки его необходимо установить из дистрибутивного носителя, входящего в комплект поставки. Порядок установки ПО описан ниже. Компьютер, используемый для проведения поверки МЦП, должен удовлетворять требованиям пункта 1.3.

Внимание! Для установки ПО необходимо обладать правами администратора
2.3. Установка JAVA
Рекомендуется перед началом установки отключить брандмауэр (порядок отключения описан ниже). В некоторых случаях настройки брандмауэра по умолчанию запрещают любые автоматические установки или установки через Интернет (такие, как установка Java через Интернет). Если брандмауэр не настроен соответствующим образом, он в некоторых случаях может заблокировать скачивание/установку Java.
Порядок установки ПО Java:
-
• Предварительно, закрыть все приложения.
-
• Файл установки Java располагается на дистрибутивном носителе в директории МЦП в каталоге Java.
-
• Для запуска процесса установки необходимо дважды щелкнуть на установочном файле jre-8ul61-windows-x64.
-
• Начнется процесс установки. Нажмите кнопку Install (Установить), чтобы принять условия лицензионного соглашения и продолжить установку.
-
• Появятся несколько диалоговых окон с запросами подтверждения последних этапов установки; в последнем диалоговом окне нажмите кнопку Close (Закрыть). После проделанных действий процедура установки Java завершена.
2.3.1. Отключение брандмауэра Windows
Для отключения брандмауэра необходимо запустить «Командную строку» windows с правами администратора и в открывшемся окне ввести netsh adv firewall set allprofiles state off подтвердить выполнение команды нажатием клавиши «Enter». Подтверждением успешного выполнения команды будет всплывающее окно с оповещением, что брандмауэр windows отключён и предложением запустить приложение.
Порядок запуска командной строки:
-
• Зажать клавишу Win (с логотипом операционной системы «Майкрософт») и, не отпуская ее, нажать на английскую букву R. Откроется окно «Выполнить».
-
• В поле ввода окна «Выполнить» набрать команду «CMD» и нажать Enter.
2.4. Установка PostgreSQL
Порядок установки ПО PostgreSQL:
-
• Предварительно, закрыть все приложения
-
• Файл установки располагается на дистрибутивном носителе в директории МЦП в каталоге PostgreSQL.
-
• Для запуска процесса установки необходимо дважды щелкнуть на установочном файле PostgreSQL_(uoMep версии nO)_64bit_Setup.
-
• В окне выбора компонентов для установки необходимо отметить оба компонента и «Microsoft Visual С++2013 Redistributable», и «PostgreSQL сервер»
-
• В окне «Параметры сервера», в поле пароль необходимо ввести пароль 12345678
-
• Далее появятся несколько диалоговых окон с запросами подтверждения последних этапов установки; в последнем диалоговом окне нажмите кнопку Close (Закрыть). Процедура установки PostgreSQL завершена.
Я//ил/ан не/ Пароль должен быть 12345678, в противном случаем ПО не будет запущено
2.5.Установка pgadmin3
Порядок установки ПО pgadmin3:
-
1. Предварительно закрыть все приложения.
-
2. Файл установки располагается на дистрибутивном носителе в директории МЦП в каталоге Pgadmin3.
-
3. Для запуска процесса установки необходимо дважды щелкнуть на установочном файле pgadmin3.
-
4. Появятся несколько диалоговых окон с запросами подтверждения последних этапов установки; в последнем диалоговом окне нажмите кнопку Close (Закрыть). Процедура установки pgadmin3 завершена.
2.6.Установка ПО server-work-config-build
Для ОС Windows:
-
1. Предварительно закрыть все приложения.
-
2. Файл установки располагается на дистрибутивном носителе в директории МЦП в каталоге server-work-config-build.
-
3. На диске С: необходимо создать папку с названием SMD4
-
4. Необходимо переписать данную папку в виде архива в ранее созданную директорию C:\SMD4 (см.п.1) и в ней распаковывать. Возможно копирование в директорию SMD4 уже распакованной папки.
-
5. Для инициализации базы данных запустить файл C:\SMD4\server-work-config-build-XXX\ initDb.bat
-
6. Для запуска программы необходимо запустить файл: C:\SMD4\server-work-config-build- XXX \run. bat
Для ОС Linux:
-
1. Предварительно закрыть все приложения.
-
2. Файл установки располагается на дистрибутивном носителе в директории МЦП в каталоге server-work-config-build.
-
3. В папке home необходимо создать папку с названием SMD4
-
4. Необходимо переписать данную папку в виде архива в ранее созданную директорию home\SMD4 (см.п.1) и в ней распаковывать. Возможно копирование в директорию SMD4 уже распакованной папки.
-
5. Для инициализации базы данных открыть в терминале папку \home\SMD4\server-work-config-build-XXX \ и выполнить команду sudo sh initdb.sh
-
6. Для запуска программы необходимо открыть в терминале папку \home\SMD4\server-work-config-build- XXX \ и выполнить команду sh run.sh
К поверке МЦП допускаются лица:
-
• имеющие высшее или среднетехническое образование и прошедшие обучение в установленном порядке;
-
• изучившие нормативные документы на поверяемые модули измерения сигналов вибрации и напряжения МЦП;
-
• имеющие опыт работы со средствами измерений параметров вибрации не менее одного года.
-
3.1. При проведении поверки должны быть соблюдены следующие требования безопасности:
-
• средства поверки и поверяемые средства, а также вспомогательное оборудование должны иметь защитное заземление;
-
• меры безопасности при подготовке и проведении измерений должны соответствовать требованиям ГОСТ 12.2.007.0-75 ССБТ.
-
3.2. Установку и подключение средств поверки, поверяемых МЦП и вибропреобразователей, а также вспомогательного оборудования проводят при выключенном питании.
При проведении поверки должны быть соблюдены следующие условия:
-
• температура окружающего воздуха, °C от 18 до 25;
-
• относительная влажность воздуха, % от 45 до 80.
Поверитель должен изучить техническое описание и руководства по эксплуатации поверяемого МЦП и используемых средств поверки.
Используемые средства поверки должны быть заземлены и прогреты в течение времени, указанного в руководстве по эксплуатации.
Поверяемый вибропреобразователь должен устанавливаться на вибростенд в соответствии с эксплуатационной документацией на данный преобразователь или согласно требованиям, ГОСТ ИСО 5348-2002.
Применяемые эталонные средства поверки должны иметь действующие свидетельства о поверке.
6.1.Внешний осмотр
При внешнем осмотре устанавливают соответствие МЦП следующим требованиям:
-
• отсутствие механических повреждений корпуса, соединительных кабелей и электрических разъемов;
-
• комплектность и маркировка должны соответствовать требованиям, установленным в формуляре и руководстве по эксплуатации;
-
• контактирующая поверхность преобразователя должна быть очищена от загрязнений.
В случае несоответствия МЦП хотя бы одному из выше указанных требований, они считаются непригодными к применению, и поверка не производится до устранения выявленных замечаний.
Если замечания устранить невозможно, выдается извещение о непригодности с
лист 9 листов 26 указанием причин.
6.2.Идентификация программного обеспечения
Для проверки по данному пункту необходимо выполнить следующую последовательность действий:
Включить компьютер с установленным программным обеспечением, предназначенным для проведения поверки МЦП
Запустить программное обеспечение server-work-config-build.
Перейти на вкладку «Измерительные устройства».
В поле дерева измерительных устройств (расположенном слева) выделить элемент «Измерительная станция Local Work client».
После чего в информационном поле, расположенном справа от дерева измерительных устройств, в строке MD5 отобразится контрольная сумма ПО.
Таблица 6.2-1.
Версия программного обеспечения |
Контрольная сумма |
Не менее 151 |
6349A59DB543991E8EDBCEEED22BED70 |
При совпадении контрольной суммы на экране компьютера с установленным программным обеспечением, предназначенным для проведения поверки модулей МЦП, с указанной в таблице 6.2-1, метрологически значимую часть программного обеспечения считать идентифицированной.
6.3.Опробование
Опробование МЦП следует выполнять посредством его подключения к ПК и перехода во вкладку «Измерительные устройства» в комплектном ПО предназначенном для проведения поверки.
При опробовании оценка метрологических характеристик модулей МЦП не производится.
Результаты опробования считаются положительными, если при подключении МЦП к компьютеру с установленным программным обеспечением, предназначенным для проведения поверки МЦП, в программном обеспечении отображается серийный номер модуля измерения сигналов вибрации и напряжения МЦП;
В случае невозможности подключения МЦП при опробовании дальнейшая поверка не выполняется.
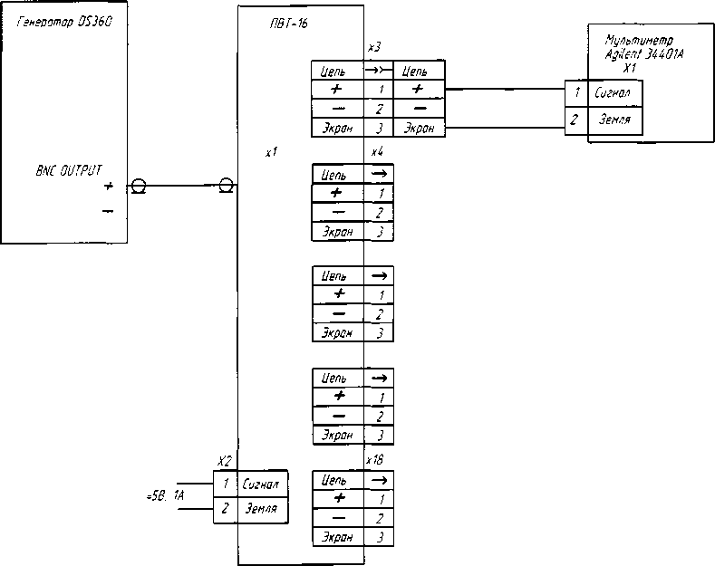
6.4. Подготовка к проведению поверки (проверка ПВТ-16)
Проверка по данному пункту проводятся только при наличии в комплекте повторителя-разветвителя ПВТ-16
Для проверки по данному пункту собрать схему, приведенную на рис 1.



Вариант подключения Б
Рисунок 1.
Установить на генераторе сигналов DS360 сигнал синусоидальной формы с частотой 1000 Гц, средним квадратическим значением напряжения 1000 мВ и значением постоянной составляющей 1000 мВ.
Мультиметром Agilent 34411А провести измерение и переменной составляющей сигнала напряжения на выходе каждого из каналов ПВТ-16.
Результаты измерений для каждого канала занести в таблицу 6.4-1.
Таблица 6.4-1
Номер канала ПВТ-16 |
Задано ии, мВ |
Измерено ии, мВ |
Погрешность, % | |
Переменная составляющая |
Вариант подключения А |
Вариант подключения Б |
Максимальное значение погрешности обоих вариантов подключения | |
1. |
± 1 | |||
2. |
± 1 | |||
3. |
± 1 | |||
4. |
± 1 | |||
5. |
± 1 | |||
6. |
± 1 | |||
7. |
± 1 | |||
8. |
± 1 | |||
9. |
± 1 | |||
10. |
± 1 | |||
И. |
± 1 | |||
12. |
± 1 | |||
13. |
± 1 | |||
14. |
± 1 | |||
15. |
± 1 | |||
16. |
± 1 |
Рассчитать погрешность измерения по формуле:
8 = (ии-Уз) х 100од где
Уз
Uh - измеренное значение сигнала напряжения,
U3 - заданное значение сигнала напряжения.
Результат проверки является положительным, а ПВТ-16 пригодным для проведения испытаний модулей МЦП если погрешность измерения не превышает ± 1 %.
6.5. Подключение модуля МЦП
Для работы с МЦП следует подключить модуль к компьютеру посредством USB кабеля, запустить программу server-work-config-build и перейти во вкладку «Измерительные устройства».
Вкладка состоит из поля, содержащего «Дерево измерительных устройств» (слева), и «Информационного поля» (справа), которое может содержать дополнительные вкладки перечень которых зависит от выбранного элемента дерева. Дерево измерительных устройств состоит из БИАС (обозначается как «Измерительная станция»), в состав которых входят измерительные модули МЦП.
Индикация состояния подключенных устройств и первичных преобразователей следующая:
• Устройства (МЦП), первичные преобразователи подключены на программном и физическом уровне. В дереве оборудования устройства индицируются зелёным цветом. В информационном поле, строка состояния так же индицируется зелёным
лист 12 листов 26 цветом и на ней отображается надпись: «МЦП подключен и работает». В информационном поле строка состояния первичных преобразователей индицируется зелёным цветом с надписью: «Датчик исправен».
• Устройства и первичные преобразователи отключены на физическом или программном уровне, или имеется сбой в подключении. В дереве оборудования устройства индицируются серым цветом. В информационном поле, строка состояния индицируется красным цветом с надписью: «МЦП не подключен». В информационном поле строка состояния первичных преобразователей индицируется красным цветом с надписью: «Отказ датчика».
Для добавления в список устройств, подключенного к локальной измерительной сети БИАС, необходимо в дереве устройств перейти к корневому элементу «Сервер», на вкладке «Измерительные устройства», выбрать в списке «Неизвестные станции» нужный БИАС и нажать кнопку «Сохранить станцию».
Для добавления в список устройств МЦП необходимо выбрать в дереве БИАС, с которым установлена связь (имя которого отображается зеленым), и из списка «Неизвестные МЦП», выбрать нужный элемент и нажать кнопку «Сохранить МЦП». Добавленный элемент должен появиться в списке измерительных устройств. Если МЦП подключен, но в списке он не отображается, то в поле «Неизвестные МЦП» необходимо нажать на кнопку «Найти подключенные МЦП» Для удаления элемента из списка устройств нужно выбрать в списке соответствующий элемент и нажать кнопку «Удалить». Более подробно работа с данной вкладкой и вкладками метрологических испытаний описана в руководстве по эксплуатации ВАРБ. 411711.133РЭ.
7. ПРОВЕДЕНИЕ ПОВЕРКИВ запущенной программе server-work-config-build перейти на вкладку «Проведение МИ». В информационном поле «Список добавленных МИ» нажать на кнопку «Добавить». В открывшемся окне «Добавление МИ» выбрать из списка пункт «Поверка» и нажать кнопку «Сохранить». Выбранный пункт отображается в информационном поле «Список добавленных МИ». Каждый пункт включает в себя необходимый набор «методов испытания», подобранный конкретно под данный «вид испытания».
Далее, нажатием левой кнопки мыши, необходимо выделить вид испытания и нажать на кнопку «Открыть», расположенную в верхней части поля «Список добавленных МИ».
В открывшемся поле «Метрологическая аттестация» необходимо перейти на вкладку «Устройства». В списке доступных к добавлению устройств, выбрать испытуемый модуль, который отображается в поле как «Локальная измерительная станция» и нажать кнопку «Добавить».
Для формирования автоматического отчёта необходимо перейти во вкладку «Общие данные» и заполнить форму. Далее следуют индивидуальные настройки для каждого пункта испытаний описанные ниже.

Внимание! В зависимости от метода испытаний конфигурация измерительного тракта происходит автоматически.
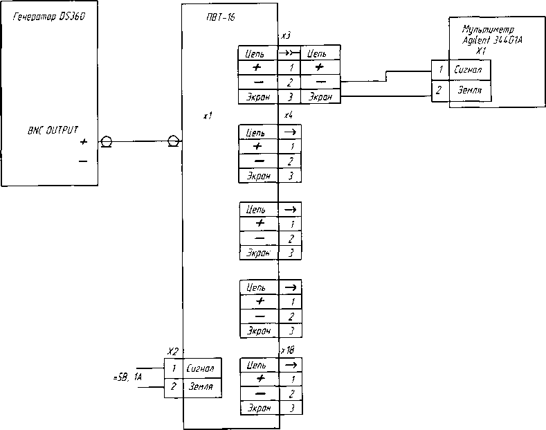
1Л. Определение допускаемой относительной погрешности измерений напряжения (СКЗ) переменного тока
Для проведения поверки по данному пункту собрать следующие схемы:
-
• приведенную на рисунке 2 при наличии ПВТ-16;
-
• приведенную на рисунке 3 в случае отсутствия ПВТ-16;
Внимание! Поверка МЦП с использованием ПВТ-16 производятся только для
модулей типа МЦП-КД, МЦП-БД.
Гж pump DS360
BNC OUTPUT

Рисунок 2
Цепь |
Цепь | |
+ |
1 |
+ |
— |
2 |
— |
Экран |
3 |
Экран |
Ki | ||
Цепь |
Цепь | |
+ |
1 |
+ |
— |
2 |
— |
Экран |
3 |
Экран |
1 |
Сигнал |
2 |
Земля |
Цепь |
-> |
+ |
1 |
— |
2 |
Экран |
3 |
Цепь |
-> |
+ |
1 |
— |
2 |
Экран |
3 |
х18 | |
Цепь |
-> |
+ |
1 |
— |
2 |
Экран |
3 |
<— |
Цепь | |
/ |
+ | |
2 |
— | |
3 |
Экран | |
хЗ | ||
<- |
Цепь | |
/ |
+ | |
2 |
— | |
3 |
Экран | |
Xi | ||
<- |
Цепь | |
1 |
+ | |
2 |
— | |
3 |
Экран | |
х5 | ||
Цепь |
Цепь | |
+ |
1 |
+ |
— |
2 |
— |
Экран |
3 |
Экран |

Подключить МЦП к компьютеру (подробнее см. п. 6.5)
Установить на генераторе сигналов DS360 сигнал синусоидальной формы с частотой 0,5 Гц и средним квадратическим значением напряжения 3535 мВ (5000 мВ ПИК).
Запустить ПО server-work-config-build, поставляемое в комплекте с модулем МЦП.
Выполнить действия, описанные в пункте 7.
Далее перейти во вкладку «Испытания», которая содержит список «методов испытаний» для каждого из которых указывается процент выполненных заданий, выделить метод 01 «Определение допускаемой основной относительной погрешности измерения СКЗ сигнала напряжения на входе МЦП/БИАСмВ» и нажать кнопку «Открыть».
В открывшемся списке заданий необходимо выбрать верхнее из списка, где F3=0,5 Гц, при этом справа от списка появится соответствующая схема поверки, и нажать кнопку «Выполнение задания». Для выполнения задания необходимо галочками выбрать нужный(е) канал(ы) и нажать кнопку «Старт».

Внимание! При проведении поверки с использованием ПВТ-16 необходимо выделить все каналы поверяемого модуля/модулей МЦП, при поверке без использования ПВТ-16 выделяются только каналы, поверяемые на данный момент.
Появившееся окно «Ожидайте выполнения задания» свидетельствует о запущенном процессе выполнения задания.
По окончании выполнения измерения напротив каждого канала в столбце «Результат» отображается результат выполнения задания «Годен/Не годен» с соответствующей индикацией «Зелёный/Коричневый».
При проведении измерений производится вычисление СКЗ сигнала напряжения в полосе частот от 0,5 до 51200 Гц. Единицы измерения: В. Тип шкалы: линейная.
Изменяя частоту и поддерживая среднее квадратическое значение напряжения 3535 мВ
лист 15 листов 26 (5000 мВ ПИК) сигнала, установленного на генераторе DS360 провести измерения для всех значений частоты и СКЗ указанных в таблице 7.1-1
Поверку необходимо провести для каждого канала. При проведении поверки без применения ПВТ-16 переключение между каналами осуществляется вручную. Для перехода к следующему заданию необходимо нажать кнопку «След. ->», далее отметить каналы, которые следует проверить и нажать кнопку «Старт».
Результаты испытаний заносятся в таблицу 7.1-1
Таблица 7.1-1
Параметры входного сигнала |
ии, мВ, СКЗ в полосе частот 0,5 - 51200 Гц |
Погрешность, % |
Допустимая погрешность, % | |||||||
Частота, Гц |
U3, мВ, СКЗ |
Канал 1 |
Канал 2 |
Канал 3 |
Канал 4 |
Канал 1 |
Канал 2 I |
Канал 3 |
Канал 4 | |
0,5 |
3535 |
± 10 | ||||||||
1 |
3535 |
± 10 | ||||||||
2 |
3535 |
±3 | ||||||||
5 |
3535 |
±3 | ||||||||
50 |
3535 |
±3 | ||||||||
100 |
3535 |
±3 | ||||||||
500 |
3535 |
±3 | ||||||||
5000 |
3535 |
±3 | ||||||||
10000 |
3535 |
±3 | ||||||||
15000 |
3535 |
±3 | ||||||||
25600 |
3535 |
±3 | ||||||||
30000 |
3535 |
±3 | ||||||||
40000 |
3535 |
±3 | ||||||||
51200 |
3535 |
±3 | ||||||||
1000 |
3535 |
±3 | ||||||||
1000 |
353,3 |
±3 | ||||||||
1000 |
35,33 |
±3 | ||||||||
1000 |
3,534 |
± 3 | ||||||||
1000 |
0,353 |
±3 |
Погрешность рассчитывается автоматически по формуле:
8 = (ии-и3) х 100%, гдеУз
Ии - СКЗ измеренного напряжения,
Из - СКЗ заданного напряжения.
Результат поверки является положительным, если погрешность измерения по каждому каналу МЦП составляет:
-
• в диапазоне частот от 0,5 до 51200 Гц не превышает ±10 %;
-
• в диапазоне частот от 2,0 до 51200 Гц не превышает ± 3 %.
7.2 Определение допускаемой относительной погрешности при измерении СКЗ спектральных составляющих напряжения
Для проверки по данному пункту собрать следующие схемы:
-
• приведенную на рисунке 2 при наличии ПВТ-16;
-
• приведенную на рисунке 3 в случае отсутствия ПВТ-16;

Внимание! Поверка модулей МЦП с использованием ПВТ-16 производится
только для модулей типа МЦП-КД, МЦП-БД.
Подключить модуль МЦП к компьютеру (подробнее см. п. 6.5).
Установить на генераторе сигналов DS360 сигнал синусоидальной формы с частотой 0,5 Гц и СКЗ напряжения 3535 мВ (5000 мВ ПИК).
Запустить ПО server-work-config-build, поставляемое в комплекте с модулем МЦП.
Выполнить действия, описанные в пункте 7.
Далее перейти во вкладку «Испытания», которая содержит список «методов испытаний» для каждого из которых указывается процент выполненных заданий.
Данное испытание разбито на три метода:
-
• метод 03 «Проверка погрешности измерения спектральных составляющих_25 Гц_мВ»
-
• метод 03 «Проверка погрешности измерения спектральных составляющих ! 600 ГцмВ»
-
• метод 03 «Проверка погрешности измерения спектральных составляющих_51200 ГцмВ»
Цифра в герцах обозначает верхнюю граничную частоту диапазона.
Выбрать метод «Проверка погрешности измерения спектральных составляющи_25 Гц», и нажать кнопку «Открыть».
В открывшемся списке заданий необходимо выбрать верхнее из списка, где Гз=0,5 Гц, при этом справа от списка появится соответствующая схема испытания, и нажать кнопку «Выполнение задания». Для выполнения задания необходимо галочками выбрать нужный(е) канал(ы) и нажать кнопку «Старт».

Внимание! При проведении поверки с использованием ПВТ-16 необходимо выделить все каналы поверяемого модуля/модулей МЦП, при поверке без использования ПВТ-16 выделяется только один канал испытываемый на данный момент.
Появившееся окно «Ожидайте выполнения задания» свидетельствует о запущенном процессе выполнения задания.
По окончании выполнения измерения в столбце «Результат» напротив каждого канала отображается результат выполнения задания «Годен/Не годен» с соответствующей индикацией «Зелёный/Коричневый».
Поверку необходимо провести для каждого канала. При проведении поверки без применения ПВТ-16 переключение между каналами осуществляется вручную. Для перехода к следующему заданию необходимо нажать кнопку «След. ->», далее отметить каналы, которые необходимо проверить и нажать кнопку «Старт».
При проведении измерений, производится спектральный анализ входного сигнала со следующими параметрами:
Граничная частота спектра:
-
• для частот 0,5; 1; 2 Гц равна 25 Гц;
-
• для частоты 1000 Гц равна 1600 Гц
-
• для частот от 5000 до 51200 Гц равна 51200 Гц
Число линий:
-
• для частот 0,5; 1; 2 Гц равно 200;
-
• для частоты 1000 Гц равна 6400;
-
• для частот от 5000 до 51200 Гц равна 12800 Гц.
Единицы измерения: В
Тип шкалы: линейная
Произвести измерения для методов в соответствии с таблицей 7.2-1. СКЗ и частоту
лист 17 листов 26 сигнала задавать в соответствии с таблицей 7.2-1.
Для отображения измеренного спектра, следует дважды щёлкнуть по строке испытуемого канала.
Результаты измерения заносятся в таблицу 7.2-1
Таблица 7.2-1
Параметры входного сигнала |
Результаты измерения для каждого канала |
Обработка результатов измерений | ||||
Частота, Гц |
Метод проведения испытания |
U3, мВ, СКЗ |
Un, мВ, СКЗ |
Погрешность, % | ||
Амплитуда сс |
Частота сс, Гц |
Определенная |
Допустимая | |||
0,5 |
Метод 03 с граничной частотой 25 Гц |
3535 |
±10 | |||
1 |
3535 |
±10 | ||||
2 |
3535 |
±3 | ||||
5000 |
Метод 03 с граничной частотой 51200 Гц |
3535 |
±3 | |||
10000 |
3535 |
±3 | ||||
25600 |
3535 |
±3 | ||||
30000 |
3535 |
±5 | ||||
51200 |
3535 |
±5 | ||||
1000 |
Метод 03 с граничной частотой 1600 Гц |
3535 |
±3 | |||
1000 |
1117 |
±3 | ||||
1000 |
353,3 |
±3 | ||||
1000 |
35,33 |
±3 | ||||
1000 |
3,534 |
±3 | ||||
1000 |
0,353 |
±3 | ||||
1000 |
0,035 |
±3 |
Погрешность рассчитывается автоматически по формуле:
5 = х 100%, где
из
Uh - СКЗ измеренного напряжения,
U3 - СКЗ заданного напряжения.
Результат поверки является положительным, если погрешность измерения по каждому каналу МЦП составляет:
-
• в диапазоне частот от 0,5 до 51200 Гц не превышает ± 10 %;
-
• в диапазоне частот от 2 до 25600 Гц не превышает ± 3 %;
-
• в диапазоне частот от 2 до 51200 Гц не превышает ± 5 %.
7.3 Определение допускаемой относительной погрешности измерений частоты вращения
Собрать схему для проверки согласно схеме, приведенной на рис. 4.

На выходе генератора DS360 установить меандр, значением переменного напряжения 5 В (РАЗМАХ), значением постоянного напряжения 2,5 В, частотой в соответствии с таблицей 7.3-1.
Запустить ПО server-work-config-build, поставляемое в комплекте с модулем МЦП.
Подключить модуль МЦП к компьютеру (подробнее см. п. 6.5)
Выполнить действия, описанные в пункте 7.
Далее перейти во вкладку «Испытания», которая содержит список «методов испытаний» для каждого из которых указывается процент выполненных заданий, выделить метод 12 «Проверка относительной погрешности при измерении частоты вращения» и нажать кнопку «Открыть».
В открывшемся окне необходимо выделить задание с заданной частотой F3=0,l Гц (верхняя строчка), и нажать кнопку «Выполнение задания». Далее необходимо галочками выбрать нужный(е) канал(ы) и нажать кнопку «Старт».
Появившееся окно «Ожидайте выполнения задания» свидетельствует о запущенном процессе выполнения задания.
По окончании выполнения измерения в столбце «Результат» напротив каждого канала отображается результат выполнения задания «Годен/Не годен» с соответствующей индикацией «Зелёный/Коричневый».
По завершении первого задания необходимо перейти к следующему. Для перехода необходимо нажать кнопку «След. ->», далее отметить каналы, которые необходимо проверить, и нажать кнопку «Старт».
Изменяя заданную частоту (F3) на генераторе DS360 провести измерения согласно таблицы 7.3-1.
лист 19 листов 26 При проведении измерений, производится измерение скорости вращения со следующими параметрами: Единицы измерения: об/мин.
Результаты измерения заносятся в таблицу 7.3-1.
Таблица 7.3-1.
Параметры входного сигнала |
Результаты измерения |
Погрешность, об/мин |
Погрешность допустимая, об/мин | |||
F3, Гц |
N3, об/мин |
U3, меандр АС(размах)/ОС мВ |
Бизм, Гц |
Nh, об/мин | ||
0,1 |
6 |
5000/2500 |
±(0,5+Nh-0,01) | |||
2 |
120 |
±(O,5+NhO,O1) | ||||
5 |
300 |
±(0,5+Nh-0,01) | ||||
10 |
600 |
±(0,5+Nh-0,01) | ||||
20 |
1200 |
±(0,5+Nh-0,01) | ||||
50 |
3000 |
±(0,5+Nh-0,01) | ||||
100 |
6000 |
±(0,5+Nh-0,01) | ||||
200 |
12000 |
±(0,5+Nh-0,01) | ||||
500 |
30000 |
±(0,5+Nh-0,01) |
Погрешность рассчитывается по формуле:
Д= Nh - N3, где
Nh - измеренное значение частоты вращения, об/мин,
N3 - заданное значение частоты вращения, об/мин.
Результат поверки является положительным, если относительная погрешность измерения частоты вращения не превышает ±(0,5+Nh-0,01).
Погрешность отображаемая в таблице ПО является информативной.
7.4 Определение действительных коэффициентов преобразования
вибропреобразователей
Для проведения проверки по данному пункту необходимо собрать стенд для проверки согласно схеме, приведенной на рис. 5.

Установить вибропреобразователь, подключенный к соответствующему каналу модуля МЦП на виброустановку.
На виброустановке задать виброускорение с амплитудой 10 м/с2 на частоте 159,15 Гц.
Подключить МЦП к компьютеру (подробнее см. п. 6.5).
Выполнить действия, описанные в пункте 7.
Перейти во вкладку «Датчики» и нажать кнопку «Добавить». В открывшемся окне задаются «Серийный номер» датчика и коэффициент преобразования. Для определения действительно коэффициента преобразования в поле «коэффициент преобразования» необходимо установить значения номинального коэффициента преобразования. Информация о номинальном коэффициенте преобразования берется из описания типа на вибропреобразователь. Допускается в поле коэффициент преобразования записать значение 100 Галочку в пункте «Всегда использовать номинальный КП» следует снять. Нажать кнопку «Сохранить».
Далее перейти во вкладку «Испытания», которая содержит список методов испытаний для каждого из которых указывается процент выполненных заданий, выделить метод 13 «Определение действительного коэффициента преобразования вибропреобразователей» и нажать кнопку «Открыть».
В открывшемся окне необходимо выделить задание и нажать кнопку «Выполнение задания». Далее необходимо галочками выбрать нужный(е) канал(ы), в столбце «Датчики» в выпадающем меню выбрать испытуемый датчик и нажать кнопку «Старт».
Появившееся окно «Ожидайте выполнения задания» свидетельствует о запущенном процессе выполнения задания.
По окончании выполнения измерения в столбце «КП(мВ/(Ед.изм.))(текущий)» напротив каждого измеряемого канала отображается результат вычисления текущего коэффициента преобразования для испытуемого вибропреобразователя.
По завершении испытания с текущим вибропреобразователем следует перейти к следующему путём его выбора из выпадающего меню в столбце «Датчики».
При проведении измерений, производится измерение общего уровня виброускорения со следующими параметрами: Единицы измерения: м/с2; Шкала: линейная; Полоса частот от 10
лист 21 листов 26 до 1000 Гц (см. Таблицу 7.4-1).
Результаты испытаний заносятся в таблицу 7.4-1.
________________________________________________________Таблица 7.4-1
Параметры входного сигнала |
Датчик |
Результаты измерения для каждого канала |
Обработка результатов измерений | |
Частота, Гц |
А„ м/с2, СКЗ |
Идентификатор вибропреобразователя (ввод пользователя) |
Аи, м/с , СКЗ* |
Коэффициент преобразования действительный КПд |
159,15 |
10 |
Обозначение; серийный номер; КПн. |
Действительное значение коэффициента преобразования Кд, мВ/g для вибропреобразователя определяются автоматически по формуле:
Л
мВ мВ АИЗМ1Т2Э
Кд(~) = Куст(—) х - “мГ
9 АзлдС^г)
где Куст установленный в МЦП коэффициент преобразования вибропреобразователя, мВ/g (100 мВ/g),
Аизм - измеренное виброускорение СКЗ, м/с2,
Аздд - виброускорение заданное СКЗ, м/с2 (10 м/с2).
После вычисления действительного коэффициента преобразования для каждого вибропреобразователя необходимо записать полученные значения в МЦП.
-
7.5 Определение пределов допускаемой относительной погрешности измерений параметров вибрации
7.5.1 Определение пределов допускаемой относительной погрешности измерения параметров вибрации, в рабочих диапазонах амплитуд для рабочего диапазона частот комплектного вибропреобразователя

Внимание! К данному методу следует приступать только после определения
действительного значения коэффициента преобразования по методу 13 «Определение действительного коэффициента преобразования вибропреобразователей», т.к. для проведения поверки используются действительные коэфффициенты преобразования вибропреобразователей.
Описываемый метод испытания состоит из трёх методов:
Метод 14 Определение пределов допускаемой относительной погрешности в рабочих диапазонах СКЗ виброускорения в комплекте с вибропреобразователями
Метод 15 Определение пределов допускаемой относительной погрешности в рабочих диапазонах СКЗ виброскорости в комплекте с вибропреобразователями
Метод 16 Определение пределов допускаемой относительной погрешности в рабочих диапазонах СКЗ виброперемещения в комплекте с вибропреобразователями
Собрать стенд для проверки согласно схеме, приведенной на рис 5.
Установить вибропреобразователь, подключенный к соответствующему каналу МЦП на виброустановку.
На виброустановке задать значения амплитуды и частоты согласно 7.5.1-1, 7.5.1-2, 7.5.1-лист 22 листов 26 Подключить МЦП к компьютеру (подробнее см. п. 6.5).
Выполнить действия, описанные в пункте 7.
Далее перейти во вкладку «Испытания», которая содержит список методов испытаний для каждого из которых указывается процент выполненных заданий, выделить метод 14 «Определение относительной погрешности в рабочих диапазонах СКЗ виброускорения в комплекте с вибропреобразователями» и нажать кнопку «Открыть».
В открывшемся окне необходимо выделить задание и нажать кнопку «Выполнение задания». Далее необходимо галочками выбрать нужный(е) канал(ы), в столбце «Датчики» в выпадающем меню выбрать испытуемый датчик и нажать кнопку «Старт».
Появившееся окно «Ожидайте выполнения задания» свидетельствует о запущенном процессе выполнения задания.
По завершении испытания с текущим вибропреобразователем следует прейти к следующему путём его выбора из выпадающего меню в столбце «Датчики».
По окончании выполнения измерения в столбце «Результат» напротив каждого канала отображается результат выполнения задания «Годен/Не годен» с соответствующей индикацией «Зелёный/Коричневый». В соседнем столбце «ПГ(%)» отображается погрешность измерения по каждому испытуемому каналу.
По завершении первого задания необходимо перейти к следующему. Для перехода необходимо нажать кнопку «След. ->», далее отметить каналы, которые необходимо проверить и нажать кнопку «Старт».
По завершении проверок по данному методу необходимо перейти к следующему.
Проверки следует провести для всех каналов поверяемого модуля МЦП согласно таблицам 7.5.1-1, 7.5.1-2, 7.5.1-3.
Погрешность вычисляется автоматически по формуле:
S„ = Хи3И-Х8М х 10()%
Хзад
Хизм и Хз,]д соответственно измеренное и заданное значения параметра вибрации. Результаты испытаний заносятся в таблицу 7.5.1-1, 7.5.1-2, 7.5.1-3
Примечание:
Допускается значения виброускорения до 1 м/с2 и выше 100 м/с2, виброскорости до 1,99 мм/с и выше 198,94 мм/с, виброперемещения до 15,83 мкм и выше 1583,14 мкм измерять путем подачи эквивалентного напряжения, значения которого определяются по формуле:
А 2х1Гх^хКх 103 (2 х я х у)2 х S х 106
U = Кп Х 9,807 = х 9,807 “ Кп * 9,807
где А - виброускорение, м/с2, Кп - коэффициент преобразования вибропреобразователя, мВ/g, /-частота, Гц, V-виброскорость, мм/с, S -виброперемещение, мкм.
Допускается проведение поверки по данному пункту только для 1 или 2 параметров вибрации в соответствии с заявлением владельца СИ, с обязательным указанием в свидетельстве о поверке и/или в формуляре информации об объеме проведенной поверки.
лист 23
листов 26
Таблица 7.5.1-2
Параметры входного сигнала |
Результаты измерения для каждого канала |
Обработка результатов измерений | ||
Частота, Гц |
Аз экв, м/с2, СКЗ |
Уз, мм/с, СКЗ |
Vh, мм/с, СКЗ |
Погрешность, % |
Определённая | ||||
80 |
0,05 |
0,1 | ||
1 |
1,99 | |||
2 |
3,98 | |||
5 |
9,95 | |||
10 |
19,89 | |||
20 |
39,79 | |||
50 |
99,47 | |||
100 |
198,94 |
Таблица 7.5.1-3
Параметры входного сигнала |
Результаты измерения для каждого канала |
Обработка результатов измерений | ||
Частота, Гц |
Аз экв, м/с2, СКЗ |
S3, мкм, СКЗ |
Sh, мкм, СКЗ |
Погрешность, % |
Определённая | ||||
40 |
0,065 |
1,029 | ||
1 |
15,83 | |||
2 |
31,66 | |||
5 |
79,16 | |||
10 |
158,31 | |||
20 |
316,63 | |||
50 |
791,57 | |||
100 |
1583,14 |
Таблица 7.5.1-1 __
Параметры входного сигнала |
Результаты измерения для каждого канала |
Обработка результатов измерений | ||
Частота, Гц |
Аз, м/с2, скз |
Аз, м/с2, СКЗ |
Аи, м/с2, СКЗ |
Погрешность, % |
Определённая | ||||
160 |
0,1 |
0,1 | ||
1 |
1 | |||
2 |
2 | |||
5 |
5 | |||
10 |
10 | |||
20 |
20 | |||
50 |
50 | |||
100 |
100 | |||
1000 |
1000 |
лист 24 листов 26 Результат поверки является положительным, если относительная погрешность МЦП в рабочих диапазонах средних квадратических значений виброускорения, виброскорости и виброперемещения в комплекте с вибропреобразователями не превышает следующих значений: ±(5+5) %, где
5 - неравномерность амплитудно-частотной характеристики вибропреобразователей для каждого нормированного поддиапазона рабочих частот. Информация о метрологических характеристиках берется из описания типа на вибропреобразователь. (При поверке по электрическому эквивалентному сигналу значение 5 принимается равным 0).
7.5 .2 Определение пределов относительной погрешности модулей МЦП в рабочем диапазоне частот в комплекте с вибропреобразователями

Внимание! К данному методу следует приступать только после определения
действительного значения коэффициента преобразования по методу 13 «Определение действительного коэффициента преобразования вибропреобразователей», т.к. для проведения испытания тсполъзуются действительные коэфффициенты преобразования вибропреобразователей.
Собрать стенд для проверки согласно схеме, приведенной на рис5.
Установить вибропреобразователь, подключенный к соответствующему каналу модуля МЦП на виброустановку.
На виброустановке задать значения амплитуды и частоты согласно таблице 7.5.2-1.
Далее перейти во вкладку «Испытания», которая содержит список «методов испытаний» для каждого из которых указывается процент выполненных заданий. Данное «испытание» разбито на три пункта:
-
• 17 Определение относительной погрешности в рабочем диапазоне частот в комплекте с вибропреобразователями_25Гц
-
• 17 Определение относительной погрешности в рабочем диапазоне частот в комплекте с вибропреобразователями_3200Гц
-
• 17 Определение относительной погрешности в рабочем диапазоне частот в комплекте с вибропреобразователями_25600Гц
Выбрать «Метод 17 Определение относительной погрешности в рабочем диапазоне частот в комплекте с вибропреобразователями_25Гц», и нажать кнопку «Открыть».
В открывшемся списке заданий необходимо выбрать верхнее из списка, где F3=0,5 Гц, при этом справа от списка появится соответствующая схема проверки, и нажать кнопку «Выполнение задания».
Далее необходимо галочками выбрать нужный(е) канал(ы), в столбце «Датчики» в выпадающем меню выбрать испытуемый датчик и нажать кнопку «Старт».
Появившееся окно «Ожидайте выполнения задания» свидетельствует о запущенном процессе выполнения задания.
По завершении проверки с текущим вибропреобразователем следует прейти к следующему путём его выбора из выпадающего меню в столбце «Датчики».
Изменяя значение частоты провести измерения, соответствующие таблице 7.5.2-1 для каждого канала МЦП.
По окончании выполнения измерения в столбце «Результат» напротив каждого канала отображается результат выполнения задания «Годен/Не годен» с соответствующей индикацией «Зелёный/Коричневый». В соседнем столбце «ПГ(%)» отображается погрешность измерения по каждому испытуемому каналу. Погрешность, отображаемая в данном столбце, является информативной. Данные о нормируемом значении погрешности должны быть получены из описания типа на соответствующий вибропреобразователь.
По завершении первого задания необходимо перейти к следующему. Для перехода лист 25 листов 26 необходимо нажать кнопку «След. ->», далее отметить каналы, которые необходимо проверить и нажать кнопку «Старт».
Произвести измерения для методов в соответствии с таблицей 7.5.2-1. СКЗ и частоту сигнала задавать в соответствии с таблицей 7.5.2-1.
Поверку следует провести для всех каналов испытуемого модуля МЦП согласно таблице 7.5.2-1.
Результаты испытаний заносятся в таблицу 7.5.2-1
Таблица 7.5.2-1
Частота, Гц |
Параметры входного сигнала |
Результаты измерения для каждого канала |
Обработка результатов измерений | |||||||
Граничная частота для выбранного метода испытания |
Аз, м/с2, СКЗ |
V3, мм/с, СКЗ |
S3, мкм, СКЗ |
Аи, м/с2, СКЗ |
V3, мм/с, СКЗ |
Sh, мкм, СКЗ |
Погрешность, % | |||
А |
V |
S | ||||||||
0.5 |
25 Гц |
1 |
318.3 |
101321 | ||||||
1,7 |
1 |
93,62 |
8765 | |||||||
2 |
1 |
79,58 |
6335 | |||||||
2,4 |
1 |
224,69 |
21046 | |||||||
5 |
1 |
31,83 |
1013 | |||||||
10 |
10 |
159 |
2534 | |||||||
20 |
3200 Гц |
10 |
79,58 |
633 | ||||||
40 |
10 |
39,79 |
158 | |||||||
80 |
10 |
19,89 |
39,6 | |||||||
160 |
10 |
9,95 |
9,9 | |||||||
500 |
10 |
3,18 |
1,01 | |||||||
1000 |
10 |
1,59 |
0,25 | |||||||
2000 |
10 |
7,96 |
0,63 | |||||||
5000 |
25600 Гц |
10 |
3,183 |
- | ||||||
7000 |
10 |
2,274 |
- | |||||||
10000 |
10 |
- |
- |
- |
- | |||||
15000 |
10 |
- |
- |
- |
- | |||||
20000 |
10 |
- |
- |
- |
- |
Примечание: допускается проводить поверку на частотах ниже 5 Гц и выше 10 кГц путем подачи эквивалентного напряжения, значения которого определяются по формуле:
A 2xjtx/xVx 103 (2 х п х /)2 х S х 10б
U= 9 807 = кп х 9,807 = Кп Х 9,807
Допускается воспроизведение сигнала виброускорения (СКЗ) отличного от заданного в таблице 7.5.2-1 с последующим пересчетом заданных значений виброскорости и виброперемещения. В случае воспроизведения сигнала виброускорения (СКЗ) отличного от заданного, погрешность необходимо рассчитать вручную.
Допускается проведение поверки по данному пункту только для 1 или 2 параметров вибрации в соответствии с заявлением владельца СИ, с обязательным указанием в свидетельстве о поверке и/или в формуляре информации об объеме проведенной поверки.
Допускается проведение поверки по данному пункту в сокращенном диапазоне частот, в соответствии с заявлением владельца СИ, с обязательным указанием в свидетельстве о поверке и/или в формуляре информации об объеме проведенной поверки.
лист 26 листов 26 Погрешность вычисляется по формуле:
(Хи - Х3)
8 = —— х 100%
Хз
где: Хи - соответствующий результат измерения (А. V, S).
Хз - соответствующее заданное значение (А, V. S).
Результат проверки является положительным, если относительная погрешность МЦП в рабочих диапазонах частот в комплекте с вибропреобразователями не превышает следующих значений:
-
• ±( 10+8) %, для диапазона частот от 0.5 до 51200 Гц,
-
• ±(5+5) %, для диапазона частот от 2 до 20000 Гц.
где 5 - неравномерность амплитудно-частотной характеристики вибропреобразователей для каждого нормированного поддиапазона рабочих частот. Информация о метрологических характеристиках берется из описания типа на вибропреобразователь. (При поверке по электрическому эквивалентному сигналу значение 5 принимается равным 0).
Примечание: возможно проведение поверки модулей МЦП для использования с вибропреобразователем IEPE(ICP) утвержденного типа, имеющего действующее свидетельство о поверке. В этом случае поверка модуля МЦП проводится в соответствие с п. 7,5.1-7.5.2 путем подачи эквивалентного напряжения. Неравномерность амплитудно-частотной характеристики вибропреобразователя 1ЕРЕ(1СР) утвержденного типа, имеющего действующее свидетельство о поверке, определяется из технической документации. Относительная погрешность модуля МЦП для использования с вибропреобразователем IEPE(ICP) утвержденного типа в этом случае рассчитывается по формуле:
8 =6<>+8мцп
где: 8д — неравномерность амплитудно-частотной характеристики (для каждого нормированного поддиапазона рабочих частот) вибропреобразователя 1ЕРЕ(1СР) утвержденного типа, имеющего действующее свидетельство о поверке:
8мцп — значение относительной погрешности модуля МЦП при поверке путем подачи эквивалентного напряжен ня.
8 ОФОРМЛЕНИЕ РЕЗУЛЬТАТОВ ПОВЕРКИ-
8.1. При выполнении операций поверки оформляются протоколы по произвольной форме.
-
8.2. На МЦП. признанные годными при поверке, выдается свидетельство о поверке по форме, установленной Приказом Минпромторга России № 1815 от 02.07.2015г и (или) делается отметка с записью в формуляре СИ. заверяемая подписью поверителя и знаком поверки.
-
8.3. МЦП, не удовлетворяющие требованиям настоящей методики, к применению не допускаются и выдается извещение о непригодности с указанием причин по форме, установленной Приказом Минпромторга России № 1815 от 02.07.2015г.
Главный метролог ООО «Ассоциация
/ Зам. начальника отдела 204

И.В. Фатеева
В.Г1. Кывыржик
Начальник лаборатории 204/3
А.Г. Волченко