Методика поверки «СИСТЕМЫ АВАРИЙНОГО ОТКЛЮЧЕНИЯ ГАЗА САОГ» (МП- 242-0403 -2006)
Date of print 03-11-2023-09/17/37
___— учтенНс' * 1Государственная система обеспечения единства измерений
СИСТЕМЫ АВАРИЙНОГО ОТКЛЮЧЕНИЯ ГАЗА
САОГ
МЕТОДИКА ПОВЕРКИ
МП-242-0403-2006 г Санкт-Петербург
2006
Настоящая методика поверки распространяется на Системы аварийного отключения газа САОГ (в дальнейшем - Системы) исполнений САОГ-С, САОГ-Т, САОГ-А и устанавливает методику их первичной поверки, периодической поверки в процессе эксплуатации и по-
верки после ремонта
Межповерочный интервал - 1 год.
1 ОПЕРАЦИИ ПОВЕРКИ
1,1 При проведении поверки должны выполняться операции, ука
занные в таблице 1
Таблица 1
г
i
j
I
Т Проведение операции при 1
Номер
Наименование операции |
пункта методики поверки |
первичной поверке и поверке после ремонта |
периода- ! ческой поверке |
"1 Внешний осмотр |
6.1 |
да |
да |
2 Опробование • 6.2 |
да |
да | |
2 1 Проверка электрической прочности изоляции |
6.2.1 |
да |
нет |
2.2 Проверка электрического сопротивления изоляции |
6.2.2 |
да |
нет |
2.3 Проверка функционирования Системы |
6.2.3 |
да |
да |
2 4 Проверка изменения состояния контактов реле |
6.2.4 |
да |
да |
3 Определение метрологических характеристик |
6.3 |
да L . . |
да 1 |
12 Если при проведении той или иной операции поверки получен отрицательный результат, поверка прекращается
-
2 СРЕДСТВА ПОВЕРКИ
-
2 1 При проведении поверки должны применяться средства поверки, указанные в таблицах 2, 3.
Таблица 2
Номер пункта НТДпо поверке |
Наименование, тип, марка эта- i понного средства измерений | или вспомогатепьнозо средства поверки |
ГОСТ, ТУ или основные технические и (или) метрологические характеристики (MX) |
6.3 |
ГСО-ПГС метан - воздух в баллонах под давлением (таблица 3) |
ТУ 6-16-2956-92 |
6.2 |
Установка пробойная универсальная УПУ 1М |
АЭ 2.771.001 •• I I I |
6.2 |
Мегомметр Ф4202/2 |
ТУ25-04-2131 -78, кл.2,5, на- ! Пряжение на разомкнутых контактах 500 В |
б |
Барометр-анероид контрольный БАММ-1 |
ТУ 25-11.1513-79 1 |
6 |
Психрометр аспирационный МЗЧ |
ТУ 25-08-809-70 |
6 |
Термометр лабораторный ТЛ4 |
ГОСТ 28498-90 Диапазон измерений (0-50)°С Цена деления 0,1 °C |
6 2, 6.3 |
Вольтметр универсальный цифровой В7-54 |
УШЯИ,411182.001 ТУ |
6.3 |
Ротаметр РМ-А-0,063Г УЗ |
ТУ 25-02 070213-32 |
6.3 |
Вентиль точной регулировки |
ТУ 5Л4 463 003-02 |
6.3 |
Насадка |
СКЯТ.441586.185 |
6 |
Секундомер СОПпр 2а-3 |
ГОСТ 8.423-81 |
6.3 |
Трубка поливинилхлоридная I (ПВХ) 6x1.5 мм |
ТУ 64-2-286-79 |
Примечания;
|
Таблица 3 - Технические характеристики ГСО-ПГС метан-воздух, используемых при поверке Систем
Номинальное значение объемной доли ме- . тана в ПГС. пределы допускаемого отклс-
; нения. % н | ||
1 ПГС №1 1 |
ПГС №2 |
ПГС №3 : |
i 0 22±0,04 : | ||
1 |
0,66±0.04 | |
! |
1,1+0 06 ' |
Пределы допус- j
каемой абсолют- j Номер 1ОЙ погрешности, I ГСО по | объемная доля реестру метана, % J___I
....... 3904-87 1
±0^2 ±0,02 ±0,02
3904 S7 ’
4272-88
-
1) Изготовители и поставщики ГСО-ПГС
- ООО "Мониторинг", г Санкт-Петербург Московский пр., 19.
тел. 315-11-45,факс: 327-97-76.
ФГУП СПО "Аналитприбор", 214031, г Смоленск, ул Бабушкина, '
3. тел. (0812) 31-12-42.
ОАО "Линде Газ Рус 143907. Московская обл., г. Балашиха,
ул. Белякова, 1-а, тел. (495) 521-15-65, 521-48-83, 521-30-13;
ЗАО‘'Лентехгаз'\193148, г. Санкт-Петербург, Б.Смоленский пр., 11:; ООО "ПГС - Сервис". 624250. Свердловская обл , г Заречный,
АО Самарский кислородный завод, г Самара, ул. Береговая, 5
! 2) Допускается вместо ГСО-ПГС в баллонах под давлением исполь- | :зовать ПГС, полученные в камере КИГ-П1 КДБВ.441579.001__:
-
3 ТРЕБОВАНИЯ БЕЗОПАСНОСТИ
-
3 1 Помещение, в котором проводится поверка, должно быть оборудовано приточно-вытяжной вентиляцией.
-
3.2 При работе с чистыми газами и газовыми смесями в баллонах под давлением необходимо соблюдать "Правила устройства и безопасной эксплуатации сосудов, работающих под давлением"
-
-
4 УСЛОВИЯ ПОВЕРКИ
-
4.1 При проведении поверки должны соблюдаться следующие условия;
20±5
-
- температура окружающего воздуха. °C
-
- относительная влажность воздуха при температуре 25 °C, %
30 < 80
84 4- 106,7
-
- атмосферное давление, кПа
- напряжения питания переменного тока
частотой (50±1) Гц, В 220±22
-
4 2 В помещении, где ведется поверка, не должно быть агрессивных ароматических веществ (кислот, лаксв растворителей, светлых нефтепродуктов) Содержание коррозионно-активных агентов не должно превышать пределов, установленных для атмосферы типа I ГОСТ 15150.
-
5 ПОДГОТОВКА К ПОВЕРКЕ
Перед проведением поверки должны быть выполнены следующие подготовительные работы:
-
5.1 Подготовить Систему к работе в соответствии с требованиями Руководства по эксплуатации КДБВ 425329 001 РЭ.
-
5.2 Проверить наличие свидетельств о поверке и паспортов на средства поверки, указанные в таблице 2
-
5 3 Подготовить к работе средства поверки в соответствии с требованиями их эксплуатационной документации
5.4 Выдержать баллоны с ПГС и Системы в помещении, где проводится поверка, в течение времени, необходимого для выравнивания их температуры с температурой помещения
6 ПРОВЕДЕНИЕ ПОВЕРКИ
-
6.1 Внешний осмотр
При проведении внешнего осмотра должно быть установлено соответствие Системы следующим требованиям:
-
- комплектность Системы должна соответствовать Руководству по эксплуатации КДБВ 425329 001 РЭ:
-
- устройства, входящие в состав Системы блоки датчика. БПСУ (блок питания, сигнализации и управления). УСД (при наличии), не должны иметь повреждений влияющих на технические характеристики и препятствующих применению
-
6.2 Опробование
6 2 1 Проверка электрической прочности изоляции
Проверку электрической прочности изоляции проводят в следующим порядке
-
1) переменное напряжение величиной 1500 В прикладывают между соединенными вместе контактами сетевой вилки БПСУ и корпусом БПСУ. обернутым в фольгу,
-
2) подачу испытательного напряжения начинать от нуля или величины рабочего напряжения. Поднимать напряжение плавно или ступенями, не превышающими 10 % испытательного напряжения, за время от 5 до 20 с
-
3) испытуемую цепь выдержать под испытательным напряжением в течение 1 мин после чего напряжение плавно или ступенями снизить до нуля или близкого к рабочему, за время от 5 до 20 с.
Система считается выдержавшей испытание, если в процессе испытаний не наблюдалось признаков пробоя или поверхностного перекрытия изоляции.
-
6.2 2 Проверка электрического сопротивления изоляции
Проверку электрического сопротивления изоляции проводят мегомметром Ф 4202/2 с рабочим напряжением 500 В в следующем порядке:
-
1) испытательное напряжение прикладывают между замкнутыми между собой контактами сетевой вилки БПСУ и корпусом БПСУ. обернутым в фольгу.
-
2) отсчет показаний проводят через 1 мин после приложения испытательного напряжения.
Система считается выдержавшей испытание, если электрическое сопротивление изоляции не менее 20 МОм.
-
6.2 3 Проверка функционирования Системы
Работоспособность систем исполнений САОГ-С и САОГ-Т следует проверять в следующем порядке;
-
- подать напряжение питания на систему, нажав кнопку "Сеть" на БПСУ, должны загореться зеленые светодиоды на блоках датчика и светодиод "СЕТЬ" на БПСУ и на УСД (при наличии), кроме того, на БПСУ САОГ-Т должен загореться индикатор переключателя красным светом;
-
- выдержать систему во включенном состоянии не менее 3-х минут,
б
-
- нажать кнопку "Клапан" на БПСУ. должны, загореться зеленый светодиод "КЛАПАН" на БПСУ, замкнуться внешняя коммутируемая цепь (при наличии) у САОГ-С; замкнуться цепь питания клапана и разомкнуться цепь питания вентилятора у САОГ-Т.
-
- нажать кнопку на клапане и/или взвести его вручную'(при наличии клапана в комплекте системы), при открытии клапана слышен щелчок
Работоспособность системы исполнения САОГ-А следует проверять в следующем порядке '
-
- подать напряжение питания на систему, нажав переключатель "Сеть" на БПСУ.
-
- зеленые светодиоды на блоках датчика и на БПСУ (СЕТЬ) должны часто мигать с постепенным уменьшением частоты,
-
- должны прозвучать несколько звуковых сигналов и одновременно загореться и погаснуть красные светодиоды на блоках датчика;
БПСУ должен сработать красный светодиод и звуковой сигнал числу подключенных к БПСУ блоков датчика:
окончании процедуры автотестирования зеленый светодиод БПСУ должен гореть непрерывно, на блоках датчика - преры
-
- на
no
no
на
висто.
-
- выдержать систему во включенном состоянии не менее 3-х минут;
-
- нажать кнопку "Клапан" на БПСУ. должен загореться зеленый светодиод "Клапан" на БПСУ (замкнеться цепь питания клапана),
-
- нажать кнопку на клапане и/или взвести его вручную (при наличии клапана в комплекте системы), при открытии клапана слышен щелчок.
Результаты опробования системы считают положительными, если по истечении времени прогрева наблюдается.
-
- свечение зеленых светодиодных индикаторов на блоках датчика (прерывистое у системы САОГ-А, непрерывное у систем САОГ-С. САОГ-Т).
свечение зеленого светодиодного индикатора на УСД (УСД-1) (при наличии);
свечение зеленого светодиодного индикатора "Сеть" и "Клапан" (при нажатой кнопке "Клапан") на БПСУ;
свечение красного перекл.ючателя "сеть" у систем САОГ-Т и САОГ-А.
6.2.4 Проверка изменения состояния контактов реле
Допускается проводить проверку изменения состояния контактов реле одновременно с определением абсолютной погрешности системы по п 6 3
Проверку изменения состояния контактов реле проводят с помощью вольтметра универсального В7-54 или аналогичного, подключенного к выходу БПСУ:
-для системы исполнения САОГ-С - в режиме измерении напряжения переменного тока, для цепи Клапан",
-для систем исполнений САОГ-А. САОГ-Т и САОГ-С в режиме измерения сопротивления, для цепи "Внешняя цепь"
Измерения проводят в дежурном (без сигнализации) и аварийном (при работающей сигнализации) режимах.
Для системы САОГ-С предварительно к соответствующим розеткам БПСУ подключают кабель для подсоединения внешней цепи и кабель для подсоединения клапана.
Допускается проверку изменения состояния цепей проводить, подсоединив к БПСУ клапан, входящий в комплект поставки системы Проверку проводят в дежурном (клапан должен быть открыт) и аварийном (клапан должен закрыться) режимах
Результать; считают положительными, если'
-
- при срабатывании системы САОГ-С замкнутые цели розетки "Внешняя цепь" размыкаются, напряжение 220В на розетке "Клапан" пропадает,
-
- при срабатывании системы САОГ-Т разомкнутые цепи контактов 6-7, 9-10 замыкаются, замкнутые цепи контактов 6-5. 9-8 размыкаются-
-
- при срабатывании системы САОГ-А по уровню "Порог I" контакты
1-2, 4-5 должны замкнуться, контакты 2-3, 5-6 - разомкнуться; по уровню "Порог li" контакты 8-9, 1112 должны замкнуться, контакты 7-8 10-11 - разомкнуться .
-
- поочередно подключаясь к выходам роли Ы1СУ систем САОГ-А и САОГ-Т проследить за изменением сосюянии цепей при срабатывании системы
-
6.3 Определение метрологических характеристик Системы
-
6 3 1 Определение абсолютной noapeaiHocniii срабатывания Системы
Для определения абсолютной погрешности Системы следует со брать схему, изображенную на рисунке 1 (при использовании камеры КИГ-П1 следует выполнять указания Руководства по эксплуатации КДБВ.441579.001 РЭ).
Определение абсолютной погрешности Системы проводят при поочередной подаче на блоки датчиков ПГС (таблица 3) с расходом (0.1-0,17) дм'^/мин в течение не менее 30 с в последовательности
№ 1 - 2 - для систем исполнений САОГ-С САОГ-Т;
№ 1 - 2 - 3 - для систем исполнения САОГ-А.
Результаты испытания считают положительными, если последовательность срабатывания сигнализации при подаче ПГС соответствует указанной в таблице 4. что означает что погрешность Системы не превышает пределов допускаемой абсолютной погрешности
Таблица Номер ПГС |
4 Состояние сигнализации при подаче ПГС для системы исполнения | |
САОГ-С. САОГ-Т |
САОГ-А | |
1 |
нет срабатывания |
нет срабатывания произошло срабатывание сигнализации по уровню "Порог 1" |
2 |
произошло срабатыва ние сигнализации | |
3 |
- |
произошло срабатывание сиг- |
] нализации по уровню "Порог II" {

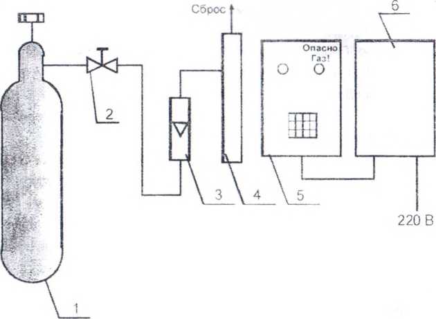
1 - баллон с ГСО-ПГС: 2 - вентиль точной регулировки, 3 -индикатор расхода; 4 - насадка (показана условно), 5 - блок датчика Системы, 6 - БПСУ
Рисунок 1 - схема подачи ГСО-ПГС из баллонов под давлением на
Систему
6.5.2. Определение- времени срабатывания Системы
Определение времени срабатывания проводят по схеме, изображенной на рисунке 1. Допускается проводить определение времени срабатывания одновременно с определением основной погрешности по п,6 3.1
Определение времени срабатывания проводят при поочередной подаче на каждый блок датчика системы
-
- ПГС № 2 для систем исполнений САОГ-С, САОГ-Т,
-
- ПГС № 3 для систем исполнения САОГ-А
Порвд проверкой следует снять насадку с блока датчика После пропуокйния ПГС через газовую схему и гвчонио 10 с (при длине со-единигипьных трубок не более O S м) насадка одеиается на блок датчик. i и пключается секундомер
II момент срабатывания снеговой и звуковой сигнализации на блоке датчика отключить секундомер.
Примечания '•
-
1) для систем исполнения САОГ-А время срабатывания определяют по уровню "Порог И";
-
2) сигнализация на БПСУ срабатып-и? t с задержкой по времени 3 -5 с, время срабатывания сигнапи.тиции на Г)ПСУ нс нормируется
Результаты иолыгинин счигаются положительными, если время срабатывания сисюмы но нревышаег 15 С
7. ОФОРМЛЕНИЕ РЕЗУЛЬТАТОВ ПОВЕРКИ
1 При проведении поверки оформляю! протокол результатов поверки, форма которого приведена в Приложении №1
/ 2 Системы признают годными к эксплуатации, если они удовле творяю! гребованиям настоящего документа.
-
7 3 Положительные результаты поверки оформляют свидетельством уст!1новленной формы согласно ПР 50.2 006.
-
7.4 При отрицательных результатах поверки выдают извещение о непригодности, с указанием причин непригодности, установленной формы согласно ПР 50 2.006.
ripMnfWK»!‘ilW« Nd I (рекомендуемое)
Протокол
поверки Системы аварийного о|кл»очгнии !и.эз САОГ
Дата выпуска____
Исполнение Системы___
Заводской № Системы (блоков датчика)____
Завод-изготовитель__
Поверка произведена сличением сданными поверочных |д,топых смесей, приготовленных и аттестованных____
1ко'ла и какой организацией/
Паспорта газовых смесей NoNe________________________
-.С
кПа
Условия поверки' температура окружающей среды______
относительная влажность окружающей среды атмосферное давление___
РЕЗУЛЬТАТЫ ПОВЕРКИ
1 Результаты внешнего осмотра
2,
-
3
-
4
-
5
Электрическая прочность изоляции ____.__
Сопротивление изоляции электрических цепей__
Состояние цепи______ ______
Результаты определения мыгрологичес.ких характеристик __^1_Определе_н1^ абсолютной noipet^HOCiи Системы
Номер ! т- 1
, Требуемый результат испы-ПГС тания
Действительный результат испытания
ПГС_№1 1 Сигналы не выдаются_____
ПГС N«2 (Выдается прерывистый сигнал
(Выдается непрерывный сигнал ___ ((ненужное зачеркнуть) ______
"Выдается непрерывный сигнал ___
5 2 Определение времени срабатывания сигнализации
6 Заключение по протоколу
Поверитель
•2