Методика поверки «ГСИ Источники питания программируемые серии Keithley 2280S» (KI-2280S-2015)


119361, Москва, ул.Озерная, 46
Федеральное государственное унитарное предприятие
"Всероссийский научно-исследовательский институт метрологической службы”
Тел.: (095)437 5577 Факс:(095)437 5666
E-mail: Office@.vniims.ru Office.vniims@g23.relcom.ru
http:Xwww.vniims.ru
УТВЕРЖДАЮ
ГОСУДАРСТВЕННАЯ СИСТЕМА ОБЕСПЕЧЕНИЯ ЕДИНСТВА ИЗМЕРЕНИЙ
Источники питания программируемые серии Keithlev 2280SМЕТОДИКА ПОВЕРКИ KI-2280S-2015
-v.b.6l2>lA-ISНачальник НПО метрологического обеспечения электрических измерении ФГУП «ВНИИМС»
С.Г. Семенчинскнй
Д.Р. Васильев
Заместитель генерального директора ЗАО «АКТИ-Мастер» по метрологии
г. Москва
2015
Настоящая методика поверки распространяется на источники питания программируемые серии Keithley 2280S (далее - приборы), и устанавливает методы и средства их поверки.
Интервал между поверками - 1 год.
1 ОПЕРАЦИИ ПОВЕРКИПри проведении поверки должны быть выполнены операции, указанные в таблице 1.
Таблица 1 - Операции поверки
|
Наименование операции |
Номер пункта методики |
Проведение операции при поверке | |
|
первичной |
периодической | ||
|
Внешний осмотр |
6.1 |
да |
да |
|
Подготовка к поверке |
6.2 |
да |
да |
|
Опробование и идентификация |
7.2 |
да |
да |
|
Определение погрешности воспроизведения и измерения напряжения |
7.3 |
да |
да |
|
Определение нестабильности напряжения при изменении силы тока в нагрузке |
7.4 |
да |
да |
|
Определение нестабильности напряжения при отклонении напряжения сети на ±10% от номинального значения |
7.5 |
да |
нет |
|
Определение погрешности воспроизведения силы тока |
7.6 |
да |
да |
|
Определение погрешности измерения силы тока на пределах 1 А и 10 А |
7.7 |
да |
да |
|
Определение нестабильности силы тока при изменении напряжения в нагрузке |
7.8 |
да |
да |
|
Определение нестабильности силы тока при отклонении напряжения сети на ± 10 % от номинального значения |
7.9 |
да |
нет |
|
Определение погрешности измерения силы тока на пределах 10 mA и 100 mA |
7.10 |
да |
нет |
|
Определение уровня пульсаций и шумов напряжения |
7.11 |
да |
нет |
|
Определение уровня пульсаций и шумов силы тока |
7.12 |
да |
нет |
-
2.1 Для поверки рекомендуется применять средства поверки, указанные в таблице 2.
-
2.2 Вместо указанных в таблице 2 средств поверки разрешается применять другие аналогичные средства поверки, обеспечивающие требуемые технические характеристики.
-
2.3 Применяемые средства поверки должны быть исправны, средства измерений поверены и иметь свидетельства о поверке.
Таблица 2 - Средства поверки
|
№ |
Наименование средства поверки |
Номер пункта методики |
Требуемые технические характеристики |
Рекомендуемый тип средства поверки и его технические характеристики |
|
СРЕДСТВА ИЗМЕРЕНИЙ | ||||
|
1 |
вольтметр постоянного напряжения |
7.3-7.7 |
абсолютная погрешность измерения напряжения U от 0 до 60 mV не более ± (l-10'4-U + 2 pV); от 0 до 60 V не более ± (5-10‘5-U + 500 pV) |
мультиметр цифровой Keithley 2002 абсолютная погрешность измерения постоянного напряжения U от 0 до 200 mV не более ± (3.7-10‘5-U + 1,8 pV) от 0 до 200 В не более ± (2.2-10’5-U + 400 pV) |
|
2 |
мера сопротивления |
7.6-7.8 7.10 |
номинальное значение 0.01 Q; относительная погрешность сопротивления не более ± 0,02 %; максимальная мощность 0.5 W |
катушка сопротивления Р310 0,01 Ом класс точности 0,02; максимальная мощность 1 W |
|
3 |
миллиамперметр постоянного тока |
7.8 |
абсолютная погрешность измерения силы тока от 0 до 100 mA не более ± (1-10’4Т + 2 рА) |
мультиметр Agilent 3458А абсолютная погрешность измерения силы тока от 0 до 100 mA не более ± (4-10’5-1 + 0,5 рА) |
|
4 |
нагрузка электронная |
7.3-7.10 |
абсолютная погрешность установки силы тока I от 0.1 до 6 А не более ± (1-10’2-1 + 50 mA); абсолютная погрешность установки напряжения U от 3 до 60 V не более ±(l-10’2-U+ 100 mV); абсолютная погрешность установки сопротивления 1 Q не более ±100 mil |
нагрузка электронная программируемая Good Will Instruments PEL-300 абсолютная погрешность установки силы тока I от 0.1 до 6 А не более ± (1-10'3-1 + 10 mA); абсолютная погрешность установки напряжения U от 3 до 60 V не более ± (1 • 10’3-U + 40 mV); абсолютная погрешность установки сопротивления 1 Q не более ± 60 mQ |
|
5 |
осциллограф |
7.9, 7.10 |
полоса пропускания 20 MHz; коэффициент отклонения 1 mV/div |
осциллограф цифровой Tektronix TDS3012B полоса пропускания 100 MHz; функция ограничения полосы частот до 20 MHz; коэффициент отклонения от 1 mV/div до 10 V/div |
|
ВСПОМОГАТЕЛЬНОЕ ОБОРУДОВАНИЕ И ПРИНАДЛЕЖНОСТИ | ||||
|
1 |
автотрансформатор |
7.5, 7.8 |
диапазон регулировки от 190 до 250 V, мощность не менее 1000V-A |
автотрансформатор лабораторный РНО-250-2М диапазон регулировки от 0 до 250 V, мощность не менее 2250 V-А |
|
2 |
кабели и аксессуары |
7.3-7.8 |
- |
- |
К проведению поверки допускаются лица, имеющие высшее или среднетехническое образование, и практический опыт в области электрических измерений.
4 ТРЕБОВАНИЯ БЕЗОПАСНОСТИ-
4.1 При проведении поверки должны быть соблюдены требования безопасности в соответствии с ГОСТ 12.3.019-80.
-
4.2 Во избежание несчастного случая и для предупреждения повреждения прибора и поверочного оборудования необходимо обеспечить выполнение следующих требований:
-
- подсоединение оборудования к сети должно производиться с помощью сетевых кабелей, предназначенных для данного оборудования;
-
- заземление оборудования должно производиться посредством заземляющего контакта сетевого кабеля;
-
- запрещается производить подсоединение кабелей к контактам оборудования или отсоединение от них, когда на вход прибора подается сигнал;
-
- запрещается работать с прибором при обнаружении его явного повреждения.
При проведении поверки должны соблюдаться следующие условия окружающей среды:
-
- температура воздуха (23 ± 5) °C;
-
- относительная влажность воздуха от 30 до 70 %;
-
- атмосферное давление от 84 до 106.7 kPa.
-
6 ВНЕШНИЙ ОСМОТР И ПОДГОТОВКА К ПОВЕРКЕ
-
6.1.1 При проведении внешнего осмотра прибора проверяются:
-
- чистота и исправность разъемов;
-
- отсутствие механических повреждений корпуса;
-
- комплектность согласно эксплуатационной документации.
-
6.1.2 При наличии дефектов или повреждений, препятствующих нормальной эксплуатации прибора, его следует направить в сервисный центр для проведения ремонта.
-
6.2.1 Перед началом выполнения операций необходимо изучить руководство по эксплуатации прибора, а также руководства по эксплуатации применяемых средств поверки.
-
6.2.2 Присоединить сетевые кабели прибора, вольтметра, электронной нагрузки и осциллографа к розеткам сети питания 220 V, расположенным на общей колодке.
ВНИМАНИЕ: присоединение сетевых кабелей прибора и поверочного оборудования к разным цепям сети питания может вызвать помехи, которые повлияют на результаты измерений.
-
6.2.3 Включить прибор, вольтметр, электронную нагрузку и осциллограф.
До начала операций поверки выдержать прибор и средства поверки во включенном состоянии в соответствии с указаниями руководств по эксплуатации.
Минимальное время прогрева прибора 40 min.
7 ПРОВЕДЕНИЕ ПОВЕРКИ 7.1 Общие указания по проведению поверкиВ процессе выполнения операций результаты измерений заносятся в протокол поверки. Полученные результаты должны укладываться в пределы допускаемых значений, указанные в таблицах настоящего раздела документа. При получении отрицательных результатов по какой-либо операции необходимо повторить операцию. При повторном отрицательном результате прибор следует направить в сервисный центр для проведения регулировки и/или ремонта.
7.2 Опробование и идентификация-
7.2.1 Выключить прибор и повторно включить его.
После включения должна осуществиться процедура автоматического тестирования, по завершении которой прибор будет готов к работе. В процессе выполнения автоматического тестирования не должно появиться сообщений об ошибках.
Записать результаты автоматического тестирования в таблицу 7.2.
-
7.2.2 Проверить идентификацию версии установленного на приборе программного обеспечения, для чего нажать клавишу [MENU], выбрать “System”, “Communication”, “Information”.
На дисплее должен отобразиться номер версии программного обеспечения (Firmware).
Записать результаты идентификации в таблицу 7.2.
Выйти из меню нажатием клавиши [НОМЕ].
Таблица 7.2 - Опробование и идентификация
|
Операция |
Результат проверки |
Критерий проверки |
|
автоматическое тестирование |
нет сообщений об ошибках | |
|
идентификация ПО |
номер версии v01.03 и выше |
-
7.3.1 Выключить питание прибора.
-
7.3.2 Снять с клеммной колодки на задней панели прибора перемычки между выходными контактами “+”, и потенциальными контактами “+S”, “-S”.
-
7.3.3 Выполнить соединения прибора с электронной нагрузкой и мультиметром, используя контакты на клеммной колодке прибора, как показано на рисунке 7.3.
Соединить кабелями с сечением провода (1.. .2) mm2 клемму “+” прибора с клеммой “+” электронной нагрузки, клемму прибора с клеммой электронной нагрузки.
Соединить клемму “+S” прибора с клеммой “+” электронной нагрузки, клемму “-S” прибора с клеммой электронной нагрузки.
Соединить клемму “HI” мультиметра с клеммой “+” электронной нагрузки, клемму “LO” мультиметра с клеммой электронной нагрузки при помощи кабелей из комплекта мультиметра и зажимов типа «крокодил», присоединив наконечники зажимов как можно ближе к клеммам электронной нагрузки.
ПРИМЕЧАНИЕ: для уменьшения влияния шумов рекомендуется скручивать разнополярные провода в виде витой пары.
-
7.3.4 Установить мультиметр в режим DCV с автоматическим выбором предела измерения.

Рисунок 7.3 П - поверяемый прибор; Н - электронная нагрузка; М - мультиметр
-
7.3.5 Включить питание прибора.
Установить на приборе предел ограничения по току:
-
- 6.0 А для модели 2280S-32-6;
-
- 3.2 А для модели 2280S-60-3.
-
7.3.6 Установить на электронной нагрузке режим стабилизации силы тока, и значение силы тока:
-
- 3.0 А для модели 2280S-32-6;
-
- 1.6 А для модели 2280S-60-3.
-
7.3.7 Активировать электронную нагрузку.
-
7.3.8 Установить на приборе первое значение воспроизводимого напряжения, указанное в столбце 1 таблицы 7.3.1 (модель 2280S-32-6), таблицы 7.3.2 (модель 2280S-60-3).
-
7.3.9 Включить выход на приборе клавишей “Output”.
-
7.3.10 Записать отсчет мультиметра Uo в столбец 3 таблицы 7.3.1 (модель 2280S-32-6), таблицы 7.3.2 (модель 2280S-60-3).
Записать отсчет индикатора Um на дисплее прибора в столбец 5 таблицы 7.3.1 (модель 2280S-32-6), таблицы 7.3.2 (модель 2280S-60-3).
7.3.11. Устанавливать на приборе остальные значения напряжения, указанные в столбце 1 таблицы 7.3.1 (модель 2280S-32-6), таблицы 7.3.2 (модель 2280S-60-3).
Выполнять действия по пункту 7.3.10.
-
7.3.12 Отключить выход прибора нажатием клавиши “Output”.
-
7.3.13 Деактивировать электронную нагрузку.
-
7.3.14 Рассчитать и записать в столбец 6 таблицы 7.3.1 (модель 2280S-32-6), таблицы 7.3.2 (модель 2280S-60-3) значения абсолютной погрешности AUM измерения напряжения по формуле
AUM = (UM-Uo).
Таблица 7.3.1 - Погрешность воспроизведения и измерения напряжения 2280S-32-6, V
|
Установленно е на приборе значение |
Нижний предел допускаемых значений установки напряжения |
Измеренное мультиметром значение напряжения Uo |
Верхний предел допускаемых значений установки напряжения |
Измеренное прибором значение напряжения Um |
Абсолютная погрешность измерения напряжения (Um-Uo) |
Пределы допускаемой абсолютной погрешности измерения напряжения |
|
1 |
2 |
3 |
4 |
5 |
6 |
7 |
|
0.0000 |
- 0.0030 |
0.0030 |
± 0.0020 | |||
|
8.0000 |
7.9954 |
8.0046 |
± 0.0036 | |||
|
16.0000 |
15.9938 |
16.0062 |
± 0.0052 | |||
|
24.0000 |
23.9922 |
24.0078 |
± 0.0068 | |||
|
32.0000 |
31.9906 |
32.0094 |
± 0.0084 |
Таблица 7.3.2 - Погрешность воспроизведения и измерения напряжения 2280S-60-3, V
|
Установленно е на приборе значение |
Нижний предел допускаемых значений установки напряжения |
Измеренное мультиметром значение напряжения Uo |
Верхний предел допускаемых значений установки напряжения |
Измеренное прибором значение напряжения UM |
Абсолютная погрешность измерения напряжения (Um-Uo) |
Пределы допускаемой абсолютной погрешности измерения напряжения |
|
1 |
2 |
3 |
4 |
5 |
6 |
7 |
|
0.0000 |
- 0.0060 |
0.0060 |
± 0.0040 | |||
|
15.0000 |
14.9910 |
15.0090 |
± 0.0070 | |||
|
30.0000 |
29.9880 |
30.0120 |
±0.0100 | |||
|
45.0000 |
44.9850 |
45.0150 |
±0.0130 | |||
|
60.0000 |
59.9820 |
60.0180 |
±0.0160 |
7.3.15 Отсоединить кабели от прибора, электронной нагрузки и мультиметра.
7.4 Определение нестабильности напряжения при изменении силы тока в нагрузке-
7.4.1 Отключить питание прибора.
-
7.4.2 Установить на клеммную колодку задней панели прибора перемычки между
выходными контактами и потенциальными контактами “+S”, “-S”, снятые при
выполнении пункта 7.3.2 предыдущей операции.
-
7.4.3 Выполнить соединения клемм на передней панели прибора с мультиметром и электронной нагрузкой, как показано на рисунке 7.4.
Соединить кабелями с сечением провода (1.. .2) mm2 клеммы “+” и прибора с клеммами “+” и электронной нагрузки.
Соединить клемму “HI” мультиметра с клеммой “+” прибора, клемму “LO” мультиметра с клеммой прибора при помощи кабелей из комплекта мультиметра и зажимов типа «крокодил», присоединив наконечники зажимов как можно ближе к клеммам электронной нагрузки.
ПРИМЕЧАНИЕ: для уменьшения влияния шумов рекомендуется скручивать разнополярные провода в виде витой пары.
Рисунок 7.4 П - поверяемый прибор; Н - электронная нагрузка; М - мультиметр
-
7.4.4 Включить питание прибора.
Установить на приборе предел ограничения по току:
-
- 6.0 А для модели 2280S-32-6;
-
- 3.2 А для модели 2280S-60-3.
Установить значение воспроизводимого напряжения на приборе:
-
- 32 V для модели 2280S-32-6;
-
- 60 V для модели 2280S-60-3.
-
7.4.5 Установить на электронной нагрузке режим стабилизации силы тока, значение силы тока:
-
- 3.0 А для модели 2280S-32-6;
-
- 1.6 А для модели 2280S-60-3.
-
7.4.6 Активировать электронную нагрузку.
Включить выход на приборе клавишей “Output”.
ТАЛ Ввести на мультиметре режим относительных измерений. Убедиться в том, что отсчет напряжения на мультиметре близок к нулю.
-
7.4.8 Установить на электронной нагрузке значение силы тока 0.1 А.
Записать отсчет напряжения на мультиметре в столбец 3 таблицы 7.4.1 (модель 2280S-32-6), таблицы 7.4.2 (модель 2280S-60-3).
-
7.4.9 Установить на электронной нагрузке значение силы тока:
-
- 5.4 А для модели 2280S-32-6;
-
- 2.88 А для модели 2280S-60-3.
Записать отсчет напряжения на мультиметре в столбец 3 таблицы 7.4.1 (модель 2280S-32-6), таблицы 7.4.2 (модель 2280S-60-3).
-
7.4.10 Перевести мультиметр в нормальный режим.
7.4.12 Отключить выход прибора нажатием клавиши “Output ”.
Деактивировать электронную нагрузку.
Таблица 7.4.1 - Нестабильность напряжения при изменении силы тока в нагрузке 2280S-32-6
|
Установленное на приборе напряжение, V |
Значение силы тока в электронной нагрузке, А |
Измеренное мультиметром значение, V |
пределы допускаемого отклонения напряжения, V |
|
1 |
2 |
3 |
4 |
|
32 |
3.0 |
0.00000 (REL) |
- |
|
0.1 |
± 0.0052 | ||
|
5.4 |
± 0.0052 |
Таблица 7.4,2 Нестабильность напряжения при изменении силы тока в нагрузке 2280S-60-3
|
Установленное на приборе напряжение, V |
Значение силы тока в электронной нагрузке, А |
Измеренное мультиметром значение, V |
пределы допускаемого отклонения напряжения, V |
|
1 |
2 |
3 |
4 |
|
60 |
1.6 |
0.00000 (REL) |
- |
|
0.1 |
± 0.0080 | ||
|
2.88 |
± 0.0080 |
Схема соединения клемм на передней панели прибора с мультиметром и электронной нагрузкой по предыдущей операции.
-
7.5.1 Временно отключить питание прибора.
-
7.5.2 Отсоединить от сетевой розетки вилку сетевого кабеля прибора и присоединить ее к выходным клеммам автотрансформатора. Присоединить входные клеммы автотрансформатора к розетке сети 220 V / 50 Hz.
-
7.5.3 Установить на автотрансформаторе выходное напряжение 220 V.
-
7.5.4 Включить питание прибора.
Установить на приборе предел ограничения по току:
-
- 6.0 А для модели 2280S-32-6;
-
- 3.2 А для модели 2280S-60-3.
Установить значение воспроизводимого напряжения на приборе, указанное в столбце 1 таблицы 7.5.1 (модель 2280S-32-6), таблицы 7.5.2 (модель 2280S-60-3).
-
7.5.5 Установить на электронной нагрузке режим стабилизации силы тока, и значение силы тока, указанное в столбце 2 таблицы 7.5.1 (модель 2280S-32-6), таблицы 7.5.2 (модель 2280S-60-3).
-
7.5.6 Активировать электронную нагрузку.
-
7.5.7 Включить выход на приборе клавишей “Output”.
-
7.5.8 Ввести на мультиметре отсчет относительных значений напряжения. Убедиться в том, что отсчет напряжения на мультиметре близок к нулю.
-
7.5.9 Установить на автотрансформаторе выходное напряжение 198 V.
Записать отсчет напряжения на мультиметре в столбец 4 таблицы 7.5.1 (модель 2280S-32-6), таблицы 7.5.2 (модель 2280S-60-3).
-
7.5.10 Установить на автотрансформаторе выходное напряжение 242 V.
Записать отсчет напряжения на мультиметре в столбец 4 таблицы 7.5.1 (модель 2280S-32-6), таблицы 7.5.2 (модель 2280S-60-3).
-
7.5.11 Перевести мультиметр в нормальный режим.
-
7.5.12 Деактивировать электронную нагрузку.
Отключить выход прибора нажатием клавиши “Output”.
Таблица 7.5.1 - Нестабильность напряжения при изменении напряжения питания сети на ± 10 % от номинального значения 2280S-32-6
|
Установленное значение, V |
Установленная сила тока электронной нагрузки,А |
Значение напряжения питания, V |
Измеренное мультиметром значение, V |
Верхний предел допускаемых значений,V |
|
1 |
2 |
3 |
4 |
5 |
|
32 |
3.0 |
220 |
0.00000 (REL) |
- |
|
198 |
± 0.0042 | |||
|
242 |
± 0.0042 |
Таблица 7.5.2 - Нестабильность напряжения при изменении напряжения питания сети на ± 10 % от номинального значения 2280S-60-3
|
Установленное значение, V |
Установленная сила тока электронной нагрузки, А |
Значение напряжения питания,V |
Измеренное мультиметром значение, V |
Верхний предел допускаемых значений, V |
|
1 |
2 |
3 |
4 |
5 |
|
60 |
1.6 |
220 |
0.00000 (REL) |
- |
|
198 |
± 0.0070 | |||
|
242 |
± 0.0070 |
-
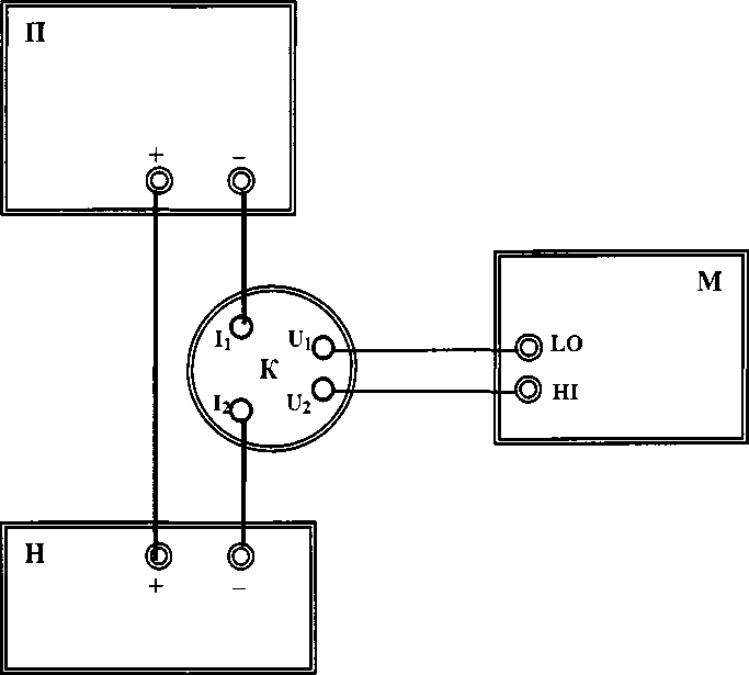
7.6.1 Выполнить соединения клемм на передней панели прибора с электронной нагрузкой и токовыми контактами меры сопротивления 0.01 Q, соединения потенциальных контактов меры сопротивления с клеммами мультиметра, как показано на рисунке 7.6.
Соединить кабелями с сечением провода (1.. .2) mm2 клеммы “+” и прибора с клеммами “+” и электронной нагрузки и токовыми контактами “Т”, “Ь” меры сопротивления.
Соединить потенциальные контакты “Ui”, “U2” меры сопротивления с входными клеммами мультиметра, используя кабели из комплекта мультиметра и зажимы «крокодил».
-
7.6.2 Установить на мультиметре режим DCV, предел 100 mV.
Установить перемычку между контактами “HI” и “LO” мультиметра, ввести отсчет относительных значений напряжения, после чего снять перемычку.
-
7.6.3 Установить на приборе предел ограничения по напряжению:
-
- 32 V для модели 2280S-32-6;
-
- 60 V для модели 2280S-60-3.
-
7.6.4 Установить на электронной нагрузке режим стабилизации напряжения, и значение напряжения:
-
- 16 V для модели 2280S-32-6;
-
- 30 V для модели 2280S-60-3.

Рисунок 7.6 П - поверяемый прибор, Н - электронная нагрузка, М - мультиметр, К - мера сопротивления 0.01 Q
|
Таблица 7.6.1 - Г |
огрешность воспроизведения силы тока 2280S-32-6 | ||
|
Установленное значение, А |
Нижний предел допускаемых значений |
Измеренное по отсчету мультиметра значение силы тока |
Верхний предел допускаемых значений, А |
|
1 |
2 |
3 |
4 |
|
0.0000 |
- 0.00500 |
0.00500 | |
|
1.5000 |
1.49425 |
1.50575 | |
|
3.0000 |
2.99350 |
3.00650 | |
|
4.5000 |
4.49225 |
4.50725 | |
|
6.0000 |
5.99200 |
6.00800 | |
|
Таблица 7.6.2 - Погрешность воспроизведения силы тока 2280S-60-3 | |||
|
Установленное значение, А |
Нижний предел допускаемых значений |
Измеренное по отсчету мультиметра значение силы тока |
Верхний предел допускаемых значений |
|
1 |
2 |
3 |
4 |
|
0.0000 |
- 0.00500 |
0.00500 | |
|
0.8000 |
0.79460 |
0.80540 | |
|
1.6000 |
1.59420 |
1.60580 | |
|
2.4000 |
2.39380 |
2.40620 | |
|
3.2000 |
3.19340 |
3.20660 | |
7.6.5 Активировать электронную нагрузку.
-
7.6.6 Установить на приборе первое значение воспроизводимой силы тока, указанное в столбце 1 таблицы 7.6.1 (модель 2280S-32-6), таблицы 7.6.2 (модель 2280S-60-3).
-
7.6.7 Включить выход на приборе клавишей “Output”.
-
7.6.8 Зафиксировать отсчет напряжения Uo [mV] на мультиметре и записать измеренное значение силы тока 1о [А] = 0.1-Uo [mV] в столбец 3 таблицы 7.6.1 (модель 2280S-32-6), таблицы 7.6.2 (модель 2280S-60-3).
-
7.6.9 Устанавливать на приборе остальные значения силы тока, указанные в столбце 1 таблицы 7.6.1 (модель 2280S-32-6), таблицы 7.6.2 (модель 2280S-60-3).
Записывать измеренные значения силы тока, как указано в пункте 7.6.9, в столбец 3 таблицы 7.6.1 (модель 2280S-32-6), таблицы 7.6.2 (модель 2280S-60-3).
-
7.6.10 Отключить выход прибора нажатием клавиши “Output”.
Деактивировать электронную нагрузку.
7.7 Определение погрешности измерения силы тока на пределах 1 А и 10 АСхема соединения клемм на передней панели прибора с мультиметром, мерой сопротивления и электронной нагрузкой, и установки на мультиметре по предыдущей операции.
-
7.7.1 Выполнить действия по пунктам 7.6.2 - 7.6.5 предыдущей операции.
-
7.7.2 Установить на приборе предел измерения 10 А.
Установить первое значение воспроизводимой силы тока, указанное в столбце 1 таблицы
-
7.7.1 (модель 2280S-32-6), таблицы 7.7.2 (модель 2280S-60-3).
-
7.7.3 Включить выход на приборе клавишей “Output”.
-
7.7.4 Зафиксировать отсчет напряжения Uo [mV] на мультиметре и записать измеренное значение силы тока 1о [А] = 0.1-Uo [mV] в столбец 2 таблицы 7.7.1 (модель 2280S-32-6), таблицы 7.7.2 (модель 2280S-60-3).
Таблица 7.7.
- Погрешность измерения силы тока на пределах 1 А и
10 A 2280S-32-6
Установленное значение, А
Измеренное по отсчету мультиметра значение силы тока 10, А
Отсчет силы тока на дисплее прибора 1м, А
Абсолютная погрешность измерения силы тока (1м - 1о), А
Пределы допускаемой абсолютной погрешности измерения силы тока, А
1
2
3
4
5
предел измерения
10 А
0.0000
± 0.00025
0.6000
± 0.00055
3.0000
±0.00175
6.0000
± 0.00325
предел измерения
1 А
0.0000
± 0.00025
0.1000
± 0.00030
0.5000
± 0.00050
1.0000
± 0.00075
Таблица 7.7.2 - Погрешность измерения силы тока на пределах 1 А и
Установленное значение, А
Измеренное по отсчету мультиметра значение силы тока 10, А
Отсчет силы тока на дисплее прибора 1м, А
Абсолютная погрешность измерения силы тока (1м - 1о), А
Пределы допускаемой абсолютной погрешности измерения силы тока, А
1
2
3
4
5
предел измерения
10 А
0.0000
± 0.00025
0.3200
± 0.00041
1.6000
±0.00105
3.2000
±0.00185
предел измерения
1 А
0.0000
± 0.000250
0.1000
± 0.000300
0.5000
± 0.000500
1.0000
± 0.000750
-
7.7.5 Записать отсчет силы тока на дисплее прибора 1м в столбец 3 таблицы 7.7.1 (модель 2280S-32-6), таблицы 7.7.2 (модель 2280S-60-3).
-
7.7.6 Вычислить абсолютную погрешность измерения силы тока (1м - 1о), и записать вычисленное значение в столбец 4 таблицы 7.7.1 (модель 2280S-32-6), таблицы 7.7.2 (модель 2280S-60-3).
-
7.7.7 Устанавливать на приборе остальные значения силы тока, указанные в столбце 1 таблицы 7.7.1 (модель 2280S-32-6), таблицы 7.7.2 (модель 2280S-60-3).
Выполнять действия по пунктам 7.7.4 - 7.7.6.
-
7.7.8 Выполнить действия по пунктам 7.7.2 - 7.7.7, установив на приборе предел измерения силы тока 1 А.
-
7.7.9 Отключить выход прибора нажатием клавиши “Output”.
Деактивировать электронную нагрузку.
7.8 Определение нестабильности силы тока при изменении напряжения в нагрузкеСхема соединения оборудования и режимы - по предыдущей операции.
-
7.8.1 Включить питание прибора.
Установить на приборе предел ограничения по напряжению:
-
- 32 V для модели 2280S-32-6;
-
- 60 V для модели 2280S-60-3.
Установить значение воспроизводимой силы тока на приборе:
-
- 6.0 А для модели 2280S-32-6;
-
- 3.2 А для модели 2280S-60-3.
-
7.8.2 Установить на электронной нагрузке режим стабилизации напряжения, и значение напряжения:
-
- 16 V для модели 2280S-32-6;
-
- 30 V для модели 2280S-60-3.
-
7.8.3 Включить выход на приборе клавишей “Output”.
Активировать электронную нагрузку.
-
7.8.4 Ввести на мультиметре отсчет относительных значений напряжения. Убедиться в том, что отсчет напряжения на мультиметре близок к нулю.
-
7.8.5 Установить на электронной нагрузке значение напряжения:
-
- 3.2 V для модели 2280S-32-6;
-
- 6.0 V для модели 2280S-60-3.
-
7.8.6 Зафиксировать отсчет напряжения Uo [mV] на мультиметре и записать измеренное значение силы тока 1о [А] = 0.1-Uo [mV] в столбец 3 таблицы 7.8.1 (модель 2280S-32-6), таблицы 7.8.2 (модель 2280S-60-3).
-
7.8.7 Установить на электронной нагрузке значение напряжения
-
- 28.8 V для модели 2280S-32-6;
-
- 54.0 V для модели 2280S-60-3.
7.8.8 Выполнить действия по пункту 7.8.6.
Таблица 7.8.1 - Нестабильность силы тока при изменении напряжения в нагрузке 2280S-32-6
|
Установленное значение, А |
Установленное напряжение электронной нагрузки,V |
Измеренное значение, А |
Верхний предел допускаемых значений, А |
|
1 |
2 |
3 |
4 |
|
6.0000 |
16.0 |
0.00000 (REL) |
- |
|
3.2 |
± 0.00085 | ||
|
28.8 |
± 0.00085 |
Таблица 7.8.2 - Нестабильность силы тока при изменении напряжения в нагрузке 2280S-60-3
|
Установленное значение, А |
Установленное напряжение электронной нагрузки,V |
Измеренное значение, А |
Верхний предел допускаемых значений,А |
|
1 |
2 |
3 |
4 |
|
3.2000 |
30.0 |
0.00000 (REL) |
- |
|
6.0 |
± 0.00057 | ||
|
54.0 |
± 0.00057 |
7.8.9 Перевести мультиметр в нормальный режим.
-
7.8.10 Отключить выход прибора нажатием клавиши “Output”. Деактивировать электронную нагрузку.
Схема соединения оборудования и режимы - по предыдущей операции.
-
7.9.1 Временно отключить питание прибора.
-
7.9.2 Отсоединить от сетевой розетки вилку сетевого кабеля прибора и присоединить ее к выходным клеммам автотрансформатора. Присоединить входные клеммы автотрансформатора к розетке сети 220 V / 50 Hz.
-
7.9.3 Установить на автотрансформаторе выходное напряжение 220 V.
-
7.9.4 Включить питание прибора.
-
7.9.5 Установить на приборе предел ограничения по напряжению:
-
- 32 V для модели 2280S-32-6;
-
- 60 V для модели 2280S-60-3.
Установить значение воспроизводимой силы тока на приборе:
-
- 6.0 А для модели 2280S-32-6;
-
- 3.2 А для модели 2280S-60-3.
-
7.9.6 Установить на электронной нагрузке режим стабилизации напряжения, и значение напряжения:
-
- 16 V для модели 2280S-32-6;
-
- 30 V для модели 2280S-60-3.
-
7.9.7 Включить выход на приборе клавишей “Output”.
Активировать электронную нагрузку.
-
7.9.8 Ввести на мультиметре отсчет относительных значений напряжения. Убедиться в том, что отсчет напряжения на мультиметре близок к нулю.
-
7.9.9 Установить на автотрансформаторе выходное напряжение 198 V.
-
7.9.10 Зафиксировать отсчет напряжения Uo [mV] на мультиметре и записать измеренное значение силы тока 1о [А] = 0.1-Uo [mV] в столбец 3 таблицы 7.9.1 (модель 2280S-32-6), таблицы 7.9.2 (модель 2280S-60-3).
-
7.9.11 Установить на автотрансформаторе выходное напряжение 242 V.
-
7.9.12 Выполнить действия по пункту 7.9.10.
-
7.9.10 Деактивировать электронную нагрузку.
Отключить выход прибора нажатием клавиши “Output”.
Таблица 7.9.1 - Нестабильность силы тока при изменении напряжения сети на ± 10 % от номинального значения 2280S-32-6
|
Установленное значение, А |
Установленное напряжение электронной нагрузки,V |
Значение напряжения питания, V |
Измеренное значение, А |
Верхний предел допускаемых значений,А |
|
1 |
2 |
3 |
4 |
5 |
|
6.0 |
16.0 |
220 |
0.00000 (REL) |
- |
|
198 |
± 0.00085 | |||
|
242 |
± 0.00085 |
Таблица 7.9.2 - Нестабильность силы тока при изменении напряжения питания сети на ± 10 % от номинального значения 2260В-30-72
|
Установленное значение, А |
Установленное напряжение электронной нагрузки,V |
Значение напряжения питания, V |
Измеренное значение, А |
Верхний предел допускаемых значений,А |
|
1 |
2 |
3 |
4 |
5 |
|
3.2 |
30.0 |
220 |
0.00000 (REL) |
- |
|
198 |
± 0.00085 | |||
|
242 |
± 0.00085 |
-
7.10.1 Выполнить соединения клемм на передней панели прибора с электронной нагрузкой и клеммами мультиметра, как показано на рисунке 7.10.

Рисунок 7.10 П - поверяемый прибор; Н - электронная нагрузка; М - мультиметр
-
7.10.2 Установить на мультиметре режим DCI, предел 100 mA.
-
7.10.3 Установить на приборе предел ограничения по напряжению:
-
- 32 V для модели 2280S-32-6;
-
- 60 V для модели 2280S-60-3.
-
7.10.4 Установить на электронной нагрузке режим стабилизации напряжения, и значение напряжения:
-
- 16 V для модели 2280S-32-6;
-
- 30 V для модели 2280S-60-3. Активировать электронную нагрузку.
-
7.10.5 Установить на приборе предел измерения силы тока 100 mA.
Установить на приборе первое значение воспроизводимой силы тока, указанное в столбце 1 таблицы 7.10.
-
7.10.6 Включить выход на приборе клавишей “Output”.
-
7.10.7 Записать отсчет силы тока на мультиметре 1о в столбец 2 таблицы 7.10.
-
7.10.8 Записать отсчет силы тока на дисплее прибора 1м в столбец 3 таблицы 7.10.
-
7.10.9 Вычислить абсолютную погрешность измерения силы тока (1м - 1о), и записать вычисленное значение в столбец 4 таблицы 7.10.
-
7.10.10 Устанавливать на приборе остальные значения силы тока, указанные в столбце 1 таблицы 7.10.
Выполнять действия по пунктам 7.10.7 - 7.10.9.
-
7.10.11 Выполнить действия по пунктам 7.10.5 - 7.10.10, установив на приборе предел измерения силы тока 10 mA, и такой же предел измерения на мультиметре.
Таблица 7.10 - Погрешность измерения силы тока на пределах 10 mA и 100 mA
|
Установленное значение, А |
Отсчет силы тока на мультиметре Io, mA |
Отсчет силы тока на дисплее прибора 1м, mA |
Абсолютная погрешность измерения силы тока (1м - Io), mA |
Пределы допускаемой абсолютной погрешности измерения силы тока, mA |
|
1 |
2 |
3 |
4 |
5 |
|
предел измерения 100 mA | ||||
|
0.0000 |
±0.0100 | |||
|
0.0100 |
±0.0150 | |||
|
0.0500 |
±0.0350 | |||
|
0.1000 |
± 0.0600 | |||
|
предел измерения 10 mA | ||||
|
0.0000 |
±0.01000 | |||
|
0.0010 |
±0.01050 | |||
|
0.0050 |
±0.01250 | |||
|
0.0100 |
±0.01500 | |||
-
7.10.12 Отключить выход прибора нажатием клавиши “Output”. Деактивировать электронную нагрузку.
-
7.10.13 Отсоединить кабели от оборудования.
-
7.11.1 Выполнить соединения клемм на передней панели прибора с осциллографом и электронной нагрузкой, как показано на рисунке 7.11.
Соединить кабелями с сечением провода (1.. .2) mm2 клеммы “+” и прибора с клеммами “+” и электронной нагрузки.
Соединить кабелем BNC(m) с переходом на разъем “banana”(m-m) канал СН1 осциллографа с клеммами “+” и прибора.
ПРИМЕЧАНИЕ: для уменьшения влияния шумов рекомендуется скручивать разнополярные провода в виде витой пары.
Рисунок 7.11
П - поверяемый прибор; Н - электронная нагрузка; О - осциллограф
-
7.11.2 Сделать установки на осциллографе:
-
- Input Impedance 1 MQ
-
- AC Coupled
-
- 20 MHz bandwidth (BW) limit
-
- Vertical Range 1 mV/div
-
- Horizontal Range 1 ms/div
-
- Trigger Auto
-
- Measure Vp-p, Vrms
-
7.11.3 Установить на приборе предел ограничения по току:
-
- 6.0 А для модели 2280S-32-6;
-
- 3.2 А для модели 2280S-60-3.
-
7.11.4 Установить значение воспроизводимого напряжения на приборе:
-
- 29 V для модели 2280S-32-6;
-
- 54 V для модели 2280S-60-3.
-
7.11.5 Установить на электронной нагрузке режим стабилизации силы тока, и значение силы тока:
-
- 3.0 А для модели 2280S-32-6;
-
- 1.6 А для модели 2280S-60-3.
-
7.11.6 Включить выход на приборе клавишей “Output”.
Активировать электронную нагрузку.
-
7.11.7 Записать отсчет на осциллографе среднеквадратического значения напряжения
(rms) в столбец 1 таблицы 7.11.1 (модель 2280S-32-6), таблицы 7.11.2 (модель 2280S-60-3). Записать отсчет на осциллографе отсчет амплитуды напряжения (р-р) в столбец 3 таблицы
-
7.11.1 (модель 2280S-32-6), таблицы 7.11.2 (модель 2280S-60-3).
Таблица 7.11.1 - Уровень шумов и пульсаций напряжения 2280S-32-6, mV
|
Измеренное значение напряжения rms |
Верхний предел допускаемых значений |
Измеренное значение напряжения р-р |
Верхний предел допускаемых значений |
|
1 |
2 |
3 |
4 |
|
1.0 |
50 1 |
Таблица 7.11.2 - Уровень шумов и пульсаций напряжения 2280S-60-3, mV
|
Измеренное значение напряжения rms |
Верхний предел допускаемых значений |
Измеренное значение напряжения р-р |
Верхний предел допускаемых значений |
|
1 |
2 |
3 |
4 |
|
2.0 |
7.0 |
-
7.11.8 Отключить выход прибора нажатием клавиши “Output”. Деактивировать электронную нагрузку.
Схема соединения оборудования и установки на осциллографе - по предыдущей операции.
-
7.12.1 Установить на приборе предел ограничения по напряжению:
-
- 32 V для модели 2280S-32-6;
-
- 60 V для модели 2280S-60-3.
-
7.12.2 Установить значение воспроизводимой силы тока на приборе:
-
- 5.4 А для модели 2280S-32-6;
-
- 2.9 А для модели 2280S-60-3.
-
7.12.3 Установить на электронной нагрузке режим сопротивления, и значение сопротивления 1 Q.
-
7.12.4 Включить выход на приборе клавишей “Output”.
Активировать электронную нагрузку.
-
7.12.5 Зафиксировать отсчет на осциллографе среднеквадратического значения напряжения (rms), и записать измеренный уровень пульсаций силы тока I [mA] = Uo [mV] в столбец 2 таблицы 7.12.
Таблица 7.12 - Уровень шумов и пульсаций силы тока, mA
|
Измеренный уровень пульсаций силы тока (rms) |
Верхний предел допускаемых значений, (rms) |
|
1 |
2 |
|
3.0 |
-
7.12.6 Отключить выход прибора нажатием клавиши “Output”. Деактивировать электронную нагрузку.
-
7.12.7 Выключить прибор и оборудование.
Отсоединить кабели от прибора и оборудования.
-
8 ОФОРМЛЕНИЕ РЕЗУЛЬТАТОВ ПОВЕРКИ
При выполнении операций поверки оформляется протокол в произвольной форме с указанием следующих сведений:
-
- полное наименование аккредитованной на право поверки организации;
-
- номер и дата протокола поверки
-
- наименование и обозначение поверенного средства измерения;
-
- заводской (серийный) номер;
-
- обозначение документа, по которому выполнена поверка;
-
- наименования, обозначения и заводские (серийные) номера использованных при поверке эталонных средств измерений, сведения об их последней поверке;
-
- температура и относительная влажность воздуха в помещении;
-
- фамилия лица, проводившего поверку;
-
- результаты определения метрологических характеристик по форме таблиц раздела 7.
При положительных результатах поверки выдается свидетельство о поверке в соответствии с ПР 50.2.006-94 с изменением № 1 от 26.11.2001.
Поверительное клеймо наносится в соответствии с ПР 50.2.007-2001.
8.3 Извещение о непригодностиПри отрицательных результатах поверки, выявленных при внешнем осмотре, опробовании или выполнении операций поверки, выдается извещение о непригодности в соответствии с ПР 50.2.006-94 с изменением № 1 от 26.11.2001.
Keithley 2280S. Методика поверки. 30.07.2015
стр. 20 из 20 |
