Методика поверки «ГСИ. Установки автоматические трехфазовые для поверки счетчиков электрической энергии НЕВА-Тест 3303. Методика поверки» (МП ТАСВ.411722.002-01)
Заместитель директора по
///,^7><,;^^^оизводственной метрологии
СОГЛАСОВАНО

СЕЛ^ломин
2022 г.
«геи. Установки автоматические трехфазные для поверки счетчиков электрической энергии НЕВА-Тест 3303. Методика поверки»
МП ТАСВ.411722.002-01
ОБЩИЕ ПОЛОЖЕНИЯНастоящая методика устанавливает методы и средства первичной и периодических поверок установок автоматических трёхфазных для поверки счётчиков электрической энергии НЕВА-Тест 3303, изготавливаемых ООО «Тайпит - ИН», г. Санкт-Петербург.
Установки автоматические трёхфазные для поверки счётчиков электрической энергии НЕВА-Тест 3303 (далее - установки) предназначены для регулировки, калибровки и поверки средств измерения (СИ) активной, реактивной, полной мощности и энергии, СИ промышленной частоты, действующих значений напряжения и тока, фазовых углов и коэффициента мощности.
При проведении поверки обеспечивается прослеживаемость установок автоматических трёхфазных для поверки счётчиков электрической энергии НЕВА-Тест 3303 к государственным первичным эталонам единиц величин по Приказу Федерального агентства по техническому регулированию и метрологии № 1942 от 03.09.2021 г. “Об утверждении Государственной поверочной схемы для средств измерений переменного электрического напряжения до 1000 В в диапазоне частот от 1-10‘’ до 2-10^ Гц» ГЭТ № 89, по Приказу Федерального агентства по 17.03.2022 г. «Об утверждении силы переменного электрического до Г10^ Гц» ГЭТ №88, по Приказу Федерального агентства по техническому регулированию и метрологии №1621 от 31.07.2018 г. «Об утверждении Государственной поверочной схемы для средств измерений времени и частоты» ГЭТ №1, по Приказу Госстандарта №1436 от 23.07.2021г. «Об утверждении Государственной поверочной схемы для средств измерений электроэнергетических величин в диапазоне частот от 1 до 2500 Гц» ГЭТ №153, по ГОСТ Р 8.746-2011 «ГСП. Государственная поверочная схема для средств измерений коэффициента масштабного преобразования и угла фазового сдвига электрического напряжения переменного тока промышленной частоты в диапазоне от от 0,1 /^3 до 750/^3 кВ» ГЭТ №175.
техническому регулированию и метрологии № 668 от Государственной поверочной схемы для средств измерений тока от Г 10’8 до 100 А в диапазоне частот от ПО’'
Поверка установок автоматических трёхфазных для поверки счётчиков электрической энергии НЕВА-Тест 3303 должна проводиться в соответствии с требованиями настоящей методики поверки.
Интервал между поверками (межповерочный интервал) - 2 года.
Методы, обеспечивающие реализацию методики поверки — метод прямых измерений, метод непосредственного сличения.
В зависимости от метрологических характеристик используемого эталонного средства измерения установки выпускается в двух вариантах исполнения: НЕВА-Тест 3303 0,1 класса точности 0.1 и НЕВА-Тест 3303 0,05 класса точности 0.05.
1. ПЕРЕЧЕНБ ОПЕРАЦИЙ ПОВЕРКИ СРЕДСТВА ИЗМЕРЕНИЙ1.1 При поверке выполняются операции, указанные в таблице 1.1. Таблица 1.1
Наименование операции |
Номер пункта методики поверки |
Первичная поверка |
Периодическая поверка |
Внешний осмотр |
6 |
+ |
+ |
Проверка сопротивления изоляции |
7 |
+ |
+ |
Проверка программного обеспечения |
8 |
+ |
4- |
Проверка функционирования |
9 |
+ |
4- |
Проверка основных технических характеристик |
10 |
-г |
+ |
Подтверждение соответствия метрологическим требованиям |
11 |
+ |
+ |
Оформление результатов поверки |
12 |
+ |
4- |
1.2 Допускается проводить периодическую поверку для меньшего числа величин и/или на меньшем числе поддиапазонов измерений на основании письменного заявления владельца СИ, оформленного в произвольной форме.
2. ТРЕБОВАНИЯ К УСЛОВИЯМ ПРОВЕДЕНИЯ ПОВЕРКИПри проведении поверки установки должны соблюдаться следуюгцие условия;
-
- температура окружаюшего воздуха, °C 23 ± 5;
-
- относительная влажность воздуха, % 30 - 80;
-
- атмосферное давление, кПа (мм рт. ст.) 84,0 - 106,7 (630 - 800).
К проведению поверки допускаются поверители из числа сотрудников организаций, аккредитованных на право поверки в соответствии с действующим законодательством РФ, изучившие настоящую методику поверки, руководство по эксплуатации на поверяемое средство измерений и имеющие стаж работы по данному виду измерений не менее 1 года.
4. МЕТРОЛОГИЧЕСКИЕ И ТЕХНИЧЕСКИЕ ТРЕБОВАНИЯ К СРЕДСТВАМ ПОВЕРКИ-
4.1 При проведении поверки должны применяться средства измерений, перечисленные в таблице 4.1.
-
4.2 Допускается применять другие средства поверки, обеспечивающие требуемую точность передачи единиц величин поверяемому средству измерений.
-
4.3 Все средства поверки должны быть исправны, поверены и иметь сведения (отметки в формулярах или паспортах)о поверке.
-
4.4 Работа с эталонными средствами измерений должна производиться в соответствии с их эксплуатационной документацией.
Таблица 4.1
Операции поверки |
Средство поверки |
Метрологические и технические требования к средствам поверки |
Гекомендуемые типы средств поверки |
Определение погрешности задания действующего значения напряжения, тока и фазового угла между фазными напряжениями первых гармоник |
Эталон 1 разряда: по ГПС утвержденной Приказом Госстандарта №1436 от 23.07.2021г. по ГПС, утвержденной Приказом Госстандарта от 17 марта 2015 г. № 668; по ГПС, утвержденной Приказом Госстандарта от 03 сентября 2021 г. № 1942 |
Относительная погрешность измерения тока ±0,015 Относительная погрешность измерения напряжения ±0,015 Абсолютная погрешность измерения фазового угла ± 0,05 градуса |
Прибор электроизмерительный многофункциональный НЕВА-Тест 5320 (регистрационный номер в Федеральном информационном фонде 84003-21) |
Определение временной нестабильности установленных значений мощности |
Эталон 1 разряда: по ГПС утвержденной Приказом Госстандарта №1436 от 23.07.2021г. |
Относительная погрешность измерения активной мощности ± 0,015 |
Прибор электроизмерительный многофункциональный НЕВА-Тест 5320 (регистрационный номер в Федеральном информационном фонде 84003-21) |
Проверка срабатывания защиты от короткого замыкания в цепи напряжения и от обрыва в цепи тока, определение коэффициента нелинейных искажений |
Измеритель коэффициента гармоник по ГПС ГОСТ 8. 762-2011 |
Абсолютная погрешность измерения суммарного коэффициента гармонических составляющих напряжения (THDu) и тока (THDi) ±0,01% |
Прибор электроизмерительный многофункциональный НЕВА-Тест 5320 (регистрационный номер в Федеральном информационном фонде 84003-21) |
Определение погрешности измерения действующего значения напряжения, тока, коэффициента активной мощности и фазового угла между напряжением и током первой гармоники одной фазы |
Эталон 1 разряда: по ГПС утвержденной Приказом Госстандарта № 1436 от 23.07.2021г. по ГПС, утвержденной Приказом Госстандарта от 17 марта 2015 г. № 668; по ГПС, утвержденной Приказом Госстандарта от 03 сентября2021 г. № 1942. Измеритель угла фазового сдвига по ГПС ГОСТ Г 18.746-2011 |
Относительная погрешность измерения тока ±0,015 Относительная погрешность измерения напряжения ±0,015 Абсолютная погрешность измерения коэффициента мощности ±0,002 Абсолютная погрешность измерения фазового угла ± 0,05 градуса |
Прибор электроизмерительный многофункциональный НЕВА-Тест 5320 (регистрационный номер в Федеральном информационном фонде 84003-21) |
Определение погрешности измерения активной и реактивной мощности |
Эталон 1 разряда: по ГПС утвержденной Приказом Госстандарта №1436 от 23.07.2021г. |
Относительная погрешность измерения активной мощности ±0,015 Относительная погрешность измерения реактивной мощности ±0,03 |
Прибор электроизмерительный многофункциональный НЕВА-Тест 5320 (регистрационный номер в Федеральном информационном фонде 84003-21) |
Определение погрешности измерения частоты переменного тока |
Средство измерений по ГПС утвержденной Приказом Госстандарта №1621 от 31.07.2018 г. |
Нестабильность частоты опорного генератора ±2,510-^Гц |
Частотомер 43-83 (регистрационный номер в Федеральном информационном фонде 29451-05) |
Определение абсолютной погрешности периода следования импульсов блока проверки точности хода часов |
Средство измерений по ГПС утвержденной Приказом Госстандарта №1621 от 31.07.2018 г. |
Нестабильность частоты опорного генератора ±2,510-^Гц |
Частотомер 43-83 (регистрационный номер в Федеральном информационном фонде 29451-05) |
Проверка сопротивления изоляции |
Установка для проверки параметров электрической безопасности |
Испытательное напряжение: 50 В, 100 В, 500 В, 1000 В Диапазон измерений от 1 МОм до 10 Гом Относительная погрешность (в диапазоне от 1 до 50 МОм) ± 0.05-Кивд |
Установка для проверки электрической безопасности СГ1-725А (регистрационный номер в Федеральном информационном фонде 27825-04) |
Проверка функционирования |
Персональный компьютер с установленным ПО «Тест-СОФТ» |
Не менее 3 ГГц 4 Гб ОЗУ |
Персональный компьютер Pentium 13 |
Определение условий проведения поверки |
Средство измерений атмосферного давления |
от 80 до 106 кПа ПГ ±0,2 кПа |
Барометр-анероид метеорологический БАММ-1 (регистрационный номер в Федеральном информационном фонде 5738-76) |
Средство измерений температуры окружающего воздуха |
от 16 до 40 °C ПГ ±1,0 °C |
Гигрометр психрометрический ВИТ-2 (регистрационный номер в Федеральном информационном фонде 9364-08) | |
Средство измерений относительной влажности воздуха |
от 10 до 100% ПГ ±3,0% |
Гигрометр психрометрический ВИТ-2 (регистрационный номер в Федеральном информационном фонде 9364-08) |
К проведению поверки допускаются лица, прошедшие проверку знаний правил техники безопасности и эксплуатации электроустановок напряжением до 1000 В и имеющие квалификационную группу по технике безопасности не ниже III.
Перед поверкой должны быть выполнены следующие мероприятия:
Проверены документы, подтверждающие электрическую безопасность.
Проведены технические и организационные мероприятия по обеспечению безопасности проводимых работ в соответствии с ГОСТ 12.2.007.0-75.
Все средства измерений, участвующие в поверке, должны быть надежно заземлены.
1.
2.
3.
При проведении внешнего осмотра должно быть установлено соответствие поверяемой установки следующим требованиям:
1.
2.
Комплектность должна соответствовать формуляру.
Не должно быть механических повреждений, которые могут повлиять на работу установки (повреждение корпусов, соединителей, кабелей, дисплеев, клавиатур, индикаторов и других изделий в соответствии с комплектом поставки). Внутри корпуса не должно быть посторонних предметов. Все надписи на панелях должны быть чёткими и ясными.
3.
Все разъёмы, клеммы и измерительные провода не должны иметь повреждения и должны быть чистыми.
4.
Маркировка должна быть четкой и содержать: наименование и тип установки НЕВА-Тест 3303; класс точности установки;
товарный знак предприятия-изготовителя;
заводской номер установки;
дата изготовления;
вид питания, номинальное напряжение питания, частота сети; потребляемая мощность;
знак утверждения типа СИ;
знак соответствия Техническим регламентам ЕАЭС; напряжение пробоя;
надпись; «Сделано в России».
При наличии дефектов поверяемая установка бракуется и направляется в ремонт.
7. ПОДГОТОВКА К ПОВЕРКЕ И ОПРОБОВАНИЕ СРЕДСТВА ИЗМЕРЕНИЙПеред проведением поверки необходимо выполнить следующие операции:
-
- выдержать установку в нормальных условиях окружающей среды, указанных в п.4, не менее 1 часа, если она находилась в климатических условиях, отличающихся от указанных в п.4;
-
- соединить зажимы заземления используемых средств поверки с контуром заземления;
-
- подключить установку и средства поверки к сети переменного тока, включить и дать поработать на холостом ходу в течение времени, указанного в эксплуатационной документации.
-
7.1 Проверка функционирования (опробование) установки проводится путем визуального наблюдения за поверкой счётчиков электрической энергии, при максимальных и минимальных значениях входных сигналов, согласно техническим характеристикам поверяемых счётчиков:
-
- произведите подготовку установки к работе согласно руководству по эксплуатации;
-
- установите на установку электронные счётчики непосредственного подключения, рассчитанные на максимальный ток 100 А, с импульсными оптическими выходами;
-
- включите Установку согласно руководству по эксплуатации, при включении питания должен включиться экран блока управления установки и эталонного счётчика (для исполнения НЕВА-Тест 3303Л), через 5-10 секунд должны завершиться процедуры самотестирования и инициализации установки;
-
- установите головки оптические и наведите их на поверяемые счётчики;
-
- подключите к установке ПК, запустите ПО предназначенное для работы с установками НЕВА-Тест 3303 и, создав проект для поверки, установленных счётчиков (конкретного типа), проведите поверку;
-
- установите на установку индукционные счётчики, наведите головки оптические на диски с метками, отрегулируйте чувствительность головок оптических, проведите поверку;
-
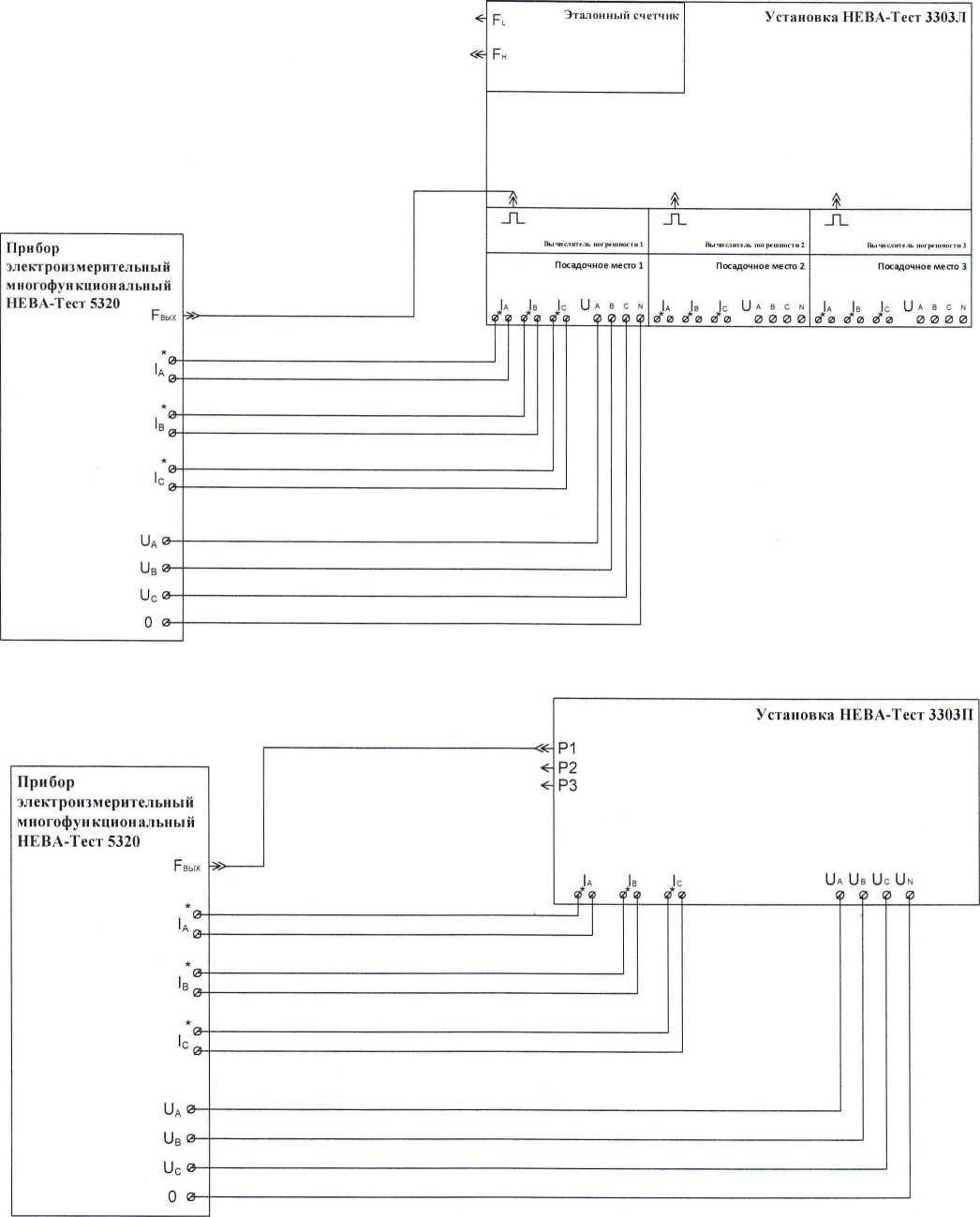
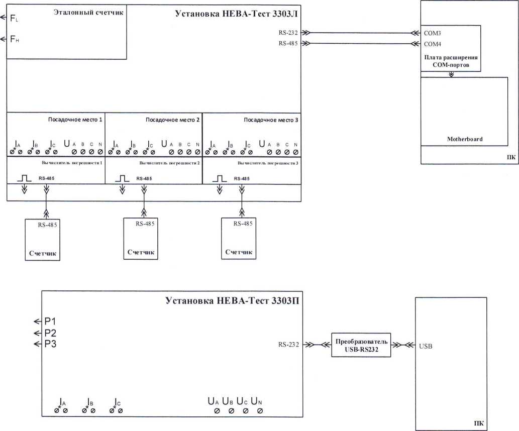
- установите на установку счётчики с последовательным интерфейсом RS-485 (для исполнения НЕВА-Тест 3303Л), подключите последовательный интерфейс, обеспечивающий связь со счётчиками, к ПК согласно рис. АЗ, с помощью специального ПО, установленного на ПК, произведите опрос счётчиков;
-
- проведите поверку задания значений тока, напряжения, частоты, фазы и гармоник в автономном режиме работы установки. Значения параметров изменяются соответствующими кнопками на установке.
Результаты проверки считаются положительным, если установка функционирует согласно руководства по эксплуатации ТАСВ.411722.002-01 РЭ или ТАСВ.411722.002-02 РЭ (на дисплее блока управления наблюдаются показания погрешности счётчиков в процентах, обеспечивается регулировка напряжения, тока и угла сдвига между током и напряжением, а в окне программы, на мониторе ПК, появляются значения измеренной погрешности поверяемых счётчиков).
-
7.2 Проверка сопротивления изоляции средства измерений
Проверка сопротивления изоляции проводится установкой для проверки параметров электрической безопасности GP1-725A, при рабочем напряжении 500В, между следующими цепямиг
-
1) соединенными между собой контактами вилки сетевого разъема и корпусной клеммой;
-
2) соединенными между собой клеммами напряжения и клеммами тока, и корпусной клеммой установки;
-
3) соединенными между собой контактами вилки сетевого разъема и соединенными между собой клеммами напряжения и тока.
Отсчёт результата измерения следует производить не ранее, чем через 30 с после подачи испытательного напряжения.
Установка считается выдержавшей испытание, если значение сопротивления изоляции не менее 20 МОм.
8. ПРОВЕРКА ПРОГРАММНОГО ОБЕСПЕЧЕНИЯ СРЕДСТВА ИЗМЕРЕНИЙИдентификацию программного обеспечения проводят следующим образом: включить установку;
на дисплее блока управления в течении 2-3 секунд высвечивается идентификационное наименование ПО блока управления «0707», а так же номер версии ПО main board и keyboard;
на дисплеях вычислителей погрешности (для исполнения НЕВА-Тест ЗЗОЗЛ) в течении 1-2 секунд высвечивается номер версии ПО вычислителей погрешности.
Таблица 8.1.1 - встроенное ПО блока управления
Идентификационные данные (признаки) |
Значение | |
ЗЗОЗП |
ЗЗОЗЛ | |
Идентификационное наименование ПО |
0707 |
0707 |
Номер версии ПО main board (идентификационный номер ПО) |
не ниже 079 v.2.2 |
не ниже 079 v.2.2 |
Номер версии ПО keyboard (идентификационный номер ПО) |
не ниже 279 v.1.2 |
не ниже 278 v.1.1 |
Таблица 8.1.2 - встроенное ПО вычислителей погрешности (для исполнения НЕВА-Тест
Идентификационные данные (признаки) |
Значение |
Идентификационное наименование ПО |
0707 |
Номер версии (идентификационный номер ПО) |
не ниже 034 v.2.5 |
Результаты испытаний считаются удовлетворительными, если индицируемая информация совпадает с информацией указанной в с таблицах 8.1.1 и 8.1.2.
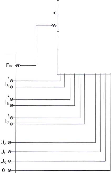
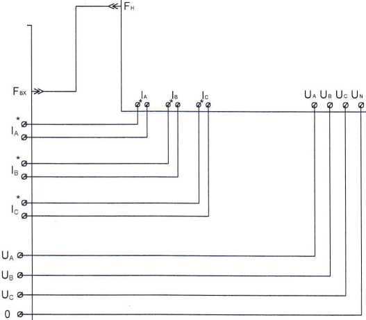
9. ОПРЕДЕЛЕНИЕ МЕТРОЛОГИЧЕСКИХ ХАРАКТЕРИСТИК СРЕДСТВА ИЗМЕРЕНИЙ 10.1 Определение погрешности задания действующего значения напряжения, тока и фазового угла между фазными напряжениями первых гармоник.Подключите к установке прибор НЕВА-Тест 5320 согласно рис. А1 или А2.
Задайте на установке испытательные сигналы (при Кр=1) с параметрами указанными в табл.10,.1
Таблица 10.1
Параметры испытательного сигнала |
Предел допускаемой относительной погрешности задания | ||||
иф,в |
1,А |
фи, градус |
5и, % |
Si, % |
Дфи, градус |
300 |
120.0 |
120 |
±0,5 |
±1,0( .*) |
±0.1 |
220 |
50.0 |
120 |
±0,5 |
±0,5 (1.0*) |
±0.1 |
120 |
10.0 |
120 |
±0,5 |
±0,5 (1.0*) |
±0.1 |
60 |
1.0 |
120 |
±0,5 |
±0,5 (1.0*) |
±0.1 |
40 |
0,1 |
120 |
±0,5 |
±0,5 (1.0*) |
±0.1 |
5 |
0.02 |
120 |
±1,0 |
± 1,0 (2.0*) |
±0.1 |
* для варианта исполнения ЗЗОЗЛ И с РТТ
Погрешности §ии 5i рассчитываются по формулам:
§и = [(ио-иэ)/иэ] X 100% (1)
51 = [(1о-1э)/1э] X 100% (2), где:
Uo, Io - заданные на Установке значения напряжения и тока;
Пэ, 1э - напряжение и ток измеренные прибором НЕВА-Тест 5320.
Угол между фазными напряжениями Дфи должен составлять 120 ± 0.1 градус.
Измерение проводить по каждой фазе, учитывать наихудшее значение погрешности задания напряжения, тока и угла между фазными напряжениями первых гармоник.
Результаты проверки считаются положительными, если значения погрешностей напряжения и тока не превышают значений приведенных в таблице 10.1.
-
10.2 Определение временной нестабильности установленных значений мощности.
Подключите к установке прибор НЕВА-Тест 5320 согласно рис. А1 или А2. Включите установку, установите испытательный сигнал со следующими характеристиками: Пф - 220 В, I -10А, выдержите установку включенной 20 минут.
Запишите установившееся значение активной мощности Р1. Выдержите ещё 3 минуты и запишите новое значение активной мощности Р2. Посчитайте уход по формуле:
8р= [(Р2 - Р1)/Р1] X 100% (3)
Результат проверки считается удовлетворительным, если 5р< 0,05.
10.4 Проверка срабатывания защиты от короткого замыкания в цепи напряжения и от обрыва в цепи тока, определение коэффициента нелинейных искажений.
Установите на установке испытательный сигнал со следующими характеристиками; Пф -220 В, I - 10 А. Разорвите цепь тока. Замкните клемму напряжения на нулевую клемму установки с помощью внешней перемычки. Отключите выходной сигнал установки. Замкните цепь тока штатными перемычками. Разомкните клемму напряжения установки. Установите на Источнике испытательный сигнал со следующими характеристиками: Иф - 220 В, I - 100 А (для варианта исполнения ЗЗОЗЛ И с РТТ: Пф - 220 В, 1-80 А). Измерьте с помощью прибора НЕВА-Тест 5320 коэффициент нелинейных искажений в цепи тока и напряжения.
Результаты проверки считаются удовлетворительными, если Кг <1%, ограничения сверху снизу отсутствуют.
Допускается считывание измеренных значений и расчёт погрешностей производить помощью прикладного программного обеспечения, работающего на ПК, подключенном установке и/или к прибору НЕВА-Тест 5320 (в зависимости от варианта исполнения установки).
Примечание. Допускается проведение испытаний (кроме особо оговоренных случаев) в реальных условиях цеха, лаборатории, если они не выходят за пределы рабочих условий эксплуатации.
11. ПОДТВЕРЖДЕНИЕ СООТВЕТСТВИЯ СРЕДСТВА ИЗМЕРЕНИЙ МЕТРОЛОГИЧЕСКИМ ТРЕБОВАНИЯМДля характеристик у которых нормируются абсолютные погрешности АХ, вычисляются значения погрешностей, по формуле:
АХ = X - Хо (4) где Хо - значение характеристики, измеренное образцовым средством измерения, X- значение характеристики, измеренное поверяемым средством измерения.
Для характеристик у которых нормируются относительные погрешности 5Х, вычисляются значения погрешностей, в процентах, по формуле:
5Х = (X - Хо)/Хо X 100 (5)
Допускается считывание измеренных значений и расчёт погрешностей производить помощью прикладного программного обеспечения, работающего на ПК, подключенном установке и/или к прибору НЕВА-Тест 5320.
Примечание. Допускается проведение испытаний (кроме особо оговоренных случаев) реальных условиях цеха, лаборатории, если Они не выходят за пределы рабочих условий
эксплуатации.
11.1 Определение погрешности измерения действующего значения напряжения, тока, коэффициента активной мощности и фазового угла между напряжением и током первой гармоники одной фазы.
Определение указанных погрешностей проводится с помощью прибора НЕВА-Тест 5320 при значениях параметров испытательных сигналов, указанных в таблице 11.1.
Для проведения измерений прибор НЕВА-Тест 5320 подключается к Установке согласно рис. А1 или А2.
Таблица 11.1
Параметры испытательного сигнала (установленные значения) |
Предел допускаемой погрешности | ||||||||
Кр** |
Афи, градус |
НЕВА-Тест 3303 0.05 |
НЕВА-Тест 3303 0.1 | ||||||
и®, В |
I, А |
Кр |
фи, градус |
Su, % |
5,, % |
5и, % |
5i, % | ||
300 |
120.0 |
0.5L |
60 |
±0.005 |
±0,1 |
±0,10 |
±0,20 |
±0,20 |
± 0,30 ( - *) |
220 |
40 |
0.5С |
300 |
±0.005 |
±0,1 |
± 0,10 |
±0,10 |
±0,20 |
±0,20 (±0.20*) |
100 |
10 |
0.8L |
36.87 |
±0.005 |
±0,1 |
±0,10 |
±0,10 |
±0,20 |
± 0,20 (± 0.20*) |
60 |
1 |
0.8С |
323.13 |
±0.005 |
±0,1 |
±0,10 |
±0,10 |
±0,20 |
± 0,20 (± 0.20*) |
40 |
0,15 |
1 |
0 |
±0.005 |
±0,1 |
±0,10 |
±0,10 |
±0,20 |
± 0,20 (± 0.20*) |
5 |
0,01 |
1 |
0 |
±0.005 |
±0,1 |
±0,45 |
±0,55 |
±0,55 |
± 0,65 (± 0.65*) |
* для варианта исполнения ЗЗОЗЛ И с РТТ, ** только для варианта исполнения ЗЗОЗЛ
Измерение проводить по каждой фазе, учитывать наихудшее значение погрешности задания напряжения, тока и угла между напряжением и током первой гармоники. Для варианта исполнения ЗЗОЗЛ измерения проводить на одном из трёх посадочных мест.
Погрешности 5и и 5i рассчитываются по формулам:
5и = [(Ux - Пэ) / Пэ] X100% (6)
51 = [(1х - 1э) / 1э] X 100% (7)
где Пэ и 1э - напряжение и ток измеренные прибором НЕВА-Тест 5320
Ux и 1х- напряжение и ток измеренные эталонным счётчиком установки.
Погрешности АКри Афи рассчитываются по формулам:
АКр — Крх - Крэ
Афи = фих - фиэ
где Крх, фих - коэффициент мощности и фазовый угол измеренные эталонным счётчиком установки;
Крэ, фиэ - коэффициент мощности и фазовый угол, измеренные прибором НЕВА-Тест 5320.
Результаты проверки считаются положительными, если значения основных погрешностей не превышают значений приведенных в таблице 11.1.
-
11.2 Определение абсолютной погрешности измерения частоты переменного тока
Установите на источнике испытательный сигнал со следующими характеристиками: Оф-40 В, 1-5 А, Кр-1.
Определение погрешности проводится с помощью частотомера 43-83 при значениях параметров испытательных сигналов, указанных в таблице 11.2.
Таблица 11.2
Установленное значение частоты (F), Гц |
Предел допускаемой абсолютной погрешности установки Ар, Гц |
42.5 |
± 0,005 |
50.0 |
± 0,005 |
57,5 |
± 0,005 |
Погрешность AF рассчитывается по формуле:
AF = F - Еэ (8)
где F - частота измеренная эталонным счётчиком установки;
Рэ - частота измеренная прибором НЕВА-Тест 5320.
Результаты испытаний считаются положительными, если значения основных погрешностей
не превышают значений приведенных в таблице 11.2.
-
11.3 Определение погрешности измерения активной и реактивной мощности.
Определение указанных погрешностей проводится с помощью прибора НЕВА-Тест 5320 при значениях параметров испытательных сигналов, указанных в таблицах 11.3.1 - 11.3.3
Для проведения измерений прибор НЕВА-Тест 5320 подключается к установке согласно рис. А1 в режиме проверки Установки или А2 в режиме проверки прибора НЕВА-Тест 5320. При подключении в режиме проверки прибора НЕВА-Тест 5320 значение погрешности следует про-инвертировать.
Таблица 11.3.1 трёхфазная четырехпроводная схема подключения
Параметры испытательного сигнала (установленные значения) |
Предел допускаемой относительной погрешности НЕВА-Тест 3303 0.05 |
Предел допускаемой относительной погрешности НЕВА-Тест 3303 0.1 | ||||
Пф, В |
I, А |
коэффициент мощности 1 |
5р, % |
5q, % |
8р, % |
5q, % |
250 |
120 |
1,0 |
±0,10 |
±0,20 |
± 0,20 ( - 2) |
± 0,30 ( - 2) |
250 |
60 |
1,0 |
±0,05 |
±0,10 |
±0,10 (±0.102) |
± 0,20 (± 0.202) |
250 |
10 |
1,0 |
±0,05 |
±0,10 |
±0,10 (±0.102) |
± 0,20 (± 0.202) |
250 |
1 |
1,0 |
±0,05 |
±0,10 |
±0,10 (±0.152) |
± 0,20 (± 0.202) |
250 |
0,05 |
1,0 |
±0,10 |
±0,20 |
± 0,20 (± 0.202) |
±0,30 (±0.302) |
250 |
0,01 |
1,0 |
±0,10 |
±0,20 |
±0,20 (±0.302) |
±0,40 (±0.502) |
230 |
100 |
0,5L |
±0,15 |
±0,30 |
± 0,20 ( - 2) |
± 0,50 ( - 2) |
230 |
100 |
0,5С |
±0,15 |
±0,30 |
± 0,20 ( - 2) |
± 0,50 ( - 2) |
230 |
5 |
0,5L |
±0,08 |
± 0,15 |
±0,15 (±0.202) |
± 0,30 (± 0.302) |
230 |
5 |
0,5С |
± 0,08 |
±0,15 |
±0,15 (±0.202) |
±0,30 (±0.302) |
230 |
0,2 |
0,5Е |
±0,08 |
±0,15 |
±0,15 (±0.202) |
±0,30 (±0.302) |
230 |
0,2 |
0,5С |
±0,08 |
±0,15 |
±0,15 (±0.202) |
±0,30 (±0.302) |
230 |
0,01 |
0,5С |
±0,10 |
±0,20 |
±0,15 (±0.502) |
±0,30 (±0.502) |
230 |
60 |
0,25L |
±0,15 |
±0,30 |
± 0,20 (± 0.402) |
± 0,40 (± 0.502) |
230 |
60 |
0,25С |
- |
±0,30 |
- |
± 0,40 (± 0.502) |
230 |
0,1 |
0,25L |
±0,15 |
±0,30 |
± 0,20 (± 0.402) |
± 0,40 (± 0.502) |
230 |
0,1 |
0,25С |
- |
±0,30 |
- |
± 0,40 (± 0.502) |
40 |
100 |
0,5L |
±0,15 |
±0,30 |
± 0,20 ( - 2) |
± 0,50 ( - 2) |
40 |
10 |
0,5L |
±0,08 |
±0,15 |
±0,15 (±0.202) |
±0,30 (±0.302) |
Параметры испытательного сигнала (установленные значения) |
Предел допускаемой относительной погрешности НЕВА-Тест 3303 0.05 |
Предел допускаемой относительной погрешности НЕВА-Тест 3303 0.1 | ||||
Пл, В |
ГА |
коэффициент мощности ** |
8р, % |
5q, % |
8р, % |
8q, % |
100 |
2,5 |
1,0 |
±0,05 |
±0,10 |
±0,10 (±0.10*) |
± 0,20 (± 0.20*) |
380 |
2,5 |
0,5С |
±0,08 |
±0,15 |
±0,15 (±0.20*) |
±0,30 (±0.30*) |
380 |
2,5 |
0,5L |
±0,08 |
±0,15 |
±0,15 (±0.20*) |
± 0,30 (± 0.30*) |
380 |
0,1 |
1,0 |
±0,05 |
±0,10 |
±0,10 (±0.15*) |
± 0,20 (± 0.20*) |
-
* для варианта исполнения ЗЗОЗЛ И с РТТ.
-
* * при определении погрешности измерения активной могцности приведены значения коэффициента активной мощности, при определении погреншости измерения реактивной мощности указаны значения коэффициента реактивной могцности.
Таблица 11.3.3 однофазная двухпроводная схема подключения
Параметры испытательного сигнала (установленные значения) |
Предел допускаемой относительной погрешности НЕВА-Тест 3303 0.05 |
Предел допускаемой относительной погрешности НЕВА-Тест 3303 0.1 | ||||
и, В |
Г А |
коэффициент мощности ** |
8р, % |
Sq, % |
8р, % |
5q, % |
230 |
5 |
0,5L |
±0,08 |
± 0,15 |
±0,15 (±0.20*) |
±0,30 (±0.30*) |
250 |
1 |
1,0 |
±0,05 |
±0,10 |
±0,10(±0.15*) |
± 0,20 (± 0.20*) |
230 |
0,1 |
0,5С |
±0,10 |
±0,20 |
±0,15 (±0.30*) |
±0,30 (±0.30*) |
- * для варианта исполнения ЗЗОЗЛ И с РТТ;
* * при определении погрешности измерения активной мощности приведены значения коэффициента активной могцности, при определении погреншости измерения реактивной мощности указаны значения коэффициента реактивной могцности.
Для варианта исполнения ЗЗОЗЛ без РТТ измерения проводить на одном из трёх посадочньгх мест.
Для варианта исполнения ЗЗОЗЛ И с РТТ измерения по таблице 11.3.1 проводить на каждом посадочном месте.
Значения погрешности измерения активной 8?, и реактивной 8q мощности считываются с дисплея прибора НЕВА-Тест 5320.
Результаты проверки считаются положительными, если значения основных погрешностей не превышают значений приведенных в таблицах 11.3.1 - 11.3.3.
11.4. Определение абсолютной погрешности периода следования импульсов блока проверки точности хода часов (только для варианта исполнения НЕВА-Тест ЗЗОЗЛ Т с блоком проверки точности хода часов)
Определение погрешности проводится с помощью частотомера 43-83, подключенного к блоку проверки точности хода часов согласно рис. А4.
Значение частоты на выходе блока поверки точности часов должно быть 100 кГц.
Погрешность AF рассчитывается по формуле:
AF = FxQ.SxlO'^ (9)
где F - частота на выходе блока проверки точности хода часов измеренная с помощью частотомера 43-83.
Результаты проверки считаются удовлетворительными, если значение погрешности находится в диапазоне ± 0.05 Гц (100 кГц х 0.5x10’^).
12. ОФОРМЛЕНИЕ РЕЗУЛЬТАТОВ ПОВЕРКИ-
12.1. Результаты поверки утверждения типа установок автоматических трёхфазных для поверки счётчиков электрической энергии НЕВА-Тест 3303 передаются Федеральный информационный фонд по обеспечению единства измерений в соответствии с порядком, установленным действующим законодательством.
-
12.2. По заявлению владельца средства измерения (СИ) или лица, представившего его на поверку, положительные результаты поверки (когда СИ подтверждает соответствие метрологическим требованиям) на установку наносится знак поверки, давлением пломбира, лазерной гравировкой или иным способом на пломбы, расположенные:
- для переносного варианта исполнения ЗЗОЗП, на крепежных винтах передней панели установки;
- для лабораторного варианта исполнения ЗЗОЗЛ, на крепежных винтах в левых верхних углах передней и задней панелей эталонного счётчика, а также внесением в формуляр установки записи о проведенной поверке, заверяемой подписью поверителя и знаком поверки, с указанием даты поверки и (или) оформляют свидетельство о поверке по форме, установленной в соответствии с действующим законодательством.
-
12.3 По заявлению владельца СИ или лица, представивгиего его на поверку, отрицательные результаты поверки (когда СИ не подтверждает соответствие метрологическим требованиям) оформляют извещением о непригодности к применению средства измерений по форме, установленной в соответствии с действующим законодательством, и (или) внесением в формуляр СИ соответствующей записи.
Начальник сектора отдела 206.1
ФГБУ «ВНИИМС»

Е.Н. Мартынова
Прибор электроизмерительны й многофункциональный НЕВА-Тест 5320

Эталонный счетчик | |||||
Fl | |||||
Fh | |||||
Посадочное место 1 |
Пхадочное место 2 |
Пхадочное место N | |||
Ia |
Ь |с и А в с N |
1а |
Ib |
|с и А 0 с N |
|а |в |с и а в с N |
ф 9 1? 19 |
00 00 |
^0 0000 |
^02^02^0 0000 |
Установка НЕВА-Тест ЗЗОЗП
Прибор электроизмерительный многофункциональный НЕВА-Тест 5320

Рис. А1 Схемы подключения прибора НЕВА-Тест 5320 к лабораторному и переносному вариантам исполнения Установки в режиме проверки Установки

Рис. А2 Схемы подключения прибора НЕВА-Тест 5320 к лабораторному и переносному вариантам исполнения Установки в режиме проверки прибора НЕВА-Тест 5320

Рис. АЗ Схемы подключения установок к ПК

Рис. А4 Схема подключения частотомера к блоку проверки точности хода часов
18
при определении погрешности измерения активной могцности приведены значения коэффициента активной могцности, при определении погрешности измерения реактивной могцности указаны значения коэффициента реактивной могцности.
для варианта исполнения 33 03Л И с РТТ.