Методика поверки «Пробники дифференциальные TDP0500, TDP1000, TDP1500, TDP3500 компании « Tektronix, Inc.», США» (Код не указан!)
УТВЕРЖДАЮ
Руководитель ГЦИ СИ -заместитель генерального директора

УТВЕРЖДАЮ
Начальник ГЦИ СИ «Воентест»
32 ГНЙИИ МО РФ
(Л. Донченко
Л
ч
/2- 2009 г.
Инструкция
Пробники дифференциальные TDP0500, TDP1000, TDP1500, TDP3500 компании « Tektronix, Inc,», США
Методика поверки г. Мытищи 2009 г.
1 ВВЕДЕНИЕ-
1.1 Настоящая методика распространяется на пробники дифференциальные TDP0500, TDP1000, TDP1500, TDP3500 (далее по тексту - пробники), компании «Tektronix, Inc.», США, и устанавливает порядок и объем их первичной и периодической поверки.
-
1.2 Межповерочный интервал - 1 год.
2.1 При поверке выполняют операции, представленные в таблице 1. Таблица 1
|
Наименование операции |
Номер пункта документа по поверке |
Проведение операции при | |
|
первичной поверке(ввозе импорта) |
периодической поверке | ||
|
1 Внешний осмотр. |
8.1 |
4- |
-ь |
|
2 Опробование. |
8.2 |
4- |
4- |
|
3 Определение диапазона входных напря жений в дифференциальном режиме и погрешности коэффициента деления на постоянном токе. |
8.3 |
4- |
4- |
|
4 Определение полосы пропускания (не проводится для пробника TDP3500). |
8.4 |
-I- |
4- |
|
5 Определение уровня подавления синфаз ной помехи (не проводится для пробника TDP3500) |
8.5 |
+ |
4- |
|
6 Определение времени нарастания пере ходной характеристики |
8.6 |
-ь |
4- |
3 СРЕДСТВА ПОВЕРКИ
3.1 При проведении поверки используют средства измерений и вспомогательное оборудование, представленное в таблице 2.
Таблица 2
|
№ пункта методики поверки |
Эталонные СИ, испытательное оборудование и вспомогательная аппаратура |
|
1 |
2 |
|
8.2, 8.3, 8.4, 8.5, 8.6 |
Осциллограф цифровой DPO7354 (4 канала, полоса пропускания от 0 до 3,5 ГГц, пределы допускаемой относительной погрешности измерений напряжения постоянного тока ± 1,5 %) |
|
8.3 |
Мультиметр цифровой Keithley 2000 (2 шт.) (пределы допускаемой относительной погрешности измерений напряжения постоянного тока и электрического сопротивления ± 0,25 %) |
|
8.3 |
Калибратор универсальный 9100 (диапазон воспроизведения напряжения постоянного тока от минус 10 до 10 В, пределы допускаемой относительной погрешности воспроизведения напряжения ±0,1 %) |
|
8.4, 8.5 |
Анализатор электрических цепей векторный Agilent Е5071С (диапазон частот от 9 кГц до 4,5 ГГц, динамический диапазон не менее 82 дБ, пределы допускаемой погрешности измерений коэффициента передачи ± 2,5 дБ) |

_______________________________________2______________________________________ Осциллограф стробоскопический DSA8200 с модулями 80Е04 и 80ЕХХ (полоса пропускания от 0 до 20 ГГц, длительность фронта перепада напряжения не более 30 ПС, амплитуда перепада напряжения не менее 250 мВ)
-
3.2 Допускается использование других средств измерений и вспомогательного оборудования, имеющих метрологические и технические характеристики не хуже характеристик приборов, приведенных в таблице 2.
-
3.3 Применяемые средства поверки должны быть исправны, поверены и иметь действующие свидетельства о поверке (отметки в формулярах или паспортах).
-
4.1 К проведению поверки пробника допускаются лица, имеющие высшее или среднее специальное образование, квалификационную группу по электробезопасности не ниже 4 с напряжением до 1000 В, прошедшие инструктаж по технике безопасности при работе с электронным измерительно-испытательным оборудованием, и опыт практической работы.
-
5.1 При проведении поверки должны быть соблюдены требования безопасности, предусмотренные «Правилами технической эксплуатации электроустановок потребителей», «Правилами техники безопасности при эксплуатации электроустановок потребителей», а также изложенные в руководстве по эксплуатации на приборы, в технической документации на применяемые при поверке рабочие эталоны и вспомогательное оборудование.
-
6.1 Поверку проводить при следующих условиях:
23 ±5;
65 ± 15;
100 ±4 (750 ±30);
-
- температура окружающего воздуха, °C
-
- относительная влажность воздуха, %
-
- атмосферное давление, кПа (мм рт. ст.)
-
- параметры питания от сети переменного тока:
-
- напряжение, В 220 ± 4,4;
-
- частота, Гц 50 ± 0,5.
-
7.1 Перед проведением поверки необходимо выполнить следующие подготовительные работы;
-
- выдержать приборы в условиях, указанных в п. 6.1, в течение 1 ч;
-
- выполнить операции, оговоренные в руководстве по эксплуатации на поверяемый пробник (РЭ) по его подготовке к поверке;
-
- выполнить операции, оговоренные в технической документации на применяемые средства поверки по их подготовке к измерениям;
-
- осуществить предварительный прогрев приборов для установления их рабочего режима.
-
8.1.1 Проверка внешнего вида.
Внешний вид пробника проверить в соответствии с требованиями ТД.
При внешнем осмотре проверить:
-
- наличие товарного знака фирмы-изготовителя, серийный номер, год изготовления;
-
- состояние лакокрасочного покрытия;
-
- чистоту гнезд, разъемов, клемм;
-
- отсутствие механических, электрических, химических и тепловых повреждений.
Результаты внешнего осмотра считать положительными, если внешний вид пробника соответствует всем перечисленным требованиям
-
8.1.2 Проверка комплектности.
При проверке установить:
-
- наличие ТД;
-
- соответствие комплектности пробника требованиям ТД.
Результаты проверки комплектности считать положительными, если комплектность пробника соответствует ТД. В противном случае пробник бракуется и направляется на доукомплектование.
8.2 Опробование-
8.2.1 Подготовить осциллограф DPO73504 и пробник к работе в соответствии с ТД. Подключить пробник к любому каналу осциллографа.
-
8.2.2 С помощью двух наконечников-зажимов из комплекта пробника подключит измерительную головку к контактам PROBE COMP на передней панели осциллографа (рис. 1)
-
8.2.3 Нажать кнопку AUTOSET (или в ручную установить необходимые настройки) на осциллографе для получения устойчивого изображения калибровочного сигнала (меандр) на экране.
Результаты поверки считать положительными если на экране осциллографа набюдается устойчивое изображение калибровочного сигнала (меандр). В противном случае пробник бракуется и направляется в ремонт.
8.3 Определение диапазона входных напряжений в дифференциальном режиме и погрешности коэффициента деления на постоянном токе
-
8.3.1 Собрать измерительную схему в соответствии с рисунком 2. Установить в канале, к которому подключен пробник, постоянное смещение О (1).
-
8.3.2 Переключить пробник в диапазон входных напряжений(2):
42 В - пробники TDP0500 и TDPIOOO;
-
8,5 В - пробник TDP1500;
(пробник TDP3500 однодиапозонный).

-
8.3.3 Подсоединить с помощью наконечников-зажимов к универсальному калибратору. Полярность: красный - (+), черный - (-) (3).
-
8.3.4 тора (4).
-
8.3.5
-
8.3.6
-
8.3.7
-
Подсоединить второй цифровой мультиметр к выходу универсального калибра-
Установить на калибраторе напряжение в соответствии с таблицей 3.
Записать показания мультиметра, подключенного к калибратору, как Ubxi.
Записать показания мультиметра, подключенного к адаптеру TekVPI для калиб-ровки/поверки, как Ubuxi-
-
8.3.8 Повторить измерения по пп. 8.3.5 - 8.3.7 для второго значения напряжения на калибраторе. Записать показания мультиметров как ивхг.Пвыхг-
-
8.3.9 Проверить второй диапазон входных напряжений для пробников TDP0500, TDP1000, ГОР 1500. Отрицательные напряжения могут быть получены сменой полярности подключения пробника.
-
8.3.10 Рассчитать коэффициент деления, используя пары результатов измерений, по формуле;
к — (Ugxl U|jx2)/ (Ugbixl Usbrxl)
Таблица 3
|
Пробник |
Установленное напряжение на калибраторе, В |
Измеренное напряжение, Ubx, в |
Измеренное напряжение, Ивьсо В |
Коэффициент деления, К |
Минимальное допустимое значение |
Максимальное допустимое значение |
|
TDP0500 и TDP1000 диапазон 42 В |
40 |
49,0 |
51,0 | |||
|
5,0 | ||||||
|
42 |
47,5 |
52,5 | ||||
|
5,0 | ||||||
|
TDP0500 и TDP1000 диапазон 4,25 В |
4,0 |
4,90 |
5,10 | |||
|
0,5 | ||||||
|
4,25 |
4,75 |
5,25 | ||||
|
0,5 |
|
Пробник |
Установленное напряжение на калибраторе, В |
Измеренное напряжение, Ubx, В |
Измеренное напряжение, Ивых, В |
Коэффициент деления, К |
Минимальное допустимое значение |
Максимальное допустимое значение |
|
TDP1500 диапазон 8,5 В |
7,5 |
9,80 |
10,2 | |||
|
минус 7,5 | ||||||
|
8,5 |
9,50 |
10,5 | ||||
|
минус 8,5 | ||||||
|
ТОР 1500 диапазон 0,85 В |
0,75 |
0,98 |
1,02 | |||
|
минус 0,75 | ||||||
|
0,85 |
0,95 |
1,05 | ||||
|
минус - 0,85 | ||||||
|
TDP3500 |
1,4 |
4,90 |
5,10 | |||
|
минус 1,4 | ||||||
|
2,0 |
4,75 |
5,25 | ||||
|
минус 2,0 |
Результаты поверки считать положительными, если значения коэффициента деления находятся в пределах, указанных в таблице 3. В противном случае пробник бракуется и направляется в ремонт.
Определение полосы пропускания (не проводится для пробника TDP3500) Собрать измерительную схему в соответствии с рисунком 3.

|
РО: |
П 1 PORT 2 ; > Г) |
- 10 |
П f° | |||
|
НЭ | ||||||
|
L= | ||||||
|
1____ | ||||||
Рисунок 3
8.4.2
Анализатор электрических цепей векторный включить в режим измерений коэффициента передачи S21.
-
8.4.3 Установить на анализаторе логарифмический формат шкалы, 1 дБ/дел, опорный уровень минус 14 дБм, начальная частота 1 МГц, конечная частота 2 ГГц.
-
8.4.4
-
8.4.5 (5).
-
8.4.6
-
Установить уровень выходной мощности 10 дБм.
Подключить адаптер TekVPI для калибровки/поверки к 1 каналу осциллографа
Подключить кабель от порта 1 анализатора к BNC разъему адаптера TekVPI для калибровки/поверки (6). При необходимости использовать переход.
-
8.4.7 Подключить кабель от порта 2 анализатора к SMA разъему адаптера TekVPI для калибровки/поверки. При необходимости использовать переход (7).
-
8.4.8 Провести установку нуля (нормализацию) анализатора для исключения влияния потерь в адаптере TekVPI для калибровки/поверки.


-
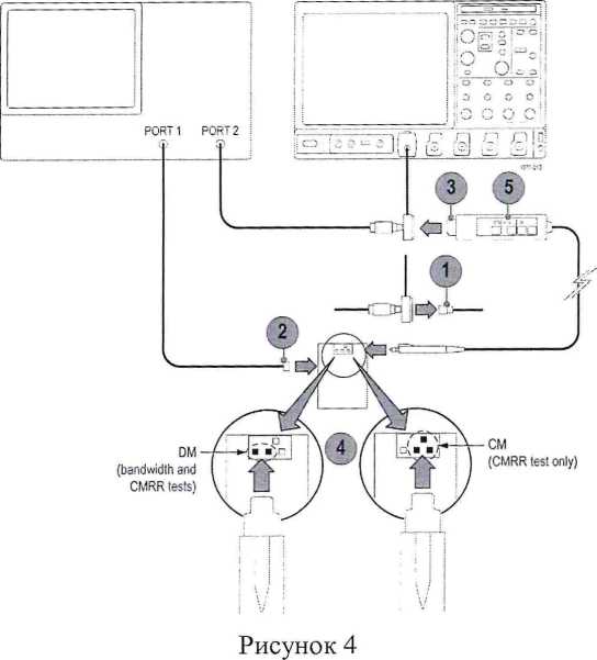
8.4.9 Собрать измерительную схему в соответствии с рисунком 4. Отключить кабель порта 1 анализатора от BNC разъема адаптера TekVPI для калибровки/поверки (1).
-
8.4.10 ника (2).
-
8.4.11
-
8.4.12
-
Подключить кабель порта 1 анализатора к адаптеру BNC для наконечника проб-
Подключить пробник к адаптеру TekVPI для калибровки/поверки (3).
Подключить измерительную головку пробника к дифференциальным контактам адаптера BNC для наконечника пробника (см. рис. 4 - увеличенная часть слева) (4).
-
8.4.13 Переключить пробник в диапазон входных напряжений (5):
4,25 В - пробники TDP0500 и TDP1000;
0,85 В - пробник TDP1500.
-
8.4.14 Записать показания анализатора (коэффициент передачи) на частоте 500 МГц для пробника TDP0500; 1 ГГц для пробника TDP1000; 1,5 ГГц для пробника TDP1500.
-
8.4.15 К измеренному значению коэффициента передачи пробников TDP0500 и TDP1000 прибавить 14 дБ (коэффициент деления 5/1).
-
8.4.16 Переключить пробник в диапазон входных напряжений:
42 В - пробники TDP0500 и TDP1000;
-
8,5 В- пробник TDP1500.
-
8.4.17 Установить на анализаторе опорный уровень минус 34 дБм для пробников TDP0500 и TDP1000, минус 20 дБм для пробника TDP1500
-
8.4.18 Записать показания анализатора (коэффициент передачи) на частоте 500 МГц для пробника TDP0500; 1 ГГц для пробника TDP1000; 1,5 ГГц для пробника TDP1500.
-
8.4.19 К измеренному значению коэффициента передачи пробников TDP0500 и TDP1000 прибавить 34 дБ (коэффициент деления 50/1); к измеренному значению коэффициента передачи пробника TDP1500 прибавить 20 дБ (коэффициент деления 10/1).
Результаты поверки считать положительными, если значенияекоэффициента передачи пробника на верхней граничной частоте не менее минус 3 дБ (с учетом коэффициента деления). В противном случае пробник бракуется и направляется в ремонт.
8.5 Определение уровня подавления синфазной помехи (не проводится для пробника TDP3500)-
8.5.1 Для проверки уровня подавления синфазной помехи используется измерительная схема в соответствии с рисунком 4. При этом должна быть выполнена установка нуля (нормализация) анализатора для исключения влияния потерь в адаптере TekVPI для калибров-ки/поверки.
Если проверка полосы пропускания не проводилась, выполнить пп. 8.4.1. - 8.4.8.
-
8.5.2 Установить на анализаторе опорный уровень минус 14 дБм для пробников TDP0500 и TDP1000, минус О дБм для пробника TDP1500.
-
8.5.3 Установить уровень выходной мощности 10 дБм для пробников TDP0500 и TDP1000, о дБм для пробника TDP1500.
-
8.5.4 Подключить измерительную головку пробника к дифференциальным контактам адаптера BNC для наконечника пробника (см. рис. 4 - увеличенная часть слева). Полярность произвольная. Не подключать контакт - земля при проверке пробника TDP1500.
8.5.5
Переключить пробник в диапазон входных напряжений:
4,25 В - пробники TDP0500 и TDP1000;
0,85 В - пробник TDP1500.
8.5.6
Отображаемая на анализаторе кривая является коэффициентом передачи пробника в дифференциальном режиме. Записать кривую в память анализатора.
-
8.5.7 Отключить измерительную головку пробника от дифференциальных контактов адаптера BNC для наконечника пробника и подключить ее к синфазным контактам (см. рис. 4 - увеличенная часть справа).
При проверке пробников TDP0500 и TDP1000 подключить контакт - земля.
При проверке пробника TDP1500 не подключать контакт - земля.
-
8.5.8 Отображаемая на анализаторе кривая является коэффициентом передачи пробника в синфазном режиме. Может потребоваться изменить опорный уровень и вертикальный масштаб для ее полного отображения.
-
8.5.9 Используя математические функции анализатора разделить значения коэффициента передачи пробника в дифференциальном режиме на значения коэффициента передачи пробника в синфазном режиме. Для получения более стабильного изображения допускается включить режим усреднений. Полученная кривая является частотной характеристикой подавления синфазной помехи.
-
8.5.10 С помощью маркеров определить уровень подавления синфазной помехи на частотах 30 кГц, 1 МГц, 250 МГц при проверке пробников TDP0500 и TDP1000, на частотах 1 МГц, 100 МГц, 500 МГц, 1 ГГц при проверке пробника TDP1500. Результаты занести в таблицу 4.
-
8.5.11 Переключить пробник в диапазон входных напряжений;
42 В - пробники TDP0500 и TDP1000;
-
8,5 В - пробник TDP1500.
-
8.5.12 С помощью маркеров определить уровень подавления синфазной помехи на частотах 30 кГц, 1 МГц, 250 МГц при проверке пробников TDP0500 и TDP1000, на частотах 1 МГц, 100 МГц, 500 МГц, 1 ГГц при проверке пробника TDP1500.
Таблица 4
|
Пробник |
Диапазон входных напряжений |
Частота, МГц |
Уровень подавления синфазной помехи, дБ |
Минимальное допустимое значение, дБ |
|
TDP0500 и TDP1000 |
± 4,25 В |
0,030 |
50 | |
|
1 |
45 | |||
|
250 |
25 | |||
|
±42 В |
0,030 |
55 | ||
|
1 |
50 | |||
|
250 |
18 | |||
|
TDP1500 |
±0,85 В |
1 |
45 | |
|
100 |
25 | |||
|
500 |
20 | |||
|
1000 |
18 | |||
|
±8,5 В |
1 |
60 | ||
|
100 |
38 | |||
|
500 |
35 | |||
|
1000 |
30 |
-
8.5.13 Рассчитать уровень подавления синфазной помехи с учетом изменившегося коэффициента деления путем вычитания 20 дБ из измеренных значений. Результаты занести в таблицу 4.
Результаты поверки считать положительными, если уровень подавления синфазной помехи не менее значений, указанных в таблице 4. В противном случае пробник бракуется и направляется в ремонт.
8.6 Определение времени нарастания переходной характеристики-
8.6.1 Собрать измерительную схему в соответствии с рисунком 5. Подключить реф-лектометрический измерительный модуль 80Е04 в слот 1 стробоскопического осциллографа (1).

-
8.6.2 Подключить стробоскопический измерительный модуль 80Е0Х в слот 4 стробоскопического осциллографа (2).
-
8.6.3 Подсоединить два кабеля SMA к каналам 1 и 8 стробоскопического осциллографа (3).
-
8.6.4 Подсоединить кабель SMA канала 1 через переход SMA - BNC к адаптеру TekVPI для калибровки/поверки (4).
-
8.6.5 (5).
-
8.6.6
8.6.7
-
Подсоединить кабель SMA канала 8 к адаптеру TekVPI для калибровки/поверки
Включить канал 8 и установить коэффициент отклонения 50 мВ/дел (6). Включить рефлектометрический режим в канале 1. Для этого нажать кнопку SETUP DIALOGS и выбрать вкладку TDR.
-
8.6.8 Установить в канале 1 положительную полярность выходного перепада напряжения.
-
8.6.9 Нажать Preset. Рядом с кнопкой канала должен включиться красный индикатор, указывающий, что для данного канала активирована функция TDR.
-
8.6.10 Выключить отображение канала 1, чтобы на экране осциллографа наблюдался только сигнал в канале 8.
-
8.6.11 С помощью органов управления коэффициентами развертки и отклонения, смещения и задержки установить изображение перепада напряжения в центр экрана.
-
8.6.12 Установить коэффициент развертки 200 пс/дел при проверке пробников TDP0500, TDP1000, TDP1500, 50 пс/дел при проверке пробника TDP3500.
-
8.6.13 Включить функцию автоматических измерений длительности фронта. Измеренное значение записать в протокол как
Примечание: При проведении измерений не прикасаться к адаптеру для наконечника пробника, допускается включить режим усреднений для более стабильного отображения исследуемого сигнала.
-
8.6.14 Собрать измерительную схему в соответствии с рисунком 6. Отсоединить кабель SMA канала 1 и переход SMA - BNC от адаптера TekVPI для калибровки/поверки (14).

-
8.6.15 Подсоединить кабель SMA канала 1 с переходом SMA - BNC к адаптеру BNC для наконечника пробника (15).
-
8.6.16 Подсоединить пробник к адаптеру TekVPI для калибровки/поверки (17).
-
8.6.17 Подключить измерительную головку пробника к дифференциальным контактам адаптера BNC для наконечника пробника. Переключить пробник в диапазон входных напряжений: 4,25 В - пробники TDP0500 и TDP1000; 0,85 В - пробник TDP1500 (16).
-
8.6.18 Установить постоянное смещение в канале осциллографа DPO7354, к которому подключен пробник, равным 0 (18).
Примечание: осциллограф DPO4354 предназначен только для питания и установки постоянного смещения пробника, все измерения выполняются с помощью стробоскопического осциллографа DSA8200.
-
8.6.19 Установить коэффициент отклонения в канале 8 стробоскопического осциллографа 10 мВ/дел, коэффициент развертки - 200 пс/дел при проверке пробников TDP0500, TDP1000, TDP3500. Установить коэффициент отклонения в канале 8 стробоскопического осциллографа 50 мВ/дел, коэффициент развертки - 200 пс/дел при проверке пробника TDP1500. Допускается включить режим усреднений для более стабильного отображения исследуемого сигнала (19).
-
8.6.20 С помощью органов управления коэффициентами развертки и отклонения, смещения и задержки установить изображение перепада напряжения в центр экрана (20).
-
8.6.21 Включить функцию автоматических измерений длительности фронта (21). Измеренное значение записать в протокол как ts+p.
-
8.6.22 Рассчитать время нарастания переходной характеристики пробника tp по формуле:
Результаты поверки считать положительными, если время нарастания переходной характеристики пробника TDP0500 не более 700 пс, время нарастания переходной характеристики пробника TDP1000 не более 350 пс, время нарастания переходной характеристики пробника TDP1500 не более 265 пс, время нарастания переходной характеристики пробника TDP3500 не более 140 пс. В противном случае пробник бракуется и направляется в ремонт.
9 ОФОРМЛЕНИЕ РЕЗУЛЬТАТОВ ПОВЕРКИ-
9.1 При положительных результатах поверки пробника выдается свидетельство установленной формы.
-
9.2 На оборотной стороне свидетельства о поверке записываются результаты поверки.
-
9.3 В случае отрицательных результатов поверки поверяемый пробник к дальнейшему применению не допускается. На такой пробник выдается извещение об его непригодности к дальнейшей эксплуатации с указанием причин.
А.С. Гончаров
А.В. Клеопин
В.З. Маневич
Начальник отдела
ГЦИ СИ «Воентест» 32 ГНИИИ МО РФ
Начальник лаборатории
ГЦИ СИ «Воентест» 32 ГНИИИ МО РФ
Начальник НО-1 ГЦИ СИ ФГУП «ВНИИФТРИ»
